ЧЕРЧЕНИЕ. Школьный интернет-учебник – Сборочные чертежи 5-2
Все разъёмные соединения можно разделить на 2 группы: резьбовые и нерезьбовые.
К резьбовым относятся применяются стандартные крепежные резьбовые детали: болты, винты, шпильки, гайки. Все крепежные резьбовые изделия имеют метрическую резьбу с крупным шагом, реже с мелким и изготовляются по соответствующим стандартам, устанавливающим требования к материалу, покрытию и прочим условиям изготовления этих деталей. Каждая крепежная деталь имеет условное обозначение, в котором отражаются: класс точности, форма, основные размеры, материал и покрытие.
Болтовое соединение
Болтовое соединение состоит из 5 деталей: двух соединяемых деталей, болта, шайбы и гайки.
Рис. 1. Наглядное изображение болтового соединения.
Болт – крепежная деталь, представляющая собой цилиндрический стержень, как правило, с шестигранной головкой на одном конце и винтовой резьбой на другом.
Головки болтов могут иметь и другую форму: квадратную, прямоугольную, полукруглую с квадратным подголовком или усом. В большинстве конструкций на головке имеется фаска, сглаживающая острые края головки и облегчающая положение гаечного ключа при свинчивании (рис. 2)
Рис. 2. Болт и его основные элементы.
Рабочий чертеж болта выполняется по размерам, взятым из соответствующего стандарта (ГОСТ 7798–70). Обратите внимание, что соединяемые детали заштрихованы в разные стороны. Это сделано для того, чтобы облегчить чтение чертежей, дав возможность отличить соседние детали по штриховке.
Рис. 3. Чертеж болтового соединения.
Рис. 4. Упрощенное изображение болтового соединения.
Каждому диаметру резьбы болта d соответствуют определенные размеры его головки. При одном и том же диаметре резьбы d болт может изготавливаться различной длины l, которая стандартизирована.
Длина резьбы болта также стандартизирована и устанавливается в зависимости от его диаметра d и длины l.
Обозначение
Например, запись “Болт М12х1,25х60 ГОСТ 7798-74” означает: болт с метрической резьбой 12 мм, шаг 1,25 мм (мелкий), длина болта 60 мм.
При условном изображении болтового соединения:
а) фаски на головках болтов, гаек и стержне не изображают,
б) зазор между стержнем болта и отверстием в соединяемых деталях не показывают,
в) резьбу условно изображают по всей длине стержня,
г) на видах, перпендикулярных оси резьбы, резьба изображается окружностью, соответствующей наружному диаметру резьбы, на этих же видах не изображают шайбы.
Болты, гайки и шайбы на сборочных чертежах показывают нерассеченными.
Гайки
Гайка – деталь призматической формы, снабженная сквозным, а иногда глухим осевым резьбовым отверстием.
Чаще всего гайки бывают шестигранной формы с двумя фасками, квадратной формы с одной фаской, шестигранные прорезные и корончатые, имеющие радиальные пазы для их стопорения с помощью шплинтов.Рис. 5 гайки шестигранной формы
В машиностроении и в быту часто применяют специальные гайки: круглые, гайки-барашки, крыльчатые, круглые шлицевые, колпачковые, квадратные и др.
Рис. 6. Типы гаек: а) шестигранная, б) корончатая, в) квадратная,
г) прорезная, д) гайка-барашек, е) крыльчатые, ж) круглые шлицевые.
Гайки навинчиваются на резьбовой конец болта, при этом соединяемые детали зажимаются между гайкой и головкой болта.
Наиболее часто используются шестигранные гайки по ГОСТ 5915–70 в двух исполнениях: с двумя и одной наружными фасками (рис. 6, а). Гайки-барашки, применяемые для завертывания гаек без ключа (рис. 6, д), выбираются по ГОСТ 3032-76.
Чертеж гайки выполняется по размерам, взятым из соответствующего стандарта.
Обозначение
Для гайки указывают диаметр и тип резьбы.
Запись “Гайка М16 ГОСТ 5915–70 ” означает: гайка с метрической резьбой, имеющая диаметр 16 мм, шаг крупный.
Шайбы
Шайба – плоский диск с круглым отверстием в центре.
Существуют шайбы плоские и пружинные.
Плоские шайбы применяются в следующих случаях:
а) если отверстия под болты или шпильки не круглые (овальные, прямоугольные), когда мала опорная поверхность гаек;
б) если необходимо предохранить опорную поверхность детали от задиров при затяжке гайки ключом;
в) для устранения возможности самоотвинчивания гаек при испытываемых ими вибрациях или изменения температуры;
г) если детали изготовлены из мягкого материала (алюминия, латуни, бронзы, дерева и др.), в этом случае нужна большая опорная поверхность под гайкой для предупреждения смятия детали.
Различают шайбы круглые (рис. 8, а), квадратные (рис. 8, б), пружинные, многолапчатые (рис. 8, в), стопорные, сферические (рис. 8, г) (устраняющие перекос шпильки или болта при изменении положения части соединяемых деталей), быстросъёмные (рис. 8, д), косые (рис. 8, е) (для выравнивания уклонов полок швеллеров и двутавровых балок) и др.
Рис. 8. Шайбы: а) круглые, б) квадратные, в) многолапчатые, г) сферические, д) быстросъёмные, е) косые.
Плоские шайбы имеют два исполнения: исполнение 1 классов точности А и С – без фаски; исполнение 2 класса точности А – с фасками (рис. 7, а).
Пружинные шайбы представляют собой виток винтового выступа левого направления (рис. 9), служат для предохранения резьбовых соединений от самоотвинчивания во время эксплуатации. Пружинная шайба имеет разрез и при завертывании гайки шайба упирается в торец гайки и опорную поверхность детали, тем самым задерживая обратное вращение гайки или болта.
Рис. 9. Шайбы пружинные
Рис. 10. Шайба пружинная: наглядное изображение и чертеж.
Шайбы могут быть различной конфигурации. Размеры шайб для болтов и гаек подбирают по ГОСТ 11371-78.
Обозначение
Для шайб указывают диаметр болта.
Запись “ШАЙБА 12” означает: шайба для болта диаметром 12 мм.
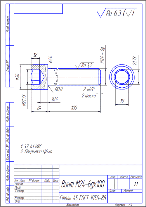
Винтовое соединение
Винт – резьбовой стержень, на одном конце которого имеется закладная головка.
Винт отличается от болта наличием прорези (шлица) под отвертку.
Винты производятся и из дерева, металла, пластика и других материалов.
В современной жизни использование винтов весьма обширно. Используются винты в самых различных областях промышленности: в машиностроении, строительстве железных дорог, электротехнике, строительстве, производстве мебели, изготовлении техники, электронике, при монтажных работах, при починке.
Качественный винт считается очень важным элементом при возведении или ремонте домов. На мебельных предприятиях винт обязателен для того, чтобы было возможно объединять детали производимой мебели. На таких предприятиях винт обычно бывает деревянным или пластмассовым.
Винты подразделяются на два типа: крепежные и установочные.
Основные типы крепежных винтов различаются по форме головки (цилиндрическая, полукруглая, потайная, полупотайная).
Рис. 11. Крепёжный винт и его параметры.
Винты изготавливаются с головками разных форм: цилиндрическими ГОСТ 1491–80, с полукруглой головкой ГОСТ 17473–80, с потайной головкой ГОСТ 17475-80 и др. Головки могут быть частично или полностью (рис.12) утоплены (впотай).
Рис. 12. Крепёжные винты
Установочные винты применяются для регулировки зазоров и фиксации деталей при сборке.
Рис.
13. Пример применения установочного винта
Рис. 14. Установочный винт и его параметры.
Некоторые типы установочных винтов не имеют головок.
Винтовое соединение состоит из 3 деталей: двух соединяемых деталей и винта.
Рис. 15. Винтовое соединение: наглядное изображение.
Рис. 16. Винтовое соединение: чертёж и условное изображение.
Шпилечное соединение
Шпилька — цилиндрический стержень, на обоих концах которого нарезана резьба.
Шпилька применяется:
а) когда у деталей нет места для размещения головки болта,
б) если одна из деталей имеет значительно большую толщину, тогда применять слишком длинный болт неэкономично,
в) если необходима частая разборка соединения, а резьба в детали не обладает достаточной стойкостью в силу свойств материала (алюминиевый сплав, чугун).![]()
Одним концом шпилька на всю длину резьбы ввинчивается в глухое отверстие детали (посадочный конец), а на другой – навинчивают гайку, под которую подкладывают шайбу (стяжной конец).
Рис. 17.
Шпильки бывают различных видов и типов. Например, шпильки с резьбой M2 – M12 с длиной от 10 до 80 мм бывают двух видов: для соединения деталей, в одной из которых нарезана резьба, и для соединения деталей с гладкими отверстиями. Шпильки первого вида имеют на концах стержня резьбу различной длины, а шпильки второго вида — одинаковую длину резьбы на обоих концах или резьбу, нарезанную на всю длину стержня. Шпильки обоих видов могут иметь нерезьбовую часть меньшего диаметра, чем резьба.
Рис.18. Шпилька и её параметры.
Размеры шпильки стандартизованы. Длина b1 (в эту длину входит сбег резьбы) ввинчиваемого резьбового конца определяется материалом детали, в которую он должен ввинчиваться, и может выполняться разной величины.
Резьбовой конец шпильки l предназначен для навинчивания на него гайки при соединении скрепляемых деталей. Под длиной шпильки l понимается длина стержня без ввинчиваемого резьбового конца. Длина резьбового (гаечного) конца l0 может иметь различные значения, определяемые диаметром резьбы d и длиной шпильки l.
При изображении на чертеже линию, определяющую границу резьбы на нижнем конце шпильки, всегда проводят на уровне поверхности детали, в которую ввернута шпилька.
Рис. 19. Наглядное изображение соединения шпилькой.
Рис. 20. Выполнение чертежа соединения шпилькой.
Резьбу условно изображают по всей длине шпильки. Вопрос о вычерчивании тем или иным способом зависит от того, какое количество шпилек участвует в соединении.
Рис. 21. Шпилечное соединение: а) чертеж; б) условное изображение
Обозначение
“Шпилька М10х60” следует понимать что шпилька имеет метрическую резьбу, диаметр ее 10 мм, а длина 60 мм (до ввинчиваемого конца).
С изображением крепежных деталей приходится сталкиваться на сборочных чертежах. Болты, винты, шпильки, гайки и шайбы на сборочных чертежах изображают не рассечёнными. На этих чертежах болты, шпильки и винты вычерчивают по относительным размерам и упрощенно. Это значит, что величину отдельных элементов определяют в зависимости от наружного диаметра (d) резьбы.
Как выполнить чертеж по инженерной графике Резьбовые изделия
Как выполнить чертеж по инженерной графике: тема 7 «Резьбовые изделия»
Часто студентам задают задание по инженерной графике из книги Фролова/Бубенникова 1990 года редакции, в теме №7 необходимо выполнить вот такой чертеж — «Резьбовые изделия».
Вот полное задание Вычертить: 1) болт, гайку, шайбу по их действительным размерам, которые следует взять из соответствующих стандартов;
2) упрощенное изображение этих же деталей в сборе;
3) гнездо под резьбу, гнездо с резьбой, шпильку отдельно и шпильку в сборе с гайкой и шайбой по их действительным размерам, которые следует взять из соответствующих стандартов.
Пошаговое выполнение на примере 2-го варианта:
1) Болт, гайка, шайба по действительным размерам
Согласно варианту, задан болт с резьбой М18 с крупным шагом резьбы ( это 2,5 мм для диаметра 18 мм, на обозначении шаг не указывается, указывается только мелкий шаг) длина болта 80 мм, исполнение 2 по ГОСТ 7796-70, находим этот ГОСТ в поисковике и открываем.
ГОСТ 7796-70 “Болты с шестигранной уменьшенной головкой класса точности В”
В нем мы найдем все необходимые размеры, по ним и будем вычерчивать вычерчивать болт в двух проекциях.
Над болтом пишем условное обозначение Болт 2 М18-6g x 80.58, что означает болт исполнения 2 с метрической резьбой М18 с крупным шагом, длиной 80 мм, с полем допуска 6g и классом прочности 5.8 без покрытия.
Поле допуска, устанавливающее величину зазоров между резьбой на стержне (болта, винта, шпильки) и в отверстии (гайки), выбирают по ГОСТ 16093-81. Установлены следующие поля допусков:
для резьбы на стержне — 4h, 6h, 6g, 6e, 6d, 8h, 8g;
для резьбы в отверстии — 4Н5Н, 5Н6Н, 6Н, 6G и 7Н, 7G
От поля допусков 4h до поля 8g для стержней и от поля допусков 4Н до 7G для отверстий зазоры увеличиваются, т. е. резьба изготовляется все с меньшей точностью. Студенты могут ограничиться этими сведениями, не обращаясь к указанному стандарту.
Класс прочности для болтов, винтов, шпилек выбирают из ряда 3.6; 4.6; 4.8; 5.6; 5.8; 6.6; 6.8; 6.9; 8.8 по ГОСТ 1759—86,
а для гаек — из ряда 4, 5, 6, 8 и т.д..
При указании класса прочности в обозначении резьбового изделия точки между цифрами не ставят, т.
е. пишут 36 вместо 3.6; 46 вместо 4.6 и т. д.
Желательно, чтобы студент уяснил физическую сущность этих чисел, прочитав указанный стандарт, но основное, что надо запомнить, это то, что чем больше число, тем прочнее материал.
На учебных чертежах, выполняемых по курсу инженерной графики, допускается условно принимать, что болты, винты, шпильки изготовлены из углеродистой стали класса прочности 5.8 (в обозначении пишется 58), а гайки — из той же стали класса прочности 5, что резьба выполнена с полем допуска 6g (бывший класс точности 2) для болтов, винтов и шпилек и 6Н для гайки и что они не подвергались защитным (антикоррозионным) или декоративным покрытиям.
ГОСТ 15521-70 «Гайки шестигранные с уменьшенным размером «под ключ». класса точности В.»
Открываем ГОСТ и смотрим необходимые размеры, вычерчиваем гайку с резьбой М18 исполнения 2.
Гайка исполнения 2 отличается от гайки исполнения 1 тем, что у нее фаска сделана не с обеих, а с одной стороны.
Условное обозначение гайки исполнеия 2 с диаметром резьбы d=18 мм, с крупным шагом резьбы с полем допуска 6Н, класса прочности 5, без покрытия:
Гайка 2М18-6Н.5 ГОСТ 15521-70
ГОСТ 6402-70 “Шайбы пружинные. Технические условия.”
Вычерчиваем шайбу – Шайба 18.65Г ГОСТ 6402-70,
где 65Г — пружинная марганцовистая сталь;
2) Упрощенное изображение болта, гайки и шайбы в сборе
В методичке есть такой рисунок с конструктивными размерами и формулами.
По заданному диаметру болта (18мм) по формулам определяем все необходимые размеры и по ним вычерчиваем упрощенное изображение болтового соединения
3) Гнездо под резьбу, гнездо с резьбой, шпилька и шпильку в сборе
Таблица с заданием по вариантам
ГОСТ 22034-76.
“Шпильки с ввинчиваемым концом длиной 1,25d.»Вычерчиваем шпильку М18 длиной 55 мм ГОСТ 22034-76 согласно заданию.
Шпилька М18-6gx120.58 ГОСТ 22034-76
Расчёт резьбового гнезда под шпильку
Шпилька в сборе с гайкой ГОСТ 5915-70 и шайбой ГОСТ 11371-78
По действительным размерам, которые берем из соответствующих стандартов. ГОСТы находим их в поисковике, смотрим размеры и вычерчиваем всё в сборе.
Купить готовый чертеж по этой теме любого варианта можно ЗДЕСЬ!!!
Раздел: Инженерная графика /
- Рекомендуем
- Комментарии
- Наши товары
Магазин исполнительских искусств
Правило масштаба
Масштаб большинства театральных рисунков 1/2″ = 1′-0″.
хотя также используются масштабы 1/4 и 3/8 дюйма. Шкала 1/2 дюйма мала
достаточно, чтобы разместить множество живописных единиц на управляемом размере
лист бумаги, но достаточно большой, чтобы указать большинство деталей.
План этажа
Общий план обычно рассматривается как вид с высоты птичьего полета. сцена. Это помогает дизайнеру в разработке сценического дизайна. это также используется режиссером для установления потока действия. Для светодизайнера это обязательный инструмент планирования огни. А для сценического техника это бесценно в определении размещение декораций.
Общие символы, используемые на планах:
USITT Дизайн сцены и техническое производство Графические стандарты
Чертежи в разрезе
Разрез представляет собой вертикальный разрез всего театра,
включая места для зрителей. Секущая плоскость для этого вида
центральная линия. «Нарезка» проходит через все декорации на сцене и
все декорации над головой, включая маскировку.
Это также показывает
расположение всех световых позиций, как в доме, так и на сцене.
Высота
Фасады показывают переднюю, заднюю или боковую часть определенного часть плана земли и «поднимите» ее в прямое, сплющенное, анфас, без перспективы та часть набора. Он должен содержать все структурные информация, необходимая для создания этого фрагмента декораций и всего накладные или окрашенные детали (молдинги, наличники, окна и т.д.).
Световая диаграмма
Световая диаграмма представляет собой чертеж, показывающий размещение освещения
оборудование в театре. Основная цель состоит в том, чтобы изобразить в масштабе,
точное расположение всех осветительных приборов, используемых в постановке.
Он должен показывать расположение декораций по отношению к физическому
структура театра. Информация о типе инструмента, цвете,
и указан контроль. Сюжет также включает в себя легенду
описание каждого из символов, используемых в сюжете, а также название
блок, который детализирует соответствующую информацию о производстве.
Рекомендуемая практика проектирования театрального освещения
Рекомендованные USITT световые символы
Все группы исполнительского искусства, использующие театры Анненберга, Iron Gate Театр, Houston Hall Auditorium или Irvine Auditorium будут ожидается, что они предоставят очень конкретные описания их освещения потребности. Это делается с помощью Light Plot , чертеж в масштабе показывает размещение и использование каждого света, необходимого для производства. Сюжет освещения обычно рисуется художником по свету. Многие из в кинотеатрах Участки типового дома , на которых предусмотрены общие освещение для групп без опытные художники по свету или для постановок только с базовыми требованиями к освещению.
Все легкие сюжеты должны быть просмотрены сначала Питером Уиннери и
затем Брайан Грейс-Дафф (для Annenberg Theaters и Irvine) или Дэйв Керр (для Iron
Gate и Houston Hall) для утверждения не менее чем за 2 недели до вашего
загрузка шоу.
Эти трое также могут ответить на вопросы об инвентаризации и
процедуры. Ищите их заранее!
Компьютерное проектирование (САПР)
Магазин исполнительских искусств поддерживает небольшую лабораторию компьютерной графики. Кэдд программное обеспечение, используемое в лаборатории, включает: AutoCad, Bricscad, Sketch-Up и ВекторВоркс. Bricscad также доступен на рабочих станциях в Platt Student Performing Arts House.
Эти программы могут быть использованы для создания планов, разрезов, фасадов и
легкие сюжеты. В зависимости от навыков и опыта пользователя и
сложность того, что рисуется, это может занять или не занять больше времени, чтобы
чертить на компьютере, чем от руки. Компьютерное черчение снижает
время, необходимое для внесения исправлений или изменений в чертеж. Компьютер
также может рисовать объекты в 3-х измерениях и показывать их с разных
Просмотры. Это может быть использовано в визуализации дизайна и как способ
создавать планы, разрезы и фасады из одних и тех же объектов чертежа.
Можно спорить, что научиться рисовать от руки — лучший способ узнать основные принципы, чем обучение на компьютере. Ты будешь оказаться в ситуации, когда вам нужно что-то начертить и либо у вас нет доступа к компьютеру, либо вы не знаете программное обеспечение на компьютере. Поэтому нужно еще уметь читать правило архитектора, работай с Т-образным квадратом и треугольником, рисуй прямую линии и выполнять другие навыки рисования.
Сценические модели
Модели наиболее полезны для визуализации композиции сцены. дизайн и его связь с театральным пространством и публикой. Наиболее часто выполненная в масштабе 1/2, модель представляет собой миниатюрную версию готовый набор.
Рендеринг
Типичная визуализация сценического дизайна показывает обстановку такой, какая она есть.
предстает перед зрителями. Скорее всего, это будет важным
или драматическая сцена из постановки.
Дизайнер передает его
указать, как обстановка будет выглядеть при сценическом освещении, в комплекте с
настроение, атмосфера и глубина.
Визуализация может быть выполнена во всех видах живописи и графики, в том числе: акварель, акрил, пастель, уголь, тушь, цветные карандаши, мел или даже масляные краски. Дизайнер подбирает средний с точки зрения того, что лучше всего работает для него / нее и что даст желаемые результаты. Часто это сочетание многих средств массовой информации.
Визуализация также может быть выполнена с помощью компьютера. Есть
на рынке представлено множество программ для рисования и рисования, в том числе:
PhotoShop, Painter, Poser, Gimp и Strata StudioVision. Очень
интересные результаты можно также получить, комбинируя компьютерный вывод с
ручной рисунок и живопись. Например, изображение каркаса из проволоки можно распечатать.
из программы для рисования, а затем раскрашены вручную. Идти по другому пути –
можно сканировать нарисованных от руки изображений, которыми можно манипулировать с другими
изображения в таких программах, как Photoshop или Gimp.
235 Рисунок в разрезе Клипарты, векторные изображения и иллюстрации Рисунок в разрезе
Иллюстрация, показывающая структуру внутри кожи. Виды сечения имеют названия различных тканей тела. .разрезы имеют названия различных тканей организма.японская нотация.монотон.ПРЕМИУМ
Муравейник с отверстиями и ходами, разрез под землей. векторный мультфильм о холме с термитами снаружи и внутри. ПРЕМИУМ
Набор математических иллюстраций площади поперечного сеченияPREMIUM
Вырезать интерьер стула, векторный рисунок, мебельный стулPREMIUM
На этой иллюстрации представлен вид в разрезе термитной сварки, рисования винтажных линий или гравировки.PREMIUM
Сохранить загружаемое изображение для предварительного рисования лестницы, лестницы . . вид сверху и вид в разрезе. архитектурный наборPREMIUM
На этой иллюстрации представлен разрез отражательной печи, рисунок винтажной линии или гравировка.PREMIUM
Изометрический дом в разрезе.
поперечное сечение жилищного строительства с кухней, спальней, ванной комнатой. 3D векторный дом внутри. изометрический интерьер ванной комнаты и кухни в жилом доме illustrationPREMIUM
Эта иллюстрация представляет собой вид в разрезе кардера, рисунок винтажной линии или гравировку. monotone.PREMIUM
На этой иллюстрации представлены секционные фрезы с вставленным зубчатым инструментом, рисунком винтажной линии или гравировкой.PREMIUM
Векторный набор различных видов стульев и пуфов, выделенных на белом фоне. PREMIUM
Векторный набор предметов мебели на белом фоне. разные виды диванов для декора интерьераPREMIUM
Стилизованная векторная иллюстрация изометрических чертежей подшипников в разрезеPREMIUM
Треугольный арбузный кусок вектор iconPREMIUM
Вид в разрезе кожи. иллюстрация здоровой кожи.PREMIUM
Кожа в разрезе. иллюстрация с раненой кожей (без текста)ПРЕМИУМ
Вид кожи в разрезе. Сравнительная иллюстрация защитного эффекта между здоровой и поврежденной кожей.
с текстом.PREMIUM
Треугольный кусок арбуза векторная iconPREMIUM
Вид в разрезе кожи. сравнение иллюстрации здоровой кожи и раненой кожи.PREMIUM
Архитектурный линейный эскиз многоэтажного жилого дома. чертеж в разрезеPREMIUM
Яблоня с корнями в земле. земельный участок. иллюстрация диаграммы роста дерева. векторный плоский мультяшный рисунокПРЕМИУМ
Кожа в разрезе. Сравнительная иллюстрация защитного эффекта между здоровой и поврежденной кожей / japanesePREMIUM
Кожа в разрезе. иллюстрация здоровой кожи (японский) PREMIUM
Архитектурный линейный эскиз дома на уровне дерева. Чертеж в разрезеPREMIUM
Вид в разрезе кожи. Сравнительная иллюстрация защитного эффекта между здоровой кожей и поврежденной кожей. с текстом.PREMIUM
Иллюстрация кожи в разрезе. без текста.ПРЕМИУМ
Значок кусочка арбуза на белом фоне, векторная иллюстрация. ПРЕМИУМ
Модный набор градиентных линейных векторных значков кухонной посуды.
секционная тарелка и разделенная тарелка. посуда в винтажном стиле. набор символов контура тонкой линии. коллекция изолированных векторных набросков PREMIUM
Архитектурный линейный эскиз дома на уровне дерева. рисунок в разрезе на черном фонеPREMIUM
Большой брезентовый навес от солнца на высоких металлических ножках с подставкой. вектор от руки линейные чернила нарисованы схематичный фон в стиле античности искусства каракули ручка на бумаге с пространством для текстаПРЕМИУМ
Иллюстрация кожи в разрезе. без текста.PREMIUM
Значок вектора круглых ломтиков арбузаPREMIUM
Вид в разрезе sin.comparison иллюстрация защитного эффекта между здоровой кожей и поврежденной кожей. без текста.PREMIUM
Вид кожи в разрезе.Сравнительный рисунок здоровой кожи и поврежденной кожи.PREMIUM
Сочные гранаты в стиле эскиза. ретро постер с красными гранатами. рисунок граната в разрезе.ПРЕМИУМ
Иллюстрация использования гидролокатора для измерения глубины морского дна, показывающая звуковые волны и их отражение от морского дна.
ПРЕМИУМ
Красный значок арбуза, изолированный на белом, клип-арт, свежий кусок арбуза, нарезанный ломтиками, иллюстрация, плоский арбуз, сладкие фрукты для летней графики, сочный красный арбуз для красной дыни для дизайна. с текстом.PREMIUM
Схема сечения правой доли головного мозга человека на белом фоне. векторная 3d иллюстрацияPREMIUM
Архитектурный линейный эскиз двухэтажного дома с бассейном. чертеж в разрезеPREMIUM
Сагиттальный срез головы и шеиPREMIUM
Набор различных тату в стиле трайблPREMIUM
Огранка яблоко и груша, слива с листьями. подписать. непрерывное рисование линий. векторная иллюстрация. ПРЕМИУМ
Дом в разрезе изометрический. поперечное сечение жилищного строительства с кухней, спальней, ванной комнатой. 3D векторный дом внутри. изометрический интерьер ванной комнаты и кухни в жилом доме illustrationPREMIUM
Линейный архитектурный эскиз многоэтажного дома. чертеж в разрезеPREMIUM
Кожа в разрезе. иллюстрация раненой кожи.
(без текста)PREMIUM
Векторный набор различных типов стульев, изолированных на белом фонеPREMIUM
Модные кухонные принадлежности мел белые иконки на темном фоне. секционная тарелка и разделенная тарелка. двойные стеклянные чашки для горячего чая. посуда в винтажном стиле. изолированные векторные иллюстрации классной доской на черномPREMIUM
Секционный забор цветной вектор каракули простой значокPREMIUM
Модные кухонные принадлежности мел белые иконки на темном фоне. секционная тарелка и разделенная тарелка. двойные стеклянные чашки для горячего чая. посуда в винтажном стиле. изолированные векторные иллюстрации классной доской на черномPREMIUM
Изометрический дом в разрезе. поперечное сечение жилищного строительства с кухней, спальней, ванной комнатой. 3D векторный дом внутри. изометрический интерьер ванной комнаты и кухни в жилом доме illustrationPREMIUM
Биология человека, иллюстрация анатомии органов. набор внутренних органов человека: печень, легкие, сердце, почки, мозг, глаза, желудок, трахея и т.
д. выгравированы вручную в старом эскизе и винтажном стиле.0005
Вид в разрезе акантобделлы является членом семейства кольчатых червей, и присутствует целомический эпителий, рисунок винтажной линии или гравировка. ПРЕМИУМ
Zuidplas, схемы в разрезе, ограждение zuid plas, недалеко от Роттердама, nieuws enactualiteiten, рисунок винтажной линии или Гравировка иллюстрации.PREMIUM
На этом рисунке показан поперечный разрез бутона цветка, рисунок винтажной линии или гравировка иллюстрации.PREMIUM
Нарезанное яблоко. подписать. непрерывное рисование линий. векторная иллюстрация.ПРЕМИУМ
Линейный значок секционной пластины. разделенное блюдо, которое может содержать продукты. разнообразие типов контейнеров. тонкая линия настраиваемой иллюстрации. символ контура. векторный изолированный рисунок контура. редактируемый штрихPREMIUM
Модный набор линейных иконок для посуды. секционная тарелка и разделенная тарелка. двойные стеклянные чашки для горячего чая.
настраиваемые символы контура тонкой линии. изолированные векторные иллюстрации. редактируемый штрихPREMIUM
Значок линейного вектора градиента секционной пластины. разделенное блюдо, которое может содержать продукты. Контейнер для разнообразных блюд. символы цвета тонкой линии. пиктограмма в современном стиле. векторный изолированный контурный рисунокПРЕМИУМ
Значок треугольного ломтика арбуза. мультфильм треугольный ломтик арбуза векторная иконка для веб-дизайна на белом фонеPREMIUM
Мужская репродуктивная система человека с описанием частей на белом фоне в разрезе и целикомPREMIUM
Телевизионный стол линии искусства логотип вектор символ иллюстрации дизайнPREMIUM
Набор математических сечений площадь иллюстрацияPREMIUM
Минималистичный мультяшный значок в разрезе инжир. расположение одно за другим. изолированные векторные иллюстрации на белом фоне.ПРЕМИУМ
Фотография плода пепо в разрезе. пепо — это разновидность ягоды с более твердой кожурой, рисунком винтажной линии или гравировкой.
PREMIUM
На этом изображении показан пример процесса. поскольку эти мягкие линии не замкнуты, вы не можете использовать пару без прерывания движения, рисования винтажных линий или гравировки иллюстрации. ПРЕМИУМ
Архитектурный линейный эскиз многоэтажного жилого дома. рисунок в разрезе на черном фонеPREMIUM
Красный значок арбуза, изолированный на белом, клип-арт, свежий кусок арбуза, нарезанный ломтиками, иллюстрация, плоский лежал арбуз, сладкие фрукты для летней графики, сочный красный арбуз для логотипа, красная дыня для дизайнаPREMIUM
На этой иллюстрации изображен рисунок колокола в разрезе или гравировка. PREMIUM
Игрушечная пирамида. тонкий шаблон искусства линии для детских игр. черно-белая простая иллюстрация. контур рисованной изолированные векторное изображение на белом фонеPREMIUM
Секционный забор черная линия вектор каракули простой значокPREMIUM
Минималистичный мультяшный значок секционный киви. расположение одно за другим.
изолированные векторные иллюстрации на белом фоне.ПРЕМИУМ
Маленький векторный значок кусочка арбузаPREMIUM
Минималистичный мультяшный значок в разрезе персик. расположение одно за другим. изолированная векторная иллюстрация на белом фоне. PREMIUM
Иллюстрация легких, трахеи и носоглотки человека. PREMIUM
Растение с корнями в земле. земельный участок. иллюстрация роста дерева. Векторный плоский мультяшный рисунокPREMIUM
Секционная пластина мелом белый значок на темном фоне. разделенное блюдо, которое может содержать разные продукты. разнообразные блюда в одном контейнере. изолированная векторная иллюстрация классной доской на черномPREMIUM
Секционная тарелка мелом белая иконка на темном фоне. разделенное блюдо, которое может содержать разные продукты. разнообразные блюда в одном контейнере. изолированные векторные иллюстрации классной доске на черномPREMIUM
Фрукты и ягоды в разрезе с соком внутри и вставленной соломой на белом фоне в векторе.
арбуз, яблоко, киви, лимон, банан, клубника, гранат, груша, ананас.PREMIUM
Кожа в разрезе. сравнительная иллюстрация защитного эффекта между здоровой кожей и поврежденной кожей. с текстом.ПРЕМИУМ
Архитектурный линейный эскиз дома на уровне дерева. рисунок в разрезе на сером фонеPREMIUM
Вид в разрезе бамбука, показывающий угловатую сеть клеток и круглые отверстия сосудов без косточек, рисунок винтажной линии или гравировку.PREMIUM
Значок круглого ломтика арбуза. мультфильм круглый ломтик арбуза вектор значок для веб-дизайна, изолированные на белом фонеPREMIUM
Ручной обращается гранат на светлом изолированном фоне. натуральные фрукты в разрезе. может использоваться для дизайна меню ресторана, кафе, упаковки продуктов и дизайна косметики. векторная винтажная иллюстрацияПРЕМИУМ
Сердце собаки медицинская ветеринария образовательная векторная иллюстрацияPREMIUM
Овощной разрезPREMIUM
Семейный номер линейный арт логотип векторный дизайн, дизайн логотипа интерьера мебелиPREMIUM
Вырез силуэт игрушки значок пирамиды.
