В Масштабе. Чертежи, 3D Модели, Проекты
Рейтинг: 200
Софт: КОМПАС-3D 16
Состав: Фланцевое соединение, Спецификация (фланцевого соединения), Опора (СБ), Спецификация (опоры), Общий вид (ВО), Спецификация (общий вид), Распределительная камера (СБ), Спецификация (распределительная камера), Трубная решетка
0 5 2
Тепловой расчет кожухотрубчатого теплообменника
Рейтинг: 30
Софт: AutoCAD 17
Состав: Пояснительная записка, Теплообменник (ВО), Деталировка (корпус, крышка, фланец, решетка)
0 6 3
Расчет и конструирование кожухотрубчатого теплообменника
Рейтинг: 100
Софт: КОМПАС-3D 16
Состав: Теплообменник с плавающей головкой (СБ), Трубный пучок (СБ), Деталировка (крышка плавающей головки, плита опорная, полукольцо стяжное, ребро опоры, решетка трубная неподвижная, фланец), Спецификации, ПЗ
0 27 87
Кожухотрубчатый теплообменник с плавающей головкой
Рейтинг: 40
Софт: КОМПАС-3D 13
Состав: Главный вид теплообменника, Деталировка (обечайка, фланец, крышка, патрубок), Спецификация, ПЗ
0 14 149
Расчет на прочность , жесткость и устойчивость Кожухотрубчатого теплообменника с компенсатором на кожухе
Рейтинг: 50
Софт: КОМПАС-3D 15
Состав: Главный вид теплообменника, Деталировка(крышка, патрубок, обычайка, фланец), Спецификация
0 7 218
Расчет на прочность, жесткость и устойчивость кожухотрубчатого теплообменника с компенсатором на кожухе
123456→
Вы искали
В категории Во всех категорияхCAE расчёты и симуляцияАвтоматизация и управление SCADA Автоматизация проектирования Датчики Метрология (МСС) Промышленные роботы и робототехникаБесплатноГОСТы ЕСКДИнженерные системы Вентиляция и кондиционирование Газоснабжение Кабельные системы, связь, СКС Пожарные и охранные системы Системы водоснабжения и канализации Теплоснабжение Хладотехника и холодильные установки Электроснабжение и освещениеКонкурсы Cделай это сам / DIY Будущие АСы КОМПьютерного 3D-моделирования МАСТЕР 3D Эксперт и ЗачётМашиностроение и механика Гидравлика и пневматика Клапан Двигатели ДВС Реактивные двигатели Детали машин Передачи Редукторы Соединения Металлорежущие станки и инструменты Гибочные станки Детали и узлы станков Зубообрабатывающие станки Режущий, станочный инструмент Сверлильные и расточные станки Токарные станки Фрезерные станки Шлифовальные станки Оборудование Подъемно транспортные установки (ПТУ) Конвейеры Краны Лифты Такелаж Приборостроение Бытовая техника Электронные компоненты Сварочное производство Теория механизмов и машин Теплотехника Котлы Теплообменники Турбины Технология машиностроенияМодели для станков ЧПУНачертательная геометрия и Инженерная графикаОружие Огнестрельное оружие Холодное оружиеПромышленность Добывающая, горная промышленность Инженерная Экология Лёгкая промышленность Лесное хозяйство и деревообработка Деревообрабатывающие станки МАПП Гранулирование Дозирование Измельчение Кондитерское Кристаллизация Молочное Общественное питание Очистка и сепарирование Сушка Медицинская промышленность Металлургия Литейное производство и пресс-формы Обработка металлов давлением Нефть и Газ Промышленность строительных материалов Химическая промышленность (ПАХТ и ПАПП) ЭнергетикаРазноеСельское хозяйство Механизация сельского хозяйства Технология животноводства Технология производства и переработки сельскохозяйственной продукцииСтатьиСтроительство Архитектурные формы Игровое оборудование, тренажеры, спорт Интерьер и мебель Конструкции из дерева и пластмасс Лестницы Металлоконструкции Мосты, тоннели, дороги Планы и благоустройство Проекты домов Здания социально-бытового назначения Коттеджи и частные дома Многоэтажные жилые дома Промышленные здания Проекты Производства Работ и Технологические Карты Торговое оборудование и рекламные конструкцииСхемы Кинематические схемы Структурные схемыТранспорт Авиация Автомобили грузовые Автомобили и автомобильное хозяйство (Автосервис) Автомобили легковые Бронетехника и военный автотранспорт Водный транспорт и судостроение Детали и узлы автомобилей Железнодорожный транспорт Космические системы и ракетостроение Пассажирский автотранспорт Прицепы и полуприцепы Строительные, специальные и дорожные машиныЭлектрические машины Генераторы Трансформаторы ЭлектродвигателиАтласыБиблиотекиКнигиСАПР CAD форматыУроки построенияВо всех категорияхCAE расчёты и симуляцияАвтоматизация и управление SCADA Автоматизация проектирования Датчики Метрология (МСС) Промышленные роботы и робототехникаБесплатноГОСТы ЕСКДИнженерные системы Вентиляция и кондиционирование Газоснабжение Кабельные системы, связь, СКС Пожарные и охранные системы Системы водоснабжения и канализации Теплоснабжение Хладотехника и холодильные установки Электроснабжение и освещениеКонкурсы Cделай это сам / DIY Будущие АСы КОМПьютерного 3D-моделирования МАСТЕР 3D Эксперт и ЗачётМашиностроение и механика Гидравлика и пневматика Клапан Двигатели ДВС Реактивные двигатели Детали машин Передачи Редукторы Соединения Металлорежущие станки и инструменты Гибочные станки Детали и узлы станков Зубообрабатывающие станки Режущий, станочный инструмент Сверлильные и расточные станки Токарные станки Фрезерные станки Шлифовальные станки Оборудование Подъемно транспортные установки (ПТУ) Конвейеры Краны Лифты Такелаж Приборостроение Бытовая техника Электронные компоненты Сварочное производство Теория механизмов и машин Теплотехника Котлы Теплообменники Турбины Технология машиностроенияМодели для станков ЧПУНачертательная геометрия и Инженерная графикаОружие Огнестрельное оружие Холодное оружиеПромышленность Добывающая, горная промышленность Инженерная Экология Лёгкая промышленность Лесное хозяйство и деревообработка Деревообрабатывающие станки МАПП Гранулирование Дозирование Измельчение Кондитерское Кристаллизация Молочное Общественное питание Очистка и сепарирование Сушка Медицинская промышленность Металлургия Литейное производство и пресс-формы Обработка металлов давлением Нефть и Газ Промышленность строительных материалов Химическая промышленность (ПАХТ и ПАПП) ЭнергетикаРазноеСельское хозяйство Механизация сельского хозяйства Технология животноводства Технология производства и переработки сельскохозяйственной продукцииСтатьиСтроительство Архитектурные формы Игровое оборудование, тренажеры, спорт Интерьер и мебель Конструкции из дерева и пластмасс Лестницы Металлоконструкции Мосты, тоннели, дороги Планы и благоустройство Проекты домов Здания социально-бытового назначения Коттеджи и частные дома Многоэтажные жилые дома Промышленные здания Проекты Производства Работ и Технологические Карты Торговое оборудование и рекламные конструкцииСхемы Кинематические схемы Структурные схемыТранспорт Авиация Автомобили грузовые Автомобили и автомобильное хозяйство (Автосервис) Автомобили легковые Бронетехника и военный автотранспорт Водный транспорт и судостроение Детали и узлы автомобилей Железнодорожный транспорт Космические системы и ракетостроение Пассажирский автотранспорт Прицепы и полуприцепы Строительные, специальные и дорожные машиныЭлектрические машины Генераторы Трансформаторы ЭлектродвигателиАтласыБиблиотекиКнигиСАПР CAD форматыУроки построения
3D модель?
Да Нет Не важноСтуденческая работа?
Да Нет Не важноФормат файла ЛюбойКОМПАС-3DAutoCADAutoCAD ElectricalSolidWorksInventorT-Flex CADArchiCADRevitSketchUp3ds MaxBlenderRhinoFusion 360CATIACreoNXParasolidPowershapenanoCADPro/EngineerMicrosoft VisioArtCAMDXFCorelDRAWSTEP / IGESSTLДругая
Курсовой проект – Кожухотрубчатый теплообменник
Курсовая работа
- формат cdw, doc
- размер 264.
14 КБ - добавлен 20 ноября 2010 г.
Задание курсового проекта: Рассчитать и спроектировать (по размерам
ГОСТ) теплообменник для нагрева раствора.
– Рассчетная часть
– Тепловой расчет
– Расчет гидравлического сопротивления
– Выбор оптимального нормализованного варианта на основе технико-экономического анализа
Чертеж(КОМПАС)
/СпбГУКиТ/ФФТРМ/
Смотрите также
Курсовая работа
- формат doc
- размер 76.1 КБ
- добавлен 18 декабря 2011 г.
Выходные данные неизвестны. 2007. – 13 с. В данной курсовой работе произведен расчет кожухотрубного аппарата, обеспечивающего нагрев заданного вещества до определенной температуры.
Выполнены тепловой, конструктивный и элементы гидравлического расчетов. Задание на курсовую работу: Рассчитать кожухотрубный теплообменник для тепловой обработки вещества в количестве М, начальной температуры Тн1, конечной температуры Тк1. Тепловая обработка осущест…
Курсовая работа
- формат doc, cdw, xlsx
- размер 171.2 КБ
- добавлен 09 сентября 2011 г.
Расчет Теплообменника 1200ТНГ Конденсатор (холодильник), горизонтальный кожухотрубчатый Технологический расчет Гидравлический расчет Сборочный чертеж: разработка конструкции ректификационной колонны для установки ректификации бутанола
Курсовая работа
- формат doc
- размер 756.
5 КБ - добавлен 26 марта 2011 г.
Настоящий расчет распространяется на пластинчатый теплообменник НН № 65ТС-16 Пластинчатый теплообменник (рисунок 1) состоит из неподвижной передней плиты 1 и подвижного механизма (прижимная плита 2, пакет пластин 8) с функцией торцевой крыш-ки. Несколько пластин определенной формы расположены между неподвижной плитой для обеспечения процесса передачи тепла (теплообмена). По периметру эти пластины оснащены резиновыми прокладками 10, имеющими форм…
Курсовая работа
- формат doc
- размер 916.49 КБ
- добавлен 21 мая 2008 г.
Описание технологического процесса КУПВСН. Краткая теория по теплообменник.
Описание работы объекта. Расчетная часть. Регрессионный и корреляционный анализ. Тепловой расчет теплообменника «труба в трубе». Уравнение динамики процесса теплопередачи. Оптимизация технологического процесса. Выводы по проделанной работе. Список литературы.
Курсовая работа
- формат cdw, doc
- размер 430.84 КБ
- добавлен 18 июня 2011 г.
Курсовая работа – СибГТУ, 4 курс, 2 семестр. В данном проекте представлены результаты разработки вертикального аппарата с рубашкой, который был спроектирован в соответствии с техническим заданием. Курсовой проект состоит из расчетно–пояснительной записки и графической части. Записка включает в себя 24 страниц машинописного текста форматом А4, 4 литературных источников. Графическая часть проекта состоит из 1 листа формата А1.
Спроектированный вер…
Курсовая работа
- формат doc
- размер 308.5 КБ
- добавлен 30 ноября 2009 г.
Введение. Насос. Кожухотрубчатый теплообменник. Расчет центробежного насоса. Задание. Решение. Расчет кожухотрубчатого теплообменного аппарата. Задание. Решение. Библиографический список. Омский Государственный Технический Университет. “Химическая технология и биотехнология”. Третий курс, шестой семестр. 13 страниц.
Курсовая работа
- формат htm, doc
- размер 130.27 КБ
- добавлен 21 мая 2008 г.
В данном документе пояснительной записке отражены материальные, тепловые, экономические и гидравлические расчеты, руководствуясь которыми, можно произвести выбор типа аппарата и его конструктивные размеры.
Также приведена конструктивная схема аппарата. Задание на курсовой проект. Введение. Тепловые и материальные расчеты. Основная часть (тепловой баланс). Выбор вариантов теплообменных аппаратов. Гидравлический расчет. Эконом…
Курсовая работа
- формат doc, dwg
- размер 213.44 КБ
- добавлен 20 марта 2010 г.
Кожухотрубчатый теплообменник для охлаждения 15 т/час 10% раствора NaOH от 90 оС до 34 оС. Охлаждение осуществляется водой, которая в процессе теплообмена нагревается от 10 оС до 45 оС.
- формат doc
- размер 79.5 КБ
- добавлен 15 января 2010 г.
Кожухотрубчатый теплообменник производительность G2=25 т/ч для нагревания толуола Нагревание проводится насыщенным водяным паром, давление которого Р1s =2.
0 атм. Расчет по методике Романкова, Носкова и т. д. 4 стр.
- формат png
- размер 1.73 МБ
- добавлен 15 апреля 2011 г.
Змеевиковый, кожухотрубчатый, спиральный, тарельчатый, “труба в трубе”. СФ МЭИ, Энергообеспечение предприятий. ЭО. 4 семестр. 2 курс. В png форматеrn
Чертеж Кожухотрубный теплообменник | Скачать чертежи, чертежи, блоки Autocad, 3D модели
- Танки
- Русский
- Компас
- Образовательный
Узнайте, как скачать этот материал
Подпишитесь на получение информации о новых материалах:
t.
me/alldrawings
vk.com/alldrawings
Описание
Чертеж кожухотрубчатого теплообменника в КОМПАС-3Д (16-18 версии) на остальных не пробовал.
Содержание проекта
Фанальный.cdw [ 112 КБ ] |
Дополнительная информация
Чертежи
Фанальный.
cdw
Аналогичные материалы
Теплообменник. Теплообменник кожухотрубный, одноходовой.
Кожухотрубный горизонтальный теплообменник с неподвижными трубными решетками
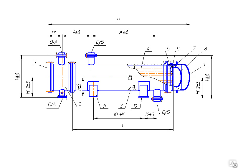
Пример чертежа кожухотрубного теплообменника с разрезами и характеристиками
чертеж кожухотрубного теплообменника с плавающей головкой
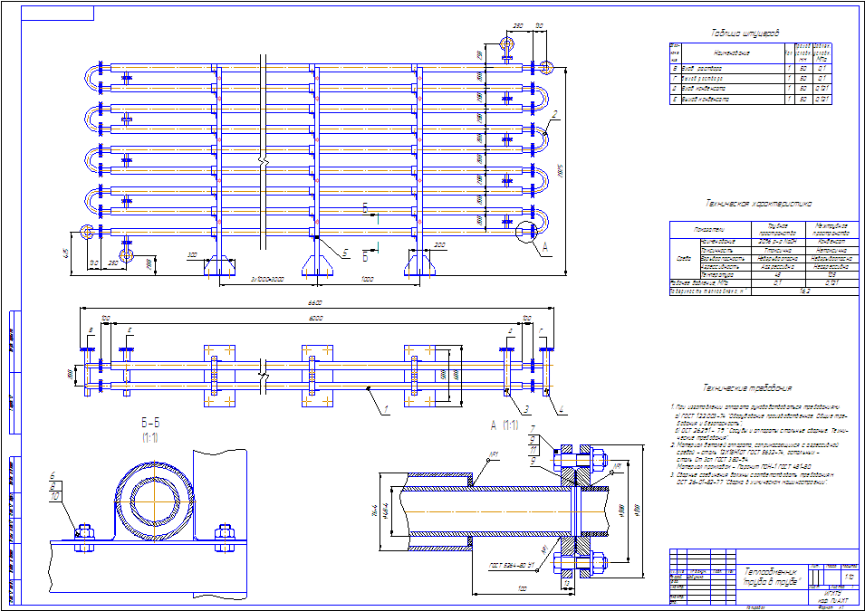
Сборочный чертеж кожухотрубчатого теплообменника
Чертеж кожухотрубного теплообменника
Чертеж кожухотрубчатого теплообменника
Чертеж кожухотрубчатого теплообменника
Бесплатная загрузка на сегодня
Обновление через: 18 часов 39 минут
ППР на прокол под дорогой
Телефонный проект детского сада
Газоснабжение поселка Бердяш Зилаирского района Республики Башкортостан
Оправка для запрессовки поршневого пальца
Прочие материалы
Сборочный чертеж цилиндрического одноступенчатого редуктора
Типовой проект 1.
141.1-39 1 – Железобетонные панели перекрытий – Для усадеб
Шесть деревянных дверей
Ленточный конвейер (общий вид)
WU104-2 Кожухотрубный теплообменник Bell & Gossett
Сопутствующие товары
Добавить в корзину
Пучок труб Bell & Gosset WU104-2 для теплообменника B&G
Bell & Gossett
Сейчас: 6 376,62 долларов США
WU88-4 Комплект труб Bell & Gossett для теплообменника. Диаметр корпуса 10 дюймов и длина 48 дюймов, 2 прохода. Щелкните здесь, чтобы получить лист для отправки. В теплообменниках SU/WU используется съемный комплект U-Tube
Добавить в корзину
WU104-4 Пучок труб Bell & Gossett для теплообменника B&G
Bell & Gossett
Сейчас: 6 376,62 долларов США
WU104-4 Пучок труб Bell & Gossett для теплообменника.
Диаметр корпуса 10 дюймов и длина 48 дюймов, 4 прохода. Нажмите здесь, чтобы получить лист для отправки. В теплообменниках SU/WU используется съемный бандаж U-Tube
Добавить в корзину
Кожухотрубный теплообменник Bell & Gosset WU104-4
Bell & Gossett
Сейчас: 10 158,10 долларов США
WU104-4 Кожухотрубный теплообменник Bell & Gossett. Диаметр корпуса 10 дюймов, длина 48 дюймов, 4 прохода. Лист подачи заявок на кожухотрубные теплообменники Bell & Gossett SU/
Клиенты также просмотрели
Добавить в корзину
WU104-4 Пучок труб Bell & Gossett для теплообменника B&G
Bell & Gossett
Сейчас: 6 376,62 долларов США
WU104-4 Пучок труб Bell & Gossett для теплообменника.
Диаметр корпуса 10 дюймов и длина 48 дюймов, 4 прохода. Щелкните здесь, чтобы получить лист для отправки. В теплообменниках SU/WU используется съемный комплект U-Tube…
Добавить в корзину
Кожухотрубный теплообменник Bell & Gosset WU105-2
Bell & Gossett
Сейчас: 10 630,00 долларов США
WU105-2 Кожухотрубный теплообменник Bell & Gossett. Диаметр корпуса 10″, 60″, длина 2 прохода. Кожухотрубные теплообменники Bell & Gossett Лист представления теплообменников SU/WU…
Выберите параметры
центробежный насос 1-1/2HP 3PH литого железа серии 1636E Taco 1600
Тако
Сейчас: 2492,95 долл. США
Taco 1636E 3PH 1-1/2HP 1600 Линейный центробежный насос, корпус из чугуна, 1-1/2 л.
с., 1750 об/мин, 208-230/460 В, трехфазный двигатель. Фланцы входят в комплект поставки 2″. В стандартную комплектацию входит нержавеющая…
Добавить в корзину
Кожухотрубный теплообменник Bell & Gosset WU104-4
Bell & Gossett
Сейчас: 10 158,10 долларов США
Кожухотрубный теплообменник Bell & Gossett WU104-4. Диаметр корпуса 10 дюймов, длина 48 дюймов, 4 прохода. Кожухотрубные теплообменники Bell & Gossett Лист представления теплообменников SU/WU…
Добавить в корзину
Пучок труб Bell & Gosset WU104-2 для теплообменника B&G
Bell & Gossett
Сейчас: 6 376,62 долларов США
WU88-4 Комплект труб Bell & Gossett для теплообменника. Диаметр корпуса 10 дюймов и длина 48 дюймов, 2 прохода.
Щелкните здесь, чтобы получить лист для отправки. В теплообменниках SU/WU используется съемный пучок U-Tube…
Добавить в корзину
WU107-2 Пучок труб Bell & Gossett для теплообменника B&G
Bell & Gossett
Сейчас: 8 252,63 долл. США
WU107-2 Комплект труб Bell & Gossett для теплообменника. Диаметр корпуса 10 дюймов и длина 84 дюйма, 2 прохода. Щелкните здесь, чтобы получить лист для отправки. В теплообменниках SU/WU используется съемный комплект U-Tube…
Добавить в корзину
Пучок труб Bell & Gosset WU106-2 для теплообменника B&G
Bell & Gossett
Сейчас: 7 555,32 долл. США
WU106-2 Комплект труб Bell & Gossett для теплообменника. Диаметр корпуса 10 дюймов и длина 72 дюйма, 2 прохода.
Щелкните здесь, чтобы получить лист для отправки. В теплообменниках SU/WU используется съемный комплект U-Tube…
Добавить в корзину
Пучок труб Bell & Gosset WU105-4 для теплообменника B&G
Bell & Gossett
Сейчас: 7 385,82 долл. США
WU105-4 Комплект труб Bell & Gossett для теплообменника. Диаметр корпуса 10 дюймов и длина 60 дюймов, 4 прохода. Щелкните здесь, чтобы получить лист для отправки. В теплообменниках SU/WU используется съемный комплект U-Tube…
Выберите параметры
1615D3E1 Насос Taco из нержавеющей стали 1/3 л.с. 1PH
Тако
Сейчас: 3138,90 $
1615D3E1-1/3HP-1PH Насос Taco из нержавеющей стали 1/3HP 1PH с фланцем 1,5 дюйма. Корпус из нержавеющей стали (не NSF).
Корпус из нержавеющей стали, кронштейн, рабочее колесо из нержавеющей стали, вал из сплава с мельхиором…
Добавить в корзину
Кожухотрубный теплообменник Bell & Gosset WU107-2
Bell & Gossett
Сейчас: $11,945.00
Кожухотрубный теплообменник Bell & Gossett WU107-2. Диаметр корпуса 10 дюймов, длина 84 дюйма, 2 прохода. Кожухотрубные теплообменники Bell & Gossett Лист представления теплообменников SU/WU…
Добавить в корзину
Кожухотрубный теплообменник Bell & Gosset WU106-4
Bell & Gossett
Сейчас: 10 840,00 долларов США
WU106-4 Кожухотрубный теплообменник Bell & Gossett. Диаметр корпуса 10″, 72″, длина 4 прохода. Представление Bell & Gossett Shell & Tube Heat Exchanger Теплообменники SU/WU.

14 КБ
5 КБ