Простейшая электрическая цепь постоянного тока
Электрическая цепь постоянного тока. Рассмотрим простейшую электрическую цепь постоянного тока, составленную из одного гальванического элемента и проводника (рис. 149). На внешнем участке цепи электрические заряды движутся под действием сил электрического поля. Перемещение зарядов внутри проводника не приводит к выравниванию потенциалов всех точек проводника, так как в каждый момент времени источник тока доставляет к одному концу электрической цепи точно такое же число заряженных частиц, какое из него перешло к другому концу внешней электрической цепи. Поэтому сохраняется неизменным напряжение между началом и концом внешнего участка электрической цепи напряженность электрического поля внутри проводников в этой цепи отлична от нуля и постоянна во времени. [c.147]Для возникновения электрического тока необходимо создать электрическую цепь.

Электрические методы наиболее просты. Испытуемый аппарат заполняют 1-процентным раствором поваренной соли с добавкой 0,05% фенолфталеина. С наружной стороной корпуса изделия, не покрытой эмалью, соединяют отрицательный полюс электрической цепи постоянного тока напряжением 110—120 в. Анод погружают в раствор электролита. Изделие выдерживают под током 10 мин. При наличии дефектов стрелка миллиамперметра, включенного в цепь, показывает прохождение электрического тока. При этом раствор окрашивается фенолфталеином в розовый цвет вследствие электролиза у дефектных мест.
Проектируются, строятся и находятся в эксплуатации около 90 типов рельсовых цепей. Это обусловлено разнообразием функций, выполняемых ими, различными видами тяги поездов, типом и надежностью источников основного и резервного питания, местом применения, типом аппаратуры и др. Простейшая схема рельсовой цепи — электрическая цепь постоянного тока с непрерывным питанием (рис. 105). Источник ее питания — аккумулятор АБН-72, работающий в буферном режиме с путевым вьшрямителем ВАК-14М,— подключен к рельсовым нитям через ограничитель тока— регулируемый резистор Кц. На другом конце цепи к рельсовым нитям подключен путевой приемник—нейтральное путевое реле П. Смежные рельсовые цепи разделяются одна от другой изолирующими стыками. При свободной рельсовой цепи через обмотку путевого реле протекает ток, якорь реле притянут, а его общие и фронтовые контакты замкнуты. Эти контакты используются в цепях
Измерения прибором типа Ц-4324. Для проверки режима питания электроаппаратов электрических машин и приборов, установленных на лифтах, применяют простые по устройству и надежные в эксплуатации электроизмерительные приборы типа Ц-4324 (рис.
Простейший генератор постоянного тока (рис. 52) представляет собой помещенную между полюсами магнита рамку из проводника, концы которого присоединены к изолированным полукольцам, называемым пластинами коллектора. К полукольцам (коллектору) прижимаются положительная и отрицательная щетки, которые замыкаются внешней цепью через электрическую лампочку.
Из воздушных электрических цепей, по которым подают электроэнергию от стационарных электростанций или от подстанций к потребителям, наиболее простыми по способу подключения путевых инструментов являются трехфазные низковольтные линии, т. е.
линии с напряжением 220 и 380 в. Высоковольтные воздушные линии, т. е. линии напряжением более 380 в, могут быть переменного (трехфазные и однофазные) и постоянного тока.
Принцип действия генератора постоянного тока основан на использовании явления электромагнитной индукции. Схема простейшего генератора приведена на рис. 64. Он состоит из проводника 2, изогнутого в виде рам ки, вращающегося в магнитном поле постоянного магнита 3. Концы проводника жестко соединены с полукольцами (коллекторными пластинами) 1, которые при вращении скользят по неподвижным щеткам 4, откуда электрический ток поступает во внешнюю цепь для питания потребителей. Пр,и вращении рамки в ее витках, пересекающих магнитное, поле, создаваемое постоянным магнитом (или электромагнитом), наводится э. д. с., направление которой определяется по правилу правой руки. Как видно из рисунка, в каждый момент времени направление э. д. с. В противоположных сторонах рамки различно, одна во внешней цепи всегда идет то к одного направления, так как в момент изменения направления э.
Схема простейшего термоанемометра показана на рис. 3.4. Чувствительный элемент (датчик) термоанемометра представляет собой тонкую платиновую или вольфрамовую нить диаметром 5 мкм и длиной 1 мм, натянутую между иглами-держателями. Нить включена в цепь как термометр сопротивления и нагревается электрическим током постоянной силы. Поскольку интенсивность теплообмена между нагретой нитью и потоком газа зависит от скорости последнего, температура нити будет изменяться в зависимости от изменения скорости в соответствии с соотношением
Точность измерения повышается, если ы и Ыо измерять компенсатором постоянного тока, который исключает ответвление тока по соединительным проводам и влияние их сопротивления на качество измерения. Если при этом значение Rx близко к Ro, то точность измерения Rx определяется исключительно точностью измерения Ro-Для измерения параметров электрической цепи R, L, с широко применяют измерительные цепи, которые называют мостами.
При электромеханических переходных режимах электропривода, учитывающих влияние электромагнитной инерции двигателя, т. е. его самоиндукции, аналитическое решение вопроса ещё более усложняется. В этом случае к основному уравнению (28) движения электрифицированного агрегата добавляется ещё одно или несколько уравнений, характеризующих условия равновесия в электрических цепях. Простое аналитическое решение оказывается возможным лишь в отношении агрегатов с шунтовыми двигателями постоянного тока и то при Мп = onst и /М = / (г/). Для всех остальных случаев обычно применяют приближённые графо-аналитические решения.
Наиболее удобным способом торможения является электрическое. Электрические тормозные устройства позволяют не только замерять полезную мощность, отдаваемую двигателем, но и использовать получаемую при этом электрическую энергию, а также определить потери на трение в двигателе.
Наиболее простой тормозной установкой электрического типа является обычная динамо-машина постоянного тока, которую ч оединяют с валом двигателя. Замеряя во время работы динамо-машины напряжение и силу тока во внешней цепи и учитывая се к. п. д., определяют эффективную мощность двигателя. Наблюдаемая при этом неточность объясняется непостоянством к. п. д. динамо-машины, его зависимостью от оборотов, нагрузки во внешней цепи, температуры и других факторов. Для цолучения более точных результатов применяют не обычную динамо-машину, а балансирную. Корпус баланснрной динамо-машины, подобно корпусу гидротормоза, устанавливают в под–шипниках. Благодаря этому под действием магнитно-силового потока корпус динамо-машины стремится повернуться на некоторый угол вокруг оси вращения якоря. Этому мешает момент, создаваемый грузом, подвешенным на рычаге, скрепленном с корпусом динамо-машины.
Простейшим прибором, работающим иа основе пспользования фотоэффекта, явл гется вакуумный фотоэлемент.
Вакуумный фотоэлемент состоит из стеклянной колбы, снабженной двумя электрическими выводами. Внутренняя поверхность колбы частично покрыта тонким слоем металла. Это покрытие служит катодом фотоэлемента. В центре баллона расположен анод. Выводы катода и анода подключаются к источнику постоянного напряжения. При освещении катода с его поверхности вырываются электроны. Этот процесс называется внешним фотоэффектом. Электроны движутся под действием электрического поля к аноду. Б цепи фотоэлемента возникает электрический ток, сила тока пропорциональна мощности светового излучения. Таким образом фотоэлемент преобразует энергию светового излучения в энергию электрического тока.
Амперметры с неподвижным магнитом (АП112, АП 170, АП250 и др,) имеют простую конструкцию и получили наибольшее распространение (рис. 11.9). Измеряемый ток в них протекает по основанию 5, монтируемому внутри прибора. В цепь амперметр подключается двумя выводами 1 (второй вывод на рисунке не показан).
Стрелка 2 прибора вместе со стальным якорьком 6 закреплены на оси 7, которая установлена на основании между двумя опорами-подпятниками 8. При отсутствии электрического тока в цепи прибора якорек 6 ориентируется вдоль постоянного магнита 4, а стрелка при этом устанавливается на нулевой отметке. При прохождении по основанию 5 электрического тока на якорек 6 начинает действовать создаваемое им магнитное
[c.190]
Электрические цепи постоянного тока
Электрическим током называют упорядоченное движение электрических зарядов. Направлением электрического тока условились считать направление движения положительных зарядов.
Можно указать на ряд факторов, способных вызывать упорядоченное движение зарядов. Так, под действием электрических (кулоновских) сил положительные заряды движутся в направлении силовых линий поля, отрицательные заряды — в противоположном направлении. Движение зарядов может происходить и под действием неэлектрических сил (например, магнитных), а также при диффузии или в химических реакциях.
Постоянный ток используется в процессе электролиза (гальванопластика — получение легко отделяющихся точных металлических копий, гальваностегия — нанесение металлических покрытий из одних металлов на изделия из других металлов), на городском транспорте (электропоезда, трамваи, троллейбусы), в осветительных приборах, в устройствах автоматики, электроники и вычислительной техники.
Если ток постоянный, то отсутствует явление самоиндукции и напряжение на катушке индуктивности равно нулю,
, так как i = const
Если рассматривать конденсатор как идеальную емкость, то в цепи постоянного тока эта ветвь равносильна разомкнутой.
Постоянный ток через емкость не проходит.
Таким образом, в цепи постоянного тока остаются только источники ЭДС или тока — активные элементы и приемники резисторы — пассивные элементы.
Простыми цепями постоянного тока называются цепи с одним источником при последовательном, параллельном и смешанном соединении приемников.
Последовательное соединение приемников
При параллельном соединении приемников напряжение на всех приемниках одинаково.
По закону Ома токи в каждой ветви:
По первому закону Кирхгофа общий ток
Смешанное соединение — комбинация первых двух соединений, где параллельное соединение может быть преобразовано к последовательному.
Сложной электрической цепью называется цепь, содержащая несколько источников и которую нельзя свернуть до простой цепи последовательного или параллельного соединения.
Расчет таких цепей ведется по уравнениям Кирхгофа.
Для их составления необходимо задать условные направления токов в ветвях (номер введем в соответствии с порядковым номером сопротивлений).
По первому закону Кирхгофа составляются уравнения для каждого из независимых узлов (для данной схемы таких узлов 3).
Выбираются направления обхода в каждом из независимых контуров и составляются уравнения по второму закону Кирхгофа — сумма падений напряжений на пассивных элементах замкнутого контура электрической цепи равна алгебраической сумме источников ЭДС в данном контуре:
Для нахождения решения необходимо любым математическим способом решить полученные шесть уравнений, что весьма сложно.
Чтобы сократить число уравнений, используют метод контурных токов.
Для вывода уравнений по методу контурных токов в общем виде исключим из последних трех уравнений токи ветвей смежных контуров , заменив их выражениями, полученными из первых трех уравнений:
Введем обозначения контурных токов:
— ток первого контура;
— ток второго контура;
— ток третьего контура.
Для конкретизации и сокращения записи введем обозначения для контурных ЭДС, равных сумме ЭДС источников рассматриваемого контура:
и соответственно суммы сопротивлений в каждом контуре через контурные сопротивления:
а сопротивления смежных ветвей как:
При принятых обозначениях система расчетных уравнений запишется в общем виде как:
Мы видим, что при расчетах цепей с помощью правил Кирхгофа не обязательно знать разности потенциалов на определенных участках.
Простейшая электрическая цепь
Любого человека, если он, конечно, не отказался от благ цивилизации, окружает множество электротехнических устройств.
Далеко за примерами ходить не нужно: телевизор, телефон, самая обыкновенная лампа накаливания и пр. Основой всех подобных устройств является электрическая цепь. Многие литературные источники дают похожие определения, правда, применительно к простейшей разновидности. Почему так, ведь современные электронные аппараты настолько сложны, что их обслуживание доверяют компьютеризированным системам? Действительно, странно, особенно если вспомнить центральные процессоры персональных компьютеров с их миллионами транзисторов – в них также присутствует электрическая цепь постоянного тока. Причина вышеуказанного упрощения определения состоит в том, что любая, даже сложнейшая, электрическая схема может быть представлена в виде большого количества простейших составляющих. Кстати, именно поэтому появляется возможность выполнять необходимые расчеты, используя известные формулы.
Итак, с простым и сложным определились. Теперь поясним, что же такое электрическая цепь. Для того чтобы было более понятно, рассмотрим простейший пример – электрический фонарик.
Причем не тот, в котором используется управляющая микросхема (переключение режимов, мигание и пр.), а самый обычный – с батарейкой, лампочкой и тумблером включения. Он состоит из корпуса, в котором размещены сам источник света, выключатель, отсек для батарейки с двумя контактами. Вставив батарейку в корпус и щелкнув выключателем, можно добиться яркого направленного свечения лампы. Совершив эти действия, мы сформировали как раз то, что называется электрическая цепь (в профессиональном сленге – собрали схему). Ток источника электроэнергии (батарейки) устремился по пути: контакт положительного полюса – проводник, тумблер – лампа – отрицательный полюс. Это называется “простейшая электрическая цепь”. В примере с фонариком элементов три: источник ЭДС, тумблер и лампа. Стоит отметить, что движение электронов (ток) возможно только по замкнутому контуру, поэтому если тумблер отключить и цепь разорвать, то оно исчезнет, хотя напряжение источника останется. Кстати, все процессы могут быть описаны и рассчитаны не только через ток, но также посредством напряжения, мощности, ЭДС.
Универсальный инструмент расчета – закон Ома. В данном случае он выглядит как:
I = E/(R+r),
где I – ток, Амперы; E – ЭДС, Вольты; R – сопротивление лампочки, Ом; r – сопротивление источника ЭДС, Ом. В используемом примере влияние сопротивлений проводника и тумблера не учитывается, так как оно ничтожно мало.
Итак, электрическая цепь и ее элементы могут включать в себя источник питания, резисторы, конденсаторы, катушки индуктивности, полупроводниковые компоненты и пр. Причем все это должно быть соединено воедино проводниками, формирующими непрерывный путь для прохождения тока.
Простые цепи подразделяются на неразветвленные и разветвленные. В первом случае по всем составляющим элементам проходит один и тот же ток (правило для последовательного соединения потребителей). Во втором же случае дополнительно прибавляется одна или несколько ветвей, соединенных с рассматриваемым простейшим контуром посредством узлов. При этом формируется смешанное соединение элементов цепи, поэтому значение тока, протекающего в каждой ветви, различно. Здесь ветвь – это участок электрической цепи, по всем элементам которого течет один и тот же ток, а противоположные концы которого подключены в двух узлах. Соответственно, узел – это точка электрической цепи, в которой сходятся три или более ветвей. На принципиальных схемах узлы часто как раз и обозначают точками, что упрощает восприятие (чтение).
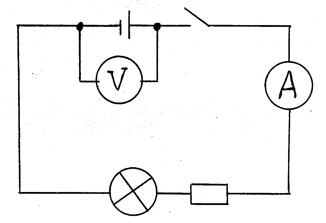
Урок физики в 8-м классе по теме “Изучение электрических цепей”
Тема: “Изучение электрических цепей”.
Цель урока:
- Научить учащихся собирать простейшие электрические цепи.
- Развивать технические приемы умственной деятельности.
- Выявить наличие навыков, их сформированности.
- Воспитать настойчивость в достижении цели, культуру труда.
- Применять знания в учебной практике.
Методы обучения:
- самостоятельной работы и работы под руководством учителя
- исследовательский
- проблемно-поисковый
- практический
- самоконтроля
- словесный
Оборудование: лампочка,
гальванический элемент, резистор, ключ,
амперметр, вольтметр.
Технические средства обучения: кодоскоп.
ХОД УРОКА
I. Организационный момент. Психологическая пауза.
Сядьте поудобней, не напрягая мышц. Не скрещивайте рук, ног. Отдыхайте, дайте вашему телу расслабиться. Глубоко вдохните, втягивая воздух медленно, через нос, пока легкие не наполнятся.
Выдохните плавно, тоже через нос, пока полностью не освободите легкие. Не сжимайтесь и не выдыхайте все разом. “Плавный вдох – плавный выдох. Вдох – выдох…”
Прислушивайтесь к своему дыханию, к тому, как легкие раздуваются, а затем плавно выпускают воздух. Не похоже ли это на волны, мягко набегающие на берег (вдох) и снова откатывающиеся назад (выдох). Постарайтесь вообразить волны, их плеск, запах, вкус морской воды, легкое дуновение ветерка. Вы чувствуете себя легко и свободно. Вы готовы к работе.
II. Проверка знаний и умений.
- Задание 1
Повторяем условные обозначения, применяемые
на схемах.
Если вы согласны со мной, покажите
зеленую карточку, не согласны – красную.
Сигнальные карточки
Согласны ли вы, что это: (учитель показывает карточки с условными обозначениями, применяемыми на схемах)
Рис. 8
резистор
(Ответы: 1) да; 2) да; 3) да; 4) да; 5) да; 6) да; 7) да; 8) да.)
Задание 2
Электрические цепи состоят из источников тока, потребителей тока, ключа, соединительных проводов.
Пользуясь сигнальными карточками ответьте, согласны ли вы, что это: (учитель показывает лабораторные приборы)
Лампочка – источник тока?
Гальванический элемент – источник тока?
Резистор – потребитель тока?
Лампочка – потребитель тока?
Ключ – потребитель тока?
(Ответы: 1) нет; 2) да; 3) да; 4) да; 5) нет.
)
Задание 3
На магнитной доске схема
Вопрос 1:
Какие условия должны выполняться, чтобы по цепи пошел ток?
(Ответ: носители тока, источник тока, замкнутая цепь)
Использование занимательной шутки.
…Бегут заряженные частицы,
торопятся,
вздыхают на ходу:
“ой, проводник кончается,
сейчас я пропаду…”
Вопрос 2: Если заряженные частицы “бегут”, почему “я пропаду”?
(Ответ: направленное движение заряженных частиц – это электрический ток)
Вопрос 3: Какое направление приняли условно за направление тока?
(Ответ: направление от положительного полюса источника тока к отрицательному)
Вопрос 4: А как движутся отрицательные частицы – электроны?
(Ответ: от отрицательного полюса источника тока к положительному)
III.
Новый материал.
В рабочей тетради записываем тему урока: “Изучение электрической цепи”.
Цель нашего урока: по рисункам, по схемам научиться собирать простейшие электрические цепи, поэтому сегодня от вас, ребята, потребуются внимание, настойчивость в достижении цели. Не забывайте о культуре труда.
Задание 1
Каждый ряд получает по ребусу, в котором зашифрованы слова, означающие то, без чего мы не сможем собрать ни одну электрическую цепь.
Под каждым условным обозначением прибора указан порядковый номер той буквы, которую нужно выделить. Соберите все выделенные буквы и назовите что у вас получилось.
Ребус 1
Ребус 2
Ребус 3
(Ответы:
Ребус 1: звонок, нагревательный элемент, амперметр, Н, резистор, Я
Ребус 2: У, вольтметра, резистор, звонок, И, Я
Ребус 3: нагревательный элемент, амперметр, вольтметр, Ы, ключ.
Знания, умения, навык)
Задание 2
На рабочем столе перед вами приборы и карточки с цифрами 0; 2; 6.
Внимательно изучите шкалу амперметра.
Покажите с помощью нужной карточки:
А) верхний предел измерения
Б) нижний предел измерения
(Ответы: 2, 0)
Задание 3
Изучите шкалу вольтметра.
С помощью нужной карточки покажите:
А) нижний предел измерения
Б) верхний предел измерения
(Ответы: 0, 6)
Задание 4
Через кодоскоп показываю электрическую цепь.
Начертите схему электрической цепи.
Ответ: Схема 1
Раскрываю доску. Ответ проверяем. Просигнальте
зеленой карточкой у кого нет ни одной ошибки.
Задание 5
Соберите данную электрическую цепь.
1 и 2 ряд – с помощью проводников и лабораторного оборудования.
3 ряд – с помощью условных элементов (цветные нитки – проводники, условные обозначения – лабораторное оборудование).
Проверяют выполненные задания.
1 ряд – проверяет учитель.
2 ряд – лаборант.
3 ряд – ученик 1-го ряда, быстро выполнивший свое задание.
Задание 6
Через кодоскоп показываю вторую электрическую цепь.
З-ий ряд собирает электрическую цепь по схеме 1 с помощью лабораторного оборудования. 1 и 2 ряд чертит схему данной электрической цепи.
Ответ:
Проверяем (на доске) с помощью сигнальных карточек.
Просигнальте зеленой карточкой у кого нет ни одной ошибки.
IV. Релаксационная пауза (отдых для глаз).
Разотрите ладони до горячего состояния и
закройте ими глаза, прикрыв веки.
Отдохните 5-10
секунд.
А теперь поводим глазками в направлении стрелки по 3 раза.
Снова разотрите ладони до горячего состояния, закройте ими глаза, прикрыв веки. Отдохните 5-10 секунд. Уберите ладони, откройте глаза. Отдохнули? Продолжаем работать.
V. Загадки.
- Параллельно в цепь включают,
- Без нагрузки не включают
напряжение измеряют
горизонтально располагают
как этот прибор называют?
(Ответ: вольтметр)
силу тока измеряют
горизонтально располагают
как этот прибор называют?
(Ответ: амперметр)
VI. Найди ошибку.
Задание 1
Найди ошибку на схеме
(Ответ: Нет нагрузки. Амперметр без нагрузки не включают)
Задание 2
На какой схеме вольтметр включен неправильно?
Докажи, объясни.
(Ответ: рис. 1, 3. Вольтметр включается в цепь параллельно)
VII. Закрепление.
Выполнение самостоятельной работы (через копировальную бумагу).
Задание 1
Заполните таблицу (см. приложение 1).
Верхние листы снимаем, сдаем на проверку.
На доске таблица правильных ответов.
Просигнальте зеленой карточкой у кого не было ни одной ошибки.
0 ошибок – оценка “5”
1, 2 ошибки – оценка “4”
3, 4 ошибки – оценка “3”
Поставите себе оценку и сдайте вторые листы на проверку.
Подводим итог урока.
Электрическая цепь постоянного тока и закон Ома
В основе любого радиотехнического устройства лежат взаимосвязанные электрические цепи. Простейшую электрическую цепь постоянного тока (рис. выше) можно составить из источника постоянного напряжения, потребителя тока, соединяющих их проводников и выключателя любой конструкции.
Источником постоянного напряжения может быть батарея гальванических элементов (Б), потребителем тока — лампочка накаливания (Л) для карманного электрического фонаря или резистор (R). Если цепь замкнута выключателем (Вк), то во всей цепи течет электрический ток (I).
Составьте такую цепь. Ее схема будет аналогична схеме карманного электрического фонаря. Если батарея свежая (новая), то лампочка будет светиться ярко. Соединенные между собой последовательно, батарея образует внутреннюю часть, а лампочка, проводники и выключатель — внешнюю часть замкнутой электрической цепи. Ток во всей цепи одинаков.
Разомкните цепь выключателем, измерьте вольтметром постоянного тока напряжение на полюсах (выводах) батареи (рис. 2), а затем, не отключая вольтметр, снова замкните цепь. После замыкания цепи прибор показывает несколько меньшее напряжение. Первым измерением вы узнали э. д. с. батареи — разность потенциалов, действующая на полюсах батареи, когда к ней не подключен потребитель тока.
Вторым измерением вы узнали напряжение, развиваемое батареей на концах внешней части цепи, которое всегда меньше э. д. с. батареи. Часть э. д. с. падает (теряется) на внутреннем сопротивлении батареи.
По мере разряда батареи ее внутреннее сопротивление и падение э. д. с. на нем увеличиваются.
Включите последовательно в цепь еще одну такую же лампочку (рис. выше). Лампочки будут гореть вполнакала. Произойдет это потому, что сопротивление внешней цепи увеличится примерно вдвое (сопротивление соединительных проводников и контактов выключателя во внимание не принимаем, так как оно мало по сравнению с сопротивлением нитей накала ламп). Теперь напряжение батареи подается на две лампочки. На каждую из них приходится вдвое меньшее напряжение, чем ранее подавалось на одну. Соответственно уменьшился и ток, идущий через лампочки.
В замкнутой электрической цепи соотношение между током (в амперах), напряжением (в вольтах) и сопротивлением (в омах) определяется основным законом электротехники — законом Ома: Ток прямо пропорционален напряжению и обратно пропорционален сопротивлению.
Решите:
1. На цоколе лампочки электрического карманного фонаря написано: 3,5В; 0,28А (лампочка нормально светится при напряжении 3,5В и токе 0,28А). Каково сопротивление ее нити накала в раскаленном состоянии?
2. Нить накала той же лампочки разрушится (перегорит), если через нее потечет ток более, чем 0,5—0,6А. Мри каком напряжении на нити накала это может произойти?
3. Ту же лампочку можно питать от батареи напряжением 12В, если последовательно с ней включить в цепь резистор, гасящий избыточное для лампочки напряжение (рис. ниже). Какое сопротивление должен иметь этот добавочный резистор?
Занимательная радиоэлектроника
Как рисовать электрические схемы и схемы подключения
Начните с шаблона схемы
Начнем с создания принципиальной схемы. Чтобы найти шаблон принципиальной схемы, щелкните категорию Engineering & CAD , затем Circuit Panels в браузере шаблонов SmartDraw.
Откройте шаблон под названием «Basic Electrical». Хотя вы начнете с пустой страницы, вы заметите широкий спектр электрических символов, прикрепленных к панели SmartPanel слева от области рисования.Эти конденсаторы, катушки индуктивности, переключатели, резисторы и многое другое упростят построение принципиальной схемы.
Найти больше символов
Каждый шаблон поставляется с несколькими уже подключенными соответствующими библиотеками символов. Вы можете пролистать их или использовать караты (маленькие черные стрелки справа от названия) чтобы развернуть и свернуть любую библиотеку.
Вы также можете перетаскивать библиотеки вверх и вниз по стеку, чтобы изменить их порядок.
Если вам нужно больше символов, нажмите Поиск символов синего цвета в верхней части SmartPanel.Откроется вкладка «Символы» с полем поиска, где вы можете искать дополнительные символы в обширной коллекции SmartDraw.
Если вы найдете библиотеку или наборы символов, которые хотите добавить, нажмите на три точки и выберите либо Добавить результат , либо Добавить библиотеку .
Или вы можете просто перетащить из этого представления.
Добавить слой аннотаций
Вы можете добавить независимый от масштаба слой аннотаций ко всем электрическим и инженерным документам, чтобы добавить в чертежи дополнительную информацию.
Размер и положение этого слоя аннотаций будут автоматически регулироваться при изменении области рисования (или размера бумаги). Можно добавить масштаб, автора и др. информация о дизайне в этом слое точно так же, как «просмотр страницы» в традиционной программе САПР.
Чтобы добавить слой аннотаций, нажмите Добавить слой аннотаций в SmartPanel.
15 Простая электронная схема для начинающих
Интересуетесь электроникой? Теория, конечно, скучная.
Давайте начнем с более простых электронных схем.
Для новичков или тех, кому нужна быстрая и недорогая схема.
Кроме того, это отличное обучение! Почему?
Потому что понимание простых электронных схем — хорошая основа.
Мой друг сказал.
«Большой проект по электронике включает в себя множество маленьких электронных схем вместе»
Вы правда думаете?
Я тоже думаю, что это правда. Некоторым из ваших работ могут понадобиться крошечные детали.Таким образом, небольшие схемы помогут ему хорошо работать.
Ну и что,
Раньше я собирал много маленьких схем. Конечно, это занимает много времени. Наше время драгоценно.
Я хочу помочь вам выбрать эту схему, которая проста. И построить быстро в срок.
Всего ниже 15 цепей.
1# Автоматический светодиодный фонарик Learn LDR
Попробуйте простой автоматический светодиодный фонарик. Только с 5 частями.
Узнайте о транзисторе, LDR, светодиоде и других элементах, работающих вместе в качестве делителя напряжения.
Подробнее об этой схеме
При высыхании почвы подается звуковой сигнал. Так что деревья не умирают.
Солнечная батарея представляет собой источник питания 6 В постоянного тока.
Таким образом, экономя удобство и не требует батареек.
Схема без использования печатной платы. Вы можете легко построить из нескольких частей.
Подробнее об этой схеме
3# Сделайте источник питания постоянного тока 12 В 2 А
Если вы ищете адаптер переменного тока на 12 В, легко спроектируйте.
Вам может понравиться эта схема.
Он может питать все цепи, которым требуется источник постоянного тока 12 В при токе до 2 А.
Например АВТОМОБИЛЬНАЯ аудиосистема: Усилитель TDA2004.
В любом случае, давайте вернемся к этой схеме.
Это особое здание с молотком!
Подробнее об этой схеме
4# Регулятор постоянного напряжения с использованием 78xx
Обычно основным источником питания электронной схемы является батарея.
Поскольку он маленький, энергия чистая и безопасная.
Например, в большинстве схем используется батарея на 9 В.
Когда его сила ушла.
Нам нужно купить новую замену. Это вообще не удобно.
Поэтому вместо него делаю блок питания 9В.
Первый выбор, мы рекомендуем использовать LM7809.
Один из популярных трехвыводных линейных стабилизаторов семейства IC-78xx.
См. в схеме выше.
Напряжение переменного тока 12–18 В от трансформатора подается на D1–D4.Они выпрямляют переменный ток в постоянный.
Затем фильтр C1 сглаживает постоянный ток.
Затем 7809 преобразует это нестабилизированное постоянное напряжение в стабильное +9 В.
Кроме того, если вам нужны другие уровни напряжения.
Например, 5В цифровой, мы используем IC-7805 вместо IC-7809.
Итак, используйте IC-7812 для выхода 12 В постоянного тока.
Если вы хотите построить это.
Вы можете увидеть больше простых электронных схем с разводкой печатной платы.
Подробнее об этой схеме
5# Первый переменный источник питания
1.
5A, от 1,2 В до 30 В Переменный источник питания с использованием LM317 Иногда необходимо использовать схему питания 1,5 В.
Но вы не можете использовать IC-7805. Или.
Необходимо использовать другое напряжение, например. 13В или 4,5В.
Рекомендуется: LM317 Регулятор напряжения IC Калькулятор
Лучше всего использовать переменный регулируемый источник питания.
Для начинающих и самых простых мы используем LM317 (3-контактные регуляторы с положительной регулировкой).
LM317 — это микросхема регулируемого регулятора, предназначенная для многих источников питания за 1.выход 5А.
Связанный: LM317 2N3055 Переменный источник питания
Кроме того, он регулируется от 1,2 В до 37 В, с ограничением тока, отключением при перегреве, полной защитой.
Эта схема создана для вас.
Может подавать напряжение от 1,2 В до 30 В во всем диапазоне около 1 А.
Подробнее об этой схеме
6# 30-минутный транзисторный таймер
Мы можем использовать эту простую электронную схему.
Изучить базовую схему таймера.
Работа схемы основана на изучении заряда и разряда конденсатора.
И мы можем применить его для включения-выключения электроприборов.
Приложение, просто поставить реле вместо светодиода.
Подробнее об этой схеме
7# Изготовить бесконтактный тестер напряжения
Вам нужен инструмент для проверки сети переменного тока без прикосновения?
Эта схема может это сделать.
Проще говоря, в схеме используются транзисторы без ИС.
Вы можете слышать звук и отображать его на светодиодном дисплее.
Подробнее об этой схеме
8# Таймер 5-30 минут на микросхеме 555
В этой схеме таймера используется таймер 555 IC. Это маленький, компактный и портативный.
Для сигнализации с помощью зуммера. Мы можем выбрать время 5, 10, 15 и 30 минут с S3 по S7 в качестве порядка.
Это дает понять, что мозг готов продолжать работу.
Многим друзьям это нравится.Вам также может понравиться.
Вы можете читать далее : таймер на 5-30 минут с разводкой печатной платы.
9# Простейший инвертор на транзисторах
Когда вам нужно использовать маленькую лампочку с батареей 12В. Но нет света. Почему? Эта лампочка требует высокого напряжения, 220VAC. Как преобразовать 12 В постоянного тока в 220 В переменного тока 50 Гц?
У вас может быть много идей на этот счет. Но если вы спешите, вот еще одна простая идея. Называется простейший инвертор.
Он использует только два силовых транзистора, два резистора и только один трансформатор.Так легко! Они могут быть у вас в магазине. […]
Подробнее об этой схеме
Если вы хотите сделать забавную схему для людей. Эта схема может вызвать смех. Это небольшая ударная цепь высокого напряжения. Выход слаботочный. Это не вредно для людей.
В цепи есть несколько компонентов: два небольших NPN-транзистора, 2 резистора и трансформатор.
Так легко построить и недорого!
Подробнее об этой схеме
11# Маловаттный аудиоусилитель с печатной платой
Это моя первая схема аудиоусилителя.В качестве основного я использую LM386, это низковольтный (5В-12В) усилитель, разработанный специально для аудиоприложений.
Может использоваться с небольшим 9-вольтовым аккумулятором. Текущее потребление всего 5 мА. И усиление до 500 мВт.
Коэффициент усиления внутренне установлен на 20. Коэффициент усиления можно увеличить до 200, подключив конденсатор емкостью 10 мкФ к контактам 1(+) и 8(-). Достаточно, чтобы легко расширить звук с мобильного телефона на 3-дюймовый динамик.
Подробнее об этой схеме
12# Низковольтный стереоусилитель мощности
Это мой первый набор схем стереоусилителя мощности, который можно использовать с небольшой 9-вольтовой батареей. Работает от батареи. миллиампер.И усиление до 500 мВт.
Подробнее об этой схеме
13# Схемы светодиодных цепей с использованием 4017 + 555
Есть 5 схем с печатными платами о цепях светодиодных цепей или ходовых огней.
Они используют IC-4017 для управления светодиодами и IC-555 в качестве генератора импульсов. Лучше всего для новичков или детей изучать цифровые технологии, и мой сын их любит.
Подробнее об этой схеме
Вот много интересных сайтов об этом.
10 лучших простых электронных схем для начинающих. Спасибо, что показали мою схему на своих сайтах. Двойная светодиодная мигалка работает
Это требует больше работы Free Running Multivibrator, чтобы напоминать флип-флоп. Которые поощряют себя неоднократно.Q1 и Q2 должны быть транзисторами PNP, которые можно использовать в общем случае (2N3906, 2N2907 и т. д.)
Подробнее об этой схеме
15# Базовая музыкальная звуковая мелодия
В схеме базовая юзабилити IC UM66T использует звук музыки приятного происхождения и может быть легко использована.Он использует только одну интегрированную схему и громкоговоритель, пьезо-зуммер, имеет небольшие размеры и питание только 3В.
Подробнее об этой схеме
Заключение
Это всего лишь несколько простых схем.Если вы хотите посмотреть больше схем, нажмите здесь!
Не только это. Смотрите больше схем ниже!
Смотрите! 99+ Простые электронные схемы
ПОЛУЧИТЬ ОБНОВЛЕНИЕ ПО ЭЛЕКТРОННОЙ ПОЧТЕ
Я всегда стараюсь сделать электронику легкой для обучения .
Как читать и рисовать принципиальную схему
1. Введение
Если вы создаете схему электрических и электронных цепей, то принципиальная схема имеет первостепенное значение.Но в вашем уме много вопросов, таких как:
- Что такое схема?
- Как сделать схему цепи?
- Как читать принципиальную схему?
Не беспокойтесь, потому что вы находитесь в нужном месте, здесь вы получите всю информацию о принципиальной схеме, то есть о том, как ее получить, как ее нарисовать и как ее прочитать.
2.Что такое схема?
Принципиальная схема представляет собой графическое обозначение электрической цепи. Мы также можем называть принципиальную схему электрической схемой и электрической схемой, поэтому не путайте их оба. Но вопрос, который до сих пор смущал: , как нарисовать принципиальную схему ? Это очень просто, просто поместите нужный электрический символ вместо электрических компонентов.
Так как мы знаем, что мы не можем нарисовать настоящий компонент, это очень сложный и трудоемкий процесс, поэтому для решения этой проблемы мы используем желаемый электронный символ вместо компонентов, и это облегчает рисование.
Мы используем принципиальные схемы, чтобы легко создавать схемы. С помощью этой принципиальной схемы вы также можете спланировать свою схему, понять, как она работает, что заменить и многое другое.
Пример схемы:
У нас есть простая принципиальная схема с батареей, сопротивлением и светодиодом.
Источник: EdrawMax OnlineИтак, вы видите, как просто нарисовать принципиальную схему.
3. Как читать принципиальную схему?
Когда мы начинаем делать электрическую проводку с помощью принципиальной схемы, нам приходит в голову вопрос: как читать принципиальную схему?
Не волнуйтесь, понять принципиальную схему очень просто, просто вы узнали об электрическом символе.
Что такое электрические символы?
Электрические символы представляют собой графическое представление различных электрических компонентов и электрических устройств.
Нажмите здесь, чтобы узнать больше об электрических символах
Посмотрите на эту простую схему
Источник: EdrawMax OnlineДавайте прочитаем верхнюю диаграмму, здесь вы видите символ батареи, который является источником питания схемы.На положительный конец батареи подключаем выключатель для включения и выключения питания в цепи. Диод подключен к одной стороне переключателя для защиты источника питания.
Конденсатор добавлен к отрицательной стороне диода и к земле цепи. Здесь мы подключаем сопротивление для защиты светодиода от перегрузки по току в цепи.
Как видите, читать принципиальную схему очень просто. Если вы хотите получить больше информации об этом, то посмотрите видео, представленное ниже:
Вот видео, чтобы узнать больше.Если видео не воспроизводится, нажмите здесь, чтобы посмотреть видео
4. Как создать принципиальную схему?
Рисование электрической схемы — очень простой процесс. Просто вам нужно просто заменить электрический компонент на желаемый символ. Вы можете нарисовать принципиальную схему онлайн на EdrawMax Online. Только вам нужно выполнить шаги, указанные ниже:
Шаг 1.
Открыть EdrawMax OnlineСначала вам нужно открыть EdrawMax Online.Вы можете просто перейти туда, просто нажав на ссылку, указанную ниже: https://www.edrawmax.com/online/en
Шаг 2.
Создайте учетную запись Wondershare EdrawMaxВо-первых, вы должны Войти там.
Если у вас нет предыдущей учетной записи, вы можете создать учетную запись, просто нажав «Зарегистрироваться» и заполнив свои данные там, где ваша учетная запись создана.
Шаг 3.
Создание чертежа электротехникиЧтобы создать новый чертеж электротехники в EdrawMax, перейдите в «Файл » -> «Создать» -> «Электротехника» -> «Создать новый ».
Шаг 4.
Откройте библиотеку, чтобы получить электрические символыСначала нарисуйте принципиальную схему, вам понадобятся электрические символы, для чего вам нужно нажать на библиотеку, как показано на данном изображении, там вы получите все типы тем фигур, символов, диаграмм и т. д. В библиотеке есть список появляется там со многими названиями. Для электрических символов вам нужно найти Electrical , что показано на следующем рисунке. После нажатия на «Электричество» там появляется другой список заголовков.В этом списке перечислены различные темы, такие как источник питания, полупроводники и т.
Д. Это различные темы, которые содержат нужные символы, поэтому щелкните здесь, чтобы получить их символы.
Вы также можете стилизовать свой рисунок, используя инструменты рисования, указанные на панели инструментов вверху. Существуют различные функции, такие как заливка линий, текст, стиль линий и стили стрелок, которые вы можете использовать.
Шаг 5.
Теперь у вас есть символыПосле нажатия на темы вы получите все желаемые символы.Там вы получите все типы электронных символов, например, в полупроводниках у вас есть транзисторы, светодиоды, диоды и т. Д. В Сопротивлении у вас есть символ переменного сопротивления, потенциометра, предустановки и т. д.
Шаг 6.
Теперь перетащите нужный символТеперь для создания принципиальной схемы перетащите нужный символ на экран один за другим. Сначала перетащите все нужные символы на экран и разместите их в соответствии с вашим планом.
Вы можете сохранить свой рисунок в формате PDF, формате файла Word, формате файла PowerPoint или в виде листа Excel.
Теперь, после перетаскивания символов в нужные места, пришло время дать связи в ваших символах. В целях соединения вы можете использовать соединение, чтобы установить соединение между двумя желаемыми символами. Просто вам нужно нажать на инструмент соединителя и использовать его. Здесь вы можете найти инструмент соединителя, как показано на изображении.
Шаг 8.
Ваша схема готоваПосле того, как вы соедините все символы с символами, ваша схема готова. Теперь пришло время перепроверить соединения и символы. Перепроверка принципиальных схем очень полезна, потому что благодаря этому вы можете найти любую ошибку в вашей принципиальной схеме.
Теперь, после повторной проверки схемы, ваша схема готова к сохранению.
Итак, это шаги, которые вы должны выполнить при создании принципиальной схемы в EdrawMax Online.Это очень простой процесс, вам просто нужно следовать инструкциям и делать то же самое, что указано выше. Просто следуйте инструкциям и легко получите желаемую схему.
Существует много других онлайн-программ для проектирования схем, но EdrawMax предоставляет вам все типы электрических и электронных символов, которые вам нужны для создания вашей принципиальной схемы.
5. Распространенные ошибки, которые делают люди при построении принципиальной схемы
Есть несколько распространенных ошибок, которые делают люди при создании принципиальной схемы, приведенной ниже:
Создание грязных цепей:
Когда некоторые люди рисуют схемы, они помещают символы в любом месте и соединяют их вместе, что делает схемы очень сложными и запутанными.Этот тип схемы очень трудно читается.
Неправильное подключение:
Выполнение неправильных и неправильных соединений на принципиальной схеме является распространенной ошибкой, которую совершают многие люди. Они рисуют схемы без планирования и делают ошибки.
Размещение неправильных символов:
Эта ошибка размещения неправильных символов происходит, когда люди не имеют надлежащих знаний об электронных символах.
Электронные символы очень важны в принципиальной схеме.
Это распространенные ошибки, которые люди допускают при создании принципиальной схемы.
Некоторые общие предложения, которые упрощают принципиальную схему
Использование подсказок при создании принципиальной схемы очень помогает. За счет этого можно создать идеальную принципиальную схему.
Ниже перечислены некоторые советы, которые помогут вам создать идеальную принципиальную схему:
Правильное планирование:
Правильное планирование очень полезно при создании цепей.Благодаря этому любой может легко создать схему любого типа. Это также помогает лучшему пониманию принципиальных схем.
Поместите символ в желаемое место:
Если вы поместите электронные символы в любом месте, а затем соедините их, это сделает схему очень грязной и запутанной. Но если вы поместите символ компонента в желаемое место в соответствии с вашим планом, а затем соедините их, то ваша схема будет выглядеть сохраненной.
Выделите положительное и отрицательное соединение:
Если вы создаете схему и используете только один цвет для создания желаемых соединений, это сбивает с толку некоторых людей.Теперь вы можете использовать красный цвет для положительного соединения и черный цвет для отрицательного соединения. Это также делает вашу схему привлекательной.
6. Часто задаваемые вопросы о принципиальной схеме
Есть FAQ (часто задаваемые вопросы), которые часто задают новички.
Как сделать схему легко?
Создание схемы – очень простой процесс. Только вам нужно узнать об электронных символах, потому что они играют важную роль в создании схем.Просто замените электронные компоненты нужным символом и подключите их. Если вы хотите спроектировать свою схему онлайн, вы можете использовать EdrawMax Online, чтобы легко создать онлайн-схему.
Почему мы используем электронные символы в принципиальных схемах?
Электронные символы — это графическое представление электронных компонентов.
При создании принципиальной схемы мы используем электронные символы вместо желаемых электронных компонентов. Мы не можем нарисовать физическую схему, поэтому вместо нее можно использовать электронные символы для построения диаграмм.За счет них также уменьшается размер принципиальной схемы.
Зачем нужны схемы?
Принципиальная схема представляет собой графическое представление физической цепи. Здесь на принципиальной схеме мы заменяем физические компоненты их желаемым электронным символом. Принципиальные схемы используются для проектирования схем, построения и обслуживания электронных устройств. Нам тоже нужна цепь.
7. Ключевые выводы
Принципиальная схема представляет собой графическое представление электронных цепей.Поскольку мы даем вам всю информацию о принципиальных схемах, , как сделать принципиальную схему , как читать принципиальную схему и т. д.
Для создания схемы вы можете использовать EdrawMax Online для создания схем онлайн.
Там вы можете легко нарисовать принципиальную схему; там вы можете найти любой тип электронных символов. Вы также можете добавить нужный символ в библиотеку. Найдите все электрические схемы в галерее шаблонов.
Создавайте и делитесь более чем 280 диаграммами с помощью EdrawMax Online
цепей: один путь к электричеству – Урок
(3 рейтинга)Быстрый просмотр
Уровень: 4 (3-5)
Необходимое время: 45 минут
Урок Зависимость: Нет
предметных областей: Физические науки
Ожидаемые характеристики NGSS:
Поделиться:
Резюме
Учащиеся начинают понимать явление электричества, изучая схемы.Студенты используют основную дисциплинарную идею использования доказательств для построения объяснения, поскольку они узнают, что движение заряда по цепи зависит от сопротивления и расположения компонентов цепи. Студенты также изучают основные дисциплинарные идеи и сквозные концепции энергии и передачи энергии в контексте энергии от батареи. В одном связанном практическом упражнении учащиеся строят и исследуют характеристики последовательных цепей. В другом упражнении учащиеся проектируют и строят фонарики. Эта инженерная учебная программа соответствует научным стандартам следующего поколения (NGSS).
Инженерное подключение
Принципиальная схема — это язык электротехнического проектирования и инженерии. Эти диаграммы представляют собой карты, которые каждый может прочитать, чтобы увидеть, как построить схему. Когда инженеры проектируют или строят любую электрическую цепь, они либо создают новую принципиальную схему, либо используют существующую.
Интерпретация принципиальных схем является важным навыком для инженеров-электриков и многих других специалистов.После создания эти электрические цепи используются для освещения наших домов, питания компьютеров, автомобилей и почти всех современных устройств, использующих электричество.
Цели обучения
После этого урока учащиеся должны уметь:
- Описать, как изменяется ток в последовательной цепи при добавлении или удалении лампочки или батареи из цепи
- Поймите, что химическая энергия в батарее преобразуется в электрическую энергию в цепи, которая преобразуется в тепловую энергию и свет в электрической лампочке.Кроме того, звуковая энергия может быть получена из электричества с помощью движущегося диффузора динамика. В этом примере электричество преобразуется в механическое движение (для перемещения динамика), которое затем производит звуковую энергию в виде движущихся воздушных волн.
- Опишите связи между представлениями схемных символов.
- Найдите напряжение последовательно соединенных батарей путем суммирования напряжений отдельных батарей.
Образовательные стандарты
Каждый урок или занятие TeachEngineering связано с одной или несколькими науками K-12, технологические, инженерные или математические (STEM) образовательные стандарты.
Все более 100 000 стандартов K-12 STEM, включенных в TeachEngineering , собираются, поддерживаются и упаковываются сетью стандартов достижений (ASN) , проект D2L (www.achievementstandards.org).
В ASN стандарты структурированы иерархически: сначала по источнику; напр. по штатам; внутри источника по типу; напр. , естественные науки или математика; внутри типа по подтипу, затем по классам, и т.д. .
NGSS: научные стандарты следующего поколения — наукаМеждународная ассоциация преподавателей технологий и инженерии – технологии
Ожидаемая производительность NGSS 4-ПС3-2.
Проведите наблюдения, чтобы доказать, что энергия может передаваться с места на место с помощью звука, света, тепла и электрического тока.(4 класс)
Согласны ли вы с таким раскладом? Спасибо за ваш отзыв!
Нажмите, чтобы просмотреть другую учебную программу, соответствующую этому ожидаемому результату Этот урок посвящен следующим аспектам трехмерного обучения NGSS: Научная и инженерная практика Ключевые дисциплинарные идеи Концепции поперечной резки Используйте доказательства (например,г. , измерения, наблюдения, закономерности) для построения объяснения.
Соглашение о согласовании: Спасибо за отзыв!
Энергия может перемещаться с места на место посредством перемещения объектов или посредством звука, света или электрического тока. Соглашение о согласовании: Спасибо за отзыв!
Свет также переносит энергию с места на место.Соглашение о согласовании: Спасибо за отзыв!
Энергия также может передаваться с места на место с помощью электрических токов, которые затем можно локально использовать для создания движения, звука, тепла или света.Токи могли быть созданы для начала путем преобразования энергии движения в электрическую энергию.Соглашение о согласовании: Спасибо за отзыв!
Энергия может передаваться различными способами и между объектами. Соглашение о согласовании: Спасибо за отзыв!
ГОСТ Колорадо – Наука
- Энергия приходит в разных формах.(Оценки 3 – 5) Подробнее
Посмотреть согласованную учебную программу
Согласны ли вы с таким раскладом? Спасибо за ваш отзыв!
- Объясните, как могут существовать различные отношения между технологией и инженерией и другими областями контента.
(Оценки 3 – 5) Подробнее
Посмотреть согласованную учебную программу
Согласны ли вы с таким раскладом? Спасибо за ваш отзыв!
Предложите выравнивание, не указанное выше
- Покажите, что электричество в цепях требует полного контура, по которому может проходить ток.
(Оценка 4) Подробнее
Посмотреть согласованную учебную программу
Согласны ли вы с таким раскладом? Спасибо за ваш отзыв!
- Описать преобразование энергии, происходящее в электрических цепях, в которых возникают световые, тепловые, звуковые и магнитные эффекты.
(Оценка 4) Подробнее
Посмотреть согласованную учебную программу
Согласны ли вы с таким раскладом? Спасибо за ваш отзыв!
Какое альтернативное выравнивание вы предлагаете для этого контента?
Больше учебных программ, подобных этому
Предварительные знания
Аккумулятор, простая схема, ток, электричество, сопротивление, напряжение, ток
Введение/Мотивация
Рис.
1.Схема простой схемы. Авторское право
Авторское право © 2012 Карли Самсон, Колорадский университет в Боулдере
Спросите учащихся, была ли у них когда-нибудь электронная игра или игрушка, для которых требовались батарейки? (Многие ответят да.) Спросите, сколько батареек нужно игре или игрушке? (Возможные ответы: одна, две, три или четыре батарейки.) Попросите учащихся провести мозговой штурм, почему для некоторых электронных игр или игрушек требуется больше батареек, чем для других игр или игрушек? (Возможные ответы: Некоторым игрушкам нужно больше энергии, некоторым играм нужно больше электричества.) Три батареи AA, соединенные «последовательно», могут обеспечить большее напряжение, чем одна батарея AA. Это связано с тем, что химическая энергия в батарее преобразуется в электрическую энергию в цепи, и в цепи с тремя батареями AA «последовательно» доступно больше химической энергии, чем в цепи только с одной батареей AA. Электрические цепи, как и батареи, могут быть «последовательными» или «параллельными».
На сегодняшнем уроке мы узнаем, что такое «последовательно» и «параллельно».
Откуда инженеры-электрики узнают, сколько батареек необходимо для работы электронной игры или игрушки? Один из способов, которым они могут определить необходимое напряжение и ток, — это создать карту цепи.Инженеры-электрики могут использовать карту или принципиальную схему , чтобы определить, сколько энергии требуется устройству для работы.
Спросите учащихся, почему в одних устройствах используются батареи, а в других – настенная розетка? (Ответ: Батареи производят ток другого типа, чем настенная розетка.) Ток, исходящий от батареи, называется постоянным током (DC). Ток, который поступает из настенной розетки в наших домах или школах, называется переменным током (переменный ток).Объясните учащимся, что многие телевизоры, компьютеры, DVD-плееры и стереосистемы имеют аппаратное обеспечение (оборудование) внутри устройства, которое преобразует переменный ток (AC) в постоянный ток (DC) для работы устройства.
Предыстория урока и концепции для учителей
Что такое электрические схемы?
Принципиальные схемы — это графические изображения цепей или электрических устройств. Каждый компонент схемы имеет соответствующий стандартный символ (см. рис. 2).При рисовании эти символы соединяются вместе, чтобы показать конструкцию цепи; полученная диаграмма представляет собой карту, которую любой может прочитать, чтобы увидеть, как построить схему. По сути, принципиальная схема — это язык электрического проектирования и инженерии. Когда инженеры проектируют или строят любую электрическую цепь, они либо создают, либо используют существующую принципиальную схему. Интерпретация принципиальных схем является важным навыком для инженеров-электриков и многих других инженеров.
Рис. 2. Набор символов, иллюстрирующих принципиальную схему.Copyright
Copyright © Дарья Котис-Шварц, Лаборатория ITL, Колорадский университет в Боулдере, 2004.
Провода, имеющие очень низкое сопротивление, представлены прямыми или угловыми линиями, соединяющими электрические компоненты. Резистор — это устройство, используемое для регулирования силы тока в цепи. Существует множество различных резисторов с сопротивлением от нескольких Ом до миллионов Ом. Резистор обозначен зигзагообразной линией. Существуют различные способы представления лампочки в цепи.В этом блоке символ лампочки, используемый для обозначения лампочки, представляет собой круг с «х», как показано на рисунке 2. Ячейка, или электрохимическая ячейка, представлена двумя линиями разной длины, расположенными перпендикулярно проводной линии, чтобы показать, что между положительной и отрицательной клеммами есть напряжение; более короткая линия – это отрицательный полюс аккумулятора. Аккумулятор состоит из нескольких ячеек. Обратите внимание, что символ батареи выглядит как две ячейки подряд или последовательно. Символ переключателя показывает, что электрическое соединение может быть разомкнуто и замкнуто на контакте.
Чтобы нарисовать принципиальную схему существующей последовательной цепи, нарисуйте схему цепи и соответствующий символ по мере того, как вы сталкиваетесь с каждым элементом цепи. Хотя провода в цепи обычно изогнуты, рисуйте их на принципиальной схеме либо в виде прямых линий, либо в виде угловатых изогнутых линий.
Как электрические элементы соединяются в цепи?
В цепях можно использовать множество компонентов: батарейки, лампочки, провода и выключатели. Части цепи могут быть соединены двумя различными способами.Когда они соединены таким образом, что между ними имеется один проводящий путь, говорят, что они соединены последовательно. Цепь слева на рис. 3 показывает два последовательно соединенных резистора. Когда элементы схемы соединены через общие точки, так что через цепь проходит более одного проводящего пути, они соединяются параллельно . Схема справа на рисунке 3 показывает два резистора, включенных параллельно. Обратитесь к упражнению «Лампочки и батареи в ряд», чтобы учащиеся попрактиковались в построении собственных цепей из нескольких компонентов.
Типичное электрическое устройство состоит из множества небольших последовательных и параллельных частей. Как правило, только очень простые схемы могут быть полностью соединены последовательно. Рис. 3. Два последовательно соединенных резистора (слева) и два резистора, соединенных параллельно (справа). Авторские права
Copyright © 2012 Carleigh Samson, University of Colorado Boulder
Закон Ома и последовательные цепи
Закон Ома — это фундаментальное математическое уравнение, описывающее взаимосвязь между напряжением, током и сопротивлением. Фактически, закон Ома определяет сопротивление: R = V/I, где R = сопротивление элемента цепи, V = общее напряжение, подаваемое в цепь источником питания (например, батареей), а I = ток через цепь. схема.Уравнение можно изменить (V = I * R), чтобы предсказать падение напряжения на элементе цепи с известным сопротивлением и известным током, проходящим через него. Напряжение, подаваемое в цепь, V, и общее падение напряжения по всей цепи V T должны быть равны и противоположны.
Это означает, что V + V T = 0. Общее падение напряжения в цепи равно: I*R T = V T , где R T — полное сопротивление в цепи. Мы рассмотрим, как найти общее сопротивление, R T , в этом уроке для последовательных цепей и в следующем уроке и упражнениях в этом разделе для цепей с параллельными элементами.
Последовательная цепь и схема ее согласования показаны на рис. 4. Поскольку существует только один путь для движения заряда по цепи, ток во всей цепи одинаков. Когда электроны движутся по цепи, каждая лампочка сопротивляется их потоку, так что общее сопротивление движению заряда равно сумме всех сопротивлений на пути. Из закона Ома (записанного в виде I=V/R) мы знаем, что общий ток равен напряжению, деленному на общее сопротивление.На каждой лампочке есть падение напряжения. Сумма падений напряжения равна напряжению источника питания, которым в данном случае является батарея. Поскольку ток одинаков во всей последовательной цепи, падение напряжения на каждой лампочке прямо пропорционально сопротивлению этой лампочки (путем преобразования уравнения закона Ома, V = I * R).
Рисунок 4. Последовательная цепь (слева) и соответствующая принципиальная схема (справа). Авторские права
Copyright © Joe Friedrichsen, Программа и лаборатория ITL, Колорадский университет в Боулдере, 2003.
Когда батареи соединены последовательно, общее напряжение равно сумме напряжений каждой батареи. Итак, если мы создадим цепь с тремя последовательно соединенными батареями по 1,5 В в качестве источника напряжения, общее напряжение составит 4,5 В, как показано на рисунке 5. Вот как производители батарей изготавливают батареи с более высоким напряжением; они просто соединяют несколько батарей (одинакового потенциала) вместе последовательно.
Рисунок 5. Когда батареи соединены последовательно, общее напряжение равно сумме напряжений каждой батареи.авторское право
Авторское право © 2012 Карли Самсон, Колорадский университет в Боулдере
В чем разница между постоянным и переменным током?
Постоянный ток или постоянный ток относится к движению заряда в цепи только в одном направлении.
Батареи, фотогальванические элементы и некоторые генераторы обеспечивают постоянный ток. Например, в фонарике с батарейным питанием электроны покидают отрицательную клемму батареи и движутся по цепи фонарика к положительной клемме. Предложите учащимся собрать свой собственный фонарик с помощью задания «Освети свой путь: придумай-собери серийный фонарик».Многие бытовые портативные устройства работают на постоянном токе. Предложите учащимся применить свои знания о таких устройствах для разработки и создания собственной игрушки в упражнении «Собери игрушку».
В переменном или переменном токе электроны перемещаются взад и вперед по цепи. Из-за этого электроны перемещаются лишь на небольшое расстояние вокруг относительно фиксированного положения в цепи. Хотя генераторы переменного и постоянного тока похожи, было доказано, что переменный ток является более эффективным способом передачи электроэнергии.Всякий раз, когда вы подключаете электрическое устройство к настенной розетке, вы используете переменный ток.
Направление тока меняется, потому что на электростанции меняется направление напряжения. В США мы используем ток, который меняет направление 60 раз в секунду, называемый током с частотой 60 герц.
Связанные виды деятельности
Закрытие урока
На классной доске нарисуйте пример последовательной цепи, включающей несколько компонентов (например, см. рис. 4).Качественно сравните ток и напряжение на разных участках цепи. Попросите учащихся сравнить силу тока в трех последовательно соединенных лампочках с возрастающим сопротивлением. (Ответ: ток одинаков во всей последовательной цепи.) Затем сравните напряжение на каждой из этих трех лампочек. (Ответ: напряжение падает, когда встречается с сопротивлением лампочки, поэтому первая лампочка будет иметь наибольшее напряжение, а каждая последующая лампочка будет испытывать меньшее напряжение.) Что происходит с общим напряжением при последовательном соединении аккумуляторов? (Ответ: общее напряжение равно сумме напряжений каждой батареи.
)
Рисунок 4. Схема последовательной цепи, показывающая провод, три лампочки, аккумулятор и выключатель. Авторские права
Copyright © Joe Friedrichsen, Программа и лаборатория ITL, Университет Колорадо в Боулдере, 2003.
Словарь/Определения
переменный ток: электрический ток, который через равные промежутки времени меняет направление на противоположное.Сокращенно АС.
принципиальная схема: графическое представление цепи с использованием стандартных символов для представления каждого компонента цепи.
постоянный ток: электрический ток только в одном направлении. Сокращенно ДК.
перенос энергии: движение энергии внутри системы. Может включать преобразование одного вида энергии в другой (с некоторыми потерями). Соответствующие примеры включают электричество для движения (вентилятор), электричество для света и тепла (лампочка) и электричество для звука и движения (звуковая система).
нагрузка: Устройство или сопротивление устройства, на которое подается электричество.
параллельная цепь: Электрическая цепь, имеющая более одного проводящего пути.
резистор: Устройство, используемое для управления током в электрической цепи путем создания сопротивления.
последовательная цепь: Электрическая цепь, обеспечивающая один проводящий путь, так что ток проходит через каждый элемент по очереди без разветвления.
Оценка
Оценка перед уроком
Вопрос для обсуждения: Запрашивать, объединять и обобщать ответы учащихся:
- Почему в одних устройствах используются батареи, а в других — розетка для питания? (Ответ: Батареи производят ток другого типа [DC], чем настенная розетка [AC])
Оценка после внедрения
Голосование: Задайте вопрос “верно/неверно” и предложите учащимся проголосовать, подняв большой палец вверх за ответ “правда” и опустив палец за ответ “ложь”.
Подсчитайте голоса и запишите итоги на доске. Дайте правильный ответ.
- Верно или неверно: Три батареи типа АА, соединенные «последовательно», обеспечивают большее напряжение, чем одна батарея типа АА. (Ответ: Верно.)
- Верно или неверно: батареи могут быть «последовательно» или «параллельно». (Ответ: Верно.)
- Верно или неверно: инженеры-электрики используют принципиальную схему, чтобы определить, какая мощность требуется устройству для работы. (Ответ: Верно.)
- Верно или неверно: батареи производят ток того же типа, что и настенная розетка.(Ответ: Неверно. Батареи производят ток другого типа [DC], чем настенная розетка [AC].)
- Верно или неверно: Ток, поступающий от батареи, называется переменным током. (Ответ: неверно. Ток, выходящий из настенной розетки в наших домах или школах, называется переменным током [AC]. Батареи — это постоянный ток [DC].)
- Верно или неверно: (Звуковая энергия может быть получена с помощью электричества или ударов по столу? Ответ: Верно, электрические источники, такие как батареи, могут питать небольшие динамики, и ваша рука может создавать звуковые волны, ударяясь о твердую поверхность стола.
)
Оценка итогов урока
Краткий опрос: Дайте учащимся лист бумаги и попросите их записать ответы на следующие три вопроса.
- Что вам больше всего понравилось на уроке?
- Что можно сделать лучше?
- Что нового вы узнали, чего не знали раньше?
Пронумерованные головы: Пусть учащиеся каждой команды выберут номера (или номера), чтобы у каждого члена был свой номер.Задайте учащимся приведенные ниже вопросы (при желании укажите сроки их решения). Члены каждой команды должны вместе работать над вопросом. Все в команде должны знать ответ. Вызов номера наугад. Учащиеся с этим числом должны поднять руки, чтобы ответить на вопрос. Если не все учащиеся с таким номером поднимают руки, дайте командам поработать еще немного. Спросите у студентов:
- Если вы удалите одну лампочку из последовательной цепи с тремя лампочками, цепь станет (n) _________ цепью.Открытый или закрытый? (Ответ: Открыто.)
- Что произойдет с другими лампочками в последовательной цепи, если одна лампочка перегорит? (Ответ: Все выходят.
)
- Когда в последовательную цепь добавляется больше лампочек, каждая лампа становится _____________. Ярче или тусклее? (Ответ: Диммер.)
- При последовательном соединении аккумуляторов напряжение на них ____________. Увеличивается, уменьшается или остается прежним? (Ответ: Увеличивается.)
- Нарисуйте принципиальную схему последовательной цепи с двумя батареями и тремя лампочками.(Ответ: это должно выглядеть так, как показано на рис. 4, с заменой переключателя второй батареей.)
Рисование фигур Гонка: Напишите символы схемы на доске. Разделите класс на команды по четыре человека, вычеркнув номер каждого члена команды, чтобы у каждого был свой номер, от одного до четырех. Назовите номер, и пусть учащиеся с этим номером бегут к доске, чтобы нарисовать правильную принципиальную схему. Поставьте балл той команде, чей товарищ по команде первым закончит рисунок правильно. Попросите учащихся нарисовать принципиальные схемы следующего:
- Последовательная схема с одной батареей и двумя лампочками
- Последовательная цепь с двумя батареями, одной лампочкой и одним выключателем
- Последовательная цепь с одной батареей, одной лампочкой и одним резистором
- Последовательная цепь с тремя батареями, двумя лампочками и двумя резисторами
- Последовательная цепь с одной батареей, двумя резисторами, двумя лампочками и одним выключателем
- Последовательная цепь с тремя батареями, четырьмя лампочками и одним выключателем
- Последовательная цепь с одной батареей, тремя переменными лампами и резисторами и одним выключателем
Домашнее задание/самостоятельная практика:
- Предложите учащимся подсчитать количество трансформаторов в их домах.
Дополнительную информацию о трансформерах см. в разделе «Дополнительные занятия к уроку».
Расширение урока
Исследуйте историю и развитие фонарика. В Музее фонариков есть много фотографий старинных фонариков и портативных световых приборов по адресу: http://www.flashlightmuseum.com/.
Узнайте о трансформаторах: трансформатор — это электрическое устройство, используемое для преобразования мощности переменного тока с определенным уровнем напряжения в мощность переменного тока с другим напряжением, но с той же частотой.Значительное количество энергии теряется при передаче энергии по распределительной сети. Дополнительная энергия потребляется в трансформаторах на подстанциях. Для многих бытовых электронных устройств требуются трансформаторы, которые всегда включены и потребляют энергию, даже если этим электрическим устройством никто не пользуется.
- Предложите учащимся подсчитать количество трансформаторов, которые есть у них дома .
Трансформаторы могут быть подключены к компьютерам, принтерам, сканерам, динамикам, автоответчикам, беспроводным телефонам, зарядным устройствам для мобильных телефонов, электрическим отверткам, электродрелям, радионяням, модемам и видеокамерам.Трансформеров не всегда легко узнать; Очевидные трансформаторы выглядят как большие коробки (обычно того же цвета, что и шнур), прикрепленные к концу шнура в том месте, где вы подключаете устройство к электрической розетке.
- Если вы прикасаетесь к трансформатору, и он теплый, вы чувствуете, что электрическая энергия превращается в тепловую (впустую). Предложите учащимся подсчитать количество энергии, ежегодно теряемой трансформаторами в их доме. . Потребляемая мощность невелика — порядка 1-5 ватт на трансформатор, но складывается.Допустим, у вас есть пять трансформаторов, каждый из которых потребляет по 5 Вт. Это означает, что 25 Вт постоянно тратятся впустую. Если в вашем районе киловатт-час стоит 10 центов, это означает, что вы тратите 10 центов на каждые 1000 ватт-часов/25 ватт = 40 часов.
В году 8760 часов, поэтому 8760 часов/40 часов = 21,90 доллара в год.
- Предложите учащимся подсчитать общее количество энергии, расходуемой трансформаторами по всей стране . В Америке 100 миллионов семей. Если каждое домашнее хозяйство тратит на эти трансформаторы 25 ватт, то это 2.5 миллиардов ватт. При цене 10 центов за киловатт-час это составляет 2 500 000 000 ватт/1000 ватт или 250 000 долларов в час. Это 2 190 000 000 долларов США (2 миллиарда долларов США), потраченных впустую каждый год.
использованная литература
Берг, Эрик. Старший инженер-механик, Колорадская горная школа, «Как работает трансформатор?» http://www.physlink.com/ По состоянию на 28 апреля 2004 г.
Хьюитт, Пол Г. Концептуальная физика . 8-е издание.Нью-Йорк, штат Нью-Йорк: Addison Publishing Co., 1998. Ралофф, Джанет. «Должны ли мы выдернуть вилку?» Новости науки. 25 октября 1997 г.
Ропейк, Дэвид.
MSNBC – Как энергосистема питает континент . 23 января 2001 г. Новости MSNBC. http://www.msnbc.msn.com/id/3077316/ns/technology_and_science-science/t/how-grid-powers-continent/#.T4M6w_WfzTo По состоянию на 7 апреля 2004 г.
Шнайдер, Стюарт. Музей фонарей . Wordcraft.net. По состоянию на 7 апреля 2004 г.
Зильберман, Стив. Wired News: Готовимся к электросети . 14 июня 2001 г. Журнал Wired. www.wired.com По состоянию на 7 апреля 2004 г.
авторское право
© 2004 Регенты Университета КолорадоАвторы
Сочитл Замора Томпсон; Сэйбер Дюрен; Джо Фридрихсен; Дарья Котыс-Шварц; Малинда Шефер Зарске; Дениз В.Карлсон; Карли СамсонПрограмма поддержки
Комплексная программа преподавания и обучения, Инженерный колледж Колорадского университета в БоулдереБлагодарности
Содержание этой учебной программы цифровой библиотеки было разработано в рамках грантов Фонда улучшения послесреднего образования (FIPSE), Министерства образования США и Национального научного фонда (грант ГК-12 №.
0338326). Однако это содержание не обязательно отражает политику Министерства образования или Национального научного фонда, и вы не должны исходить из того, что оно одобрено федеральным правительством.
Последнее изменение: 15 января 2022 г.
Схемы рисования для детей | Уроки физики для детей
Символы используются для рисования схем вместо рисунков. Сложно и запутанно рисовать картинки, чтобы показать кому-то, как подключена цепь.Кроме того, это отнимает много времени. Итак, мы используем символы цепей для рисования цепей, чтобы преодолеть эти проблемы. На этом уроке вы сможете узнать некоторые символы схем, которые мы используем при рисовании схем.
Символ – это знак, буква или диаграмма, которые представляют или обозначают что-либо. Например, на чертежах цепей мы используем много символов. Чтобы показать лампочку или лампу, мы используем следующий символ;
Пример символа цепи лампа или лампочка
Каковы преимущества использования символов на чертежах схем?
1) Это экономит время.
2) Это хороший способ показать кому-нибудь, как должна быть подключена цепь.
Примеры условных обозначений, используемых на чертежах
Примеры чертежей простой схемы с лампочкой, ячейкой и выключателемПример простой схемы с выключателем ON
простой цепи с выключенным выключателем
Пример простой цепи с двумя лампочками с включенным выключателем
Посмотрите на каждую электрическую схему ниже.Как вы думаете, какая лампочка или лампочки загорятся.
Примеры принципиальных схем
Клеммы ячейки
Что такое клемма ячейки?
Один из концов ячейки, к которому должны быть подключены провода в цепи, называется клеммой ячейки.
Сколько терминалов в ячейке?
Два
Какие два терминала в ячейке?
1) Отрицательная клемма (-)
2) Положительная клемма (+)
Как электричество течет между этими двумя клеммами ячейки?
Электричество течет от отрицательной клеммы (-) к положительной клемме (+) ячейки.
![]()
Если у вас есть только камера и лампочка, сможете ли вы зажечь камеру?
№
Почему? Потому что сначала мы должны соединить два конца ячейки материалом, проводящим электричество.
Пример батареи
Батарея питает цепь. Как показано на картинке, он имеет две клеммы.
Положительный и отрицательный выводы ячейки
Какие материалы проводят электричество?
1) Провода
2) Металл
Что означает положительный вывод на электрической схеме?
Длинная вертикальная линия
Что такое отрицательная клемма на электрической схеме?
Короткая вертикальная линия
Символическое изображение клемм клетки
Автор : K8School 4:49 утракак рисовать символы электрических цепей что такое электрический ток? что такое разность потенциалов? как интерпретировать принципиальные схемы igcse/gcse 9-1 Примечания к пересмотру физики
ЭЛЕКТРИЧЕСТВО 2: Электрические цепи и как их рисовать, символы цепей, введение в последовательные и параллельные схемы
IGCSE AQA GCSE Physics Edexcel GCSE Physics OCR GCSE Gateway Science Physics OCR GCSE 21st Century Научная физика
Дока Брауна школьные примечания к повторению физики: физика GCSE, физика IGCSE, уровень O физика, школьные курсы естествознания для 8, 9 и 10 классов США или эквивалентные курсы для детей 14–16 лет.
студенты физики
Что такое электрическая цепь а что такое электрический ток? Как нарисовать электрическую цепь? Как Вы интерпретируете принципиальную схему? Знаете ли вы символы вашей схемы? Чем отличается сериал схема и параллельная схема? Можете ли вы объяснить, что происходит, когда цепь включен?
Субиндекс для этой страницы
1.Определения и что такое электрический ток и электрическая цепь?
2. Схемные символы и символика, используемые при рисовании-построении принципиальных схем
3. Примеры простых схем и их интерпретация
См. ПРИЛОЖЕНИЕ 1 для сводки всей электроэнергии уравнения, которые могут вам понадобиться.
ВИКТОРИНА на тему “Электротехника. схемы” Основные вопросы по доработке из KS3 наука-физика о простых схемах, символах и компонентах схем, протекании тока & показания амперметра, полезные схемы – опасности и как они работают – что ты вспомнил?
1.
Определения и что такое электрический ток и электрическая цепь?
На этой странице Я упомянул родственника показания амперметра как а1, а2 и т.д., но на всех остальных страницах I 1 , I 2 и т. д. будут использоваться.
То схема схема 01 (справа) представляет собой простейший вид электрической схемы , которая может делать что угодно полезно напр. зажечь лампочку (символ ) с помощью одноячеечной батареи (символ ).
Выключатель замкнут (“вкл”, символ ) для завершения электрическая цепь, в которой все компоненты должны быть соединены вместе с электрический проводник, такой как медная проволока.
Это одна из самых простых схем , которые вы можете нарисовать, так что привыкайте к ним как можно скорее!
Контур 01 является простым замкнутым петля и ток будет одинаковым в любой точке цепи.
Многое другое о символах схем в следующем разделе и это просто проводные соединения!
ТОК – Амперметр (обозначение ) включен для измерения тока – скорость протекания электрического заряда – обычно отрицательные электроны .
Единицей текущего является называется ампер , символ А .
поток электрического заряда это обычно поток крошечных отрицательных частиц мы называем электронами .
Ток электрического заряда может обтекать только полный контур – как на схеме – без зазоров в провода! И должен быть источник () разности потенциалов (стр.г.) как элемент или батарея, чтобы управлять электроны вокруг.
РАЗНИЦА ПОТЕНЦИАЛОВ – Это электроны («заряд»), которые передают электрические энергия от «более высокого потенциала» к «более низкому потенциалу».
![]()
Блок потенциала разница (p.d.) – это вольт , символ В например. а простая батарея с одним фонариком может дать п.д. 1,5 В, автомобиль батарея может выдавать 12 В от шести 2-вольтовых элементов, подключенных один за другим. другой последовательно – больше о соединении последовательно позже.
Это разность потенциалов который гонит электроны по цепи, и если вы увеличите р.д. затем вы толкаете больше электронов за заданное время, т.е. вы увеличить ток.
Это разность потенциалов («напряжение»), которое «толкает» электрический заряд (-ve электронов) вокруг цепи.
Если п.д. > 0 В, ток течет в одном направлении, если п.д. <0 В, ток течет в в обратном направлении!, а если р.д. = 0 В, ток не течет!
Обычный термин ‘ напряжение ‘ строго говоря не корректно, на экзамене использовать ‘ потенциал разница ‘один раз, а затем используйте аббревиатуру ‘ p.
d. ‘ после этого.
Схемы должны быть нарисованы с правильными символами для компонентов, и обычно провода нарисованы в виде прямых линий, а переключатель замкнут («включено»), чтобы завершить схема – так похоже работает!
Вы должны быть в состоянии следовать за проводом от одного конца («клеммы») источника питания к другому и проходя через любые компоненты в цепи.
Цепь 29 (справа) по существу аналогичен схеме 01 выше с резистором (символ ).
Резистор представляет собой двухконтактный компонент. то, что сопротивляется потоку электрического заряда – уменьшает ток.
Часто это тонкий провод относительно ширина провода, используемого для остальной части цепи. Это тонкое сопротивление провод может преобразовывать электрический энергии в тепло и свет (лампа накаливания), тепло (нагревательный элемент) или просто свет (светодиодная лампа).
СОПРОТИВЛЕНИЕ. Сопротивлением является любой компонент, который ограничивает поток заряда , т. е. противостоит потоку тока.
Единица сопротивления – это Ом , символ Ом .
Ток, протекающий через резистор зависит от двух факторов:
(i) для заданного фиксированного сопротивления чем больше разность потенциалов, тем больше ток,
(ii) для данного фиксированного потенциала Разница в том, что чем больше сопротивление резистора, тем меньше ток.
Подробнее см. 3. Закон Ома, экспериментальные исследования сопротивление, простые графики и расчеты
, где мы расскажем, как подключить вверх и используйте вольтметр.
Каждая ячейка (батарея) имеет положительный (+) и отрицательный (-) вывод и по соглашению ток течет от положительная клемма округляется до отрицательной клеммы (здесь по часовой стрелке).
Примечание 1 : Текущая конвенция и химия!
Это соглашение об электрическом токе может быть проблемой в химии, потому что электроны на самом деле текут в противоположное направление! То есть против часовой стрелки в схеме 29 – логично что отрицательные электроны текут от отрицательных к положительным. важно, чтобы ты поймите это, потому что на химии вы изучаете электролиз и нужно знать, что делают электроны! Причина за это столкновение нынешняя конвенция была принята раньше ученых знал об электронах!)
Примечание 2: Переменный ток (ac) и постоянный ток (постоянный ток) (для будущая ссылка )
С переменным током (ac), ток меняет направление в цикле e.г. 50 Гц и разность потенциалов проходит цикл +/- В.
С постоянного тока (постоянного тока) нет разворота в текущем направлении, он течет в одну сторону с постоянное напряжение (pd/V).
Осциллограммы сравнение сигналы переменного и постоянного тока – показ изменяющегося направления + <=> – колебания переменного тока p.d. и постоянная p.d. из постоянный ток.
Обратите внимание, что некоторые устройства в доме работать от постоянного тока – но выход, например. трансформатор в вашем блок питания компьютера, выпрямляется, чтобы преобразовать его в источник постоянного тока.
ВЕРХ СТРАНИЦЫ и субиндекс
2. Схемные символы и символика, используемые при рисовании-построении принципиальных схем
Расширенный взгляд на схему символы и как их использовать на принципиальных схемах
условное обозначение цепи для провода в электрической цепи.
символ цепи для Т-образного соединения в проводах цепи.
символ цепи для замкнутого переключателя , это замыкает цепь, так что она «включена» и протекает ток.
символ цепи для открытого выключателя , это разрывает цепь, так что она «выключается», и ток не может течь.
символ цепи для двустороннего переключателя , в котором один маршрут «открыт», а другой «закрыт».
, , , символы схемы для 1, 2, 3 или многих ячейки подключены в серии (> 1 элемент, часто называемый «батарейкой»), короткая прямая вертикальная линия является отрицательным полюсом, а длинная тонкая вертикальная линия – положительный полюс.
Компоненты в серии подключены линия друг к другу, конец в конец подключение к клеммам +ve и -ve источника питания.
Если у вас подключены две батареи по 1,5 В последовательно вы складываете их, чтобы получить общее значение p.
d. 3,0 В.
Вы делаете то же самое с резисторы напр. Резистор 3,0 Ом и 5,5, соединенные последовательно, действуют как общий сопротивление 8,5 Ом.
4-й символ часто указывает такая батарея в автомобиле, состоящая из нескольких отдельных ячеек , соединенных проводом в серии .
символ цепи для двух ячеек, соединенных параллельно .
Когда компоненты подключены параллельно , каждый из них подключен отдельно к клеммам +ve и -ve путем подключения к главной цепи на каждом конце клемм компонента.
Если у вас есть две ячейки, производящие одинаковые р.д. подключены параллельно, p.d. цепи точно такие же, как один клетка.
Два символа для источника питания .
Постоянный ток (постоянный или постоянный ток) означает, что ток течет только в одном направлении, а условный ток течет от положительного (+) к отрицательному (-).
Электроны действительно текут в противоположное направление!
Переменный ток (перем. или ac) переключает направление в непрерывном колебании, например. 50 Гц, т.е. изменение направления 50 раз в секунду.
условное обозначение цепи резистора , сопротивление прохождению электрического тока e.г. в компоненте, часто более тонкий провод, чем остальной провод цепи.
или являются схемными символами для переменный резистор.
Он ведет себя как любой другой резистор, НО его сопротивление можно изменять, например. от поворот механического ползунка, как в диммере для лампы в комнате.
Чем больше тонкая проволока сопротивления, тем проходит ток, тем больше его сопротивление и меньше ток.
В школьной лаборатории можно встретить его как реостат, с помощью которого вы можете изменить сопротивление, перемещая ползунок вдоль провода сопротивления.
условное обозначение цепи для нити накала одиночной лампа накаливания .
условные обозначения для две лампы накаливания подключен последовательно .
символы цепи для две лампы накаливания соединены параллельно.
условное обозначение схемы для вольтметра который измеряет разность потенциалов в вольтах (стр.д. в В).
Вольтметр есть всегда подключаются параллельно к другому компоненту схемы для измерения p.d. в вольт на нем.
символ цепи для амперметр, прибор, измеряющий силу электрического тока в ампер (А).
Может быть подключен последовательно или параллельно в зависимости от того, какая часть цепи вы хотите знать текущий поток.
условное обозначение цепи предохранителя .
Это плавится и разрывает цепь, если ток превышает безопасный предел.
условное обозначение схемы для диода , иногда символ заключен в круг
Диод пропускает только ток течь в одном направлении.
символ цепи для термистор, сопротивление которого изменяется в зависимости от температуры, т. е. тока допустимый поток зависит от температуры.
символ цепи для светоизлучающего диод (ан LED) — полупроводниковый прибор, преобразующий электрическую энергию в свет. энергия я.е. он светится, когда на него подается разность потенциалов (напряжение).
Это гораздо более эффективное устройство, чем горячая лампа накаливания.
символ цепи для светозависимой резистор ( LDR ), иногда прямоугольник заключен в круг
Сопротивление LDR изменяется в зависимости от интенсивности света что светит на нем.
Чем больше интенсивность света, тем меньше сопротивление и больше ток.
символ цепи для электродвигателя, иногда это просто круг с M в Это
Символы цепи (насколько Я знаю) НЕ нужно для курсов физики UK GCSE ???
символ цепи для конденсатора, устройства, которое хранит энергию в виде электрически заряженное поле между его пластинами.
символ цепи для микрофона, который преобразует звуковую волну в электрическую сигнал.
символ цепи для громкоговорителя, который преобразует сигнал электрической энергии в звуковая энергия.
символ цепи для трансформатора, который преобразует переменный ток в ток одного напряжения в одной входной катушке в сеть переменного тока. ток другого напряжения на втором выходе катушка.
символ цепи для звонка.
символ цепи для зуммера.
ВЕРХ СТРАНИЦЫ и субиндекс
3.Примеры простых схем и их интерпретация
Это цепь схемы скопированы из моего KS3 викторины по физике.
Я просто хочу, чтобы вы думали «просто» концептуальный способ, например. какие лампочки горят и как ярко И сравните ток течь в разных частях цепи.
Я редко включал прямоугольный резистор здесь обозначение цепи, но не забывайте, что лампочка — это резистор .
Эти электрические схемы включают амперметры, выключатели и простой блок питания от батареек.
Соединение последовательно или параллельно в цепях обсуждается.
Принять все показания амперметра, т.е. а1, а2 и т. д. указаны в амперах (А).
На данный момент нет конкретных резисторов или вольтметров. и нет расчеты еще ни!.
1. Схема 01: 1 амперметр, 1 переключатель, 1 элемент и 1 лампочка, все подключено.
серии в простой одинарной петле.
Предположим, что лампа светится с нормальной яркостью, таким образом, 1 элемент правильно питает 1 лампочку – не слишком тусклая и не “перегорает” лампочка!
В ряд Цепь, все компоненты соединены между собой встык , не в отдельная петля.
2. Принципиальная схема 02: 1 амперметр, 1 переключатель, 2 ячейки и 2 лампочки из серии .
Здесь мы удвоили потенциал разница (p.d.), но мы также удвоили сопротивление, эффекты компенсируют друг друга, поэтому лампа будет светиться с нормальной яркостью.
3. Принципиальная схема 03: 1 амперметр, 1 переключатель, 2 последовательно соединенных элемента с 1 лампочкой, все подключено последовательно.
Здесь удвоение п.д. удвоит тока и лампочка будет светиться ярче, чем в цепях 01 и 02 (вероятно, лопнет лампочка!).
4. Принципиальная схема 04: 1 амперметр, 1 выключатель, 1 элемент и 2 лампочки, соединенные последовательно.
Здесь удвоение сопротивления уменьшит вдвое ток и лампочки будут светиться тусклее, чем в цепях 01 и 02.
5.Схема 05: 1 амперметр, 1 переключатель, 3 ячейки и 3 лампочки, все подключено. ряд.
Здесь мы утроили п.д., но также утроил сопротивление, поэтому лампочки будут нормально светиться как в цепях 01 и 02.
6. Схема 06: 1 амперметр, 1 переключатель, 3 ячейки и 2 лампочки, все подключено. ряд.
Здесь лампочки будут светиться чуть больше ярче, чем в схемах 01 и 02.Вы можете понять, почему?
7. Принципиальная схема 07: 1 амперметр, 1 переключатель, 3 ячейки и 1 лампочка, соединенные последовательно.
Здесь лампочка будет светиться ОЧЕНЬ ярко в течение несколько секунд, а затем сгорают!
Вы утроили п.д. но сохранил минимум одно сопротивление, слишком большой ток для нити накала лампы!
8. Принципиальная схема 08: 1 амперметр, 1 переключатель, 1 элемент и 3 лампочки, соединенные последовательно.
По сравнению со схемой 07, здесь лампы будет светиться очень тускло, гораздо слабее, чем в цепях 01 и 02.
Вы утроили сопротивление и сохранили минимальная р.д.
Следовательно, текущий поток намного ниже чем в схеме 07, меньше электроэнергии на зажигание лампочек.
9. Принципиальная схема 09: 1 амперметр, 1 выключатель, 1 элемент и 3 лампочки, соединенные последовательно.
Здесь лампочки будут немного светиться тусклее, чем их «нормальная» яркость.
Вы видите, почему?
10. Схема 10: 1 амперметр, 1 переключатель, 2 ячейки последовательно с пары амперметров и лампочек соединены параллельно .
При подключении компонентов в параллельный , каждый находится в отдельной петле (или ветви), фактически оба конца каждого компоненты соединены между собой.
Обратите внимание на два немного разных стиля рисование схемы – это одно и то же.
Здесь все становится немного лучше сложно, и я представляю, какими могут быть относительные показания амперметра.
Отныне меня меньше интересует, как ярко светятся лампочки, но какими могут быть относительные показания амперметра?
Цепи с 01 по 09 были простыми петлями и ток в любой точке цепи одинаков.
Однако здесь ток разделяется на питайте каждую лампочку отдельно в параллельных секциях цепи.
Показания тока амперметра а1+а2 ДОЛЖНЫ одинаковое показание амперметра a3, потому что ток, протекающий от батареи, даже если он разделен, он должен быть одинаковым в целом. Вы не можете потерять или получить электроны! , поэтому a1 + a2 = a3 .
Также показания амперметра a1 = a2 , Если лампы имеют одинаковое сопротивление, то и ток будет одинаковым. через них одинаково, поскольку они оба испытывают один и тот же p.d.
В разделе 3.Закон Ома мы рассмотрим на этих ситуации количественно.
12. Принципиальная схема 12: Здесь все соединено в виде простого контура.
Лампы b1 и b2 будут светиться нормально и с одинаковой яркостью, при условии, что они имеют одинаковое сопротивление.
Поскольку все соединено последовательно, все показания амперметра будут одинаковыми, а1 = а2 = а3.
13.
14. Схемы 13/14:
То же, что и схемы 10/11, за исключением отсутствия происходит до тех пор, пока вы не замкнете переключатели!
Чтобы зажечь лампочку, вы должны замкнуть переключатель s3 и один/оба переключателя s1 и s2.
Здесь можно зажечь каждой лампочки по отдельности , чего нельзя сделать, если они соединены последовательно.
15. Принципиальная схема 15: Все соединено последовательно.
То же, что и цепь 12, за исключением того, что ничего не происходит пока не замкнешь переключатели,
и все 3 переключателя должны быть замкнуты на зажги лампочки!
16. Принципиальная схема 16: Лампы будут светиться очень ярко, а нити накаливания будут наверное сгорел!
Вы понимаете, почему лампы могут просто свет на несколько секунд перед выходом!?
17.
Принципиальная схема 17: Лампы будут светиться очень тускло, 4 лампы соответствуют высокому уровню. общее сопротивление.
Когда сопротивления, например, лампы накаливания соединив последовательно , вы сложите их, чтобы получить общее сопротивление .
18. Принципиальная схема 18: 1 амперметр, 1 переключатель, 2 ячейки, соединенные последовательно с 3 парами . амперметров и лампочек, соединенных параллельно .
Если вы следовали аргументам схемы 11/12 вы сможете вывести следующее:
Все три лампочки с b1 по b3 будут светиться с одинаковой яркостью – все подвергнуты одному и тому же р.д.
Относительные показания амперметра:
a1 = a2 = a3 (при условии, что все лампы имеют одинаковое сопротивление).
Суммарный ток, протекающий в схема = а4 = а1 + а2 + а3
19.
Принципиальная схема 19: Эта простая петлевая цепь включает в себя переменный резистор ().
Изменяя сопротивление, можно изменять текущий поток и контролировать, насколько ярко светится лампочка.
Это простейшая схема для показать, как работает диммер.
Чем больше сопротивление, тем ниже тока, диммер лампочка загорается.
21. Принципиальная схема 21. Несколько комплектов лампочек соединены параллельно.
По показаниям амперметра и лампочке яркость:
а4 = а1 + а2 + а3, но а1, а2 и а3 показания амперметра будут разными из-за разных цифр лампочек, то есть каждая последовательность лампочек соответствует разным сопротивления при той же разности потенциалов.
Если лампы соединены последовательно Вы складываете отдельные сопротивления, чтобы получить общее сопротивление.
Итак, в схеме 21 для ламп мы иметь значения относительного сопротивления 1 : 2 : 3 (слева направо).
Чем больше сопротивление, тем ниже ток, поэтому относительные показания амперметра будут a1 > a2 > a3,
и последовательность яркости для луковицы b1 > b2 > b3.
22. Принципиальная схема 22: Это двусторонняя система переключения, т.е. для посадочного огня в дом.
Вы можете включить свет с двух разные места, например. цокольный этаж и первый этаж дома.
25. 26. Схемы 25: Когда вы замыкаете выключатель s, загорается только лампочка b2.
Дополнительный провод “короткое замыкание” и шунтирует лампочку b1 – ток через нее практически не течет.
Дополнительный провод будет предлагать меньше сопротивление, чем у тонкой нити накала.
В цепи 26 такая же ситуация и горит только лампочка b2 И вам даже не нужно замыкать выключатель.
27. Принципиальная схема 27: Следуя схемам 25 и 26, когда вы замыкаете переключателя будет гореть только лампочка b1.
Практически не протекает ток лампочка б2.
ВЕРХ СТРАНИЦЫ и субиндекс
ПРИЛОЖЕНИЕ 1: Важные определения, описания, формулы и ед.
Примечание: Вы можете/можете нет (но не волнуйтесь!), сталкивались со всеми этими терминами, это зависит о том, как далеко продвинулись ваши исследования. В вашем курсе вам может не понадобиться каждая формула – это вам предстоит выяснить.
В разность потенциалов ( p.d ., обычно называемая «напряжение») — это движущий потенциал, который перемещает электрический заряд вокруг цепь – обычно электроны .
Разность потенциалов – это работа, выполненная в перемещение единицы заряда.
Указывает, сколько энергии передается на единицу заряда, когда заряд перемещается между двумя точками цепи е.г. между клеммами аккумулятора.
р.д. на любой части цепи измеряется в вольтах, В .
я ток скорость потока электрического заряда в кулонов в секунду ( Кл/с ), измеренных в амперах (амперы, А ).
Количество электрического заряда, переданного в a дать время = ток в амперах x истекшее время в секундах
Формула соединения: Q = Это , I = Q/t, t = Q/I, Q = электрический заряд, поступивший внутрь кулоны ( C ), время t ( с )
Р сопротивление в цепи, измеренное в Ом ( Ом ).
Сопротивление замедляет поток электрического заряда – он противостоит потоку электрического заряда .
Формула соединения: В = ИК , I = V/R, R = V/I (это формула для Закон Ома)
Р является мощность , поставляемая цепью = уровень энергии передача ( Дж/с ) и измеряется в Вт ( Вт ).
Формула соединения: Р = IV , I = P/V, V = P/I также П = И 2 Р (см. также P = E/t ниже)
Э = КВ , энергия, передаваемая количеством электрического заряда потенциалом разница в вольтах.
переданной энергии (джоулей) = количество электрического заряда (кулоны) x разность потенциалов (вольт)
Q = E/V, V = E/Q, E = передача энергии в джоулях ( Дж ), Q = перенесен электрический заряд ( C ), В = с.д. ( В )
Е = Pt , P = E/t, t = E/P, где P = мощность ( Вт ), E = переданная энергия ( Дж) , t = затраченное время ( с )
Передаваемая энергия в джоулях = мощность в ваттах х время в секундах
Формула соединения: Так как E = Pt и P = IV, переданная энергия E = IVt
НАЧАЛО СТРАНИЦЫ
Что дальше?
Электричество и ревизия магнетизма отмечает индекс
1.
Полезность электричества, безопасность, передача энергии, расчет стоимости и мощности, P = IV = I 2 R, E = Pt, E=IVt
2. Электрические цепи и как их рисовать, символы цепей, параллельные цепи, последовательные цепи объяснил
3. Закон Ома, экспериментальные исследования сопротивление, графики ВАХ, расчеты V = IR, Q = It, E = QV
4. Схемные устройства и как они используются? (т.е.г. термистор и LDR), соответствующие графики gcse физика, версия
5. Подробнее о последовательных и параллельных цепях см. принципиальные схемы, измерения и расчеты ОГЭ по физике
6. Энергоснабжение «Национальной энергосистемы», экологические вопросы, использование трансформаторов аттестат зрелости примечания к пересмотру физики
7. Сравнение способов получения электроэнергии аттестат зрелости заметки о пересмотре физики (энергия 6)
8.
Статическое электричество и электрические поля, использование и опасности статического электричества gcse примечания к пересмотру физики
9. Магнетизм – магнитные материалы – временные (наведенные) и постоянные магниты – использует gcse физика
10. Электромагнетизм, соленоидные катушки, использование электромагнитов gcse примечания к пересмотру физики
11. Двигательное действие электрического тока, электродвигатель, громкоговоритель, правило левой руки Флеминга, F = BIL
12.Эффект генератора, приложения, например. генераторы генерация электричества и микрофон аттестат зрелости физика
ВСЕ мои GCSE Примечания к пересмотру физики
ИЛИ используйте [ОЧКИ ПОИСК]
редакция IGCSE отмечает простые схемы символы схем KS4 физика Научные заметки о простых схемы символы схем GCSE руководство по физике заметки о простых схемах схемы символы для школ колледжи академии научные курсы преподаватели изображения рисунки схемы для простых схем символы схемы наука примечания к редакции простые схемы символы схем для повторения модулей физики примечания по темам физики, помогающие понять простые схемы схемы символы университетские курсы физики карьера в научной физике работа в машиностроении технический лаборант ученичество инженер стажировки по физике США США класс 8 класс 9 класс 10 AQA GCSE 9-1 примечания к пересмотру физики по простым схемам символы схемы GCSE примечания к простым схемам символы цепей Edexcel GCSE 9-1 физика наука пересмотренные примечания по простые схемы символы схемы для OCR GCSE 9-1 21 век Научные заметки по физике о простых схемах Символы цепей OCR GCSE 9-1 Шлюз физика наука примечания к редакции простых схем символы цепей WJEC gcse science CCEA/CEA gcse science
ВЕРХ СТРАНИЦЫ и субиндекс
Как нарисовать принципиальную схему
Часть 1: Что такое принципиальная схема?
Принципиальные схемы иллюстрируют состав электрических цепей.
Он будет состоять из электрических соединений, источников питания, выключателей, соединений проводов и т. д.
Принципиальные схемы используются профессионалами для проектирования, построения и обслуживания цепей в помещениях или сооружениях. Студентов также учат использовать электрические схемы, чтобы понять основные принципы питания и электричества.
Преимущество схемы заключается в том, что она действует как универсальный справочник по схеме. Это особенно удобно для специалистов по техническому обслуживанию электрооборудования, которым необходимо понимать и точно знать, как устроены схемы конструкции.
Часть 2: Символы часто используемых цепей
- Ячейка: Ячейка означает электроснабжение. Один элемент часто называют батареей, но, строго говоря, батарея представляет собой две или более ячеек, соединенных вместе. Он представлен длинной и короткой параллельными линиями.
- Аккумулятор: Аккумулятор состоит из более чем одной ячейки.
Больший терминал (слева) положительный (+).Он представлен набором длинных и коротких параллельных линий.
- Провод: Пропуск тока из одной части цепи в другую. Это соединительный провод между двумя компонентами.
- Резистор: Резистор используется для ограничения протекания тока. Он представлен зигзагообразной линией.
- Переключатель: Двухпозиционный переключатель пропускает ток только тогда, когда он находится в закрытом (включенном) положении.Обычно это представлено разрывом прямой линии путем подъема части линии вверх по диагонали.
- Амперметр: Амперметр используется для измерения силы тока. Обозначается буквой А в круге.
- Вольтметр: Вольтметр используется для измерения напряжения. Обозначается буквой V в круге.
- Двигатель: Преобразователь преобразует электрическую энергию в кинетическую.Обозначается буквой М в круге.
- Лампа: Преобразователь, преобразующий электрическую энергию в свет.
Часть 3: Как легко сделать принципиальную схему?
Шаг 1: Запуск EdrawMax .
Шаг 2: Перейдите к [ Новый ]>[ Электротехника ]>[ Схемы и логика ]
Шаг 3: Выберите один шаблон принципиальной схемы для редактирования или щелкните знак [+], чтобы начать с нуля.
Шаг 4: Вы можете экспортировать файл в графику, PDF, редактируемый файл MS Office, SVG и файл Visio vsdx.
Шаг 5: И вы можете поделиться своей диаграммой с другими через социальные сети и онлайн-страницу веб-сайта.
Часть 4: Особенности, которые делают EdrawMax выдающимся
- Edraw имеет встроенный набор красивых тем с расширенными эффектами.Легко изменить всю диаграмму, изменив активную тему всего за несколько кликов. Вам не обязательно быть профессионалом в дизайне.
- Все документы Edraw представляют собой векторные графические файлы высокой четкости, доступные для просмотра и редактирования.
- Для автоматического форматирования предусмотрен набор интеллектуальных инструментов. Вы можете легко упорядочивать, вращать, группировать и выравнивать объекты.
- Edraw предлагает различные параметры настройки, с помощью которых вы можете настроить ширину линии, цвет линии, стиль линии, размер шрифта, стиль шрифта, цвет текста и многое другое.
- Легко добавлять изображения и редактировать текст.
Часть 5: Примеры принципиальных схем
Пример 1: Цепь постоянного тока
Схема цепи постоянного тока в задачах, связанных с законом Ома. Наиболее распространенными конфигурациями цепи постоянного тока являются последовательные; параллельно; два контура, несколько источников; делитель напряжения; комбинация, один источник; и батарея с внутренним сопротивлением.
Пример 2: Принципиальная схема АРУ
Это пример схемы автоматической регулировки усиления (АРУ). Это схема регулирования обратной связи с обратной связью, используемая в усилителе.
Чаще всего это наблюдается в таких устройствах, как радиоприемники и радарные системы.
Часть 6: Заключение
Согласно этой статье, в основном есть пять частей, чтобы проиллюстрировать, что такое принципиальная схема, представить некоторые часто используемые символы, рассказать вам, как создать принципиальную схему, рассказать вам, почему EdrawMax выдающийся, и показать вам несколько примеров принципиальных схем. .
EdrawMax — это самый простой инструмент для построения диаграмм «все в одном», вы можете с легкостью создавать принципиальные схемы и любые другие типовые схемы! С готовыми символами принципиальных схем и клипартами создание принципиальных схем может быть максимально простым. Кроме того, он поддерживает экспорт вашей работы в несколько форматов и обмен ею с другими. Начните создавать схемы прямо сейчас!
EdrawMax
Универсальное программное обеспечение для построения диаграмм
Создавайте более 280 типов диаграмм без особых усилий
Простое начало построения диаграмм с помощью различных шаблонов и символов
- Превосходная совместимость файлов: Импорт и экспорт чертежей в файлы различных форматов, например Visio
- Кроссплатформенная поддержка (Windows, Mac, Linux, Web)
Еще по теме
Программное обеспечение для схем и логических схем
Как читать электрические схемы
Основная электрическая схема
Программное обеспечение для электрических чертежей
Символы компонентов схемы
Цепь и логическая схема
.![]()



Итак, вы видите, как просто нарисовать принципиальную схему.
Если у вас нет предыдущей учетной записи, вы можете создать учетную запись, просто нажав «Зарегистрироваться» и заполнив свои данные там, где ваша учетная запись создана.
Д. Это различные темы, которые содержат нужные символы, поэтому щелкните здесь, чтобы получить их символы.

Электронные символы очень важны в принципиальной схеме.
При создании принципиальной схемы мы используем электронные символы вместо желаемых электронных компонентов. Мы не можем нарисовать физическую схему, поэтому вместо нее можно использовать электронные символы для построения диаграмм.За счет них также уменьшается размер принципиальной схемы.
Там вы можете легко нарисовать принципиальную схему; там вы можете найти любой тип электронных символов. Вы также можете добавить нужный символ в библиотеку. Найдите все электрические схемы в галерее шаблонов.
Студенты используют основную дисциплинарную идею использования доказательств для построения объяснения, поскольку они узнают, что движение заряда по цепи зависит от сопротивления и расположения компонентов цепи. Студенты также изучают основные дисциплинарные идеи и сквозные концепции энергии и передачи энергии в контексте энергии от батареи. В одном связанном практическом упражнении учащиеся строят и исследуют характеристики последовательных цепей. В другом упражнении учащиеся проектируют и строят фонарики. Эта инженерная учебная программа соответствует научным стандартам следующего поколения (NGSS).
Интерпретация принципиальных схем является важным навыком для инженеров-электриков и многих других специалистов.После создания эти электрические цепи используются для освещения наших домов, питания компьютеров, автомобилей и почти всех современных устройств, использующих электричество.
Проведите наблюдения, чтобы доказать, что энергия может передаваться с места на место с помощью звука, света, тепла и электрического тока.(4 класс)
, измерения, наблюдения, закономерности) для построения объяснения.
(Оценки
3 –
5) Подробнее
(Оценка
4) Подробнее
(Оценка
4) Подробнее
На сегодняшнем уроке мы узнаем, что такое «последовательно» и «параллельно».


Типичное электрическое устройство состоит из множества небольших последовательных и параллельных частей. Как правило, только очень простые схемы могут быть полностью соединены последовательно. Рис. 3. Два последовательно соединенных резистора (слева) и два резистора, соединенных параллельно (справа). Авторские права
Это означает, что V + V T = 0. Общее падение напряжения в цепи равно: I*R T = V T , где R T — полное сопротивление в цепи. Мы рассмотрим, как найти общее сопротивление, R T , в этом уроке для последовательных цепей и в следующем уроке и упражнениях в этом разделе для цепей с параллельными элементами.
Батареи, фотогальванические элементы и некоторые генераторы обеспечивают постоянный ток. Например, в фонарике с батарейным питанием электроны покидают отрицательную клемму батареи и движутся по цепи фонарика к положительной клемме. Предложите учащимся собрать свой собственный фонарик с помощью задания «Освети свой путь: придумай-собери серийный фонарик».Многие бытовые портативные устройства работают на постоянном токе. Предложите учащимся применить свои знания о таких устройствах для разработки и создания собственной игрушки в упражнении «Собери игрушку».
Направление тока меняется, потому что на электростанции меняется направление напряжения. В США мы используем ток, который меняет направление 60 раз в секунду, называемый током с частотой 60 герц.
)
Подсчитайте голоса и запишите итоги на доске. Дайте правильный ответ.
)
)
Дополнительную информацию о трансформерах см. в разделе «Дополнительные занятия к уроку».
Трансформаторы могут быть подключены к компьютерам, принтерам, сканерам, динамикам, автоответчикам, беспроводным телефонам, зарядным устройствам для мобильных телефонов, электрическим отверткам, электродрелям, радионяням, модемам и видеокамерам.Трансформеров не всегда легко узнать; Очевидные трансформаторы выглядят как большие коробки (обычно того же цвета, что и шнур), прикрепленные к концу шнура в том месте, где вы подключаете устройство к электрической розетке.
В году 8760 часов, поэтому 8760 часов/40 часов = 21,90 доллара в год.
MSNBC – Как энергосистема питает континент . 23 января 2001 г. Новости MSNBC. http://www.msnbc.msn.com/id/3077316/ns/technology_and_science-science/t/how-grid-powers-continent/#.T4M6w_WfzTo По состоянию на 7 апреля 2004 г.
0338326). Однако это содержание не обязательно отражает политику Министерства образования или Национального научного фонда, и вы не должны исходить из того, что оно одобрено федеральным правительством.
студенты физики
Определения и что такое электрический ток и электрическая цепь? 
d. ‘
после этого.



d. 3,0 В.
Электроны действительно текут в
противоположное направление!
Это плавится и разрывает цепь, если ток превышает безопасный предел.

серии в простой одинарной петле.

Вы видите, почему?
14. Схемы 13/14:
Принципиальная схема 17: Лампы будут светиться очень тускло, 4 лампы соответствуют высокому уровню.
общее сопротивление.
Принципиальная схема 19: Эта простая петлевая цепь включает в себя переменный резистор ().



Полезность электричества, безопасность, передача энергии, расчет стоимости и мощности, P = IV = I 2 R,
E = Pt, E=IVt
Статическое электричество и электрические поля, использование
и опасности статического электричества gcse
примечания к пересмотру физики
Он будет состоять из электрических соединений, источников питания, выключателей, соединений проводов и т. д.
Больший терминал (слева) положительный (+).Он представлен набором длинных и коротких параллельных линий.

Чаще всего это наблюдается в таких устройствах, как радиоприемники и радарные системы.