Якутскэнерго – Подключение к электросетям
Технологическое присоединение – комплексная услуга, оказываемая сетевыми организациями юридическим и физическим лицам в целях создания возможности для потребления (выдачи) электрической мощности и предусматривающая фактическое присоединение энергетических установок (энергопринимающих устройств) заявителей к объектам сетевого хозяйства. Технологическое присоединение необходимо юридическим и физическим лицам, желающим получить возможность электроснабжения вновь построенных объектов. К ним относятся все сооружения, не обеспеченные электроэнергией. Услуга по технологическому присоединению также оказывается потребителям, нуждающимся в увеличении потребляемой мощности на объектах, уже подключенных к электрической сети, а также в случае необходимости изменения категории надежности электроснабжения.
Технологическое присоединение энергопринимающих устройств осуществляется с применением
временной или
постоянной схемы электроснабжения.
Под временной схемой электроснабжения понимается такая схема электроснабжения энергопринимающих устройств потребителя электрической энергии, осуществившего технологическое присоединение энергопринимающих устройств, которая применяется в результате исполнения договора об осуществлении временного технологического присоединения, заключаемого на период осуществления мероприятий по технологическому присоединению энергопринимающих устройств с применением постоянной схемы электроснабжения, либо в результате исполнения договора об осуществлении временного технологического присоединения передвижных энергопринимающих устройств с максимальной мощностью до 150 кВт включительно. Под постоянной схемой электроснабжения понимается схема электроснабжения энергопринимающих устройств потребителя электрической энергии, осуществившего технологическое присоединение энергопринимающих устройств, которая применяется в результате исполнения договора.
ВАЖНО! Подать заявку с помощью Личного кабинета возможно для следующих категорий заявителей:
- физические лица, осуществляющие постоянное присоединение энергопринимающих устройств с максимальной мощностью до 15 кВт включительно к электрическим сетям классом напряжения до 20 кВ включительно;
- юридические лица или индивидуальные предприниматели, осуществляющие постоянное присоединение энергопринимающих устройств с максимальной мощностью до 150 кВт включительно к электрическим сетям классом напряжения до 20 кВ включительно;
- заявители, осуществляющие временное технологическое присоединение к электрическим сетям классом напряжения до 20 кВ включительно.
Заявителям, не входящим в данные категории, необходимо обратиться непосредственно в подразделение ПАО «Якутскэнерго».
ПАО «Якутскэнерго» просит Вас проявлять осмотрительность и не пользоваться услугами третьих лиц, предлагающих за плату и в короткие сроки оказать услуги по технологическому присоединению к электрическим сетям (посодействовать решению вопросов и пр.)
Умный дом или игрушка для мужчин: контроль электричества / Хабр
Вслед за
статёйо контроле температуры, хочется еще немного рассказать о контроле электричества. Конечно, его интереснее контролировать, когда у Вас 3 фазы.
Тут много уже есть статей про измерение качества электричества. Обычно предлагаются дискретные измерения с помощью клещей, например. Не видел графиков, на которых отображаются важные характеристики электричества во времени: напряжение на фазе, нагрузка на фазу, напряжение на нуле и на защитном заземлении, потребление по приборам и др.
Автор статьи не является электриком и не претендует на профессиональную подачу информации. Хотя с ПУЭ и оборудованием заземляющего контура пришлось плотно ознакомиться.
В моем случае (так уж вышло), сделана не совсем правильная схема TN-C-S, я разбил PEN на PE и N уже после счетчика (он на опоре). Но, несмотря на это, все же очень интересно, куда и как ходит электричество по 3-м фазам и 5 проводам. Эту систему можно даже использовать как учебное пособие для начинающих, наблюдая за поведением нуля при загрузке разных фаз. В частности, интересно, что в нулевом проводе всегда есть напряжение (относительно земли). Думаю, в садоводстве, а также в квартирах, полного нуля на рабочем нулевом проводнике вообще не может быть. Соответственно, с нуля в контур заземления практически всегда уходит часть электричества. Начинаешь понимать, что зануление в квартирах и на садовых участках опасно для жизни.
На первый взгляд довольно сложные графики изображены выше. На самом деле все просто. Сверху- 3 фазы, ноль и земля. Снизу – существенные электрические приборы. У меня 3 фазы, на входе стоит 3-хфазный рубильник на 32А и 3 отдельных автомата на 25А. По нагрузке на фазах видно, что запас есть еще вдвое.
Целей измерений много:
• Оптимизация нагрузки по фазам
• Контроль качества входного напряжения
• Защитное отключение приборов при выходе напряжений за пределы допустимых значений
• Предотвращение перегрузки по фазам
• Обработка аварийных ситуаций
• Учет и прогноз использования электроэнергии разными электроприборами
Когда я подвел 3 фазы к себе (до этого была 1 фаза), встал вопрос о равномерности нагрузок по фазам. Составил табличку в Excel, расписал все нагрузки, провел расчеты, расписал автоматы по фазам. Установил в щите защиту от перегрузок УЗМ-51М 3 штуки по фазам, переразвел автоматы в щите в доме и, наконец-то, подключил к щиту умный дом.
Но план есть план. Факт может сильно отличаться от того, что напланировано. Поэтому, конечно, интересно посмотреть, как же по факту ведут себя фазы в момент больших нагрузок. Иногда просто достаточно быстрого взгляда, были ли выходы за 250V сверху и за 190V вниз. В любом случае становится понятно, что достичь полной симметрии напряжений даже на отдельно взятом садовом участке невозможно. Следовательно, к ненулевому рабочему нулю на входе добавляется (геометрически) свой ненулевой нуль. Иногда, геометрическое сложение напряжений в нуле и может привести к почти нулю, но это будет случайностью.
В случаях, когда напряжение на фазе падает и держится ниже, скажем 180V, я отключаю осушители и второстепенный холодильник, т.
У меня стоят автоматы защиты по фазам (УЗМ), но нет смысла отключать всю фазу в случае выхода напряжения за нижние пределы, скажем, 180V. Лампы освещения, приборы за стабилизаторами вполне в состоянии работать при таких напряжениях. УЗМ у меня отключает фазу при 160V (на нем можно вручную задать допустимые границы напряжений). Когда напряжение на фазу достигнет нормальных значений, УЗМ автоматически включится через заданный мною промежуток времени.
Когда у меня была 1 фаза и входящий автомат был на 25А, очень важно было не допустить длительной перегрузки, чтобы входной автомат не отключился. Так мне удавалось прогревать поэтапно дом к выходным. Например, бойлер и первый этаж прогревались в ночь со среды на четверг до 15 градусов, с четверга на пятницу прогревался второй этаж до 15°C, в пятницу шел догрев дома до 20°C. В пятницу вечером мы приезжали уже в теплый дом.
Этим летом я провел себе 3 фазы. Получилось 3*25А. Но все равно возможны случаи, когда суммарная нагрузка на фазу может быть выше 25А. Например, включу бойлер на 1,5кВт (сейчас он на 0,6кВт) и забуду про это, детки включат случайно обогреватель на 1,5 кВт, да еще и жена на кухне начнёт готовить, включит электрогриль 2,5 кВт на часик и начнет пылесосить. И это все случайно окажется на одной фазе. Мой умный дом сразу отключит бойлер и обогреватель. Так что даже в этом случае полезно иметь контроль нагрузки на фазы.
Возможны разные нештатные ситуации. Например, дети, балуясь, отключат обогреватель. Умный дом сообщит мне об это письменно. Или наоборот, включат его на полную. Дом отключит обогреватель и сообщит об этом мне.
Часто встречаются случаи, что обогревающий водопроводную трубу кабель выходит из строя и перестает греть. Как узнать об этом вовремя, пока не порвало трубу? Умный дом на страже.
Бывают ситуации, когда дренажный насос заглотит воздушную пробку и будет сутками пытаться выкачивать воду. Умный дом отключит в этом случае насос уже через заданное время, минут через 5.
Ну и, конечно, отключит компрессорные установки при пониженном напряжении, например, если оно будет ниже 180V, сообщив об это хозяину.
Многолетние наблюдения за энергопотреблением позволяют понимать, из чего складывается сумма расходов на электричество и оптимизировать эти затраты. Прогноз расходов позволяет вовремя оплачивать электроэнергию. У нас в садоводстве принято оплачивать заранее. Я, например, оплачиваю сразу за несколько месяцев вперед, чтобы потом зимой не искать бухгалтера.
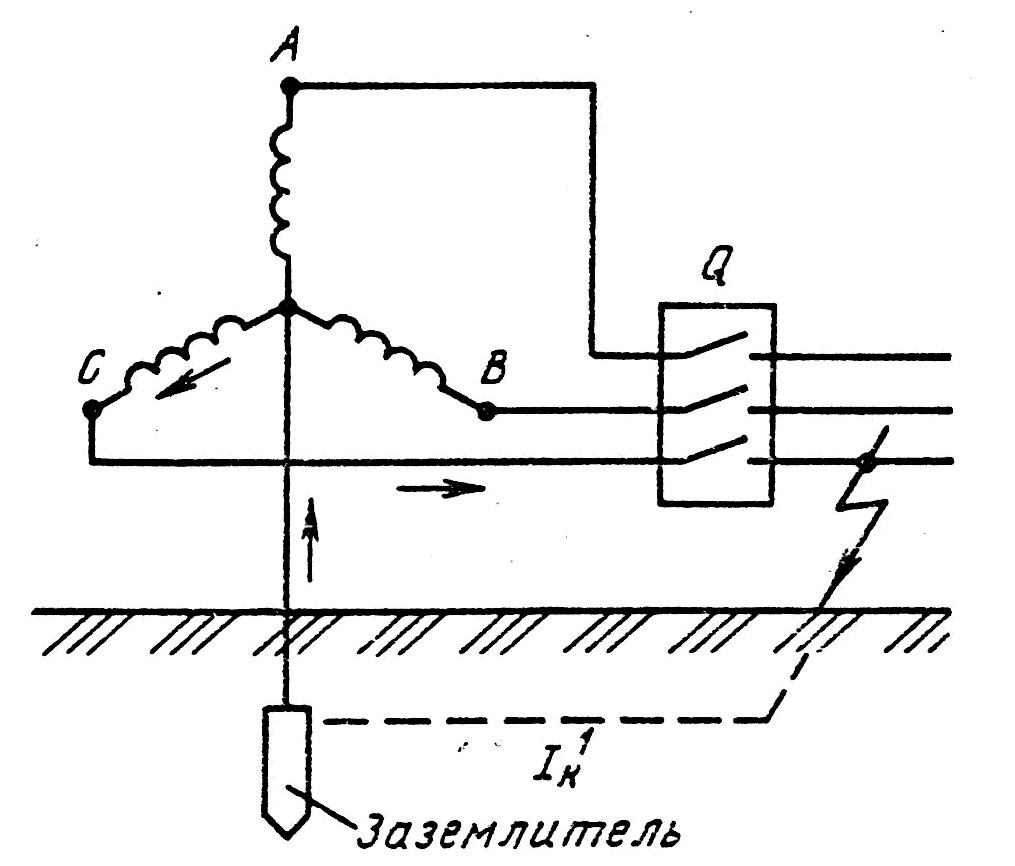
На картинке показано очень удачное для анализа время, когда наше садоводство посадили на «падший» фидер. Несколько раз на фазе C напряжение падало аж до 160V, что приводило не только к отключению некоторых ИБП, перед которыми не было стабилизатора, а и к отключению УЗМ-51М, т.е. в доме отключалась вся фаза.
Сделано это для защиты электрооборудования, в частности, холодильников. Известно, что при таких напряжениях возможно возгорание обмотки компрессора. При этом, разница между минимальным и максимальным напряжениями нередко превышала 20%. Потом нас посадили обратно на нормальный фидер.
Рабочий нуль заземлен. На картинке показан ток на контуре заземления. Из нее видно, что есть ток между рабочим нулем и контуром заземления. И этот ток немаленький. Тут я как непрофессиональный электрик делаю 2 вывода. Первый — защитное заземление работает. И второй — там проходит довольно большой ток. Думаю, что здесь найдется много профессиональных электриков, которые все это прокомментируют. Возможно, что-то надо поменять. Но, если бы не было этих измерений в течение длительного времени, я бы мог и не узнать об этом. Может это и не проблема. Сразу хочу сказать, что системы уравнивания потенциалов у меня пока нет. Из железных предметов только плита газовая, печка и коллекторы в системе водоснабжения.
Так как я далеко не электрик, меня порадовала возможность поиграть с нулем. Посмотреть, что будет с нулем, если нагрузить одну фазу, а если две? Оказывается, ноль бежит за этими фазами. В общем и целом, это понятно. Интересно попробовать загрузить симметрично все 3 фазы. Совсем симметрично не получится, но видно, что в этом случае нуль идет к нулю.
«Коэффициент мощности равен отношению потребляемой электроприёмником активной мощности к полной мощности. Активная мощность расходуется на совершение работы». И на картинке мы видим, что масляные обогреватели и тепловентиляторы имеют коэффициент мощности практически равный 1. Инфракрасный обогреватель уже около 0,91. А вот термопот в режиме ожидания – 0,45. Компьютеры и телевизоры будут иметь от 0,5 до 0,7. Для специалистов – это обычное дело. Для простых смертных – интересный факт.
На графике показан общий расход значимых потребителей за сутки. В субботу в 0:00 включился предварительный нагрев дома, бойлера и термопота.
Мы приехали в субботу в полдень. В 7 утра остановилась подготовка дома к нашему приезду, т.к. закончился льготный ночной режим. Дом почти вышел на заданный температурный режим. Бойлер прогрелся уже к 5 утра, термопот – к часу ночи. Пока не очень холодно на улице, дом не греется днем дальше, пока нас нету. За сутки было израсходовано чуть больше 30 кВт/часов.
Раньше, пока не было умного дома, уезжая с дачи, каждый раз мучился мыслью, что что-то забыл выключить. И, надо сказать, бывало, что и правда, на неделю оставались включенные ненужные электроприборы. Умный дом позволяет найти даже такие несущественные нагрузки, как оставленное освещение. Уж тем более обогреватель. После внедрения умного дома, уезжаю совершенно спокойно. Даже если и осталось что-то включенное (по ошибке настройки), то уж удаленно-то без проблем все сделаю, перенастрою, отключу. Надо сказать, сильно спокойнее жить стало.
Наглядная статистика расхода электроэнергии за предыдущий месяц, на текущий момент и прогноз на текущий месяц в рублях и в Вт. Единственный минус этого умного дома – в нем нет понятия ночного тарифа. Т.е., если в сентябре на электричество было потрачено 621р, то надо вычесть оттуда примерно треть, т.к. основной расход был ночью по половинной ставке.
1. Интересная игрушка, позволяющая заинтересоваться электричеством и немного разобраться в нем;
2. Полезная вещь, позволяющая предотвращать аварийные и нештатные ситуации;
3. Имея учет, появляется возможность серьезно оптимизировать затраты на электричество;
4. Если умный дом уже есть (он занимается обогревом), то можно за почти просто так получить учет, анализ и контроль расхода электричества.
Напоследок хочется разместить загадку:
Вопрос: что произошло, почему отключилось электричество? В 9:23 был отключен контроллер, в 9:35 включен. Сразу скажу, что сам точного ответа не знаю, т.к. в этот момент там меня не было. Есть только предположения.
Трехфазные электросчетчики | Счетчики электроэнергии трехфазные 400В
Трёхфазные счётчики электрической энергии
Для учета потребленной электрической энергии в трехфазных сетях переменного тока, могут применяться приборы учета различных исполнений, принципов действия и функционала метрологической части.
Трёхфазные приборы учета массово выпускаются двух типов:
– электромеханические счетчики; Выпускаются в вариантах учета потребления в 3 проводных и 4 проводных сетях переменного тока. Включение в сеть прямого типа или через трансформатор тока, или трансформаторы тока и напряжения. Оснащены импульсным выходом, ряд моделей учета потребления активной и реактивной мощностей могут быть оснащены оптическим портом или RS-485 интерфейсом связи.
– электронные, или цифровые счетчики электроэнергии.
Цифровые трехфазные счетчики электрической энергии производятся в следующих исполнениях:
– прибор учета активной мощности прямого или трансформаторного включения;
– прибор учета реактивной и активной мощностей прямого или трансформаторного включения;
– прибор двунаправленного учета реактивной мощности, в исполнениях прямого или трансформаторного включения;
– многотарифный прибор учета прямого или трансформаторного включения;
– многотарифный прибор расширенного функционала.
В бытовом секторе применяются счетчики активной мощности, так как за реактивную мощность, вбрасываемую оборудованием в сеть, платит только коммерческий потребитель.
Могут применяться как приборы электромеханического типа так и цифровые приборы в случае необходимости подключения потребителя в систему автоматизированного сбора и коммерческого учета электроэнергии или сокращенно АСКУЭ. Для оптимизации затрат на электроэнергию бытовой потребитель может установить многотарифный прибор, и спланировать максимальное потребление электрической энергии на период действия наиболее дешевого тарифа.
Приборы расширенного функционала помимо тарифного учета, ведение журнала срезов потребленной электроэнергии согласно предварительно заданным временным интервалам срезов, возможности подключения в систему АСКУЭ по различным интерфейсам связи, управлением реле отключения потребителя, индикации неправильного включения, и попыток хищения, дают возможность доступа к следующим функциям:
– контроль частоты, напряжения сети, Cos фи;
– возможность использовать трансформаторы с разным коэффициентом трансформации;
– контроль качества сети на присутствие гармоник;
– возможность гибкой настройки прибора согласно требованиям энергокомпании и специфики конкретной точки учета.
Рынок трёхфазных приборов учета позволяет бытовому или коммерческому потребителю выбрать, согласно своих финансовых возможностей и технических потребностей, наиболее оптимальный прибор учета. Прибор может быть использован для коммерческого учета при условии наличия модели в государственном реестре, и соответствию требованиям энергокомпании с которой заключен договор на поставку электроэнергии.
Трехфазная схема распределительного щита – 5 разных вариантов
Сегодня очень часто частные дома стали подключать к трехфазной электросети. Также в некоторых новых многоэтажках в квартиры начали заводить три фазы вместо одной как раньше. Как правило, при данном подключении местные сетевые компании выделяют на дом или на квартиру мощность 15кВт. Это означает, что номинал вводного автоматического выключателя должен быть 25А. Для небольших офисов, кафе и т.д. выделяют большую мощность. Поэтому в их щитах номиналы вводных автоматов будут совершенно другими.
Подключение к 3-х фазной электросети обуславливает установку трехфазных электрощитов.
Ниже разберем пять разных вариантов простых трехфазных схем для распределительного щита.
Все схемы простые и носят рекомендательный характер. Они наглядно показывают суть самих подключений разных защитных устройств в одном щитке. К разработке схемы каждого щита нужно подходить индивидуально, так как у всех условия разные. Система заземления в представленных вариантах TN-S.
Вариант 1.
Здесь представлена самая простая трехфазная схема щита. На вводе обязательно должен стоять вводной автоматический выключатель. Он будет ограничивать потребляемый ток, каждого потребителя – дома или квартиры. Далее идет 3-х фазный прибор учета электроэнергии.
На самом деле места размещения счетчиков могут быть разные. Они могут устанавливаться на улице в щите учета для частных домов, в этажных щитах в многоквартирных домах или непосредственно в домашних щитах. Где ставить счетчики указываю в технических условиях на подключение местные сетевые компании или это строго определяется проектной документацией зданий.
Большинство бытовых потребителей подключаются к однофазной сети. Тут составляют исключения мощные варочные поверхности, проточные водонагреватели, электрокотлы и т.д. Такие потребители имеют возможность подключения к 3-х фазной сети.
После прибора учета электроэнергии необходимо всю однофазную нагрузку равномерно распределить по фазам. Для этого нужно сосчитать мощность приборов, количество однополюсных автоматических выключателей и постараться их разделить на три равные части.
В предложенном варианте трехфазной схемы щита для наглядного понимания на каждой фазе подключено по два. Рабочий ноль от счетчика подключается к общей нулевой шине, а нулевые защитные проводники подключаются к общей шине заземления. Фазы подключаются через групповые автоматы. Таким образом получается, что при отключении потребителя будет разрываться только один фазный проводник. Это стоит учитывать и следить, чтобы при подключении щита к сети на вводе не были перепутаны между собой фаза и ноль.
С такими ошибками мне пару раз приходилось сталкиваться. Получалось, что ноль коммутировался автоматами, а фаза сидела на нулевой шине. При отключении автомата в розетки все равно оставалось опасное напряжение, что могло привести к плачевным последствиям. Будьте внимательны и осторожнее.
Вариант 2.
Данный вариант схемы по своей сути аналогичен с предыдущем вариантом. Тут только нет прибора учета электроэнергии и изображен 3-х полюсный автоматический выключатель для 3-х фазной нагрузки. Также тут изменено чередование однополюсных автоматов. То есть автоматы, подключенные к фазе «А» – это первый, третий и т.д. устройства. Чередование происходит через каждые два полюса. Тут так это показано для возможности использования 3-х фазной гребенчатой шины. Зубчики ее шины от одной фазы как раз имеют такое чередование. С ее помощью очень удобно соединять между собой несколько защитных устройств. Она исключает изготовления множества перемычек между ними.
Вариант 3.
Этот вариант схемы трехфазного электрощита уже больше отвечает современным нормам электробезопасности. В нем после счетчика стоит общее УЗО. В текущем примере показано устройство защитного отключение с током утечки на 30мА. Данная схема щита полностью защищает человека от поражения электрическим током. Но есть некоторые минусы у использования всего одного УЗО 30мА на вводе:
1. При его срабатывании будут одновременно отключаться все потребители в доме. Если это произойдет в темное время суток и поиск места утечки займет много времени, то это будет не очень удобно.
2. Есть возможность появления ложного срабатывания УЗО из-за естественных токов утечки, которые присутствуют в бытовых приборах.
В данной схеме также устанавливается одна общая нулевая шина после УЗО и одна общая шина заземления. Здесь с подключением кабелей от розеток сложно запутаться.
Вариант 4.
Вот в данном варианте уже можно немного запутаться с подключением нулевых рабочих проводников, так как тут стоит несколько УЗО.
А мы знаем, что у каждого УЗО должна быть своя индивидуальная нулевая шина, иначе ничего работать не будет.
В текущей трехфазной схеме на вводе стоит уже противопожарное селективное УЗО на 300 мА. Оно будет защищать кабели от возгорания при замыкании фазы на землю. Для человека ток 300 мА уже опасен и поэтому для его защиты нужно ставить дополнительное УЗО на 10-30 мА.
Ниже на рисунке показано одно УЗО с током утечки 30мА только на первой фазе, к которому подключено два автоматических выключателя. У этого УЗО будет своя нулевая шина и поэтому нулевые рабочие проводники от других групп к его шине подключать нельзя. А шина заземления всегда и для всех потребителей будет одной общей.
В текущем варианте можно рассмотреть схему с установкой трех 2-х полюсных УЗО по одному на каждую фазу. Так все группы будут иметь защиту от утечек тока. Тогда здесь можно будет отказаться от общего вводного УЗО на 300мА, так как у вас и так все будет иметь защиту с уставкой 30мА.
Вариант 5.
В пятом варианте представлена схема трехфазного щита без вводного УЗО, но с использованием однофазных дифавтоматов на некоторые потребители. АВДТ ставится один на одну группу и поэтому их количество может быть равно количеству групп. Так все группы потребителей будут независимы друг от друга. То есть при возникновении утечки тока в одном приборе, отключится только дифавтомат, к которому он подключен. При использовании УЗО с 3-5 автоматами при срабатывании УЗО будет отключаться соответственно 3-5 групп. А это уже не очень удобно со стороны эксплуатации потребителей.
Вышеприведенные схемы имеют наглядный вид, чтобы донести саму суть подключений разных защитных устройств в одну общую схему электрощита. Также эти примеры очень элементарные и поэтому ваши схемы будут намного больше и сложнее.
Что такое фаза в электричестве? | Что такое однофазные и трехфазные соединения? | Однофазное питание
Что такое фаза в электричестве?
Обычно фазная мощность – это ток или напряжение между нейтральным кабелем, а также нейтральным кабелем.
Фаза означает распределение нагрузки, если используется один провод, на него будет дополнительная нагрузка, а если используются три провода, то нагрузка будет разделена между ними. Его можно назвать меньшей мощностью для однофазной и большей мощностью для трехфазной.
Если это однофазная система, она включает в себя два провода, а когда это трехфазная система, она состоит либо из трех (или) четырех проводов. Оба используют переменный ток для питания систем, таких как однофазные и трехфазные блоки. Потому что ток, протекающий с использованием переменного тока, всегда имеет направление переменного тока. Основное различие между этими двумя поставками – надежность распределения.
Также читайте: Что такое трехфазный генератор? | Как работают трехфазные генераторы переменного тока? | Однофазный генератор VS.Описание трехфазного генератора
Что такое однофазное и трехфазное подключение?
Большинство из нас знает, что в мире электричества токи по проводам переносят электричество, которое зажигает наши лампочки и приводит в действие наши приборы.
Тип тока, подаваемого из электрической сети, – переменный ток (или переменный ток). В однофазном питании одиночный переменный ток подается по одному проводу, тогда как в трехфазной системе по трем проводам подается переменный ток с фиксированным временным сдвигом между формами волны напряжения.
Однофазное питание в Индии – это питание 230 В через два провода (один называется фазой, а другой – нейтраль), а трехфазное питание – это питание 415 В через 4 провода, а в домашних условиях линия называется 230 В (по выбору) можно разделить на одну фазу и другую нейтраль) в отдельных точках.
Основные различия между ними заключаются в том, что трехфазное соединение выдерживает большие нагрузки, а однофазное – нет. Чтобы провести аналогии, которые помогут вам понять различия, возьмем пример с шоссе.Если шоссе представляет собой однополосное шоссе, то только несколько двухколесных транспортных средств могут ехать по нему параллельно, или, если мы попытаемся выжать, у нас могут быть две машины, идущие параллельно.
Но дальше этого дела не пойдут, тогда как при трехполосной трассе множество транспортных средств может ехать одновременно и параллельно. Количество транспортных средств, курсирующих по однофазной магистрали, также зависит от размера транспортных средств. Автомобиль и двухколесный транспорт легко могут двигаться параллельно по однополосной трассе, но грузовик, возможно, придется оставить в покое.
Аналогичным образом, однофазное соединение рассматривается как однополосное шоссе, а трехфазное – как многополосное шоссе. Существует предел нагрузки, с которой может справиться одна фаза, и это число обычно устанавливается на уровне 7,5 кВт (или 7500 Вт, или десять лошадиных сил) (но варьируется от штата к штату).
Итак, если сумма мощностей всех используемых вами устройств превышает 7,5 кВт, вам необходимо трехфазное подключение. А если у вас одновременно работают три 1,5-тонных кондиционера и один водонагреватель, вы можете получить 7.5 кВт. Или у вас есть машина с двигателем мощностью более 10 л.
с. Если нагрузка меньше 7,5 кВт, с ней легко справится однофазное подключение.
Также читайте: Что такое биогаз? | Генератор биогаза | Кто может использовать биогазовый генератор?
Однофазное питание:
Однофазное питание в электрическом поле – это подача переменного тока системой, в которой все напряжения питания изменяются одновременно. Эти типы разделения энергоснабжения используются, когда нагрузки (бытовые приборы) обычно включают тепло и электричество с помощью гигантских электродвигателей.
Когда однофазный источник питания подключен к двигателю переменного тока, он не создает вращающееся магнитное поле; вместо этого однофазные двигатели требуют для работы дополнительных цепей, но такие электродвигатели встречаются редко. Имеет номинальную мощность 10 кВт. В каждом цикле однофазное системное напряжение достигает удвоенного пикового значения; Прямая мощность не постоянна.
Однофазная нагрузка может приводиться в действие от трехфазных разделяющих трансформаторов двумя способами.
Один связан с соединением между двумя фазами, а другой – с соединением между фазой и нейтралью.Оба они дадут другое напряжение, чем данный источник питания.
Этот тип фазового питания обеспечивает выходное напряжение около 230 В. Этот источник питания используется для питания небольших бытовых приборов, таких как кондиционеры, вентиляторы, обогреватели и многие другие.
№1. Преимущества однофазного питания
- Преимущества выбора однофазного источника питания объясняются следующими причинами. Дизайн менее сложный.
- Конструктивная стоимость низкая
- Повышенная эффективность, обеспечивающая около 1000 Вт от источника переменного тока
- Он имеет мощность до 1000 Вт.
- Сотрудники в самых разных отраслях и сферах применения
№2. Применение однофазного питания
Применения однофазных источников питания включают следующее.
- Этот блок питания подходит как для дома, так и для бизнеса.

- Используется для обильного электроснабжения домов, а также непромышленных предприятий.
- Этого блока питания достаточно для питания двигателей мощностью до пяти лошадиных сил (л.с.).
Также читайте: Что такое генератор постоянного тока? | Строительство генератора постоянного тока | Принцип работы генератора постоянного тока | Части генератора постоянного тока
Трехфазное питание:
Трехфазные источники питания состоят из четырех проводов с тремя проводниками, ведущими к нейтрали.Три проводника удалены от фазы и пространства и имеют фазовый угол 120º друг от друга. Трехфазный источник питания используется как однофазный источник питания переменного тока.
Для работы с малой нагрузкой из системы питания трехфазным переменным током можно выбрать нейтральный или однофазный источник питания переменного тока. Это предложение является постоянным и не будет снижено до нулевого значения.
Мощность этих систем может быть охарактеризована в двух конфигурациях, а именно в соединении звездой (или) соединением треугольником.
Соединение по схеме «звезда» используется для связи на большие расстояния, поскольку в нем используется нейтральный кабель для тока ошибки.
№1. Преимущества трехфазного питания
Преимущества трехфазного питания перед однофазным обусловлены следующими причинами:
- Трехфазный блок питания требует меньше меди
- Показывает минимальный риск для сотрудников, работающих с этой системой.
- У него высокий КПД проводника.
- Рабочие, работающие в этой системе, также получают заработную плату.
- Он также может работать с широким диапазоном силовых нагрузок.
№2. Применение трехфазного питания
Применения трехфазного питания включают следующее.
- Этот тип источника питания используется в электрических сетях, вышках мобильной связи, центрах обработки данных, самолетах, кораблях, беспилотных системах, а также в других электронных устройствах мощностью более 1000 Вт.
- Это относится к промышленным, производственным и крупным предприятиям.

- Они также использовались в энергоемких центрах обработки данных и в центрах обработки данных с высокой плотностью размещения.
Также прочтите: Как работает генератор? | Как генераторы производят электричество? | Детали генератора
Ключевые различия между однофазными и трехфазными источниками питания:
Основные различия между 1-й фазой и 3-ей фазой заключаются в следующем.
| Характеристика | Однофазный | Трехфазный |
| Определение | Однофазные источники питания работают от одного провода | Трехфазные источники питания работают от трех проводов |
| Волновые циклы | Имеет только один определенный волновой цикл | Имеет три различных волновых цикла |
| Соединения цепей | Для подключения к цепи нужен только один провод | Для подключения этого силового каскада к цепи требуются три провода.![]() |
| Уровни выходного напряжения | Около 230 В. Обеспечивает уровень напряжения | Приблизительно 415 В. Обеспечивает уровень напряжения |
| Название фазы | Имя фазы отдельной фазы – разделенная фаза. | Эта стадия не имеет определенного названия |
| Возможности передачи власти | Имеет минимальную мощность для передачи электроэнергии | Эта очередь имеет максимальную мощность по передаче электроэнергии. |
| Сложность цепей | Однофазные источники питания можно собрать просто | Сложная конструкция |
| Возникновение отказов полномочий | Частые отключения электроэнергии | сбой питания не происходит |
| Убыток | Максимальный убыток за одну ступень | Потеря в трех фазах не менее |
| Эффективность | Его минимальный КПД | имеет максимальную эффективность |
| Затраты | Не дороже трехфазного блока питания | Немного дороже по сравнению с однофазным |
| Приложения | Используется для домашнего использования | Трехфазные источники питания используются в крупных отраслях промышленности для работы с большими нагрузками. |
Также читайте: Как работает парогенератор? | Что такое парогенератор? | Что такое паровой котел?
Как преобразовать однофазный в трехфазный?
Поскольку это наиболее важная концепция, которую необходимо знать, следующие пункты объясняют преобразование одного шага в три шага. Когда имеется компрессор значительного размера без трехфазного источника питания, подходящего для системы, встроенной в местную сеть, существует ряд способов решить эту проблему и обеспечить соответствующую мощность для компрессора.
Основное решение – преобразовать трехфазный двигатель в однофазный. Для этого преобразования существуют в основном три типа трехфазных преобразователей.
№1. Статический преобразователь
Когда трехфазный двигатель не запускается от 1-фазного питания, он может работать от 1-фазного ведущего устройства после запуска. Это делается с помощью опор конденсаторов. Но у этого метода не так много эффективности, да и времени тоже меньше.
№ 2. Поворотный преобразователь фазы
Он действует как объединение генератора и трехфазного двигателя.Он состоит из двигателя холостого типа, который вырабатывает мощность, когда он находится в движении, и благодаря этому вся установка может должным образом возбуждать трехфазную систему.
№ 3. Преобразователь частотно-регулируемого привода
Он работает с инверторами, вырабатывая переменный ток на любом уровне частоты и воспроизводя почти все условия внутри трехфазного двигателя. Таким образом, речь идет о различиях между однофазными и трехфазными источниками питания и сравнительной таблице.
В заключение, исходя из приведенной выше информации, мы можем сделать вывод, что при правильном подходе к проектированию частей источника питания дизайнеры могут дать полезные советы для максимальной эффективности и экономии средств вашего проекта.
Также читайте: Что такое генератор переменного тока? | Что такое генератор? | AC VS DC | На что обращать внимание при работе с генератором | Генератор VS Генератор
Вывод:
Обычно для подключения к жилому помещению не требуется трехфазного подключения, поскольку для большинства бытовых приборов такое подключение не требуется.
Но если в доме много тяжелой техники, то коммунальные службы могут посоветовать перейти на трехфазное подключение. Трехфазное подключение требует дополнительных затрат, поэтому его необходимо оценить, действительно ли оно необходимо.
Понравился пост? Поделитесь этим с вашими друзьями!
Предлагаемое чтение –
Простое объяснение питания и фаз
Есть два разных способа посмотреть на фазы. Во-первых, это когда напряжения не совпадают по фазе друг с другом, например, при трехфазном питании, а во-вторых, когда напряжение не в фазе относительно тока.
Если у вас есть два разных электрических генератора, даже если они работают на одной и той же частоте, например 60 Гц, если вы соедините их вместе, вам нужно убедиться, что они совпадают по фазе.Проще говоря, это просто означает, что напряжения должны вместе расти и вместе падать. Если они не синхронизированы, они будут сражаться друг с другом.
Иногда, если вы все делаете правильно, вы хотите, чтобы ваши напряжения не синхронизировались. В промышленных условиях, особенно с двигателями, вы можете получить так называемое «трехфазное» питание. Здесь у вас есть три провода, разнесенные друг от друга на 120 градусов. Пик второй синусоидальной волны наступает на 120 градусов позже первой, а вершина третьей синусоидальной волны наступает еще на 120 градусов после этого.Четвертый провод обычно служит ссылкой на землю, что делает его более эффективным, чем типичный однофазный или «однофазный» источник питания, где у вас есть только один провод с переменным напряжением и заземляющий провод.
Помимо эффективности, трехфазное питание лучше, чем однофазное, поскольку имеется постоянная выходная мощность. Имея только одну фазу, у вас может быть хорошая средняя мощность, но она постоянно меняется, и у вас бывают моменты, много раз в секунду, когда выходная мощность равна нулю. Если у вас есть трехфазное питание двигателей, они могут быть меньше и эффективнее, и их крутящий момент не будет пульсировать из-за постоянной потребляемой мощности. Эти три фазы также позволяют двигателям не требовать отдельных цепей стартера и дают им больший крутящий момент при запуске. Наконец, получить однофазное питание от трехфазного питания чрезвычайно просто – вы просто не подключаете два других входа.
Другой тип фазы, о котором вам нужно подумать, – это если напряжение и ток совпадают по фазе. При чисто резистивной нагрузке с увеличением напряжения одновременно увеличивается и ток. Но по причинам, которые мы объясним в следующем видео, индуктивная или емкостная нагрузка может привести к тому, что ваш ток будет * опережать * или * отставать * от напряжения.Таким образом, если у вас есть индуктивная нагрузка, такая как двигатель в вашем блендере или пылесосе, или даже емкостная нагрузка, которая менее распространена в жилых помещениях, ток и напряжение не будут синхронизированы.
Если вы помните, мощность равна напряжению, умноженному на ток, поэтому каждый раз, когда напряжение или ток равны 0, выходная мощность отсутствует.
Вы можете визуально увидеть, что чем дальше от синхронизации напряжение и ток, тем меньше мощности вы фактически получаете. По иронии судьбы или досадно, но для выработки этой силы требуется столько же работы, даже если вы не можете ее полностью использовать.Когда он в таком смещении по фазе, это называется реактивной мощностью и измеряется в реактивных вольт-амперных единицах или в барах. Инженеры любят использовать воображаемые числа и фазовые углы, чтобы описать это, и, хотя это может показаться пугающим, это всего лишь математические способы описания этой разницы в фазе. На самом деле это не так уж и плохо, если вы понимаете принцип происходящего.
Это страница ресурса Physclips. Это вспомогательная страница для
сайта главных цепей переменного тока.
Отдельные страницы посвящены RC-фильтрам, интеграторам.
и дифференциаторы, колебания LC и двигатели
и генераторы.Значения мощности и действующие значения
В последней строке мы использовали стандартное тригонометрическое тождество, которое cos (2A)
= 1-2 sin 2 A. Этот последний набор уравнений полезен, потому что они в точности те, которые обычно используется для резистора в электричестве постоянного тока.Однако следует помнить, что P – средняя мощность, а V = V м / √2 и I = I м / √2. Посмотрев на интеграл выше и разделив на R, мы увидим, что I равно к квадратному корню из среднего значения i 2 , поэтому I называется среднеквадратичное значение или RMS значение . Аналогично V = V м / √2 ~ 0,71 * В м – среднеквадратичное значение напряжения. Когда говорят о переменном токе, значения RMS используются настолько часто, что, если не иное
заявлено, вы можете предположить, что среднеквадратичные значения предназначены *.Например, нормальный
Внутренний переменный ток в Австралии составляет 240 Вольт переменного тока с частотой 50 Гц. * Исключение: производители и продавцы HiFi оборудования иногда используют пиковые значения, а не среднеквадратичные значения, из-за чего оборудование кажется более мощным чем это есть. Мощность в резисторе. В резисторе R пиковая мощность (достигается мгновенно
100 раз в секунду для переменного тока 50 Гц) составляет В м 2 / R = i м 2 * R.
Как обсуждалось выше, напряжение, ток и мощность проходят через ноль.
100 раз в секунду, поэтому средняя мощность меньше этой. Среднее
точно как показано выше: P = V м 2 / 2R = V 2 / R. Мощность в катушках индуктивности и конденсаторах. В идеальных катушках индуктивности и конденсаторах, синусоидальный ток создает напряжения, которые соответственно на 90 опережают и за фазой тока. Таким образом, если i = I m sin wt, напряжения на катушке индуктивности и конденсаторе равны V m cos wt. и -V m cos мас. соответственно. Теперь интеграл cos * sin по целому количество циклов равно нулю. Следовательно, идеальные катушки индуктивности и конденсаторы в среднем не забирают мощность из цепи. Трехфазный переменный ток
![]() |
💚 ЧТО ТАКОЕ ЭТАП В ЭЛЕКТРИЧЕСТВЕ?
Определение фазы в электричестве
В электрической фазе это выражение относительного смещения между волнами одинаковой частоты. Есть два разных взгляда на фазы. Во-первых, это когда напряжения не совпадают по фазе друг с другом, как при трехфазном питании, а во-вторых, когда напряжение не в фазе с током.
Если у вас есть два разных электрических генератора, даже если они работают на одной и той же частоте, например 60 Гц, если вы соединяете их вместе, вы должны убедиться, что они совпадают по фазе. Проще говоря, это просто означает, что напряжения должны увеличиваться и уменьшаться вместе. Если они не синхронизированы, они будут сражаться друг с другом. Иногда, если вы все делаете правильно, вы хотите, чтобы ваши напряжения не синхронизировались. В промышленных условиях, особенно с двигателями, вы можете получить так называемое «трехфазное» питание.
Здесь у вас есть три провода, напряжения которых разделены друг от друга на 120 градусов.
Пик второй синусоидальной волны наступает на 120 градусов позже первой, а вершина третьей синусоидальной волны наступает еще на 120 градусов после этого.Четвертый провод обычно служит ссылкой на землю, что делает его более эффективным, чем типичный однофазный или «однофазный» источник питания, где у вас есть только один провод с переменным напряжением и один провод для заземления. Помимо эффективности, трехфазное питание лучше, чем однофазное, поскольку имеется постоянная выходная мощность. Имея только одну фазу, у вас может быть хорошая средняя мощность, но она постоянно меняется и имеет моменты, много раз в секунду, когда выходная мощность равна нулю.
Если у вас есть трехфазное питание для двигателей, они могут быть меньше и более эффективными, и их крутящий момент не будет увеличиваться из-за постоянной потребляемой мощности.Эти три фазы также означают, что двигатели не требуют отдельных цепей пуска и дают им больший крутящий момент при запуске.
Наконец, получить однофазное питание от трехфазного чрезвычайно просто: просто не подключайте два других входа. Другой тип фазы, о которой вам следует подумать, – это то, совпадают ли напряжение и ток по фазе.
При чисто резистивной нагрузке при увеличении напряжения ток увеличивается в одно и то же время. Индуктивная или емкостная нагрузка может привести к тому, что ее ток будет * опережать * или * задерживаться * по сравнению с напряжением.Итак, если у вас есть индуктивная нагрузка, такая как двигатель на вашем блендере или пылесосе, или даже емкостная нагрузка, которая менее распространена в жилых помещениях, ток и напряжение не будут синхронизироваться. Ток задерживается, когда нагрузка индуктивна.
Если вы помните, мощность равна напряжению, умноженному на ток, поэтому каждый раз, когда напряжение или ток равны 0, мощность не излучается. Когда она таким образом не совпадает по фазе, это называется реактивной мощностью и измеряется в реактивных вольт-амперах или ВАр.
Инженеры любят использовать для описания этого мнимые числа и фазовые углы, и, хотя это может показаться пугающим, это всего лишь математические способы описания этой разности фаз.
Что такое однофазный?
Однофазная установка означает, что линия подключена к одной из фаз, а также к нейтрали. Электроэнергия, протекающая в ваше здание, представляет собой переменный ток, который непрерывно входит и выходит, меняя направление на противоположное 50 раз в секунду. В энергосистемах однофазное питание обычно используется для приборов, где требуется небольшая нагрузка.
Из вторичного распределения мы получаем один провод как фазу, а другой провод как нейтраль. Одна фаза и нейтраль используются вместе для обеспечения однофазного источника питания. Однофазный источник питания использует переменный ток (AC) для распределения по жилым домам. В однофазной сети напряжение изменяется синусоидально в зависимости от периода времени.
Поскольку напряжение однофазной сети соответствует максимальному значению в два раза, мгновенная мощность не является постоянной.
Для однофазной системы подается напряжение 240 В, что в достаточной степени удовлетворяет потребности домашних пользователей. Однофазная система не подходит для двигателей с высокими характеристиками. Стандартная частота однофазной системы составляет 50 Гц и варьируется от страны к стране.
Преимущества однофазной системы
- Однофазная система может применяться для небольших нагрузок.
- Сложность проектирования однофазной системы меньше.
- Стоимость эксплуатации меньше.
Недостатки однофазной системы
- Однофазный не может применяться при больших нагрузках.
- Однофазный, при подключении к электродвигателю, не может создавать вращающееся магнитное поле.
- Однофазные двигатели требуют дополнительного оборудования для запуска.
- Недостатки однофазной системы можно преодолеть в трехфазной системе питания.
Что такое трехфазная система?
Он управляет трехфазной системой на 415 В, которая подается в отрасли, где будут выполняться тяжелые двигатели.
В трехфазной системе волны распространяются с одной частотой, а волны тока попеременно меняются между нулевым и пиковым значениями.Отдельные фазы отделены друг от друга под углом 120 градусов.
Преимущества трехфазной системы
- Трехфазная система более экономична, чем однофазная система, поскольку для нее требуется меньше проводящего материала, чем для однофазной системы.
- Высокие промышленные нагрузки могут работать от трехфазной системы.
- Высокая надежность.
- Требуется меньше обслуживания.
Связанные темы Электричество в ALPHAPEDIA
Темы, связанные с проектами в ALPHAPEDIA
Другие интересные темы в АЛЬФАПЕДИИ
Resumen / Summary
Título / Название статьи
ЧТО ТАКОЕ ЭТАП В ЭЛЕКТРИЧЕСТВЕ?
Descripción / Description
Определение фазы в электричестве
Автор / Автор
Хуан Карлос Франко
Имя автора / издателя
АЛЬФАПЕДИЯ
Логотип/ Логотип издателя
Однофазные системы питания | Полифазные цепи переменного тока
Принципиальная схема однофазной системы питания мало показывает схему практического подключения силовой цепи.
Изображенная выше очень простая цепь переменного тока. Если бы рассеиваемая мощность нагрузочного резистора была значительной, мы могли бы назвать это «силовой цепью» или «системой питания», а не рассматривать ее как обычную цепь.
Различие между «силовой цепью» и «обычной цепью» может показаться произвольным, но с практической точки зрения это определенно не так.
Анализ практических цепей
Одной из таких проблем является размер и стоимость проводки, необходимой для подачи питания от источника переменного тока к нагрузке.Обычно мы не особо задумываемся об этом, если мы просто анализируем цепь ради изучения законов электричества.
Однако в реальном мире это может стать серьезной проблемой. Если мы дадим источнику в приведенной выше схеме значение напряжения, а также дадим значения рассеиваемой мощности для двух нагрузочных резисторов, мы сможем определить потребности в проводке для этой конкретной схемы:
С практической точки зрения, проводка для нагрузок 20 кВт при 120 В перем.
Тока довольно значительна (167 А).
83,33 ампера для каждого нагрузочного резистора на рисунке выше в сумме дает 166,66 ампера полного тока цепи. Это немалое количество тока, и для него потребуются медные провода сечением не менее 1/0 калибра.
Такая проволока имеет диаметр более 1/4 дюйма (6 мм) и вес более 300 фунтов на тысячу футов. Учтите, что медь тоже не из дешевых! В наших интересах найти способы минимизировать такие затраты, если мы проектируем энергосистему с проводами большой длины.
Один из способов сделать это – увеличить напряжение источника питания и использовать нагрузки, рассчитанные на рассеивание 10 кВт каждая при этом более высоком напряжении.
Нагрузки, конечно, должны иметь большее сопротивление, чтобы рассеивать ту же мощность, что и раньше (по 10 кВт каждая) при более высоком напряжении, чем раньше.
Преимущество будет заключаться в меньшем потреблении тока, что позволит использовать меньший, более легкий и дешевый провод:
Те же нагрузки 10 кВт при 240 В переменного тока требуют менее прочной проводки, чем при 120 В переменного тока (83 А).
Теперь у наших общий ток цепи составляет 83,33 ампера, что вдвое меньше, чем было раньше.
Теперь мы можем использовать проволоку калибра 4, которая весит меньше половины того, что проволока калибра 1/0 на единицу длины. Это значительное снижение стоимости системы без снижения производительности.
Вот почему разработчики систем распределения электроэнергии предпочитают передавать электроэнергию с использованием очень высоких напряжений (многие тысячи вольт): чтобы извлечь выгоду из экономии за счет использования меньшего, более легкого и более дешевого провода.
Опасности повышения напряжения источника
Однако это решение не лишено недостатков. Еще одна практическая проблема, связанная с силовыми цепями, – это опасность поражения электрическим током от высокого напряжения.
Опять же, обычно это не то, на чем мы концентрируемся при изучении законов электричества, но это очень серьезная проблема в реальном мире, особенно когда имеют дело с большими объемами энергии.
Повышение эффективности, достигаемое за счет увеличения напряжения в цепи, представляет повышенную опасность поражения электрическим током.Электрораспределительные компании решают эту проблему, протягивая свои линии электропередач вдоль высоких опор или башен и изолируя линии от несущих конструкций с помощью больших фарфоровых изоляторов.
В точке использования (потребителя электроэнергии) все еще остается вопрос, какое напряжение использовать для питания нагрузок.
Высокое напряжение повышает эффективность системы за счет уменьшения тока в проводнике, но не всегда целесообразно держать силовую проводку вне досягаемости в точке использования, как это может быть поднят в распределительных системах.
Этим компромиссом между эффективностью и опасностью европейские проектировщики энергосистем решили рискнуть, поскольку все их домашние хозяйства и бытовая техника работают при номинальном напряжении 240 вольт вместо 120 вольт, как в Северной Америке.
Вот почему туристы из Америки, посещающие Европу, должны носить с собой небольшие понижающие трансформаторы для своих портативных приборов, чтобы понижать мощность 240 В переменного тока (вольт переменного тока) до более подходящих 120 В переменного тока.
Решения для подачи напряжения потребителям
Понижающие трансформаторы в конечной точке энергопотребления
Есть ли способ одновременно реализовать преимущества повышения эффективности и снижения опасности для безопасности?
Одним из решений может быть установка понижающих трансформаторов в конечной точке энергопотребления, как это должен делать американский турист, находясь в Европе.
Однако это было бы дорого и неудобно для любых нагрузок, кроме очень малых (где трансформаторы можно построить дешево) или очень больших нагрузок (где стоимость толстых медных проводов превысила бы стоимость трансформатора).
Две низковольтные нагрузки в серии
Альтернативным решением может быть использование источника более высокого напряжения для подачи питания на две последовательно соединенные нагрузки с более низким напряжением. Этот подход сочетает в себе эффективность высоковольтной системы с безопасностью низковольтной системы:
Серия подключила нагрузки 120 В перем.
Тока, питаемые от источника 240 В перем. Тока при 83.3 Общий ток.
Обратите внимание на обозначения полярности (+ и -) для каждого показанного напряжения, а также на однонаправленные стрелки для тока.
По большей части я избегал обозначать «полярности» в цепях переменного тока, которые мы анализировали, даже несмотря на то, что обозначения действительны для обеспечения системы отсчета для фазы.
В следующих разделах этой главы фазовые отношения станут очень важными, поэтому я введу эти обозначения в начале главы для вашего ознакомления.
Ток через каждую нагрузку такой же, как и в простой 120-вольтовой цепи, но токи не складываются, потому что нагрузки включены последовательно, а не параллельно.
Напряжение на каждой нагрузке составляет всего 120 вольт, а не 240, поэтому запас прочности выше. Имейте в виду, у нас все еще есть полные 240 вольт на проводах системы питания, но каждая нагрузка работает при пониженном напряжении.
Если кого-то и ждет шок, велика вероятность, что это произойдет из-за контакта с проводниками конкретной нагрузки, а не из-за контакта с основными проводами энергосистемы.
Модификации конструкции с двумя сериями нагрузок
У этой конструкции есть только один недостаток: последствия отказа одной нагрузки разомкнутой или выключенной (при условии, что каждая нагрузка имеет последовательный переключатель включения / выключения для прерывания тока) плохие.
Поскольку цепь является последовательной, в случае размыкания одной из нагрузок ток останавливался бы и в другой нагрузке. По этой причине нам необходимо немного изменить дизайн: (рисунок ниже)
Добавление нейтрального проводника позволяет управлять нагрузками индивидуально.
Двухфазная система питания
Вместо одного источника питания на 240 вольт мы используем два источника питания на 120 вольт (в фазе друг с другом!) Последовательно для получения 240 вольт, затем подводим третий провод к точке соединения между нагрузками, чтобы справиться с возможностью одного загрузочное отверстие.
Это называется энергосистемой с разделением фаз и . Три провода меньшего размера по-прежнему дешевле, чем два провода, необходимые для простой параллельной конструкции, поэтому мы все еще впереди по эффективности.
Проницательный наблюдатель заметит, что нейтральный провод должен передавать только разности тока между двумя нагрузками обратно к источнику.
В приведенном выше случае при идеально «сбалансированных» нагрузках, потребляющих одинаковое количество энергии, нейтральный провод пропускает нулевой ток.
Обратите внимание на то, как нейтральный провод подключен к заземлению со стороны источника питания. Это обычная особенность энергосистем, содержащих «нейтральный» провод, поскольку заземление нейтрального провода обеспечивает минимально возможное напряжение в любой момент времени между любым «горячим» проводом и заземлением.
Важным компонентом системы с расщепленной фазой является двойной источник переменного напряжения. К счастью, спроектировать и построить его нетрудно.
Поскольку большинство систем переменного тока в любом случае получают питание от понижающего трансформатора (понижая напряжение с высоких уровней распределения до напряжения пользовательского уровня, такого как 120 или 240), этот трансформатор может быть построен с вторичной обмоткой с центральным отводом:
Американский источник питания 120/240 В перем. Тока поступает от сетевого трансформатора с центральным ответвлением.
Если переменный ток поступает непосредственно от генератора (генератора переменного тока), катушки могут быть аналогичным образом с центральным отводом для того же эффекта. Дополнительные расходы на подключение центрального ответвления в обмотке трансформатора или генератора минимальны.
Вот где действительно важны обозначения полярности (+) и (-). Это обозначение часто используется для обозначения фазировки нескольких источников переменного напряжения , поэтому ясно, помогают ли они («повышают») друг друга или противостоят («компенсируют») друг друга.
Если бы не эта маркировка полярности, фазовые отношения между несколькими источниками переменного тока могли бы быть очень запутанными. Обратите внимание, что источники с разделенной фазой на схеме (каждый 120 вольт 0 °) с отметками полярности (+) – (-), как и батареи с последовательным подключением, в качестве альтернативы могут быть представлены как таковые: (Рисунок ниже)
Источник 120/240 В переменного тока с разделенной фазой эквивалентен двум последовательным источникам переменного тока 120 В переменного тока.
Чтобы математически рассчитать напряжение между «горячими» проводами, мы должны из вычесть напряжений, потому что их отметки полярности показывают, что они противоположны друг другу:
Если мы отметим общую точку подключения двух источников (нейтральный провод) одинаковым знаком полярности (-), мы должны выразить их относительные фазовые сдвиги как разнесенные на 180 °.
В противном случае мы бы обозначили два источника напряжения, прямо противоположных друг другу, что дало бы 0 вольт между двумя «горячими» проводниками.
Почему я трачу время на уточнение отметок полярности и фазовых углов? В следующем разделе будет больше смысла!
Системы электропитания в американских домах и легкой промышленности чаще всего бывают двухфазными, обеспечивая так называемое питание 120/240 В переменного тока. Термин «разделенная фаза» просто относится к источнику питания с разделением напряжения в такой системе.
В более общем смысле этот тип источника питания переменного тока называется однофазным , потому что оба сигнала напряжения синфазны или синхронизированы друг с другом.
Термин «однофазный» противопоставляется другому типу энергосистемы, называемому «многофазный», который мы собираемся изучить подробно. Приносим извинения за длинное введение, приведшее к заглавной теме этой главы.
Преимущества многофазных систем питания становятся более очевидными, если сначала хорошо разбираться в однофазных системах.
ОБЗОР:
- Однофазные системы питания определяются наличием источника переменного тока только с одной формой волны напряжения.
- Двухфазная система питания – это система с несколькими (синфазными) источниками переменного напряжения, подключенными последовательно, доставляющими мощность на нагрузки с более чем одним напряжением и более чем двумя проводами. Они используются в первую очередь для достижения баланса между эффективностью системы (низкие токи в проводниках) и безопасностью (низкие напряжения нагрузки).
- Источники переменного тока с разделенной фазой могут быть легко созданы путем отвода обмоток катушек трансформаторов или генераторов переменного тока по центру.
СВЯЗАННЫЕ РАБОЧИЕ ЛИСТЫ:
Three-Phase Power Equations
Большая часть энергии переменного тока сегодня вырабатывается и распределяется как трехфазная, где три синусоидальных напряжения генерируются в противофазе друг с другом.
При однофазном питании переменного тока существует только одно синусоидальное напряжение.
Реальная мощность
Линейное напряжение:
Вт приложено = 3 1/2 U ll I cos Φ
= 3 1/2 U ll I PF (1)
где
Вт приложено = активная мощность (Вт, Вт)
U ll = линейное напряжение (В, вольт)
I = ток (А, амперы)
PF = cos Φ = коэффициент мощности (0.7 – 0,95)
Линия-нейтраль:
Вт приложено = 3 U ln I cos Φ (2)
где
U ln = линейное напряжение = линейное напряжение (В, вольт)
Для чисто резистивной нагрузки: PF = cos Φ = 1
- резистивные нагрузки преобразует ток в другие формы энергии, такие как тепло
- индуктивные нагрузки используют магнитные поля, такие как двигатели , соленоиды и реле
Коэффициент мощности
Типичные коэффициенты мощности:
| Устройство | Коэффициент мощности | ||
|---|---|---|---|
| Лампа люминесцентная некомпенсированная | 0. 5 | ||
| Лампа с люминесцентной компенсацией | 0,93 | ||
| Лампа накаливания | 1 | ||
| Двигатель, индукционная нагрузка 100% | 0,85 | ||
| Нагрузка | Двигатель | индукция 0,7 | |
| Двигатель, индукционная нагрузка 0% | 0,17 | ||
| Двигатель, синхронный | 0,9 | ||
| Духовка, резистивный нагревательный элемент | 1 | ||
| Духовка, индукционная компенсация | 0.85 | ||
| Чистая резистивная нагрузка | 1 |
Пример – Чистая резистивная нагрузка
Для чисто резистивной нагрузки и коэффициента мощности = 1 фактическая мощность при напряжении 400/230 (от линии к линии / линии к нейтрали) 20 ампер Цепь можно рассчитать как
Вт приложено = 3 1/2 (400 В) (20 A) 1
= 13856 W
= 13.
9 кВт
Общая мощность
Вт = 3 1/2 UI (2)
Тормозная мощность
Вт л.с. = 3 1/2 UI PF μ / 746 (3)
где
Вт л.с. = тормозная мощность (л.с.)
μ = КПД устройства
Разница между однофазной и трехфазной мощностью
Разница между однофазным и трехфазным питанием.Одно преимущество перед другим.
Две распространенные формы переменного тока – однофазный и трехфазный.
Фаза относится к схеме, при которой синусоидальное напряжение источника переменного тока смещается между положительным максимумом и отрицательным максимумом.
В электричестве это выражение относится к распределению нагрузки.
Ниже приведены различные системы, с помощью которых мощность распределяется между потребителями.
- Однофазное питание переменного тока по двухпроводной системе.
- Трехфазное питание переменного тока по трехпроводной системе.
- Питание трехфазной и нейтралью по 4-х проводной системе.
Общие отличия
- Однофазное питание состоит из двухпроводной силовой цепи переменного тока.
- В однофазной системе электропитания один провод питается от фазного провода, а другой провод является нейтральным, при этом ток течет между проводом питания (через нагрузку) и нейтральным проводом.
- Трехфазное питание – это трехпроводная цепь питания переменного тока, в которой каждый фазный сигнал переменного тока разнесен на 120 электрических градусов, как показано на рисунке выше. Каждая фаза трехфазного источника питания обозначена красным (R), желтым (Y), синим (B) или черным.
- Фаза обозначается буквой L в однофазном источнике питания.
- При измерении однофазного напряжения 220В измеряется между фазой и нейтралью.
- При измерении трехфазного напряжения 415 или 420 В измеряется между любыми двухфазными соединениями.

Напряжение питания
Стандартные напряжения, при которых органы снабжения поставляют мощность потребителю, следующие.
Однофазный – 240 В, 50 Гц, 2-проводный,
Трехфазный – 415 В, 50 Гц, 3-проводный.
- В 3-фазной или 4-проводной системе распределения электроэнергии питание подается от подстанции по 4 проводам. Три из этих проводов называются фазными, а один, как правило, имеет нулевое напряжение, называемый нейтральным проводом. Нейтральный провод заземлен на подстанции.
- Жилые дома обычно питаются от однофазного источника питания.
- В то время как коммерческие и промышленные предприятия обычно используют трехфазное питание.
- Однофазные источники питания обычно используются, когда типичными нагрузками являются освещение или обогрев, а не большие электродвигатели.
- Трехфазный источник питания лучше подходит для более высоких нагрузок.

Однофазные системы могут быть производными от трехфазных систем.
Однофазное и трехфазное питание
Важное различие между трехфазным питанием и однофазным питанием заключается в надежном постоянстве подачи питания.
- В однофазной системе питание подается по двум проводам. Один подает ток, а другой – полный возврат пути. С пиками и провалами напряжения в течение одного фазного цикла доставки.
- В однофазной системе пик мощности составляет 90 градусов и 270 градусов.Это означает, что в двух точках цикла подача мощности максимальна. В остальное время подача мощности оптимальна. Однофазный источник питания просто не обеспечивает такой же стабильности, как трехфазный источник питания.
- В трехфазной системе нагрузка распределяется между тремя проводами питания. Три провода питания расположены не в фазе друг с другом. Все три фазы питания вошли в цикл на 120 градусов.
- Три фазы пика мощности в разное время в течение полного цикла.
Подавая мощность таким образом, нет пиков и спадов.
- Распределение нагрузки между тремя проводами питание подается постоянно. Трехфазный источник питания может передавать в три раза больше мощности, чем однофазный источник питания.
- Трехфазное питание, трехфазные источники питания более эффективны по сравнению с однофазными системами питания.
Разница между трехфазной и однофазной конфигурациями
- В однофазных источниках питания есть нейтральный провод, напряжение измеряется относительно нейтрали, следовательно, оно составляет 220 В.
- В трехфазном режиме он измеряется по отношению к другой фазе, потому что только конфигурация звезды имеет нейтральный провод, а конфигурация треугольника не имеет нейтрального провода.
Однофазные и трехфазные системы распределения электроэнергии выполняют разные функции. Но эти два типа систем полностью отличаются друг от друга.
Преимущества однофазного перед трехфазным
- Однофазная система дешевле и менее сложна, чем трехфазная система питания.
- Однофазная система подходит для жилых помещений.
Преимущества трехфазного перед однофазным
- От трехфазной системы может передаваться большое количество энергии.
- Трехфазное питание может использоваться для питания мощного промышленного оборудования, такого как двигатели.
- На большие расстояния можно передавать гораздо большее количество энергии.
- Трехфазные обеспечивают гораздо больше энергии при меньших затратах.
Читать дальше:
Об авторе
Инженер по реализации проекта в Инженеры и консультанты Tree-Tech | + сообщения Проницательный профессионал с 25-летним стажем работы инженером по КИПиА начал карьеру в целлюлозно-бумажной промышленности. Со временем был переведен на электростанцию, установку целлюлозы, химические заводы (сульфид углерода, Clo2 и серную кислоту), нефть и газ (разведка и добыча).


Это страница ресурса Physclips. Это вспомогательная страница для
сайта главных цепей переменного тока.
Отдельные страницы посвящены RC-фильтрам, интеграторам.
и дифференциаторы, колебания LC и двигатели
и генераторы.
Теперь синусоидальный член усредняет
к нулю за любое количество полных циклов, поэтому интеграл прост и
мы получаем
Что делать, если вам нужно более равномерное электроснабжение? Можно хранить энергию
в конденсаторах, конечно, но в цепях большой мощности это потребует
большие, дорогие конденсаторы. Что делать?

5