Два простых высоковольтных генератора своими руками / Хабр
Привет, Хабр! Опыты с высоким напряжением, наверное, никогда не выйдут из моды. Есть в них какая-то особенная романтика, увлекающая не только старшеклассников. Сегодня рассмотрим пару простых схем: электрозажигалку на блокинг-генераторе и музыкальный трансформатор Теслы на основе качера Бровина. Давайте соберём и испытаем оба устройства.
Прежде чем приступать к рассмотрению этих двух любительских конструкций, необходимо вспомнить технику безопасности. Высокие напряжения опасны для жизни людей, животных, и особенно сложной цифровой техники, такой, как компьютеры и телефоны. И вообще любой техники, содержащей полевые транзисторы. Также высоковольтный разряд способен вызвать пожар, а радиаторы высоковольтных игрушек очень сильно нагреваются.
Будем считать, что технику безопасности мы учли, и можно продолжать дальше. Обычно у меня нет времени и желания травить печатные платы (а ещё сверлить в них отверстия, обогащая атмосферу жилища вредной стеклотекстолитовой пылью).
Само слово импульс, применительно к электрическому, предполагает наличие у этого импульса крутых фронтов. А значит, высоких частот в энергетическом спектре. А на высокочастотные токи сильно влияют паразитные индуктивности и ёмкости, даже совсем небольшие.
Потому импульсные схемы «не любят», когда их макетируют как попало. Они «предпочитают» печатную плату, избавляющую устройство от хаоса искажений и наводок.
К счастью, в местном киоске электротоваров продавались несколько наборов для сборки. Все они явно от китайских друзей с Алиэкспресс, но товаровед подошёл творчески и снабдил их забавными этикетками с фото любимых видеоблоггеров, распечатанных на чёрно-белом принтере.
▍ Как работает лазерный принтер
Кстати, лазерные принтеры и копировальные аппараты, они же «ксероксы», тоже работают благодаря высокому напряжению.
Именно оно притягивает тонер на незасвеченные участки селенового фотобарабана. А с засвеченных, лазером либо светом, отражённым от бумажного оригинала, электрический заряд, сообщённый поверхности фоточувствительного вала роликом предварительного заряда или коротроном, уходит на алюминиевый корпус фотобарабана.
Далее тонер, представляющий собой смесь пигмента, смолы и оксида железа (ржавчины), прилипает к заряженной от коротрона бумаге, и благодаря смоле, запекается на ней в печке. А оксид железа в тонере нужен затем, чтобы он притягивался к магнитному валу для равномерной дозированной подачи на фотобарабан.
Таинственный коротрон — это натянутая металлическая проволока, лезвие или пластина с зубцами, служащие для возникновения коронного разряда. И, соответственно, переноса нужного электрического заряда соответственно замыслу разработчиков прибора.
Так как при коронном разряде создаются электромагнитные помехи и выделяется озон, могущий оказывать разрушительное воздействие на различные материалы, организмы человека и животных, (как, впрочем, и на болезнетворные микроорганизмы и вирусы), в современной технике стараются применять меньше коротронов и больше роликов переноса заряда.
Итак, первый набор самый простой. Он состоит из печатной платы, готового трансформатора с ферритовым сердечником и секционированной вторичной высоковольтной обмоткой, одного транзистора с радиатором и винтиком, клавишного выключателя, одного резистора 120 Ом и одного диода UF4007. Также прилагаются нейлоновая стяжка для крепления трансформатора и «гребёнка» PLS-6, для которой отсутствует посадочное место. Зачем она нужна, мы увидим далее.
На плате медь и паяльная маска с одной стороны. Металлизация отверстий отсутствует, она для такой простой платы и не нужна. На другой стороне шелкография сообщает, что куда паять. Это особенно радует в свете отсутствия инструкции. Хотя она нашлась на Алиэкспресс, вместе со схемой и указанием напряжения питания — 3.7 вольта.
То есть, преобразователь предназначен для питания от одной литиевой ячейки. Если хотим питать от более высокого напряжения, но не выше 12 вольт, необходимо увеличить номинал единственного резистора, в диапазоне от 150 Ом до 1 килоома.
▍ Блокинг-генератор
Схемотехнически устройство представляет собой обычный блокинг-генератор с насыщающимся сердечником. Работает он следующим образом.
Биполярный транзистор структуры NPN включён по схеме с общим эмиттером. Его коллекторной нагрузкой является толстая, она же силовая обмотка. При подаче питания на базу через тонкую, управляющую обмотку, резистор и диод приходит напряжение прямого смещения эмиттерного перехода, вследствие чего появляется ток базы, и транзистор начинает открываться.
Постепенно увеличивается ток через силовую обмотку. Соответственно, растёт магнитный поток, и в управляющей обмотке появляется электродвижущая сила (ЭДС) взаимоиндукции, действующая в том же направлении, что и питающее напряжение. Она помогает транзистору открываться дальше.
Когда магнитопровод или транзистор входит в насыщение, рост тока в толстой обмотке прекращается, и далее ток начинает уменьшаться. ЭДС в управляющей обмотке меняет знак, противодействуя напряжению питания.
Транзистор закрывается. Далее всё повторяется снова.
Отметим, что диод UF4007 со сверхбыстрым временем восстановления запертого состояния. Обычный выпрямительный 1N4007 в такой высокочастотной схеме работать не будет.
▍ Сборка
Теперь, когда мы поняли, что перед нами за генератор, и на каком принципе основана его работа, поговорим о нюансах сборки данной конструкции.
Насчёт радиатора. Лично мой и моих любящих электронику друзей опыт однозначно говорит, что если китайцы положили в набор радиатор, значит, транзистор или микросхема будут нагреваться сильно или очень сильно.
Потому категорически рекомендую перед установкой транзистора на радиатор намазать его теплоотводящую поверхность тонким слоем термопасты.
Это не сильно затруднит сборку, зато добавит шансов избежать разочарований и хлопот, возникающих при тепловом пробое полупроводниковых приборов. (Сгоревший транзистор ещё и немного коптит, и очень неприятно воняет).
Установить транзистор неправильно не получится, потому что он устанавливается после крепления к радиатору. Надеюсь, вы не прикрутили его задом наперёд, то есть, медной подложкой к головке винта, а не к радиатору, как должно быть.
Сверхбыстрый диод устанавливается на плате согласно катодной полоске, отмеченной на шелкографии.
Выводы обмоток паяются так: справа правый толстый, слева левый тонкий, посередине — два остальных.
И наконец, от PLS гребёнки отламываем половину, вытягиваем тонкогубцами или пинцетом среднюю ножку, а крайние изгибаем так, чтобы расстояние между их кончиками было меньше, чем между точками пайки проводов от вторичной высоковольтной обмотки.
Это приспособление из PLS вилки будет нашим высоковольтным разрядником, и является расходным материалом, так как при работе нагревается и обгорает.
Добавлю, что лично в моём экземпляре конструктора длина кабельной стяжки оказалась недостаточной (либо я что-то не так делаю), и вместо неё пришлось взять другую из запасов.
▍ Испытания
Зато заработал преобразователь сразу, и прекрасно поджигает не только бумагу и целлюлозную салфетку, но и туристическое сухое горючее (гексаметилентетрамин, прессованный с парафином). Если поместить плату в корпус, получим хорошую зажигалку, не нуждающуюся в газе или бензине.
Как всё это происходило, можно посмотреть на видео.
А здесь резервное видео, на случай неполадок с Ютубом.
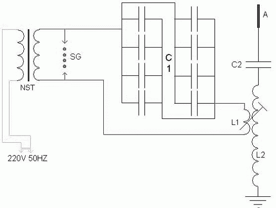
▍ Поющая Тесла
Второй высоковольтный преобразователь чуть посложнее, и представляет собой резонансный трансформатор без магнитопровода, он же трансформатор Теслы.
На биполярном транзисторе BD243 собран так называемый качер, или качатель реактивностей Владимира Ильича. Нет, не Ленина, а Бровина.
Имена и творческое наследие Николы Теслы и Владимира Бровина, как и романтика самодеятельных высоковольтных экспериментов, окутаны ореолом мистики. Им посвящены сотни дискуссий на сотни страниц, привлекающие адептов теорий заговора, искателей бестопливной генерации энергии, рептилоидов, красной ртути, древнего атмосферного электричества и прочих интересных тем, где наука, история, опыт перемежаются с научной фантастикой и волшебными сказками.
Попутно успешно рекламируются и продаются активаторы воды и иных субстанций, гармонизаторы пространства и приборы физиотерапевтического назначения, устройства для фотографирования биополя и прочие интересные вещи. В ход идут натуральный камень, красивые катушки индуктивности, газоразрядные лампы и трубки. В чём-то из всего этого есть рациональное зерно и реальная польза, в чём-то сомнительно, но всё это очень занятно.
О том, почему качатель реактивностей всё же работает, хотя необходимые для генерации вынужденных колебаний обратные связи на схеме не нарисованы, существует множество мнений. Лично мне по душе простое материалистическое объяснение на уровне школьного курса физики.
На самом деле, качер Бровина работает благодаря шумам транзистора. Собственным тепловым, квантовым, обусловленным воздействием ионизирующего излучения, — сгодятся любые. Благодаря этим шумам, транзистор начинает что-то генерировать. Это что-то (а именно, усиленный транзистором шум) возбуждает колебания в контуре, образованном индуктивностью и межвитковой ёмкостью катушки, а также паразитными ёмкостями.
А так как колебательный контур имеет резонансную частоту, то и колебания устанавливаются на этой частоте. Учитывая, что все качеры довольно мощные или очень мощные, устанавливается и паразитная обратная связь, как раз на этой частоте. Что очень похоже на классическую авторскую конструкцию Теслы с искровым возбуждением.
В помощь шумам транзистора китайские разработчики данного промышленного образца установили ещё и светодиод LED1. Не все знают, но светодиод в прямом включении также генерирует некоторый ощутимый уровень шумов.
А на полевом транзисторе с изолированным затвором, он же MOSFET, собран модулятор, позволяющей изменять мощность высоковольтного генератора в такт амплитуде звукового сигнала. Так как температура плазмы в искре очень высока, модуляция мощности приводит к колебаниям нагрева воздуха. Который, следовательно, расширяется и сужается, тем самым генерируя звуковые волны. Так работает музыкальный трансформатор Теслы.
Сборка набора затруднений не вызвала, всё заработало с первого раза.
Длинный конец вторичной обмотки должен быть сверху. Это разрядник, и со временем он обгорает. Подстройка резонанса осуществляется изменением геометрии первичной обмотки, представляющей собой кусок изолированного провода.
Наилучшие результаты у меня получились от источника питания паяльной станции, выдающего 24 вольта 5 ампер постоянного тока. При более низком питающем напряжении, музыки от электрического разряда не было слышно.
Возможно, я перепутала красный и синий светодиоды, имеющие разные падения напряжения в прямом включении, и, соответственно, влияющие на работу схемы. Какой из светодиодов должен быть красным, а какой синим, на схеме не написано. Тем не менее устройство работает и поёт, потому переделывать его не хочется.
Процесс сборки и испытания электронной игрушки для взрослых запечатлён на видео.
А музыкальная шкатулка, с которой брался звуковой сигнал, собиралась так.
▍ Выводы
Собирать разные электронные устройства легко и просто, в случае набора-конструктора с готовой печатной платой, и при наличии хорошего паяльника, припоя и доступа в интернет, где можно найти ответы на возникающие вопросы.
Спасибо за внимание! Напишите в комментариях, какие схемы и конструкции будет интересно рассмотреть и собрать в будущих статьях и видео. Расскажите о своём опыте радиолюбительских поделок.
Трансформатор Тесла своими руками, простейшая схема
Главная » Оборудование » Трансформатор Тесла своими руками, простейшая схема
В начале ХХ века электротехника развивалась бешеными темпами. Промышленность и быт получили такое количество электрических технических инноваций, что этого им хватило для дальнейшего развития еще на двести лет вперед. И если постараться выяснить, кому мы обязаны таким революционным рывком в области приручения электрической энергии, то учебники физики назовут десяток имен, безусловно, повлиявших на ход эволюции. Но ни один из учебников не может толком объяснить, почему до сих пор умалчиваются достижения Николы Теслы и кем был на самом деле этот загадочный человек.
Содержание:
- Кто вы, мистер Тесла?
- Принцип действия аппарата
- Конструкция трансформатора Тесла
- Схемы трансформатора Тесла
- Для чего нужен трансформатор Тесла?
Кто вы, мистер Тесла?
Тесла — это новая цивилизация.
Ученый был невыгоден правящей элите, невыгоден и сейчас. Он настолько опередил свое время, что до сих пор его изобретения и эксперименты не всегда находят объяснение с точки зрения современнейшей науки. Он заставлял светиться ночное небо над всем Нью-Йорком, над Атлантическим океаном и над Антарктидой, он превращал ночь в белый день, в это время волосы и кончики пальцев у прохожих светились необычным плазменным светом, из-под копыт лошадей высекались метровые искры.
Теслу боялись, он мог запросто поставить крест на монополии по продаже энергии, а если бы захотел, то мог бы сдвинуть с трона всех Рокфеллеров и Ротшильдов вместе взятых. Но он упрямо продолжал эксперименты, до тех пор, пока не погиб при таинственных обстоятельствах, а его архивы были выкрадены и местонахождение их до сих пор неизвестно.
Принцип действия аппарата
О гении Николы Тесла современные ученые могут судить только по десятку изобретений, не попавших под масонскую инквизицию. Если вдуматься в суть его экспериментов, то можно только представить, какой массой энергии мог запросто управлять этот человек.
Все современные электростанции вместе взятые не способны выдать такой электрический потенциал, которым владел один единственный ученый, имея в распоряжении самые примитивные устройства, одно из которых мы соберем сегодня.
Трансформатор Тесла своими руками простейшая схема и ошеломляющий эффект от его применения, только даст понятие о том, какими методиками манипулировал ученый и, если честно, в очередной раз поставит в тупик современную науку. С точки зрения электротехники в нашем примитивном понимании, трансформатор Теслы — это первичная и вторичная обмотка, простейшая схема, которая обеспечивает питание первички на резонансной частоте вторичной обмотки, но выходное напряжение возрастает в сотни раз. В это сложно поверить, но каждый может убедиться в этом сам.
Конструкция трансформатора Тесла
Аппарат для получения токов высокой частоты и высокого потенциала был запатентован Теслой в 1896 году. Устройство выглядит невероятно просто и состоит из:
- первичной катушки, выполненной из провода сечением не менее 6 мм², около 5-7 витков;
- вторичной катушки, намотанной на диэлектрик, это провод диаметром до 0,3 мм, 700-1000 витков;
- разрядника;
- конденсатора;
- излучателя искрового свечения.

Главное отличие трансформатора Теслы от всех остальных приборов — в нем не применяются ферросплавы в качестве сердечника, а мощность прибора, независимо от мощности источника питания, ограничена только электрической прочностью воздуха. Суть и принцип действия прибора в создании колебательного контура, который может реализовываться несколькими методами:
- Генератор колебаний частоты, построенный на основе разрядника, искрового промежутка.
- Генератор колебания на лампах.
- На транзисторах.
- Генераторы двойного резонанса — самые мощные приборы.
Мы же соберем прибор для получения энергии эфира самым простым способом — на полупроводниковых транзисторах. Для этого нам будет необходимо запастись простейшим комплектом материалов и инструментов:
- медным проводом толщиной 0,40-0,45 мм;
- 9-сантиметровой пластиковой трубой, около полуметра длиной;
- 11-сантиметровой пластиковой трубой, длиной 3-5 см;
- толстым, миллиметровым медным проводом с хорошей изоляцией, 7-10 витков;
- транзистор D13007;
- радиатор для транзистора;
- переменник на 50 кОм;
- постоянный резистор на 0,25 Вт и 75 Ом.

Схемы трансформатора Тесла
Устройство собирается по одной из прилагаемых схем, номиналы могут меняться, поскольку от них зависит эффективность работы устройства. Сперва наматывается около тысячи витков эмалированного тонкого провода на пластиковый сердечник, получаем вторичную обмотку. Витки лакируются или покрываются скотчем. Количество витков первичной обмотки подбирается опытным путем, но в среднем, это 5-7 витков. Далее устройство подключается согласно схеме.
Для получения эффектных разрядов достаточно поэкспериментировать с формой терминала, излучателя искрового свечения, а о том, что устройство при включении уже работает, можно судить по светящимся неоновым лампам, находящихся в радиусе полуметра от прибора, по самостоятельно включающихся радиолампах и, конечно, по плазменным вспышкам и молниям на конце излучателя.
Для чего нужен трансформатор Тесла?
Игрушка? Ничего подобного. По этому принципу Тесла собирался построить глобальную систему беспроводной передачи энергии, использующую энергию эфира.
Для реализации такой схемы необходимо два мощных трансформатора, установленных в разных концах Земли, работающих с одинаковой резонансной частотой.
В этом случае полностью отпадает необходимость в медных проводах, электростанциях, счетах об оплате услуг монопольных поставщиков электроэнергии, поскольку любой человек в любой точке планеты мог бы пользоваться электричеством совершенно беспрепятственно и бесплатно. Естественно, что такая система не окупится никогда, поскольку платить за электричество не нужно. А раз так, то и инвесторы не спешат становиться в очередь на реализацию патента Николы Теслы № 645 576.
История катушек Теслы
История катушек Теслы Около 100 лет назад Никола Тесла изобрел свой «Тесла
Катушка». Вот уже около 70 лет любители и инженеры конструируют
свои собственные катушки. В этот момент вы можете спросить себя, почему? какая
неужели этим людям так весело строить большой генератор молнии?
Что ж, возможно, лучший ответ на оба вопроса заключается в том, что они хотят иметь
весело с электричеством.
Тесла изобрел свою катушку с целью передачи электричества через воздух. Он провел много исследований в этой области. Действительно, он провел большую часть своей карьеры он пытался добиться беспроводного питания. Его установка было просто. Он намеревался использовать несколько катушек, разбросанных по всему миру, для передачи электрической энергии через землю. Где бы ни была нужна сила, нужна только приемная катушка, чтобы преобразовать мощность в полезную форму. Тесла имел некоторые успехи в этой области, но его инвесторы сочли это нецелесообразным и отказался поддерживать дальнейшие исследования.
Однако исследование беспроводного питания не было полной потерей. Тесла также
использовали катушки для экспериментов с радиопередачей.
Ведь сегодня на
В самом сердце каждого радиоприемника найдется схема, точно такая же, как использованная.
в катушке Теслы. Основные принципы передачи информации по
радиоволны не изменились со времен Теслы. Интересно отметить
что, хотя Маркони широко известен как изобретатель радио, в 1943 г.
Верховный суд США отменил
Патент Маркони на радио, потому что работа Теслы предшествовала работе Маркони.
С течением времени заявления Теслы о катушке становились все более сенсационными. Он утверждал, что может использовать его для создания “Луч смерти” и других диких изобретения. Действительно, некоторые люди считают, что Тесла был ответственен за создание Tunguska Creator использует свою катушку из Колорадо-Спрингс.
Многие современные проекты по Катушкам Теслы начинаются как школьные научные проекты.
У строителей нет никаких реальных целей в создании катушек, кроме как
что делает его более эффективным и лучшим, чем катушка следующего парня. Эти высокие
Катушки школьного проекта часто не выставляются за пределами застройщика
гараж .
Некоторые люди, с другой стороны, строят большие катушки для демонстрации.
целей и общественных выставок. Как упоминалось на «домашней» странице многих
у научных отделов есть катушка Тесла, потому что она делает впечатляющую демонстрацию
многочисленных электрических законов.
Как вы уже догадались, большинство выставочных катушек не используется исключительно в академических целях. Когда вы видите хорошие электрические эффекты в фильмах, как в фильмах о Терминаторе, например, спецэффекты Департамент использует катушку Тесла. Кроме того, многие катушки используются в общественные места. Вот некоторые из них, которые сразу приходят на ум: Сжигание Фестиваль мужчин, концерты Man or Astroman и дома с привидениями.
Хотя большинство катушек используются только для развлечения, некоторые исследователи
в области шаровой молнии часто используют мощные катушки Тесла для
генерировать странный феномен шаровой молнии. Особенно одно приложение
участвовал в испытаниях фюзеляжей самолетов на электрическую устойчивость.
Исследователь
используйте катушку для имитации удара молнии по летящему самолету.
Помимо применения в промышленности и в гаражах, катушки Тесла
можно найти в домах людей и на полках в универмагах.
Плазменный шар, с которым многие знакомы, на самом деле является Теслой.
Катушка. Недавно на коммерческий рынок вышла другая форма катушки Теслы.
Люминглас называется. Он чем-то похож на плазменный шар, но
он плоский и бывает нескольких цветов. Как с плазменными шарами
можно дотронуться до Luminglas и увидеть, как он направляет электричество на палец
чаевые. Обе эти коммерческие версии катушек Теслы полностью безопасны.
в отличие от их аналогов, родившихся в гараже.
Никола Тесла Свободная энергия – Брайан Уильямс
Брайан Уильямс, пятница, 04 ноября 2022 г.
решить все эти проблемы. Он предлагает пошаговые инструкции о том, как работает эта технология и как сделать ее самостоятельно в домашних условиях. Создайте собственный генератор эффекта Серла, используя руководство «Сделай сам», и избавьте себя от чрезмерных трат. Неважно, как долго у вас нет электричества, и вам всегда будет достаточно его для ваших домов. Генератор с эффектом Серла может так быстро включить любой бытовой прибор. Он обеспечивает настолько качественную работу, что даже развеселит ваших друзей. Пользователям не требуется топливо для использования генератора, и он вырабатывает чистую энергию. Помимо домашнего использования, генератор эффекта Серла может быть любого размера, который можно использовать в высотных зданиях. Этот самодельный генератор вырабатывает достаточно энергии для всего дома, а весь процесс его создания включен в руководство по генератору на эффекте Серла и экономит деньги на электричестве. SEG функционирует как открытая система для преобразования кинетической энергии окружающей среды в электрическую энергию.
Его движущиеся части не соприкасаются ни в одной точке; поэтому износа не наблюдается. SEG может функционировать как поставщик электроэнергии для всего города. Продолжить чтение…
Searl Effect Generator Summary
Рейтинг: 4,7 звезды из 13 голосов
Содержание: электронные книги, чертежи
Автор: Джон Сирл
Вся информация, обнаруженная автором, была собрана в загружаемую электронную книгу, чтобы покупатели Генератора эффекта Серла могли начать применять методы, которым он обучает, как можно скорее.
Покупка этой книги была одним из лучших решений, которые я принял, поскольку она стоит каждой копейки, которую я в нее вложил. Я очень рекомендую это всем.
Читать отзыв полностью…
Пт, 04.11.2022
Дополнительная информация
Этот продукт предназначен для тех, кто хочет сократить свои ежемесячные счета за электроэнергию. Руководство предоставит вам подробные чертежи, которые помогут вам создать генераторное устройство в течение нескольких часов, что поможет вам значительно сократить счета за коммунальные услуги.
Вы получите идеальное устройство, чтобы обрести независимость от ненадежной электросети. Руководство включает в себя некоторые полезные вещи, которые пригодятся, когда вы начнете собирать генератор. К ним относятся советы по строительству, обучающие видеоролики, методы строительства и экологически безопасные инструкции. Преимущества Ultimate Energizer включают в себя независимость от электросети, экологичное устройство, которое питает ваш дом и поддерживает чистоту окружающей среды, простое в изготовлении, помогает сократить счета за электроэнергию, дает вам душевное спокойствие, которое приходит, когда вы полагаетесь на электроэнергию. электросеть, и, наконец, строительство генератора происходит очень быстро. Однако Ultimate Energizer имеет некоторые недостатки. Инструкции могут быть сложными для тех людей, которые менее практичны, а это значит, что им придется прочитать различные методы сборки гаджета. Этот продукт может использовать каждый, кто хочет ежемесячно экономить на счетах за коммунальные услуги.
Он подходит для всех домовладельцев, которые слишком много платят за электроэнергию. Продолжить чтение…
The Ultimate Energizer Guide Summary
Содержание: электронная книга
Автор: Стивен Перкинс
Официальный сайт: www.theultimateenergizer.com
Цена: $49,00
Читать полный обзор…
Пт, 04.11.20082 Дополнительная информация
На основе новаторской концепции Orgone Energy появилось новое устройство для выработки электроэнергии под названием Orgone Energy Motor, устройство, которое будет генерировать бесплатную электроэнергию на автопилоте везде, где вы хотите. Это было 1930-е годы, когда доктор Вильгельм Райх выдвинул идею Оргонной Энергии, которая во многом похожа на остальные силы, действующие в этом мире. Это вездесущая субстанция, определяющая само значение того, что заставляет нас жить. Благодаря анонимным спасителям у вас есть Orgone Energy Motor — пошаговое руководство, которое раскроет этот секрет и позволит вам создать и пережить гений доктора Райха.
Компания или авторы этого проекта хотят остаться анонимными, и вы не можете их винить. Имея такие организации, как FDA и некоторые секретные агентства, преследующие вас, чтобы снова украсть эту ценную информацию, они должны держать себя в безопасности до мелочей. Orgone Energy Motor — единственный в своем роде гений ученого-революционера. Доктор Райх усердно работал над этим проектом, но не смог его реализовать. Однако с помощью этого продукта вы можете возродить его утраченную цель и создать для себя лучшую, зеленую и эффективную жизнь. Зачем тратить дополнительное время? Получите свою копию и 3 бонуса прямо сейчас. Продолжить чтение…
Orgone Free Energy Motor Summary
Содержание: электронные книги
Официальный сайт: energyliberationarmy.com
Цена: $49,00
Пт, 04 ноября 2022 г. но эффективно и дешевле. Нынешнее ядро Земли производит такое же количество электроэнергии, как и в общей сложности 47 триллионов, и текущая альтернатива предлагает решение, которое кажется воровством, но в реальном смысле оно объясняет, как тот же процесс может быть выполнен менее вовлекающим образом.
. Автор этой электронной книги делает те же галлоны энергии из простого фона и бросает вызов крупным корпорациям, и, в отличие от них, он предлагает более быстрый метод, который прост и дешев для местного жителя. Юта открыла процесс получения электричества прямо с поверхности земли. В его системе есть функции, которые должны иметь lo9w техническое обслуживание и иметь непрерывный рабочий процесс, поскольку машина может работать с высокой скоростью без остановки. Электронная книга предназначена для всех, кто устал платить большие деньги за электричество и хочет узнать секрет, который использовал основатель и сделал его предметом зависти всей деревни. В электронной книге подробно описывается секрет и процедура получения не только дешевого, но и эффективного оборудования, позволяющего избавиться от счетов за электроэнергию и вести управляемую жизнь. Читать далее…
Генератор наземной энергии Краткое описание
Содержание: Электронные книги
Автор: Джозеф Уилкинсон
Цена: $47,00
Пт, 04 ноября 2022 г.
Дополнительная информация
Генератор свободы — это простая и проверенная программа от Abel, которая гарантированно поможет каждой семье минимизировать стоимость счета за электроэнергию за свет, используемый в жилых помещениях и офисах, потребляется на 80%. Программа делает это просто за счет повседневного использования нетрадиционной, высокоэффективной техники выработки энергии, которую жители Филиппин, Кореи и некоторых других стран используют уже более 200 лет. Генератор Liberator — это тип генератора биогаза, который преобразует органические вещества, такие как трава, отходы животных и листья деревьев, разложенные в процессе анаэробного сбраживания, в энергетический газ. Энергетический газ можно использовать для питания автомобиля, плиты, гриля или водонагревателя и преобразовывать в электричество, используемое в доме. Программа научит вас производить биотопливный газ и генератор, который сократит расходы на электроэнергию в доме. Продолжить чтение…
Обзор генератора биогаза Liberty
Содержание: Видео, чертежи
Автор: Абель Томас
Официальный сайт: www.
liberty-generator.com
Глобальное потепление
Важным недавним достижением является разработка гибридного электромобиля, в котором двигатель внутреннего сгорания сочетается с электрической трансмиссией и аккумулятором.25 Прирост эффективности и, следовательно, экономии топлива, достигаемый гибридными автомобилями, обычно составляет около 50%. В основном они возникают из-за (1) использования рекуперативного торможения (с двигателем, используемым в качестве генератора, и накопленного электричества, хранящегося в батарее), (2) работы от батареи и электрической тяги только при медленном движении или пробках, (3 ) исключение режимов работы двигателя внутреннего сгорания с низким КПД и (4) уменьшение габаритов двигателя внутреннего сгорания за счет использования аккумуляторной батареи в качестве усилителя мощности. Toyota и Honda были первыми, кто представил гибридные автомобили, за ними последовали и другие производители. Предстоящая разработка — подключаемый гибрид, который позволит увеличить мощность автомобильного аккумулятора большего размера, чем обычно, за счет подключения к коммерческому источнику электроэнергии.
Последнее обновление Пт, 03 июня 2022 г. | Киотский протокол
Резюме Будущее ядерной энергетики является важным вопросом для многих стран, стремящихся снизить свою зависимость от ископаемого топлива и достичь целей по сокращению выбросов парниковых газов (ПГ). По состоянию на июнь 2008 г. в 15 странах действовало 439 ядерных реакторов общей мощностью 372 ГВт и 42 энергетических реактора в стадии строительства. В США в общей сложности 104 ядерных реактора в настоящее время производят 20% электроэнергии и составляют не менее 70% всего производства электроэнергии без выбросов парниковых газов. Их производительность неуклонно улучшалась в течение последних 20 лет и в настоящее время достигла 90 коэффициент мощности. Закон об энергетической политике 2005 г. санкционировал будущие ядерные исследования и разработки и предусматривал стимулы для строительства новых атомных станций. В результате в настоящее время в США имеется 17 заявок COL на строительство 26 новых реакторов.
Последнее обновление: сб, 13 августа 2022 г.
|
Energy Crisis
В период между 1878 и 1885 годами пионеры Элиу Томсон и Никола Тесла научились непрерывно генерировать электричество переменного тока (AC), а затем изобрели электрический асинхронный двигатель переменного тока, электрические лампочки и многие другие продукты, работающие от электроэнергии. Поскольку напряжение переменного тока намного легче преобразовывать и повышать, распределение мощности переменного тока по медным проводам имеет гораздо меньшие потери, чем электричество постоянного тока Томаса Эдисона, которое питало уличные фонари Нью-Йорка в 1891 году.0 с. Электричество переменного тока может быть достаточно эффективно доставлено на большие расстояния. Джордж Вестингауз, который поддерживал и финансировал работу Теслы, построил и представил первый коммерческий гидроэлектрический турбогенератор на Всемирной выставке 1893 года в Чикаго, а вскоре после этого завершил строительство первой крупной гидроэлектростанции на Ниагарском водопаде в 1895 году. «колоссальные» 1,1 МВт (эл.
) электроэнергии, которые питали огни и трамваи Буффало, штат Нью-Йорк, в двадцати шести милях отсюда.
Последнее обновление Пт, 08 Апр 2022 | Устойчивые решения
Система производства и распределения электроэнергии трехфазного переменного тока была изобретена гением девятнадцатого века по имени Никола Тесла. Он сделал много тщательных расчетов и измерений и обнаружил, что 60 Гц (Герц, циклов в секунду) была наилучшей частотой для выработки электроэнергии переменного тока (AC). Он предпочел 240 вольт, что поставило его в противоречие с Томасом Эдисоном, чьи системы постоянного тока (DC) были на 110 вольт. Возможно, у Эдисона был полезный момент в коэффициенте безопасности более низкого напряжения, но постоянный ток не мог обеспечить мощность на расстоянии, которое мог обеспечить переменный ток.
Последнее обновление: вс, 06 марта 2022 г. | Глобальное потепление
Никола Тесла. Когда 13 мая 1899 года члены Чикагского коммерческого клуба прибыли послушать лекцию знаменитого изобретателя электричества Николы Теслы, они были поражены видом искусственного озера посреди аудитории.


