Фаза на выключатель или ноль: что подключить на разрыв
В современных домах невозможно обойтись без электрического освещения и для каждого светильника необходимо установить выключатель. Это устройство разрывает один из проводов, идущих к источнику света.
Для работы выключателя и лампы не имеет значения, какой из проводов будет отключаться, однако все грамотные электромонтёры подводят к нему только фазный провод. В этой статье рассказывается, какое имеет значение, на выключатель идет ноль или фаза.
Почему выключенная люстра может ударить током
Пользуются электрическим освещением все, большинство людей меняют лампы самостоятельно, но не все знают, что даже выключенный светильник может ударить электрическим током. Это происходит из-за неправильного подключения при монтаже электропроводки, замене вводного кабеля и электросчётчика или после ремонта соединений в переходной коробке.
Следствием этих действий является подвод к выключателю нейтрального (нулевого) провода, при этом происходит следующее:
- Во включенном положении выключателя на одном из проводов, подходящих к лампе, индикатор напряжения укажет на фазу.
Второй провод будет нейтральным.
- В отключенном состоянии на обоих проводах присутствует фаза. Лампа при этом гореть не будет, на всех проводах в светильнике будет напряжение.
Такая ситуация опасна для здоровья или жизни человека – в случае нарушения изоляции или прикосновения к оголённым проводам, лампе или внутренним частям патрона можно получить удар электрическим током. Поэтому важно, что подаётся на выключатель – фаза или ноль.
При подаче на выключатель фазы ситуация меняется на противоположную. В отключенном состоянии на обоих проводах светильника фаза отсутствует, лампа гореть не будет. Процесс ремонта или замены лампочки при этом является более безопасным.
На выключатель фаза или ноль: правила ПУЭ
О том, фаза или ноль на выключатель что правильно указывает не только здравый смысл и логика, но и Правила Устройств Электроустановок в последнем 7 издании. Подключение к выключателю нулевого провода противоречит нормам этого документа, указанным в п.
Согласно этим правилам однополюсный выключатель света должен разрывать фазный провод, нейтраль отключается только при установке двухполюсного выключателя. Монтаж вместо одного двухполюсного выключателя двух однополюсных так же запрещён из-за возможного отключения только одного нейтрального проводника.
Почему выключатель должен разрывать фазу, а не ноль
Кроме требований ПУЭ есть ещё несколько причин для подключения к выключателю фазного провода.
Безопасность во время замены ламп
Основной причиной для подачи фазы на выключатель является повышение безопасности людей. Если через коммутационный прибор проходит нулевой провод, то даже в выключенном положении светильник остаётся под напряжением и при его ремонте возможны следующие ситуации:
- Во время выкручивания лопнула колба лампы накаливания или газоразрядная трубка в энергосберегающей. В этом случае есть опасность прикосновения к остаткам нитей накала, при неправильном подключении остающимися под напряжением.

- Нарушена изоляция между проводами внутри светильника и металлическим корпусом. До тех пор, пока к прибору никто не дотрагивается, не имеет значения, выключатель разрывает фазу или ноль, особенно если это потолочная люстра. К этим источникам света человек прикасается только в выключенном состоянии для замены лампы или вытирания пыли. Если через выключатель проходит нулевой провод и нарушена изоляция, то человек, выполняющий эти работы, оказывается под напряжением. Это опасно для здоровья или даже жизни, особенно при отсутствии в схеме УЗО или дифавтомата.
| Важно! Если неизвестно, какой провод подходит к выключателю, все работы по замене ламп и ремонту светильников следует производить с отключением автоматического выключателя. |
Мигание (свечение) ламп
Если для ламп накаливания существует только два состояния – включено и выключено, то для энергосберегающих и светодиодных источников света есть третье – периодические вспышки при отключенном выключателе
Одна из причин этого явления связана с особенностями конструкции таких ламп.Питание этих приборов осуществляется при помощи встроенной электронной платы, на которой кроме других элементов находится диодный мост и фильтрующий конденсатор.
Если выключатель разрывает нейтральный проводник, то из-за того, что один из проводов, питающих лампу, находится под напряжением, возможен следующий процесс:
- 1. через второй провод из-за нарушения изоляции или большой длины протекает ток утечки;
- 2. этого тока не хватит для работы светильника, но достаточно для постепенного, в течение нескольких секунд, заряда конденсатора;
- 3. после заряда ёмкости до напряжения, необходимого для работы электронной схемы, лампа кратковременно включается;
- 4. происходит разряд конденсатора и процесс начинается заново.
Как определить, ноль или фаза на выключателе
При ремонте электропроводки и в некоторых других случаях необходимо проверить, на выключатель идет ноль или фаза.
Это делается в следующей последовательности:
- 1. Отключить питание линии. Открыть крышку выключателя или извлечь его из монтажной коробки так, чтобы была возможность измерить напряжение на контактах.
- 2. Подать питание в сеть. Отключить выключатель.
- 3. Проверить наличие напряжения на обоих выводах устройства. Фаза должна быть только на одном из контактов.
- 4. Включить выключатель и проверить наличие фазы на выводах. На обоих контактах индикатор должен показывать одинаковый результат.
Если индикатор показывает фазу, то выключатель подключен правильно, при её отсутствии и горящей лампе к выключателю подходит нейтральный провод.
| Важно! Проверка должна производиться при наличии в патроне исправной лампы. |
Причины неправильного подключения
Если монтаж электропроводки и подключение её к сети были выполнены правильно, то ко всем выключателям будет подведена фаза.
Наличие нуля указывает на ошибки при выполнении электромонтажных работ:
- Неправильное соединение проводов в монтажной коробке. Встречается при несоблюдении цветовой маркировки проводов или в проводке, выполненной в советское время алюминиевым проводом (лапшой).
- Перепутанные провода после замены электросчётчика или вводного кабеля. Подключение прибора учёта должно производиться с учётом нулевого и фазного проводов. После работ на клеммнике устройства инспектор электрокомпании проверяет соответствие подключения и может потребовать изменить полярность.
Что делать, если подключение неправильное
При неправильном подключении ошибку необходимо исправить. Сделать это можно двумя способами – в распределительной коробке и на подключении к электросчётчику.
Как изменить полярность на вводе в квартиру или частный дом
До производства этого переключения необходимо проверить все выключатели, что они размыкают – фазу или ноль.
Если неправильно подключены все выключатели, то проще всего изменить подключение после прибора учёта.
Есть несколько вариантов выполнения этой работы:
Изменение полярности подключения кабеля на клеммнике электросчётчика. Из-за того, что при этом будет нарушена пломба, выполнять такую работу допускается только по согласованию с электрокомпанией. Это целесообразно делать при наличии электрощитка старого типа с пробочными предохранителями.- Переключение полярности проводов, отходящих от вводного автомата, расположенного после прибора учёта. Удобно выполнять в современных щитках с модульными автоматами.
| Совет! Изменение полярности ДО ввода в дом или квартиру не производится. Это нарушает правильность подключения электросчётчика. |
Как поменять местами ноль и фазу в выключателе
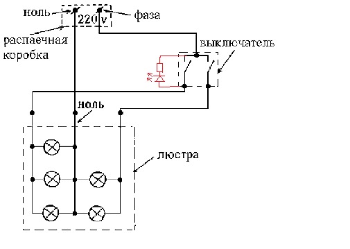
Если неправильно подключён только один выключатель, то переключение необходимо производить в переходной (распаечной) коробке. Чаще всего она находится на расстоянии 10-20см от потолка, непосредственно над одним из выключателей или розеток, установленных в данном помещении.
В санузлах блочных или панельных домов, в которых выключатели света находятся на перегородках между ванной и туалетом, коробка находится на противоположной стене или в коридоре.
| Важно! Все работы по изменению схемы соединения проводов производятся после отключения питания и проверки отсутствия напряжения. |
В самом простом случае в распределительную коробку приходят четыре двухжильных провода:
- подходящая линия;
- отходящая линия;
- подключение выключателя;
- питание светильника.
Они соединены между собой при помощи трёх скруток или клемм:
- Фаза (3 провода в скрутке). Подходящая линия, отходящая линия, подключение выключателя.
- Нейтраль или ноль (3 провода в скрутке). Подходящая линия, отходящая линия, питание светильника.
- Скрутка из 2 проводов. Соединение выключателя и светильника.
При необходимости изменить подключение выключателя, нужно поменять местами провода, отходящие к выключателю и лампе от нулевого и фазных проводов.
Скрутка из двух проводов, соединяющая выключатель и светильник, остаётся без изменений вне зависимости от того, на выключатель идет ноль или фаза.
После повторного соединения проводов их следует заизолировать, закрыть крышку коробки, подать питание в сеть и проверить работу освещения и подвод к выключателю фазного провода.
Переключение проводов в коробке, в которой подключен двухклавишный выключатель или розетки производится аналогичным образом. Основная сложность при этом – определить, какие именно провода соответствуют необходимым электроприборам.
Для этого необходимо учесть количество проводов в скрутке, направление, в котором кабель выходит из коробки, а в сложных случаях придётся использовать пробник или тестер.
Похожие материалы на сайте:
Понравилась статья – поделись с друзьями!
Как найти фазу и ноль? несколько способов определения фазного и нулевого провода » сайт для электриков
Способ №3 – Картошка в помощь!
Забавная, но все же эффективная идея, которая позволяет определить фазу и ноль без индикатора, мультиметра либо другого тестера.
Все, что Вам нужно – картошина, 2 провода по 50 см и резистор на 1 МОм. Найти напряжение можно по методике, описанной выше. Конец первого проводника подключается к трубе, второй конец вставляется в срез картошки, как показано на фото. Что касается второго провода, один его конец нужно вставить в тот же срез, на максимально возможном расстоянии от уже вставленной жилы, а вторым Вы будете щупать те выводы, на которых Вам нужно найти фазу и ноль без приборов. Определение происходит следующим образом:
- Если на срезе образовалось небольшое потемнение – это фазный проводник;
- Никакой реакции не произошло – Вы «нащупали» ноль.
Следует сразу же отметить, что в данном случае определение должно происходить с небольшой выдержкой времени при контакте жилы со срезом картошки. Вы должны дотронуться проводом к картошине и подождать около 5-10 минут, после чего будет виден результат!
Наглядный видео урок по определению полярности без приборов своими руками
По похожей методике можно определить полярность контактов в цепи постоянного тока.
Для этого два провода опускаются в чашку с водой и если возле одного из них начинают образовываться пузыри, как показано на фото ниже, значит, это минус и, соответственно, вторая жила – плюс.
Цифровой мультиметр очень полезная вещь в быту. С помощью тестера просто определить, какой из проводов фаза, ноль, а какой заземление.
Любая электросеть, как бытовая, так и промышленная может быть с постоянным током или с переменным. При постоянной подаче электронапряжения электроны перемещаются в одном направлении, при переменной подаче это направление постоянно меняется.
Переменная сеть в свою очередь состоит из двух частей – рабочей и пустой фазы. На рабочую, которую называют в электричестве так и называют — «фазой», подаётся рабочее электронапряжение, а на пустую, которая получила название «ноль» — нет. Она нужна для создания замкнутой сети для работы и подключения электроприборов, а также для заземления сети.
Домашняя электропроводка: находим ноль и фазу
Установить в домашних условиях, где какой провод находится, можно разными способами.
Мы разберем только самые распространенные и доступные практически любому человеку: с использованием обычной электрической лампочки, индикаторной отвертки и тестера (мультиметра).
Про цветовую маркировку фазных, нулевых и заземляющих проводов на видео:
Проверка с помощью электролампы
Перед тем, как приступить к такой проверке, нужно собрать с использованием лампочки устройство для проверки. Для этого ее следует вкрутить в подходящий по диаметру патрон, после чего закрепить на клемме провода, сняв изоляцию с их концов стриппером или обычным ножом. Затем проводники лампы нужно поочередно прикладывать к тестируемым жилам. Когда лампа загорится, это будет означать, что вы нашли фазный провод.
Если проверяется кабель на две жилы, уже понятно, что вторая будет нулевой.
Проверка индикаторной отверткой
Хорошим помощником в работе, связанной с электрическим монтажом, является индикаторная отвертка. В основе работы этого недорогого инструмента лежит принцип протекания сквозь корпус индикатора емкостного тока. В ее состав входят следующие основные элементы:
- Металлический наконечник, имеющий форму плоской отвертки, который прикладывается к проводам для проверки.
- Неоновая лампочка, загорающаяся при прохождении сквозь нее тока и сигнализирующая таким образом о фазовом потенциале.
- Резистор для ограничения величины электрического тока, который защищает устройство от сгорания под воздействием мощного потока электронов.
- Контактная площадка, позволяющая при прикосновении к ней создать цепь.
Если вы проверяете наличие напряжения на проводе с помощью этого прибора при дневном свете, то придется приглядываться в ходе работы более внимательно, так как свечение сигнальной лампы будет плохо заметно.
При касании жалом отвертки фазного контакта сигнализатор загорается. При этом ни на защитном нуле, ни на заземлении светиться он не должен, в противном случае можно сделать вывод, что в схеме подключения имеются неполадки.
Пользуясь этим индикатором, будьте внимательны, чтобы нечаянно не коснуться рукой провода под напряжением.
Про определение фазы наглядно на видео:
Проверка мультиметром
Для определения фазы с помощью домашнего тестера прибор нужно поставить в режим вольтметра и измерить попарно величину напряжения между контактами. Между фазой и любым другим проводом этот показатель должен составлять 220 В, а прикладывание щупов к заземлению и защитному нулю должно показывать отсутствие напряжения.
Как отличить друг от друга фазу и ноль?
Для того чтобы отличить «фазу» от других проводов можно воспользоваться таким инструментом, как индикаторная отвёртка.
Если дотронуться до металлической части провода, жалом этой отвёртки при этом, придерживая противоположный торец указательным пальцем то индикатор, будет светиться при наличии фазного провода. Также можно определить «фазу» с помощью мультиметра.
Для этого необходимо включить прибор в режим измерения переменного тока.
Выставить максимально возможное напряжение на приборе. Минусовой щуп необходимо подсоединить к какому-нибудь заземлённому предмету, например, к радиатору отопления, а другой попеременно подключать к проводникам.
Когда прибор покажет напряжение, которое примерно равно 220 В. то проводник, к которому вы подключились и есть фазный провод.
Как определить «фазу» и «ноль» без измерительных приборов.
Для того чтобы обнаружить фазу можно использовать проверенный временем, очень простой и недорогой способ.
С помощью обыкновенного патрона с лампой накаливания несложно определить пару «ноль» — «фаза». Нужно взять патрон и два провода, которые отходят от него попеременно подсоединять к проводам с предполагаемыми фазным и нулевым проводами.
Когда же лампочка загорится это будет означать что один из подключённых проводов является фазным. Теперь останется узнать какой именно. Очень просто это сделать если в электрической сети включена система УЗО. В этом случае если подключить патрон с лампой одним концом к третьему проводу, который является в данном случае заземлением, а другой попеременно к другим проводникам.
В момент, когда произойдёт автоматическое отключение электричества, будет означать то, что второй провод, к которому вы подсоединили щуп мультиметра, является «фазой». Соответственно третий проводник будет «ноль».
Если нет УЗО то после определения пары «фаза» — «ноль», один провод следует подключить к заземлению, а второй будет слегка искрить при соприкосновении с «фазой».
Заблуждения, которые могут возникнуть при определения фазного провода.
Это не совсем заблуждения, просто, если следовать этому способу определения фазы можно неправильно сделать вывод о том, где именно она находится.
Способ определения фазы по цвету провода
Если рабочие, которые занимались монтажом проводки сделали всё правильно то фазный провод должен быть чёрного или коричневого цвета.
Но полностью полагаться на такой способ определения фазы нельзя, т. к. не исключено, что при подключении, провода просто перепутали. И вместо фазного провода чёрного цвета там будет «земля» или «ноль».
В заключении стоит отметить, что заниматься самостоятельными электромонтажными работами стоит только в том случае если вы очень хорошо разбираетесь в том, что делаете, в противном случае стоит обратиться к специалистам, которые выполнят работы по монтажу проводки, качественно и в срок.
О чем еще важно знать?
Иногда определение назначения токоведущих жил может быть облегчено благодаря знанию их общепринятой цветовой маркировки:
- Ноль может маркироваться латинской буквой N.
Общепринятый цвет изоляции – голубой или синий. Другой вариант окраски изоляции – белая полоса на синем фоне.
- Земля маркируется латиницей PE. В системе заземления, объединяющей функции защитного и рабочего нуля, обозначается PEN. Цвет применяемой изоляции – желтый, имеющий одну или две полосы ярко – зеленого оттенка.
- Фаза может обозначаться латинской буквой L или маркироваться как фаза трехфазной электрической сети, то есть A, B или C. Цвет изоляции может быть произвольный, но не повторяющий тех, которыми обозначается земля (защитное заземление) или нулевой проводник. В большинстве случаев, это красный, коричневый или черный цвет.
Полезно знать и правила монтажа электропроводки. Это также может помочь определить, где фаза, ноль и земля. Фаза всегда должна приходить в распределительный щиток на автоматический выключатель или плавкий предохранитель. Нулевая жила может крепиться на шине специальной конструкции, которая имеет несколько клемм. В металлических щитках и клеммных ящиках старого типа, ноль или земля крепились под гайку болтом, приваренным к корпусу ящика.
Эти правила могут облегчить определение функций приходящих проводников. Узнать больше о том, как определить фазу и ноль без приборов, вы можете из нашей отдельной статьи.
Теперь вы знаете, как определить фазу, ноль и землю мультиметром или же индикаторной отверткой. Надеемся, предоставленные рекомендации помогли вам решить вопрос самостоятельно!
Наверняка вы не знаете:
- Способы определения потребляемой мощности электроприборов
- Что такое чередование фаз
- Как определить сечение кабеля по диаметру жилы
Как определить ноль и фазу? Самые быстрые способы
Часто при монтаже бытового электрооборудования мастеру важно знать, где находится «фаза». Такая необходимость возникает в тех случаях когда, например, требуется установить выключатель или подключить чувствительные к правильной фазировки электротехнические устройства
Если выключатель света подключён правильно, то при положении «выкл» будет обесточен участок проводки который ведёт к патрону и можно абсолютно спокойно проводить монтажные работы в этом месте, например замену лампочки, не опасаясь удара электрическим током.
Определить наличие или отсутствие электрического тока в цепи «на глаз» не представляется возможным, поэтому стоит приобрести специальные приборы и инструменты.
- Индикаторная отвёртка.
- Тестер или мультиметр.
- Пассатижи.
Цена их, как правило, не велика. При выборе стоит отдать предпочтение только тем моделям, которые имеют надёжную изоляцию.
Определение фазы, нуля и заземляющего провода
Если сеть трехпроводная, но выполнена проводом одного цвета, либо вы не уверены в правильности их подключения, необходимо определять назначение проводников перед установкой каждого элемента сети.
- Определите описанным выше способом фазный провод с помощью индикаторной отвертки и отметьте его маркером.
- Для определения нулевого и заземляющего провода понадобится мультиметр. Как известно, из-за перекоса фаз в нулевом проводе может появиться напряжение. Его величина обычно не превышает 30В. Установите мультиметр в режим измерения напряжения переменного тока.
Одним щупом прикоснитесь к фазному проводу, вторым поочередно к двум другим проводам. Там, где значение напряжения окажется меньше, вторым проводом будет являться нулевой проводник. - Если значение напряжения одинаково, необходимо измерить сопротивление заземляющего провода. Для этого уже определенный фазный провод лучше изолировать, чтобы избежать случайного прикосновения к нему. Мультиметр ставят в режим измерения сопротивления. Находят заведомо заземленный элемент, например, трубу или батарею. Зачищают при необходимости краску и прикасаются одним щупом мультиметра к металлу, а другим поочередно к проводникам, назначение которых неясно. Сопротивление заземляющего провода по отношению к заземленным элементам не должно превышать 4 Ом, сопротивление нулевого провода будет больше.
- Измерение сопротивления может также быть недостоверным, если нейтраль заземлена в щитке. В этом случае вам нужно найти заземляющий проводник, присоединенный к шине внутри щитка, и отключить его.
После этой операции необходимо взять патрон с лампой и подключенными проводами, зачистить их концы и подключить один провод лампы к фазному проводу, а второй – поочередно к двум другим. Лампа загорится при касании нулевого проводника.
Если все указанные мероприятия не привели к желаемому результату, лучше обратиться к профессиональным электрикам, которые с помощью специальных приборов произведут вызвонку всех цепей. Не забывайте, что речь идет, прежде всего, о безопасности.
Для отыскания фазного провода или клеммы в розетке, вам понадобится один из приборов — индикаторная отвертка или мультиметр.
Правила работы с индикаторной отверткой
При отсутствии заземляющего провода решить задачу, как определить фазу будет очень легко. Достаточно воспользоваться обыкновенной индикаторной отверткой.
В этом случае действия происходят следующим образом:
- Вначале обесточивается сеть путем отключения автомата. После этого на проводах острым ножом зачищается изоляция примерно на 1-1,5 см.
Жилы нужно развести между собой, чтобы исключить случайное соприкосновение. - Включается автомат и подается напряжение. Концом индикаторного устройства нужно по очереди коснуться зачищенных мест проводников. При попадании на фазовый провод светодиод начнет светиться.
- Обнаруженную фазу следует отметить, после чего вновь выключить автомат и сделать все запланированные подключения.
- Подключая освещение, выключатель нужно соединять с фазным проводом. Именно он будет обеспечивать разрыв контакта, выключение и включение осветительных приборов.
При работе с трехпроводной сетью все проводники могут оказаться одинакового цвета, поэтому нужно обязательно установить назначение каждого из них. Процесс обнаружения происходит в следующем порядке:
- Задача, как найти фазу решается теми же способами, что и в двухпроводной сети, после этого провод нужно отметить, отделив его от других проводов.
- Ноль и землю определяют мультиметром в режиме измерения напряжения.
Один щуп касается фазного провода, а другой – нулевого и заземляющего, по очереди. Меньшее напряжение показывает нулевой провод. - В случае одинакового напряжения измеряется сопротивление провода заземления. Оно должно быть не выше 4 Ом, а сопротивление нуля будет заметно выше.
Как определить фазу и ноль
Индикаторная отвертка
Что такое фаза, как определить фазу и ноль в электричестве
Цвет проводов фаза, ноль, земля
Схема подключения люстры с 3 лампами
Как определить сечение провода
Народный способ
Существует также народный способ идентификации нулевой и фазовой жилы. Несмотря на то, что некоторые специалисты относятся к нему довольно саркастически, этот метод работает достаточно эффективно.
Для определения понадобятся следующие элементы:
- 2 многожильных провода, длиною около полуметра;
- резистор номиналом на 1 МОм;
- крупная картофелина.

Схема проверки напоминает идентификацию фазы на контрольной лампочке. Один конец провода крепят к металлу (зачастую используют отопительные или водопроводные трубы), другой плотно примыкают к разрезанной вдоль картофелине. Второй проводник также примыкают к овощу, а другой его конец соединяют с резистором и интересующей жилой.
Результат исследования придется подождать около 10 мин. При контакте с фазой мякоть овоща потемнеет, а в случае с нулем она останется неизмененной.
Проверить назначение проводника можно с помощью подручных средств. Но такие методы далеко не безопасны. Поэтому применять их нужно исключительно в крайних случаях. А лучше – обзавестись специальной индикаторной отверткой.
Назначение фазы и нуля
Чтобы полностью понять, что же именно подразумевает словосочетание “фаза и ноль в электрике” обратимся к аналогии. Электрический ток наиболее удобно сравнивать с водой, а токонесущие провода – с трубами.
Итак, представим следующее.
У нас имеется одна труба, по которой горячая вода из резервуара поступает в большую кастрюлю. Также имеется вторая труба, которая по мере наполнения кастрюли сбрасывает излишек поступающей горячей воды обратно в резервуар. Теперь расшифровка: первая труба – фаза, кастрюля – полезная нагрузка, вторая труба – ноль. Ток по фазе приходит к нагрузке, а по нулевому проводу уходит обратно. Вот и все.
Теперь представим что произойдет, если из-за неисправности второй трубы горячая вода из кастрюли не будет уходить обратно в резервуар. В этом случае кастрюля очень быстро наполнится, а кипяток начнет с нее выливаться и может нас ошпарить.
Чтобы этого избежать, подводим к кастрюле третью трубу. Эта труба будет играть роль аварийного выхода для поступающей воды. Тогда, если вторая труба, отводящая воду отказывается работать, то излишек воды будет уходить через третью трубу. А третья труба идет в землю в специально выкопанный для этого котлован. Вот именно этот пример нам наглядно демонстрирует заземление.
Выше мы описали работу тока в однофазной сети, а также назначение фазы и нуля. В трехфазной происходит то же самое, только ток течет одновременно по трем проводам, а возвращается по четвертому.
Из примера становится понятно, что нельзя путать фазу с нулем, а также нельзя их соединять между собой. Для удобства все кабеля имеют свою цветовую маркировку, благодаря которой можно без всяких приборов определить принадлежность провода к фазе или нулю.
Внимание! Для пущей уверенности лучше перед началом работы все-таки прозвонить кабель, несмотря на цветовую маркировку. Очень часто в силу собственного незнания, неопытные электрики вообще не заморачиваются по поводу цвета проводов, и именно из-за этого существует опасность
Тут хорошо работает правило: доверяй, но проверяй!
По поводу цветовой маркировки. В электричестве приняты следующие обозначения: фазный провод коричневого, черного либо белого цвета, нулевой – голубого или синего, а провод заземления имеет желто-зеленый цвет.
Имейте ввиду, цвета не всегда могут быть такими: не так давно мне в трехфазной сети попались три красных провода (фаза), а нулевой провод был черного цвета.
Другие варианты проверки
Кроме перечисленных способов проверки фазы и нуля мультиметром, существует проверка с использованием контрольной ламы.
Способ довольно необычный и требует особой осторожности, но действенный. Для такого устройства необходим патрон, лампа, провод со срезанной на концах изоляцией
При использовании лампы удастся определить — есть фаза или нет, а какой именно фазный проводник — установить не получится. Если во время соединения проводки контрольной лампы с определяемыми жилам она засветится, тогда один из проводов фазный, а второй вероятнее ноль. Если не засветится, то фазы нет либо фазы, либо ноля, что тоже возможно
Для такого устройства необходим патрон, лампа, провод со срезанной на концах изоляцией. При использовании лампы удастся определить — есть фаза или нет, а какой именно фазный проводник — установить не получится.
Если во время соединения проводки контрольной лампы с определяемыми жилам она засветится, тогда один из проводов фазный, а второй вероятнее ноль. Если не засветится, то фазы нет либо фазы, либо ноля, что тоже возможно.
Правильно определить фазу
Провода трехжильные
Начнем терминами. Слова ноль русский язык лишен. Зато употреблялось обиходом за счет легкого произношения. Ноль – искаженный нуль, восходящий корнями к латинскому языку. Программист знает: под термином NULL принято подразумевать пустые, неопределенные переменные (лишенные типа). Иногда вид данных удобен для составления алгоритмов (при передаче значений функции).
Теперь попробуем найти фазу. Типичная отвертка-индикатор образована стальным щупом, вслед идет высокоомное сопротивление (к примеру, углерода), ограничивающее ток, источником света выступает газоразрядная лампочка малого размера. Мелочи, но незнающие термина контактная кнопка, определить ноль бессильны. На конце ручки отвертки-индикатора металлическая площадка.
Это контактная кнопка, которую потрудитесь касаться пальцем. Иначе лампочка при прикосновении к фазе светиться откажется.
Обнаружение фазы имеет основополагающее значение, напряжение не должно выходить на патрон люстры при выключенном выключателе. В противном случае обычный процесс замены лампочки может стать опасным, последним. По нормативам, фаза розетки слева. Если выключатели стоят, как принято (включается нажатием вверх), способы определения фазы вырождаются умением найти левую руку, понять, где находится низ:
В розетке фаза занимает левое гнездо. Соответственно, правое считается нулем. Остается провод, изоляция желто-зеленая – земля (в противном случае – резервный провод питания напряжением 220 вольт).
- В двойном выключателе входные, выходные контакты разнесены по разную сторону. Одни находятся внизу, другие – наверху. Бок, где один-единственный контакт, станет фазой. Два других, соответственно, – нулевым проводом (рабочий плюс защитный). Подразумевается, разводка электрики квартиры сделана верно, в старых домах часть раскладки верна, другая выполнена наоборот.

- Для одинарного выключателя столь просто определить фазу не получится, контакты лежат на одном боку (хотя если есть исключение, нуль находится снизу, если выполнены условия, указанные выше). Допускается попросту прозвонить тестером патрон. Сразу говорим, это нарушение техники безопасности, и прибор может сломаться. Поэтому рекомендовать метод штатным не можем. Попробуйте измерить переменное напряжение: 230 вольт окажется лишь меж двумя точками: фаза выключателя и нуль патрона.
Фазы автомобиля
Электрические сети помогают многим объектам. Автомобиль считается относительно простым устройством. Основу снабжения составляют аккумулятор 12 вольт (реально – 14,5 В), генератор, уровень выходного напряжения которого регулируется сообразно вариациям оборотов. Напряжение после выпрямления пригодно подпитывать аккумулятор бортовой сети. Активация вала генератора ведется аккумулятором через специальное регулирующее устройство.
Трехфазная схема Ларионова
Выпрямляемые диодным мостом схемы Ларионова фазы питают авто.
Популярная сегодня методика. Диодов присутствует шесть штук. Фазы сливаются механическим объединением после выпрямления единой магистралью. Обеспечивает максимальную мощность. Чувствительные компоненты авто (бортовой компьютер), дополнительно выпрямляют нестабильный ток. Чтобы продлить срок службы устройства.
Далее напряжение идет потребителям. Дворники, система индикации, освещение, зажигание. Бортовой компьютер может выдать закодированное сообщение: пора проверить датчик фаз. Элемент, работа которого использует эффект Холла, определяет положение распределительного вала двигателя. Подобными оснащают стиральные машины, оценивая скорость вращения. Авто определяет угловое положение вала. Датчик выдает импульсы, оценивая параметры которых компьютер получит нужную информацию.
Сенсорами авто напичкан. На две клеммы подается питание, третья формирует сигнал. Для проверки посмотрим схему: местонахождение узлов. Затем вплотную займемся прозвонкой. Имитируя условия формирования импульсов, пользуйтесь постоянным магнитом.
Вопрос, как определить фазу и ноль мультиметром на авто, отпадает. Опорой служит корпус автомобиля – масса. Понятное дело, генератор работает только при запущенном двигателе. Внутри квартиры ищем фазу и нуль, здесь масса задана априори. Можно вызванивать пробитую изоляцию (например, диодов выпрямительного моста). На авто проще простого измерить три фазы мультиметром. Действующее значение косвенно сказали. Порядка 20 вольт (учитывая потери неидеального моста).
Ошибки пользователей мультиметра
Китайские мультиметры настроены работать, даже если неправильно поставлены щупы. Сломать прибор случайно остерегайтесь. Избегайте способа: воткнуть черный провод в разъем измерения высоких токов, красный – на свое место. Попытаетесь измерить переменное напряжение высоковольтной линии – ремонт обеспечен.
Нельзя применять неправильные диапазоны. Зарекитесь пытаться измерить переменное напряжение, применив шкалу постоянного. Проверка фаз станет последней в жизни мультиметра.
Прибор выводится из строя большим напряжением переменной полярности. Прочее (к примеру, неправильная полярность щупов) не так страшно.
Фаза и нуль в электрике
Электроэнергия появляется в результате упорядоченного движения заряженных частиц в проводах — электронов. Рождаются эти электроны в огромных электростанциях — таких как, например, Волгоградская ГРЭС (гидроэлектростанция), Нововоронежская АЭС (атомная электростанция) и многих других в нашей стране. Далее по очень толстым проводам эта энергия передается на промежуточные подстанции (как правило, такие стоят по периферии городов), а от них — до местных КТП (комплектная трансформаторная подстанция), которые есть почти в каждом дворе.
Уровни напряжения в таких сетях варьируются от 750000 вольт до 380 вольт в конечной КТП. И именно последние делают так, что в розетке обычного дома появляется 220В.
Казалось бы, все просто, но! В розетке находятся два провода. И из уроков физики каждый знает, что в электрике есть «фаза» и «нуль». Эти два слова дают нам свет, тепло, воду, газ и многое другое, чем мы пользуемся каждый день. Теперь по-порядку.
Замер сопротивления «кольца фаза-нуль»
Для планового контроля и своевременного обнаружения и устранения нарушений безопасности в электросети обеспечения её нормальной работы, проводятся систематические замеры сопротивления кольца фаза-нуль, так как причинами поломок приборов освещения являются сетевые перегрузки и короткое замыкание.
Самый быстрый и эффективный способ выявления и предотвращения таких случаев – это замер сопротивления.
Не всем известно, что значит понятие «кольцо фаза-нуль». Оно означает контур, созданный соединением нулевого проводника, расположенного в заземленной нейтрали. Замыкание этой электрической сети образует кольцо фаза-нуль.
Сопротивление в контуре измеряется:
- Падением напряжения в выключенной цепи.

- Падением напряжения вследствие сопротивления растущей нагрузки.
По цвету провода
Узнать назначении жилы можно по цвету ее изоляции. Существует стандарт цветовой маркировки проводников. Нулевые провода принято обозначать голубым либо синим цветом. Заземление можно найти по зеленому цвету изоляционного материала. Впрочем, здесь допустимо использовать также желтую маркировку либо сочетание зеленого и желтого цветов.
С фазовым проводом дело обстоит труднее. Палитра оттенков его обозначения довольно широка:
- белый;
- черный;
- красный;
- коричневый;
- серый;
- оранжевый;
- розовый;
- фиолетовый цвет.
Встречаются фазы даже бирюзового цвета. В этом случае следует быть очень аккуратным, чтобы случайно не перепутать его с зеленым заземлением или с голубым нулем.
Строго говоря, определение по цвету изоляции – не самый надежный способ. Поэтому специалисты часто называют его условным. Во-первых, цветная маркировка встречается далеко не всегда, – например, в старых постройках использовали исключительно белый цвет изоляции для всех кабелей. Во-вторых, сами специалисты-электромонтажники часто пренебрегают установленными правилами маркировки, подсоединяя к системе те провода, которые оказались под рукой.
Обозначение на схемах лампочек, выключателей света , розеток
Автор Alexey На чтение 5 мин. Просмотров 3.9k. Опубликовано Обновлено
Умение читать электротехнические схемы, способность распознавать на чертеже дома обозначенные символами различные условные графические обозначения коммутационных аппаратов и элементов сети – позволит разобраться в обустройстве проводки самостоятельно.
Понятная пользователю схема даёт ему ответ на вопрос, какие провода подключить к тем, или иным клеммам электроприбора.
Но для чтения чертежа недостаточно помнить символы разнообразных электротехнических устройств, нужно также понимать, что они делают, какие функции выполняют, чтобы улавливать взаимосвязь между ними, необходимой для того, чтобы понять работу всей системы целиком.
Изучению всей номенклатуры электротехнических аппаратов посвящается много времени в специальных учебных заведениях, и нет никакой возможности в одной статье вместить обозначение всех этих устройств, с детальным описанием их функциональных возможностей и характерных взаимосвязей с другими приборами.
Поэтому нужно начинать с изучения простых схем, включающих в себя небольшой набор элементов.
Проводники, линии, кабели
Самый распространённый компонент любой электросети – обозначение проводов. На схемах он обозначается линией. Но нужно помнить, что один отрезок на чертеже может означать:
- один провод, являющийся электрическим соединением между контактами;
- двухпроводную однофазную, или четырёх проводную трёхфазную линию групповой электрической связи;
- электрический кабель, включающий в себя целый набор силовых и сигнальных групп электрических связей.

Как видим, уже на стадии изучения, казалось бы, простейших проводов существуют сложные разнообразные обозначения их разновидностей и взаимодействий.
Изображение распредкоробок , щитковНа данном фрагменте из таблицы № 6 ГОСТ 2.721-74 показаны различные обозначения элементов, как простых одножильных соединений и их пересечений, так и жгутов проводников с ответвлениями.
Изображение проводов , ламп и вилкиНет смысла начинать заучивать все эти значки. Они сами отложатся в сознании после изучения разнообразных чертежей, при котором время от времени придётся заглядывать в данную таблицу.
Компоненты сети
Набор элементов, состоящий из светильника, выключателя, розетки является достаточным для функционирования жилой комнаты, он обеспечивает освещение и питание электроприборов.
Выучив их обозначение, можно с лёгкостью понять обустройство проводки у себя в комнате, или даже спроектировать свой собственный план электропроводки, учитывающий насущные потребности.
Взглянув на таблицу №1 ГОСТ 21.608-84, можно удивиться тому разнообразию имеющихся в обиходе электротехнических изделий. Находясь у себя дома и читая данную статью, стоит оглянуться и найти у себя в комнате компоненты электросети, соответствующие обозначенным в таблице. Например, розетка обозначается на схеме полукругом.
Схематическое изображение различных видов розетокСхематическое изображение различных видов выключателейСуществует много их разновидностей (только фаза и ноль, с дополнительным контактом заземления, двойные, блочные с выключателями, скрытые и т. д.), поэтому каждая имеет своё графическое обозначение, также как и множество типов выключателей.
Пример монтажной схемы небольшой квартирыНемного практики для запоминания
Выделив найденные элементы, желательно попробовать их начертить, можно даже по правилам, указанным в таблице №2. Данное упражнение поможет запомнить выбранные компоненты.
Имея начертание графических символов, можно соединить их линиями, и получить схему проводки в комнате. Поскольку провода спрятаны в стенном покрытии, монтажный чертёж нарисовать не удастся, но электрическая схема будет верной.
Пример простой схемыКосыми чёрточками обозначено количество проводников в линии. Стрелками указаны выходы на щиток с защитными автоматами и УЗО. Линия синего цвета означает подключение двухпроводным кабелем к коробке распределения, от которой выходят по три провода на выключатель и светильник.
Чёрным показана трёхпроводная проводка с защитным проводником РЕ. Данный рисунок приведён лишь для примера. Для проектирования сложных электрических систем нужно пройти целый курс высшего специализированного учебного заведения.
Но, выучив несколько часто встречающихся символов, можно нарисовать от руки проводку комнаты, гаража или целого дома, и работать по ней, воплощая её в реальности.
УЗО, автоматы, электрощит
Для полноты картины нужно ещё выяснить обозначение распределительных коробок, защитного автомата, УЗО, счётчика.
На изображении видно, что однополюсный автоматический выключатель отличается от двухполюсного наличием косых линий на обозначении проводов подключения.
Защитные системы
Для возможности понимания обустройства всей проводки загородного дома (не только электросети), нужно также изучить средства молниезащиты,ноля, фазы, значок датчика движения и других сигнальных средств ПОС (пожарно-охранной сигнализации).
схема молниезащиты загородного дома проволочным молниеотводом, устанавливаемым на крышеНа рисунке указана схема молниезащиты загородного дома проволочным молниеотводом, устанавливаемым на крыше:
- проволочный молниеприемник;
- ввод воздушной ВЛ и заземление крюков ВЛ на стене;
- токоотводящий провод;
- контур заземления.
Датчики сигнализации имеют свое специфическое обозначение, в паспортах некоторых производителей они могут отличаться. Наиболее типичными символами представлены средства ПОС, описанные ниже.
На данном рисунке показан план коттеджа с изображённой схемой подключения различных датчиков пожарно-охранной сигнализации.
Пример плана коттеджа
В этой статье показана та часть обозначений, которая касается обустройства дома или квартиры. Для более полного ознакомления с графическими символами электротехники и других отраслей, нужно изучать ГОСТ и различные справочники.
И ещё раз стоит напомнить, что мало выучить значки, нужно понимать принцип работы обозначаемых элементов в электрике.
Каких цветов бывают провода в кабеле — фаза, ноль, земля
В большинстве современных кабелей проводники имеют изоляцию разных цветов. Цвета эти имеют определенное значение и выбираются не просто так. Что такое цветовая маркировка проводов и как с ее помощью определить где ноль и заземление, а где — фаза, и будем говорить дальше.
Блок: 1/6 | Кол-во символов: 282
Источник: https://elektroznatok.ru/provodka/tsvetovaya-markirovka-provodov
Зачем это надо
В электрике принято различать провода по цветам. Это намного облегчает и ускоряет работу: вы видите набор проводов разных цветов и, по цвету, можете предположить какой для чего предназначен. Но, если разводка не заводская и делали ее не вы, перед началом работ обязательно надо проверить соответствуют ли цвета предполагаемому назначению.
Цвета проводов имеют определенное значение
Для этого берут мультиметр или тестер, проверяют на каждом проводнике наличие напряжения, его величину и полярность (это при проверке сети электропитания) или просто прозванивают куда и откуда идут провода и не меняется ли «в пути» цвет. Так что знание цветовой маркировки проводов — один из необходимых навыков домашнего мастера.
Блок: 2/6 | Кол-во символов: 730
Источник: https://elektroznatok.ru/provodka/tsvetovaya-markirovka-provodov
для электриков и домашних мастеров
« предыдущая тема следующая тема »
Страницы:
Тема: Соединение разных по цвету проводов (Прочитано 6262 раз)
0 Пользователей и 1 Гость просматривают эту тему.
Страницы:
« предыдущая тема следующая тема »
Блок: 2/2 | Кол-во символов: 396
Источник: http://ElectroForum.su/index.php?topic=593.0
Что говорится в ГОСТ и ПУЭ о цветовой маркировке
Основным документом, на который стоит опираться при производстве или приобретении кабелей, является ГОСТ 31947-2012. До его появления единообразия и порядка в области цветового обозначения электропроводки не было.
До сих пор в старых домах можно встретить провода в одинаковой оболочке, по цвету которой не определить, что подключено – «фаза», «ноль» или «земля».
Сейчас идентифицировать жилы стало намного легче. Даже без применения тестера можно определить, к какому контакту следует подключить ту или иную жилу – по цвету полимерной изоляции
В выше обозначенном документе ГОСТ указано, что изоляция кабельной продукции должна отличаться по расцветке. Определенный оттенок должен покрывать провод сплошным слоем – с начала и до конца. Нельзя, чтобы один провод в начале бухты был синим, а конце – белым; также запрещена прерывистая окраска.
Единственная жила, которая может иметь двухцветную оболочку – это «земля». Официально ей присвоена комбинация зеленый/желтый, по отдельности эти два оттенка использоваться не могут
Также в нормативных документах содержатся рекомендации по применению различных схем для 3-жильных, 4-жильных и 5-жильных кабелей. Например, при производстве 3-жильных кабелей приветствуются следующие комбинации:
- коричневый – синий – зеленый/желтый;
- коричневый – серый – черный.
Если кабель состоит из 4 жил, то рекомендуется также два типовых варианта окраски:
- коричневый – серый – черный – зеленый/желтый;
- коричневый – серый – черный – синий.
Схемы для 5-жильного провода выглядят следующим образом:
- коричневый – серый – черный – зеленый/желтый – синий;
- коричневый – серый – 2 черных – синий.
Синим цветом обозначается «нулевая» жила.
Не рекомендуют использовать только два цвета – красный и белый.
К распределению цветов заземляющей жилы предъявляются особые требования: на любом случайно выбранном фрагменте провода длиной 1,5 см один цвет должен покрывать 30-70 % изоляции, второй цвет – остальную площадь
Окраска должна наноситься прочно и быть хорошо различимой.
Если обратиться ко второму важному для электромонтажников документу – ПУЭ, то в п.1.1.29 и п.1.1.30 также можно найти информацию о цвете проводов фаза-ноль-земля. Точнее, данные там не расписаны, но есть отсылка к ГОСТ P 50462-92, который уже давно заменен более свежей редакцией ГОСТ Р 50462-2009, действующей и сегодня.
Материал соответствует информации, изложенной в ГОСТ 31947, но есть некоторые уточнения. Например, особым образом должны окрашиваться провода, выполняющие двойную функцию: если нулевой рабочий совмещен с нулевым защитным, то по всей длине он окрашивается в голубой цвет, а по краям имеет зелено-желтые полоски.
Схематичное изображение цветовой маркировки проводников.
Наряду со цветовым обозначением жилы имеют и буквенное: нулевой – N, защитный – PE, совмещенный нулевой + защитный – PEN
Таким образом, все цвета, за исключением синего (голубого) и зеленого/желтого, можно применять для окраски изоляции фазного проводника. В эту группу попадают белый и красный цвета, которые почему-то ГОСТом редакции 2012 года не рекомендованы к использованию.
Пример трехжильного кабеля, изготовленного с учетом норм ГОСТ: зеленая/желтая жила предназначена для заземления, синяя – нулевая, коричневая – фазная
В приложении А к ГОСТ Р 50462 есть таблица, в которой можно найти буквенные обозначения всех цветов. Например, фазный проводник 1-фазной цепи (L) окрашивается в коричневый цвет, код цвета – BN. Буквенные коды применяют для черно-белых копий схем, на которых не используются различные цвета.
Блок: 2/5 | Кол-во символов: 3555
Источник: http://sovet-ingenera.com/elektrika/wires/cveta-provodov-v-elektrike.html
Варианты устройства автомагнитолы
Все магнитолы производятся по стандартам той фирмы, которой они принадлежат.
Вышеупомянутые Пионер, Кенвуд и Сони производятся в соответствии со стандартами своих компаний. Однако каждая из них имеет стандартный ISO-переходник. Аналогично на каждой машине имеется стандартный штекер под этот переходник.
Исходя из этого, может возникнуть одна из трех ситуаций:
- Первый вариант является идеальным. В автомобиле выведены все провода. Все подключено согласно стандартам и выведено под ISO-разъем. Сложностей в данном случае не возникнет. Нужно только подключить этот разъем к магнитоле.
- Второй случай, когда все провода выведены правильно, но разъем не подходит. В этом случае можно приобрести проводник, которых в специализированных магазинах продается великое множество, подключить магнитолу через проводник и наслаждаться качественным звуком.
- Последний вариант: провода не выведены в один разъем или их вовсе нет.
Третий вариант является самым проблемным, и поэтому далее нужно рассмотреть именно его.
Блок: 3/5 | Кол-во символов: 1038
Источник: http://1avtozvuk.
ru/sovety/shema-podklyucheniya-po-cvetam
Требуемый инструмент для монтажа люстры
Для того чтобы подключить люстру к проводам на потолке потребуются инструменты:
- Три различные отвертки: с плоским концом, фигурная, индикатор.
- Бокорез и плоскогубцы.
- Нож – должен быть заточенным.
- Вольтметр.
- Изолента.
Нож требуется для оголения одножильного провода, потому что пассатижи повредят или переломят саму жилу. Оголение делается острым лезвием ножа точно так же, как затачивается карандаш. Если остаются заусеницы – это ничем не грозит.
Индикатор нужен для поиска фазы. В такой отвертке наконечник сделан для закручивания шурупов. Делать этого не нужно, поскольку она непрактичная и в скором времени сломается.
Приборы измерения есть 2 видов: с цифровым экраном и со стрелками. Предпочтение отдается цифровым, поскольку их показания наиболее точны. Цифровые приборы противоударные, имеют защиту от перегруза. Стрелочный прибор используется в горизонтальном положении.
Его достоинство — показывает измерение без дополнительного питания (аккумуляторы, батарейки).
Внимание! Во всех приборах диапазон переменного тока не больше 500–600 Ватт.
Для подключения осветительного прибора к электросети требуется выполнить пошаговый алгоритм действий с подробной инструкцией.
Блок: 3/5 | Кол-во символов: 1204
Источник: https://LampaExpert.ru/lyustry/kak-podklyuchit-k-vyklyuchatelyu
Как окрашиваются провода фазы
При работе с проводкой наибольшую опасность представляют фазные провода. Прикосновение к фазе, при определенных обстоятельствах, может стать летальным, потому, наверное, для них выбраны яркие цвета. Вообще, цвета проводов в электрике позволяют быстрее определить которые из пучка проводов наиболее опасны и работать с ними очень аккуратно.
Расцветка фазных проводов
Чаще всего фазные проводники бывают красного или черного цвета, но встречается и другая окраска: коричневый, сиреневый, оранжевый, розовый, фиолетовый, белый, серый.
Вот во все эти цвета может быть окрашены фазы. С ними проще будет разобраться, если исключить нулевой провод и землю.
На схемах фазные провода обозначаются латинской (английской) буквой L. При наличии нескольких фаз, к букве добавляют численное обозначение: L1, L2, L3 для трехфазной сети 380 В. В другой версии первая фаза обозначается буквой A, вторая — B, третья — C.
Блок: 2/5 | Кол-во символов: 935
Источник: http://stroychik.ru/elektrika/cvetovaya-markirovka-provodov
Техника безопасности
Перед тем как приступить к подключению люстры к электросети, установить выключатель, нужно ознакомиться с техникой безопасности в работе с электричеством. Для этого не требуется изучать талмуды «физики по электричеству», стоит ознакомиться с правилами:
- Во всем применяемом инструменте для работы с электроприборами, а также по электропроводке рукоятки заизолированы.
- Для проведения работы электроэнергия во всем помещении отключается на щитке. Для этого выключить выключатель света недостаточно.
Требуется на электрощитке (счетчик в частном доме) отключить пробки, если же там нет кнопок, пробки выкручиваются.
- Выключатель для светильника устанавливается в разрыв провода «фаза».
Если соблюдать эти правила, тогда жизнедеятельности не будет ничего угрожать.
Проверка проводов индикатором
Как распознать провода?
Все провода выпускаются в нескольких цветах. Это значительно облегчает работу электрика, и дает подсказку новичку.
Общепринятый стандарт:
- Заземление – желтый провод со светло-зеленой полоской (земля).
Мнение эксперта
Алексей Бартош
Специалист по ремонту, обслуживанию электрооборудования и промышленной электроники.
Задать вопрос эксперту
Внимание! Он не используется для подключения электроустройств. Это только заземление (чтобы в процессе работы электроприбора ток не пробивал «мелкой дрожью»).
- Синий (голубой) провод – ноль.
- Фазными выступают другие цвета, кроме перечисленных.

В домах и квартирах со старой проводкой все кабели одинаковы, заземления не было. Чтобы определиться с типом следует делать прозвон.
Чем грозит поменять местами фазу и ноль?
Есть мнение от людей, считающих себя профессионалами (поставил в доме 1 розетку), что при установке выключателя нет разницы в подсоединении проводов, потому как через разомкнутые контакты электричество в лампу не попадает. Это неверно. Следует точно знать, что является фазой, а какой провод идет «нулем». При разорванном ноле электрический ток не поступает, но во всех кабелях присутствует фазный ток. Что грозит поражением человека электротоком. В ином случае люминесцентные осветительные приборы, а также лампы «эконом» при фазном токе мерцают или же слабо светят.
Как соединить провода?
Скрутка – это очень кропотливое дело. Если она сделана неправильно, производится переделка. Поэтому следует это делать правильно, а также прочно изолировать ее. Если таких скруток много, а в сети большое напряжение или же плохой контакт соединения греются, тогда возможно скорое перегорание изоленты, что приведет к замыканию.
Поэтому при скручивании проводов необходимо их хорошо прижимать и изолировать.
Сейчас применяются клеммные колодки. Они зарекомендовали себя как противопожарные элементы. С их помощью соединяется четыре и больше скруток. Одними из них являются WAGO. Для соединения не потребуется инструмент, монтаж происходит за короткое время. Для начала открываются рычажки, вставить туда провода и закрыть рычаг. При этом соединение будет надежным, противопожарным. Приобретенная новая люстра разбирается, проверяется качество колодок и винтов. При необходимости винты нужно хорошо затянуть. Особенно если люстра китайского производства.
Клеммные колодки использовать удобнее всего
Блок: 2/5 | Кол-во символов: 3151
Источник: https://LampaExpert.ru/lyustry/kak-podklyuchit-k-vyklyuchatelyu
Подготовительные работы: прозвон – определение фазы на потолке
На данном этапе подготовки будет выяснено, что делать с проводом заземления и как отличить фазу и ноль на потолочном перекрытии? Как множество ниток проводов с люстры соединить с кабелями на потолочном перекрытии? Подключение осветительного прибора своими руками дело аккуратное, требующее минимальные знания по электричеству.
Найти нужный кабель поможет индикатор
Провод «заземление»
Если проводка уже сделана на потолке (разводка сделана, допустим, под гипсокартоном в каркасной основе), тогда среди них есть «ноль», остальные – это фаза и земля.
Внимание! Проводка с заземлением сделана в новостроях и в помещениях с проведенным ремонтом.
Провод «заземление» имеет желто-зеленый цвет. По международному стандарту обозначается РЕ. Он соединяется с таким же цветовым проводом на люстре. Просто так оставлять провод нельзя, поскольку это может привести к замыканию. Если же в люстре есть заземление, а на потолке старая проводка, тогда требуется сделать изоляцию РЕ в люстре. Изоляция заземления проводится на потолке, если в люстре его нет. Изоляция делается аккуратно и качественно изоляционной лентой. Недопустимо, чтобы край ленты торчал или отклеивался.
Правильная изоляция
Ищем фазы и ноль
Все провода проверяются – нужно определить, где фаза и ноль.
Нельзя надеяться только на цветовую гамму по нескольким причинам. Во-первых, не известно (во многих случаях) как подсоединялись провода к распределительной коробке – квалификация электрика или соседа; во-вторых, цветовая гамма может меняться, и если человек уверен, что фаза красная по цвету, то это мнение может быть ошибочно.
Если с потолка выходит всего три провода, установлен выключатель с 2 клавишами, тогда может быть два питающих провода, на каждый отдел выключателя, и один ноль – общий. Прозвон делается при помощи мультиметра (тестер), индикатора.
Для прозвона требуется сделать следующее:
- Обуть обувь на резиновой подошве. Быть в сухом помещении. Руки и ноги также должны быть сухими. Вода является проводником тока.
- На счетчике или щитке включается напряжение, а выключатель поставить в режим «вкл.».
- Осторожно, чтобы провода не касались друг друга (чтобы не спалить всю проводку в доме) следует индикатором, краем отвертки, касаться каждого по очереди.
Если отвертка зажигается – есть напряжение. - При подсоединении измерительного прибора, тестер покажет, стрелочкой или цифрами на дисплее, какое напряжение в проводе.
- Для уверенности (если память плохая) маркером намечается фазу или все записывается на бумаге – какой цвет.
- После обнаружения фазы выключается выключатель, а после обесточивается квартира на электрощитке или на счетчике.
Для определения тестером проводов требуется на аппарате переключатель поставить на «вольты», выбрать шкалу «больше 220 В». После этого осторожно касаться щупами, держать надо за ручку, а не за оголенное железо, к проводке поэтапно, а не сразу ко всем. Два питающих провода между собой не дают прозвон. Если есть такая пара, тогда это провода фаз. А третий «ноль». Далее, требуется каждый провод, предполагаемая фаза, соединять щупами с нолем.
На экране тестера выявиться 220 В. Кабели следует наметить маркером на изоляции или записать цвета. Работа с индикатором легче: светится – фаза, нет – ноль (обозначается буквой N). Фаза – буква L.
Если в потолке только 2 провода, однозначно один из них фаза. Выключатель при этом одноклавишный, а если есть вторая, тогда она нерабочая.
Блок: 4/5 | Кол-во символов: 3432
Источник: https://LampaExpert.ru/lyustry/kak-podklyuchit-k-vyklyuchatelyu
Подключение розеток
Обычно на розетки отводится отдельная линия. В коробке имеется три кабеля по два или три проводника. Каждый провод окрашивается в свой цвет. Как правило, коричневый – это фаза, голубой – нулевой проводник, а желто-зеленый провод – заземление. Так или иначе – в коробке все провода соединяются по цветам, формируя группы.
Как только проводники отделены по цветам, их складывают, вытягивают, подгоняя под одинаковую длину. Не стоит отрезать слишком коротко – оставляйте 100-миллиметровый запас, чтобы при необходимости была возможность повторно провести соединение.
Выбрав подходящий метод соединения, нужно состыковать провода.
В старых домах заземления нет, а значит – проводов будет только два. Иногда в кабеле провода – одного цвета. Чтобы определить, где фаза, а где – ноль, нужно использовать индикаторную отвертку, чтобы определить фазу.
Блок: 5/8 | Кол-во символов: 864
Источник: https://www.bazaznaniyst.ru/sem-sposobov-soedineniya-provodov/
Выводы и полезное видео по теме
Общепринятые стандарты цветовой маркировки:
Способы маркировки в дополнение к цветовой:
Когда все провода одного цвета — проверка контрольной лампой:
Цветовая маркировка жил — замечательный способ идентификации провода при его монтаже. Однако в процессе работы с уже установленными кабелями не стоит полагаться только на внешний вид проводников, так как они могут быть подключены ошибочно.
Обязательно следует использовать дополнительные способы определения жил, и если нельзя поменять сами провода, то нужно промаркировать их цветным скотчем или буквенными символами.
Блок: 5/5 | Кол-во символов: 608
Источник: http://sovet-ingenera.com/elektrika/wires/cveta-provodov-v-elektrike.html
Как подключить выключатель с одной клавишей
Если в комнате имеется выключатель, то соединение в коробке будет немного сложнее, чем только с розетками. Тут будет также три группы проводников, но соединение – другого типа. Имеется:
— входной кабель – от другой коробки или напрямую от щита;
— провод для люстры;
— провод от выключателя.
Схема должна работать следующим образом. Питание (то есть фаза) поступает на клавишу выключателя. От его выхода подается провод на осветительный прибор. Как только контакты выключателя замкнуться, люстра будет гореть. Заземление и нейтральный провод нужно скручивать вместе.
Блок: 6/8 | Кол-во символов: 612
Источник: https://www.bazaznaniyst.ru/sem-sposobov-soedineniya-provodov/
Подключение выключателя с двумя клавишами
Подключение выключателя с двумя клавишами в распределительной коробке – более сложное, чем при одноклавишном выключателе.
Схема характерна тем, что к устройству на 2-е группы ламп нужно прокладывать кабель с тремя жилами (если нет заземления). Один проводник подсоединяется на общий контакт, а другие два – на выход к клавишам. Нужно запомнить, какой проводник (по цвету) был подключен к общему контакту. Фаза, которая приходит, соединяется с общим проводом выключателя. Нейтральные провода от входа, а также с двух лампочек скручиваются – три проводника вместе. Остается фазный провод от ламп и два – от выключателя. Их соединяют попарно – один проводник от выключателя к фазе одной лампочки, а второй выход к оставшейся лампе.
Блок: 7/8 | Кол-во символов: 772
Источник: https://www.bazaznaniyst.ru/sem-sposobov-soedineniya-provodov/
Выводы
Таким образом, мы рассмотрели все существующие на сегодняшний день способы соединения проводов в распределительной коробке. Для того чтобы понять, какой метод будет лучше, нужно определиться с тем, в каких условиях будет эксплуатироваться проводка, какая нагрузка будет на нее возложена.
Если детально просчитать все параметры работы электросети в доме или квартире, то все работы можно выполнить своими руками. Большинство соединительных элементов имеются в продаже специализированных магазинов или в гипермаркете на отделе «Электричество».
Однако стоит отметить, что работа с электричеством – это ответственная задача. По нормативам выполнять электромонтажные работы может только специалист, имеющий допуск (разряд).
Кроме того, для выполнения некоторых видов соединения (например, сварки), нужно иметь под руками соответствующее оборудование, инструменты.
На основании вышесказанного рекомендуется обратиться к специалистам за помощью. Не экономьте средства на безопасности своей семьи, дома. Приступайте к самостоятельному выполнению электрических работ только в том случае, если имеются определенные знания в данной сфере и уверенность в собственных силах.
Блок: 8/8 | Кол-во символов: 1187
Источник: https://www.bazaznaniyst.
ru/sem-sposobov-soedineniya-provodov/
Количество использованных доноров: 7
Информация по каждому донору:
- https://elektroznatok.ru/provodka/tsvetovaya-markirovka-provodov: использовано 2 блоков из 6, кол-во символов 1012 (4%)
- http://sovet-ingenera.com/elektrika/wires/cveta-provodov-v-elektrike.html: использовано 3 блоков из 5, кол-во символов 5397 (23%)
- http://stroychik.ru/elektrika/cvetovaya-markirovka-provodov: использовано 1 блоков из 5, кол-во символов 935 (4%)
- https://LampaExpert.ru/lyustry/kak-podklyuchit-k-vyklyuchatelyu: использовано 3 блоков из 5, кол-во символов 7787 (33%)
- http://1avtozvuk.ru/sovety/shema-podklyucheniya-po-cvetam: использовано 2 блоков из 5, кол-во символов 2101 (9%)
- https://www.bazaznaniyst.ru/sem-sposobov-soedineniya-provodov/: использовано 6 блоков из 8, кол-во символов 5918 (25%)
- http://ElectroForum.su/index.php?topic=593.0: использовано 1 блоков из 2, кол-во символов 396 (2%)
к двойному выключателю, с пультом управления
Перед каждым человеком, хоть раз в жизни возникает вопрос: как произвести подключение люстры своими руками в квартире или доме, или лучше нанять электрика.
Если вы никогда не держали в руках отвертку и не знаете элементарных правил электротехники, то лучше, конечно, нанять специалиста. Если же вы чувствуете в себе силы, имеете определенные знания и некоторые навыки в работе с инструментом, то вы справитесь с этой работой самостоятельно. Для вас и написана эта статья.
Предварительные работы
Перед тем, как начать работу по подключению люстры к сети, необходимо провести предварительные работы. Это определение, к какому проводу электропроводки подходит «фаза», а к какому «нуль», разобраться с схемой соединения проводов в люстре, а при необходимости и самому собрать эту схему, проверить исправность выключателя.
Обязательно и необходимо во время работ соблюдать правила электробезопасности. Это проведение работ по подключению люстры при отсутствии напряжения в сети, проведение работ исправным инструментом.
Определение фазы и нейтрали
Под потолком находятся провода, их минимум должно быть 2, один провод «фаза», а другой — «нейтраль» (еще его называют «нуль»). Если люстра подключается через двухклавишный выключатель, то проводов будет три (две фазы и один — нейтраль). Надо всегда помнить, что фазные провода подходят к осветительному прибору через выключатель. Среди электриков принято для фазного провода использовать красные, желтые, черные, белые цвета проводов. Для «нуля» чаще применяют провод с синей изоляцией. Но далеко не везде придерживаются данной маркировки, поэтому провода предварительно проверяют, на каких проводах находится фаза. Определить, на каких проводах фаза, лучше с помощью индикаторной отвертки или, так называемого индикатора напряжения. Данная работа проводится под напряжением, по этому будьте предельно внимательны и осторожны. Выключатели на люстру должны быть включены. Для определения фазы нужно один конец индикаторной отвертки поочередно прикладывать к проводникам, а большим пальцем своей руки прикасаться к металлическому колпачку индикатора. Если неоновая лампочка в отвертке загорается, значит на проводе фаза, если нет — значит нуль или заземление.
Далее надо определиться с проводами на люстре. Вы можете столкнуться с несколькими комбинациями проводов от лампочек люстры. Это лампы уже разбиты на группы и их провода соединены, или от каждой лампы отходит своя пара проводов и их надо разбить на группы и соединить.
Схема соединения проводов на пятирожковой люстре фото расположено ниже:
Рассмотрим вариант, когда лампочки на люстре не разбиты на группы, и ламп больше, чем пять. Тогда для люстры, к примеру, на 6 лампочек выведены 6 пар проводов (6 проводов на фазу и столько же нулевых проводов).
Ревизию люстры и разбивку лампочек на группы лучше проводить на столе или другом удобном для проведения этой работы месте. Если провода люстры двухжильные, т. е. уже разбиты на пары, то задача упрощается. Надо по одному проводу из каждой пары соединить вместе. На это соединение будет подаваться нуль сети. К другим проводам поочередно подключать фазный провод. На люстре, так же поочередно будут загораться лампы. Отмечаем, какой провод при подключении фазы зажигает какую лампу.
Затем разделяем шесть ламп люстры на две группы, чаще всего лампы каждой группы должны гореть через одну. Соединяем фазные провода люстры в получившиеся группы. И так, в итоге мы имеем три соединения. Первое, где соединены шесть проводов (как правило, провода нейтрали окрашены в синий цвет) — сюда будет подключаться нуль электропроводки. Второе соединение из трех проводов — это одна группа ламп, сюда будет подключаться фаза из цепи освещения, которая приходит через выключатель. Третье соединение, аналогична второму, только зажигать будет другую группу ламп.
Поиск заземления
В современных домах из-за обилия электроприборов и их сложности, большинство щитков дополнительно оснащается заземленной шиной. Далее от этой шины заземляющий провод подходит к розеткам с заземляющим контактом. А в случае необходимости и к светильникам и люстрам.
На рисунке Вариант 1 — провода к люстре от проводки с одноклавишным выключателем, Вариант 2 — с двухклавишным выключателем.
Обще принято, что для обозначения провода «земля» используется провод с желто-зеленой оболочкой изоляции.
Для подсоединения провода «земля» к корпусу светильника или люстры, на корпусе есть болт или винт.
При подключениях нельзя путать провода «ноль» и «земля». Они близки по содержанию, и при подключении люстры к цепи освещения с заменой нейтрали на заземление лампочки хоть и будут гореть, но при определенных условиях это может нарушить нормальную работу электропроводки всего дома.
Как правило, для подключения люстры в жилом помещении не применяется ее заземление. Но если есть желание, то «землю» подключают к корпусу люстры. Подобное решение актуально во влажных помещениях.
Контакты на люстре
Каждая лампа в люстре имеет 2 провода, это «фаза» и «нейтраль». Иногда имеется третий провод или контакт, подключаемый к заземлению. Для подключения люстры с такими тремя контактами фазовый провод от выключателя, подключается на разметку L, нейтраль на N, земля на PE (может отсутствовать, не является обязательным).
При подключении люстры необходимо соблюдать определенные меры безопасности.
- Обесточьте электропроводку, идущую к люстре, отключив автомат на электрощите.
- Проверьте отсутствие напряжения на проводах, где будете проводить работы.
- Подключите «нуль» к нужному контакту на люстре.
- Подключите «фазу» к нужному контакту на люстре.
- Заизолируйте оголенные места соединений. Если используются клеммы, то зафиксируйте провода в них.
У большинства людей возникает вопрос, куда девать лишний провод на люстре.
- В первую очередь надо разобраться, что это за провод.
- Если это провод, предназначенный для заземления, а заземляющего провода в сети нет, то его изолируют и далее убирают в сторону.
- Если ваша люстра разделена на группы и этот провод от второй группы ламп, то его соединяют с фазным проводом первой группы. При этом варианте светильник будет работать от одного выключателя.
Для люстр с 5 лампочками схема подключения точно такая же, только предварительно лампы разделяются на 2 группы и люстра имеет три контакта.
После этого подключение производится как обычно.
На схеме существуют правила обозначения контактов клеммника или проводов:
- L – фаза;
- N – нейтраль;
- PE – заземление.
В современных сетях электропроводки используется дополнительный провод заземления. Если имеется данный провод в электросети квартиры или дома, то подключайте его в соответствующий клемме (PE) клеммника, при отсутствии такого провода заземление не производится.
Двойной и одинарный выключатель
Для соединения люстры с одинарным выключателем все провода от лампочек объединяются в два соединения — фаза и нуль. В большинстве случаев соединять провода можно ориентируясь на цвет их изоляции. После формирования фазовых и нейтральных соединений, они подключаются к проводам от выключателя. Это видно по схеме 1.
4-ех, 5-ти, 6-ти рожковый вариант люстры, как правило, подключается с двойным выключателем. Он позволяет разделить лампы люстры на две группы и включать их по раздельности.
Схема 2.
Схема подключения на двухклавишный выключатель заключается в разделении электрических проводов от рожков люстры на 3 соединения (L1, L2, N). Первая и вторая является фазовыми проводами, третья для нейтрали.
- Все синие «нулевые» проводники на люстре соедините между собой, для этого можете их скрутить или соединить в клеммах.
- Оставшиеся фазные провода разделяете на две группы.
- Объедините первую группу (включается с левой клавиши).
- Объедините вторую группу (включается с правой клавиши).
Нельзя допустить, чтобы фазный и нулевой оголенные провода соприкасались друг с другом, иначе возникнет замыкание.
Проведите проверку на правильность работы. Поочередно на выключателе зажимайте клавиши. Если все работает правильно, то люстра монтируется под потолок. Можно ее использовать.
Как подключить люстру к двойному выключателю видео смотрите ниже:
Люстра с контроллером
Схема подключения люстры с пультом управления простая.
В корпусе осветительного оборудования находятся понижающий трансформатор, он преобразует 220В напряжение в 12В или 24В. Используется для подключения светодиодной подсветки и галогенных ламп, так как они не приспособлены для высокого напряжения.
Внутри корпуса также располагается контроллер к которому подключены лампочки и трансформаторы. От него отходит 3 провода, один является антенной, остальные фаза и нуль для подключения к электросети. Фаза и ноль окрашиваются в красный и черный цвет. Также можно найти их порядок подключения в инструкции по применению или по отметкам на корпусе. Установленный контроллер может работать и при неправильном подключении проводов электросети, но тогда могут возникнуть проблемы с корректностью выполнения команд от пульта.
Как подключить пульт управление люстрой видео смотрите ниже:
Если люстра управляется с пульта, то внутри ее корпуса имеется блок управления и антенна.
Ее выводят за корпус для приема сигнала от пульта. К блоку питания необходимо подключить фазу от выключателя и ноль. После этого производится установка люстры на потолок.
Правильное соединение проводов
Чтобы не приходилось выполнять ремонт проводки электросети из-за неправильного выполнения соединения проводов рекомендуется правильно соединять. Для этого придерживайтесь следующих правил:
- Самый лучший способ соединения проводников это места скрутки — пропаять, если этого не делать, то спустя время проводник окислится, будет перегреваться и придет в непригодность.
- Но для подключения люстры этот способ соединения проводов не особенно практичен. Лучше использовать метод соединения проводов с помощью клеммников или колпачков.
Эти меры предосторожности позволят долгое время не производить ремонт светового оборудования и электропроводки, а также уменьшит риск возникновения замыкания и пожара в электросети.
Установка выключателя или розетки
В настоящее время любое помещение освещается электрическими лампочками.
Но свет должен быть включен только тогда когда это вам необходимо. Для этих целей необходим выключатель. Рано или поздно каждый из вас сталкивается с проблемой его замены. Кажется все просто, сходил в магазин, выбрал нужный, купил и установил. Хотя если подумать, то для этого нужно все-таки иметь минимальный навык.
Инструмент и принадлежности
Если мы затеяли поменять розетку или выключатель нам потребуется:
- отвертка плюс и минус;
- тестер фазы;
- новая розетка или выключатель;
- изолента (буем отмечать фазу).
Установка выключателя
Процедура довольно простая. Итак, приступая к установке выключателя нужно в первую очередь разобраться в проводах. В обычной электропроводке их два: фаза и ноль. Для определения фазного провода надо прикоснуться лезвием активного пробника к оголенному проводу. Если индикатор пробника загорится, то этот провод фазный.
Следовательно, второй провод ноль. Если у вас в подрезетнике три провода то один -фаза, а два остальных -ноль. Для того чтобы при установке не перепутать провода фазу лучше всего отметить кусочком изоленты. Но если провода цветные, то просто следует запомнить какого цвета фазный провод. Затем разбираем выключатель. В первую очередь снимаем клавиши выключателя, затем рамку. Разбирать стоит осторожно, чтобы не сломать.После чего надо определить, к какой клемме нужно прикрутить фазный провод, а к какой нулевой. На клеммах это обозначается стрелочками. Следует запомнить, что электрический ток движется от фазы к нолю.
Приступая к установке выключателя обязательно отключить питание вашей электросети, чтобы не получить удар током. Затем нужно засунуть выключатель в подрезетник и хорошо зажать. Проще всего это сделать, вкрутив два самореза в специальные отверстия. Если вам нужно подключить несколько выключателей, то лучше сделать это по соседству. После чего собираем выключатель, подаем питание в сеть, проще говоря, закручиваем пробки – предохранители в электрощит.
Пробуем выключатель на работоспособность, при правильном подключении он будет работать безупречно. А если не работает, то повторите разборку выключателя, чтобы найти ошибку при установке.
Установка розеток
И так с выключателями мы более и менее разобрались. А теперь об установке розеток. Все знают что для того чтобы подключить дома любой электроприбор нам необходима розетка.
Следовательно, рано или поздно они выходят из строя и требуют замены. Установить розетку своими руками гораздо проще, чем выключатель, естественно, если вы устанавливаете обычную розетку. Для этого надо снять верхнюю крышку устанавливаемой розетки перед этим полностью отключив электропитание в доме. Затем крепим розетку двумя саморезами.
Прикручиваем провод, после чего прикручиваем крышку на розетку. Включаем электропитание, подключаем любой электроприбор к розетке. Работа сделана. Но гораздо сложнее установка специальных розеток для кухонь, ванн. Ведь эти розетки должны выдерживать большую нагрузку (подключение электропечей, накопительных водонагервателей, калорифферов).
Такие розетки имеют еще одну клемму для подключения заземления, это еще один ноль. При установке подобных розеток следует особое внимание уделить определения провода фазы.
Делаем это аналогично тому, как мы определяли фазу для установки выключателя, то есть с помощью активного пробника. Приступая к установки розетки, сначала снимаем корпус, затем закрепив розетку в подрезетнике прикручиваем провод фазы, и ноль к крайнем клеммам, а к средней клемме прикручиваем провод заземления.
Собираем розетку, включаем нужный электроприбор. Что самое важное через несколько минут нужно отключить вилку прибора и потрогать ее на ощупь. Вилка и розетка должны быть холодными. Если это так, то подключение было сделано правильно.
Видео о установке розетки
Видео о установке выключателя.
цветовая маркировка проводов от А до Я
Тот кто хоть раз имел дело с проводами и электрикой обратил внимание, что проводники всегда имеют различный цвет изоляции.
Сделано это не просто так. Цвета проводов в электрике призваны сделать проще распознавание фазы, нулевого провода и заземления. Все они имеют определенную окраску и при работе легко различаются. О том, каков цвет проводов фаза, ноль, земля и пойдет речь дальше.
Как окрашиваются провода фазы
При работе с проводкой наибольшую опасность представляют фазные провода. Прикосновение к фазе, при определенных обстоятельствах, может стать летальным, потому, наверное, для них выбраны яркие цвета. Вообще, цвета проводов в электрике позволяют быстрее определить которые из пучка проводов наиболее опасны и работать с ними очень аккуратно.
Чаще всего фазные проводники бывают красного или черного цвета, но встречается и другая окраска: коричневый, сиреневый, оранжевый, розовый, фиолетовый, белый, серый. Вот во все эти цвета может быть окрашены фазы. С ними проще будет разобраться, если исключить нулевой провод и землю.
На схемах фазные провода обозначаются латинской (английской) буквой L.
При наличии нескольких фаз, к букве добавляют численное обозначение: L1, L2, L3 для трехфазной сети 380 В. В другой версии первая фаза обозначается буквой A, вторая — B, третья — C.
Цвет провода заземления
По современным стандартам, проводник заземления имеет желто-зеленый цвет. Выглядит это обычно как желтая изоляция с одной или двумя продольными ярко-зелеными полосами. Но встречаются также окраска из поперечных желто-зеленых полос.
В некоторых случаях, в кабеле могут быть только желтые или ярко-зеленые проводники. В таком случае «земля» имеет именно такой цвет. Такими же цветами она отображается на схемах — чаще ярко-зеленым, но может быть и желтым. Подписывается на схемах или на аппаратуре «земля» латинскими (английскими) буквами PE . Так же маркируются и контакты, к которым «земляной» провод надо подключать.
Иногда профессионалы называют заземляющий провод «нулевой защитный», но не путайте. Это именно земляной, а защитный он потому, что снижает риск поражения током.
Какого цвета нулевой провод
Ноль или нейтраль имеет синий или голубой цвет, иногда — синий с белой полосой. Другие цвета в электрике для обозначения нуля не используются. Таким он будет в любом кабеле: трехжильном, пятижильном или с большим количеством проводников.
Синим цветом обычно рисуют «ноль» на схемах, а подписывают латинской буквой N. Специалисты называют его рабочим нулем, так как он, в отличие от заземления, участвует в образовании цепи электропитания. При прочтении схемы его часто определяют как «минус», в то время как фаза считается «плюсом».
Как проверить правильность маркировки и расключения
Цвета проводов в электрике призваны ускорить идентификацию проводников, но полагаться только на цвета опасно — их могли подключить неправильно. Потому, перед началом работ, стоит удостовериться в том, правильно ли вы определили их принадлежность.
Берем мультиметр и/или индикаторную отвертку. С отверткой работать просто: при прикосновении к фазе загорается светодиод, вмонтированный в корпус.
Так что определить фазные проводники будет легко. Если кабель двухжильный, проблем нет — второй проводник это ноль. Но если провод трехжильный, понадобиться мультиметр или тестер — с их помощью определим какой из оставшихся двух фазный, какой — нулевой.
На приборе переключатель выставляем так, чтобы выбранной была шакала более 220 В. Затем берем два щупа, держим их за пластиковые ручки, аккуратно дотрагиваемся металлическим стержнем одного щупа к найденному фазному проводу, вторым — к предполагаемому нулю. На экране должно высветиться 220 В или текущее напряжение. По факту оно может быть значительно ниже — это наши реалии.
Если высветилось 220 В или чуть больше — это ноль, а другой провод — предположительно «земля». Если значение меньше, продолжаем проверку. Одним щупом снова прикасаемся к фазе, вторым — к предполагаемому заземлению. Если показания прибора ниже чем при первом измерении, перед вами «земля» и она должна быть зеленого цвета. Если показания оказались выше, значит где-то напутали при и перед вами «ноль».
В такой ситуации есть два варианта: искать где именно неправильно подключили провода (предпочтительнее) или просто двигаться дальше, запомнив или отметив существующее положение.
Итак, запомните, что при прозвонке пары «фаза-ноль» показания мультиметра всегда выше, чем при прозвонке пары «фаза-земля».
И, в завершение, позвольте совет: при прокладке проводки и соединении проводов соединяйте всегда проводники одного цвета, не путайте их. Это может привести к плачевным результатам — в лучшем случае к выходу аппаратуры из строя, но могут быть травмы и пожары.
В процессе самостоятельной установки и подключения электрооборудования (этом могут быть различные светильники, вентиляция, электроплитка и т.п.) можно заметить, что коммутационные клеммы обозначены буквами L, N, PE. Особое значение здесь имеет маркировка L и N. Кроме обозначения проводов в электрике по буквам, их помещают в изоляцию различного цвета.
Это значительно упрощает процедуру определения, где находится фаза, земля или нулевой провод.
Чтобы устанавливаемый прибор смог работать в нормальном режиме, каждый из этих проводов должен быть подключен на соответствующую клемму.
Обозначение проводов в электрике по буквам
Электрические коммуникации в бытовой и промышленной сфере организовываются посредством изолированных кабелей, внутри которых находятся проводящие жилы. Они отличаются друг от друга цветом изоляции и маркировкой . Обозначение l и n в электрике дает возможность на порядок ускорить реализацию монтажных и ремонтных мероприятий.
Нанесение данной маркировки регулирует специальный ГОСТ Р 50462 : это относится к тем электроустановкам, где используется напряжение до 1000 В .
Как правило, они комплектуются глухозаземленной нейтралью. Зачастую электрическое оборудование данного типа имеют жилые, административные и хозяйственные объекты. Во время монтажа электрических сетей в зданиях этого типа необходимо хорошо разбираться в цветовых и буквенных указаниях.
Обозначение фазы (L)
Сеть переменного тока включает в себя провода, находящиеся под напряжением.
Правильное их название – «фазные
». Это слово имеет английские корни, и переводится как «линия» или «активный провод». Фазные жилы несут особенную опасность для здоровья человека и имущества. Для безопасной эксплуатации их покрывают надежной изоляцией.
Использование оголенных проводов под напряжением чревато следующими последствиями:
- 1. Поражение током людей. Это могут быть ожоги, травмы и даже смерть.
- 2. Возникновение пожаров.
- 3. Порча оборудования.
При обозначении проводов в электрике фазные жилы маркируются буквой «L». Это сокращение английского термина «Line », или «линия » (другое название фазных проводов).
Есть и другие версии происхождения этой маркировки. Некоторые специалисты считают, что прообразом стали слова «Lead» (подводящая жила) и Live (указание на напряжение). Подобная маркировка используется также для указания на зажимы и клеммы, на которые должны коммутироваться линейные провода. К примеру, в трехфазных сетях каждая из линий маркируется еще и соответствующей цифрой (L1, L2 и L3).
Действующие отечественные нормативы, регулирующие обозначение фазы и нуля в электрике (ГОСТ Р 50462-2009), предписывают помещать линейные жилы в коричневую или черную изоляцию. Хотя на практике фазные провода могут быть белыми, розовыми, серыми и т.п. В таком случае все зависит от производителя и изолирующего материала.
Обозначение нуля (N)
Для маркировки нейтральной или нулевой рабочей жилы сети используют букву «N» . Это сокращение термина neutral (в переводе – нейтральный). Так во всем мире принято называть нулевой проводник. У нас в стране в основном используют слово «Ноль».
Скорее всего, за основу здесь взято слово Null. Буква «N» в схеме указывает на контакты или клеммы, предназначенной для коммутации нулевой жилы. Подобное обозначение принято и для однофазных, и для трехфазных схем. В качестве цветового обозначения нулевого провода применяют синюю или бело-синюю (бело-голубую) изоляцию.
Обозначение заземления (PE)
Кроме обозначения фазы и нуля, в электрике также применяется специальное буквенное указание PE (Protective Earthing) для провода заземления.
Как правило, они всегда входят в состав кабеля, наряду с нулевыми и фазными жилами. Подобным образом маркируются также контакты и зажимы, предназначенные для коммутации с заземляющим нулевым проводом.
Для удобства монтажа жилы для заземления помещены в желто-зеленую изоляцию. Домашний мастер должен уяснить, что эти цвета всегда указывают только на заземляющие провода. Для обозначения фазы и нуля в электрике желтый и зеленый цвет никогда не используется.
Как показывает практика, при организации электрических сетей в зданиях жилого сектора иногда допускаются нарушения общепринятых нормативов использования цвета изоляции и соответствующей буквенно-цифровой маркировки. В таком случае не всегда достаточно обладать умением расшифровывать обозначения L, N или РЕ.
Чтобы подключение электрооборудования было действительно безопасным, необходимо проверять соответствие маркировки реальному положению вещей. Для этого используют специальные приборы (тестеры) или подручные приспособления.
При отсутствии опыта подобных работ для собственной безопасности лучше пригласить опытного электрика с соответствующим допуском.
Обозначение l и n в электрике
Обозначение фазы и нуля в электрике введено для того, чтобы электрические сети были безопасными и удобными в использовании. Для этого используется специальная буквенная маркировка (l и n) и изоляция соответствующего цвета. Также могут встречаться жилы с маркировкой РЕ желто-зеленого цвета: таким образом обозначены заземляющие провода.
Кроме того, эти же буквенные обозначения применяются на соединительных контактах и клеммах. Все, что потребуется сделать во время установки электроприбора – подвести каждый из проводов на клемму. Для перестраховки каждый из проводов желательно проверить тестером.
Работа с электричеством регламентируется специальными «Правилами устройства электроустановок» (ПУЭ). Здесьчетко прописана цветовая маркировка конкретного провода и кабеля, применяемых в электрике.
А потому обозначение фазы и нуля стандарты для всех монтажных проводов.
Электрик вскрывает распределительную коробку. А там – кабели одинаковые, белого цвета. Работать с ними крайне сложно. И чтобы определить предназначение каждого, нужно измерить все показатели с помощью или мультиметра.
Провода нужно проверить с помощью индикаторной отвертки или мультиметра
Понятно, что расцветка проводов значительно облегчает ремонтный процесс. Подобный подход гарантирует безопасность проведения работ, делает процесс более простым и удобным. Кроме того, электрик тратит гораздо меньше времени, ориентируясь на цвета проводов.
Для обустройства электрической сети в доме используются три основных кабеля: фаза, ноль, земля. При монтаже применяется цветовая маркировка по пуэ.
Запомнить их не сложно. Тем более, обычно для обустройства электрической сети в доме используются три основных кабеля: фаза, ноль, земля. При монтаже применяется цветовая маркировка по пуэ.
А значит, спутать предназначение конкретного провода невозможно.
Маркировка фаз по цветам поможет правильно повесить люстру, подключить любое электрооборудование к сети. Наиболее нагляден пример со светильником. Если перепутать фазу и ноль, при замене лампочки человек получит мощный удар током. И наоборот. Когда фаза и ноль, их обозначение не перепутаны, можно дотрагиваться даже до горящей лампы. Это абсолютно безопасно. Ведь фаза выходит на выключатель, а ноль – на лампу, нейтрализуя напряжение.
Буквенные подсказкиВ схемах электропроводки принята не только цветовая, но и буквенная маркировка. Главное – запомнить три обозначения. Это l, n, pe в электрике. Данные буквенные обозначения также являются отличными подсказками мастерам.
Цвет и символы помогут разобраться в проводах
Обозначение l и n в электрике наносится возле клемм подключения . Это первые буквы английских слов или словосочетаний, обозначающих функцию конкретного провода.
Эти незамысловатые символы сориентируют, как правильно подключить прибор к сети.
Следует отметить, что l и n в электрике – универсальные обозначения. Они приняты повсеместно. А значит, проблем с подключением аппаратуры, приборов, устройств иностранных производителей не будет. И обозначения l, n в электрике подскажут, какой провод с каким нужно соединить.
Заземление: безопасность зелено-желтого цветаЗаземление или защитный проводник – это, прежде всего, безопасность. А безопасность в электрике дорогого стоит. Этот кабель выполняет функцию запасного игрока. И вступает в игру лишь в том случае, когда нарушена изоляция фазного или нулевого проводника. Проще говоря, без заземления неисправный электроприбор в момент соприкасания ударит человека, с заземлением – нет.
Именно поэтому сейчас различная бытовая техника, другие приборы выпускается с защитным кабелем. Заземление в обязательном порядке должна иметь электропроводка дома.
Провода заземления обеспечивают безопасность работы электричества в доме
Заземление обозначают сочетанием pe – сокращенно от словосочетания Protective Earthing.
Иногда пишут слово «земля». На схемах графически означенный кабель может быть обозначен специальными символами:
Если разбирать цветовое обозначение, то, согласно ГОСТу Р50462, для данного вида кабеля используются желто-зеленые цвета. В жестком одножильном проводе основным является зеленый цвет, отороченный желтой полоской. В мягком многожильном в качестве основного цвета применяется желтый. Продольная полоска, напротив, зеленая. Бывают нестандартные варианты цветовой маркировки защитных соединений. В этом случае полоски имеют поперечный вид. Помимо этого, применяется только зеленая расцветка.
Зачастую заземляющий кабель идет в паре с нейтральным. Тогда к желто-зеленой раскраске прибавляется синяя каемка на концах кабеля. В этом случае меняется буквенная аббревиатура – pen.
Видео: как разобраться в цветовой маркировке прводов
Так или иначе, но ответ на вопрос, какого цвета заземление в трехжильном проводе, однозначен. Всегда нужно искать зелено-желтое сочетание.
В распределительном щитке заземление найти не сложно. Для его подключения используется специальная шина. В иных случаях, кабель крепится к корпусу и металлической двери щитка.
Нулевой проводникНулевой проводник или, как его еще называют, нейтраль выполняет простую, но важную функцию. Он выравнивает нагрузки в сети, на выходе обеспечивая напряжение в 220 Вольт. Избавляет фазы от скачков и перекосов, нейтрализуя их. Не удивительно, что его символом является буква n – образован от английского слова Neutral. А сочетание обозначений n, l в электрике всегда идут рядом.
Цвет нулевого провода всегда синий. Конечно, встречаются вариации – от темно-синего до небесно-голубого. Но синий – он и в Африке синий.
Нулевой проводник всегда синего света
В распределительном щитке все кабели данной расцветки группируются на одной, нулевой шине с соответствующей буквенной аббревиатурой. В розетках также есть необходимая маркировка.
Поэтому мастер никогда не спутает, куда крепить специальный нулевой контакт.
Такая маркировка, принцип работы применимы как к однофазной, так и к трехфазной сети.
Фаза: разноцветье в ассортиментеИменно через фазу проходит напряжение. А значит, работать с этим видом кабеля нужно особенно осторожно. Данный провод обозначается буквой l в электрике, что является сокращением слова Line. В трехфазной сети используется следующее обозначение проводников: l1, l2, l3. Иногда вместо цифр применяются английские буквы. Тогда получается la, lb, lc.
Цветовая маркировка проводов
Про цв етовое обозначение фаз можно говорить много. Понятно одно: фазный проводник может быть какого угодно цвета, кроме желтого, зеленого и синего. Однако в России нашли свой ответ на вопрос, какого цвета фаза. Согласно ГОСТ Р 50462-2009, рекомендуется использовать черный или коричневый цвет. Однако этот стандарт носит лишь рекомендательный характер. А потому производители не ограничивают себя определенными цветовыми рамками. Например, красный и белый встречаются гораздо чаще коричневого.
Яркие цвета – розовый, бирюзовый, оранжевый, фиолетовый также часто присутствуют в наборе. Считается, что яркие цвета защитят от опасности, привлекут внимание мастера. Все-таки с напряжением не шутят.
Цветовая маркировка фаз помогает в многофазных сетях. Кабели с несколькими фазами различаются между собой по окраске, что облегчает работу электрика. Несмотря на это, работать с ними нужно аккуратно.
Доверяй, но проверяйНесмотря на ГОСТы и стандарты, цветовая маркировка не всегда может соответствовать предназначению конкретного кабеля. А потому лучше проверить правильность маркировки перед подключением оборудования. Трехжильный провод лучше тестировать мультиметром. Прибор укажет на фазный провод и, соответственно, на нулевой.
Перед подключением правильность маркировки лучше проверить специальным оборудованием
Вообще, трехжильный кабель в электрике используется часто. А потому важно научиться с ним работать. Очень значимо соблюдать и цветовую симметрию.
Расцветка проводов по фазам должна соблюдаться неукоснительно. Друг с другом должны быть соединены только проводники одного цвета . Иначе неприятностей не избежать. Может сломаться техника. Мастера может ударить током. Неправильно подключенная проводка может стать причиной пожара. Для того чтобы всего этого избежать как раз и применяется маркировка фаз, кабелей, клемм.
А в быту мы используем, как правило, однофазный. Это достигается за счет подключения нашей проводки к одному из трех фазовых проводов (рисунок 1), причем, какая именно фаза приходит в квартиру нам, для дальнейшего рассмотрения материала, глубоко безразлично. Поскольку этот пример очень схематичен, следует кратко рассмотреть физический смысл такого подключения (рисунок 2).
Электрический ток возникает при наличии замкнутой электрической цепи, которая состоит из обмотки (Lт) трансформатора подстанции (1), соединительной линии (2), электропроводки нашей квартиры (3). (Здесь обозначение фазы L, нуля – N).
Еще момент – чтобы по этой цепи протекал ток, в квартире должен быть включен хотя бы один потребитель электроэнергии Rн. В противном случае тока не будет, но НАПРЯЖЕНИЕ на фазе останется.
Один из концов обмотки Lт на подстанции заземлен, то есть имеет электрический контакт с грунтом (Змл). Тот провод, который идет от этой точки является нулевым, другой – фазовым.
Отсюда следует еще один очевидный практический вывод: напряжение между “нулем” и “землей” будет близко к нулевому значению (определяется сопротивлением заземления), а “земля” – “фаза”, в нашем случае 220 Вольт.
Кроме того, если гипотетически (На практике так делать нельзя! ) заземлить нулевой провод в квартире, отключив его от подстанции (рис.3), напряжение “фаза” – “ноль” у нас будет те же 220 Вольт.
Что такое фаза и ноль разобрались. Давайте поговорим про заземление . Физический смысл его, думаю уже ясен, поэтому предлагаю взглянуть на это с практической точки зрения.
При возникновении по каким- либо причинам электрического контакта между фазой и токопроводящим (металлическим, например) корпусом электроприбора, на последнем появляется напряжение.
При касании этого корпуса может возникнуть, протекающий через тело электрический ток. Это обусловлено наличием электрического контакта между телом и “землей” (рис.4). Чем меньше сопротивление этого контакта (влажный или металлический пол, непосредственный контакт строительной конструкции с естественными заземлителями (батареи отопления, металлические водопроводные трубы) тем большая опасность Вам грозит.
Решение подобной проблемы состоит в заземлении корпуса (рисунок 5), при этом опасный ток “уйдет” по цепи заземления.
Конструктивно реализация этого способа защиты от поражения электрическим током для квартир, офисных помещений состоит в прокладке отдельного заземляющего проводника РЕ (рис.6), который впоследствии заземляется тем или иным образом.
Как это делается – тема для отдельного разговора, например, в частном доме можно самостоятельно сделать заземляющий контур . Существуют различные варианты со своими достоинствами, недостатками, но для дальнейшего понимания этого материала они не принципиальны, поскольку предлагаю рассмотреть нескольку сугубо практических вопросов.
КАК ОПРЕДЕЛИТЬ ФАЗУ И НОЛЬ
Где фаза, где ноль – вопрос, возникающий при подключении любого электротехнического устройства.
Для начала давайте рассмотрим как найти фазу . Проще всего это сделать индикаторной отверткой (рисунок 7).
Токопроводящим жалом индикаторной отвертки (1) касаемся контролируемого участка электрической цепи (во время работы контакт этой части отвертки с телом недопустим!), пальцем руки касаемся контактной площадки 3, свечение индикатора 2 свидетельствует о наличии фазы.
Помимо индикаторной отвертки фазу можно проверить мультиметром (тестером), правда это более трудоемко. Для этого мультиметр следует перевести в режим измерения переменного напряжения с пределом более 220 Вольт. Одним щупом мультиметра (каким – безразлично) касаемся участка измеряемой цепи, другим – естественного заземлителя (батареи отопления, металлические водопроводные трубы). При показаниях мультиметра, соответствующим напряжению сети (около 220 В) на измеряемом участке цепи присутствует фаза (схема рис.
8).
Обращаю Ваше внимание – если проведенные измерения показывают отсутствие фазы утверждать что это ноль нельзя. Пример на рисунке 9.
- Сейчас в точке 1 фазы нет.
- При замыкании выключателя S она появляется.
Поэтому следует проверить все возможные варианты.
Хочу заметить, что при наличии в электропроводке провода заземления отличить его от нулевого проводника методом электрических измерений в пределах квартиры невозможно. Как правило, провод, которым выполнено заземление имеет желто зеленый цвет, но лучше убедиться в этом визуально, например снять крышку розетки и посмотреть какой провод подсоединен к заземляющим контактам.
© 2012-2019 г. Все права защищены.
Все представленные на этом сайте материалы имеют исключительно информационный характер и не могут быть использованы в качестве руководящих и нормативных документов
21 марта 2017Мировые производители бытовой техники при сборке своего оборудования используют цветовую маркировку монтажных проводов.
Она представляет собой обозначение в электрике L и N. Благодаря строго определенному окрасу, мастер может быстро определить, какой из проводов является фазным, нулевым или заземляющим. Это важно при подключении или отключении оборудования от электропитания.
Виды проводов
При подключении электрооборудования, монтаже разнообразных систем не обойтись без специальных проводников. Их изготавливают из алюминия или меди. Эти материалы отлично проводят электрический ток.
Важно! Алюминиевые провода необходимо соединять только с алюминиевыми. Они химически активны. Если их соединить с медью, то цепь передачи тока быстро разрушится. Алюминиевые провода соединяют обычно с помощью гаек и болтов. Медные – посредством клеммы. Стоит учесть, что последний вид проводников имеет существенный недостаток – быстро окисляется под воздействием воздуха.
Совет на случай, если в месте появления окисления ток перестанет проходить: чтобы восстановить подачу электроэнергии, провод необходимо изолировать от внешнего воздействия с помощью изоленты.
Классификация проводов
Проводник представляет собой одну неизолированную или одну и более изолированных жил. Второй тип проводников покрыт специальной неметаллической оболочкой. Это может быть обмотка изолирующей лентой или оплеткой из волокнистого сырья. Неизолированные провода не имеют никаких защитных покрытий. Их применяют в сооружении линии электропередач.
Исходя из вышеописанного, делаем вывод, что провода бывают:
- защищенными;
- незащищенными;
- силовыми;
- монтажными.
Они должны использоваться строго по назначению. Малейшее отклонение от требований эксплуатации ведет к поломке сети электропитания. В результате замыкания случаются пожары.
Обозначения фазных, нулевых и заземляющих проводов
При выполнении монтажа электрических сетей бытового и промышленного предназначения используют изолированные кабели. Они состоят из множества токопроводящих жил. Каждая из них окрашена в соответствующий цвет. Обозначение LO, L, N в электрике позволяют сократить время проведения монтажных, а при необходимости и ремонтных работ.![]()
Описанное ниже обозначение в электрике L и N в полном объеме соответствует требованиям ГОСТ Р 50462 и применяется в электроустановках, в которых напряжение достигает 1000 В. Они имеют глухозаземленную нейтраль. К этой группе относится электрооборудование всех жилых, административных зданий, хозяйственных объектов. Какие цветовые обозначения фазы L, нуля, N и заземления необходимо соблюдать при монтаже электрических сетей? Давайте разберемся.
Фазные проводники
В сети переменного тока имеются проводники, которые находятся под напряжением. Их называют фазными проводами. В переводе с английского языка термин «фаза» означает «линия», «активный провод», или же «провод под напряжением».
Прикосновение человека к оголенному от изоляции фазному проводу может обернуться серьезными ожогами или даже летальным исходом. Что значит обозначение в электрике L и N? На электрических схемах фазные провода маркируют латинской буквой «L», а в многожильных кабелях изоляция фазного провода будет окрашена в один из следующих цветов:
- белый;
- черный;
- коричневый;
- красный.
Рекомендации! Если по каким-либо причинам электромонтер сомневается в правдивости информации, отображающей цветовую маркировку проводов кабеля, для определения находящегося под напряжением провода необходимо воспользоваться низковольтным указателем напряжения.
Нулевые проводники
Эти электропровода подразделяются на три категории:
- нулевые рабочие проводники.
- нулевые защитные (земляные) проводники.
- нулевые проводники, совмещающие в себе защитную и рабочую функцию.
Что такое обозначение проводов в электрике L и N? Нейтраль сети или нулевой рабочий проводник в схемах электрических цепей обозначают латинской буквой «N». Нулевые проводники кабелей имеют следующую окраску:
- голубой цвет по всей протяженности без дополнительных вкраплений;
- синий цвет по всей длине жилы без дополнительных вкраплений.
Что значит L, N и PE в электрике? PE (N-RE) – нулевой защитный проводник, который по всей длине входящего в кабель провода окрашивают чередующимися линиями желтого и зеленого цвета.
Третья категория нулевых проводников (REN-провода), которые совмещают в себе рабочую и защитную функции, имеет цветовое обозначение в электрике (L и N). Провода окрашены в синий цвет, с концами и местами соединений с желто-зелеными полосами.
Необходимость проверки маркировки
Обозначение LO, L, N в электрике при монтаже электрических сетей – важная деталь. Как проверить правильность цветовой маркировки? Для этого нужно использовать индикаторную отвертку.
Чтобы определить, какой из проводников является фазным, а какой нулевым при помощи индикаторной отвертки, необходимо прикоснуться ее жалом к неизолированной части провода. Если светодиод засветится, значит произошло касание к фазному проводнику. После прикасания отверткой к нулевому проводу светящегося эффекта не будет.
Важность цветовой маркировки проводников и четкое соблюдение правил ее использования позволит значительно сократить время проведения монтажных работ и поиск неисправностей электрооборудования, в то время как игнорирование этих элементарных требований оборачивается риском для здоровья.
Введение в интерфейс SPI | Analog Devices
Последовательный периферийный интерфейс (SPI) является одним из наиболее широко используемых интерфейсов между микроконтроллером и периферийными ИС, такими как датчики, АЦП, ЦАП, регистры сдвига, SRAM и другие. В этой статье представлено краткое описание интерфейса SPI, за которым следует введение в коммутаторы и мультиплексоры Analog Devices с поддержкой SPI, а также то, как они помогают уменьшить количество цифровых GPIO в конструкции системной платы.
SPI — это синхронный полнодуплексный интерфейс на основе master-slave.Данные от ведущего или ведомого устройства синхронизируются по переднему или заднему фронту тактового сигнала. И ведущий, и ведомый могут передавать данные одновременно. Интерфейс SPI может быть как 3-проводным, так и 4-проводным. Эта статья посвящена популярному 4-проводному интерфейсу SPI.
Интерфейс
Рисунок 1. Конфигурация SPI с ведущим и ведомым.
4-проводные устройства SPI имеют четыре сигнала:
- Часы (SPI CLK, SCLK)
- Выбор микросхемы (CS)
- Главный выход, подчиненный вход (MOSI)
- Главный вход, подчиненный выход (MISO)
Устройство, генерирующее тактовый сигнал, называется ведущим.
Данные, передаваемые между ведущим и ведомым, синхронизируются с часами, генерируемыми ведущим. Устройства SPI поддерживают гораздо более высокие тактовые частоты по сравнению с интерфейсами I 2 C. Пользователям следует обратиться к техническому описанию продукта для получения спецификации тактовой частоты интерфейса SPI.
SPI могут иметь только один ведущий и могут иметь одно или несколько подчиненных устройств. На рис. 1 показано SPI-соединение между ведущим и ведомым устройствами.
Сигнал выбора чипа от ведущего используется для выбора ведомого.Обычно это активный низкий уровень сигнала, который устанавливается на высокий уровень для отключения ведомого устройства от шины SPI. При использовании нескольких ведомых устройств от ведущего устройства требуется отдельный сигнал выбора микросхемы для каждого ведомого устройства. В этой статье сигнал выбора чипа всегда является активным низким сигналом.
MOSI и MISO — это линии данных. MOSI передает данные от ведущего к ведомому, а MISO передает данные от ведомого к ведущему.
Передача данных
Чтобы начать обмен данными по SPI, ведущий должен отправить тактовый сигнал и выбрать ведомый, активировав сигнал CS.Обычно выбор чипа является активным низким сигналом; следовательно, ведущий должен отправить логический 0 в этом сигнале, чтобы выбрать ведомый. SPI — полнодуплексный интерфейс; и ведущий, и ведомый могут одновременно отправлять данные по линиям MOSI и MISO соответственно. Во время связи SPI данные одновременно передаются (последовательно выводятся на шину MOSI/SDO) и принимаются (данные на шине (MISO/SDI) оцифровываются или считываются). Фронт последовательного тактового сигнала синхронизирует сдвиг и выборку данных. Интерфейс SPI предоставляет пользователю возможность выбора переднего или заднего фронта тактового сигнала для выборки и/или сдвига данных.Пожалуйста, обратитесь к техническому описанию устройства, чтобы определить количество битов данных, передаваемых с использованием интерфейса SPI.
Полярность и фаза тактового сигнала
В SPI мастер может выбрать полярность и фазу синхронизации.
Бит CPOL устанавливает полярность тактового сигнала в состоянии ожидания. Состояние ожидания определяется как период, когда CS имеет высокий уровень и переходит в низкий уровень в начале передачи, а также когда CS имеет низкий уровень и переходит в высокий уровень в конце передачи.Бит CPHA выбирает фазу синхронизации. В зависимости от бита CPHA восходящий или спадающий фронт тактового сигнала используется для выборки и/или сдвига данных. Ведущее устройство должно выбрать полярность и фазу тактового сигнала в соответствии с требованиями ведомого устройства. В зависимости от выбора битов CPOL и CPHA доступны четыре режима SPI. В таблице 1 показаны четыре режима SPI.
| Режим SPI | КПОЛ | КПНА | Полярность часов в состоянии простоя | Фаза тактового сигнала, используемая для выборки и/или сдвига данных |
| 0 | 0 | 0 | Низкий логический уровень | Выборка данных по переднему фронту и смещение по заднему фронту |
| 1 | 0 | 1 | Низкий логический уровень | Выборка данных по заднему фронту и смещение по переднему фронту |
| 2 | 1 | 1 | Высокий логический уровень | Выборка данных по заднему фронту и смещение по переднему фронту |
| 3 | 1 | 0 | Высокий логический уровень | Выборка данных по переднему фронту и смещение по заднему фронту |
На рисунках с 2 по 5 показан пример связи в четырех режимах SPI.
В этих примерах данные показаны на линиях MOSI и MISO. Начало и конец передачи обозначены пунктирной зеленой линией, край выборки обозначен оранжевым цветом, а край сдвига обозначен синим цветом. Обратите внимание, что эти цифры приведены только для иллюстрации. Для успешной связи SPI пользователи должны обратиться к техническому описанию продукта и убедиться, что временные характеристики компонента соблюдены.
Рисунок 2. Режим SPI 0, CPOL = 0, CPHA = 0: состояние ожидания CLK = низкий уровень, выборка данных осуществляется по переднему фронту и сдвигается по заднему фронту.
На рис. 3 показана временная диаграмма для режима SPI 1. В этом режиме полярность тактового сигнала равна 0, что указывает на низкий уровень тактового сигнала в состоянии простоя. Фаза тактового сигнала в этом режиме равна 1, что указывает на то, что данные оцифровываются по заднему фронту (показанному оранжевой пунктирной линией), а данные сдвигаются по переднему фронту (показанному синей пунктирной линией) тактового сигнала.
Рисунок 3. Режим SPI 1, CPOL = 0, CPHA = 1: состояние ожидания CLK = низкий уровень, выборка данных производится по заднему фронту и сдвигается по переднему фронту.
На рис. 4 показана временная диаграмма для режима SPI 2. В этом режиме полярность тактового сигнала равна 1, что указывает на высокий уровень состояния ожидания тактового сигнала. Фаза тактового сигнала в этом режиме равна 1, что указывает на то, что данные оцифровываются по заднему фронту (показанному оранжевой пунктирной линией), а данные сдвигаются по переднему фронту (показанному синей пунктирной линией) тактового сигнала.
Рисунок 4. Режим SPI 2, CPOL = 1, CPHA = 1: состояние ожидания CLK = высокий уровень, выборка данных производится по заднему фронту и сдвигается по переднему фронту.
На рис. 5 показана временная диаграмма для SPI Mode 3. В этом режиме полярность тактового сигнала равна 1, что указывает на высокий уровень состояния ожидания тактового сигнала. Фаза тактового сигнала в этом режиме равна 0, что указывает на то, что данные оцифровываются по переднему фронту (показанному оранжевой пунктирной линией), а данные сдвигаются по заднему фронту (показанному синей пунктирной линией) тактового сигнала.
Рисунок 5. Режим SPI 3, CPOL = 1, CPHA = 0: состояние ожидания CLK = высокий уровень, выборка данных осуществляется по переднему фронту и сдвигается по заднему фронту.
Многоведомая конфигурация
Несколько ведомых могут использоваться с одним ведущим SPI. Ведомые устройства могут быть подключены в обычном режиме или в режиме гирляндной цепи.
Обычный режим SPI:
Рисунок 6. Конфигурация Multislave SPI.
В обычном режиме от ведущего требуется индивидуальный выбор чипа для каждого ведомого. Как только сигнал выбора микросхемы включен (установлен на низкий уровень) ведущим устройством, часы и данные на линиях MOSI/MISO становятся доступными для выбранного подчиненного устройства.Если разрешено несколько сигналов выбора микросхемы, данные на линии MISO будут повреждены, поскольку у ведущего устройства нет возможности определить, какое ведомое устройство передает данные.
Как видно из рисунка 6, по мере увеличения количества ведомых увеличивается и количество линий выбора микросхемы от ведущего.
Это может быстро увеличить количество входов и выходов, необходимых от ведущего, и ограничить количество ведомых, которые можно использовать. Существуют различные методы, которые можно использовать для увеличения количества ведомых устройств в обычном режиме; например, использование мультиплексора для генерации сигнала выбора чипа.
Метод гирляндной цепи:
Рис. 7. Конфигурация гирляндной цепочки Multislave SPI.
В режиме последовательного подключения ведомые устройства настраиваются таким образом, что сигнал выбора микросхемы для всех ведомых устройств связывается вместе, и данные передаются от одного ведомого устройства к другому. В этой конфигурации все ведомые устройства получают одни и те же часы SPI в одно и то же время. Данные от ведущего напрямую подключаются к первому ведомому, и этот ведомый передает данные следующему ведомому и так далее.
В этом методе, когда данные передаются от одного ведомого устройства к другому, количество тактов, необходимых для передачи данных, пропорционально положению ведомого устройства в гирляндной цепочке.
Например, на рис. 7 в 8-битной системе требуется 24 тактовых импульса, чтобы данные были доступны на ведомом устройстве 3 rd , по сравнению с восемью тактовыми импульсами в обычном режиме SPI. На рис. 8 показаны тактовые циклы и данные, распространяющиеся по гирляндной цепочке. Режим гирляндного подключения не обязательно поддерживается всеми устройствами SPI. Пожалуйста, обратитесь к техническому описанию продукта, чтобы узнать, доступна ли гирляндная цепь.
Рис. 8. Конфигурация последовательного подключения: распространение данных.
Коммутаторы и мультиплексоры Analog Devices с поддержкой SPI
Новейшее поколение коммутаторов ADI с интерфейсом SPI обеспечивает значительную экономию места без ущерба для производительности прецизионного коммутатора.В этом разделе статьи обсуждается тематическое исследование того, как коммутаторы или мультиплексоры с поддержкой SPI могут значительно упростить проектирование на уровне системы и уменьшить количество необходимых GPIO.
ADG1412 — это четырехпозиционный однополюсный однопозиционный переключатель (SPST), для которого требуется четыре GPIO, подключенных к управляющему входу каждого переключателя. На рисунке 9 показано соединение между микроконтроллером и ADG1412.
Рисунок 9. GPIO микроконтроллера как управляющие сигналы для коммутатора.
По мере увеличения количества коммутаторов на плате значительно увеличивается количество необходимых GPIO.Например, при проектировании контрольно-измерительной системы используется большое количество переключателей для увеличения количества каналов в системе. В матричной конфигурации 4 × 4 используются четыре ADG1412. Для этой системы потребуется 16 GPIO, что ограничивает количество доступных GPIO в стандартном микроконтроллере. На рис. 10 показано подключение четырех ADG1412 с использованием 16 GPIO микроконтроллера.
Рисунок 10. В конфигурации с несколькими ведомыми устройствами количество необходимых GPIO значительно возрастает.
Одним из подходов к уменьшению количества GPIO является использование последовательно-параллельного преобразователя, как показано на рис.
11. Это устройство выводит параллельные сигналы, которые можно подключить к входам управления коммутатором, и устройство можно настроить с помощью последовательного интерфейса SPI. . Недостатком этого метода является увеличение расхода материала за счет введения дополнительного компонента.
Рис. 11. Многоведомые коммутаторы с последовательно-параллельным преобразователем.
Альтернативным методом является использование переключателей, управляемых SPI.Этот метод позволяет сократить количество необходимых GPIO, а также устраняет накладные расходы на дополнительный последовательно-параллельный преобразователь. Как показано на рис. 12, вместо 16 микроконтроллерных GPIO требуется только семь микроконтроллерных GPIO для подачи сигналов SPI на четыре ADGS1412.
Рисунок 12. Коммутаторы с поддержкой SPI экономят GPIO микроконтроллера.
Коммутаторы можно настроить для последовательного подключения для дальнейшей оптимизации количества GPIO. В гирляндной конфигурации, независимо от количества коммутаторов, используемых в системе, от мастера (микроконтроллера) используются только четыре GPIO.
Рис. 13. Коммутаторы с поддержкой SPI, сконфигурированные в гирляндной цепочке для дальнейшей оптимизации GPIO.
Рисунок 13 предназначен для иллюстрации. В спецификации ADGS1412 рекомендуется использовать подтягивающий резистор на выводе SDO. Пожалуйста, обратитесь к техническому описанию ADGS1412 для получения дополнительной информации о режиме гирляндной цепи. Для простоты в этом примере использовались четыре переключателя. По мере увеличения количества коммутаторов в системе преимущества простоты платы и экономии места становятся значительными. Коммутаторы ADI с поддержкой SPI обеспечивают сокращение общего пространства на плате на 20 % в конфигурации коммутации 4 × 8 с восемью четырехъядерными однополюсными переключателями на 6-слойной плате.В статье «Конфигурация прецизионного SPI-переключателя увеличивает плотность каналов» подробно рассказывается о том, как конфигурация прецизионного SPI-переключателя увеличивает плотность каналов.
Analog Devices предлагает несколько коммутаторов и мультиплексоров с поддержкой SPI.
Для получения дополнительной информации посетите здесь.
использованная литература
Спецификация ADuCM3029. Analog Devices, Inc., март 2017 г.
Ньюджент, Стивен. «Конфигурация Precision SPI Switch увеличивает плотность каналов. Аналоговый диалог , май 2017 г.
Усач, Мигель. AN-1248 Примечание по применению: Интерфейс SPI . Analog Devices, Inc., сентябрь 2015 г.
Трехходовые светильники — как работают трехпозиционные выключатели
Для создания светильников, работающих от двух отдельных выключателей, электрик использует в цепи два специальных элемента оборудования:
- Special переключатели, известные как трехпозиционные переключатели
- Специальный провод, который имеет дополнительный красный изолированный провод вместе с черным и белым проводами в оболочке
Обычный переключатель имеет две клеммы, которые либо подключены, либо отключены.
Трехпозиционный переключатель имеет три клеммы , и переключатель соединяет первую клемму либо со второй, либо с третьей клеммой, как показано здесь:
Вы используете два трехпозиционных переключателя для управления светом и подключаете их как показано ниже:
На этой схеме обычный кусок провода идет от панели предохранителей к первому трехпозиционному переключателю. Черный «горячий» провод входит в выключатель слева. Трехсторонний провод (который включает в себя красный, черный и белый провода) идет от переключателя слева к переключателю справа, при этом белый провод несет землю, а красный и черный провода несут выход с клемм левого переключателя.Обычный экранированный кабель идет от правого выключателя к свету.
Предположим, что при поднятом выключателе клеммы 1 и 3 соединены, как показано выше. Если переключатель находится в нижнем положении, клеммы 2 и 3 соединены. Вы можете видеть (если проследить провода и выключатели), что на предыдущем рисунке свет выключен.
Вы также можете видеть, что если вы щелкнете переключателем или , свет включится. И если вы снова щелкнете переключателем или , свет погаснет. Это на самом деле очень простое устройство, когда вы видите, что все это выставлено напоказ!
Существует несколько других способов подключения трехпозиционных выключателей к свету.Например, питание от блока предохранителей может подаваться на осветительную арматуру, и оттуда могут быть последовательно подключены два выключателя. Или питание может подаваться на светильник, а затем два выключателя могут быть расположены параллельно от света.
Если вы пытаетесь понять, как в вашем доме подключены выключатели, использование омметра или детектора непрерывности является единственным способом реконструировать то, что сделал электрик ( убедитесь, что вы повернули отключите питание на панели предохранителей, прежде чем что-либо делать с электропроводкой ).Самое замечательное то, что если вы знаете основную идею трехпозиционных переключателей и трехсторонней проводки, понять это очень легко.
А если вы просто хотите понять, что происходит, чтобы удовлетворить собственное любопытство, ну, теперь вы знаете!
Для получения дополнительной информации о трехпозиционных переключателях и смежных темах перейдите по ссылкам ниже.
Связанные статьи HowStuffWorks
Дополнительные полезные ссылки
Номинальные значенияAmp, HP, Volts | www.carlingtech.com
На основании любого коммутатора Carling Technologies, получившего одобрение агентства, будут указаны номинальные характеристики.Номинальные значения переключателей Carling Technologies указаны как ампер , вольт и лошадиных сил (если применимо).
Электричество — это движение электронов от одного атома к другому. Поток электронов через электрический проводник называется электрическим током, который измеряется в амперах или амперах . Электрическое давление, необходимое для того, чтобы вызвать это движение, равно напряжению .
Напряжение само по себе не течет по проводникам, а является силой, которая заставляет течь ток.Напряжение также называют электрическим потенциалом, потому что, если в проводнике присутствует напряжение, существует потенциал для протекания тока.
Двигатели имеют номинальную мощность лошадиных сил (л.с.) или доли лошадиных сил (1/4, 1/3, 1/2 и т. д.). Механически одна лошадиная сила (1 л.с.) равна 33 000 фунтов, перемещаемым на 1 фут за 1 минуту. (или 33 000 футов-фунтов/мин). Одна лошадиная сила (1HP) также равна 746 ваттам электроэнергии.
Номинальное напряжение зависит от способности переключателя подавлять внутреннюю дугу, возникающую при размыкании контактов переключателя.Номинальное напряжение , указанное для коммутаторов Carling Technologies, представляет собой максимальное напряжение , допустимое для надлежащего функционирования коммутатора при номинальном токе. Номинал ампер коммутатора Carling — это максимальный ток в амперах, который коммутатор может пропускать постоянно.
Итак, в приведенном ниже примере максимальный ток для этого переключателя при 250 вольт переменного тока (VAC) составляет 10 ампер; максимальный номинальный ток при напряжении 125 вольт переменного тока для того же переключателя составляет 15 ампер.
Выключатели, которые будут подвергаться высоким пусковым индуктивным нагрузкам, таким как двигатель переменного тока, часто имеют номинал в лошадиных силах в дополнение к вольтам и амперам.Этот рейтинг отражает величину тока, которую могут выдержать контакты переключателя в момент включения устройства. Двигатель переменного тока будет потреблять в восемь раз больше своего рабочего тока при первом включении или при неподвижном состоянии, когда он находится под напряжением (заглохший ротор). Переключатель в приведенном ниже примере рассчитан на использование с двигателем мощностью 3/4 л.с. при напряжении от 125 до 250 вольт переменного тока.
Типовой номинал переключателя Carling Technologies:
10 А, 250 В переменного тока
15 А, 125 В переменного тока
3/4 л.
с., 125–250 В переменного тока
AC/DC
Компания Carling предлагает переключатели с номинальным напряжением переменного (переменного тока) и постоянного тока (постоянный ток). Переменный ток или переменный ток представляет собой электрический ток или напряжение, которое меняет направление своего течения на противоположное через равные промежутки времени и имеет попеременно положительные и отрицательные значения, среднее значение которых за определенный период времени равно нулю. Количество раз, которое это значение изменяется (или циклов) в секунду, равно частоте . Частота измеряется в герцах (Гц). Чем больше циклов в секунду, тем выше частота. Электрическая «сеть» в Северной Америке основана на очень стабильной частоте 60 Гц.В большинстве европейских стран используется частота 50 Гц. Все номинальное напряжение переменного тока компании Carling Technologies указано для частоты 50/60 Гц, и все коммутаторы, одобренные агентством Carling Technologies, будут иметь специфическое номинальное напряжение переменного тока.
Постоянный или постоянный ток представляет собой электрический ток или напряжение, которые могут иметь пульсирующие характеристики, но не меняют направление. Его потенциал всегда одинаков относительно земли, а его полярность может быть положительной или отрицательной. Батарея является одним из примеров источника постоянного тока.
A Номинальное значение переменного тока Carling сопровождается «VAC», например, 125VAC означает 125 вольт переменного тока. Carling AC/DC рейтинги сопровождаются только буквой «V», без следующих букв AC и DC. Например, номинал 125 В будет читаться как 125 вольт переменного тока и 125 вольт постоянного тока.
Эмпирическое правило округа Колумбия
Для тех коммутаторов, в которых указано только номинальное напряжение переменного тока, для определения максимального номинального постоянного тока коммутатора можно применить «Правило постоянного тока». Это «правило» гласит, что самая высокая сила тока на переключателе должна удовлетворительно работать до 30 вольт постоянного тока.
Например, переключатель, рассчитанный на 10 А, 250 В переменного тока; 15А 125В переменного тока; 3/4HP 125–250 В переменного тока, скорее всего, будет удовлетворительно работать при токе 15 ампер до 30 вольт постоянного тока (В постоянного тока).
Типы нагрузок
Электрическая нагрузка — это количество электроэнергии, подаваемой или требуемой в любой конкретной точке или точках системы. Потребность возникает на энергопотребляющем оборудовании потребителей. Проще говоря, нагрузка — это часть оборудования, которое вы включаете и выключаете.
Резистивные нагрузки в первую очередь оказывают сопротивление протеканию тока.Примеры резистивных нагрузок включают электрические обогреватели, плиты, духовки, тостеры и утюги. Если предполагается, что устройство нагревается и не двигается, скорее всего, это резистивная нагрузка.
Индуктивные нагрузки обычно представляют собой устройства, которые перемещаются и обычно содержат электромагниты, такие как электродвигатель.
Примеры индуктивных нагрузок включают такие вещи, как электрические дрели, электрические миксеры, вентиляторы, швейные машины и пылесосы. Трансформаторы также создают индуктивные нагрузки.
Высокие пусковые нагрузки потребляют больший ток или силу тока при первом включении по сравнению с величиной тока, необходимой для продолжения работы.Примером высокой пусковой нагрузки является лампочка, которая при первом включении может потреблять в 20 и более раз больше своего нормального рабочего тока. Это часто называют ламповой нагрузкой. Другими примерами нагрузок с высоким броском тока являются импульсные источники питания (емкостная нагрузка) и двигатели (индуктивная нагрузка).
Рейтинги UL/CSA
Типовая номинальная сила тока UL/CSA — это одно значение, которое представляет индуктивную/резистивную нагрузку. Если указана номинальная мощность в лошадиных силах, это означает, что переключатель подходит для использования с двигателями, рассчитанными на данную мощность.
Если номинальная мощность не указана, переключатели испытываются на индуктивную/немощную нагрузку при 75% коэффициента мощности.
Ниже приведен типичный пример рейтинга UL/CSA:
10 А, 250 В переменного тока
15 А, 125 В переменного тока
3/4 л.с., 125–250 В переменного тока
Европейские рейтинги
Типичный европейский рейтинг различает резистивную и индуктивную нагрузку. Ниже приведен пример типичного европейского номинала:
16(4)A 250 В ~ T85 µ
В этом примере 16 = ток резистивной нагрузки; (4) = ток индуктивной нагрузки; А= сила тока; 250В= напряжение; ~ = переменный ток; T85= Максимальная рабочая температура в градусах Цельсия; µ = разрешен микрозазор (<3 мм).
Если между контактами выключателя в разомкнутом положении остается менее 3 мм воздушного пространства, может быть предоставлено разрешение на наличие микрозазоров (µ). Эта отметка указывает на то, что переключатель имеет общее одобрение применения с оговоркой, что другое устройство, такое как шнур и вилка, должно обеспечивать альтернативное средство отключения от основного источника питания.
Рейтинги L и T
Рейтинг «L» означает способность переключателя работать с начальными высокими пусковыми характеристиками лампы накаливания с вольфрамовой нитью только при напряжении переменного тока.Рейтинг «T» — это эквивалентная ламповая нагрузка для постоянного тока.
H Рейтинг
Рейтинг “H” означает неиндуктивное активное сопротивление. Номинальные параметры, указанные в информации о продукте Carling Technologies, могут отображаться с символом «H» или со словами «неиндуктивный» или «резистивный». Рейтинг «H» обычно требуется для переключателей, используемых в коммерческих печах.
Характеристики выключателя с подсветкой
Для выключателей с подсветкой и зависимыми лампами линейное напряжение должно соответствовать номинальному напряжению лампы.Например, если используется лампа постоянного тока на 6 вольт, то контакты переключателя должны выдерживать только сетевое напряжение постоянного тока 6 вольт; 125-вольтовая неоновая лампа не должна использоваться на выключателях, управляющих напряжением 250 вольт переменного тока. Несоответствие этих двух значений может привести к значительному сокращению срока службы лампы, чем ожидалось, или к ее перегоранию, или к снижению яркости, чем ожидалось, от лампы.
Рабочая температура
Все коммутаторы, сертифицированные в Европе, имеют максимальную рабочую температуру 85 градусов по Цельсию, если не указано иное.Выключатели класса T85, при прямом управлении, не должны использоваться в приложениях, где температура приводного элемента, включая любое превышение температуры, превышает 85 градусов по Цельсию.
Если не указано иное, все переключатели, сертифицированные для Северной Америки, имеют максимальную номинальную температуру материала 105 градусов по Цельсию.
Мостовые цепи переменного тока| Цепи измерения переменного тока
Как мы видели в цепях измерения постоянного тока, конфигурация схемы, известная как мост , может быть очень полезным способом измерения неизвестных значений сопротивления.
Это верно и для переменного тока, и мы можем применить тот же принцип для точного измерения неизвестных импедансов.
Как работает мостовая схема?
Для обзора: мостовая схема работает как пара двухкомпонентных делителей напряжения, подключенных к одному и тому же источнику напряжения, с детектором нуля движением счетчика, подключенным между ними для индикации состояния «баланса» при нулевом напряжении:
Сбалансированный мост показывает «нулевое» или минимальное значение на индикаторе.
Любой из четырех резисторов в приведенном выше мосту может быть резистором неизвестного номинала, и его номинал может быть определен отношением трех других, которые «откалиброваны» или сопротивления которых точно известны.
Когда мост находится в сбалансированном состоянии (нулевое напряжение, как показывает нуль-детектор), соотношение получается следующим:
В состоянии баланса :
Одним из преимуществ использования мостовой схемы для измерения сопротивления является то, что напряжение источника питания не имеет значения.
На практике, чем выше напряжение питания, тем легче обнаружить состояние дисбаланса между четырьмя резисторами с помощью нулевого детектора и, следовательно, тем более чувствительным он будет.
Более высокое напряжение питания позволяет повысить точность измерения. Однако в отличие от других типов схем измерения сопротивления не будет внесена фундаментальная ошибка из-за меньшего или большего напряжения питания.
Импедансный мост
Мосты импедансаработают так же, только уравнение баланса состоит из комплексных величин , так как амплитуда и фаза между компонентами двух делителей должны быть равны, чтобы нулевой детектор показывал «ноль».
Нуль-детектор, конечно же, должен быть устройством, способным обнаруживать очень малые напряжения переменного тока. Для этого часто используется осциллограф, хотя можно использовать очень чувствительные электромеханические движения измерителя и даже наушники (небольшие динамики), если частота источника находится в пределах звукового диапазона.
Нулевой детектор для переменного тока
Один из способов максимизировать эффективность аудионаушников в качестве нулевого детектора — подключить их к источнику сигнала через трансформатор согласования импеданса.
Динамики наушниковобычно представляют собой устройства с низким импедансом (8 Ом), для возбуждения которых требуется значительный ток, поэтому понижающий трансформатор помогает «сопоставить» слаботочные сигналы с импедансом динамиков наушников.
Для этой цели хорошо подходит выходной аудиотрансформатор: (рисунок ниже)
«Современным» низкоомным наушникам требуется согласующий трансформатор импеданса для использования в качестве чувствительного нулевого детектора.
Используя пару наушников, полностью закрывающих уши (типа «закрытых чашек»), я смог обнаружить токи менее 0.1 мкА с этой простой схемой детектора.
Примерно одинаковые характеристики были получены при использовании двух разных понижающих трансформаторов: небольшого силового трансформатора (соотношение 120/6 В) и выходного аудиотрансформатора (соотношение импеданса 1000:8 Ом).
С кнопочным переключателем для прерывания тока эта схема используется для обнаружения сигналов от постоянного тока до более 2 МГц: даже если частота намного выше или ниже звукового диапазона, каждый раз в наушниках будет слышен «щелчок». переключатель нажат и отпущен.
Подключен к резистивному мосту, вся схема выглядит как на рисунке ниже.
Мост с чувствительным детектором нуля переменного тока.
При прослушивании наушников при регулировке одного или нескольких резисторных «плеч» моста будет реализовано условие баланса, когда наушники не будут издавать «щелчки» (или тоны, если частота источника питания моста находится в пределах звукового диапазона). диапазон) при срабатывании переключателя.
При описании общих мостов переменного тока, где импедансы , а не только сопротивления, должны быть в правильном соотношении для баланса, иногда полезно изобразить соответствующие ветви моста в виде коробчатых компонентов, каждый из которых имеет определенный импеданс: (Рисунок ниже)
Мост обобщенного импеданса переменного тока: Z = неспецифический комплексный импеданс.
Для балансировки этой общей формы моста переменного тока коэффициенты импеданса каждой ветви должны быть равными:
Опять же, следует подчеркнуть, что величины импеданса в приведенном выше уравнении должны быть комплексными, учитывая как амплитуду, так и фазовый угол.
Недостаточно, чтобы были сбалансированы только величины импеданса; без фазовых углов и в балансе все равно будет напряжение на выводах нуль-детектора и мост не будет сбалансирован.
Мостовые схемымогут быть сконструированы для измерения практически любого желаемого значения устройства, будь то емкость, индуктивность, сопротивление или даже «добротность».
Как всегда в мостовых измерительных схемах, неизвестная величина всегда «сбалансирована» с известным эталоном, полученным из высококачественного калиброванного компонента, значение которого можно регулировать до тех пор, пока устройство нулевого детектора не покажет состояние баланса.
В зависимости от того, как настроен мост, значение неизвестного компонента может быть определено непосредственно из настройки калиброванного стандарта или получено из этого стандарта с помощью математической формулы.
Пример мостовой схемы
Ниже показана пара простых мостовых схем, одна для индуктивности (рисунок ниже) и одна для емкости:
Симметричный мост измеряет неизвестную катушку индуктивности по сравнению со стандартной катушкой индуктивности.
Симметричный мост измеряет неизвестный конденсатор по сравнению со стандартным конденсатором.
Простые «симметричные» мосты, такие как эти, названы так потому, что они демонстрируют симметрию (зеркальное сходство) слева направо.
Две показанные выше мостовые схемы уравновешиваются путем регулировки калиброванной реактивной составляющей (Ls или Cs).
Они немного упрощены по сравнению с реальными аналогами, так как практические симметричные мостовые схемы часто имеют калиброванный переменный резистор, включенный последовательно или параллельно с реактивным компонентом, чтобы сбалансировать паразитное сопротивление в неизвестном компоненте.
Но в гипотетическом мире идеальных компонентов эти простые мостовые схемы прекрасно иллюстрируют базовую концепцию.
Венский мост
Пример небольшой дополнительной сложности, добавленной для компенсации реальных эффектов, можно найти в так называемом мосте Вина , в котором используется стандартный импеданс параллельного конденсатора и резистора для балансировки неизвестной комбинации последовательного конденсатора и резистора. (Рисунок ниже)
Все конденсаторы имеют некоторое внутреннее сопротивление, буквальное или эквивалентное (в виде диэлектрических потерь при нагреве), которое имеет тенденцию портить их в остальном идеально реактивную природу.
Это внутреннее сопротивление может представлять интерес для измерения, и поэтому мост Вина пытается сделать это, обеспечивая уравновешивающий импеданс, который также не является «чистым»:
Wein Bridge измеряет как емкостную Cx, так и резистивную Rx составляющие «реального» конденсатора.
Поскольку необходимо отрегулировать два стандартных компонента (резистор и конденсатор), для балансировки этого моста потребуется немного больше времени, чем для других, которые мы видели до сих пор.
Совместный эффект Rs и Cs заключается в изменении амплитуды и фазового угла до тех пор, пока мост не достигнет состояния баланса.
Как только этот баланс достигнут, настройки Rs и Cs могут быть считаны с их калиброванных ручек, параллельный импеданс двух определен математически, а неизвестные емкость и сопротивление определены математически из уравнения баланса (Z1/Z2 = Z3/Z4). ).
При работе моста Вина предполагается, что стандартный конденсатор имеет пренебрежимо малое внутреннее сопротивление или, по крайней мере, это сопротивление уже известно, чтобы его можно было учесть в уравнении баланса.
Мосты Вина полезны для определения значений конденсаторов с «потерями», таких как электролитические, где внутреннее сопротивление относительно велико.
Они также используются в качестве частотомеров, поскольку баланс моста зависит от частоты.
При таком использовании конденсаторы делают фиксированными (и обычно одинакового номинала), а два верхних резистора делают переменными и регулируют с помощью одной и той же ручки.
Интересный вариант этой темы можно найти в следующей мостовой схеме, используемой для точного измерения индуктивности.
Мост Максвелла-Вейна
Мост Максвелла-Вейна измеряет катушку индуктивности по эталону конденсатора.
Эта оригинальная мостовая схема известна как мост Максвелла-Вина (иногда известный просто как мост Максвелла ) и используется для измерения неизвестных индуктивностей с точки зрения калиброванного сопротивления и емкости. (Рисунок выше)
Катушки индуктивности калибровочного класса сложнее изготовить, чем конденсаторы аналогичной точности, поэтому использование простого «симметричного» моста индуктивности не всегда практично.
Поскольку фазовые сдвиги катушек индуктивности и конденсаторов прямо противоположны друг другу, емкостное сопротивление может уравновесить индуктивное сопротивление, если они расположены на противоположных ветвях моста, как здесь.
Еще одним преимуществом использования моста Максвелла для измерения индуктивности по сравнению с симметричным мостом индуктивности является устранение погрешности измерения из-за взаимной индуктивности между двумя индукторами.
Магнитные поля трудно экранировать, и даже небольшая связь между катушками в мосте может при определенных условиях привести к существенным ошибкам.Отсутствие второго индуктора, реагирующего внутри моста Максвелла, устраняет эту проблему.
Для упрощения работы стандартный конденсатор (Cs) и параллельно ему резистор (Rs) сделаны переменными, и оба должны быть подогнаны для достижения баланса.
Однако мост можно заставить работать, если конденсатор постоянный (непеременный) и более одного резистора сделать переменным (хотя бы резистор параллельно конденсатору и один из двух других).
Однако в последней конфигурации для достижения баланса требуется больше регулировок методом проб и ошибок, так как различные переменные резисторы взаимодействуют, уравновешивая амплитуду и фазу.
В отличие от простого моста Вина, баланс моста Максвелла-Вина не зависит от частоты источника, и в некоторых случаях этот мост можно заставить балансировать при наличии смешанных частот от источника переменного напряжения, при этом ограничивающим фактором является стабильность катушки индуктивности в широком диапазоне частот.
Существуют и другие варианты помимо этих конструкций, но полное обсуждение здесь не требуется. Импедансные мостовые схемы общего назначения производятся с возможностью включения нескольких конфигураций для максимальной гибкости использования.
Потенциальной проблемой в чувствительных мостовых схемах переменного тока является паразитная емкость между любым концом блока нулевого детектора и потенциалом земли (земли).
Поскольку емкости могут «проводить» переменный ток путем зарядки и разрядки, они образуют пути блуждающего тока к источнику переменного напряжения, что может повлиять на балансировку моста:
Паразитная емкость относительно земли может внести ошибки в мост.
Несмотря на то, что герконовые счетчики неточны, принцип их работы — нет.Вместо механического резонанса мы можем заменить электрический резонанс и спроектировать частотомер с использованием катушки индуктивности и конденсатора в виде колебательного контура (параллельные катушка индуктивности и конденсатор).
Один или оба компонента выполнены регулируемыми, а в цепь помещен измеритель, показывающий максимальную амплитуду напряжения на двух компонентах.
Регулировочная ручка (ручки) откалибрована для отображения резонансной частоты для любой заданной настройки, и частота считывается с них после того, как устройство настроено на максимальное показание на измерителе.
По сути, это схема перестраиваемого фильтра, которая настраивается и затем считывается аналогично мостовой схеме (которая должна быть сбалансирована для «нулевого» состояния, а затем считываться).
Проблема усугубляется, если источник переменного напряжения надежно заземлен с одного конца, общее сопротивление рассеяния для токов утечки значительно меньше, а любые токи утечки через эти паразитные емкости увеличиваются в результате:
Ошибки паразитной емкости более серьезны, если одна сторона источника переменного тока заземлена.
Вагнер Граунд
Один из способов значительно уменьшить этот эффект — держать нулевой детектор с потенциалом земли, чтобы между ним и землей не было напряжения переменного тока и, следовательно, не было тока через паразитные емкости.
Однако прямое подключение нулевого детектора к земле не является вариантом, так как это создаст прямой путь тока для блуждающих токов, который будет хуже, чем любой емкостной путь.
Вместо этого можно использовать специальную цепь делителя напряжения, называемую заземлением Вагнера или заземлением Вагнера , для поддержания нулевого детектора с потенциалом земли без необходимости прямого подключения к нулевому детектору.(Рисунок ниже)
Заземление Wagner для питания переменного тока сводит к минимуму влияние паразитной емкости на землю моста.
Цепь заземления Вагнера представляет собой не что иное, как делитель напряжения, рассчитанный на то, чтобы иметь отношение напряжения и фазовый сдвиг на каждой стороне моста.
Поскольку средняя точка делителя Вагнера непосредственно заземлена, любая другая цепь делителя (включая любую сторону моста), имеющая те же пропорции напряжения и фазы, что и делитель Вагнера, и питаемая от того же источника переменного напряжения, будет иметь потенциал земли. также.
Таким образом, делитель земли Вагнера вынуждает нулевой детектор находиться на потенциале земли, без прямого соединения между детектором и землей.
Часто при подключении нуль-детектора предусмотрена возможность подтверждения правильной настройки схемы заземления Вагнера: двухпозиционный переключатель (рисунок ниже), так что один конец нуль-детектора может быть подключен либо к Земля Вагнера.
Когда нулевой детектор регистрирует нулевой сигнал в обоих положениях переключателя, не только гарантируется сбалансированность моста, но также гарантируется, что нулевой детектор имеет нулевой потенциал по отношению к земле, что устраняет любые ошибки из-за токов утечки через блуждающие Емкость детектор-земля:
Верхнее положение переключателя позволяет регулировать заземление Вагнера.
ОБЗОР:
- Мостовые схемы переменного тока работают по тому же основному принципу, что и мостовые схемы постоянного тока: сбалансированное соотношение импедансов (а не сопротивлений) приводит к «сбалансированному» состоянию, как показывает устройство нулевого детектора.
- Нулевые детекторы для мостов переменного тока могут быть чувствительными электромеханическими измерительными приборами, осциллографами (ЭЛТ), наушниками (с усилителем или без усилителя) или любым другим устройством, способным регистрировать очень малые уровни напряжения переменного тока.Как и для нулевых детекторов постоянного тока, единственной требуемой точкой точности калибровки является ноль.
- Мостовые цепи переменного тока могут быть «симметричного» типа, в которых неизвестный импеданс уравновешивается стандартным импедансом аналогичного типа на той же стороне (вверху или внизу) моста. Или они могут быть «несимметричными», используя параллельные импедансы, чтобы уравновесить последовательные импедансы, или даже емкости, уравновешивающие индуктивности.
Мостовые схемы переменного тока - часто имеют более одной регулировки, поскольку для балансировки необходимо правильно согласовать как величину импеданса , так и фазовый угол .
- Некоторые мостовые схемы импеданса чувствительны к частоте, а другие нет. Частоточувствительные типы могут использоваться в качестве устройств измерения частоты, если точно известны значения всех компонентов.
- A Заземление Вагнера или Заземление Вагнера — это схема делителя напряжения, добавленная к мостам переменного тока для уменьшения ошибок из-за паразитной емкости, соединяющей нулевой детектор с землей.
СВЯЗАННЫЕ РАБОЧИЕ ЛИСТЫ:
(PDF) Микроволновый переключатель с фиксацией и малыми потерями, в котором используются термоимпульсные нелетучие халькогенидные материалы с фазовым переходом
, расположенные на задней стороне земли, и реализация микрополосковой радиочастотной структуры
.Используя переключатель, показанный на рис.
3, мы изготовили переключатель
с последовательным шунтированием, однополюсный, на два направления (SPDT)
, широко используемую конфигурацию, используемую в промышленности RF
, и обычное средство для сравнения переключателя с
производительность коммутатора. Схема в левом верхнем углу рис. 4
показывает, что он состоит из четырех отдельных переключателей,
, где мы проиллюстрировали отправку РЧ-сигнала на порт 2 с помощью
, установив его последовательный переключатель во включенное состояние, а шунтирующий на
заземление в выключенное состояние, в то время как переключатели порта 3 переключаются в
противоположные состояния, чтобы перевести порт 3 в состояние изоляции.ВЧ-тестирование и калибровка
были аналогичны калибровке переключателя CPW SPST,
с использованием датчика постоянного тока для предварительной настройки четырех переключателей
SPDT, оставляя нагреватели плавающими.
не было вычтено ни одного прохода на пластине, а результаты ВЧ-тестирования после калибровки вне пластины
приведены здесь с включенными ВЧ-запусками без встраивания
.
Между общим портом и портом-2 использовались два ВЧ-зонда «земля-сигнал-земля»
. Порт-3 имел оконечную нагрузку 50 X
на пластине (не видно на фотографии) с тонкопленочными резисторами
NiCrSi.
В нижней части рис. 4 показаны измеренные и смоделированные данные для нашего последовательного шунтирующего переключателя SPDT, а также сравнение
с другими технологиями ВЧ-переключателей. Все твердотельные технологии состояния
и переключатель с изменением фазы используют конфигурацию последовательного шунта
SPDT, в то время как устройство MEMS (микро-
электромеханическая система) использует только два переключателя серии
для достижения своего SPDT с нет шунтов на землю. ГАН
GAN HELT (ГАЛИТАЛЬНЫЙ НИИРИДА ГИН-МОБИЛЬНОЙ МОБИЛЬНОЙ ТРАНСИВНОЙ ТРАНСИВНОЙ ТРАНСМИРОВАТЕЛИ-
),
25
GAAS PHEMT (Гэльрий Арсенид Pseudomorphic
+),
26
и Si CMOS (кремниевые комплементарные металл-окси –
de-semiconductor)
27
SPDT-устройства имеют все более низкие вносимые потери на более высоких частотах.
MEMS
28
и GaAs pHEMT имеют относительно плохую изоляцию, в то время как устройство
AlGaAs (арсенид алюминия-галлия) с диодом SPDT
29
показывает хорошие вносимые потери и наилучшую изоляцию.
Переключатели на основе транзисторов и МЭМС-переключатели представляют собой
трехполюсные устройства с затворами, управляемыми напряжением, хотя
МЭМС-переключатель требует управляющих напряжений на порядок выше, чем для транзисторов.Переключатель на основе диодов
представляет собой двухконтактное устройство, требующее более сложной цепи смещения –
, работающей в ВЧ-цепи, чем трехконтактное устройство. И в диодных, и в МЭМС-переключателях
,используются вертикальные ВЧ-тракты, в отличие от
–с поперечной структурой других устройств. Диод AlGaAs
представляет собой устройство с неосновными носителями с экспоненциальной модуляцией сопротивления, изготовленное из тонких эпитаксиальных слоев,
что обеспечивает очень короткое вертикальное транспортное расстояние, очень низкое
сопротивление в открытом состоянии и следовательно, очень низкие вносимые потери. Небольшой размер диода
также имеет низкую емкость в закрытом состоянии, что обеспечивает превосходную изоляцию. Изоляцию MEMS-устройства
можно улучшить, добавив шунтирующие переключатели в топологию схемы серии
. КМОП-устройство изготовлено на подложке с низким удельным сопротивлением
, что снижает вносимые потери и
повышает важность оптимизации его размеров. Скрытый оксид
использовался для улучшения радиочастотной изоляции, которую можно было дополнительно улучшить, заменив подложку кремний-на-сапфире
.Лучшие радиочастотные характеристики GaN по сравнению с
GaAs HEMT обусловлены более высоким пределом пробоя напряжения GaN
. Поскольку истощение идет как V
2
, большие смещения затвора в закрытом состоянии
обеспечивают уменьшение выходной емкости в закрытом состоянии,
более высокие частоты среза и более высокие характеристики для
GaN. Устройство SPDT с переключением фаз демонстрирует превосходную изоляцию и чрезвычайно низкие вносимые потери, поскольку оно выглядит как провод
во включенном состоянии и как конденсатор, прерывающий этот провод
в выключенном состоянии.![]()
Авторы хотели бы поблагодарить Дж. С. Мэйсона-младшего за его
помощь в литографическом определении обнаруженного переключателя
, а также поблагодарить профессоров Университета Карнеги-Меллона
Э. Шлезингера, Дж. Бейна и Дж. Парамешу и их ученикам
Г. Словину, М. Сюй и А. Хайри за многочисленные полезные
комментарии, а также поблагодарить доктора У. Чаппелла из DARPA за его
ободрение и поддержку. Эта работа финансировалась в части
по контракту DARPA No.HR0011-12-C-0095. Выраженные взгляды
принадлежат авторам и не отражают
официальную политику или позицию Министерства обороны или
правительства США. Это соответствует DoDI
5230.29 от 8 января 2009 г. Этот контент был одобрен
для публичного выпуска.
1
С. Овшинский, Физ. Преподобный Летт. 21 (20), 1450–1453 (1968).
2
Т. Охта, Ж. Оптоэлектрон. Доп. Матер. 3(3), 609–626 (2001).
3
С.
Рау, Д. Иельмини, М. Вуттиг и И. Карпов, MRS Bull. 37, 118–123
(2012).
4
GW Burr, MJ Breitwisch, M. Franceschini, D. Garetto, K.
Gopalakrishnan, B. Jackson, B. Kurdi, C. Lam, LA Lastras, A. Padilla,
B. Rajendran, S. Raoux и R. Shenoy, J. Vac. науч. Технол. B 28(2),
223–262 (2010).
5
M. Nardone, M. Simon, I.V. Karpov, and V.G. Karpov, J. Appl. физ.
112(7), 071101 (2012).
6
Ф. Сюн, А. Д. Ляо, Д. Эстрада и Э. Поп, Science 332 (6029), 568–570
(2011).
7
M.H.R. Lankhorst, B.W.S.M.M. Ketelaars и R.A.M. Wolters, Nat.
Матер. 4. 347–352 (2005).
8
С. К. Бахл и К. Л. Чопра, J. Appl. физ. 41(5), 2196–2212 (1970).
9
Р. Р. Хелкес, Р. К. Миллер и Р. В. Юр, младший, в Термоэлектричество-
Наука и техника, под редакцией Р.C. Miller (Interscience, NY, 1961)
Гл. XIII.
10
R. Lan, R. Endo, M. Kuwahara, Y.
Kobayashi, and M. Susa, J. Appl. физ.
112, 053712 (2012).
11
E.K. Chua, L.P. Shi, R. Zhao, K.G. Lim, T.C. Chong, T.E. Schlesinger,
и J.A. Bain, Appl. физ. лат. 97(18), 183506 (2010).
12
S. Raoux, B. Mu
~
noz, H.-Y. Cheng и J.L. Jordan-Sweet, Appl. физ.
Букв.95, 143118 (2009).
13
С. Лай и Т. Лоури, Tech. Копать. – Междунар. Встреча электронных устройств. 2001,
36.5.1–36.5.4.
14
Х. Ло, Э. Чуа, Дж. К. Хуанг, К. С. Тан, С.-Ю. Wen, R. Zhao, L. Shi, C. T.
Chong, J. Paramesh, T. E. Schlesinger и J. A. Bain, IEEE Trans.
Электронные устройства 57 (1), 312–320 (2010).
15
Ю. Шим, Г. Хаммель и М. Раис-Заде, 26-я международная конференция IEEE
по микроэлектромеханическим системам (МЭМС) (IEEE, 2013),
стр.237–240.
16
К.Н. Чен, К.Н. Чен, Л. Крузин-Эльбаум, Д.М. Ньюнс, Б.Г.
Элмегрин, Р. Чик, Н. Рана, А.
М. . 29(1), 131–133 (2008).
17
Н. Эль-Хиннави, П. Бородулин, Б. Вагнер, М. Р. Кинг, Дж. С. Мейсон мл., Э.
Б. Джонс, С. Маклафлин, В. Велиадис, М. Снук, М. Е. Шервин , RS
Howell, RM Young и MJ Lee, IEEE Electron Device Lett.34(10),
1313–1315 (2013).
18
С. Рау, Х.-Ю. Ченг, М.А. Колдуэлл и Х.-С. П. Вонг, заявл. физ.
Букв. 95, 071910 (2009).
19
М. Хансен и К. Андерко, Конституция бинарных сплавов, 2-е изд.
(Genium Publishing Company, Скенектади, Нью-Йорк, 1985), стр. 544 и
776–777.
20
P. Nath and K.L. Chopra, Phys. 10(8), 3412–3417 (1974).
21
С.-М. Ли и Д.G. Cahill, J. Appl. физ. 81(6), 2590–2595 (1997).
22
L. La Spina, A. W. van Herwaarden, H. Schellevis, W. H. A. Wien, N.
Nenadovic, and L. K. Nanver, J. Microelectromech. Сист. 16(3), 675–683
(2007).
013501-4 Эль-Хиннави и др. заявл. физ. лат. 105, 013501 (2014)
Эта статья защищена авторским правом, как указано в статье.
Повторное использование содержимого AIP регулируется условиями, размещенными по адресу: http://scitation.aip.org/termsconditions. Скачано на IP:
54.152.109.166 On: Wed, 09 Dec 2015 22:59:28
GM перейдет на полностью электрические автомобили к 2035 году, поэтапный отказ от бензиновых и дизельных двигателей
General Motors планирует полностью отказаться от автомобилей с двигателями внутреннего сгорания к 2035 году, председатель и главный исполнительный директор Мэри Барра объявила в четверг. К 2035 году автопроизводитель станет полностью углеродно-нейтральным на всех объектах по всему миру.
Барра часто рекламирует план GM по «полностью электрическому будущему», недавно увеличив до 30 количество чисто аккумуляторных электромобилей, которые он выпустит к середине 2020 года. Это десятилетие, но это первый раз, когда крупнейший детройтский автопроизводитель поставил перед собой жесткую цель полностью отказаться от бензиновых и дизельных двигателей для всех легковых автомобилей, включая пикапы и внедорожники.
GM также работает над экологически чистой технологией для большегрузных автомобилей. В среду GM объявила, что предоставит технологию топливных элементов для Navistar International Corp. И она ищет другие применения водородной технологии, которую она разрабатывает в рамках совместного предприятия с Honda.
«General Motors присоединяется к правительствам и компаниям по всему миру, работающим над созданием более безопасного, экологичного и лучшего мира», — говорится в заявлении Барра. «Мы призываем других последовать их примеру и оказать значительное влияние на нашу отрасль и экономику в целом.
Автомобильная промышленность переходит от технологии внутреннего сгорания к безэмиссионным аккумуляторам и водородным силовым агрегатам. Несколько традиционных брендов также взяли на себя обязательства по полному переходу: Bentley недавно объявила целевую дату 2030 года, чтобы полностью перейти на аккумуляторные электромобили или BEV. На этой неделе Nissan заявил, что электрифицирует все модели к «началу 2030-х годов», но это будет включать в себя газоэлектрические гибриды, а также электромобили.
Стремясь перейти на электромобили, GM надеется конкурировать с Tesla и такими выскочками, как Rivian, Bollinger и Lordstown Motors.
В 2016 году GM выпустила свою первую аккумуляторную электрическую модель для дальних поездок, Chevrolet Bolt EV, и готовится к агрессивному наращиванию производства, начиная с удлиненного Chevy Bolt EV и пикапа GMC Hummer в конце этого года. К середине десятилетия все ее американские и зарубежные бренды, в том числе китайские, будут иметь электромобили в выставочных залах.
«Мы считаем, что это будет успешная бизнес-модель будущего», — заявил глава GM по охране окружающей среды Дейн Паркер на виртуальной конференции в четверг. «Мы чувствуем, что сможем преодолеть препятствия (и) сможем процветать в будущем.
GM стремится улучшить экономику электромобилей за счет предстоящего запуска своих новых батарей Ultium в рамках совместного предприятия с южнокорейской LG Chem. Аккумуляторы для Chevrolet Bolt EV в настоящее время стоят около 145 долларов за киловатт-час.
Ближайшая цель для батарей, выпускаемых на новом заводе в Огайо, — 100 долларов за кВтч, а в конечном итоге — 70 долларов. При такой цифре можно сэкономить более 4000 долларов на транспортное средство, используя блок мощностью 65 кВтч, такой как Bolt.
GM был одним из первых автопроизводителей, вышедших на рынок электромобилей, и изменил курс на свое более раннее решение поддержать план администрации Трампа лишить Калифорнию возможности устанавливать более жесткие стандарты выбросов, чем федеральный мандат.
GM также планирует использовать возобновляемые источники энергии на своих заводах в США к 2035 году и за рубежом к 2040 году. Паркер сказал, что там, где нельзя использовать солнечную или ветровую энергию, GM рассмотрит другие варианты, такие как производство энергии на водороде или улавливание углерода. .
GM «в восторге от того, что делает новая администрация Байдена», — сказал Паркер в четверг, ссылаясь на план президента Джо Байдена заменить почти 650 000 автомобилей в федеральном парке полностью электрическими моделями.
С одной третью тех, которые эксплуатируются U.S. Postal Service, что может создать значительные возможности для новой дочерней компании BrightDrop, запущенной в этом месяце. Одним из ее ключевых продуктов станет полностью электрический фургон, предназначенный для таких служб доставки, как FedEx, UPS и, возможно, USPS.
Пол А. Эйзенштейн — корреспондент NBC News, освещающий автомобильную промышленность.
Цепи управления прямым/обратным ходом – базовое управление двигателем
Если трехфазный двигатель должен вращаться только в одном направлении, и при первоначальной подаче питания обнаруживается, что он вращается в направлении, противоположном желаемому, все, что необходимо, — это поменять местами любые два из трех проводов, питающих двигатель. .Это можно сделать на пускателе двигателя или на самом двигателе.
Вращение трехфазного двигателя
После переключения двух линий направление магнитных полей, создаваемых в двигателе, теперь заставит вал вращаться в противоположном направлении. Это известно как обращение фазового вращения.
Если двигатель должен вращаться в двух направлениях, то ему потребуется пускатель двигателя прямого/обратного хода, который имеет два трехполюсных контактора с номинальной мощностью, а не один, как в обычном пускателе.Каждый из двух разных пускателей электродвигателя питает двигатель с разным чередованием фаз.
Когда на контактор прямого хода подается питание, силовые контакты соединяют линию L1 с T1, линию L2 с T2 и линию L3 с T3 на двигателе. Когда на контактор реверса подается питание, силовые контакты соединяют линию L1 с T3, линию L2 с T2 и линию L3 с T1 на двигателе.
Силовая цепь прямого/обратного хода Поскольку два пускателя двигателя управляют только одним двигателем, необходимо использовать только один набор нагревателей реле перегрузки.Обратные пути для обеих катушек пускателя соединяются последовательно с нормально замкнутыми контактами реле перегрузки, так что при перегрузке в любом направлении катушки пускателя обесточиваются и двигатель останавливается.
Обратите внимание, что два контактора должны быть электрически и механически заблокированы, чтобы на них не могло быть подано напряжение одновременно. Если на обе катушки стартера одновременно подается напряжение, произойдет короткое замыкание с потенциально опасными последствиями.
Пускатели прямого/обратного хода поставляются с двумя наборами нормально разомкнутых вспомогательных контактов, которые действуют как удерживающие контакты в каждом направлении.Они также поставляются с двумя наборами нормально замкнутых вспомогательных контактов, которые действуют как электрические блокировки.
Пускатели прямого/обратного хода никогда не должны замыкать свои силовые контакты одновременно. Лучший способ обеспечить это – электрические блокировки, которые предотвращают подачу питания на одну катушку, если другая катушка задействована. Сбой в электрической блокировке может привести к одновременному включению обеих катушек.
Если оба находятся под напряжением, требуется какая-либо механическая блокировка, чтобы предотвратить втягивание обоих якорей.
Механическая блокировка, представленная на схематических диаграммах в виде пунктирной линии между двумя катушками, представляет собой физический барьер, который надвигается на путь якоря одной катушки при движении соседней катушки. Это означает, что даже если обе катушки находятся под напряжением, только один якорь сможет полностью втянуться. Катушка, которая не может втянуться, будет издавать ужасный дребезжащий звук, пытаясь замкнуть магнитную цепь.
На механические блокировки следует полагаться как на крайнюю меру защиты.
Электрическая блокировка достигается путем установки нормально замкнутого контакта катушки одного направления последовательно с катушкой противоположного направления и наоборот. Это гарантирует, что когда катушка прямого хода находится под напряжением, нажатие кнопки реверса не приведет к включению катушки обратного хода. Такая же ситуация возникает при включении обратной катушки. В обоих случаях необходимо нажать кнопку останова, чтобы обесточить рабочую катушку и вернуть все ее вспомогательные контакты в исходное состояние.
Затем можно включить катушку противоположного направления.
При разработке схемы управления для цепей прямого/обратного хода мы начинаем со стандартной трехпроводной схемы, добавляем вторую нормально разомкнутую кнопку и ветвь удерживающего контакта для второй катушки. Одной кнопки остановки достаточно, чтобы отключить двигатель в обоих направлениях.
Две катушки механически заблокированы, а нормально замкнутые контакты мгновенного действия обеспечивают электрическую блокировку.
Если нажата кнопка прямого хода, пока катушка реверса не задействована, ток найдет путь через нормально замкнутый контакт реверса и активирует катушку прямого хода, в результате чего все контакты, связанные с этой катушкой, изменят свое состояние. Удерживающий контакт 2-3 замкнется, а нормально замкнутая электрическая блокировка разомкнется. Если нажать кнопку реверса при включенной катушке прямого хода, ток не сможет пройти через нормально замкнутый контакт прямого хода, и ничего не произойдет.
Чтобы запустить двигатель в обратном направлении, передняя катушка должна быть обесточена. Для этого необходимо нажать кнопку остановки, после чего кнопка реверса сможет подать питание на катушку реверса.
Независимо от направления вращения двигателя эта схема будет работать как стандартная трехпроводная схема, обеспечивающая защиту от пониженного напряжения (LVP) до тех пор, пока не будет нажата кнопка остановки или не произойдет перегрузка.
Блокировка кнопок прямого/обратного ходаБлокировка кнопок требует использования четырехконтактных кнопок мгновенного действия, каждая из которых имеет набор нормально разомкнутых и нормально замкнутых контактов.
Для блокировки кнопок просто подключите нормально замкнутые контакты одной кнопки последовательно с нормально разомкнутыми контактами другой кнопки, а удерживающие контакты будут подключены параллельно с нормально открытыми контактами соответствующей кнопки.
Эта цепь по-прежнему требует установки электрических блокировок.
