Как научиться чертить чертежи на бумаге с нуля?
✅ Как научиться чертить чертежи? Это легко, если все делать правильно. Вам нужно выработать некоторые основные приемы и научиться визуализировать предметы.
Чертеж — это язык общения инженеров, он разрабатывался в течение многих лет для физического описания их работы. Если вы хотите работать в области инженерного проектирования, то должны уметь читать и писать на нем.
Зачем нужно черчение чертежей?
Часто спрашивают, почему в век компьютеризации студентов заставляют рисовать “идеальные” инженерные чертежи вручную?
| Как научиться чертить чертежи самому? |
Причина, по которой в учебных заведениях до сих пор учат чертить от руки, заключается в том, чтобы научить учащихся визуализировать что-то на бумаге. Таким образом они получают представление об изометрических видах, проекциях, о том, как маркировать чертежи и т.
д. Это важные вещи (например: в производстве или архитектуре), которые придется усвоить.
Основная идея графического чертежа состоит в том, чтобы улучшить ваше представление об объекте и развить ваши аналитические способности.
Какие бывают чертежи?
Вот лишь некоторые из множества видов:
- изометрический рисунок
- ортогональные или многоракурсные чертежи
- сборочные чертежи
- виды поперечного сечения
и т.д.
Инженерный чертеж означает представление объектов или деталей на бумаге или экране компьютера с целью передачи максимально точной информации, которая впоследствии может быть использована для проектирования, изготовления, сборки, осмотра или ремонта этих предметов. Все отрасли инженерии требуют базовых знаний технических чертежей.
Чем инженерная графика отличается от художественного рисунка?
Инженерные чертежи:
- предназначены для производства/изготовления неких вещей
- масштабируемые
- с точными размерами
- созданы с использованием инструментов для черчения или программного обеспечения
- соответствуют определенным техническим нормам
- используются, в основном, специалистами
- возможно, выглядят не эстетично
- значение чертежа не меняется в зависимости от зрителя
Художественные рисунки:
- выражают точку зрения художника
- размеры не указаны и не требуются
- созданы с использованием инструментов художника или таких программ, как Photoshop
- свободны от требований быть технически правильными
- предназначены для общего просмотра
- цель картины или рисунка состоит в том, чтобы быть эстетически приятными для глаз и вызывать эмоции
- разные зрители могут воспринимать рисунок по-разному
Еще раз подчеркну основное отличие: инженерный чертеж предназначен для изготовления деталей, а художественные рисунки — это просто визуальное представление чего-то или кого-то.
Теперь перейдем к тому, как научиться чертить чертежи на бумаге, то есть руками, потому что сейчас не проблема выполнить любую чертежную работу, применяя программное обеспечение. Слова “автокад” и “компас”, наверное, все слышали…
Когда, в свое время, я изучал предмет, это в основном делалось на чертежных досках с рейсшинами, и это было тяжело. Дорогие наборы-готовальни, листы ватмана, справочники и очень капризные преподаватели. В итоге многие не могли сдать тему.
Требовалась, без преувеличения, тяжелая работа и большая практика по “набиванию” руки и совершенствованию глазомера. Так что, как и в любом другом деле, тренировка — единственный путь к прогрессу.
Честно говоря, я не уверен, что вы можете добиться идеальных результатов 😀 но вы точно можете приблизиться к этому. Какими бы хорошими ни были ваши работы, ваш преподаватель все равно найдет какую-нибудь ошибку 😀
Учимся чертить чертеж: полезные правила
Все-таки, как начертить чертеж? Начнем с основного, а потом перейдем к частностям мастерства чертежника.
1️⃣ Практика
Наверное, вы это слышали миллион раз, но это действительно важно. Если вы хотите преуспеть в черчении, постоянная практика является главным ключом к достижению идеальных результатов.
2️⃣ Обращайте внимание на детали
Вы должны четко знать или иметь под рукой основные нормативы черчения. Например, какую тонкую линию использовать и где.
Во время учебы я терял баллы из-за самых глупых вещей. Двойная линия, вспомогательная линия, которая была недостаточно светлой, толщина сплошной основной, да что угодно. Детали очень важны, и если вы хотите, чтобы ваша работа получила высокую оценку от преподавателя, то надо убедиться, что все в порядке.
3️⃣ Измерения должны быть точными, если не хотите, чтобы в итоге вместо квадрата получилась трапеция 🤨
4️⃣ Используйте правильные чертежные принадлежности
Прежде всего, имейте собственные инструменты и не одалживайте чужие.
Когда дело доходит до выбора таких вещей, как карандаши, убедитесь, что они у вас правильной твердости.
Я обычно использовал карандаш 4H или 3H, но кто-то однажды сказал мне, что важна не столько твердость карандаша, сколько давление, которое вы прикладываете на бумагу. У меня не особенно получалось регулировать это давление, поэтому я просто выбрал более мягкий карандаш.
Всегда имейте при себе механический карандаш, также известный как цанговый, и грифели H в резерве.
Использование “правильных” принадлежностей также означает, что они должны быть чистыми.
5️⃣ Избавьтесь от излишней самоуверенности
Иногда вам может казаться, что вы досконально освоили науку черчения и можете теперь делать чертежи “на потоке”, но обычно это приводит к проблемам.
Продолжайте повторять до автоматизма одно и то же, чтобы убедиться, что вы не забыли, как выполнять даже самые простые темы. Учитесь, пока не перестанете ошибаться.
Чем больше вы практикуете, тем совершеннее становитесь. Но практика в неправильном направлении не приведет ни к чему хорошему. Свято следуйте приведенным ниже правилам.
Как научиться чертить: полезные советы
✔️ Используйте два карандаша. Один темнее (мягче) и толще для видимых и скрытых линий, а другой светлее (тверже) для линий проекции и осевых линий.
В принципе, можно чертить только грифелем H: давить сильнее для обозначения толстых линий, и давить слегка, чтобы нарисовать проекционные линии и т.п.
Выработайте навык постоянного усилия нажима на карандаш, чтобы на бумаге получались ровные линии. Именно такими они должны быть на совершенном инженерном чертеже, а не неровными и небрежно выполненными.
✔️ Предварительно отмечайте конечные точки линии перед ее рисованием.
✔️ Используйте чистые линейки, транспортир, лекала и все, чем вы пользуетесь при черчении. Каждую неделю не забывайте чистить поверхность шкал. Это убережет ваш ватман от пятен.
✔️ Когда требуется нарисовать окружность с помощью циркуля, держите его неподвижно, а другой рукой вращайте лист. Поверьте, у вас будет идеальный круг. Применимо для небольших форматов 🙃
✔️ Как только начертили линию, сразу же подпишите ее, чтобы не забыть это сделать в дальнейшем.
✔️ Линии проекции должны быть максимально светлыми, а видимым и контрастным должен быть только объект.
✔️ Штриховку нужно делать более светлым карандашом.
✔️ Все размеры должны быть написаны поверх линии и выровнены по центру. Желательно, чтобы они были равномерно распределены со всех сторон рисунка для аккуратности. Меньшие размеры следует указывать внутри больших. Это улучшает читаемость.
✔️ Используйте ластик по минимуму.
Черчение является важным предметом в технических дисциплинах и считается трудным для тех, кто не проявляет никакого интереса к рисованию с детства. Но это совсем не сложное занятие, когда вы заинтересованы.
Следуйте приведенным выше советам, если хотите получить высокие оценки, а также иметь хорошие навыки черчения на всю жизнь.
Где заказать чертежи для диплома с быстрыми сроками выполнения?
Кто из нас во время учебы в техническом ВУЗе или колледже в отчаянии хоть раз не задавался вопросом “где заказать чертежи?”
Дело не в том, что студенты ленивый народ, большинство из них – как раз-таки наоборот, поскольку решили учиться дальше.
Объективно, для большинства людей выполнить чертежную работу по какой-нибудь начертательной геометрии, не говоря уже об инженерной графике, просто нереально.
Никогда не забуду, как много лет назад нужно было “кровь из носу” за неделю сдать 8 чертежей А-нулевого формата. Сделал сам за счет адских усилий 😬 Семестр сдал, но в дальнейшем именно это послужило толчком к тому, чтобы бросить горный институт к середине первого курса, о чем по сей день ни капли не жалею.
Слава богу, сейчас есть возможность “делегировать” это неблагодарное занятие специалистам и заказать чертежные работы по любой дисциплине.
✅ Заполните несложную форму ниже и узнайте, сколько будет стоить ваша готовая работа.
🔔 Внимание! 💲 При оформлении заказа введите промокод 77048-rob88, чтобы получить скидку 10% от стоимости работы.
Мы в Telegram: t.me/pro_kurso
Как правильно чертить чертежи – Учим вместе
Черчение как чертить
Для того, чтобы выполнить даже самый простой чертеж на бумаге, крайне важно соблюдать установленные нормы и требования, касающиеся чертежей, делать рисунки в установленных масштабах, с использованием определенного чертежного шрифта.
Первое, с чего стоит начать, это с оформления специальной чертежной рамки. Для нее стоит сделать отступы по 5 миллиметров сверху, снизу и справа, и 20 миллиметров слева для удобного подшивания готового чертежа.
В правом нижнем углу листа располагается основная надпись, для нее расчерчивают специальную таблицу высотой 55 миллиметров и 185 миллиметров в ширину. Основная таблица в обязательном порядке заполняется шрифтом по ГОСТ 2.304-81.
Перед тем, как приступить к работам, необходимо подготовить инструменты, среди которых:
— карандаши разной твердости;
— мерительная линейка;
— готовальню;
— стирательную резинку;
— прочие инструменты.
Бумага выбирается подходящего формата, обратите внимание на то, что от качества бумаги зависит качество нанесенного на нее чертежа. Приобрести подходящие листы можно в любом канцелярском магазине.
Прежде чем приступать к черчению, стоит обучиться написанию цифр и букв по ГОСТу.
Желательно потренироваться на отдельном листе, где предварительно стоит начертить специальную вспомогательную сетку. Со временем у вас выработается глазомер, и чертежные буквы будут одинаковыми.
В требования ГОСТа указано, что чертежный шрифт, как буквы, так и цифры, должен быть наклонен на 75 градусов.
Самыми распространенными ошибками при выполнении чертежного шрифта принято считать:
— буквы не соответствуют размерам, указанным в ГОСТе;
— все буквы разного размера и «прыгают» в строке;
— у букв разный наклон.
Чтобы научиться правильному написанию чертежного шрифта, первое время можно с помощью циркуля проводить две линии по высоте букв. Так шрифт будет ровным и буквы не будут разной высоты.
Новичкам рекомендуется выбирать чертить линии оптимальной шириной от 0,8 до 1 миллиметра. Обратите внимание на то, что рамка и основная надпись в чертежном рисунке должны быть сделаны непрерывной толстой линией. Тонкая сплошная линия поможет сделать изображение сечения детали, а также сделать выносные размеры.
В черчении используются и другие линии:
— сплошная неровная линия – предназначена для обозначения линии разграничения на рисунке. Часто проводится в случае, когда деталь слишком объемная и ее нет смысла помещать целиком;
— штриховка – обозначаются невидимые линии;
— штриховка с пунктиром – обозначение центра детали либо оси.
Все основные линии на рисунке выполняются толщиной до 0,3 миллиметров на формате до А1, при этом толщина штриховки подбирается в соответствии с размерами детали. При выполнении процедуры проекционного черчения чаще всего допускаются следующие ошибки и неточности:
— в аксонометрических проекциях неправильно строится изображение круговых и элипсовидных деталей;
— неправильно выбирается секущая площадь детали, в связи с чем не удается рассмотреть все особенности детали.
Изображаемый предмет располагают таким образом, чтобы все его грани соответствовали шести плоскостям проекций. При этом вид спереди (фронтальная плоскость) является основным изображением.
Лучше всего расположить деталь к наблюдателю таким образом, чтобы создавалось полное представление о размерах, форме и других характеристиках изображаемого изделия.
Обычно на чертежах деталь схематически разрезают, это делается для того, чтобы понять строение детали изнутри. Это дает полное представление о разрезах, выемках и прочих особенностях, которые не видно на фронтальной плоскости.
Желательно первоначально выполнять изображение тонкими линиями, которые будет легко убрать. Толстыми линиями чертеж лучше обвести на последнем этапе.
Для того, чтобы выполнить даже самый простой чертеж на бумаге, крайне важно соблюдать установленные нормы и требования, касающиеся чертежей, делать рисунки в установленных масштабах, с использованием определенного чертежного шрифта.
Перед тем, как приступить к работам, необходимо подготовить инструменты, среди которых:
Со временем у вас выработается глазомер, и чертежные буквы будут одинаковыми.
Uchieto.
ru
05.09.2018 6:50:23
2018-09-05 06:50:23
Источники:
Https://uchieto. ru/chertit-chertezhi/
Уроки по черчению. » /> » /> .keyword { color: red; }
Черчение как чертить
Основная надпись чертежа
Дата добавления: 2010-04-29
Театр начинается с вешалки? Ок. Выполнение чертежа начинается с вычерчивания основной надписи чертежа. Штамп — второе ее название. В статье указаны размеры основной надписи чертежа и принципы ее заполнения. Но не забудьте сначала начертить рамку листа, так же как до театральной вешалки необходимо открыть пару массивных дверей 🙂
Дата добавления: 2010-04-21
В этом уроке вы узнаете, как правильно начертить головку болта. Если вы поймете все описанные моменты — ваша работа «резьбовые соединения» для вас уже не будет столь сложной, а преподаватель будет приятно удивлен тому, что в вашей работе не оказалось типичных ошибок, которые так часто допускают студенты технических ВУЗов.
Кроме того, по аналогии выполняется и чертеж гайки, поэтому советуем разобраться в этом уроке хорошенько.
Дата добавления: 2010-08-02
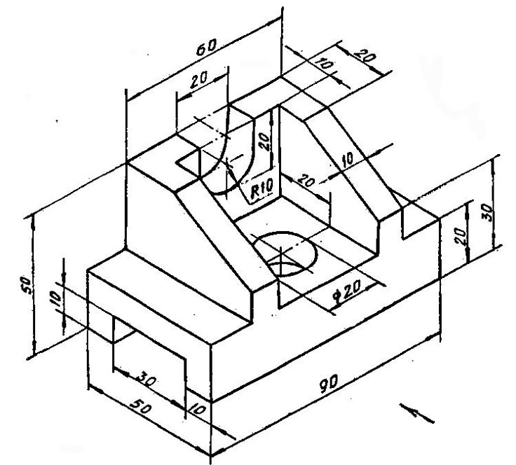
Построение изометрической проекции детали — обязательная тема в курсе черчения и инженерной графики. В этом уроке я постараюсь показать на примере простой детали, как происходит построение изометрии.
Дата добавления: 2010-08-11
Одним из частых элементов на учебных чертежах является эллипс. В этом уроке мы рассмотрим, как начертить эллипс с помощью циркуля. Построение эллипса — задача несложная. Но зачастую чертежи протираются до дыр, в попытках построить красивую симметричную фигуру.
Дата добавления: 2010-09-07
Иногда возникает необходимость разделить окружность на пять равных частей. В этом уроке описан алгоритм деления окружности. Кроме того, построение правильного пятиугольника использует этот же алгоритм.
Дата добавления: 2010-09-07
Вы собираетесь начертить первый чертеж, но не можете начать из-за того, что не понимаете, какие линии и как использовать, насколько допустимы отклонения от ГОСТа, как мерить толщину линии и т.
д. Давайте вместе разберемся с применением различных типов линий в черчении.
Дата добавления: 2010-09-14
Как правильно начертить шрифт чертежный? Инженерная графика, буквы. Если такие запросы вы задавали поисковой системе, то этот урок для вас. Так же он должен помочь вам выполнить титульный лист по черчению.
Дата добавления: 2010-09-21
После того как студент осваивает построение третьего вида детали, ему дают задание, в котором просят начертить натуральный вид фигуры сечения. В ходе выполнения задания необходимо начертить наклонное сечение детали, заданное преподавателем.
Дата добавления: 2010-10-25
В этом уроке мы рассмотрим, как начертить окружность в изометрии. Этот материал можно считать второй частью урока про построение изометрии.
Дата добавления: 2011-09-06
Эта статья поможет вам побороть страх и трепет перед непонятным и неведомым черчением. Если вы еще только готовитесь начертить свой первый чертеж, или попробовали, но не вышло — приглашаю на занятие! В ходе этого урока мы создадим чертеж простой детали, а главное, вы узнаете, что ГОСТы — это не злющие цепные псы, и что чертить вы вполне можете.
Дата добавления: 2011-09-08
Как правильно обводить чертеж? Как правильно заполнить основную надпись чертежа? Как связаны между собой сплошная основная линия и сплошная тонкая? Обо всем этом я расскажу вам во второй части Самого Главного Урока. В конце статьи вы сможете скачать пример первого учебного чертежа.
Откуда берутся дуги на гайке?
Дата добавления: 2011-09-30
Если вам необходимо выполнить чертеж болта, или чертеж гайки, а вы смотрите на их изображения, и не понимаете, с чего вдруг они такой чудной формы, откуда там взялись кривые линии, почему фаски на одном виде такие, а на другом — уже другие, то этот урок поможет вам ответить на эти вопросы
Дата добавления: 2011-10-07
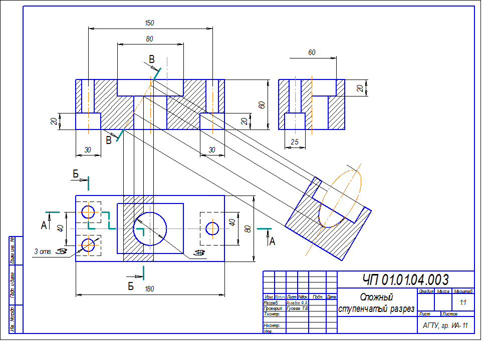
Предлагаю на простом примере рассмотреть, как показать на чертеже внутренние контуры детали. В ходе урока мы выполним простой разрез детали, выполним штриховку плоскости разреза.
Дата добавления: 2015-04-18
Регулярно получаю вопрос: Могли бы вы показать, как начертить наклонное сечение детали, если секущая плоскость задана на третьем виде (на виде слева)? Данный пост — долгожданный ответ на очень непростой вопрос.
Как построить диметрию детали?
Дата добавления: 2015-11-10
В этом уроке я подробно расскажу вам о том, как выполнить построение диметрии детали. Мы пошагово пройдем все этапы, начиная от вычерчивания осей и завершая торжественным отсечением четверти. Как начертить диметрию с вырезом четверти? Все тайны раскрываются в этом уроке!
Zakaz@trivida. ru
Наша страница в ВК:
Антон, как постоить фронтальный разрез, и изометрию с четвертью?
Руслан, построение разреза, а так же построение изометрии с вырезом четверти вы можете познать в разделе «Уроки по черчению». Здесь размещены специально разработанные онлайн уроки по черчению для начинающих и пошаговые инструкции по черчению и инженерной графике.
MorozArt Studio © 2005 • 2011 • Москва • Удаленная работа
При публикации статей с сайта активная ссылка на оригинал обязательна.
Основная надпись чертежа
Откуда берутся дуги на гайке?
Антон, как постоить фронтальный разрез, и изометрию с четвертью.
Www. trivida. ru
12.11.2020 3:19:03
2020-11-12 03:19:03
Источники:
Https://www. trivida. ru/chertezhi_view_cat. php? cat=2
Как начертить чертеж на компьютере » /> » /> .keyword { color: red; }
Черчение как чертить
Для того, чтобы скачать приложение, вам необходимо заполнить форму на сайте.
После ее заполнения на указанный e-mail придет письмо со ссылкой для скачивания. После завершения скачки запустите установочный файл. Следуйте инструкции установки.
После установки запустите приложение с помощью ярлыка на рабочем столе или в меню «Пуск».
Как начертить чертеж на компьютере с помощью КОМПАС-3D
Экран приветствия выглядит следующим образом.
Выберите пункты Файл>Создать в верхнем меню. Затем выберите «Фрагмент» в качестве формата для чертежа.
Теперь можно приступить к самому черчению. Для того, чтобы было проще чертить в КОМПАСЕ 3D, следует включить отображение сетки. Делается это нажатием соответствующей кнопки.
Если нужно изменить шаг сетки, то кликните по раскрывающемуся списку около той же кнопки и выберите пункт «Настроить параметры».
Все инструменты доступны в меню слева, либо в верхнем меню по пути: Инструменты>Геометрия.
Для отключения инструмента просто кликните по его иконке еще раз. Для включения/отключения привязки при рисовании отведена отдельная кнопка на верхней панели.
Выберите необходимый инструмент и начните рисовать.
Вы сможете отредактировать нарисованный элемент, выделив его и кликнув правой клавишей мыши. После этого нужно выбрать пункт «Свойства».
Изменяя параметры в окне справа, вы сможете менять расположение и начертание элемента.
Выполните чертеж, используя доступные в программе инструменты.
После того, как вы начертите требуемый чертеж, необходимо будет добавить к нему выноски с размерами и пометками. Для указания размеров воспользуйтесь инструментами пункта «Размеры», нажав соответствующую кнопку.
Выберите необходимый инструмент (линейный, диаметральный или радиальный размер) и добавьте его на чертеж, указав точки измерения.
Для изменения параметров выноски выделите ее, после в окне параметров справа выберите необходимые значения.
Аналогичным образом добавляется выноска с текстом. Только для нее отведено отдельное меню, которое открывается кнопкой «Обозначения». Здесь находятся линии-выноски, а также простое добавление текста.
Завершающим шагом является добавление таблицы-спецификации к чертежу. Для этого в этом же наборе инструментов воспользуйтесь инструментом «Таблица».
Соединив несколько таблиц разного размера, вы сможете создать полноценную таблицу со спецификацией к чертежу.
Ячейки таблицы заполняются по двойному клику мыши.
В итоге у вас получится полноценный чертеж.
Теперь вы знаете, как можно чертить в КОМПАСЕ 3D.
Мы рады, что смогли помочь Вам в решении проблемы.
Помимо этой статьи, на сайте еще 12868 полезных инструкций.
Добавьте сайт Lumpics. ru в закладки (CTRL+D) и мы точно еще пригодимся вам.
Опишите, что у вас не получилось. Наши специалисты постараются ответить максимально быстро.
Мы рады, что смогли помочь Вам в решении проблемы.
Опишите, что у вас не получилось. Наши специалисты постараются ответить максимально быстро.
Все инструменты доступны в меню слева, либо в верхнем меню по пути Инструменты Геометрия.
Lumpics. ru
17.06.2018 1:13:28
2018-06-17 01:13:28
Источники:
Https://lumpics. ru/how-to-make-drawing-on-computer/
Чертим правильно: современные средства создания чертежей
Содержание:
- Самые популярные программы для черчения
- Другие программы для создания чертежей
Как сделать чертёж? Начать с проектирования.
Никто не строит здание, пока не спроектирует его и не произведет необходимые расчеты. Чтобы изготовить деталь, без чертежа не обойтись. Когда первоначальные параметры определены, можно запускать механизм в массовое производство. Что получается? Чтобы создать какой-то объект, нужно составить проект. Кому как не технарям знакома эта работа. Складывается такая картина: если вы осваиваете или владеете технической специальностью, то должны уметь не только читать, но и создавать чертежи.
Черчение от руки актуально разве что в школе на уроке. В студенческую пору начинается изучение специализированных программ. Все процессы в них автоматизированы. Пользователь только выбирает необходимые инструменты и создает изображения в двумерной или трехмерной проекции. В каких программах лучше всего работать? Как научиться чертить чертежи?
Забудьте о кульмане и остро заточенном карандаше – всё это давно кануло в прошлое. Теперь вам придется осваивать САПР. Аббревиатура расшифровывается, как системы автоматизированного проектирования.
Освоив одну из программ, вы узнаете, как чертить на компьютере простые чертежи, как создавать изображения в большом формате, а затем печатать их на плоттере.
Самые популярные программы для черчения
Обзор компьютеризированного черчения невозможен без упоминания самых известных чертежных программ: Autodesk AutoCAD и Аскон КОМПАС. Рассмотрим каждую из них более подробно, найдем достоинства и недостатки.
- Начнем с АвтоКАД. Программу для создания чертежей разработала американская компания Autodesk. Это самый известный и востребованный продукт САПР с мировой историей. Широкий функционал – основное достоинство софта. Его используют студенты, преподаватели, специалисты. Программа помогает решать профессиональные задачи и заметно упрощает любительское черчение. Этот софт востребован в сфере образования, промышленного производства, инженерии, машиностроения, архитектуры, строительства и дизайна – область применения разнообразна. Можно работать с графикой, анимацией, создавать виртуальное пространство.
А всё потому, что данная программа для чертежей открывает доступ к двумерному и трехмерному черчению. Пользователь может произвести рендеринг объемных объектов. И для этого не нужно скачивать графические редакторы для работы в 3D. Autodesk AutoCAD совместим с 3D-принтерами: изображение можно оперативно вывести на печать. Взаимодействуйте с макетами, занимайтесь профессиональным проектированием – и всё это с АвтоКАД. Изначально разработчик допускал взаимодействие только с элементарными объектами, из которых пользователь составлял более сложные. Актуальные версии программы имеют совершенно другой функционал: доступно параметрическое черчение.
Хотя даже такой раскрученный продукт имеет недостатки. Один из них – серьёзные системные требования. Без мощного компьютера не обойтись. Разработчики из Autodesk пошли навстречу пользователям и создали онлайн чертежную программу – усовершенствованную версию оффлайн-версии. Загрузите данные на сервер, отредактируйте чертеж и скачайте готовый файл.
Если под рукой нет ПК, можно работать со смартфона или планшета. Экрана будет маловато. Но если вы знаете, как начертить чертёж на компьютере, то с редактированием изображения на телефоне проблем не возникнет. Функциональные возможности программы ежегодно расширяются: разработчики периодически выпускают обновления. Чертежи онлайн можно сохранить в любом доступном формате. Очень распространен DWG, но он предназначен для просмотра – редактирование не предусмотрено. Чертежи онлайн чертить можно в других форматах. - Переходим к Аскон КОМПАС. Это отечественная разработка. Интерфейс на русском языке – главная особенность и достоинство программы. КОМПАС – это совокупность средств для компьютерного черчения и проектирования. В какой программе сделать чертёж здания или отдельной детали? В Аскон КОМПАС. Это универсальный софт, который имеет широкую сферу назначения. Достойный функционал продукта дополнен простым интерфейсом. Программа заточена под русскоязычных пользователей. Есть базы присоединяемых библиотек.
Возможна работа в разных форматах. Разработчики развивают своё «детище», поэтому не забывают о постоянных обновлениях и усовершенствованных версиях программы. Если вы не знаете, как сделать чертеж на компьютере, закажите его у наших авторов. Они знают КОМПАС вдоль и поперек и с удовольствием выполнят очередную работу. Недостаток, как и у АвтоКАД, один – высокие системные требования.
Другие программы для создания чертежей
Описанные выше САПР считаются самыми популярными и востребованными. Они имеют схожий функционал, поэтому подходят для решения одних и тех же задач. Однако это не единственные программы черчения на компьютере. Да, они самые мощные и распространенные. Но есть и другие достойные варианты. Среди них особо внимания заслуживает Нанософт nanoCAD. В качестве примера мы привели именно этот продукт, потому что он имеет интуитивно понятный интерфейс. Проще говоря, это довольно простая программа для чертежей. Софт подходит для двумерного черчения и соответствует стандартам САПР.
Продукт Нанософт nanoCAD доступен в бесплатной версии.
Чтобы выбрать хорошую программу для построения чертежей, учитывайте собственные возможности и практические навыки, отталкивайтесь от цели работы. Программные продукты – отличное средство достичь желаемого результата за минимальный промежуток времени. Вы способны освоить любой специализированный софт, если настроены на близкое знакомство с черчением на компьютере.
Разработка чертежей – дело сложное. Многим студентам (да и не только им) инженерная графика дается с трудом. В течение семестра можно не спеша освоить любую программу. Но перед сдачей контрольной работы и зачета времени на кропотливое изучение софта нет. Чертеж нужен срочно, иначе появится долг по учебной дисциплине. Чтобы получить хорошую оценку и не заработать нервный срыв, предоставьте возможность начертить чертеж на пк специалистам. Для авторов такая работа не в новинку. У них достаточно опыта, чтобы решить самую сложную задачу в сжатые сроки. Отправьте нам своё задание с техническими требованиями и узнайте стоимость готового чертежа.
Эссе
16
Дипломная работа
33
Доклад
15
Реферат
50
Контрольная работа
7
Курсовая работа
45
Отчет по практике
18
Компьютерный чертеж
8
Бизнес-план
6
Аспирантский реферат
2
Презентация к защите
1
Научно-исследовательская работа
1
Рецензия
2
Как правильно оформить лист чертежа по ГОСТ? Стандарты оформления чертежей: виды изображений по ГОСТ в инженерной графике И снова чертим: как пользоваться программой «КОМПАС 3D» Autodesk AutoCAD для чайников: обзор возможностей программы Автодеск Автокад
Узнать цену работы
Узнай цену
своей работы
Имя
Выбрать тип работыЧасть дипломаДипломнаяКурсоваяКонтрольнаяРешение задачРефератНаучно – исследовательскаяОтчет по практикеОтветы на билетыТест/экзамен onlineМонографияЭссеДокладКомпьютерный набор текстаКомпьютерный чертежРецензияПереводРепетиторБизнес-планКонспектыПроверка качестваЭкзамен на сайтеАспирантский рефератМагистерскаяНаучная статьяНаучный трудТехническая редакция текстаЧертеж от рукиДиаграммы, таблицыПрезентация к защитеТезисный планРечь к дипломуДоработка заказа клиентаОтзыв на дипломПубликация в ВАКПубликация в ScopusДиплом MBAПовышение оригинальностиКопирайтингДругоеПринимаю Политику конфиденциальности
Подпишись на рассылку, чтобы не пропустить информацию об акциях
Рекомендации по созданию чертежей: требования, правила, примеры
Черчение для чайников: обзор возможностей программы Autodesk AutoCAD
Чертежи
Иван 91 478 1
ЕСКД: правила оформления чертежей, требования ГОСТ для линий, основных надписей
Чертежи Оформление работ
Наталья 43 811 2
Полезные и бесплатные программы для студентов
Полезно знать Чертежи Лайфхаки
Иван 33 236
Adobe Photoshop – герой нашего времени.
Обзор программы, плюсы, минусы
Карьера для начинающих Чертежи
Иван 29 335
Основные правила оформления разрезов на чертежах по ЕСКД
Чертежи Оформление работ
Наталья 28 625
И снова чертим: как пользоваться программой «КОМПАС 3D»
Чертежи
Иван 19 021
Чумазые черти чертили чертеж: современные средства создания чертежей
Чертежи Полезно знать Лайфхаки
Иван 12 383
Стандарты оформления чертежей: виды изображений по ГОСТ в инженерной графике
Чертежи Оформление работ
Наталья 10 836
Как правильно оформить лист чертежа по ГОСТ?
Чертежи
Инна 9 800
Общие требования ГОСТ к оформлению чертежей: основные форматы и масштабы
Чертежи Оформление работ
Наталья 9 636
Создание чертежей для сборок и сборок в Visio
Visio Online (план 2) Microsoft Visio профессиональный 2021 Visio профессиональный 2019 Visio профессиональный 2016 Visio профессиональный 2013 Visio премиум 2010 Visio 2010 Visio 2007 Еще.
..Меньше
Используйте шаблон чертежа части и сборки для черновика следующих проектов:
|
|
|
|
|
Чертежи сборок |
Сварочные рисунки |
Крепители и источники |
-
Откройте приложение Visio.
- org/ListItem”>
Создайте новый чертеж из шаблона чертежа части и сборки, который находится в категории “Проектирование”.
Этот тип рисунка открывает масштабную страницу в альбомной . Параметры страницы, линейки и сетки можно изменить в любое время.
-
Перетащите фигуры из инструмента Рисование Фигуры на страницу рисунка, чтобы нарисовать контуры объектов. Например, нарисуйте систему поясов с фигурами “Круглые тангенсы” и “Дуга”, а затем используйте фигуру Скругляный прямоугольник для представления друзей или кружков.
Использование фигур “Тангенс кругов” и “Арктангенс”
- org/ListItem”>
Из инструмента Рисование Фигурыперетащите на страницу чертежа фигуру Тангенс кругов или Тангенс дуги.
Примечание: Используйте эти фигуры для нарисовать системы поясов, как показано на рисунке.
-
Чтобы изменить круг или радиус дуги, перетащите их.
-
Чтобы изменить длину тангенсной линии, перетащите конечную точку.
-
При рисовании систем поясов приклейте конечные точки одной фигуры к конечным точкам другой.
Нарисуйте системы поясов, используя фигуры тангенсов дуги (1) и круговые тангенсы (2).

Использование фигуры “Скругляный прямоугольник”
-
Перетащитена страницу рисунка фигуру Скругляный прямоугольник.
Примечание: Фигуру Скругляный прямоугольник можно использовать для представления бенка или разоряемого прямоугольника, как показано на рисунке.
-
Чтобы изменить округлность концов, перетащите его.
-
Чтобы перетащить прямоугольник, перетащите его лад.

Скругленый прямоугольник и другие инструменты рисования.
- org/ListItem”>
-
Перетащите фигуры из fasteners 1, Fasteners 2и Springs And Подшипники на страницу чертежа. Вы можете ввести данные для этих фигур.
Ввод данных фигур
-
Щелкните фигуру правой кнопкой мыши и выберите фигуру > данные фигуры.
-
В области Данные фигуры щелкните каждое поле данных и введите или выберите значение.

-
-
Чтобы добавить размеры в чертеж, перетаскиванием в него фигур из надстройки Dimensioning-Engineering.
-
Добавьте символы функции datum и рамки элементов управления.
Добавление символа функции datum
-
Из геометрических измерений и толерантностиперетащите одну из фигур datum на страницу чертежа.
-
Чтобы изменить текст в фигуре datum, дважды щелкните фигуру, выйдите текст, который нужно заменить, и введите текст.

Создание рамки элементов управления функцией
-
Перетащитеодну из фигур рамки datum на страницу.
-
Откройте окно группы, дважды щелкнув фигуру рамки datum.
Примечание: При необходимости вы можете по плитке окна увидеть фигуры.
-
Из полей Геометрическое измерение и Толерантностьперетащите геометрические символы, такие как сплоченность, в самый левый поле рамки datum в окне группы.

-
Чтобы изменить текст в рамке datum, дважды щелкните фигуру, выйдите текст, который нужно заменить, и введите текст.
-
Закроем окно группы, чтобы вернуться на страницу.
-
-
Добавьте в рисунок символы сварки.
Создание символа сварки
-
Перетащите однуиз фигур со стрелками из области Символы сварки на страницу.

Расположить фигуру стрелки так, чтобы стрелка (руководитель) наводя указатель на сварной соединение.
-
Настройте стрелку, вы можете сделать следующее:
-
Чтобы добавить символ weld-all-around, щелкните правой кнопкой мыши фигуру стрелки и выберите показать все вокруг круга.
-
Добавьте хвост к строке ссылки, щелкнув правой кнопкой мыши стрелку и выбрав показать хвост.
-
-
Откройте окно группы стрелок, дважды щелкнув фигуру стрелки.

Примечание: При необходимости вы можете по плитке окна увидеть фигуры.
-
Перетащите символысварки из области “Символы сварки” на стрелку в окне группы. Примечайте их с помощью вставки (на вкладке Вставка нажмите кнопку Изюмина).
Приклейте символы отвара и примечания к направляющие в окне группы, чтобы они оставались правильно расположенными, если вы избавьлись от стрелки.
-
Чтобы изменить текст фигуры или примечания, дважды щелкните фигуру, выйдите текст, который нужно заменить, и введите текст.
- org/ListItem”>
Чтобы вернуться на страницу, закроем окно группы.
-
Как правильно чертить чертежи. Как правильно чертить чертежи Чем чертят
Инструкция
Классический “бумажный” чертеж тоже можно сделать быстро или медленно, при этом совсем не факт, что скорость непременно приведет к неряшливости. Очень часто бывает как раз наоборот. Чтобы быстрее, необходимо в первую очередь позаботиться о качестве инструментов. Правильно закрепите рейсшину. Если вы пользуетесь доской для формата А4, проверьте угол. Опытный чертежник может пользоваться и с валиком, но в этом случае необходимо строго следить, чтобы она двигалась плавно и без рывков.
Рейсшина обеспечивает линий, но лишь в одном направлении. Либо это горизонтальные линии, либо горизонтальные. Если вы только начинаете осваивать это ремесло и предпочитаете классический способ компьютерным программа, разметьте противоположные стороны листа точками.
Для листа А4 можно взять расстоянии 0,5см, для формата А3 можно сделать шаг и побольше. ориентир.
Не чертите деталь или план по частям. Если один край объекта строго горизонтальный, но имеет выемки или выступы, сразу откладывайте размеры всех отрезков, лежащих на одной прямой. Поле, на котором расположена деталь, лучше вообще разметить сразу и по вертикали, и по горизонтали. Потом останется только соединить точки, что существенно ускорит процесс.
Если вам нужно обвести чертеж тушью, подберите линейки и угольники достаточно толстые и при этом плотно прилегающие к листу. Разумеется, рейсшина тоже должна лежать плотно, иначе тушь будет затекать под линейку. Сразу отрегулируйте толщину линии, чтобы она соответствовала стандартам.
Компьютерная программа способна значительно ускорить работу даже самого искусного чертежника. Прежде всего необходимо подобрать программное обеспечение, соответствующее именно вашим задачам. Например, AutoCAD может быть “заточен” под архитектуру, машиностроение и т.
д. Для того чтобы подогнать стандартную программу под конкретную задачу, найдите и установите необходимые приложения.
Программу необходимо изучить. Это, конечно, можно сделать и по учебнику. Но лучше взять какой-нибудь готовый чертеж и поэкспериментировать с ним. Сначала пройдитесь по всем вкладкам главного меню и посмотрите, какими возможностями вы располагаете. Попробуйте каждую опцию. Линию, окружность или многоугольник можно задать несколькими способами, при этом варианты можно задавать тоже по-разному. Для этого существуют выпадающие окна и командная строка.
Адаптируйте AutoCAD под свою машину и под свои потребности. Установите “горячие клавиши”, которые позволят какие-либо часто повторяющиеся операции проводить легким движением руки. Задайте функции правой кнопки мыши. В программе можно настроить и другие параметры, в зависимости от конкретных задач. Расположите удобным для вас образом панели инструментов. Настройте рабочее поле – ему можно, например, задать цвет. Разберитесь с масштабами.
Научитесь использовать встроенный калькулятор. Это значительно сократит время, которое обычно тратится на расчеты. От вас требуется только ввести данные, а дальше программа сама все сделает, причем не только посчитает, но и изобразит.
Для того, чтобы выполнить даже самый простой чертеж на бумаге, крайне важно соблюдать установленные нормы и требования, касающиеся чертежей, делать рисунки в установленных масштабах, с использованием определенного чертежного шрифта.
Первое, с чего стоит начать, это с оформления специальной чертежной рамки. Для нее стоит сделать отступы по 5 миллиметров сверху, снизу и справа, и 20 миллиметров слева для удобного подшивания готового чертежа.
В правом нижнем углу листа располагается основная надпись, для нее расчерчивают специальную таблицу высотой 55 миллиметров и 185 миллиметров в ширину. Основная таблица в обязательном порядке заполняется шрифтом по ГОСТ 2.304-81.
Перед тем, как приступить к работам, необходимо подготовить инструменты, среди которых:
Карандаши разной твердости;
– мерительная линейка;
– угольники;
– готовальню;
– стирательную резинку;
– прочие инструменты.![]()
Бумага выбирается подходящего формата, обратите внимание на то, что от качества бумаги зависит качество нанесенного на нее чертежа. Приобрести подходящие листы можно в любом канцелярском магазине.
Прежде чем приступать к черчению, стоит обучиться написанию цифр и букв по ГОСТу. Желательно потренироваться на отдельном листе, где предварительно стоит начертить специальную вспомогательную сетку. Со временем у вас выработается глазомер, и чертежные буквы будут одинаковыми.
В требования ГОСТа указано, что чертежный шрифт, как буквы, так и цифры, должен быть наклонен на 75 градусов.
Самыми распространенными ошибками при выполнении чертежного шрифта принято считать:
Буквы не соответствуют размерам, указанным в ГОСТе;
– все буквы разного размера и «прыгают» в строке;
– у букв разный наклон.
Чтобы научиться правильному написанию чертежного шрифта, первое время можно с помощью циркуля проводить две линии по высоте букв. Так шрифт будет ровным и буквы не будут разной высоты.
Новичкам рекомендуется выбирать чертить линии оптимальной шириной от 0,8 до 1 миллиметра. Обратите внимание на то, что рамка и основная надпись в чертежном рисунке должны быть сделаны непрерывной толстой линией. Тонкая сплошная линия поможет сделать изображение сечения детали, а также сделать выносные размеры.
В черчении используются и другие линии:
– сплошная неровная линия – предназначена для обозначения линии разграничения на рисунке. Часто проводится в случае, когда деталь слишком объемная и ее нет смысла помещать целиком;
– штриховка – обозначаются невидимые линии;
– штриховка с пунктиром – обозначение центра детали либо оси.
Все основные линии на рисунке выполняются толщиной до 0,3 миллиметров на формате до А1, при этом толщина штриховки подбирается в соответствии с размерами детали. При выполнении процедуры проекционного черчения чаще всего допускаются следующие ошибки и неточности:
– неправильная штриховка деталей;
– в аксонометрических проекциях неправильно строится изображение круговых и элипсовидных деталей;
– неправильно выбирается секущая площадь детали, в связи с чем не удается рассмотреть все особенности детали.
Изображаемый предмет располагают таким образом, чтобы все его грани соответствовали шести плоскостям проекций. При этом вид спереди (фронтальная плоскость) является основным изображением.
Лучше всего расположить деталь к наблюдателю таким образом, чтобы создавалось полное представление о размерах, форме и других характеристиках изображаемого изделия.
Обычно на чертежах деталь схематически разрезают, это делается для того, чтобы понять строение детали изнутри. Это дает полное представление о разрезах, выемках и прочих особенностях, которые не видно на фронтальной плоскости.
Желательно первоначально выполнять изображение тонкими линиями, которые будет легко убрать. Толстыми линиями чертеж лучше обвести на последнем этапе.
Любое проектирование начинается с создания чертежа. Согласитесь, никто не будет строить, скажем, мост, предварительно не спроектировав его и не произведя все необходимые расчеты. Любую деталь, прежде чем пустить ее в производство, следует разработать, начертить, определить все ее необходимые параметры.
Как думаете, что это значит, дорогие друзья? Это значит, что, если Вы «технарь», то без умения чертить вам не обойтись в большинстве процентов случаев.
Необходимость чертить рождает закономерные вопросы – в чем, где и как создать чертеж? Какая программа является лучшей?
О современных программах для создания чертежей и схем, а также иных графических объектов и пойдет речь в данной статье.
Чертеж – это проекционное изображение некоторого объекта в масштабе на определенном носителе информации, выполненное при помощи графических образцов.
Времена, когда инженер или архитектор приходил на работу, брал остро заточенный карандаш и весь день стоял с ним у кульмана, создавая чертеж, ушли безвозвратно. Теперь в наш информационный век все, ну или большинство, сидят за своими персональными компьютерами и ноутбуками. И этому есть вполне веская причина – существование множества систем автоматизированного проектирования (САПР).
Данные программные продукты практически полностью нивелируют необходимость чертить непосредственно руками.
Готовый же чертеж, будь он даже самого большого формата, всегда можно распечатать на специально предназначенном для этого плоттере.
Самые популярные программы для черчения
Итак, рассмотрим наиболее популярные электронные средства создания чертежей, их плюсы и минусы.
С помощью данного продукта Вы сможете создавать двумерные и трехмерные чертежи, при том что Autodesk AutoCAD позволяет проводить рендеринг трехмерных объектов на уровне полноценных редакторов 3D-графики. Помимо этого Autodesk AutoCAD предоставляет возможность работы с 3D-принтерами, поистине широчайший набор функций для профессионального проектирования, возможность работы с макетами.
В качестве недостатков можно отметить довольно высокие системные требования. Так, Вы не сможете использовать пакет Autodesk AutoCAD, не имея достаточно мощного ПК. При этом, однако, специалисты компании Autodesk смогли сделать свой продукт максимально доступным посредством возможности работы с Autodesk AutoCAD в режиме онлайн.
Загрузив данные на сервер, Вы можете редактировать свой чертеж, просто подключившись к интернету и имея как бы портативную программу для создания чертежей на Вашем мобильном. Более того, практически ежегодно выпускается новая, усовершенствованная версия продукта.
Autodesk AutoCAD работает с несколькими форматами файлов. Самый распространенный формат – DWG (закрытый формат для редактирования чертежей).
В качестве отрицательных моментов, опять же, отметим высокие системные требования.
Другие программы для создания чертежей
Рассмотренные САПР являются самыми распространенными. Данные продукты позволяют решать во многом схожие задачи. Помимо Autodesk AutoCAD и Аскон КОМПАС, которые являются самыми мощными САПР, можно также обратить внимание на программу Нанософт nanoCAD. Данную программу мы отметили по той причине, что она имеет наиболее простой интерфейс. Да, программнее возможности Нанософт nanoCAD не столь высоки, данная программа ориентирована на работу с двумерными чертежами.
Тем не менее, основной функционал программы соответствует стандартам САПР, а наличие бесплатной версии и простота использования делают Нанософт nanoCAD достойным внимания продуктом.
Какую именно программу для создания электронных чертежей выбрать – зависит от Ваших возможностей, целей, и навыков. Факт остается фактом: если Вы горите желанием и интересом, то сможете освоить любой, даже самый сложный продукт. А если Вам известна цель, Вы обязательно найдете средства для ее достижения.
Черчение и инженерная графика – одни из тех предметов, которые далеко не всем даются легко. Почти каждому студенту, обучавшемуся черчению, известна ситуация, когда зачет или контрольная уже на носу, срочно необходимо сделать и сдать чертеж, а он не готов. Нам такие ситуации также известны не понаслышке. Именно поэтому команда наших опытных авторов всегда готова выручить Вас в трудную минуту и выполнить чертеж по всем заявленным требованиям в любом необходимом формате и в самые сжатые сроки.
Как рисовать Архивы – Центр искусства для детей
Вы здесь: Главная / Архивы Как рисовать
Здесь вы найдете все наши уроки рисования! Это огромная библиотека для рисования! Вы найдете уроки для детей младшего и старшего возраста. Вы найдете все, от того, как рисовать кексы, до того, как рисовать акул. Так чего же ты ждешь? Берите маркер и следуйте за нами.
В этом уроке мы с Остином учимся рисовать забавную мультяшную стопку тыкв! Это тоже складной сюрприз, поэтому обязательно добавьте внутрь дополнительные забавные вещи. Товары для творчества Это список материалов, которые мы использовали, но не стесняйтесь использовать все, что есть у вас дома […]
Рубрики: Осень, Хэллоуин, Как рисовать
Листья начинают меняться! Сегодня мы с Оливией учимся рисовать кучу листьев, в которую прыгает ребенок. Товары для творчества Это список материалов, которые мы использовали, но не стесняйтесь использовать все, что есть у вас дома или в классе. Шарпи (или что-то, чем можно рисовать) […]
Рубрики: Осень, Как рисовать, Люди
Следуйте за нами и научитесь рисовать забавного милого осеннего гнома! Товары для творчества Это список материалов, которые мы использовали, но не стесняйтесь использовать все, что есть у вас дома или в классе.
Маркер (или что-нибудь для рисования) Бумага (мы используем маркерную бумагу) Маркеры для раскрашивания (мы используем […]
Рубрики: Осень, Как рисовать
Привет, друзья-художники! Сегодня мы рисуем еще одного персонажа из Майнкрафт. Учимся рисовать летучую мышь Майнкрафт! Мы надеемся, что вам будет очень весело следовать вместе с нами. Товары для творчества Это список материалов, которые мы использовали, но не стесняйтесь использовать все, что есть у вас дома или в классе. Sharpie […]
Рубрики: Животные, Хэллоуин, Как рисовать, В видеоиграх
Этот урок предназначен для младших художников, но понравится всем! Мы с Оливией учимся рисовать попугая, сначала написав букву П. Мы надеемся, что вы и ваши маленькие художники весело проведете время вместе с нами. Товары для творчества Это список материалов, которые мы использовали, но не стесняйтесь […]
Рубрики: Животные, Птицы, Как рисовать, Как рисовать алфавит – Уроки рисования для дошкольников
Следуйте за нами и научитесь рисовать смешной буррито Франкенштейна! Товары для творчества Это список материалов, которые мы использовали, но не стесняйтесь использовать все, что есть у вас дома или в классе.
Маркер (или что-то для рисования) Бумага (мы используем маркерную бумагу) Маркеры для раскрашивания (мы используем Bianyo) […]
Рубрики: Ужин, Еда, Хэллоуин, Как рисовать
Я бы точно заказал обед в этом фургоне с едой! Следуйте за нами и научитесь рисовать забавный грузовик с едой на Хэллоуин. Товары для творчества Это список материалов, которые мы использовали, но не стесняйтесь использовать все, что есть у вас дома или в классе. Шарп (или что-то для рисования) Бумага (мы […]
Рубрики: Еда, Хэллоуин, Как рисовать, Транспорт
Этот урок специально для младших художников. Сегодня мы с Оливией учимся рисовать осьминога, сначала написав букву О. Товары для творчества Это список материалов, которые мы использовали, но не стесняйтесь использовать все, что есть у вас дома или в классе. Мелки Бумага Посетите нашу страницу художественных принадлежностей […]
Рубрики: Животные, Как рисовать, Как рисовать алфавит – Уроки рисования для дошкольников
Хот-доги и полная луна очень страшны! Сегодня мы учимся рисовать забавного хот-дога-оборотня на Хэллоуин! Товары для творчества Это список материалов, которые мы использовали, но не стесняйтесь использовать все, что есть у вас дома или в классе.
Шарп (или что-то для рисования) Бумага (мы используем […]
Рубрики: Еда, Хэллоуин, Как рисовать
Мы любим Хэллоуин! Чтобы начать праздновать, мы подумали, что было бы весело научиться рисовать ведьму из кексов! Обязательно добавьте к своим рисункам еще больше жутких украшений. Товары для творчества Это список материалов, которые мы использовали, но не стесняйтесь использовать все, что есть у вас дома или в классе. […]
Рубрики: Десерт, Еда, Хэллоуин, Как рисовать
Сегодня мы учимся рисовать милого мультяшного дракона-мороженого на Хэллоуин! Мы надеемся, что вам будет очень весело следовать за нами и рисовать собственного каваи-дракона! Товары для творчества Это список материалов, которые мы использовали, но не стесняйтесь использовать все, что есть у вас дома или в классе. […]
Рубрики: Десерт, Еда, Хэллоуин
В этом видео собраны одни из наших любимых осенних уроков рисования для детей! Берите все свои художественные принадлежности и горячий шоколад и рисуйте вместе с нами! Chapters 00:00 Любимые осенние уроки рисования для детей! 00:08 Как нарисовать милый мультфильм Горячий шоколад 06:25 Как нарисовать забавные булочки с корицей 12:57 Как нарисовать милого […]
Следуйте за нами! Терин и я учимся рисовать милую мультяшную птичку Какапо из Новой Зеландии! Товары для творчества Это список материалов, которые мы использовали, но не стесняйтесь использовать все, что есть у вас дома или в классе.
Шарп (или что-то для рисования) Бумага (мы используем маркерную бумагу) […]
Рубрики: Животные, Птицы, Как рисовать
Этот урок предназначен для младших художников. Сегодня мы с Оливией учимся рисовать нарвала, сначала написав букву Н! Мы надеемся, что вам и вашим маленьким художникам нравится рисовать вместе с нами. Товары для творчества Это список материалов, которые мы использовали, но не стесняйтесь использовать все, что у вас есть в […]
Рубрики: Животные, Как рисовать, Как рисовать алфавит – Уроки рисования для дошкольников, Океан
Берите маркеры и бумагу! Сегодня мы с Остином учимся рисовать милую осеннюю белку! Мы надеемся, что вам будет очень весело следовать вместе с нами. Товары для творчества Это список материалов, которые мы использовали, но не стесняйтесь использовать все, что есть у вас дома или в классе. Шарпи […]
Рубрики: Животные, Осень, Как рисовать
Поздравляем с Национальным днем видеоигр! Чтобы отпраздновать это, сегодня мы будем играть в дополнительные видеоигры.
Кроме того, мы подумали, что было бы интересно научиться рисовать аркадный автомат! Товары для творчества Это список материалов, которые мы использовали, но не стесняйтесь использовать все, что есть у вас дома или в классе. Шарпи (или […]
Рубрики: Как рисовать, В видеоиграх
Поздравляем с национальным днем плюшевого мишки (9 сентября)! Чтобы отпраздновать это, мы подумали, что научиться рисовать плюшевого мишку будет непросто! Мы надеемся, что вы весело проведете время, следуя вместе с нами. Товары для творчества Это список материалов, которые мы использовали, но не стесняйтесь использовать все, что у вас есть в […]
Рубрики: Животные, Как рисовать, Игрушки
Этот урок предназначен для младших художников. Сегодня мы с Оливией учимся рисовать мышь, сначала научившись писать букву М. Мы надеемся, что вам и вашим детям будет очень весело рисовать вместе с нами. Товары для творчества Это список материалов, которые мы использовали, но не стесняйтесь […]
Рубрики: Животные, Как рисовать, Как рисовать алфавит – Уроки рисования для дошкольников
Сегодня мы с Терин учимся рисовать милого мультяшного енота, вылезающего из тыквы! Товары для творчества Это список материалов, которые мы использовали, но не стесняйтесь использовать все, что есть у вас дома или в классе.
Маркер (или что-нибудь для рисования) Бумага (мы используем маркерную бумагу) Маркеры для […]
Рубрики: Животные, Осень, Хэллоуин, Как рисовать
Следуйте за нами и научитесь рисовать Сплатану из Splatoon 3! Товары для творчества Это список материалов, которые мы использовали, но не стесняйтесь использовать все, что есть у вас дома или в классе. Маркер (или что-то для рисования) Бумага (мы используем маркерную бумагу) Маркеры для раскрашивания (мы используем […]
Рубрики: Как рисовать, В видеоиграх
С Днем Труда! Чтобы отпраздновать это, мы учимся рисовать сборщика мусора. Мы благодарны всем помощникам нашего сообщества! Товары для творчества Это список материалов, которые мы использовали, но не стесняйтесь использовать все, что есть у вас дома или в классе. Шарп (или что-то для рисования) Бумага (используем маркер […]
Рубрики: Как рисовать, День труда, Люди
В этом видео собраны 10 наших любимых уроков рисования-сюрприза для детей! Мы надеемся, что у вас есть готовые материалы для творчества! Временные метки урока: 00:00:00 Уроки рисования для детей 00:00:08 Как нарисовать башню с мороженым 00:09:14 Как нарисовать кексового монстра 00:24:25 Как нарисовать акулу с большим ртом 00:31 :51 Как […]
Рубрики: Как рисовать
Ура! Сегодня мы рисуем еще одного покемона! Джек и я учимся рисовать Какуну! Товары для творчества Это список материалов, которые мы использовали, но не стесняйтесь использовать все, что есть у вас дома или в классе.
Маркер (или что-нибудь для рисования) Бумага (мы используем маркерную бумагу) Маркеры для раскрашивания (мы […]
Рубрики: Персонажи, Как рисовать, На телевидении и в кино, В видеоиграх
Следуйте за нами и научитесь рисовать льва, сначала написав букву L! Этот урок рисования предназначен для младших художников, но он интересен всем. Товары для творчества Это список материалов, которые мы использовали, но не стесняйтесь использовать все, что есть у вас дома или в классе. […]
Рубрики: Животные, Кошки, Как рисовать, Как рисовать алфавит – Уроки рисования для дошкольников
Следуйте за нами и узнайте, как нарисовать Аллей Майнкрафт! Товары для творчества Это список материалов, которые мы использовали, но не стесняйтесь использовать все, что есть у вас дома или в классе. Шарпи (или что-то для рисования) Бумага (мы используем маркерную бумагу) Маркеры для раскрашивания (мы используем Bianyo) Цветные […]
Рубрика: Как рисовать в видеоиграх
Сегодня мы с Джеком учимся рисовать реалистичное мультяшное сердце! Родители и взрослые, вы также можете помочь своим детям изучить различные части человеческого сердца и превратить этот рисунок в схему! Товары для творчества Это список материалов, которые мы использовали, но не стесняйтесь использовать любые […]
Рубрики: Как рисовать
Сегодня мы с Терин учимся рисовать милого мультяшного пса бигля! Мы надеемся, что вам будет очень весело следовать вместе с нами.
Товары для творчества Это список материалов, которые мы использовали, но не стесняйтесь использовать все, что есть у вас дома или в классе. Шарпи (или что-то рисовать […]
Рубрики: Животные, Собаки, Как рисовать
На этом уроке рисования мы с Джеком учимся рисовать мистера Пиранью из фильма «Плохие парни»! Мы надеемся, что вам будет очень весело следовать вместе с нами. Товары для творчества Это список материалов, которые мы использовали, но не стесняйтесь использовать все, что есть у вас дома или в классе. […]
Рубрики: Животные, персонажи, как рисовать, на телевидении и в кино
Сегодня мы рисуем еще одного персонажа из мультфильма «Плохие парни»! Хэдли и я учимся рисовать мистера Снейка! Товары для творчества Это список материалов, которые мы использовали, но не стесняйтесь использовать все, что есть у вас дома или в классе. Шарп (или что-то для рисования) Бумага (мы используем маркерную бумагу) […]
Рубрики: Персонажи, ТВ и кино
Сегодня мы с Остином учимся рисовать Кэппи из Марио Одиссея! Товары для творчества Это список материалов, которые мы использовали, но не стесняйтесь использовать все, что есть у вас дома или в классе.
Маркер (или что-то, чем можно рисовать) Бумага (мы используем маркерную бумагу) Маркеры для раскрашивания (мы используем Bianyo) […]
Рубрика: Как рисовать, в видеоиграх
App Store: How to Draw — Учебники по рисованию
Описание
Приложение “Как рисовать – научиться рисовать” помогает пользователю научиться рисовать для разных целей. Программа показывает пошаговый рисунок для конкретного изображения. Вам не нужны никакие специальные навыки; это самообучение.
Научитесь рисовать животных, цветы, сердца, кавай, эмодзи, смайлики, татуировки, аниме-глаза, десерты, автомобиль-грузовик, граффити, Рождество, мандалы, Хэллоуин, маски для вечеринок и многое другое. Easy Drawing step by step для девочек и мальчиков – это бесплатное и интересное приложение, позволяющее легко рисовать, создавать простые рисунки карандашом и раскрашенные рисунки, делать рисунки, раскрашивая эскизы.
Попрактикуйтесь в рисовании, используя множество инструментов, таких как карандаш, цвет, ластик и другие инструменты.
А ты можешь взять бумагу и карандаш и выбрать, что ты хочешь нарисовать. Следуйте инструкциям шаг за шагом, чтобы легко нарисовать то, что вы хотите. Это очень простое приложение для создания эскизов, которое наиболее полезно для начинающих, которые учатся рисовать.
Основные характеристики:
===============
• Это приложение включает в себя множество рисунков.
• Каждый рисунок разделен на несколько простых шагов.
• Начав с нескольких строк, вы получите полную картину.
• Вы можете создать свой собственный рисунок и рисовать прямо на экране.
• Родители могут использовать его, чтобы давать уроки рисования своим детям.
• Вам не нужны специальные навыки, просто начните рисовать
• Попробуйте разные интересные стили рисования
• Самообучение и самообучение (образовательное)
Скачать сейчас..!!!
Не забудьте оценить это приложение, если оно вам понравилось.
Версия 1.8
Исправьте ошибку и улучшите производительность
Рейтинги и обзоры
4,2 тыс. оценок
Хорошо, но…
Мне очень нравится это приложение, потому что я люблю рисовать, но я бы хотел, чтобы в нем было больше возможностей для рисования лиц или людей. У него есть варианты волос и глаз, но вы должны быть очень конкретными при поиске. Это не дает вам выбора рта или того, как нарисовать нос. Также было бы лучше, если бы было меньше дополнений и больше реалистичных вещей для рисования. Я оценил это 4 из 5 звезд из-за этих проблем. Я просто хочу еще раз сказать, что ненавижу быть конкретным, когда ищу что-то, потому что я точно не знаю, какой тип вещей я хочу или спроектировать, поэтому было бы лучше, если бы вам не нужно было быть таким конкретным.
Если вы собираетесь загрузить это приложение, пожалуйста, сделайте это, потому что оно неплохое, но просто знайте, что в нем есть, и я надеюсь, что вы, производители, сможете исправить некоторые из этих проблем.
Не то, что я ожидал
Я должен быть честным. Это не было моим любимым приложением. Обычно я люблю рисовать приложения с такой настройкой, но это не было моей чашкой чая. Когда я увидел все хорошие отзывы, я был так взволнован, но это приложение меня разочаровало. Я очень хотел научиться рисовать, и это приложение мне не помогло. Одной из моих главных проблем было то, что вам приходилось искать точное имя. Вместо высокого конского хвоста вам придется поискать прическу #_____. Еще одна проблема заключалась в том, что не было категории с людьми, которые выглядят реалистично. Я чувствую, что хорошее приложение для рисования должно иметь категорию реалистичных людей, а не мультяшных.
Наконец, это приложение оформлено так, что рисунок рисуется на сайте онлайн-рисования. Обычно это не было бы проблемой. Вот некоторые из карикатур Картера невозможно было нарисовать карандашом. Это не должно было быть проблемой, потому что вы могли рисовать прямо в приложении. Это было проблемой, потому что инструменты для рисования были не самыми лучшими. Варианта прозрачности не было. Это была просто толщина и цвет. Никаких разных кистей или чего-то подобного. В целом, я не стал прятать это приложение и не рекомендовал бы его другим людям.
Хороший! кроме…
Я думаю, что это очень хорошее приложение, и люди, которые его создали, вложили в него много труда. Единственное, что я нахожу неправильным, это то, что есть немного неуместных вещей, например, как рисовать пух. (И я не имею в виду медведя), но в остальном это хорошее приложение. Есть только добавление примерно после 5-6 рисунков, и для меня это нормальная сумма.
Иногда я обнаруживаю, что мне нужно перезапустить приложение, чтобы оно заработало, потому что иногда добавление зависает. Кроме того, я на самом деле не рисую в приложении, я использую его, чтобы смотреть на рисунок и рисовать его на бумаге, поэтому, если вы хотите, чтобы это приложение было для чего-то другого, кроме этой цели, это, вероятно, не лучший выбор. Я не знаю, есть ли способ сохранить рисунки, кроме как на скриншот, но в целом хорошее приложение.
Разработчик, Горасия Вишал Нанджибхай, указал, что политика конфиденциальности приложения может включать обработку данных, как описано ниже. Для получения дополнительной информации см. политику конфиденциальности разработчика.
Данные не собираются
Разработчик не собирает никаких данных из этого приложения.
Методы обеспечения конфиденциальности могут различаться, например, в зависимости от используемых вами функций или вашего возраста. Узнать больше
Информация
- Продавец
- Горасия Вишал Нанджибхай
- Размер
- 4 megabytes”> 9,4 МБ
- Категория
- Утилиты
- Возрастной рейтинг
- 4+
- Авторское право
- © 2021
- Цена
- Бесплатно
- Сайт разработчика
- Тех. поддержка
- Политика конфиденциальности
Еще от этого разработчика
Вам также может понравиться
Как рисовать: все блестящие уроки рисования
(Изображение предоставлено Pexels) Если у вас есть вопросы о том, как рисовать, эта разнообразная коллекция учебных пособий по рисованию направит вас на правильный путь.
Начинающие и профессиональные художники всегда найдут что-то новое для изучения, и этот обзор учебных пособий научит вас основам и позволит вам освоить навыки, которые у вас уже есть. Если вы хотите рисовать животных, части тела или цветы, этот набор уроков поможет вам. Просто перейдите прямо к интересующим вас урокам, щелкнув ссылки ниже.
Этот обзор включает в себя набор видеоруководств и письменных руководств, так что вы сможете освоить самые сложные приемы. Даже если вы считаете себя экспертом по рисованию, вероятно, вам еще многому предстоит научиться. Или может быть одна часть тела, все еще намекающая на вас (носы, мы смотрим на вас) или животное, которое вы еще не освоили. Добавьте эту страницу в закладки на случай, если вы встретите технику или форму, которая заинтересует вас в будущем, так как у нас, вероятно, есть ключ прямо здесь.
Быстрые ссылки
1. Как рисовать животных
2. Как рисовать людей
3. Как рисовать природу
Мы включили различные средства рисования и охватываем более традиционные методы, а также современные методы для цифровых инструментов.
есть чему поучиться у обоих! Если вы надеетесь обновить свой набор для рисования перед тем, как начать, обязательно ознакомьтесь с нашим руководством по лучшим карандашам или, чтобы поднять свой опыт рисования на новый уровень, ознакомьтесь с нашей статьей о лучших лайтбоксах.
Если вы работаете в Adobe Illustrator, взгляните на наш список лучших руководств по Adobe Illustrator из Интернета. Или, если вы немного более старая школа, у нас есть ряд советов по рисованию от экспертов.
- Скачать Adobe Illustrator
Как рисовать: Животные
Как нарисовать собаку
Нарисовать собаку реалистично и анатомически правильно В этом уроке Кейт Олеска учит нас, как рисовать собаку поэтапно. пошаговые инструкции. Хотя каждая порода собак выглядит по-разному, под мехом все они структурно очень похожи. Поэтому, даже если вы хотите нарисовать щенка, отличного от того, что показан в этом уроке, это руководство даст вам навыки рисования реалистичной собаки любой породы.
Как нарисовать кошку
Лучшие советы по созданию реалистичных пушистых кошекКейт Олеска расскажет нам, как нарисовать кошку с помощью этого удобного пошагового руководства. Этот учебник даже включает в себя очень изящные советы о том, как развивать свои навыки рисования и как наблюдать за кошками при рисовании. Есть также несколько советов о том, как распознать внутренний скелет кошки, которые помогут вам нарисовать несколько пород кошек от тигров до котят.
Как нарисовать лошадь
Лучше рисуйте лошадей, хорошо разбираясь в анатомии и механике лошади. Лошади, как известно, сложные животные для рисования, с их длинными мордами и отсутствием меха, за которым можно спрятаться. Не говоря уже о том, что скелет лошади работает немного иначе, чем мы обычно привыкли. Малейшая неправильная линия может превратить вашу лошадь из реалистичной в комичную, но не волнуйтесь, этому уроку рисования лошади легко следовать, и к нему даже прилагается очень полезное видео.
Как нарисовать волка
Узнайте, как нарисовать волка с помощью этого простого в использовании видеоурокаДалее, король всех собак — как нарисовать волка. Хотите верьте, хотите нет, но есть много различий между собаками и волками, так что не просто предполагайте, что если вы можете нарисовать одного, вы также можете нарисовать и другого. В этом видеоуроке Масаэ Секи объясняет, чем отличаются эти породы собак, прежде чем перейти к рисованию стоящего волка сбоку. В качестве бонуса есть также инструкции о том, как добавить зимнее пальто для холодных месяцев.
Как нарисовать птицу
Этот учебник по рисованию птицы представляет собой пошаговое руководство по рисованию птицы сбоку на примере американской малиновки. Урок начинается с объяснения шести основных частей тела, на которые следует обратить внимание при рисовании птицы, прежде чем вырезать ее массу и структуру. Наконец, руководство расскажет о мелких деталях, таких как черты лица, ноги и, самое главное, перья.
Также есть советы, как нарисовать птицу с раскрытыми крыльями.
Как нарисовать льва
В этом пошаговом руководстве показано, как нарисовать льва, в частности, самца африканского льва, вид сбоку. Вы начнете с создания скелетной структуры, затем перейдете к наброску формы и, наконец, к добавлению деталей, чтобы создать точное изображение льва. Не достаточно захватывающе для вас? Этот урок также затронет лучший способ изобразить рыкающего льва.
Как нарисовать слона
Узнайте, как нарисовать самое большое в мире наземное животноеСфотографируйте самое большое наземное животное в мире с помощью этого подробного видеоурока о том, как нарисовать слона. Начните с набросков форм и покрытия основной анатомии, затем перейдите к вырезанию массы слона и формы тела, прежде чем погрузиться в детали кожи этого прекрасного животного.
Как нарисовать медведя
Следуйте этому уроку, чтобы нарисовать реалистичного медведя Хотите научиться рисовать медведя, который не похож на плюшевого? Это руководство по рисованию предлагает профессиональные советы по правильной анатомии, чтобы вы могли создать правдоподобного медведя.
Как нарисовать дракона
Подумайте о его весе и предыстории (Изображение предоставлено Алексом Стоуном)Узнайте, как нарисовать дракона, одного из основных существ фэнтези-арта. Это руководство дополнено 16 профессиональными советами, которые помогут вам при рисовании собственного уникального дракона. Этот совет охватывает все, что вам нужно знать, от использования цвета до рассмотрения его предыстории.
Советы по рисованию меха
Используйте текстурные кисти рассеивающего типа для смешивания элементов и создания иллюзии мехаМех может быть трудно красиво покрасить. В этом наборе профессиональных советов концепт-художник Микаэль Леже расскажет вам, как нарисовать мех на большом звере с помощью Photoshop.
Как рисовать перья
Основные советы по приданию перьям трехмерного вида (Изображение предоставлено Иваном Джонсом) В этом руководстве по рисованию перьев вы найдете трехмерное изображение перьев пастелью. Вам понадобится использовать блики и тени, чтобы закончить ваши перья, чтобы они выглядели суперреалистично.
Как рисовать мультяшных животных
Узнайте, как придать индивидуальность существам и персонажам, которые понравятся зрителямПосле того, как вы научились рисовать животных, вам нужно знать, как заставить их работать эффективно в ваших картинах. Эта серия советов экспертов поможет вам понять, как рисовать мультяшных животных с характером, и как использовать язык тела, чтобы рассказать историю с вашими существами.
Лучшие цены на сегодняшний день: лучшие инструменты для иллюстраторов
Цена со скидкой
(открывается в новой вкладке)
LYRA Rembrandt Art Design Чертеж
(открывается в новой вкладке)
(открывается в новой вкладке)
16,96 фунтов стерлингов
9012 90,003 фунтов стерлингов (открывается в новой вкладке) 90,003 фунтов стерлинговView
Посмотреть все цены
Набор карандашей Palomino Blackwing из 12 шт.
£34,40
(откроется в новой вкладке)
Посмотреть (откроется в новой вкладке)
Посмотреть все цены
Цена со скидкой
(откроется в новой вкладке)
Daler Rowney St Paul’s Easel

Если вы собираетесь загрузить это приложение, пожалуйста, сделайте это, потому что оно неплохое, но просто знайте, что в нем есть, и я надеюсь, что вы, производители, сможете исправить некоторые из этих проблем.
Наконец, это приложение оформлено так, что рисунок рисуется на сайте онлайн-рисования. Обычно это не было бы проблемой. Вот некоторые из карикатур Картера невозможно было нарисовать карандашом. Это не должно было быть проблемой, потому что вы могли рисовать прямо в приложении. Это было проблемой, потому что инструменты для рисования были не самыми лучшими. Варианта прозрачности не было. Это была просто толщина и цвет. Никаких разных кистей или чего-то подобного. В целом, я не стал прятать это приложение и не рекомендовал бы его другим людям.
Иногда я обнаруживаю, что мне нужно перезапустить приложение, чтобы оно заработало, потому что иногда добавление зависает. Кроме того, я на самом деле не рисую в приложении, я использую его, чтобы смотреть на рисунок и рисовать его на бумаге, поэтому, если вы хотите, чтобы это приложение было для чего-то другого, кроме этой цели, это, вероятно, не лучший выбор. Я не знаю, есть ли способ сохранить рисунки, кроме как на скриншот, но в целом хорошее приложение.