Курсовая работа
МИНИСТЕРСТВО ОБРАЗОВАНИЯ И НАУКИ РОССИЙСКОЙ ФЕДЕРАЦИИ ФЕДЕРАЛЬНОЕ ГОСУДАРСТВЕННОЕ БЮДЖЕТНОЕ ОБРАЗОВАТЕЛЬНОЕ УЧРЕЖДЕНИЕ ВЫСШЕГО ПРОФЕССИОНАЛЬНОГО ОБРАЗОВАНИЯ «ТЮМЕНСКИЙ ГОСУДАРСТВЕННЫЙ НЕФТЕГАЗОВЫЙ УНИВЕРСИТЕТ»
ИНСТИТУТ ПРОМЫШЛЕННЫХ ТЕХНОЛОГИЙ И ИНЖИРИНГА
Кафедра «Технология машиностроения»
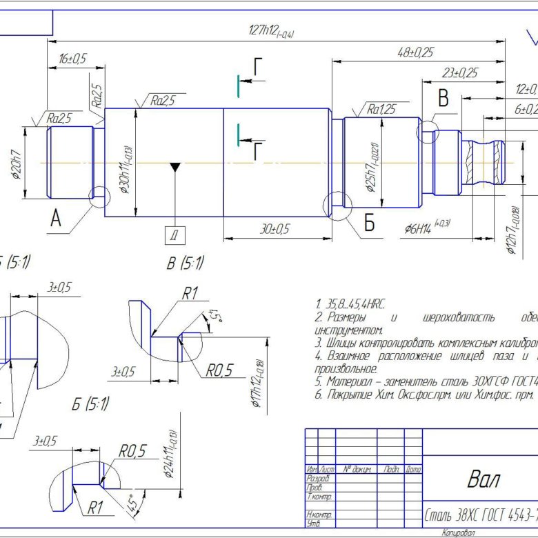
на тему: «Разработка технологического процесса механической обработки детали типа «Шпиндель» по варианту ТПИ.СПбз.12.23»
по дисциплине: «Основы технологии машиностроения»
Шифр КР.ОТМ.СПбз.12.23 ПЗ
Выполнил:
студент группы СПбз-12-1
Д.ПержовскийПроверил:
ассистент кафедры
Технологии машиностроения
Э.М.Юсупова
Тюмень, 2015
Содержание
Введение………………………………………………………………………….3
1. Служебное назначение детали………………………………………………5
2. Анализ конструкции детали……………………………………………….10
3. Определение способа и метода получения заготовки…………………..11
4. Расчёт припусков и межопереходных размеров…………………………14
5. Расчёт режимов резания……………………………………………………22
6. Расчёт норм времени………………………………………………………..34
Заключение………………………………………………………………………39
Список используемых источников…………………………………………..40
Приложение
1 чертёж детали………………………………………………….
41
Приложение 2Технологический процесс (МК, ОК, КЭ)…………………….42
Приложение 3 Иллюстрация технологического процесса ………………….43
Введение
Данный курсовой проект выполнен по предмету «Основы технологии машиностроения». Темой проекта является разработка технологического процесса механической обработки детали СПбз.12.23 – «Шпиндель». Содержится расчётно-пояснительная записка, комплект технологических и графических документов.
В пояснительной записке изложен анализ данной детали, её материала, обоснование метода получения заготовки и последовательность механической обработки, характеристика металлообрабатывающего оборудования.
Выбор режущих, измерительных и вспомогательных инструментов, станочных приспособлений, а так же расчёт операционных припусков и режимов резания – все это обосновано в данном курсовом проекте.
Приложение
содержит полный маршрут обработки
детали и операционное описание с эскизами
на две операции.
Цель проекта – является приобретение знаний и первичных навыков по технологической подготовке производства, включая анализ технологичности детали, закрепление знаний по предмету «Основы технологии машиностроения» и разработка технологического процесса производства детали типа вал с полным обоснованием целесообразности её производства, процесса производства по предложенным преподавателем плану, описание конструктивных особенностей детали и средств контроля качества, а так же обоснование технико-экономических характеристик детали по предложенным данным.
На основании сформулированной темы работы можно определить задачи, которые необходимо рассмотреть в ходе обоснования эффективности реализации предложенного проекта:
-определить вид и размеры заготовки;
-определить припуски на механическую обработку;
-составить план механической обработки;
-выбрать технологическое оборудование, приспособления, режущий и измерительный инструмент;
-рассчитать
режимы резания.
Проектирование технологического процесса обработки детали на металлорежущих станках производится в следующем порядке:
-изучение чертежа детали и технических условий на её изготовление, знакомство с назначением детали и условиями её работы в машине;
-выбор вида заготовки и определение её размеров;
-выбор черновых и чистовых баз и способов закрепления заготовки на станках;
-составление плана обработки детали (технологического маршрута) с указанием операций, установок, переходов;
-выбор станка для каждой операции, а также приспособлений, режущего и измерительного инструмента;
-определение межоперационных припусков и расчётных размеров обрабатываемых поверхностей для каждого перехода;
-расчёт рациональных режимов резания с проверкой их по допускаемой мощности или крутящему моменту станка, расчёт основного технологического времени по каждому переходу;
-расчёт
затрат времени.
Сделать вывод всей курсовой работы над которой я работал.
Готовые курсовые, дипломные, магистерские диссертации и рефераты по технологии машиностроения
63 стр.
Практическая курсовая.
2020
83 стр.
Дипломная работа.
2020
35 стр.
Практическая курсовая.
2019
17 стр.
Практическая курсовая.
2019
54 стр.
Отчет по преддипломной практике.
2019
35 стр.
2019
14 стр.
Реферат или доклад.
2019
27 стр.
Отчет по преддипломной практике.
2019
40 стр.
Практическая курсовая.
2019
80 стр.
Дипломная работа для колледжа.
2019
34 стр.
Практическая курсовая.
2019
27 стр.
Дипломная работа для колледжа.
2019
24 стр.
Практическая курсовая.
2019
136 стр.
Дипломная работа.
2019
23 стр.
Реферат или доклад.
2018
71 стр.
Практическая курсовая.
2018
48 стр.
Практическая курсовая.
2018
19 стр.
Реферат или доклад.
2018
71 стр.
Магистерская диссертация.
2017
15 стр.
Реферат или доклад.
2017
24 стр.
Контрольная.
2017
153 стр.
Дипломная работа.
2017
58 стр.
Практическая курсовая.
2016
28 стр.
Теоретическая курсовая.
2016
19 стр.
Теоретическая курсовая.
2016
50 стр.
Практическая курсовая.
2016
48 стр.
Практическая курсовая.
2016
117 стр.
Дипломная работа.
2015
9 стр.
Практическая курсовая.
2015
29 стр.
Отчет по преддипломной практике.
2013
18 стр.
Реферат или доклад.
2012
20 стр.
Реферат или доклад.
2012
15 стр.
Реферат или доклад.
2012
16 стр.
Реферат или доклад.
2012
29 стр.
Часть дипломной работы.
2012
17 стр.
Теоретическая курсовая.
2012
30 стр.
Практическая курсовая.
2012
38 стр.
Практическая курсовая.
2012
117 стр.
Дипломная работа.
2012
52 стр.
Практическая курсовая.
2012
46 стр.
Практическая курсовая.
2012
34 стр.
Практическая курсовая.
2011
34 стр.
Практическая курсовая.
2010
15 стр.
Контрольная.
2010
50 стр.
Дипломная работа.
2010
25 стр.
Практическая курсовая.
2010
36 стр.
Практическая курсовая.
2010
27 стр.
Теоретическая курсовая.
2009
20 стр.
Реферат или доклад.
2009
13 стр.
Контрольная.
2008
21 стр.
Реферат или доклад.
2008
51 стр.
Отчет по преддипломной практике.
2007
0 стр.
Реферат или доклад.
2007
0 стр.
Контрольная.
2006
0 стр.
Контрольная.
2006
0 стр.
Теоретическая курсовая.
?Вы можете заказать курсовую по технологии машиностроения у нас
Курсовая по технологии машиностроению – это одна из первых работ, которая дается студентам технических специальностей, и как бы печально это не звучало, многие не могут ее выполнить и перейти на следующий курс. Это общий предмет, который изучает строение машин и узлов, а студенты, в свою очередь, при написании курсовой работы должны показать не только знания, которые они получили, но и умение самостоятельно работать с учебными пособиями. Здесь и заключается проблема, что без определенных знаний выполнить то, что требует преподаватель технологии машиностроения, будет невозможно, а ваша работа должна начаться с библиотеки и конспектов.
Средняя оценка:
4,9
Выполненных работ:
более 2,5 млн.
Авторов онлайн:
более 4 тыс.
Но разве вам хочется терять месяцы на изучение и проектирование всего лишь одного узла, который вам никогда не понадобится? Если вы решите заказать курсовую по технологии машиностроения у нас, ваше время останется с вами, и вы сможете потратить его на более полезные или приятные дела и при этом защитить работу так, словно вы потратили на нее месяцы кропотливого труда.
Почему наши курсовые работы по машиностроению нравятся преподавателям:
- Мы ответственно подходим к их выполнению;
- При написании используется только современная литература;
- Все работы оформляются согласно требованиям или индивидуальным желаниям преподавателя;
- Расчеты и чертежи многократно проверяются;
- Практическая часть всегда выполняется на отлично;
- Заказы сдаются в срок, а это значит, что вы сможете с ней ознакомиться и подготовится к защите.

Не каждая организация берется за выполнение чертежей, ведь здесь действительно необходимо понимать предмет, знать его и постоянно совершенствовать свои знания. Мы же нашли авторов, которые готовы выполнять курсовые любой сложности с практической частью для студентов всех курсов. Наши авторы не просто студенты – отличники, это люди, которые работают по специальности, одни из лучших преподавателей страны, они знают как применять теорию на практике, где чаще всего допускаются ошибки, как делать чертежи, которые нравятся преподавателям.
Заказав работу у нас, вы сможете сдать сессию без волнения, а курсовую без лишних доработок и исправлений, которые кажутся просто бесконечными, ели делать это самостоятельно. Работа на заказ – это возможность высвободить свое время, сдать всё вовремя (а это большой плюс для преподавателя), успешно перейти на следующий курс и заниматься тем, что действительно нравится, приносит пользу и удовольствие. Также можете к нам обращаться, если у вас задания по любому другому предмету, может это аудит, или машиностроение, а может русский язык, подберём качественного исполнителя именно для вашей темы.
Материалы по теме:
Поделиться с друзьями:
Загрузка…Читать курсовая по технологии машиностроения: “Разработка технологического процесса механической обработки заготовки “Ролик”” Страница 1
(Назад) (Cкачать работу)
Функция “чтения” служит для ознакомления с работой. Разметка, таблицы и картинки документа могут отображаться неверно или не в полном объёме!
1 ОПИСАТЕЛЬНАЯ ЧАСТЬ Введение Человеческое общество не может существовать без постоянного производства продукции самого разного назначения. В свою очередь производство нельзя представить без применения машин. Их изготовление – особая область человеческой деятельности, основанная на использовании закономерной технологии машиностроения.
Главным средством интенсификации производства любого назначения является парк машин, которым располагает производство. Прогресс в развитии общества предопределен техническим уровнем применяемых машин, их создания, то есть конструирование и изготовление составляет основу машиностроения.
Общепризнанно, что именно машиностроение является главной отраслью народного хозяйства, которая определяет возможность развития отраслей.
Применение автоматизации резко увеличивает производительность труда, повышает качество продукции, делает труд безопасным и привлекательным.
Машиностроение обеспечивает изготовление новых и совершенствование старых машин. Развитие отечественного машиностроения, а не импорт машин является единственно правильным направлением в прогрессивном развитии промышленности. Отличительной особенностью современного машиностроения является существенное улучшение эксплуатационных характеристик машин: увеличивается скорость, ускорение, температура, уменьшается масса, объем выработки, время срабатывания механизмов.
Конструирование и изготовление машин представляет собой два этапа единого процесса. Эти этапы неразрывно связаны между собой. Уже нельзя представить конструирование без учета технологических конструкций. Технологическая конструкция позволяет экономить затраты труда, повысить точность, оборудование, оснастку, инструменты, экономить энергию.
На этапе изготовления машин особое внимание обращают на их качество и его важнейший показатель- точность.
В истекшем столетии точность деталей машин возросла почти в 2000 раз.
Такого увеличения не наблюдалось ни по одному показателю служебных характеристик. Создание машин заданного качества в производственных условиях опирается на научные основы технологии машиностроения.
Технологический процесс всегда многовариантен. Решая анализ первичных погрешностей, учитывая их воздействие и комбинирование, можно выбрать оптимальный вариант, отвечающий основному назначению технологии машиностроения как науки. Она позволяет решать проблемы изготовления машин в соответствии с заданной программой выпуска, обеспечивая установленные показатели качества при оптимальных затратах живого и овеществленного труда. Проблемы производства тесно связаны с его экономикой. Использование ЭВМ при разработке технологических процессов знаменует новый этап развития технологии машиностроения как науки.
Оптимальные решения формируются за короткое время и при сравнительно малых затратах средств. Конкретный технологический процесс изготовления детали и сборки изделия может быть представлен на уровне, как технологического маршрута, так и технологической операции. При этом оформляют соответствующую документацию с графическим подтверждением принятых решений. Несмотря на очевидную прогрессивность использования ЭВМ, нельзя считать, что разработка технологического
Курсовая работа основы 📝 технологии машиностроения на заказ
Для закрепления знаний по курсу «Основы технологии машиностроения», а так же приобретения практических навыков по разработке технологических процессов, студентам необходимо подготовить курсовую работу. Научный руководитель выдает задание в период производственной практики, а в итоге студент должен представить расчетно-пояснительную записку объемом 25-30 страниц, комплект технологической документации, графический материал. Если по каким-то причинам вы приняли решение заказать курсовую, не рискуйте собственными деньгами и репутацией, закажите текст у проверенных авторов виртуального сервиса «Все сдал!».
Заказать курсовую по технологии машиностроения срочно
Задание на работу, которое выдается в начале семестра, выполняется студентами самостоятельно вне зависимости от расписания. Часто из-за неправильного распределения времени материал не сдается в срок, что приводит к академической задолженности.
Исполнители сервиса «Все сдал!» часто получают срочные заказы, с которыми успешно справляются. Мы сотрудничаем с лучшими авторами, имеющими диплом о высшем образовании без удовлетворительных оценок и прошедшими серьезное тестирование, подготовленное администрацией портала. Каждый эксперт имеет свой рейтинг, который складывается из количества выполненных заданий и полученных за них отзывов. Кроме того, исполнители обязуются бесплатно дорабатывать материал, в противном случае остаются без оплаты.
Чтобы сделать срочный заказ, нужно при заполнении заявки указать дисциплину, вид задания, сроки сдачи, необходимость проверки на плагиат. Специалист, который возьмется за выполнение заказа, обязуется предоставить материал в оговоренный срок, а также исправить замечания, если такие будут после проверки текста научным руководителем.
Курсовая по технологии машиностроения недорого
Чтобы успешно выйти на защиту и достойно представить материал, осветив особенность темы, техническое задание, результаты проведенного анализа и расчетов, а также предложения по совершенствованию технологического процесса, нужно приложить много усилий, либо заказать труд у профессионалов. Сервис по выполнению студенческих работ «Все сдал!» гарантирует высокое качество готового материала, отвечающего требованиям методических рекомендаций. Из-за отсутствия посредников цены на сервисе в несколько раз ниже, чем у конкурентов. Выбрать исполнителя можно, исходя из установленной экспертом стоимости заказа, а также рейтинга автора.
Заполните заявку, выберите эксперта и оплатите работу.
Мы работам 24 часа в сутки, поэтому, не откладывая на завтра, закажите курсовую по основа технологии машиностроения прямо сейчас. Среди тысячи экспертов вы найдете того, кто специализируется на этой дисциплине. Точно в срок он предоставит вам готовый труд, который заслужит высокую оценку преподавателя.
Курсовая По Технологии Машиностроения – Telegraph
>>> ПОДРОБНЕЕ ЖМИТЕ ЗДЕСЬ <<<
Курсовая По Технологии Машиностроения
В Интернете Я ндекс нашёл 6 млн ответов
Образовательный проект для студентов. Подбор материала онлайн. Зарегистрироваться!
пн-пт 9:00-22:00, сб-вс 10:00-22:00
Оставьте контактные данные и мы свяжемся с вами
Более 19 лет на рынке. Более 10000 довольных клиентов
Все гарантии на услуги прописаны в договоре
Опытные эксперты. Техподдержка. Индивидуальный подход. Изучение и подбор материала.
Бесплатные примеры работ. Раздел >> Курсовые работы по технологии машиностроения с нашими примерами вы напишите, оформите и подберете тему курсовую работу правильно!
Предмет: Технология машиностроения. Добавлено: 09.02.2011.
1. задачи курсового проектирования по дисциплине. «Основы технологии машиностроения ». Курсовой проект (КП) и курсовая работа (КР) по дисциплине «Основы технологии машиностроения» призваны закрепить теоре-тические знания студентов.
..
Курсовые работы технологии машиностроения . Пользуйтесь поиском по сайту, только он найдет все работы на интересующую Вас тему. Курсовая работа Разработка технологического процесса механической обработки детали Вал 1.
Название: Теоретические методы технологии машиностроения Раздел: Промышленность, производство Тип: курсовая работа Добавлен 09:53:45 06 декабря 2010 Похожие работы Просмотров: 4441 Комментариев: 15 Оценило: 7 человек Средний балл: 4.6 Оценка: 5 Скачать.
Технология машиностроения . Курсовое проектирование. Учебное пособие Для студентов специальностей 150405, 190603. Допущено УМО по образованию в области лесного дела в качестве учебного пособия для студентов вузов, обучающихся по специальности 150405.
Курсовое проектирование по технологии машиностроения содержит следующие разделы: – анализ исходных данных; – технологический раздел; – графический раздел; – заключение. В разделе «анализ исходных данных» описывается характеристика и функциональное.
..
по выполнению курсового проекта по курсу «Технология машиностроения» для студентов.
Объектами проектирования служат детали различных машин, относя-щихся к основному производству машиностроительных заводов.
Основы технологии машиностроения . Назначение и конструкция детали. Анализ ее технологичности. Определение типа производства. Выбор заготовки. Проектирование маршрутной технологии. Расчет припусков, межоперационных размеров, режимов резания.
Курсовой проект по технологии машиностроения является завершаю-щим в системе подготовки специалистов профессионального обучения маши -ностроительного направления. Курсовое проектирование закрепляет, углубляет и обобщает знания…
Целью курсового проектирования по дисциплине «Технология ма -шиностроения » является изучение и закрепление студентами, обучаю-щимися по заочной форме, теоретических знаний дисциплин «Основы технологии машиностроения », «Технология машиностроения»…
Технология машиностроения – это наука об изготовлении машин требуемого качества в установленном производственной программой количестве и в заданные сроки при наименьших затратах живого и овеществленного труда, т.
е. при наименьшей себестоимости.
КУРСОВАЯ – Технология машиностроения (Разработка технологического процесса изготовления детали ступенчатый вал).
Всё это находится в предмете “технология машиностроения” из девятого семестра, которые можно найти в файловом архиве РТУ МИРЭА.
В базе содержится 1242 курсовые работы (теория) по технологиям машиностроения.
Курсовая работа по технологии машиностроения позволяет приобрести навыки анализа технологических процессов изготовления деталей.
Правда ли, что на вашем сайте можно заказать курсовую работу по технологии машиностроения срочно напрямую у автора, минуя…
Методические указания к курсовому проекту по технологии машиностроения.
Белоновская И.Д. Б 43 Я – профессионал: Методические указания к курсовому проекту. по технологии машиностроения.
Размещение рекламы
+ 375 (17) 336-91-01
Хостинг: HOSTER.BY
Поиск реализован на основе Яндекс.XML
«Основы технологии машиностроения »
Курсовые работы технологии машиностроения
Курсовая работа: Теоретические методы технологии .
..
Курсовая работа по технологии машиностроения … – Чертежи.РУ
курсовая работа найти Основы технологии машиностроения
Реферат Исаак Ньютон
Это Ядовитое Слово Обломовщина Сочинение 10 Класс
Экономические Категории Реферат
Основы Семейного Физического Воспитания Реферат
Сочинение На Английском О Доме В России
Готовые курсовые работы по основам технологии машиностроения
Нет нужной работы в каталоге?
Сделайте индивидуальный заказ на нашем сервисе. Там эксперты помогают с учебой без посредников Разместите задание – сайт бесплатно отправит его исполнителя, и они предложат цены.
Цены ниже, чем в агентствах и у конкурентов
Вы работаете с экспертами напрямую. Поэтому стоимость работ приятно вас удивит
Бесплатные доработки и консультации
Исполнитель внесет нужные правки в работу по вашему требованию без доплат.
Корректировки в максимально короткие сроки
Гарантируем возврат
Если работа вас не устроит – мы вернем 100% суммы заказа
Техподдержка 7 дней в неделю
Наши менеджеры всегда на связи и оперативно решат любую проблему
Строгий отбор экспертов
К работе допускаются только проверенные специалисты с высшим образованием. Проверяем диплом на оценки «хорошо» и «отлично»
1 000 +
Новых работ ежедневно
Требуются доработки?
Они включены в стоимость работы
Работы выполняют эксперты в своём деле.
Они ценят свою репутацию, поэтому результат выполненной работы гарантирован
Иванна
Маркетинг
Статистика
Инженерная графика
91456
рейтинг
2357
работ сдано
1084
отзывов
Ludmila
Экономика
Маркетинг
Политология
77992
рейтинг
4678
работ сдано
2077
отзывов
Константин Николаевич
Информатика
БЖД
Охрана труда
62610
рейтинг
1043
работ сдано
595
отзывов
Svetlana
Экономика
Маркетинг
Психология
57822
рейтинг
1696
работ сдано
1065
отзывов
Отзывы студентов о нашей работе
среднее 4.
9 из 5
Последние размещённые задания
Ежедневно эксперты готовы работать над 1000 заданиями. Контролируйте процесс написания работы в режиме онлайн
Решить 5 задач
Контрольная, финансовая математика
Срок сдачи к 29 авг.
1 минуту назад
1 минуту назад
решить 3 задания
Решение задач, социальная статистика, социология
Срок сдачи к 30 авг.
3 минуты назад
4 минуты назад
Закажи индивидуальную работу за 1 минуту!
Узнать стоимостьИнженерно-технологическое образование – Виды инженерии
Рассмотрим полностью онлайн-программу на получение степени, по которой в настоящее время принимаются заявки.
Инженерия и инженерная технология – это термины, которые не только взаимозаменяемы, но также часто путают друг с другом. Несмотря на то, что профессии тесно связаны, они различаются по двум параметрам. Инженерные программы основаны на теории и концепции, в то время как программы инженерных технологий основаны на применении и реализации.Другими словами, студенты, изучающие инженерные технологии, узнают больше благодаря практическому обучению, а не теории.
Рассмотрите рекомендуемую онлайн-программу STEM / Engineering
Щелкните здесь, чтобы просмотреть другие онлайн-программы, которые в настоящее время принимают заявки, для получения дополнительной информации.
Они также различаются по предмету, который требуется каждому. Для программ инженерных технологий требуются практические занятия, такие как алгебра, исчисление и тригонометрия. Инженерные программы, с другой стороны, требуют знаний математики и вычислений на продвинутом уровне, а также теоретических курсов.
Еще одно важное различие между ними – длина программы и конечный результат. Инженерные программы, которые обычно представляют собой четырехлетние программы бакалавриата, приводят к тому, что студент становится инженером. Программы инженерных технологий также могут быть четырехлетними, но обычно представляют собой двухлетние программы на получение степени младшего специалиста, в результате которых студент становится инженером-технологом или инженером в определенной области инженерии.
Инженерные технологии – это область, которая предлагает множество возможностей для карьерного роста.Узнайте о многих доступных степенях в области инженерных технологий, а также о том, чего ожидать от программ и школ.
Выпускники программ инженерных технологий могут работать с инженерами, но не являются инженерами. Выпускники инженерных программ обычно должны пройти стажировку, тогда как выпускники технических специальностей могут сразу приступить к работе. Независимо от того, какой тип программы выберет ученик, важно, чтобы школа была аккредитована, а программа была аккредитована Советом по аккредитации инженерии и технологий (ABET).
И инженерные программы, и программы инженерных технологий могут быть аккредитованы ABET, но на самом деле они аккредитованы двумя разными комиссиями.
Еще одно отличие в области инженерных технологий – это инженер-техник и инженер-технолог. Технические специалисты обычно имеют степень младшего специалиста в области инженерных технологий и могут перейти на степень бакалавра в области инженерных технологий. Однако техническому специалисту может быть нелегко перейти на программу бакалавриата инженерного дела без потери кредитов.Технические специалисты часто работают в качестве помощников инженеров, техников по обслуживанию на местах или инженеров.
Варианты степени для инженерных технологий
Инженерные технологи также могут иметь ассоциированную степень в области инженерных технологий, но часто имеют степень бакалавра. Они также работают вместе с инженерами, используя как свои технические навыки, так и свои знания инженерных принципов. Они могут работать дизайнерами проектов или инженерами-технологами.
У них часто есть ученые степени, а у технических специалистов – дипломы или сертификаты.Теперь, когда у нас есть четкое представление об инженерных технологиях и о том, что они предлагают, мы можем взглянуть на множество возможностей, которые предлагает эта область с точки зрения образовательных программ и вариантов карьеры.
Инженерно-технологические программы
Студенты могут выбрать «общую» программу инженерных технологий или сосредоточиться на конкретной области инженерии. Общественный колледж Целей в Колорадо, например, предлагает специалиста по прикладным наукам в области инженерных технологий: компьютерное черчение.Эта двухлетняя программа включает такие курсы, как автоматизированное черчение, AutoCAD, чтение для печати и Inventor – все курсы, основанные на инженерии, но не для какой-либо конкретной инженерной области.
Capital Community College в Коннектикуте предлагает программу младшего научного сотрудника в области архитектурных технологий. Эта двухлетняя программа ориентирована на конкретную инженерную область: архитектуру. Он включает в себя некоторые из тех же курсов, что и Aim, но также предлагает специализированные курсы, такие как архитектурное проектирование, кодексы и постановления, конструкции и архитектурное проектирование.
Центральный Вашингтонский университет в Элленсбурге, штат Вашингтон, предлагает программы бакалавриата в области технологий электронной инженерии и машиностроения, а также степень магистра наук в области инженерных технологий. Программа технологии электроники включает такие курсы, как основы электричества и электроники, микропроцессорные приложения и цифровые схемы, в то время как программа технологии машиностроения включает такие курсы, как обработка, механическое проектирование и прочность материалов.
Степень магистра в области инженерных технологий
Программа магистратуры предназначена для лиц, заинтересованных в обучении в области инженерных технологий. Студенты этой программы могут ожидать курсы по проектированию и разработке продуктов, системному анализу и моделированию, управлению инженерными проектами и контролю качества. Перед выпуском студент также защитит диссертацию, проект сдачи эквивалентного экзамена.
В отличие от программ инженерной степени, которые могут иметь концентрацию или треки, программы инженерных технологий обычно не имеют.Как видно из программ «Цели» и «Капитал», интересующая нас область уже реализована в учебной программе. Все программы по инженерным технологиям требуют завершения некоторых общеобразовательных курсов, таких как общение, техническое письмо, техническая математика и композиция. Некоторые студенты заканчивают общеобразовательные курсы до начала фактической программы, просто чтобы не мешать им. Многие общеобразовательные курсы также можно пройти онлайн. Программы инженерных технологий также включают лабораторные исследования и возможные стажировки.
По данным Национального центра статистики образования, в Соединенных Штатах существует более 500 аккредитованных программ инженерных технологий.
Онлайн-курсы в области инженерных технологий
Программы инженерных технологий также могут быть завершены путем дистанционного обучения. ABET аккредитует множество программ, которые на 100% находятся в режиме онлайн. Университет Южного Миссисипи предлагает 100% онлайн-степень бакалавра наук в области строительных технологий.
Онлайн-программы позволяют студентам получать дипломы в удобном для них темпе, продолжая при этом работать или выполнять другие обязанности.Онлайн-школы предлагают различные инструменты обучения, такие как веб-семинары, потоковое мультимедиа, видео, DVD, электронная почта, онлайн-лекции и симуляторы лабораторий.
Сертификация инженерных технологий
Помимо получения ученых степеней, выпускники, получившие четырехлетнюю степень в области инженерных технологий, могут также получить сертификацию через Национальный институт сертификации инженерных технологий. NICET предлагает сертификацию технологий гражданского строительства, а также технологий проектирования электрических и механических систем.Хотя сертификация является добровольной, она может расширить возможности трудоустройства и возможности заработка.
Что такое инженерные технологии? – Отдел инженерных технологий
Инженерные технологии – это практическое применение науки и техники для решения широкого круга проблем реального мира.
Чем отличается инженерия от инженерной технологии?
Различия инженерной и инженерной технологии не всегда очевидны.Эти две области обучения во многом пересекаются. В Wayne State оба типа инженерных программ уделяют большое внимание математике и естественным наукам, особенно физике и расчетам. В то время как темы основных классов в обеих программах кажутся похожими, классы инженерных технологий будут делать упор на применение инженерных методов, а инженерные курсы будут сосредоточены на разработке концепций.
Выпускники инженерных технологий и инженерных программ дополняют друг друга по навыкам и интересам.Технологи работают с техниками, инженерами и учеными, чтобы сформировать технологические команды, которые обеспечивают постоянно растущие темпы технического прогресса.
Что значит «технолог»?
Выпускников бакалавриата в области инженерных технологий часто называют технологами, чтобы отличить их от выпускников программ бакалавриата. Однако в Национальном бюро статистики труда нет категории под названием «технолог», и, следовательно, в отраслевых должностях мало различий между технологами и инженерами.
Подходят ли вам инженерные технологии в
WSU ?Решения о высшем образовании обычно трудны и сложны. Один из лучших способов выяснить, подходит ли вам эта программа, – это приехать в университетский городок. Здесь вы сможете изучить, задать вопросы и почувствовать наше сообщество Wayne State.
Специализация программы:
- Отдел инженерных технологий начал свою деятельность еще в 1973 году и прочно обосновался в университетском городке и промышленных секторах Юго-Восточного Мичигана.
- Сила инженерных технологий в WSU заключается в том, что студенты учатся в прикладном формате. Они учатся на практике и получают ценный опыт, который переносится на рабочее место.
Возможности для установления контактов:
- Студенты имеют возможность учиться у преподавателей, пользующихся уважением в своей области. Члены факультета инженерных технологий доступны и хорошо осведомлены.
- Отдел инженерных технологий также часто предлагает специальные занятия, которые проводят местные специалисты отрасли.Это дает студентам не только передовую практику, но и контакты с местными предприятиями.
- Отдел инженерных технологий поддерживает многочисленные партнерские отношения с местной промышленностью.
- Многие из наших нынешних студентов, не говоря уже о наших выпускниках, занимают штатные должности в области инженерии; совместный характер нашей программы приводит к огромному количеству сетевых возможностей.
Конкретно в Отдел инженерных технологий:
- Большинство наших студентов переводятся после некоторых общественных колледжей или после получения степени младшего специалиста в области прикладных наук.
- Многие проработали в промышленности годами и решили вернуться в школу по экономическим причинам.
- Многие из наших студентов работают полный рабочий день или посещают занятия с частичной занятостью.
Академические услуги и поддержка студентов
- Государственный университет Уэйна предлагает студентам множество услуг, включая репетиторство, поддержку в учебе, карьерные услуги, доступность обучения и личные консультации.
- Финансовая помощь и стипендии доступны студентам, которые соответствуют требованиям.
Специально для отдела инженерных технологий:
- Централизованное академическое консультирование дает студентам индивидуальное внимание и планы обучения. Это дает студентам ясность в отношении требований к степени и позволяет им достигать своих академических целей.
- В отделе инженерных технологий работают дружелюбные и знающие сотрудники и преподаватели, которые стремятся помочь студентам.
- Студенты также могут присоединиться к таким организациям, как Студенческая организация по инженерным технологиям, которая помогает им общаться с другими студентами и с кампусом.
Что я могу делать с этой степенью, когда я закончу учебу?
Выпускники программ бакалавриата в области инженерных технологий очень успешно получили профессиональную работу, соответствующую их образованию. Выпускники инженерных технологий Wayne State трудоустроены в:
- Производство
- Производство
- Маркетинг
- Техническое обслуживание
- Контроль качества
- Тестирование продукции
- Полевое проектирование
- Дизайн
- Технический надзор
Профессиональный инженер-технолог должностные обязанности требуют технических и практических знаний.Они могут применять свои способности в использовании технического оборудования, продаже технических продуктов, работе в качестве технических представителей производителей или надзоре за различными строительными проектами и производственными процессами.
В то время как производственные обязанности варьируются, обязанности технолога близки к обязанностям инженера, и часто они работают вместе с инженерами над различными аспектами разработки проектов, производственного планирования и окончательного тестирования промышленных, военных или потребительских товаров.
курсов по технологии проектирования и инженерии | Университет Трин
Для получения степени бакалавра наук в области инженерных технологий и получения степени в Университете Трин необходимо, чтобы вы закончили обучение с 122 кредитными часами обучения. Вы будете посещать как общеобразовательные классы, так и основные классы для учащихся программы DET. Вы также можете добавить несовершеннолетнюю в области пластмасс, бизнеса или управления.
Требования к общеобразовательному образованию – 39 кредитных часов
Связь – 9 ч.
ENG 133 Технические коммуникации
HUM 203 Гуманитарный семинар
SP 203 Эффективная речь
Гуманитарные и социальные науки – 9 часов.
ECO 213 Microeconomics
ECO 223 Macroeconomics
Humanities Elective – 3 кредитных часа
Математика и естественные науки – 21 час.
MA 113 Алгебра колледжа
MA 123 Тригонометрия
MA 134 Исчисление I
MA 253 Статистика
PH 154 Физика колледжа I
PH 164 Физика колледжа II
Дополнительные требования – 4 кредитных часа
CH 144 Chemistry – Ideas & Applications
Основные требования – 79 кредитных часов
Технология проектирования и проектирования – 49 час.
ETD 101 Введение в инженерные технологии
ETD 103 Базовый технический чертеж
ETD 113 Геометрические размеры и допуски
ETD 123 Производство материалов и процессов
ETD 163 Охрана окружающей среды и безопасность
ETD 173 Компьютерное 3D-моделирование
ETD 203 Основные механизмы
ETD 233 Инженерные и производственные системы
ETD 263 Проектирование, анализ и прототипирование
ETD 273 Основы электрооборудования
ETD 313 Проектирование для производства и сборки
ETD 333 Статика и прочность материалов
ETD 363 Элементы машин
ETD 433 Компьютерное числовое управление
ETD 463 Старший Проектный проект I
ETD 473 Старший проектный проект II
GE 313 SPC и бережливое производство
Дополнительные требования – 18 кредитных часов
COM 213 Деловые коммуникации
EGR 453 Расширенное параметрическое проектирование
CSIT 103 Введение в информационные системы
MGT 353 Проектирование операций
MGT 363 Организационное поведение
MGT 413 Управление качеством
факультативов – 12 кредитных часов
Факультативный курс, утвержденный отделом – 3 кредитных часа
Факультативный курс, утвержденный отделом – 3 кредитных часа
300/400 Факультативный курс, утвержденный отделом – 3 кредитных часа
300/400 Факультативный курс, утвержденный отделом – 3 кредитных часа
Общее количество кредитных часов: 79
Всего кредитных часов : 122
Для получения более подробной информации о курсах перейдите в Каталог курсов.
Инженерные технологии – Хьюстонский университет
Бакалавр биотехнологий
Программа «Биотехнология» готовит студентов с прочным основанием для приобретения навыков, которые изменят наш мир будущего. Благодаря практическому обучению, инновационным исследованиям и обучению программа привлекает студентов, которые стремятся открыть для себя способы внести свой вклад в здоровье общества и окружающую среду. Направления «Биопроцессинг» и «Биоинформатика» предлагают гибкость для адаптации степени в зависимости от интересов, образования и карьерных целей.
Бакалавр компьютерных технологий
Степень бакалавра наук (BS) в области компьютерных технологий (CET) – это ориентированная на исследования, проектная, практическая программа, в рамках которой студенты изучают аналоговую и цифровую электронику, архитектуру и программирование микропроцессоров, проектирование аппаратного и программного обеспечения, сетевые встроенные системы, операционные системы, коммуникации и компьютерные сети. Программа CET включает в себя такие приложения, как киберфизические системы, интеллектуальная и чистая энергия, медицинские и биомедицинские системы, интеллектуальные датчики и встроенные средства управления.
Бакалавр электротехнических технологий
Получение степени в области технологий электроэнергетики дает вам правильную комбинацию навыков для проектирования, анализа и улучшения компьютерных систем производства, доставки и конечных пользователей электроэнергии. Помимо изучения электродвигателей и генераторов, компьютерного управления и альтернативных источников энергии, вы узнаете о системах передачи и распределения электроэнергии, генерирующих электроэнергию, системах защиты электроэнергии и силовой электронике, которые повышают надежность и эффективность систем электроснабжения.
Бакалавр технологий машиностроения
Программа «Технология машиностроения» предлагает передовые учебные и исследовательские лаборатории с курсами компьютерной инженерии, биомедицинских систем, передового дизайна материалов, производства, системной интеграции, приложений для нефти и газа, энергетики и эффективного управления проектами. Студенты получают обширный опыт в области проектирования, анализа и производства механических систем.
Инженерные технологии Б.С.
Программа инженерных технологийLETU предлагает практическое применение в сочетании с сильной теоретической базой. Программа готовит студентов к работе в промышленности, продажах, менеджменте и сервисе в различных технических областях.
ЧТО ТАКОЕ ИНЖЕНЕРНЫЕ ТЕХНОЛОГИИ?
Инженерные технологии – это часть технологической области, которая требует применения научных знаний, инженерных знаний и методов в сочетании с техническими навыками для достижения целей анализа и проектирования.
- Наша степень в области инженерных технологий аналогична нашей, но подчеркивает большее применение теории и меньшее развитие теории, чем инженерное дело. В результате студенты Engineering Technology тратят меньше времени на математические выводы и больше времени на применение существующей теории .
- Студенты проводят много времени в лабораторных условиях, обучаясь у преподавателей с производственным опытом.
Программа инженерных технологий Университета ЛеТурно будет выпускать выпускников, которые смогут интегрировать технические знания с практическим применением.
ОПЦИИ КОНЦЕНТРАЦИИ
Студенты, получившие степень в области инженерных технологий, выбирают одну из следующих групп, добавляя специализированный опыт к своей бакалаврской программе. в области инженерных технологий.
КАК ПОДГОТОВИТЬСЯ?
Программа предназначена для завершения в течение четырех лет студентами, которые уже прошли следующий список курсов.Однако, если вы не прошли все эти курсы к моменту окончания средней школы, вы можете составить необходимые курсы на первом году обучения в LETU.
- Четыре года средней школы Английский язык
- Два года по алгебре
- Один год геометрии
- Один семестр тригонометрии
- Один год естественных наук (химия или физика)
Желательны и физика, и химия. Студенты, которые переводятся из другого колледжа или университета, должны понимать, что в учебной программе есть последовательность курсов продолжительностью до шести семестров, которые дополняют друг друга.
АККРЕДИТАЦИЯ
Программа инженерных технологий ЛеТурно предлагает степень бакалавра в различных областях и аккредитована Комиссией по аккредитации инженерных технологий ABET, http://www.abet.org.
Инженерные технологии
Аудитория
Большинство студентов программы «Магистр управления технологиями», специализирующихся в области инженерных технологий (MTM-ENGT), имеют степень бакалавра в области инженерии, инженерных технологий, промышленных технологий и прикладных наук.Тем не менее, программа приветствовала студентов из самых разных областей, которые хотят продвинуться к профессиональной работе через соответствующие углубленные исследования и прикладные исследования в области технологий. Программа (MTM-ENGT) включает мужчин и женщин из разных уголков мира, студентов-заочников и студентов-очников, жителей и пассажиров.
Требования программы
Чтобы получить степень магистра управления технологиями (MTM-ENGT), студенты должны пройти как минимум 30 семестровых часов обучения и должны иметь не менее 3.0 средний балл. Курсовая работа состоит из трех этапов: (1) основные курсы MTM (2) концентрация программы и (3) этап синтеза. Конкретные курсы, отвечающие требованиям, выбираются студентом после консультации с главным консультантом.
Проверьте блок-схему программы.
Основные курсы MTM (9 часов)
Курсы синтеза (3-6 часов) – либо план I, либо план II, либо план III
План I: Трек диссертации
Вариант дипломной работы представляет собой крупный проект оригинального исследования, проводимого под руководством главного научного руководителя студента.Студенты, выбирающие этот вариант, должны зарегистрироваться не менее чем на шесть кредитных часов для исследования диссертации в рамках своей программы на получение степени.
План II: Без дипломной работы Проект
План III: Итоговый курс без дипломной работы
Студенты, выбравшие этот вариант, будут выполнять прикладной проект с компанией для решения реальной проблемы, используя навыки, полученные в ходе различных программных курсов. Студенты напишут отчет о проекте и представят результаты.
Факультативы по программе MTM-ENGT (15-18 часов)
Или выберите любой другой курс уровня 5000 или 6000 с одобрения консультанта
Требования для зачисления
Вы можете поступить на программу в начале любого семестра и должны иметь степень бакалавра со специализацией в строительстве, архитектуре, инженерии, промышленных технологиях или в смежных академических областях. Кандидаты должны соответствовать требованиям для поступления в аспирантуру и предъявить средний балл бакалавриата (GPA) не ниже 3.0 по шкале 4,0. Иностранные студенты должны подтвердить уровень владения английским языком, сдав Тест по английскому как иностранному (TOEFL) или эквивалентный тест по английскому языку.
Отличное трудоустройство
Наши программы широко известны за высокое качество, и наши студенты получают стабильно высокие показатели трудоустройства. Выпускники MTM-ENGT обычно занимают такие должности, как технический директор, промышленный инженер, менеджер завода, интегратор инженерных систем, разработка процессов, менеджер, менеджер по исследованиям и разработкам, менеджер по разработке приложений, инженер по программному обеспечению / автоматизации, менеджер по инженерным операциям и профессор.
Примеры работодателей
Cooper Standard, Emerson, General Electric, Honda, Johns Manville, Pilkington, Chrysler, Dana, Ford, General Motors, Illinois, Owens, различные общественные колледжи
Степень Технологии Промышленного Инжиниринга | Университет Пердью
Специальность по программе промышленных инженерных технологий
в Школе инженерных технологий
Вы сосредоточитесь как на технических, так и на ориентированных на человека подходах к управлению технологиями.Вы узнаете, как управлять инженерными операциями и координировать их, а также вести проекты от исследований до проектирования и реализации. Курсовая работа дополнена обзором бизнеса и экономики. Некоторые из ваших курсовых работ в первый год включают: дизайнерское мышление в области технологий и основы технологического лидерства.
Когда вы специализируетесь на технологиях промышленного проектирования в Университете Пердью, вы приобретете навыки, которые помогут вам подготовиться к работе в самых разных отраслях: на производственных предприятиях, в государственных учреждениях, больницах, организациях здравоохранения и розничных компаниях.Выпускники подготовлены к различным ролям: консультант, аналитик, промышленный инженер, инженер по качеству, менеджер и другие.
Во время получения степени в области технологии промышленного инжиниринга вы будете работать с преподавателями Школы инженерных технологий, которые имеют многолетний опыт работы в промышленности и являются экспертами в оказании помощи организациям в улучшении технологических нюансов.
Особые характеристики
- Расширьте свой кругозор, добавив курсовые работы для получения сертификата Six Sigma или несовершеннолетних в области организационного лидерства, биометрии и многого другого.
- Воспользуйтесь реальным и глобальным опытом стажировок и международных возможностей. Студенты-промышленники имеют возможность пройти курсы за границей в партнерских учреждениях в Германии, Ирландии, Швейцарии и Перу, не откладывая время до окончания учебы.
- Получите реальный опыт, пройдя курсы по проектированию помещений и полному производственному обслуживанию. Решайте задачи проектирования с помощью программного обеспечения для 3D-печати и параметрического моделирования в современной лаборатории быстрого прототипирования.
- Формируйте свою учебную программу в соответствии со своими талантами и интересами. Ваш план обучения представляет собой сочетание установленных курсов и факультативов, которые варьируются от бизнес-тематики до инженерных технологий.

