Метод узловых и контурных уравнений
Алгоритм расчета электрической цепи методом контурных и узловых уравнений
Определение 1
Метод узловых и контурных уравнений — самый простой метод расчета электрической цепи, который основан на составлении уравнений по первому и второму законам Кирхгофа.
Первый закон Кирхгофа звучит следующим образом: алгебраическая сумма токов в ветвях цепи, которые сходятся в каждом узле, равна нулю. При этом ток, направленный к узлу считается положительным, а направленный от него отрицательным. Сумма токов, которые направлены к узлу цепи равняется сумме токов, направленных от него. Таким образом получается, что в узел втекает столько же тока, сколько и вытекает из него (правило фундаментального закона сохранения заряда.
Второй закон Кирхгофа гласит — алгебраическая сумма напряжений на резистивных составляющих замкнутого контура цепи равняется сумме электродвижущих сил в составе данного контура. В том случае, когда источник электродвижущей силы отсутствует в контуре, суммарное падение напряжений равно нулю.
- Определяют количество неизвестных токов (количество ветвей цепи равняется число токов в ней).
- Произвольно выбираются направление определенных токов и обозначаются на рассматриваемой схеме.
- Составляется система уравнений согласно первому закону Кирхгофа, количество которых на единицу меньше количества узлов в рассматриваемой схеме.
- Составляются недостающие, до общего количества, уравнения по второму закону Кирхгофа. Направления обхода тока, как правило, выбираются одинаковыми.
- Определяются неизвестные токи, после чего решается получившаяся система уравнений. В том случае, когда рассчитанный (определенный) ток имеет отрицательную величину, это значит, что его направление противоположно направлению, которое было выбрано в пункте 2.
- Осуществляется проверка посредством составления баланса мощностей или расчет рассматриваемой цепи производится другим методом.

Определение 2
Баланс мощностей электрической цепи — это суммарная генерируемая источниками электроэнергии мощность, равная сумме мощностей, которые потребляются в цепи.
Примеры расчета методом узловых и контурных уравнений
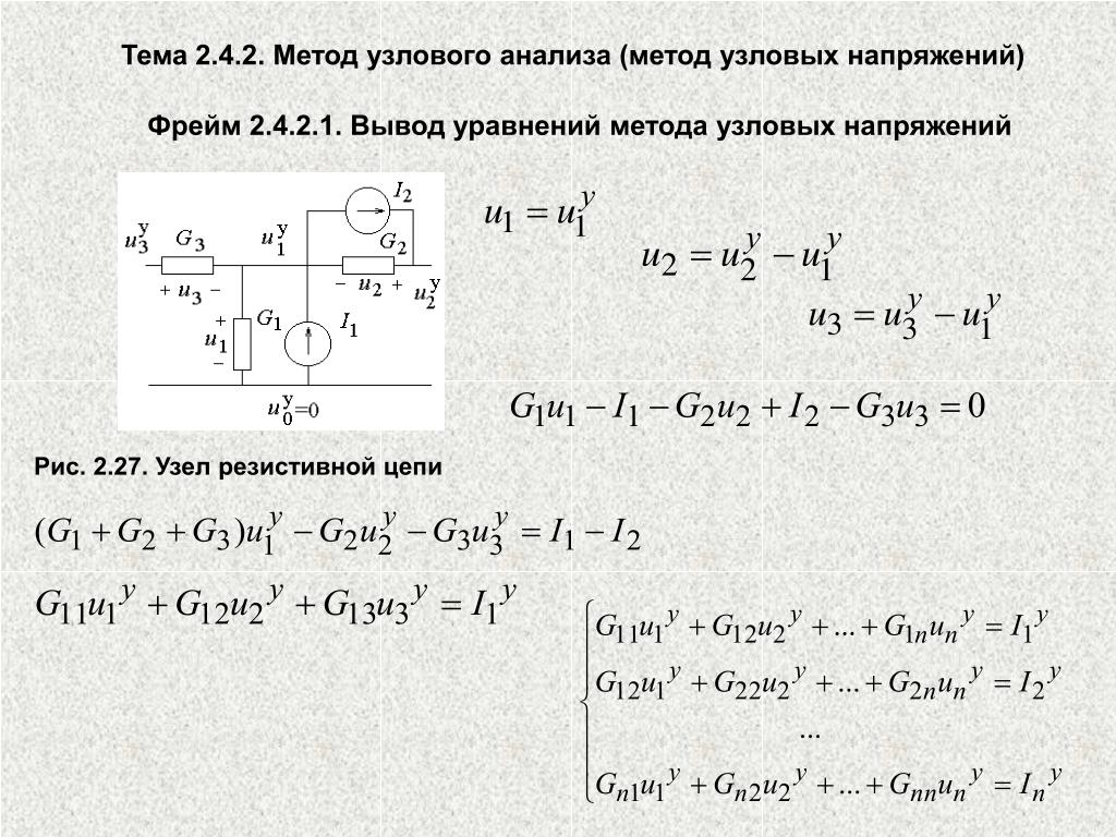
Рассмотрим схему, которая представлена на рисунке ниже
Рисунок 1. Схема. Автор24 — интернет-биржа студенческих работ
Допустим, что E1 = 50 В; Е2 = 30 В; Е3=3 В; R1 = 100 Ом; R2 = 50 Ом; R3 = 8 Ом; r03 = 0,5 Ом; r01 = r02 = 0 Ом. Нам необходимо рассчитать все токи цепи.
Решение задачи следует начинать с определения количества неизвестных токов и выбора их направления. В каждом неразветвленном участке цепи (ветвь) электрический ток одно и тоже значение от его начала и до конца. К узловым точкам (А и Б) присоединены три ветви:
- БВГА с током I1
- БА с током I2
- БДЖА с током I3
Таким образом количество разных токов равняется количеству ветвей рассматриваемой цепи.
Направление токов выбирается произвольно и при них составляются уравнения. После чего они решаются и определяются их истинные направления (по алгебраическим знакам). В рассматриваемой задаче три неизвестны — I1, I2, I3, для них и составляется система уравнения по законам Кирхгофа. Уравнения на основе первого закона более простые, поэтому следует начинать с них. Известно, что для электрической цепи с n узлами можно составить n-1 независимых уравнений. Уравнение по первому закону Кирхгофа для узла А будет выглядеть следующим образом:
$I1+I2+I3 = 0$
Уравнения, которых не хватает составляются по второму закону Кирхгофа. Для этого выбираем контуры БАЖДБ и ВГЖДВ. Принимаем, что обход контуров цепи осуществляется по часовой стрелке и учитывая правила знаков получаем следующие уравнения:
$I2*(R2+r02)-I3*(R3+r03) = E2-E3$
$I1*(R1+r01)-I3*(R3+r03) = E1-E2$
Отсюда
$I2*(50+0)-I3*(8+0,5) = 30-3$
$50I2 – 8,5*I3 = 27$
Подставив численные значения в третьем уравнение получаем:
$I1*(100+0) – I3*(8+0,5) = 50-30$
$100I1-8,5I3 = 20$
Таким образом вычисление токов сводится к решению системы из трех уравнений с тремя неизвестными.
Рассчитаем I2 из уравнения и подставим значение в уравнение:
$-50*(I1+I3) – 8,5*I3 = 27$
Приводя подобные числа получим:
$-50I1-58,5I3 = 27$
В результате у нас получилось два уравнения с двумя неизвестными (I1, I3). Уравнение (-50I1-58,5I3 = 27) умножается на два, в результате чего получается:
$-100*I1- 117*I3 = 54$ Получившееся уравнение складывается с уравнение (100I1-8,5I3 = 20):
$-8,5*I3-117*I3 = 64$
$125,5*I3=64$
Отсюда
$I3 = – (64/125,5) =- 0,5 A$
Теперь подставляем получившееся значение I3 в уравнение, где неизвестно I1:
$-100*I1-117*(-0,5) = 64$
$-100I1+88,5=64$
$-100*I1 = -24,5$
$I1 = -24,5/-100 = 0,245A$
Теперь получившиеся значения подставляются в первое уравнение, составленное по первому закону Кирхгофа:
$0,245-I2-0,5=0$
$I2 = 0,245+0,5 = 0,745A$
Проверка результата осуществляет при помощи составления баланса мощностей или решения задачи другим способом.
Метод контурных токов, метод узловых потенциалов
Ранее рассматривались простейшие одноконтурные (двухконтурные) электрические цепи и схемы с двумя узлами.
Были описаны способы преобразования схем, с помощью которых в ряде случаев удаётся упростить расчёт разветвлённой электрической цепи.
В случае, когда электрическая схема достаточно сложна и не приводится к схеме одноконтурной цепи, пользуются более общими методами расчёта. Описанные ниже методы применимы для цепей постоянного и переменного тока.
Метод контурных токов позволяет уменьшить количество уравнений системы до числа
– число уравнений (сост. по II закону Кирхгофа).
Если в цепи некоторые узлы соединяются ветвями, не меняющими проводимость (они могут содержать источники тока), то число уравнений К, составляемых по методу контурных токов уменьшается на NT.
Метод основывается на том свойстве, что ток в любой ветви цепи может быть представлен в виде алгебраической суммы независимых контурных токов, протекающих в этой ветви.
При пользовании методом сначала выбирают и обозначают независимые контурные токи (по любой ветви должен протекать хотя бы один выбранный ток).
– число независимых контурных токов, их необходимо выбирать проходящими по ветви, не содержащими источников тока.
Пусть электрическая цепь содержит n контуров (независимых). Согласно II закону Кирхгофа получаем следующую систему из n линейных уравнений:
При этом следует считать
, если условные положительные направления контурных токов в одной ветви контуров K и m совпадают, и
, если они противоположны.
где D1 D2 Dn – дополнение
D – определитель системы.
Расчёт установившегося режима в цепи переменного тока комплексным методом выполняется в следующей последовательности:
Составляется электрическая схема, на которой все источники и пассивные элементы представляются комплексными величинами соответственно напряжений, токов, сопротивлений (проводимостей).
Выбирается условно положительное направление для комплексных значений напряжений, ЭДС и токов.
Согласно уравнениям электрических цепей (Ома, Кирхгофа) в комплексной форме составляются алгебраические уравнения для рассчитываемой цепи.
Уравнения цепи разрешаются относительно искомых переменных (токов, напряжений) в их комплексной форме.
Метод узловых потенциалов
Метод позволяет уменьшить количество уравнений системы до числа
, где Ny – число узлов электрической схемы.
Сущность метода заключается в том, что сначала определяются потенциалы всех узлов схемы, а токи ветвей, соединяющих узлы, определяются с помощью законов Ома.
При составлении уравнений по МУП сначала полагают равным нулю потенциал какого-либо узла, для оставшихся
составляют уравнения по I-му закону Кирхгофа.
Если в цепи некоторые узлы соединяются ветвями, не имеющими сопротивлений (они могут содержать источники напряжений), то число KI уравнений, составленных по МУП, уменьшается на Nн (число ветвей с нулевыми сопротивлениями).
– число уравнений по МУП.
Прежде, чем перейти к изложению самого метода, напомним, что в случае, когда между двумя узлами имеются несколько параллельных ветвей с источниками ЭДС (или без них), их можно привести к одной эквивалентной схеме.
Это представление эквивалентной схемой параллельных ветвей с источниками ЭДС даёт нам право без ограничения общности считать, что между любой парой узлов включена только одна ветвь.
Дальше будем предполагать, что
, т.е. между узлами цепи не включены идеальные источники ЭДС.
В качестве примера составим уравнение по методу узловых напряжений для цепи, изображённой на рис. 3.
Задано:
и параметры всех элементов.
Расчёт цепи производим комплексным методом:
Для узлов 1, 2, 3 имеем уравнения:
(1)
Y11=Y12+Y10+Y13; Y22=Y20+Y12+Y23; Y33=Y30+Y13+Y23
Решив систему из 3-х уравнений относительно узловых напряжений, находим напряжения на ветвях и токи в них.
Метод узловых напряжений применим к независимым контурам.
Положительное направление всех узловых напряжений принято считать к опорному узлу.
Первое уравнение Кирхгофа для некоторого узла К можно записать:
(1)
Для 1-ого узла:
Значения Z1; Z2; Z3; E1 и E2 у нас были определены ранее (см. 1-ый способ решения).
Ответ:
Между узлами К и m имеется ветвь с источниками ЭДС (EKm), сопротивлением ZKm, то ток в этой цепи (ветви), направленный от К к m связан соотношениями:
Первый закон Кирхгофа для рис. 1 имеет вид (1).
Напряжение можно выразить через узловые напряжения в виде:
.
Получаем:
или
Обозначив
, где YKK – сумма проводимостей всех ветвей, присоединённых к К-ому узлу, имеем:
– что и является основным уравнением для К-ого узла по МУП.
В развёрнутой форме совокупность уравнений по МУП имеет вид:
Решая эту систему, найдём узловые напряжения, причём для К-ого узла величина
будет:
,
где D – главный определитель системы, DmK – его алгебраическое дополнение.
После того, как узловые напряжения найдены, определения токов в ветвях цепи имеют вид:
Если в ветви содержатся ЭДС, то ток равен
Метод узловых напряжений применяется к независимым узлам.
Если к К-ому узлу подтекает ток от источника тока, то он должен быть включен в ток IKK со знаком «+», если утекает, то со знаком «-».
Если между какими-либо двумя узлами нет ветви, то соответствующая проводимость равна 0.
Yii – собственная проводимость всех ветвей, подходящих к узлу i (всегда со знаком «+»).
Yiк – взаимная проводимость между узлами i и к (входит в уравнение всегда со знаком «-» при выбранном направлении всех узловых напряжений к базисному узлу).
Ток I1 называется узловым током 1-ого узла. Это расчётная величина, равная алгебраической сумме токов, полученных от деления ЭДС ветвей, подходящих к 1-ому узлу, на сопротивления данных ветвей. В эту сумму со знаком «+» входят токи тех ветвей, ЭДС которых направлена к 1-ому узлу.
Y11 – проводимость всех ветвей, сходящихся в 1-ом узле.
Y12 – проводимость взаимная – равняется сумме проводимостей всех ветвей, соединяющих узел 1 с узлом 2 (берётся со знаком «-»).
Пример:
Е2=Е3 = 1 В
IK3 = 1 A
IK2 = 1 A
R1 = 13 Ом
R2 = 5 Ом
R3 = 9 Ом
R4 = 7 Ом
R5 = 1 Ом
R6 = 4 Ом
Определить токи в ветвях.
Для определения напряжения между двумя произвольными точками схемы необходимо ввести в левую часть уравнений искомое напряжение вдоль пути, как бы дополняющего незамкнутый контур до замкнутого.
Расчёт электрических цепей по методу узловых потенциалов: вывод метода
Наряду с решением электрических схем по законам Кирхгофа и методом контурных токов используется метод узловых потенциалов [1]. Его применение рационально в случае, если количество узлов больше количества независимых контуров в схеме.
Воспользуйтесь программой онлайн-расчёта электрических цепей. Программа позволяет рассчитывать электрические цепи по закону Ома, по законам Кирхгофа, по методам контурных токов, узловых потенциалов и эквивалентного генератора, а также рассчитывать эквивалентное сопротивление цепи относительно источника питания.
Метод узловых потенциалов (МУП) заключается в том, что на основании первого закона Кирхгофа и закона Ома определяются напряжения в узлах электрической цепи (потенциалы узлов φ) относительно некоторого базисного узла, а затем по закону Ома находятся токи в отдельных ветвях. Количество уравнений для решения электрической цепи по МУП равно $ N_{\textrm{у}}- 1- N_{E} $, где $ N_{\textrm{у}} $ – число узлов, $ N_{E} $ – число особых ветвей. Особой ветвью называется такая ветвь, в которой имеется только источник напряжения и отсутствует сопротивление.
Вывод метода
Вывод метода узловых потенциалов рассмотрим на примере схемы, указанной на рис. 1. Обозначенное комплексное сопротивление $ \underline{Z} $ представляет собой эквивалентное сопротивление соответствующей ветви. Проводимостью ветви называется обратная этому значению величина, т.е. $ \underline{Y} = \frac{1}{\underline{Z}} $.
Рис. 1. Обобщённый пример электрической цепи
Обозначим на схеме токи, задав им произвольное направление, и пронумеруем узлы на схеме.
В качестве базисного узла, относительно которого будем производить расчёты потенциалов, выберем узел 4 ($ \underline{\varphi}_{4} = 0 $).
Рассмотрим на примере 1-го узла вывод формулы расчёта узлового потенциала, для этого запишем уравнение по первому закону Кирхгофа:
$$ -\underline{I}_{1}-\underline{I}_{2}-\underline{I}_{3}-\underline{J}_{1} = 0. $$
По закону Ома выразим неизвестные токи в ветвях, сходящихся в рассматриваемом узле, через потенциалы узлов по концам этих ветвей:
$$ {{\underline{I}}_{1}}=\frac{{{\underline{U}}_{12}}+{{\underline{E}}_{1}}}{{{\underline{Z}}_{1}}}=\frac{({{\underline{\varphi }}_{1}}-{{\underline{\varphi }}_{2}})+{{\underline{E}}_{1}}}{{{\underline{Z}}_{1}}}, $$
$$ {{\underline{I}}_{2}}=\frac{{{\underline{U}}_{13}}+{{\underline{E}}_{2}}}{{{\underline{Z}}_{2}}}=\frac{({{\underline{\varphi }}_{1}}-{{\underline{\varphi }}_{3}})+{{\underline{E}}_{2}}}{{{\underline{Z}}_{2}}}, $$
$ \underline{I}_3=\frac{{{\underline{U}}_{14}}+{{\underline{E}}_{3}}}{{{\underline{Z}}_{3}}}=\frac{({{\underline{\varphi }}_{1}}-{{\cancel{{{\underline{\varphi }}_{4}}}}^{0}})+{{\underline{E}}_{3}}}{{{\underline{Z}}_{3}}}.
$
Подставим выраженные токи в уравнение, составленное по первому закону Кирхгофа, заменив сопротивления проводимостями, и сгруппируем уравнение относительно неизвестных потенциалов:
$$ -\frac{(\underline{\varphi}_{1}-\underline{\varphi}_{2}) + \underline{E}_{1}}{\underline{Z}_{1}}- \frac{(\underline{\varphi}_{1}-\underline{\varphi}_{3}) + \underline{E}_{2}}{\underline{Z}_{2}}-\frac{\underline{\varphi}_{1} + \underline{E}_{3}}{\underline{Z}_{3}}- \underline{J}_{1} = 0, $$
$$ -((\underline{\varphi}_{1}-\underline{\varphi}_{2})+\underline{E}_{1}) \cdot \underline{Y}_{1}- ((\underline{\varphi}_{1}-\underline{\varphi}_{3})+\underline{E}_{2}) \cdot \underline{Y}_{2}- (\underline{\varphi}_{1} + \underline{E}_{3}) \cdot \underline{Y}_{3}- \underline{J}_{1} = 0, $$
$$ -\underline{\varphi}_{1} \cdot \underline{Y}_{1} + \underline{\varphi}_{2} \cdot \underline{Y}_{1}- \underline{E}_{1} \cdot \underline{Y}_{1}- \underline{\varphi}_{1} \cdot \underline{Y}_{2} + \underline{\varphi}_{3} \cdot \underline{Y}_{2}- \underline{E}_{2} \cdot \underline{Y}_{2}- \underline{\varphi}_{1} \cdot \underline{Y}_{3}- \underline{E}_{3} \cdot \underline{Y}_{3}- \underline{J}_{1} = 0, $$
$$ \underline{\varphi}_{1} \cdot (\underline{Y}_{1} + \underline{Y}_{2} + \underline{Y}_{3})- \underline{\varphi}_{2} \cdot \underline{Y}_{1}- \underline{\varphi}_{3} \cdot \underline{Y}_{2} =-\underline{E}_{1} \cdot \underline{Y}_{1}- \underline{E}_{2} \cdot \underline{Y}_{2}- \underline{E}_{3} \cdot \underline{Y}_{3}- \underline{J}_{1}.
$$
Расписав уравнения для остальных узлов, получим систему уравнений, решив которую можно получить значения неизвестных потенциалов:
$$ \begin{cases} \underline{\varphi}_{1} \cdot (\underline{Y}_{1} + \underline{Y}_{2} + \underline{Y}_{3})- \underline{\varphi}_{2} \cdot \underline{Y}_{1}- \underline{\varphi}_{3} \cdot \underline{Y}_{2} =-\underline{E}_{1} \cdot \underline{Y}_{1}- \underline{E}_{2} \cdot \underline{Y}_{2}- \underline{E}_{3} \cdot \underline{Y}_{3}- \underline{J}_{1} \\ \underline{\varphi}_{2} \cdot (\underline{Y}_{1} + \underline{Y}_{4} + \underline{Y}_{6})- \underline{\varphi}_{1} \cdot \underline{Y}_{1}- \underline{\varphi}_{3} \cdot \underline{Y}_{4} = \underline{E}_{1} \cdot \underline{Y}_{1} + \underline{E}_{4} \cdot \underline{Y}_{4} + \underline{E}_{6} \cdot \underline{Y}_{6} + \underline{J}_{1} \\ \underline{\varphi}_{3} \cdot (\underline{Y}_{2} + \underline{Y}_{4} + \underline{Y}_{5})- \underline{\varphi}_{1} \cdot \underline{Y}_{2}- \underline{\varphi}_{2} \cdot \underline{Y}_{4} = \underline{E}_{2} \cdot \underline{Y}_{2}- \underline{E}_{4} \cdot \underline{Y}_{4} + \underline{E}_{5} \cdot \underline{Y}_{5} \end{cases} $$
Нахождение токов осуществляется по закону Ома через вычисленные потенциалы узлов:
$$ {{\underline{I}}_{1}}=\frac{({{\underline{\varphi }}_{1}}-{{\underline{\varphi }}_{2}})+{{\underline{E}}_{1}}}{{{\underline{Z}}_{1}}}, $$
$$ {{\underline{I}}_{2}}=\frac{({{\underline{\varphi }}_{1}}-{{\underline{\varphi }}_{3}})+{{\underline{E}}_{2}}}{{{\underline{Z}}_{2}}}, $$
$$ {{\underline{I}}_{3}}=\frac{({{\underline{\varphi }}_{1}}-{{\underline{\varphi }}_{4}})+{{\underline{E}}_{3}}}{{{\underline{Z}}_{3}}},$$
$$ {{\underline{I}}_{4}}=\frac{({{\underline{\varphi }}_{3}}-{{\underline{\varphi }}_{2}})+{{\underline{E}}_{4}}}{{{\underline{Z}}_{4}}},$$
$$ {{\underline{I}}_{5}}=\frac{({{\underline{\varphi }}_{4}}-{{\underline{\varphi }}_{3}})+{{\underline{E}}_{5}}}{{{\underline{Z}}_{5}}},$$
$$ {{\underline{I}}_{6}}=\frac{({{\underline{\varphi }}_{4}}-{{\underline{\varphi }}_{2}})+{{\underline{E}}_{6}}}{{{\underline{Z}}_{6}}}.
$$
Вывод частного случая метода узловых потенциалов
Рассмотрим вывод уравнений для расчёта цепей с двумя и более особыми ветвями, не имеющими общих узлов. Вывод уравнений произведём на примере схемы рис. 2. Как и в предыдущем случае, произвольно обозначим на схеме токи и пронумеруем узлы. Для уменьшения числа уравнений в качестве базисного узла примем узел 4, к которому примыкает особая ветвь с $ \underline{E}_{4} $. Таким образом потенциал $ \underline{\varphi}_{4} = 0 \space \textrm{В} $, а потенциал $ \underline{\varphi}_{1} = \underline{E}_{4} $.
Рис. 2. Электрическая цепь с двумя особыми ветвями без общего узла.
Потенциалы по концам особой ветви с источником $ \underline{E}_{6} $ невозможно вычислить по уравнениям, выведенным в предыдущем пункте, поскольку проводимость этой ветви будет бесконечно большой. В то же время потенциалы узлов этой ветви будут отличаться на величину ЭДС. Поэтому достаточно определить потенциал с одной стороны. Для этого составим уравнение по первому закону Кирхгофа, к примеру, для узла 6:
$$ \underline{I}_{8} + \underline{I}_{9}- \underline{I}_{6} = 0.
$$
Токи $ \underline{I}_{8} $ и $ \underline{I}_{9} $ можно выразить по закону Ома через потенциалы по концам ветвей, в которых они протекают, но ток $ \underline{I}_{6} $ остаётся неизвестным. Выразим его через первый закон Кирхгофа для узла 3, расположенного на противоположном конце особой ветви, и подставим в предыдущее уравнение:
$$ \underline{I}_{6} =- \underline{I}_{1}- \underline{I}_{3}- \underline{J}_{1}, $$
$$ \underline{I}_{8} + \underline{I}_{9} + \underline{I}_{1} + \underline{I}_{3} + \underline{J}_{1} = 0. $$
По закону Ома выразим токи в ветвях через потенциалы узлов:
$$ {{\underline{I}}_{1}}=\frac{({{\underline{\varphi }}_{1}}-{{\underline{\varphi }}_{3}})+{{\underline{E}}_{1}}}{{{\underline{Z}}_{1}}}, $$
$$ {{\underline{I}}_{3}}=\frac{({{\underline{\varphi }}_{2}}-{{\underline{\varphi }}_{3}})+{{\underline{E}}_{3}}}{{{\underline{Z}}_{3}}}, $$
$$ {{\underline{I}}_{8}}=\frac{({{\underline{\varphi }}_{5}}-{{\underline{\varphi }}_{6}})+{{\underline{E}}_{8}}}{{{\underline{Z}}_{8}}}, $$
$$ {{\underline{I}}_{9}}=\frac{({{\underline{\varphi }}_{4}}-{{\underline{\varphi }}_{6}})+{{\underline{E}}_{9}}}{{{\underline{Z}}_{9}}}.
$$
Подставим выраженные токи в уравнение, составленное по первому закону Кирхгофа, заменив сопротивления проводимостями, и сгруппируем уравнение относительно неизвестных потенциалов:
$$ \frac{(\underline{\varphi}_{5}- \underline{\varphi}_{6}) + \underline{E}_{8}}{\underline{Z}_{8}} + \frac{(\underline{\varphi}_{4}- \underline{\varphi}_{6}) + \underline{E}_{9}}{\underline{Z}_{9}} + \frac{(\underline{\varphi}_{1}- \underline{\varphi}_{3}) + \underline{E}_{1}}{\underline{Z}_{1}} + \frac{(\underline{\varphi}_{2}- \underline{\varphi}_{3}) + \underline{E}_{3}}{\underline{Z}_{3}} +\underline{J}_{1} = 0, $$
$$ -\underline{\varphi}_{6} \cdot (\underline{Y}_{8} + \underline{Y}_{9}) + \underline{\varphi}_{4} \cdot \underline{Y}_{9} + \underline{\varphi}_{5} \cdot \underline{Y}_{8} + \underline{\varphi}_{1} \cdot \underline{Y}_{1}- \underline{\varphi}_{3} \cdot (\underline{Y}_{1} + \underline{Y}_{3}) + \underline{\varphi}_{2} \cdot \underline{Y}_{3} = \\=-\underline{E}_{8} \cdot \underline{Y}_{8}- \underline{E}_{9} \cdot \underline{Y}_{9}- \underline{E}_{1} \cdot \underline{Y}_{1}- \underline{E}_{3} \cdot \underline{Y}_{3}- \underline{J}_{1}, $$
$$ \underline{\varphi}_{6} \cdot (\underline{Y}_{8} + \underline{Y}_{9})- \underline{\varphi}_{4} \cdot \underline{Y}_{9}- \underline{\varphi}_{5} \cdot \underline{Y}_{8}- \underline{\varphi}_{1} \cdot \underline{Y}_{1}- \underline{\varphi}_{2} \cdot \underline{Y}_{3} + \underline{\varphi}_{3} \cdot (\underline{Y}_{1} + \underline{Y}_{3}) = \\ = \underline{E}_{8} \cdot \underline{Y}_{8} + \underline{E}_{9} \cdot \underline{Y}_{9} + \underline{E}_{1} \cdot \underline{Y}_{1} + \underline{E}_{3} \cdot \underline{Y}_{3} + \underline{J}_{1}.
$$
Выразим потенциал узла 3 через $ \underline{E}_{6} $ и $ \underline{\varphi}_{6} $ и подставим в предыдущее уравнение:
$$ \underline{\varphi}_{3} = \underline{\varphi}_{6} + \underline{E}_{6}, $$
$$ \underline{\varphi}_{6} \cdot (\underline{Y}_{8} + \underline{Y}_{9})- \underline{\varphi}_{4} \cdot \underline{Y}_{9}- \underline{\varphi}_{5} \cdot \underline{Y}_{8}- \underline{\varphi}_{1} \cdot \underline{Y}_{1}- \underline{\varphi}_{2} \cdot \underline{Y}_{3} + (\underline{\varphi}_{6} + \underline{E}_{6}) \cdot (\underline{Y}_{1} + \underline{Y}_{3}) = \\ = \underline{E}_{8} \cdot \underline{Y}_{8} + \underline{E}_{9} \cdot \underline{Y}_{9} + \underline{E}_{1} \cdot \underline{Y}_{1} + \underline{E}_{3} \cdot \underline{Y}_{3} + \underline{J}_{1}, $$
$$ \underline{\varphi}_{6} \cdot (\underline{Y}_{8} + \underline{Y}_{9} + \underline{Y}_{1} + \underline{Y}_{3})- \underline{\varphi}_{4} \cdot \underline{Y}_{9}- \underline{\varphi}_{5} \cdot \underline{Y}_{8}- \underline{\varphi}_{1} \cdot \underline{Y}_{1}- \underline{\varphi}_{2} \cdot \underline{Y}_{3} = \\ = \underline{E}_{8} \cdot \underline{Y}_{8} + \underline{E}_{9} \cdot \underline{Y}_{9} + \underline{E}_{1} \cdot \underline{Y}_{1} + \underline{E}_{3} \cdot \underline{Y}_{3}- \underline{E}_{6} \cdot (\underline{Y}_{1} + \underline{Y}_{3}) + \underline{J}_{1}.
$$
Уравнения для расчёта остальных неизвестных потенциалов (в узлах 2 и 5) и токов записываются аналогично предыдущему пункту, а токи в особых ветвях находятся по первому закону Кирхгофа.
Методика расчёта электрических цепей по методу узловых потенциалов приведена здесь.
Список использованной литературы
- Зевеке Г.В., Ионкин П.А., Нетушил А.В., Страхов С.В. Основы теории цепей. Учебник для вузов. Изд. 4-е, переработанное. М., «Энергия», 1975.
1.1 Метод узловых и контурных уравнений. Расчет линейных электрических цепей постоянного и переменного тока
Расчет линейных электрических цепей постоянного и переменного тока
курсовая работа
Метод узловых и контурных уравнений основан на применении первого и второго законов Кирхгофа. Он не требует никаких преобразований схемы и пригоден для расчета любой цепи.
При расчете данным методом произвольно задаем направление токов в ветвях
Составляем систему уравнений.
В системе должно быть столько уравнений, сколько в цепи ветвей (неизвестных токов).
В заданной цепи шесть ветвей, значит, в системе должно быть шесть уравнений . Сначала составляем уравнения для узлов по первому закону Кирхгофа. Для цепи с m узлами можно составить независимых уравнений. В нашей цепи четыре узла , значит, число уравнений: . Составляем три уравнения для любых 3-х узлов, например, для узлов .
Всего в системе должно быть шесть уравнений. Три уже есть. Три недостающих составляем для линейно независимых контуров. Чтобы они были независимыми, в каждый следующий контур надо включить хотя бы одну ветвь, не входящую в предыдущие.
Задаемся обходом каждого контура и составляем уравнения по второму закону Кирхгофа.
Контур – обход по часовой стрелке
Контур – обход по часовой стрелке
Контур ABCA – обход против часовой стрелке
ЭДС в контуре берется со знаком “плюс”, если направление ЭДС совпадает с обходом контура, если не совпадает – знак “минус”.
Падение напряжения на сопротивлении контура берется со знаком “плюс”, если направление тока в нем совпадает с обходом контура, со знаком “минус”, если не совпадает.
Мы получили систему из шести уравнений с шестью неизвестными:
Решив систему, определим величину и направление тока во всех ветвях схемы.
Если при решении системы ток получается со знаком “минус”, значит его действительное направление обратно тому направлению, которым мы задались.
Делись добром 😉
Анализ электрического состояния линейных электрических цепей постоянного тока
1.2 Метод контурных токов (МКТ). Методика расчета
Применение метода к расчету электрической цепи позволяет уменьшить общее количество уравнений системы до числа (независимых контуров). Для расчета цепи МКТ необходимо: 1…
Исследование электрической цепи синусоидального тока
3.2 Метод контурных токов
Сложную электрическую цепь, содержащую несколько активных и пассивных элементов и имеющую много узлов и контуров, рассчитать с помощью первого и второго законов Кирхгофа будет довольно трудно.
..
Линейные электрические цепи
Метод контурных токов
Дано: R1 = 19,5 Ом E1 = 25,8 В R2 = 60 Ом E2 = 37,5 В R3 = 90 Ом E3 = 0 В R4.1 = 150 Ом I1 = 0,04 А R4.2 = 600 Ом I2 = 0 А R5 = 165 Ом I3 = 0 А R6.1 = 40 Ом R6.2 = 27,5 Ом Решение: 1. Находим в схеме элементы, соединенные параллельно или последовательно…
Линейные электрические цепи
Метод узловых потенциалов
Дано: “right”> R1 = 19,5 Ом E1 = 25,8 В R2 = 60 Ом E2 = 37,5 В R3 = 90 Ом E3 = 0 В R4.1 = 150 Ом I1 = 0,04 А R4.2 = 600 Ом I2 = 0 А R5 = 165 Ом I3 = 0 А R6.1 = 40 Ом R6.2 = 27,5 Ом Решение: 1. Определяем собственную проводимость узла…
Применение матричных методов для анализа установившихся режимов электрических систем
1. ФОРМИРОВАНИЕ УЗЛОВЫХ И КОНТУРНЫХ УРАВНЕНИЙ УСТАНОВИВШИХСЯ РЕЖИМОВ ЭЛЕКТРИЧЕСКОЙ СЕТИ
…
Применение матричных методов для анализа установившихся режимов электрических систем
1.
3 РАСЧЕТ МАТРИЦЫ УЗЛОВЫХ ПРОВОДИМОСТЕЙ И МАТРИЦЫ КОНТУРНЫХ СОПРОТИВЛЕНИЙНайдем матрицу узловых проводимостей [] (без учета балансирующего узла) по формуле: Матрица узловых проводимостей [] (с учетом балансирующего узла) определяется по формуле: Матрица является вырожденной матрицей, т.е…
Применение матричных методов для анализа установившихся режимов электрических систем
1.4 СОСТАВЛЕНИЕ УЗЛОВЫХ УРАВНЕНИЙ УСТАНОВИВШЕГОСЯ РЕЖИМА ЭЛЕКТРИЧЕСКОЙ СЕТИ В МАТРИЧНОЙ ФОРМЕ И В АНАЛИТИЧЕСКОМ ВИДЕ ПРИ ЗАДАНИИ НАГРУЗОК В ТОКАХ
1. Матричная форма записи: Запишем первый закон Кирхгофа в матричной форме: , где – матрица-столбец искомых токов ветвей; – – матрица-столбец задающих токов узлов. Токи ветвей можно найти как: где -матрица падений напряжений в ветвях…
Применение матричных методов для анализа установившихся режимов электрических систем
1.5 СОСТАВЛЕНИЕ КОНТУРНЫХ УРАВНЕНИЙ УСТАНОВИВШЕГОСЯ РЕЖИМА ЭЛЕКТРИЧЕСКОЙ СЕТИ НА ОСНОВЕ 2-ГО ЗАКОНА КИРХГОФА В МАТРИЧНОЙ ФОРМЕ И В АНАЛИТИЧЕСКОМ ВИДЕ ПРИ ЗАДАНИИ НАГРУЗОК В ТОКАХ
Матричная форма записи:
Запишем первый закон Кирхгофа в матричной форме:…Расчет линейных электрических цепей постоянного и переменного тока
1.2 Метод контурных токов
Метод контурных токов основан на использовании второго закона Кирхгофа. Это позволяет уменьшить число уравнений в системе на…
Расчет резистивных цепей постоянного тока
1.2 Метод контурных токов
Для использования метода контурных токов необходимо произвольно задать положительные направления токов во всех ветвях цепи, а также положительные направления контурных токов, что продемонстрировано на рисунке 2: Рис…
Расчет резистивных цепей постоянного тока
1.3 Метод узловых потенциалов
Для использования данного метода необходимо принять равным нулю потенциал одного из узлов цепи (в нашем случае узел номер 2), что продемонстрировано на рисунке 3: Рис…
Расчет установившихся режимов электрических сетей
2.4 Формирование уравнений узловых напряжений
Для расчёта установившегося режима воспользуемся нелинейными уравнениями узловых напряжений в форме балансов токов в узлах.
Запишем их в общем матричном виде:
Запишем матрицы системы для нашего графа:
;
; ;…
Расчет электрической цепи постоянного тока и напряжения
4. Метод контурных токов
Метод основан на введении промежуточной неизвестной величины – контурного тока и использовании 2 закона Кирхгофа. Контурный ток – собственный ток каждого независимого контура…
Расчет электрической цепи постоянного тока и напряжения
5. Метод узловых потенциалов
Метод узловых потенциалов — метод расчета электрических цепей путем записи системы линейных алгебраических уравнений, в которой неизвестными являются потенциалы в узлах цепи…
Резистивные электрические цепи и методы их расчета
Метод узловых напряжений (МУН)
В методе узловых напряжений неизвестными, подлежащими определению, являются так называемые узловые напряжения, т. е. напряжения, которые представляют собой разности потенциалов данного узла и узла, принятого за базисный…
Метод узловых и контурных уравнений — Мегаобучалка
1 Выбираем произвольно направления токов в ветвях (рис.
1.45)
2Составляем систему уравнений по законам Кирхгофа для определения токов в ветвях. Так как в схеме три ветви, то то необходимо составить три уравнения: по первому закону Кирхгофа – одно уравнение (на единицу меньше числа узлов) и по второму закону Кирхгофа недостающее число уравнений, т.е. два уравнения.
Система уравнений для расчёта токов имеет вид:
{I1 – I2 – I3 = 0 (для узла В) (1)
{E1+E2 = I1 (R1+r01+R2+R3)+ I2 (R4+r02) (2)
{-E2 = -I2 (R4+r02) + I3 (R5+R6+R7) (3)
В уравнении (1) притекающие к узлу В токи принимают положительными, оттекающие от узла токи – отрицательными. В уравнении (2) и (3) все ЭДС и напряжение, совпадающие с напряжениями обхода по контуру (по часовой стрелке), записывали положительными, не совпадающие – отрицательными.
Решая полученную систему уравнений, найдём токи в ветвях. Подставим значения ЭДС и сопротивлений:
I1 – I2 – I3 = 0
40+20 = I1 (15+1+27+5) +I2 (2+15)
-20 = -I2 (15+2) + I3 (12+10+5)
I1 – I2 – I3 = 0 (4)
60 = I1*48+I2*17 (5)
-20 =-I2*17+I3 =27 (6)
Выразим I1 из (5) -го уравнения, I3 из (6) -го уравнения
I1 – I2 – I3 = 0
48 I1 = 60 – 17 I2
27 I3 = – 20+17 I2
I1 – I2 – I3 = 0
I1 = 60 – 17 I2 / 48 = 60 /48 – 17 / 48 I2 = 1,25 – 0,35 I2 (7)
I3 = -20+17 I2 / 27 = -20 / 27+17 / 27 I2 = -0,74+0,63 I2 (8)
Подставим полученные значения I1 и I3 в (4)-е уравнение:
(1,25 – 0,35 I2) – I2 – (-0,74+0,63 I2) = 0
1,25 – 0,35 I2 – I2+0,74 – 0,63 I2 = 0
-0,35 I2 – I2 – 0,63 I2 = -0,74 – 1,25
-1,98 I2 = -1,99
I2 = -1,99 / -1,99 » 1А
Подставим найденное значение тока I2 в уравнение (7) и (8), и определим токи I1 и I3
I1 = 1,25 – 0,35 I2 = 1,25 – 0,35*1 =0,9 A
I3 = -0,74+0,63 I2 = -0,74+0,63*1 = -0,11
Рассмотренный метод в большинстве случаев является громоздким.
Для упрощения расчёта разработаны методы, в основе которых также положены уравнения Кирхгофа, но количество уравнений сокращено.
1.3.2.2 Определим токи в ветвях методом контурных токов. Считаем, что в каждом независимом контуре схемы (рис 1.45) течёт свой контурный ток Iк1, Iк2. Выбираем направления токов в одну сторону, по часовой стрелке.
Составляем уравнения по второму закону Кирхгофа относительно контурных токов. Направление обхода контуров примем совпадающими с направлением контурных токов. Определим контурные ЭДС:
EI = E1+E2 = 40+20 = 60 B
EII = -E2 = -20B
Это алгебраическая сумма ЭДС, входящих в контур.
Определим собственные сопротивления контуров:
RI = R1+R2+R3+R4+r01+r02 = 15+27+5+15+1+2 = 65 Ом
RII = R4+R5+R6+R7+r02 = 15+12+10+5+2 = 44 Ом
Оно определяется как алгебраическая сумма всех сопротивлений , входящих в контур.
Общим для контуров является сопротивление (R4+r02).
Составим систему уравнений :
EI = Iк1*RI – Iк2*(R4+r02) (9)
EII = Iк2*RII – Iк1 *(R4+r02) (10)
В уравнении (9) слагаемое Iк2*(R4+r02) записывается со знаком минус, так как из-за второго контурного тока на общих сопротивлениях (R4+r02) создаётся падение напряжения, причём направление токов Iк2 и Iк1 на этих сопротивления не совпадают.
Аналогично в уравнении (10) из-за тока Iк1 создаётся падение напряжения на общих сопротивлениях (R4+r02).
Подставим известные значения сопротивлений и ЭДС:
60 = Iк1 *65 – Iк2 *(15+2)
-20 = Iк2*44 – Iк1*(15+2)
60 = Iк1 *65 – Iк2 *17 (11)
-20 = Iк2*44 – Iк1*17 (12)
выразим из (11)-го уравнения Iк1 и подставим его значения в (12)-ое уравнение:
65 Iк1 = 60 + 17Iк2
-20 = 44Iк2 – 17 Iк1
Iк1 = 60+17 Iк2 /65 = 60/65+17Iк2 /65 = 0,92+0,26 Iк2
-20 = 44 Iк2 – 17Iк1
-20 = 44 IК2 – 17(0,92+0,26 IK2)
-20 = 44 IK2 – 15,64 – 4,42 I K2
-20+15,64 = 44 IK2 – 4,42 IK2
-4,36 = 39,58 IK2
IK2 = -4,36 / 39,58 = -0,11 A
Из уравнения (13) определим IK1:
IK1 = 0,92+0,26 IK2 = 0,92+0,26 (-0,11) = 0,89 A
Определяем действительные токи в ветвях.
Ток в ветви равен алгебраической сумме контурных токов, протекающих в зтой же ветви.
Рассчитываем значения токов в ветвях схемы (рис. 1.2), сравнивая направления контурных токов в ветвях с направлением действующих токов:
I1 = IK1 = 0,89 A
I2 = IK1 – IK2 =0,95 – (-0,11) = 1,1 A
I3 = IK2 =-0,11 A
1.3.2.3.Определим токи методом наложения токов.
При решении этим методом из схемы поочерёдно исключаем по одному источнику ЭДС. Тогда схема решается как простая схема с одним источником ЭДС и смкшанным соединением сопротивлений. Токи в такой схеме называются частичными. Исключаем из схемы источник Е1:
Рисунок 1.46
Вычислим эквивалентное сопротивление цепи:
R123, r02 = R1+R2+R3+r02 = 15+27+5+2 = 49 Ом
R123567, r02 = R123, r02*R567 / R123, r02+R567 = 49*27 / 49+27 = 1323 / 76 = 17,41 Ом
R = R123567, r02+R4 = 17,41+15 = 32,41 Ом
По закону Ома для полной цепи, общей для данной схемы ток I2’ определяется:
I2’ = E2 / R+r02 = 20 / 32,41+2 = 0,58 A
Для определения токов I1’ и I3’ найдём падение напряжения на участке АВ.
UAB = I2’*R123567, r02 = 0,58*17,41 = 10,1 B
I1’ = UAB / R123, r02 = 10,1 / 49 = 0,21 A
I3’ = UAB / R567 = 10,1 / 27 = 0,37 A
Исключим из схемы источник Е2:
Рисунок 1.47
Вычислим эквивалентное сопротивление цепи:
R567 = R5+R6+R7 = 12+10+5 = 27 Ом
R4,r02 = R4+r02 = 15+2 = 17 Ом
R4567,r02 = R567*R4,r02 / R567+R4,r02 = 27*17 / 27+17 = 459/44 = 10,43 Ом
R = R4567,r02+R1+R2+R3= 10,43+15+27+5 = 57,43 Ом
По закону Ома для полной цепи общий для данной схемы I1’’ определиться:
I1’’ = E1/R+r01 = 40/57,43+1 = 0,68 A
Для определения токов I2’’ и I3’’ найдём падение напряжения на участке СД:
UСД = I1’’ R4567,r02 = 0,6810,43 = 7,09 B
I2’’ = UСД/R4,r02 = 7,09/17 = 0,42 A
I3’’ = UСД/R567 = 7,09/27 = 0,26 A
Вычислим действительные токи в ветвях наложением частичных токов с учётом их направления:
I1 = I1’+I1’’ = 0,21+0,68 = 0,89 A
I2 = I2’+I2’’ = 0,58+0,42 = 1 A
I3 = I3’ – I3’’ = 0,26 – 0,37 = -0,11 A
Действительное направление тока I3 противоположно заданному (об этом свидетельствует знак “минус”)
1.
3.2.4 Составим баланс мощностей
на основании закона сохранения энергии количество теплоты, выделяющееся в единицу времени в сопротивлениях цепи, должно равняться энергии, доставляемой за то же время источниками питания.
Уравнение баланса мощностей:
Pи = Pп+Pо
где Pи = ЕI – мощность источника энергии;
Pп = I*I*R – мощность потребителя энергии;
Pо = I*I*r – мощность потерь.
В нашем случае:
Pи = E1*I1+E2*I2 = 40*0,89+20*1 = 35,6+20 = 55,6 Вт
Pп = I1*I1(R1+R2+R3) + I2*I2*R4+I3*I3 (R5+R6+R7) = 0,89*0,89 (15+27+5) +
+1*1*15+(-0,11)*(-0,11)*12+10+5) = 0,79*47+15+0,012*27 = 37,13+15+0,324 = 52,45 Вт
Pо = I1*I1*r01+I2*I2*r02 = 0,89*0,89*1+1*1*2 = 0,79+2 = 2,79 Вт
55,6 = 52,45+2,79
55,6 = 55,24
Расхождение в результатах вычислений не превышают 1%, это означает, что токи рассчитаны правильно.
Пример выполнения задания по ТОЭ –
Теория
В схеме (рисунок 1) E1 = 32 В; E2 = 25 В; R1 = 7 Ом; R2 = 5 Ом; R3= 8 Ом; R4=6Ом; R5= 13 Ом; R6 = 11 Ом.
Рис.2.1- Схема линейной электрической цепи
1.1 Законы Кирхгофа
1. Выбираем произвольно направления токов во всех ветвях схемы (рис.2.1).
2. Составляем уравнения по первому закону Кирхгофа. Число их в общем случае на единицу меньше числа узлов (для рассматриваемой схемы с четырьмя узлами нужно составить три таких уравнения). При этом с плюсом записываем токи, входящие в узел, с минусом – токи, выходящие из узла:
I6 -I1-I2 = 0 — для узла а;
I1 +I3–I5 = 0 — для узла b;
–I3 + I4–I6 = 0 — для узла с.
3. Выбираем произвольно направление обхода каждого контура цепи (например, по часовой стрелке) и составляем уравнения по второму закону Кирхгофа. Контуры, для которых составляются уравнения, нужно выбрать так, чтобы каждый из них включал в себя хотя бы одну ветвь, не вошедшую в другие контуры.
Только при этом условии уравнения, составленные по второму закону Кирхгофа, будут независимыми друг от друга. Поэтому и контуры, выбранные с соблюдением приведенного выше условия, принято называть независимыми. Таким образом, число уравнений, составленных по второму закону Кирхгофа, должно быть равно числу независимых контуров:
I1R1+I5R5-I2R2 = E1-E2 для контура abda
– I5R5-I3R3-I4R4 = 0 для контура dbcd
I2R2+I4R4+I6R6 = E2 для контура adсa
В этих уравнениях все э. д. с. и токи, совпадающие с направлением обхода, записываются со знаком плюс; э. д. с. и токи, направленные навстречу обходу, — со знаком минус. Как видно из данного примера, общее число уравнений, составленных по первому и второму законам Кирхгофа, равно числу неизвестных токов, т.
е. числу ветвей.
Решив полученную систему шести уравнений с шестью неизвестными, определим искомые токи. Если какой-либо ток в результате расчета получился отрицательным, то это означает, что его действительное направление противоположно направлению, выбранному в п. 1.
Рассмотренный метод расчета в подавляющем большинстве случаев является достаточно громоздким и потому практически нецелесообразным. Задача значительно упрощается при использовании метода контурных токов и метода узловых потенциалов, в основу которых также положены уравнения Кирхгофа.
1.2 Метод контурных токов
1. Вводим понятие фиктивных контурных токов: I11, I22, I33 и выбираем произвольно направление каждого из них. На рисунке 1 все контурные токи направлены по часовой стрелке. Значения контурных токов должны быть равны по абсолютной величине значениям токов в несмежных ветвях, т. е.
I11 = I1 I22= – I3 I33 = I6
Тогда токи во всех ветвях схемы определятся из выражений (1):
I1= I11; I2 = I6-I11 = I33-I11; I3 = – I22;
I4 = I3+I6 = I33-I22; I5 = I1+I3 = I11-I22; I6 = I33
аким образом, при использовании метода контурных токов уравнения, составленные по 1-му закону Кирхгофа, обращаются в тождества, т.
е. этот закон удовлетворяется при любых значениях контурных токов. Значит, для решения задачи этим методом достаточно уравнений, составленных по 2-му закону Кирхгофа.
2. Составляем уравнения по 2-му закону Кирхгофа для контурных токов. Для этого подставим в первое из уравнений (2) значения токов в ветвях, приведенные в уравнениях (3):
I11R1 + (I11 – I22) R5 – (I33 – I11) R2 = E1 – E2.
Перегруппировав слагаемые в этом выражении и сделав соответствующие преобразования с остальными уравнениями системы (2), получим уравнения для метода контурных токов:
I11 (R1 + R5 + R2) – I22R5 – I33R2 = E1 – E2,
I22 (R3 + R5 + R4) – I11R5 – I33R4 = 0,
I33 (R2 + R4 + R6) – I11R2 – I22R4 = E2.
Подставляя заданные числовые значения э. д. с. и сопротивлений, получим:
I11 ·25 – I22·13 – I33·5 = 7,
-I11·13 + I22·27 – I33·6 = 0;
-I11·5 – I22·6 + I33·22 = 25
Совместное решение этих уравнений дает следующие значения контурных токов:
I11 = 1,05 А; I22 = 0,864 A; I33 = 1,64 A.
Значения токов в ветвях определяем из выражений (3):
I1 = I11 = 1,05 А; I22 = I33 – I11 = 0,56 A; I3 = I22 = – 0.864 A;
I4 = I33 – I22 = 0,746 A; I5 = I11 – I22 = 0,186 A; I6 = I33 = 1,61 A.
Знак минус перед током I3 показывает, что действительное его направление противоположно выбранному. Метод контурных токов позволяет уменьшить число уравнений, необходимых для решения задачи, до числа независимых контуров.
1.3 Метод узловых потенциалов
При известных потенциалах отдельных узлов ток в каждой ветви можно определить по закону Ома:
(4)
Из этих соотношений видно, что токи в ветвях зависят от разностей потенциалов узлов, к которым эти ветви подсоединены. Это позволяет задать потенциалу одного из узлов любое числовое значение.
Порядок расчета рассматриваемой цепи методом узловых потенциалов следующий.
Полагаем потенциал какого-либо одного узла схемы (например, узла d) равным нулю: φd = 0.
Для всех остальных узлов составляем уравнения по первому закону Кирхгофа (система уравнений (1)), выразив значения токов из формул (4). В этом случае уравнение для узла «а» примет вид:
(φc – φa)G6 – (E1+ φa – φb)G1 – (E2 + φa)G2 = 0.
Сгруппировав отдельно слагаемые, содержащие э. д. с. и не содержащие их, и проделав такие же преобразования с остальными уравнениями системы (1), получим уравнения для метода узловых потенциалов:
Обратите внимание на смысл написанных уравнений.
Сумма токов, оттекающих от данного узла под влиянием его потенциала, равна сумме токов, притекающих к этому узлу под влиянием потенциалов соседних узлов и под влиянием э. д. с. Поэтому э.д.c., направленные к узлу, для которого составляется уравнение, записываются со знаком плюс, а э. д. с., направленные от этого узла, — со знаком минус.
Определим численные значения проводимостей и подставим их в последнюю систему уравнений:
Совместное решение этих уравнений дает следующие значения узловых потенциалов:
φа = — 22,1В; φв = 2,4В; φс = = — 4,5В.
Тогда по уравнениям (4) определяем токи в ветвях:
I1 = 1,07 A; I2 = 0,58 A; I3 = – 0,86 A; I4 = 0,751;
I5 = 0,185 A; I6 = 1,6 A.
Метод узловых потенциалов позволяет уменьшить число уравнений, необходимых для решения задачи, до числа узлов без единицы.
Сравним результаты расчетов обоими методами.
Таблица 2 – Результаты расчета токов в ветвях схемы
| Токи, А | I1 | I2 | I3 | I4 | I5 | I6 |
| Метод контурных токов | 1,05 | 0,56 | -0,864 | 0,746 | 0,186 | 1,61 |
| Метод узловых потенциалов | 1,07 | 0,58 | -0,854 | 0,751 | 0,185 | 1,60 |
Результаты совпадают с достаточной точностью.
1.4 Метод эквивалентного генератора (активного двухполюсника)
1. Разрываем ветвь, ток в которой нужно определить, и подсчитываем напряжение между точками разрыва (напряжение холостого хода Uxx). Полученная схема изображена на рисунке 2.2.
Рис. 2.2 | Рис.2.3 |
По второму закону Кирхгофа для контура damm’bd, обходя его по часовой стрелке, подсчитаем напряжение холостого хода.
Uxx – I5΄R5 – I2΄R2 = E1 – E2, откуда
Uxx = E1 – E2 + I5΄R5 + I2΄R2 = 32 – 25 + 0,269·13 + 1,21·5 = 16,55 B.
2. Замыкаем накоротко обе э.д.с., в место разрыва вводим э.д.с., равную Uхх (рис.2.3).
Определим входное сопротивление этой схемы (ее эквивалентное сопротивление относительно зажимов ab, к которым подключена исследуемая ветвь). Для этой цели преобразуем один из треугольников сопротивлений, например, R3 R4 R5 в эквивалентную звезду сопротивлений Rb Rc Rd (рис.
2.4а). В этой схеме:
Рис.2.4а Рис.2.4б
В результате такого преобразования схема оказалась приведенной к последовательно-параллельной (рис.2.4б). Она окажется эквивалентной схеме, изображенной на рисунке 5, то
Рис.2.5
Тогда ток .
1.5 Потенциальная диаграмма
Потенциальная диаграмма представляет собой график изменения потенциала вдоль замкнутого контура.
Отложим по оси абсцисс (рис.2.6) все сопротивления контура dnambcd (рис.1), двигаясь от точки d, потенциал которой принят равным нулю. Перемещаясь вдоль этого контура, подсчитаем потенциалы всех точек. Пройдя сопротивление R2 и двигаясь навстречу току I2 (от меньшего потенциала к большему), попадаем в точку n, потенциал которой равен:
Потенциал следующей точки а будет меньше φп на величину э.д.с. E2 :
φа = φn— Е2= 2,8 – 25 = – 22,2 В.
Так как между точками п и а никакого сопротивления нет, то их абсциссы будут одинаковы.
Потенциалы остальных точек определятся аналогично:
φm = φa – I1R1 = – 22,2 – 1,05·7 = – 29,55 В;
φB = φm + E1 = – 29,55 +32 = 2,45 В;
φc = φB + I3R3 = – 2,45 + ( – 0,864) ·8 = – 4,462 В;
φd = φc + I4R4 = 4,462 + 0,746·6 ≈ 0
Значения потенциалов узлов с достаточной точностью совпадают с найденными по методу узловых потенциалов.
Рис.2.6 – Потенциальная диаграмма
1.6. Баланс мощностей
∑EI = ∑I2R (5)
Мощность, генерируемая источниками:
∑EI = E1I1+E2I2 = 32·1,05+25·0,56= 33,6+14= 47,6 Вт.
При расчете мощности источников необходимо учитывать, что если направления э.
д.с. и тока совпадают, то источник генерирует мощность (записываем ее со знаком «плюс»), если направления э.д.с. и тока противоположны, то источник работает в режиме потребления мощности (записываем мощность со знаком «минус»).
Мощность, потребляемая элементами схемы:
∑I2R =1,052·7+0,562·5+0,8642·8+0,7462·6+0,1862·13 +1,612·11 = 7,72+1,57+5,96+3,35+0,45+28,5=46,55 Вт.
Расхождение в результатах вычислений не превосходит 2,2%.
Метод и анализ токаMesh | Анализ сети постоянного тока
Метод сетевого тока , также известный как метод контурного тока , очень похож на метод ветвящегося тока в том, что он использует одновременные уравнения, закон напряжения Кирхгофа (KVL) и закон Ома для определения неизвестные токи в сети. Он отличается от метода ветвления токов тем, что , а не , используют закон тока Кирхгофа (KCL) и, как правило, позволяют решить схему с меньшим количеством неизвестных переменных и меньшим количеством одновременных уравнений, что особенно удобно, если вы вынуждены решить без калькулятора.
Mesh Current—Традиционный метод
Давайте посмотрим, как этот метод работает на том же примере задачи:
Идентификация петель
Первым шагом в методе Mesh Current является идентификация «контуров» в цепи, охватывающей все компоненты. В нашем примере схемы петля, образованная B 1 , R 1 и R 2 , будет первой, а петля, образованная B 2 , R 2 и R 3 , будет первой. секунда. Самая странная часть метода Mesh Current — это представление циркулирующих токов в каждой из петель. На самом деле, этот метод получил свое название от идеи, что эти токи соединяются вместе между петлями, как наборы вращающихся шестерен:
Выбор направления каждого тока совершенно произволен, как и в методе ветвления тока, но результирующие уравнения легче решать, если токи идут в одном направлении через пересекающиеся компоненты (обратите внимание, как токи I 1 и I 2 оба идут «вверх» через резистор R 2 , где они «зацепляются» или пересекаются).
Если предполагаемое направление тока сетки неверно, ответ для этого тока будет иметь отрицательное значение.
Маркировка полярностей падения напряжения
Следующим шагом является маркировка всех полярностей падения напряжения на резисторах в соответствии с предполагаемыми направлениями токов сетки. Помните, что конец резистора «вверх по потоку» всегда будет отрицательным, а конец «вниз по потоку» резистора — положительным по отношению друг к другу, поскольку электроны заряжены отрицательно. Полярность батареи, конечно же, определяется ориентацией их символов на схеме и может «согласовываться» с полярностью резистора (предполагаемое направление тока):
Используя закон Кирхгофа о напряжении, мы теперь можем обойти каждый из этих циклов, сгенерировав уравнения, представляющие падение напряжения и полярность компонентов. Как и в случае с методом ответвленного тока, мы будем обозначать падение напряжения на резисторе как произведение сопротивления (в омах) и соответствующего тока сетки (на данный момент эта величина неизвестна).
Там, где два тока объединяются, мы запишем этот член в уравнении с током резистора, равным сумме двух объединенных токов.
Отслеживание левого контура схемы с помощью уравнений
Отслеживание левого контура схемы, начиная с левого верхнего угла и двигаясь против часовой стрелки (выбор начальных точек и направлений в конечном счете не имеет значения), считая полярность, как если бы у нас был вольтметр в руке, красный щуп впереди и черный щуп сзади, мы получили следующее уравнение:
Обратите внимание, что в среднем члене уравнения используется сумма токов сетки I 1 и I 2 как ток через резистор R 2 . Это связано с тем, что токи сетки I 1 и I 2 проходят в одном направлении через R 2 и, таким образом, дополняют друг друга. Распределив коэффициент 2 на члены I 1 и I 2 , а затем объединив члены I 1 в уравнение, мы можем упростить его следующим образом:
На данный момент у нас есть одно уравнение с двумя неизвестными.
. Чтобы иметь возможность решить для двух неизвестных токов сетки, мы должны иметь два уравнения. Если мы проследим другой контур цепи, мы можем получить другое уравнение КВЛ и иметь достаточно данных для решения двух токов. Существо привычки, которым я являюсь, я начну с верхнего левого угла правой петли и проведу против часовой стрелки:
Упрощая уравнение, как и раньше, мы получаем:
Решение для неизвестного
Теперь, имея два уравнения, мы можем использовать один из нескольких методов для математического решения неизвестных токов I 1 и I 2 :
Перерисовать цепь
Зная, что эти решения являются значениями для токов сетки , а не токов ветвей , мы должны вернуться к нашей диаграмме, чтобы увидеть, как они сочетаются друг с другом, чтобы дать токи через все компоненты. :
Решение -1 ампер для I 2 означает, что мы изначально предположили, что направление тока неверно.
В действительности, I 2 течет против часовой стрелки при значении (положительном) 1 ампер:
Это изменение направления тока по сравнению с тем, которое первоначально предполагалось, изменит полярность падения напряжения на резисторе R . 2 и R 3 в связи с текущим I 2 . Отсюда можно сказать, что ток через R 1 составляет 5 ампер, при этом падение напряжения на R 1 является произведением тока и сопротивления (E=IR), 20 вольт (положительное слева и отрицательное справа).
Также можно с уверенностью сказать, что ток через R 3 составляет 1 ампер, с падением напряжения 1 вольт (E=IR), положительный слева и отрицательный справа. Но что происходит на R 2 ?
Ток сетки I 1 идет «вниз» через R 2 , а ток сетки I 2 идет «вверх» через R 2 . Чтобы определить фактический ток через R 2 , мы должны увидеть, как взаимодействуют токи сетки I 1 и I 2 (в данном случае они противоположны), и алгебраически сложить их, чтобы получить окончательное значение.
Так как I 1 идет «вниз» при 5 амперах, а I 2 идет «вверх» при 1 ампер, реальный ток через R 2 должен иметь значение 4 ампера, идущий «вниз». :
Ток 4 ампера через R 2 Сопротивление 2 Ом дает нам падение напряжения 8 вольт (E=IR), положительное вверху и отрицательное внизу.
Преимущество Mesh Current Analysis
Основное преимущество Mesh Current Analysis заключается в том, что он обычно позволяет решать большие сети с меньшим количеством неизвестных значений и меньшим количеством одновременных уравнений. В нашей примерной задаче потребовалось три уравнения для решения метода Branch Current и только два уравнения с использованием метода Mesh Current. Это преимущество тем больше, чем сложнее сеть:
Чтобы решить эту сеть с помощью Branch Currents, нам нужно установить пять переменных для учета каждого уникального тока в цепи (от I 1 до I 5 ). Для решения потребуется пять уравнений в виде двух уравнений KCL и трех уравнений KVL (два уравнения для KCL в узлах и три уравнения для KVL в каждом контуре):
Если у вас нет ничего лучше, чем потратить свое время, кроме как решить пять неизвестных переменных с пятью уравнениями, вы можете не возражать против использования метода анализа тока ветви для этой цепи.
Для тех из нас, кто есть лучших дела в наше время, метод Mesh Current намного проще, требуя для решения только три неизвестных и три уравнения: одновременное решение уравнения вручную (без калькулятора).
Несимметричный мост Уитстона
Другой тип схемы, которая хорошо подходит для Mesh Current, — это несбалансированный мост Уитстона. Возьмем, к примеру, эту схему:
Поскольку отношения R 1 /R 4 и R 2 /R 5 не равны, мы знаем, что на резисторе R 3 будет напряжение, а некоторая величина через это. Как обсуждалось в начале этой главы, этот тип схемы не поддается обычному последовательно-параллельному анализу и может быть проанализирован только каким-либо другим методом.
Мы могли бы применить к этой цепи метод ветвления тока, но для этого потребуется шесть токов (от I 1 до I 6 ), что приводит к решению очень большого набора одновременных уравнений.
Однако, используя метод Mesh Current, мы можем решить для всех токов и напряжений с гораздо меньшим количеством переменных.
Draw Mesh
Первый шаг в методе Mesh Current заключается в построении достаточного количества токов сетки для учета всех компонентов в цепи. Глядя на нашу мостовую схему, должно быть очевидно, куда поместить два из этих токов:
Направление этих сетчатых токов, конечно, произвольно. Однако двух токов сетки в этой схеме недостаточно, потому что ни I 1 , ни I 2 не проходят через батарею. Таким образом, мы должны добавить третий ток сетки, I 3 :
Здесь я выбрал I 3 для петли с нижней стороны батареи, через R 4 , через R 1 , и обратно к верхней стороне батареи. Это не единственный путь, который я мог бы выбрать для I 3 , но вроде самый простой.
Обозначьте полярность падения напряжения на резисторе
Теперь мы должны обозначить полярность падения напряжения на резисторе, следуя каждому из предполагаемых направлений тока: соответствующие токи сетки не согласуются.
Это связано с тем, что эти токи сетки (I 2 и I 3 ) проходят через R 4 в разных направлениях. Это не исключает использования метода анализа Mesh Current, но немного усложняет его. Хотя позже мы покажем, как избежать R 4 текущий конфликт. (См. пример ниже)
Использование KVL
Создание уравнения KVL для верхнего контура моста, начиная с верхнего узла и трассируя по часовой стрелке:
В этом уравнении мы представляем общие направления токов их суммирует через общие резисторы. Например, резистор R 3 со значением 100 Ом имеет падение напряжения, представленное в приведенном выше уравнении КВЛ выражением 100(I 1 + I 2 ), так как оба тока I 1 и I 2 проходят через R 3 справа налево. То же самое можно сказать и о резисторе R 1 , где выражение падения напряжения показано как 150 (I 1 + I 3 ), так как оба резистора I 1 и I 3 проходят через него снизу вверх.
резистор, и, таким образом, работайте вместе с , чтобы создать его падение напряжения.
Сгенерировать уравнение КВЛ для нижнего контура моста будет не так просто, так как у нас есть два тока, идущих друг против друга через резистор R 4 . Вот как я это делаю (начиная с правого узла и двигаясь против часовой стрелки):
Обратите внимание, что второй член в исходной форме уравнения имеет значение резистора R 4 , равное 300 Ом, умноженное на разность между I 2 и I 3 (I 2 – I 3 ). Вот как мы представляем комбинированный эффект двух токов сетки, проходящих в противоположных направлениях через один и тот же компонент. Здесь очень важен выбор соответствующих математических знаков: 300(I 2 – I 3 ) не означает то же самое, что 300 (I 3 – I 2 ). Я решил написать 300 (I 2 – I 3 ), потому что в первую очередь я думал об эффекте I 2 (создание положительного падения напряжения, измерение с помощью воображаемого вольтметра на R 4 , красный свинец на снизу и черный стержень сверху), и, во вторую очередь, от эффекта I 3 (создание отрицательного падения напряжения, красный стержень снизу и черный стержень сверху).
Если бы я думал с точки зрения I 9Сначала эффект 0019 3 , а затем эффект I 2 , удерживая мои воображаемые выводы вольтметра в тех же положениях (красный внизу и черный вверху), выражение было бы -300 (I 3 – I 2 ). Обратите внимание, что это выражение математически эквивалентно первому: +300(I 2 – I 3 ).
Хорошо, это касается двух уравнений, но мне все еще нужно третье уравнение, чтобы завершить мой набор одновременных уравнений из трех переменных, трех уравнений. Это третье уравнение должно также включать напряжение батареи, которое до этого момента не фигурирует ни в двух предыдущих уравнениях KVL. Чтобы сгенерировать это уравнение, я снова начерчу петлю с моим воображаемым вольтметром, начиная с нижней (отрицательной) клеммы батареи, двигаясь по часовой стрелке (опять же, направление, в котором я делаю шаг, является произвольным и не обязательно должно совпадать с направлением). тока сетки в этом контуре):
Решение для токов
Решение для I 1 , I 2 и I 3 с использованием любого метода уравнений, который мы предпочитаем: I 1 , I 2 и I 3 из приведенной выше упрощенной формы уравнений.
Решение: В Octave, клоне Matlab® с открытым исходным кодом, введите коэффициенты в матрицу A между квадратными скобками с элементами столбца, разделенными запятыми, и строками, разделенными точкой с запятой. Введите напряжения в вектор-столбец: b. Неизвестные токи: I 1 , 2 и I 3 вычисляются командой: x=A\b. Они содержатся в векторе-столбце x.
октава: 1>A = [300,100,150;100,650,-300;-150,300,-450]
А =
300 100 150
100 650 -300
-150 300 -450
октава:2> b = [0;0;-24]
б =
0
0
-24
октава: 3> х = A\b
х =
-0,093793
0,077241
0,136092
Отрицательное значение, полученное для I 1 , говорит нам о том, что предполагаемое направление тока сетки было неверным. Таким образом, фактические значения тока через каждый резистор следующие:
Расчет падения напряжения на каждом резисторе:
Моделирование SPICE подтверждает точность наших расчетов напряжения:
несбалансированный мост из Уитстона v1 1 0 р1 1 2 150 р2 1 3 50 р3 2 3 100 р4 2 0 300 р5 3 0 250 .dc v1 24 24 1 .print dc v(1,2) v(1,3) v(3,2) v(2,0) v(3,0) .конец v1 v(1,2) v(1,3) v(3,2) v(2) v(3) 2,400E+01 6,345E+00 4,690E+00 1,655E+00 1,766E+01 1,931E+01
Пример:
(a) Найдите новый путь для тока I 3 , который не создает конфликтной полярности на любом резисторе по сравнению с I 1 или I 2 . R 4 был компонентом-нарушителем. (b) Найдите значения для I 1 , I 2 и I 3 . (c) Найдите токи пяти резисторов и сравните их с предыдущими значениями.
Решение:
(a) Маршрут I 9От 0019 3 до R 5 , R 3, и R 1 , как показано:
Обратите внимание, что конфликт полярности на R 4 удален. Более того, ни один из других резисторов не имеет конфликтующей полярности.
(b) Octave, клон Matlab с открытым исходным кодом (бесплатный), дает вектор тока сетки в точке «x»:
октава: 1> Ля = [300,100,250;100,650,350;-250,-350,-500]
А =
300 100 250
100 650 350
-250 -350 -500
октава:2> b = [0;0;-24]
б =
0
0
-24
октава: 3> х = A\b
х =
-0,093793
-0,058851
0,136092
Не все токи I 1 , I 2 и I 3 такие же (I 2 ), что и у предыдущего моста, из-за разных путей контура Однако токи резисторов сравниваются с предыдущими значениями:
IR1 = I1 + I3 = -93,793 млн лет + 136,092 млн лет = 42,299 млн лет назад
IR2 = I1 = -93,793 мА
IR3 = I1 + I2 + I3 = -93,793 млн лет -58,851 млн лет + 136,092 млн лет = -16,552 млн лет
IR4 = I2 = -58,851 мА
IR5 = I2 + I3 = -58,851 мА + 136,092 млн лет = 77,241 млн лет
Поскольку токи резисторов такие же, как и предыдущие значения, напряжения резисторов будут идентичными, и их не нужно будет вычислять заново.
ОБЗОР:
- Шаги для метода анализа Mesh Current:
- (1) Изобразите токи сетки в петлях цепи, достаточные для учета всех компонентов.
- (2) Отметьте полярность падения напряжения на резисторе на основе предполагаемых направлений токов сетки.
- (3) Напишите уравнения KVL для каждого контура цепи, заменяя E произведением IR в каждом члене уравнения резистора. Там, где два тока сетки пересекаются через компонент, ток выражается как алгебраическая сумма этих двух токов сетки (т. е. I 1 + I 2 ), если токи проходят через этот компонент в одном направлении. Если нет, выразите ток как разницу (т. е. I 1 – I 2 ).
- (4) Решение для неизвестных токов сетки (одновременные уравнения).
- (5) Если какое-либо решение отрицательное, то предполагаемое направление тока неверно!
- (6) Алгебраически сложите токи сетки, чтобы найти текущие компоненты, совместно использующие несколько токов сетки.

- (7) Определите падение напряжения на всех резисторах (E=IR).
Ток сетки при проверке
Мы еще раз взглянем на «метод тока сетки», когда все токи текут по часовой стрелке (по часовой стрелке). Мотивация состоит в том, чтобы упростить написание уравнений сетки, игнорируя полярность падения напряжения на резисторе. Однако мы должны обратить внимание на полярность источников напряжения относительно предполагаемого направления тока. Знак падения напряжения на резисторе будет следовать фиксированной схеме.
Если мы напишем набор обычных уравнений тока сетки для приведенной ниже цепи, где мы обращаем внимание на знаки падения напряжения на резисторах, мы можем преобразовать коэффициенты в фиксированную форму:
После перестановки мы можем написать уравнения путем проверки. Знаки коэффициентов следуют фиксированному шаблону в паре выше или наборе из трех в правилах ниже.
Правила тока сетки:
- Этот метод предполагает использование обычных источников напряжения тока.
Замените любой источник тока, подключенный параллельно резистору, эквивалентным источником напряжения, включенным последовательно с эквивалентным сопротивлением. - Игнорируя направление тока или полярность напряжения на резисторах, нарисуйте токовые петли против часовой стрелки, пересекающие все компоненты. Избегайте вложенных циклов.
- Напишите уравнения закона напряжения через неизвестные токи: I 1 , I 2 и I 3 . Коэффициент 1 уравнения 1, коэффициент 2 уравнения 2 и коэффициент 3 уравнения 3 являются положительными суммами сопротивлений вокруг соответствующих контуров.
- Все остальные коэффициенты отрицательны и представляют сопротивление, общее для пары контуров. Коэффициент 2 в уравнении 1 — это общий резистор для контуров 1 и 2, коэффициент 3 — общий резистор для контуров 1 и 3. Повторите для других уравнений и коэффициентов.
- +(сумма петли 1 R)I1 – (общая петля R 1-2)I2 – (общая петля R 1-3)I3 = E1
-(общая петля R 1-2)I1 + (сумма петли 2 R )I2 – (общая R петля 2-3)I3 = E2
-(общая R петля 1-3)I1 – (общая R петля 2-3)I2 + (сумма R петли 3)I3 = E3 - Правая часть уравнений равна источнику напряжения потока электронов.
Повышение напряжения по отношению к предполагаемому току против часовой стрелки является положительным и равно 0 при отсутствии источника напряжения. - Решение уравнений для токов сетки: I 1 , I 2 и I3. Решите для токов через отдельные резисторы с KCL. Решите для напряжений с Законом Ома и KVL.
Несмотря на то, что приведенные выше правила относятся к схеме с тремя ячейками, правила могут быть распространены на ячейки меньшего или большего размера. На рисунке ниже показано применение правил. Все три тока текут в одном направлении по часовой стрелке. Для каждой из трех петель записывается одно уравнение КВЛ. Обратите внимание, что на резисторах не указана полярность. Нам это не нужно для определения знаков коэффициентов. Хотя нам нужно обратить внимание на полярность источника напряжения по отношению к направлению тока. я 3 по часовой стрелке ток вытекает из положительной клеммы (+) источника l24V, а затем возвращается к клемме (-).
Это повышение напряжения для обычного протекания тока. Следовательно, правая часть третьего уравнения равна -24 В.
В Octave введите коэффициенты в матрицу A с элементами столбцов, разделенными запятыми, и строками, разделенными точкой с запятой. Введите напряжения в вектор-столбец b. Решите для неизвестных токов: I 1 , I 2 и I 3 командой: x=A\b. Эти токи содержатся в векторе-столбце x. Положительные значения указывают на то, что все три тока сетки текут в предполагаемом направлении по часовой стрелке.
октава: 2> Ля=[300,-100,-150;-100,650,-300;-150,-300,450]
А =
300 -100 -150
-100 650 -300
-150 -300 450
октава:3> b=[0;0;24]
б =
0
0
24
октава: 4> х=А\б
х =
0,093793
0,077241
0,136092
Токи сетки соответствуют предыдущему решению с использованием другого метода измерения тока сетки.
Расчет напряжений и токов резисторов будет идентичен предыдущему решению. Здесь не нужно повторяться.
Обратите внимание, что тексты по электротехнике основаны на обычном течении тока. Метод loop-current, mesh-current в этих текстах будет запускать предполагаемые токи сетки по часовой стрелке . Условный ток течет через клемму (+) батареи по цепи, возвращаясь к клемме (-). Обычный рост тока-напряжения соответствует отслеживанию предполагаемого тока от (-) до (+) через любые источники напряжения.
Далее следует еще один пример предыдущей схемы. Сопротивление вокруг контура 1 составляет 6 Ом, вокруг контура 2: 3 Ом. Общее сопротивление обоих контуров равно 2 Ом. Обратите внимание на коэффициенты I 1 и I 2 в паре уравнений. Отслеживание предполагаемого тока контура 1 по часовой стрелке через B 1 от (+) до (-) соответствует увеличению напряжения потока электронов.
Таким образом, знак 28 В положительный. Петля 2 против часовой стрелки предполагает токовые дорожки от (-) до (+) через B 2 , падение напряжения.
Таким образом, знак B 2 отрицательный, -7 во втором уравнении сетки. Опять же, на резисторах нет маркировки полярности. Они также не фигурируют в уравнениях.
Токи I 1 = 5 А и I 2 = 1 А являются положительными. Оба они текут в направлении петель по часовой стрелке. Это сопоставимо с предыдущими результатами.
Резюме:
- Модифицированный метод тока сетки позволяет избежать необходимости определять знаки коэффициентов уравнения, рисуя все токи сетки по часовой стрелке для обычного потока тока.
- Однако нам необходимо определить знак любых источников напряжения в контуре. Источник напряжения положителен, если предполагаемый ток против часовой стрелки течет с батареей (источником). Знак отрицательный, если предполагаемый ток против часовой стрелки течет против батареи.
- Подробнее см. в правилах выше.
СВЯЗАННЫЕ РАБОЧИЕ ТАБЛИЦЫ И КАЛЬКУЛЯТОРЫ:
- Рабочий лист анализа постоянного тока сетки
- Калькулятор моста Уитстона
Help Online – Tutorials – Contour Plots and Color Mapping
Все книгиКниги, не связанные с программированием Руководство пользователя Учебники Быстрая помощь Справка OriginКниги по программированию X-Function Origin C LabTalk Programming Python Python (внешний) Server автоматизации LabVIEW VI Разработка приложений Code Builder Лицензия Orglab MOCA | |||||||||||
Содержание
Резюме Origin предлагает прямоугольные, полярные и троичные контурные графики. Доступно множество опций для настройки контурных диаграмм, таких как установка различных основных и второстепенных уровней изолиний, отображение контурных линий только на основных уровнях, применение цветовых палитр, а также контроль пользовательской границы в случае контурных диаграмм, созданных непосредственно из рабочий лист. Чему вы научитесьИз этого туториала вы узнаете, как:
Создание контурного графика из матрицы
Настройка уровней, линий и цветовой картыOrigin позволяет легко настроить каждый аспект контурного графика, включая цветовую шкалу и добавление меток:
Создание контурного графика из данных XYZ Origin может создавать контурные графики непосредственно из данных XYZ на рабочем листе без необходимости использования промежуточной матрицы.
Показать сетку триангуляции
Применить пользовательскую границу Пользовательская граница может быть применена к контурным графикам, созданным непосредственно из данных XYZ, где пользователь предоставляет точки данных для границы в дополнительных столбцах того же рабочего листа.
График должен выглядеть следующим образом:
| |||||||||||
Английский | немецкий |日本語
Надежная и оптимизированная структура с помощью регрессии гауссовского процесса
%PDF-1.4
%
1 0 объект
>
>>
эндообъект
8 0 объект
>
эндообъект
2 0 объект
>
ручей
2022-04-15T01:19:52Adobe InDesign 15.0 (Windows)2022-04-15T02:55:45Z2022-04-15T02:55:45ZAdobe PDF Library 15.
0Контурный метод;Регрессия гауссовского процесса;Количественная оценка неопределенности;Сварка трением с перемешиванием;Алюминиевый сплавFalseapplication /pdfhttps://doi.org/10.1007/s11340-022-00842-w
com
org/crossmark/1.0/crossmarkCrossmark Схема
Вместо использования #other обратитесь к группе PRISM по адресу [email protected], чтобы запросить добавление вашего термина в словарь, контролируемый платформой.urlURI
Если используется, prism:eIssn ДОЛЖЕН содержать ISSN электронной версии.issnText
агрегатионтипетекст
adobe.com/xap/1.0/mm/xmpMMXMP Схема управления мультимедиа
com/ns/xmpExtensions/2.0/sn
indd:CR1:71)
/Ф 4
/Ч /Н
/Rect [350,146 104,371 355,196 89,2808]
/Подтип /Ссылка
/Тип /Аннот
>>
эндообъект
12 0 объект
>
/БС >
/Граница [0 0 0]
/Ф 4
/Ч /Н
/Rect [513,673 726,606 546,241 694,021]
/Подтип /Ссылка
/Тип /Аннот
>>
эндообъект
13 0 объект
>
ручей
HWnF3@5 )8],MRDNOзk;Cbr\s54]+v?,;Y~|}=h”Olr7ȤTƦJ;K2Rd1?*բE”5o9g\X~9;:S8Ǐ{O4nwuza
?:’8|HT’|rzsaКонтурирование геологических данных с помощью компьютера
Основным инструментом для анализа и отображения пространственных геологических данных является контурная карта. Контурная карта отображает изменение геологической переменной, такой как толщина, глубина или пористость, в интересующей области с контурными линиями одинакового значения. Часто одна или несколько контурных карт составляют основу детального анализа потенциальных или реальных резервуаров и используются для оценки объемов флюидов, содержащихся в поровых пространствах интересующего геологического объекта. Эти исследования требуют, чтобы карты были графически представлены, а значения, лежащие в основе графического представления поверхности, были надежными и воспроизводимыми.
Ошибки, присущие процедурам математической оценки, необходимо понимать, чтобы можно было оценить достоверность значений (объемов, процентов и т. д.), полученных из этих карт.
Формы геологических поверхностей сложны и не могут быть легко аппроксимированы простыми математическими функциями, потому что они являются результатом множества взаимодействующих процессов, которые варьируются в разных пространственных масштабах. В идеале пространственные данные следует исследовать с помощью пространственной выборки правильной геометрической формы. Эти схемы могут охватывать диапазон вариаций большинства пространственных явлений. Однако такие конструкции практически невозможны для большинства геологических работ, хотя в некоторых случаях недавние разработки в области спутниковых изображений позволяют использовать их с экономической точки зрения. В большинстве случаев подповерхностные геологические особенности отбираются редко по сравнению с их сложностью, и выборки сильно смещены в сторону геофизических и/или геологических аномалий.
Следовательно, значения переменной в интересующей области должны быть оценены путем интерполяции из разреженного, нерегулярного набора контрольных точек.
В геологической практике обычно встречаются несколько шаблонов контрольных точек. К ним относятся случайные паттерны или кластеры (рис. 1). Геофизические данные, необходимые для геологического изучения, собраны в строки. Линии — это частный случай сгруппированных точек. Каждый паттерн имеет свои собственные пространственные характеристики и должен быть понят, прежде чем можно будет построить осмысленное контурное представление. Большинство геологических данных обычно проявляют свойства обеих моделей концевых членов. Сетчатые узоры в геологической практике встречаются редко. Большинство коммерческих пакетов оконтуривания вычисляют статистику, которая при визуальном просмотре рисунка на базовой карте может значительно помочь в выборе подходящего метода контуринга.
Содержимое
- 1 Контурирование с помощью компьютера и контурирование вручную
- 2 Триангуляция
- 3 Прямоугольная сетка
- 4 Статистические методы
- 5 Несколько слов о разрывах
- 6 Обучение компьютерному контурированию
- 7 См.
также - 8 Каталожные номера
- 9 Внешние ссылки
Компьютерное контурирование по сравнению с ручным контурированием
Контурные карты, представляющие трехмерные геологические поверхности, готовятся с помощью проверенных временем процедур, включающих методы оценки. До появления быстрых компьютеров и вычислительных алгоритмов карты, показывающие геологические вариации, готовились вручную. Нарисованные вручную карты представляют собой наилучшее приближение геолога к форме исследуемой поверхности. Идеи, основанные на региональной геологической структуре и предвзятости геолога, возникающей из предшествующего опыта, являются неотъемлемой частью составленной вручную карты. Карты, нарисованные вручную, не могут быть точно воспроизведены, а значения, подразумеваемые контурами, не могут быть восстановлены.
Напротив, высокоскоростные вычислительные средства породили методы, с помощью которых можно создать «объективную» поверхность путем применения процедур математической интерполяции к набору контрольных точек.
Эти методы свободны от какой-либо геологической предвзятости или интерпретации, введенных во время подготовки карты, потому что они дают представление о поверхности, которая построена с помощью «беспристрастной» и явно негеологической математической формулировки на основе данных, измеренных в выбранных контрольных точках. Компьютерные контурные карты можно легко воспроизвести, предоставив программе те же данные и параметры, которые использовались для создания исходной карты. Значения, лежащие в основе контурного представления, могут быть получены с помощью той же процедуры интерполяции, которая использовалась для его создания.
Процедуры, обычно используемые при составлении контуров вручную, требуют, чтобы геолог выбрал интервал контура, который лучше всего отображает идеи, которые должны быть переданы картой. Методы компьютерного контурирования, напротив, требуют, чтобы геолог выбрал параметры, которые в конечном итоге определят математическую основу, на основе которой вычисляется и рисуется готовая карта.
Многие наборы параметров могут использоваться для создания контурного представления поверхности, выбранной с помощью разреженного набора контрольных точек. Карты будут похожи по внешнему виду, но будут отличаться в определенных областях, поскольку каждый набор параметров вызывает вызов различных математических процедур. Каждая процедура создает другую карту. (Например, сравните рисунки 1 и 2 Филиппа и Ватсона 9.1136 [2] и рисунок 11.07 Clarke [3] с рисунками 3, 4, 5 и 7 этой статьи). Подходящие параметры для конкретного картографического проекта выбираются путем тщательного изучения как плотности, так и распределения контрольных точек, из которых будет составляться карта.
Значения данных между контрольными точками получаются с помощью некоторой формы интерполяции как для ручного, так и для компьютерного контурирования. Для карт, составленных вручную, интерполяция, необходимая для оценки положения и формы отдельных контуров, выполняется на глаз или с помощью простых методов усреднения.
Треугольная сетка или прямоугольная сетка обеспечивают основу для интерполяции данных из контрольных точек. Эти структуры полагаются на сложную математическую функцию интерполяции (бикубические сплайны, полиномы высокого порядка) для оценки положения контуров между точками данных. Эта функция представляет собой многочлен, который является «гибким» и может представлять широкий спектр форм кривых. Однако прямого геологического значения эти функции не имеют. Они имеют непрерывную производную всюду внутри треугольника или прямоугольника и, следовательно, хотя бы один раз дифференцируемы. Это гарантирует, что информация об уклоне, подразумеваемая набором контрольных точек, будет более точно воспроизводиться вычислительной процедурой.
Важно понимать, что все методы построения контуров, математические или иные, являются методами интерполяции и, следовательно, включают в себя погрешность результирующей поверхности. Эта ошибка связана как с плотностью, так и с расположением измеренных контрольных точек, используемых для построения поверхности.
Триангуляция
Триангуляция соединяет контрольные точки в сетку локально равноугольных (Делоне) треугольников (рис. 2). Положения контура в пределах границ каждого треугольника оцениваются путем интерполяции значений контрольных точек, являющихся вершинами треугольников. Каждый элемент треугольной сетки обрабатывается отдельно, а поверхность создается путем сборки треугольников. Интерполяция и оконтуривание на триангулированной сетке требуют от геолога нескольких решений. Данные контрольной точки представляются методу вместе с контурным интервалом, и создается контурное представление требуемой поверхности. Рисунок 3 представляет собой контурное представление данных контрольных точек, представленных Davis 9.1136 [1] , полученный путем интерполяции на треугольной сетке (рис. 2).
Контуры, созданные на треугольной сетке, всегда будут строго учитывать все точки данных, используемые для интерполяции. Триангулированные сетки легко обновляются, поэтому добавление новых контрольных точек и обновление карт упрощается.
Однако контуры, подготовленные на этой сетке, часто выглядят «грубыми» и менее привлекательными на вид. Некоторые более сложные пакеты картографирования предоставляют процедуры сглаживания для придания картам более приемлемого вида. На рис. 4 показан участок поверхности, оконтуренный по схеме триангуляции. Обратите внимание на неправильную форму контуров. Исходная поверхность, выбранная для создания этой карты, является полиномом четвертого порядка. Форма этой поверхности характеризуется плавными контурами. Неровности, видимые на рисунке 4, являются артефактами процедуры интерполяции, используемой для оценки контуров внутри отдельных треугольников. Однако относительное положение контуров является хорошим приближением к исходной поверхности.
Триангуляция не является предпочтительным методом, когда желательны поверхности, полученные из нескольких горизонтов для одной и той же интересующей области. Операции между поверхностями (например, вычитание более низкого из более высокого) требуют наличия данных в каждой контрольной точке для обоих горизонтов.
Часто это не относится к скважинным данным и требует предоставления оценочной точки там, где данные отсутствуют. [4]
Прямоугольная сетка
Рис. 6 Сетка A13 × 13, показывающая взаимосвязь между узлами сетки и контрольными точками для Davis [1] набор данных.
Прямоугольная сетка, в отличие от триангуляции, сначала использует данные в измеренных контрольных точках для интерполяции значений в набор узлов сетки с заданным интервалом. Эти значения затем используются для оценки положения контуров, пересекающих каждый прямоугольник сетки. Вся поверхность собирается из смежных прямоугольников сетки. Для большинства геологических приложений используются квадраты сетки, а не более общий прямоугольник. Интерполяция и оконтуривание неравномерно расположенных контрольных точек, установленных на прямоугольной сетке, требует от геолога принятия многих решений.
Чтобы получить контурное представление поверхности методом прямоугольной сетки, геолог должен выбрать шаг сетки, критерий поиска и метод интерполяции данных контрольных точек в узлы сетки, а также подходящий интервал контура.
Большинство коммерческих картографических пакетов включают в себя различные варианты интервалов, критериев поиска и методов. Эти решения требуют понимания взаимосвязи между плотностью/распределением контрольных точек и текстурой поверхности.
Контуры, полученные в результате интерполяции данных контрольных точек на равноотстоящие друг от друга узлы сетки, не строго учитывают контрольные точки, из которых они были созданы, поскольку процедуры контурной обработки учитывают оценочные значения в узлах сетки, а не значения для исходных контрольных точек. Это можно в некоторой степени контролировать, устанавливая меньший шаг сетки. Однако меньшие интервалы сетки приводят к большей ошибке интерполяции в областях с разреженными данными, так что карта будет искажена множеством мелких объектов, которые являются артефактами самой процедуры построения сетки и не имеют геологического значения. Установка подходящего размера сетки требует тщательного рассмотрения распределения и расстояния между контрольными точками.
Многие коммерческие картографические пакеты предоставляют меры среднего расстояния до контрольных точек, которые могут помочь при выборе размера сетки и критерия поиска.
Поскольку геологические данные редко представлены на единой сетке и чаще всего неравномерно распределены по области карты, большое значение имеет количество контрольных точек, используемых для оценки значений в узлах сетки. Было разработано несколько процедур поиска, которые включены в большинство картографических пакетов. К ним относятся поиск ближайшего соседа, круговой, квадрантный и октантный поиск.
Поиск ближайшего соседа использует ближайших соседей узла сетки для оценки узловых значений. Количество используемых соседей может быть выбрано произвольно или может быть взято в качестве ближайших соседей, определяемых триангуляцией Делоне набора контрольных точек. Количество ближайших соседей, определяемое по неравномерно расположенным контрольным точкам, может варьироваться, так что каждый узел сетки может быть оценен по различному количеству контрольных точек в зависимости от их распределения по области карты.
Рисунок 5 представляет собой контурное представление тех же данных, что и на рисунке 3, с использованием поиска ближайшего соседа и сетки 13 × 13 (рисунок 6).
Процедуры поиска соседей по кругу, квадранту и октанту пытаются сбалансировать количество и распределение контрольных точек, используемых для оценки каждого узла сетки. Большинство картографических пакетов включают процедуры для оценки плотности и расстояния между контрольными точками, и эту статистику следует тщательно изучить, прежде чем принимать решение о критериях поиска для конкретного проекта.
Для создания сетки карты также необходимо выбрать процедуру интерполяции для оценки значений в узлах сетки. Для этого было разработано множество методов, включая методы взвешивания, методы прогнозирования тренда и статистические методы. Наиболее распространенные методы создания сетки хорошо описаны Дэвисом 9.1136 [1] и Кларк. [3]
Методы взвешивания присваивают веса значениям в контрольных точках на основе их расстояния от оцениваемого узла сетки.
Существуют различные стратегии разработки схем взвешивания. Наиболее часто встречающаяся схема, используемая для геологических данных, — взвешивание по обратному расстоянию. Для этой схемы значения в контрольных точках взвешиваются обратным расстоянием от узла. Вариации этой схемы позволяют взвешивать значения контрольных точек с помощью обратной величины расстояния, возведенного в выбранную степень. Положительные степени заставляют влияние более удаленных точек вносить меньший вклад в значение, оцениваемое в узле сетки. Выбор степени, до которой должно быть увеличено расстояние, зависит от «шероховатости» поверхности и ощущения взаимосвязи между контрольными точками и формой поверхности. Некоторые из этих схем взвешивания рассматриваются Кларком 9.1136 [3] и Дэвис. [1]
Методы прогнозирования тренда представляют собой адаптацию метода линейной регрессии, называемого анализом поверхности тренда . Этот метод был разработан потому, что геологическое опробование недр редко обеспечивает наблюдения в самых высоких или самых низких точках на поверхности, и иногда желательно, чтобы процедура интерполяции превышала измеренный максимум и минимум.
В методах прогнозирования тренда используется один из ранее описанных критериев поиска для выбора точек, которые берутся группами по три и точно подгоняются к плоскости с использованием методов наименьших квадратов или бикубических сплайнов. Оценка узлов сетки получается путем усреднения проекций этих плоскостей. Этот метод может быть весьма эффективным для гладких поверхностей, где региональная ориентация наклона остается относительно постоянной на большой площади карты. Этот метод может создать поверхность с более высокой текстурой, чем реальная поверхность, в сильно деформированных областях, где направление наклона быстро меняется на небольших расстояниях. Сэмпсон [5] подробно рассматривает этот метод.
На Рисунке 7 показана та же часть поверхности, что и на Рисунке 4. Карта на Рисунке 7 была создана методом построения сетки с поиском ближайшего соседа. Контуры этой карты гладкие, а их форма очень близка к контурам исходной полиномиальной поверхности четвертого порядка, по которой были получены контрольные точки.
Однако изолинии не находятся в тех же географических положениях, что и на исходной поверхности, и некоторые контрольные точки строго не соблюдаются.
Статистические методы
Для построения регулярной сетки на основе данных контрольных точек можно использовать несколько статистических методов. Анализ поверхности тренда — это метод регрессии, который сопоставляет полином степенного ряда с данными контрольных точек. Этот метод использовался в геологической практике для выделения региональных трендов из разреженных наборов контрольных точек. Он не предназначен для учета контрольных точек, а вместо этого используется для отделения региональных вариаций от местных вариаций (например, для отделения структурных вариаций от стратиграфических вариаций). Он часто используется при разведке, но малопригоден для детального картирования резервуаров.
Кригинг — это статистический метод, разработанный Криге [6] и разработанный Матероном, [7] , для оценки запасов золота в рудных телах.
Он нашел широкое применение в качестве метода построения сетки в нефтяной промышленности. Метод основан на теории регионализованной переменной, впервые сформулированной Матероном [7] и популяризированной Кларком [8] , а также Джорнелем и Хуйбрегтсом. [9] Теория региональных переменных разбивает пространственную изменчивость на три компонента. Дрейф представляет собой крупномасштабную вариацию, которую можно объяснить региональными вариациями, мелкомасштабной случайной, но пространственно коррелированной частью, и еще более мелкомасштабным случайным шумом. Метод использует знание пространственной дисперсии дрейфа для получения набора весов для контрольных точек, которые являются несмещенными статистическими оценками. Если все статистические допущения соблюдены, можно получить контуры, которые представляют собой несмещенные оценки. Он также обеспечивает оценку дисперсии в каждом узле сетки. Таким образом, этот метод статистически превосходит рассмотренные ранее методы построения сетки.
Он также строго соблюдает контрольные точки.
Знание функции дрейфа необходимо для использования метода интерполяции данных контрольных точек на узлы сетки. Это знание воплощено в функции, называемой полувариограммой , которую можно оценить для нескольких ориентаций по геофизическим данным. [10] Если вариограмма не может быть получена экспериментально, предполагается, что она является линейной или экспоненциальной. Это допущение может значительно снизить достоверность оценки, тем самым сводя на нет эффективность метода. Несмотря на то, что это наиболее сложный из обсуждаемых здесь методов, он имеет широкое применение в анализе пласта (см. Корреляционный и регрессионный анализ, Многомерный анализ данных, Монте-Карло и методы стохастического моделирования), а также в моделировании резервуара для целей моделирования и в проведении исследования моделирования резервуара. : обзор.
Несколько слов о неоднородностях
Большинство процедур интерполяции, особенно те, которые включают некоторую форму сетки, предполагают, что оцениваемая поверхность является пространственно непрерывной.
Неоднородности, такие как разломы или стратиграфические выклинивания, не могут быть успешно смоделированы этими методами построения сетки. Большинство картографических пакетов позволяют геологу ввести трассу разлома, которая эффективно делит область на подобласти, которые нанесены на сетку и очерчены отдельно. Выклинивания и другие стратиграфические неоднородности обрабатываются ограждением, определяющим нулевой контур. На неправильной стороне нулевой линии контур не появится. [4] Процедуры триангуляции могут моделировать разломные или другие прерывистые террейны с несколько большим успехом без включения следов разломов или нулевых горизонталей.
Следует помнить, что для разломов требуется геометрия, связанная с типом разлома и свойствами деформированного материала. Математическая интерполяция не учитывает эти факторы при оконтуривании террейнов с разломами. Процедуры картирования разломов, учитывающие геометрические последствия типа разлома, еще не разработаны; таким образом, интерполяции должно быть достаточно, пока такие процедуры не станут доступными.
Обучение компьютерному контурированию
В предыдущих разделах были представлены многочисленные методы компьютерного контурирования. Помимо общих соображений распределения и плотности данных, которые были упомянуты, мало что можно сказать, чтобы рекомендовать «лучший» метод оконтуривания для всех задач. О каждом методе можно сказать намного больше, и обсуждение сильных и слабых сторон каждого из них может занять и действительно занимает много томов (см., например, периодическое издание Mathematical Geology (Plenum Press) для обсуждения относительных достоинств различных процедур кригинга). ). Наилучший подход к обучению применению описанных здесь (и других) методов к практическим задачам (таким как оценка пласта) состоит в том, чтобы применить их к известным данным и сравнить результаты.
Можно использовать несколько подходов. Каждый из них даст некоторое представление о работе различных методов и поможет выбрать, какие методы выгодны в тех или иных проектах.
Первый и самый простой подход — взять образец с топографической карты (желательно со значительным рельефом) и применить к нему различные методы оконтуривания. Сравните вычисленные результаты с оригиналом путем наложения выходных данных и вычитания сеток, оцененных двумя способами. Как соотносятся различные методы? Какие методы завышают поверхность? Которые недооценивают это?
Второй подход заключается в сравнении поверхностей, изготовленных доступными методами, с поверхностью, которая использовалась в качестве эталона для других работ. Хорошим вариантом является небольшой дренажный бассейн, используемый для приготовления рисунков 3 и 5 (его можно найти в [1] ). Другие можно получить из CEED II, который является оценкой картографических пакетов. [11]
Наконец, хотя компьютерное контурирование является обширной и развивающейся дисциплиной, оно остается чем-то вроде искусства, в котором опыт является лучшим ориентиром. Это не исчерпывающее освещение в этом кратком введении.
Лучше всего использовать эту статью в качестве руководства для дальнейшего изучения и экспериментирования с коммерческим картографическим пакетом. Пока не будут найдены более совершенные методы, интерполяция является единственным доступным способом оценки формы и дисперсии подповерхностных поверхностей.
См. также
- Использование и улучшение моделей поверхностей, созданных с помощью компьютера
- Рабочая станция по геологии разработки
- Приложения для анализа журналов
- Интерпретация двухмерной геофизической рабочей станции: общие проблемы и решения
Список литературы
- ↑ 1,0 1,1 1,2 1,3 1,4 11137 1.6 Дэвис, J. C. C. C. C. C., 19736 11137 1.6 Davis, J. C. C. C. C. C. C. C. C. C. C. K. C. C. C. C. C. C. C. C. C. C. C. C. C. C. C. C. C. C. C. C. C. C. C. C. C. C. C. C. C. C. C. C. K. п.
- ↑ Филип, Г.
М. и Д. Ф. Уотсон, 1982, Точный метод определения контурных поверхностей: Журнал Австралийского общества разведки нефтяных месторождений, т. 22, с. 205-212. - ↑ 3.0 3.1 3.2 Clarke, KC, 1990, Аналитическая компьютерная картография: Englewood Cliffs, NJ, Prentice-Hall, 290 p.
- ↑ 4.0 4.1 Джонс, Т.А., Гамильтон, Д.Е., Джонсон, Ч.Р., 1986, Контурирование геологических поверхностей с помощью компьютера: Нью-Йорк, Van Nostrand Reinhold Company, 314 стр.
- ↑ Сэмпсон, Р. Дж., 1978, Графическая система Surface II (редакция 1): Лоуренс, К. С., Геологическая служба Канзаса, Серия по пространственному анализу, н. 1, 240 с.
- ↑ Krige, D.G., 1951, Статистический подход к некоторым проблемам оценки шахт на Витватерсранде: Журнал Общества химической металлургии и минералогии Южной Африки, т. 52, н. 6, с. 119–139.
- ↑ 7.0 7.1 Матерон, Г., 1971, Теория регионализованных переменных и ее применение: Париж, Les Cahiders du Centre de Morphologie Mathematique, École Nationale Superieur des Mines, Booklet 5, 211 p.

- ↑ Кларк И., 1979, Практическая геостатистика: Нью-Йорк, Издательство Elsevier Applied Science, 129 стр.
- ↑ Journel, AG, Huijbregts, CJ, 1978, Горная геостатистика: Нью-Йорк, Academic Press, 600 стр.
- ↑ Олеа, Р. А., 1975, Оптимальные методы картографирования с использованием теории региональных переменных: Лоуренс, К. С., Геологическая служба Канзаса, Серия по пространственному анализу, n. 2, 137 стр.
- ↑ Geobyte, 1986, CEED II — сравнение систем картирования, оценка: Geobyte, v. 1, n. 5, с. 25–40.
Внешние ссылки
| найти литературу по Контурирование геологических данных с помощью компьютера |
- Исходный контент на страницах данных
- Найдите книгу в магазине AAPG.
Ежемесячный обзор погоды, том 127, выпуск 7 (1999)
2. Алгоритм
В своей простейшей форме SWE может быть записан через скорость u ≡ ( u, υ ) и высота поверхности h.
В планарной декартовой геометрии это дает
, где f — параметр Кориолиса (считающийся здесь постоянным), g — ускорение свободного падения (или пониженная гравитация в океаническом контексте), а производная материала равна определены обычным образом,
Диссипативные члены не записываются, хотя они требуются во многих численных методах, как обсуждается ниже.
Вместо двух компонент скорости u и υ, в качестве прогностических переменных принято использовать завихренность ζ и дивергенцию δ, , определяемую формулой
. Полезно также разделить высоту h на постоянное среднее значение
hи отклонение х от него, т.е. ч ′ ≡ х /
h в качестве третьей прогностической переменной.
В терминах ζ, δ, и h ′ SWE принимают вид
, где c 2 ≡ g
h. Мы явно выделили в левой части (7) и (8) слагаемые, порождающие линейные вращающиеся гравитационные волны, поскольку эти слагаемые нуждаются в особой трактовке. Стоит напомнить, что эти уравнения обладают одним материальным инвариантом, имеющим фундаментальное динамическое значение, а именно потенциальной завихренностью q, определяется через
Теперь опишем три численных метода, которые мы использовали для решения ССВ (6)–(8) в двоякопериодической области: PS, SL и CASL. Чтобы сравнение было максимально информативным, мы использовали одинаковую схему решения уравнений дивергенции (7) и неразрывности (8) во всех трех методах. Наиболее простой и эффективной схемой для этого является полунеявный псевдоспектральный метод. Эта схема состоит из использования спектральных представлений для δ и ч ′, быстрое преобразование Фурье (БПФ), оценка нелинейных произведений в физическом пространстве, полунеявное скачкообразное изменение времени и временной фильтр Роберта-Асселина.
Полунеявное скачкообразное изменение времени выполняется стандартным образом (Ritchie 1988). В (7) и (8) частные производные по времени спектров h ′ и δ аппроксимируются центральными разностями, остальные слагаемые в левой части аппроксимируются средними по предыдущему и следующему временным уровням ( t − Δ t и t + Δ t ), а члены в правых частях оцениваются в момент времени t. Такие дискретизированные по времени неявные уравнения легко решаются для каждой спектральной компоненты h ′ и δ в момент времени t + Δ t. Практическое достоинство этой схемы состоит в том, что она численно устойчива для больших временных шагов, тогда как явная схема была бы ограничена скоростью самой быстрой гравитационной волны и размером сетки. Недостатком является то, что мелкомасштабные движения гравитационных волн численно неточны. При моделировании атмосферы и океана принято принимать неточное численное решение этих волн ради возможности использовать более крупные временные шаги.
Эта полунеявная схема чехарды не будет стабильной, если она не связана с временным фильтром Роберта-Асселина (Роберт, 1966; Асселин, 1972). Этот фильтр заменяет поле, скажем, ϕ, в момент времени t комбинацией полей t – Δ t, t, и t + Δ t сразу после того, как последнее было вычислено. ; то есть
Эта операция фактически подавляет высокочастотные моды, так как член, умножающий коэффициент фильтра A является конечно-разностным приближением к (Δ t ) 2 ∂ 2 ϕ /∂ t 2 . Для малых А, этот фильтр в основном гасит мелкомасштабные высокочастотные гравитационные волны (значительная составляющая которых может быть искусственной). Для таких волн ∂/∂ t ∼ c ∇ , показывая, что они подвержены эффективной вязкости Ac 2 Δ t.
Коэффициент фильтра A, — безразмерное число, обычно находится в диапазоне (0,05, 0,3). Для расчетов, представленных в следующем разделе, A = 0,05; мы обнаружили, что значения менее 0,03 приводят к численной нестабильности.
Учитывая, что уравнения дивергенции и неразрывности решаются одинаково для всех трех методов, должно быть ясно, что ключевое различие между методами PS, SL и CASL заключается в решении уравнения завихренности. Сейчас мы подробно опишем каждый из них. Мы начнем с краткого обзора методов PS и SL, чтобы предоставить контекст для нового метода CASL.
а. Псевдоспектральный метод
В методе PS (6) заменяется на
Новый член в правой части (11), обычно называемый «гипердиффузией», необходим для численной устойчивости. В этой статье мы использовали n = 3. Значение ν обычно выбирается таким образом, чтобы наиболее мелкие признаки (т.
е. сравнимые с масштабом сетки) эффективно рассеивались. Здесь мы использовали выражение
ν C h Q k 2 n max (12)
where C is a dimensionless constant, k max = n g /2 — волновое число с наибольшим разрешением ( n g — размер сетки), а Q определяется как
, где максимум берется по всем точкам в расчетной области. Идея (12) заключается в том, что
ч Q — соответствующая шкала времени для эволюции ζ. Несмотря на определение (13), фактический выбор ν остается несколько случайным в том смысле, что константа C может существенно варьироваться. При попытке вычислить решения, максимально свободные от диссипации, выбирают значение C как можно меньшее, чтобы не создавать слишком много мелкомасштабного шума.
Для результатов, представленных в следующем разделе, мы использовали С = 1.
б. Полулагранжев метод
В то время как в методе ПС решается лишь слегка модифицированный вариант (6), СР и КАСЛ строятся на принципе, что сохранение потенциальной завихренности является фундаментальным свойством ССВ. Поэтому как в методах SL, так и в CASL третья прогностическая переменная ζ заменяется потенциальной завихренностью q, , а (6) заменяется на
. На практике (14) решается интегрированием траектории; то есть
, где x — положение жидкостного элемента; (15) формально эквивалентно (14), поскольку q не меняется после x . Тот же метод можно использовать для адвекции любого законсервированного индикатора.
В методе SL для определения q при t + Δ t, требуются два отдельных шага: для каждой точки сетки x a («приходная» точка), сначала нужно проинтегрировать (15) назад во времени, чтобы определить местоположение x d (точка «отправления») того же элемента жидкости в момент времени t.
Поскольку x d обычно не попадают в точку сетки, второй шаг состоит в интерполяции q в x d t и, наконец, замене этого значения 5 x t в момент времени3 t.
а по времени t + Δ t. Для обоих шагов мы используем самые простые и наиболее часто используемые схемы [за более подробной информацией читатель отсылается к Станифорту и Коте (1991) и Гравий (1996)].
Вычисление обратной траектории выполняется с использованием метода средней точки (Темпертон и Стэнифорт, 1987; Бейтс и др., 1995),
вместе с линейной временной экстраполяцией,
и билинейной пространственной интерполяцией для оценки скорости в точках отправления. из (17) at t n +1/2 . Второй этап выполняется с использованием так называемой бикубической интерполяции Лагранжа, которая обычно используется в метеорологическом моделировании (Бейтс и др.
19).95; Ричи и др. 1995). Стоит отметить, что в метод SL не нужно включать явное рассеяние . Это неявно обеспечивается, как продемонстрируют результаты следующего раздела, интерполяциями u и q , которые выполняются на каждом временном шаге (Гравель, 1996).
в. Контурно-адвективный полулагранжев метод
Новый CASL-метод для SWE также основан на идее существенности сохранения потенциальной завихренности, но он ведет эту идею гораздо дальше, чем метод SL: q представляется полностью лагранжевым образом. В частности, q дискретизируется наборами уровней однородного значения q j , разделенных контурами, через которые он перескакивает на Δ q, каждый контур представлен набором узлов. Эта дискретизация лежит в основе метода контурной динамики, который был реализован для решения множества двумерных и квазигеострофических задач (Dritschel 1989).
Первоначальный метод контурной динамики основывался на существовании линейного соотношения инверсии (Дритчел 1989) предоставление u прямо и исключительно в терминах q.
Для q , представленного в виде кусочно-равномерной функции, это позволяет вычислить u из интегралов по контурам q . Однако для всех потоков, кроме простейших и линейных соотношений инверсии, этот процесс является дорогостоящим в вычислительном отношении, пропорциональным квадрату числа точек, представляющих q контуров. Большое усовершенствование в вычислении u для общих течений было недавно введено Dritschel и Ambaum 19.97 (далее Д.А.), разработавшим метод CASL для многослойной квазигеострофической динамики. В методе CASL вычисление u на каждом временном шаге выполняется путем сначала интерполяции q на сетку, а затем выполнения спектральной инверсии. Преобразование контура в сетку, очень быстрая операция, не только устраняет необходимость существования соотношения обращения для потенциальной завихренности (следовательно, позволяя полностью обобщить контурный подход к примитивным уравнениям), но также дает очень существенную улучшение вычислительной производительности, как правило, на несколько порядков.
Новизна этой статьи заключается в реализации впервые контурного метода для системы уравнений, для которой не существует соотношения обращения. Поскольку метод CASL для SWE, представленный в этой статье, является прямым продолжением метода CASL для квазигеострофической динамики, мы ограничим обсуждение здесь широким наброском и отсылаем читателя к DA за всеми подробностями.
Кратко, дано q в плане контуров и полей δ и H ′ на сетке размера N G × N G Время T, каждый узел x I на Q 4766 I на Q 444466 I 202 быть отнесено к t + Δ t. Первый шаг состоит в вычислении скорости u , чтобы можно было использовать (15). Это достигается, как и в исходном методе CASL, путем проецирования контурной потенциальной завихренности на сетку с размером меньше 9.
0003 N G (в частности, размером M G N G , где M G обычно равен 40004 г . чтобы получить гладкое поле q на сетке размером n g . Как только q построено таким образом, завихренность ζ легко получается из (9), так как h также известно на сетке. Наконец, сеточное поле скоростей u is computed directly from ζ and δ using, as is customary, the streamfunction ψ and the velocity potential χ defined by
ζ 2 ψ δ 2 χ, (18)
и связанные с компонентами скорости через
Эти операции выполняются со спектральными преобразованиями.
Как только скорость u известна на сетке, каждый узел на контурах потенциальной завихренности может быть перенесен на время т + Δ т.
Это делается путем решения (15) способом, идентичным описанному выше для метода SL, с той лишь разницей, что в методе CASL адвекция выполняется вперед, а не назад. Следовательно, вместе с билинейной пространственной интерполяцией (16) и (17) используются напрямую, заменяя x d на x a и полагая Δ −Δ t
Ключевое различие между методом SL и методом CASL теперь очевидно: в методе CASL после того, как узлы смещены вперед по времени , интерполяция q не требуется. Напротив, метод SL требует, чтобы после того, как каждая точка сетки была отодвинута назад по времени, была интерполирована сама потенциальная завихренность (например, с бикубической схемой Лагранжа).
Эта интерполяция q приводит к значительной диффузии, как покажут результаты в следующем разделе, и снижает точность метода.
Конечно, чрезвычайно малые масштабы в q , которые неизбежно порождаются каскадом прямой энстрофии в сложных вращающихся стратифицированных потоках, создают проблему для любого метода, будь то эйлерова или лагранжева, и их необходимо устранить. В методе CASL это достигается с помощью контурной хирургии. Эта процедура [полностью задокументирована в Dritschel (1989) и с некоторыми уточнениями, добавленными в DA], эффективно действует только в самых мелких масштабах, топологически пересоединяя контуры и устраняя очень мелкомасштабные нитевидные структуры.
Хотя контурную хирургию можно по праву рассматривать как специальную процедуру, она является не более специальной, чем известная гипердиффузия, используемая в методе PS. Ключевое отличие заключается в том, что контурная хирургия не рассеивает градиенты q, что является серьезным недостатком гипердиффузии (Mariotti et al.
, 1994; Jiménez 19).94; Макаскилл и Бьюик, 1995 г.; Яо и др. 1995). Более того, масштаб операции d s , ниже которого q перестает сохраняться, может быть выбран намного меньшим, чем масштаб сетки, на котором поля δ, h ′ и u проводятся, как правило, в 10 раз меньше. 1 Таким образом, метод CASL способен регистрировать структуры потенциальной завихренности, намного меньшие масштаба сетки, и это значительно улучшает его сходимость по сравнению с методами PS и SL.
Перед представлением результатов числовых испытаний необходимо обсудить одну последнюю процедуру CASL. Предполагая, что начальное условие (из модели или из данных) задано на сетке, необходимо создать q контуров для выполнения лагранжевой адвекции. Самый простой способ — сначала определить минимальное и максимальное значения q min и q max в вычислительной области.
Диапазон ( q мин , q max ) затем делится на n c + 1 уровень. Каждый уровень соответствует региону
J (возможно, умноженное), где Q предполагает пространственно однородное значение Q J определяется
с
, представляющим потенциальную Vorticity Прыжок с каждым. контур. Эта простая схема дает представление потенциальной завихренности, состоящее ровно из n c + 1 область, разделенная контурами n c .
3. Численные тесты
Для тестирования нового метода CASL и прямого сравнения его с методами PS и SL мы выбрали относительно простое начальное течение — возмущенную неустойчивую зональную струю, которая быстро становится очень сложной. Мы считаем, что сложность характерна для геофизических течений, и именно это делает разработку численных алгоритмов для решения примитивных уравнений такой сложной задачей.
Более того, нелинейная эволюция неустойчивых струй обычно наблюдается как в атмосфере, так и в океане, поэтому данный тест весьма актуален. Мы рассмотрели более простые тестовые примеры, например, распространение одиночной линейной волны Россби или адвекцию высотной аномалии. Такие потоки были предложены Williamson et al. (1992) в качестве тестовых примеров для SWE в сферической геометрии. Мы считаем, однако, что многим из этих случаев не хватает сложности, необходимой для адекватной проверки производительности численных алгоритмов, которые предлагаются для практических приложений.
Следовательно, наш начальный поток определяется путем назначения потенциальной завихренности следующим образом:
Q X, Y, Q Q ŷ A ŷ A (22)
A ŷ A (22) A ŷ A (22) A ŷ Aдля | × | < 2 a, и q =
qиначе; Q — амплитуда аномалии потенциальной завихренности,
q— средняя потенциальная завихренность, определяемая требованием нулевой средней относительной завихренности, 2 a — расстояние от минимума до максимума потенциальной завихренности,
ŷ y c m mx c n nx (23)
— смещенная координата y (с сохранением площади дифференциальных элементов), используемая для возмущения струи.
Для численных интеграций мы выбрали масштаб
= 1, L R = C / F = 0,5, A = 0,5,
HQ = 0,5,
HQ. / f = 1, и f = 4 π, последнее означает, что единичный интервал времени соответствует суткам. Наша двоякопериодическая область охватывает диапазон (− π, π ) и, таким образом, покрывает около 12,5 радиусов деформации в каждом направлении, при этом сама струя имеет ширину около четырех радиусов деформации.
Профиль невозмутимого Q (т.е. с C M = C N = 0), соответствующий Zonal Clow U, и соответствующее поле с балансной высотой H -h ′ показаны на рис. 1. Обратите внимание, что h отклоняется до 40% от своего среднего значения, а max | у / с | ≈ 0,45; кроме того, макс | ζ / f | ≈ 0,9 (не показано), демонстрируя, что этот поток сильно агеострофический. 0 = 0,1. С заданным таким образом q поля начальной глубины h ′ и дивергенции δ инициализируются с использованием условий баланса ∂ 2 H ′ /∂ T 2 = ∂ 2 Δ /∂ T 2 = 0. Чаще всего уравновешивает поток на установке ∂ N Δ /∂ T N = 0 и ∂ N +1 Δ /∂ T N +1 = 0, для (маленький) Integer 6 N 4 +1 = 0, для (маленький). (ср. Norton 1988), но поскольку строгого определения баланса не существует, наши условия в равной степени приемлемы; более того, они дают результаты, мало отличающиеся от результатов, полученных при нулевых вторых и третьих производных по времени от дивергенции. Мы начнем с иллюстрации сложности, возникающей во время эволюции такого, казалось бы, благоприятного начального состояния. На рис. 2а показана потенциальная завихренность q для первых 10 дней расчета CASL высокого разрешения с размером сетки n g = 256 для δ и h ′, и с n c = 20 контуров, используемых для дискретизации q. Обратите внимание, как быстро формируются крутые градиенты потенциальной завихренности (ср.0003 t
Профиль q на рис. 1а возмущен выбором м = 2, n = 3, c 2 = −0,1 и c 3
Об этом пойдет речь в следующей статье.
Важно сопоставить это очень сложное поле q с соответствующим полем высоты ч ′, показанный на рис.
2б. Обманчиво гладкое поле высот маскирует всю реальную сложность эволюции течения. По этой причине мы считаем это поле (и по тем же причинам функцию тока ψ ) недостаточно чувствительной мерой для проверки точности численного метода.
Для читателя, недоумевающего, не может ли удивительно сложная эволюция приведенного выше начального условия быть артефактом контурного представления и хирургии в методе CASL, мы представляем на рис. 3 прямое сравнение поля потенциальной завихренности в дневное время. 10 с еще более высоким разрешением ( n g = 512), вычисленные тремя методами, описанными в предыдущем разделе, и с использованием тех же начальных условий, что и для рис. 2. Сначала обратите внимание, как при таком очень высоком разрешении метод CASL (рис. 3а), метод ПС (рис. 3б) и метод СЛ (рис. 3в) достаточно хорошо согласуются. Таким образом, сложность эволюции присуща потоку, а не численному артефакту.
Во-вторых, ключевые различия связаны, как и ожидалось, с крутизной градиентов потенциальной завихренности и мелкомасштабными особенностями.
Метод CASL способен разрешать масштабы, равные одной десятой размера сетки (где применяется хирургия), и, следовательно, может поддерживать гораздо более крутые градиенты, чем два других метода. Более того, поскольку метод CASL управляет каскадом в малых масштабах посредством хирургического вмешательства, он не рассеивает поле потенциальной завихренности. Эта нежелательная, но неизбежная диффузия как в методе PS, так и в методе SL хорошо видна на рис. 3б и 3с. Рассмотрим, например, как в обоих случаях сложная нитевидная структура, окружающая большинство вихрей, существенно сглаживается в решениях PS и SL. В этом отношении может показаться, что метод SL, в котором численное распространение происходит посредством повторяющихся интерполяций и, таким образом, не поддается непосредственному контролю, хуже, чем метод PS. Сравните два самых больших вихря в потоке и обратите внимание, как решение PS зафиксировало более крутые градиенты потенциальной завихренности. Это может быть связано с тем, что метод PS позволяет более непосредственно управлять численной диффузией через параметр ν, , который был выбран согласно (12) для расчета на рис.
3б.
В-третьих, и это наиболее важно, можно возразить, что тот вид сложности, который могут решить вычисления на рис. 3, не представляет большого практического интереса. В типичных геофизических потоках генерация мелких масштабов происходит достаточно быстро, чтобы разрешение последовательно более мелких масштабов путем измельчения сетки могло бы начать напоминать поиски Святого Грааля. Более того, в реальных условиях (например, для моделей общей циркуляции) большая часть вычислительных ресурсов должна быть выделена для физических процессов, отличных от гидродинамики (например, химических реакций или схем излучения). На практике можно утверждать, что для расчета эволюции потока доступны только скромные разрешения сетки.
Если кто-то согласен с этой точкой зрения, тогда возникает вопрос: какой численный метод дает «наилучшее» решение для заданного размера сетки? Или, что еще интереснее: какой метод сходится быстрее при увеличении разрешения? Чтобы ответить на эти вопросы, мы приводим на рис.
4 и 5 — прямое сравнение численных решений начального условия (22), рассчитанных методами CASL, PS, SL и с разрешением сетки n g = 32, 64, 128 и 256.
Поле потенциальной завихренности на 5-й день показано на рис. 4а. При самом высоком разрешении (см. верхний ряд) все три метода, как и ожидалось, хорошо согласуются. Однако при очень низком разрешении (см. нижний ряд) только метод CASL позволяет зафиксировать все ключевые характеристики течения, т. е. количество, размер и расположение вихрей, возникающих в результате неустойчивости. Основным источником ошибок в методе CASL при низком разрешении является плохая оценка поля адвективной скорости, которое интерполируется на грубой сетке. Это также влияет на решения PS и SL, но они дополнительно страдают от чрезмерной диффузии: гипердиффузии в случае PS и ошибок интерполяции в случае SL. Такая численная диффузия является основной причиной более медленной сходимости с увеличением разрешения методов PS и SL по сравнению с методом CASL.
Это количественно ниже.
Кроме того, только при более высоких разрешениях решения PS и SL начинают развивать узкие градиенты потенциальной завихренности, подобные тем, что в решении CASL. Метод SL рассеивает больше, чем метод PS (сравните решения PS и SL при n g = 32 и 64), хотя очень маленькое ν , которое мы используем для метода PS (для позволять ему рассеиваться как можно меньше) едва ли является маргинальным для численной стабильности (отсюда крошечные явления Гиббса). Конечно же в самом высоком разрешении ( n g = 256) все три метода дают почти одинаковые характеристики на больших масштабах, но дело здесь в том, что метод CASL может позволить себе гораздо более грубую сетку.
Соответствующие поля высот на 5-й день показаны на рис. 4б. Здесь, за исключением самого низкого разрешения (см. нижний ряд), решения PS и SL показывают себя достаточно хорошо. Это неудивительно, так как ч ′ является гладким полем и, таким образом, его гораздо легче вычислить.
Однако трассеры не являются гладкими полями, и поэтому сравнение рис. 4а более уместно. Более того, стоит отметить, что при нашем самом низком разрешении ( n g = 32) начальная струя охватывает примерно 10 узлов сетки. Для большинства современных моделей общей циркуляции атмосферы, используемых для изучения климата, разрешение в 1° считается высоким; при таком разрешении ключевые особенности, такие как субтропическая струя, охватывают лишь несколько узлов сетки (в океанах ключевые особенности, такие как Гольфстрим, имеют тенденцию быть на порядок меньше в масштабе, и их очень трудно разрешить). Таким образом, метод CASL с его способностью фиксировать основные крупномасштабные характеристики гладких полей с очень низким разрешением дает существенное практическое преимущество.
На рис. 5а показаны потенциальные поля завихренности на 10-й день. Здесь результаты во всех случаях сходятся медленнее, но поле течения в этом случае чрезвычайно сложное. Тем не менее, алгоритм CASL сходится значительно быстрее, чем два других.
И здесь эффект численной диффузии в алгоритмах PS и SL особенно заметен. С n g = 64 (см. третью строку) методу CASL удалось зафиксировать количество, размер и расположение ключевых особенностей потока, в то время как методы PS и SL до сих пор не сходятся к правильное количество вихрей и их положение. Соответствующие поля высот (показаны на рис. 5b) подтверждают ключевую идею этих тестов, а именно, что метод CASL способен фиксировать точные решения с грубым разрешением сетки, поскольку он не страдает численной диффузией.
Теперь мы точно оценим это утверждение. Мы измеряем точность каждого моделирования по его способности сохранять массу между изоуровнями потенциальной завихренности (масса между любыми двумя материальными контурами в мелководных потоках сохраняется при отсутствии диссипации). Степень сохранения массы важна для правильной оценки транспортных свойств; это имеет решающее значение, например, для химии озона в стратосфере (Edouard et al.
1996) и, несомненно, не менее важно в океанах.
Массовая ошибка вычисляется следующим образом. Исходное поле q разбито на области R j , j = − N, . . . , N, , каждый соответствует потенциальному уровню завихренности q j , как определено в разделе 2c выше. Масса в каждой области равна m j = ∫∫ R j h dx dy. Идеально м j не меняется во времени, но на практике численные аппроксимации неизбежно приводят к изменениям m j , и эти изменения используются для измерения численной ошибки каждого моделирования.
Ошибка во время T определяется как разница в RMS между M J ( T ) и M J (0), нормализованный продуктом
H.и доменная зона А дом ; то есть
, где сумма равна всем j , кроме j = 0.
Область
0 включает всю жидкость с нулевой аномальной потенциальной завихренностью и намного больше остальных. Включение этой области в приведенную выше сумму примерно удваивает значение ϵ в моделировании PS и SL, но незначительно увеличивает его в моделировании CASL. Это различие связано с диффузией q в моделировании PS и SL.
Для вычисления м j , R j должны быть известны достаточно точно. Вслед за Яо и соавт. (1995), мы интерполируем q и h на более мелкую сетку, в данном случае в восемь раз более мелкую в каждом направлении. 2 Затем мы определяем j в каждой точке этой сетки с высоким разрешением из ближайшего целого значения ( q − q )/Δ q и добавляем к м j значение h в этой точке, умноженное на площадь квадрата сетки.
Эта процедура используется без изменений для всех трех методов моделирования. В представленных ниже результатах мы выбираем N = 10, так что каждая область R j фактически лежит между контурами в моделировании CASL. Обратите внимание, однако, что мы не используем этот факт при вычислении m j для метода CASL; как и в моделировании PS и SL, мы вычисляем набор узлов сетки, лежащих в каждой области R j и просуммируйте значения h .
Точность любого алгоритма, как все согласятся, сама по себе не имеет большого практического значения. Ему нужно противопоставить его эффективность, так как лучший алгоритм — это не просто самый точный, но и самый быстрый. Следовательно, в таблице 1 мы представляем ошибку ϵ ( t ) для двух контрольных моментов времени, t = 5 и t = 10 (см. рис. 4 и 5), построенную в зависимости от стоимости в ( т ) (в секундах), необходимых для интеграции SWE в эти времена с помощью трех различных методов.
Все симуляции выполнялись на суперкомпьютере Cray-J90 с векторной обработкой, при этом большое внимание уделялось векторизации и, как правило, оптимизации производительности каждого алгоритма.
Чтобы обеспечить непосредственное наглядное представление о том, как сравниваются три алгоритма, мы наносим на рис. 6 данные об ошибках и эффективности из таблицы 1 со стоимостью c ( t ) по оси абсцисс и ошибкой ϵ ( t ) по ординате. Три символа, используемые на этом рисунке, представляют три метода: квадраты для CASL, кружки для PS и треугольники для SL. Закрашенные точки соответствуют значениям в опорное время t = 5 в таблице 1, пустые — в t = 10. Размер нанесенных точек указывает на разрешение. Для каждого метода и каждого эталонного времени точки данных для пяти используемых разрешений сетки ( n g = 32, 64, 128, 256, 512) соединяются вместе. Это делает сразу очевидным эффект увеличения разрешения: для всех трех методов увеличение n g приводит к меньшим ошибкам и, конечно же, к большей стоимости.
Из-за выбора координат на рис. 6 становится очевидным, что метод CASL превосходит как метод PS, так и метод SL. Кривые для решений CASL (квадраты) расположены ближе к левому нижнему углу графика (где лежат быстрые и точные решения), чем кривые для решений PS и SL. Сравнение последних двух довольно интересно. Видно, что метод SL превосходит метод PS, несмотря на то, что при том же разрешении сетки метод PS несколько точнее (см. табл. 1 и рис. 4, 5, где при том же разрешении метод SL показывает больше диффузии). Однако преимущество методов SL заключается в том, что метод PS намного дороже из-за ограничения CFL на временной шаг. При заданной точности использование метода SL обходится дешевле, чем метод PS. Однако использование метода CASL обходится еще дешевле.
Учтите также, что, как видно на рис. 6, кривые CASL почти полностью лежат ниже соответствующих кривых PS и SL. При t = 5 (закрашенные кривые) необходимо выйти на самую мелкую сетку n g = 512 методами PS и SL для достижения точности, аналогичной той, которую достигает метод CASL с самая грубая сетка n g = 32.
Применительно к таблице 1 это означает, что для сравнимой точности (скажем, для ошибки около 0,003 при t = 5), метод CASL ускоряет вычисления в 75 раз по сравнению с методом SL и в 1450 раз по сравнению с методом PS.
При t = 10 сравнение еще лучше. Как видно непосредственно на рис. 6 (пустые кривые), погрешность самого грубого расчета CASL меньше, чем погрешность самого точного расчета PS и SL. Таким образом, несмотря на то, что на самой грубой сетке ( n g = 32) поле адвективной скорости представляется очень грубо, контурная дискретизация q в методе CASL по-прежнему удается сохранять массу между уровнями q лучше, чем моделирование PS и SL с самой мелкой сеткой ( n g = 512). Отсутствие сохранения массы в моделировании PS и SL во многом является результатом численной диффузии, использования сеточной схемы для адвекции кв.
Благодарности
DGD поддерживается Советом по исследованиям окружающей среды Великобритании, LMP – Национальным научным фондом США, ARM – стипендией MCHE Ирана и премией ORS университетов Великобритании.
ССЫЛКИ
Амбаум М. Х. и Д. Г. Дритчел, 1998 г.: Включение неконсервативного воздействия в консервативный алгоритм контурной адвекции. Численные методы механики жидкости VI, MJ Baines, Ed., ICFD, 99–110.
Асселин, Р., 1972: Частотный фильтр для интегрирования по времени. Пн. Wea. Рев., 100, 487–490.
Бейтс Дж. Р., Ю. Ли, А. Брандт, С. Ф. Маккормик и Дж. Руге, 19 лет95: Глобальная численная модель мелководья, основанная на полулагранжевой адвекции потенциальной завихренности. кв. Дж. Рой. Метеор. Соц., 121, 1981–2005.
Дритшель, Д. Г., 1989: Контурная динамика и контурная хирургия: Численные алгоритмы для расширенного моделирования с высоким разрешением вихревой динамики в двумерных, невязких, несжимаемых потоках. Комп. физ. Респ., 10, 77–146.
—— и М. Х. П. Амбаум, 1997: Контурно-адвективный полулагранжев алгоритм для моделирования мелкомасштабных консервативных полей.
кв. Дж. Рой. Метеор. Соц., 123, 1097–1130.Эдуард С., Б. Легра, Ф. Лефевр и Р. Эймар, 1996 г.: Влияние мелкомасштабных неоднородностей на разрушение озонового слоя. Природа, 384, 444–447.
Гравел, С., 1996: Полулагранжев метод. Проц. Центр математических исследований, Монреаль, PQ, Канада, 1–11.
Хоскинс, Б. Дж., М. Е. Макинтайр и А. В. Робертсон, 1985: Об использовании и значении изоэнтропических карт потенциальной завихренности. кв. Дж. Рой. Метеор. Соц., 111, 877–946.
Хименес, Дж., 1994: Сверхвязкие вихри. J. Fluid Mech., 279, 169–176.
Macaskill, C., and B.M. Bewick, 1995: Использование гипервязкости в моделировании потоков геофизической жидкости. Проц. 12-я Австралазийская конференция по гидромеханике, Сидней, Австралия, 415–418.
Мариотти, А.
, Б. Леграс и Д. Г. Дритшель, 1994: Вихревой разрыв и эрозия когерентных структур в двумерных потоках. Физ. Жидкости, 6, 3954–3962.Макинтайр, М.Е., 1995: Стратосферный полярный вихрь и субвихрь: гидродинамика и потеря озона в средних широтах. Филос. Транс. Рой. соц. Лондон, 352, 227–240.
Метвен Дж. и Б. Хоскинс, 19 лет98: Спирали потенциальной завихренности. Часть I: Меры структуры. Дж. Атмос. наук, 55, 2053–2066.
Нортон, Вашингтон, 1988: Баланс и инверсия потенциальной завихренности в атмосферной динамике. Кандидат наук. диссертация, Кембриджский университет, 167 стр.
——, 1994: Разрушение волн Россби в модельной стратосфере, диагностируемое с помощью системы координат, следующей за вихрем, и метода переноса контуров материала. Дж. Атмос. наук, 51, 654–673.
Пламб, Р. А.
и соавторы, 1994: Вторжения в нижний стратосферный арктический вихрь зимой 1991–1992 гг. Ж. Геофиз. рез., 99, 1089–1106.Ричи, Х., 1988: Применение полулагранжевого метода к спектральной модели уравнений мелкой воды. Пн. Wea. Рев., 116, 1687–1598.
——, К. Темпертон, А. Симмонс, М. Хортал, Т. Дэвис, Д. Дент и М. Хармуд, 19 лет95: Реализация полулагранжевого метода в версии модели прогноза ЕЦСПП с высоким разрешением. Пн. Wea. Рев., 123, 489–514.
Роберт, А. Дж., 1966: Интегрирование спектральной формы низкого порядка примитивных метеорологических уравнений. Дж. Метеор. соц. Япония, 44, 237–245.
Станифорт А. и Ж. Коте, 1991: полулагранжевы схемы интегрирования для атмосферных моделей — обзор. Пн. Wea. Обр., 119, 2206–2223.
Tan, DGH, PH Haynes, AR MacKenzie, and JA Pyle, 1997: Влияние гидродинамического перемешивания и перемешивания на дезактивацию стратосферного хлора.
Ж. Геофиз. рез., 103 (D1), 1585–1605.Temperton, C., and A. Staniforth, 1987: Эффективная двухуровневая полулагранжева полунеявная схема интегрирования. кв. Дж. Рой. Метеор. Соц., 113, 1025–1040.
Waugh, D.W., and R.A. Plumb, 1994: Контурная адвекция с хирургией: метод исследования мелкомасштабной структуры при переносе трассеров. Дж. Атмос. наук, 51, 530–540.
——, и соавторы, 1994: Перенос материала из стратосферного арктического вихря за счет обрушения волны Россби. Ж. Геофиз. рез., 99, 1071–1088.
Уильямсон Д. Л., Дж. Б. Дрейк, Дж. Дж. Хак, Р. Якоб и П. Н. Шварцтраубер, 19 лет92: Стандартный тестовый набор для численных аппроксимаций уравнений мелкой воды в сферической геометрии. Дж. Вычисл. Phys., 102, 211–224.
Wunsch, C., and D. Stammer, 1995: Глобальный частотно-волновой спектр изменчивости океана, оцененный по альтиметрическим измерениям TOPEX/Poseidon.
Ж. Геофиз. Res., 100 (C12), 24 895–24 910. Физ. Жидкости, 7, 539–548.
Контурно-сеточные методы для системы ARAC (Конференция)
Контурно-сеточные методы для системы ARAC (Конференция) | ОСТИ.GOVперейти к основному содержанию
- Полная запись
- Другое связанное исследование
Комбинируя систему оцифровки с программой преобразования горизонталей в координатную сетку, цифровые данные высот могут быть получены автоматически из контурных карт для любой существующей контурной карты.
- Авторов:
- Барбьери, Дж.
Ф.
- Дата публикации:
- Исследовательская организация:
- Ливерморская национальная лаборатория Лоуренса, Калифорния (США)
- Идентификатор ОСТИ:
- 6432537
- Номер(а) отчета:
- UCRL-93415; КОНФ-851252-1
ПО: DE86004919
- Номер контракта с Министерством энергетики:
- W-7405-ENG-48
- Тип ресурса:
- Конференция
- Отношение ресурсов:
- Конференция: Семинар по географическим информационным системам в правительстве, Спрингфилд, Вирджиния, США, 10 декабря 1985; Дополнительная информация: Части этого документа неразборчивы на микрофишах .

- Страна публикации:
- США
- Язык:
- Английский
- Тема:
- 54 НАУКИ ОБ ОКРУЖАЮЩЕЙ СРЕДЕ; МИГРАЦИЯ РАДИОНУКЛИДОВ; МАТЕМАТИЧЕСКИЕ МОДЕЛИ; КОДЫ; АВТОМАТИЗАЦИЯ; СЛОЖНЫЙ ТЕРРЕН; КОМПЬЮТЕРНОЕ МОДЕЛИРОВАНИЕ; ПОЛУЧЕНИЕ ДАННЫХ; СЕТИ; ИНФОРМАЦИОННЫЕ СИСТЕМЫ; РАДИАЦИОННЫЙ КОНТРОЛЬ; РАДИОАКТИВНЫЕ ВЫБРОСЫ; ПРОСТРАНСТВЕННОЕ РАСПРЕДЕЛЕНИЕ; ТРЕХМЕРНЫЕ РАСЧЕТЫ; КОМПЬЮТЕРНЫЕ КОДЫ; РАСПРЕДЕЛЕНИЕ; ЭЛЕКТРОДЫ; ЭКОЛОГИЧЕСКИЙ ТРАНСПОРТ; ПЕРЕДАЧА МАССЫ; МАТЕРИАЛЫ; МОНИТОРИНГ; РАДИОАКТИВНЫЕ МАТЕРИАЛЫ; РАДИОАКТИВНЫЕ ОТХОДЫ; МОДЕЛИРОВАНИЕ; ОТХОДЫ; 500300 * – Окружающая среда, атмосферный мониторинг и транспортировка радиоактивных материалов – (-1989)
Форматы цитирования
- MLA
- АПА
- Чикаго
- БибТекс
Барбьери, Дж.
Ф. Методы преобразования контура в сетку для системы ARAC . США: Н. П., 1985.
Веб.
Копировать в буфер обмена
Барбьери, Дж. Ф. Контурно-сеточные методы для системы ARAC . Соединенные Штаты.
Копировать в буфер обмена
Барбьери, Дж. Ф. 1985.
«Методы преобразования контура в сетку для системы ARAC». Соединенные Штаты. https://www.osti.gov/servlets/purl/6432537.
Копировать в буфер обмена
@статья{osti_6432537,
title = {Методы преобразования контура в сетку для системы ARAC},
автор = {Барбьери, Дж. Ф.},
abstractNote = {Благодаря объединению системы оцифровки с программой преобразования горизонталей в координатную сетку цифровые данные высот могут быть получены из контурных карт автоматически для любой существующей контурной карты.

2.2
dc v1 24 24 1
.print dc v(1,2) v(1,3) v(3,2) v(2,0) v(3,0)
.конец
v1 v(1,2) v(1,3) v(3,2) v(2) v(3)
2,400E+01 6,345E+00 4,690E+00 1,655E+00 1,766E+01 1,931E+01
Для прямоугольные контурные графики , данные могут быть либо в матрице, либо на рабочем листе в формате XYZ. Полярные контурные графики могут быть созданы из трех столбцов данных на рабочем листе, организованных либо как R Z, либо как R Z. Тернарные контурные графики могут быть созданы из данных рабочего листа, организованных в формате X Y Z Z, где 2-й Z-столбец содержит 4-й параметр которое является значением высоты в данной точке XYZ в троичном пространстве.
Переместите курсор в левый верхний угол матрицы, пока форма указателя не изменится, как на следующем изображении, и щелкните, чтобы выбрать всю матрицу.
Создайте контурный график, активировав матрицу и выбрав Plot > Contour: Contour – Color Fill . График должен выглядеть так, как показано ниже:
Затем выберите палитру Rainbow из раскрывающегося списка.
Триангуляция Делоне используется для вычисления и рисования горизонталей.
В этой папке откройте подпапку Matrix Conversion and Gridding и найдите файл XYZ Random Gaussian.dat . Перетащите этот файл на пустой рабочий лист, чтобы импортировать его.
Эта функция полезна при наличии определенных граничных данных, определяющих контур объекта, например профиль двигателя, где контур показывает температуру двигателя.
Не забудьте снять флажки Показать линии сетки и Показать точки данных в Цветовая карта/Контуры вкладка. Нажмите OK , чтобы закрыть диалоговое окно «Сведения о графике».