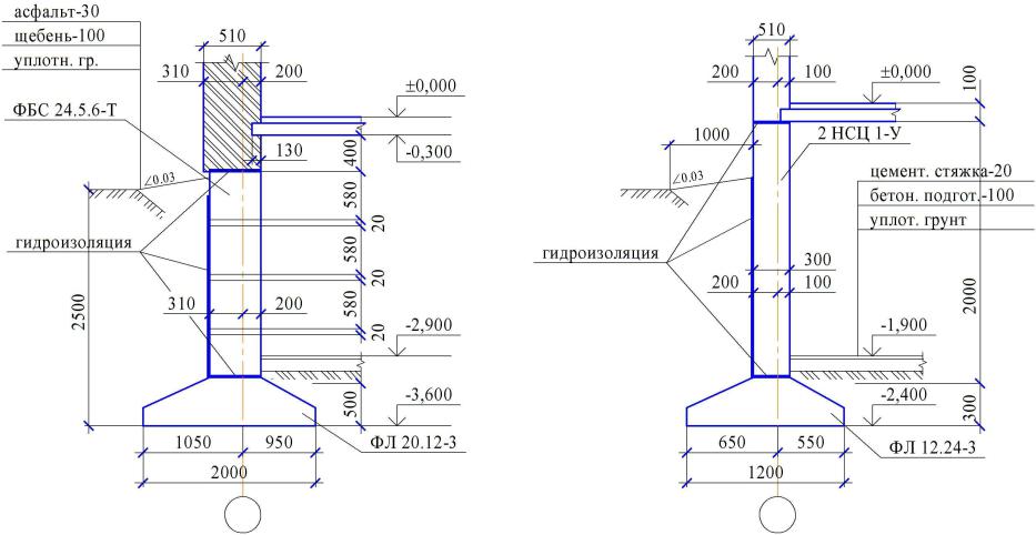
Ленточный фундамент чертеж в разрезе с размерами
В частном и коммерческом домостроении часто используют ленточный фундамент, чертеж которого в упрощенном виде представляет собой вид сверху с указанием линейных размеров.
Схема ленточного фундамента.
Особенности ленточного фундамента
Ленточный фундамент относится к классу монолитных основ, но является более экономичным по сравнению с плитным. При сокращении расхода бетона и армирующих конструкций такие опоры остаются высоконадежными для малоэтажного домостроения и используются также при строительстве ограждений, хозяйственных и бытовых построек различного типа.
Виды опор
План фундаментов этого типа может представлять два типа опорных конструкций:
- монолитный, при производстве которого раствор заливают в траншею с отсыпкой,
- сборный с укладкой готовых железобетонных изделий.
Глубина траншеи в обоих случаях больше уровня промерзания грунта, а ширина рассчитывается с учетом нагрузки.
Рис. 2. Простое и понятное схематичное изображение монолитной ленточной опоры с указанием размеров.
Чертеж сборного ленточного фундамента с указанием размеров.
Факторы влияния
При выполнении инженерных вычислений учитывают следующие факторы:
- общий вес конструкции (при строительстве зданий принимают во внимание материалы, из которых будет выполнена постройка, внутренней планировке, числа этажей, количества и размеров оконных и дверных проемов),
- тип грунта, влияющий на степень усадки,
- величину нагрузки в процессе эксплуатации.
Дополнительное изображение для чертежа ленточного фундамента.
Особенности построения плана
План опор ленточного типа создается по определенным правилам.
- Выбирается масштабирование 1:100 или 1:400.
- Перед построением выполняют осевую разметку.

- При наличии колонн, их месторасположение указывается на схеме.
- Общие очертания конструкции наносят линиями 0,5-0,8 мм.
Полный план включает в себя изображения подбетонка и подошвы с указанием мест перепадов глубины, характерных для неровных поверхностей, и отверстий для ввода коммуникаций. Последние могут изображаться двумя способами:
- с полным схематичным изображением и указанием данных по нижней точке,
- осевой точкой выносом основных данных (диаметр, параметры нижней точки) на экспликацию.
Коммуникационные отверстия и уступы изображают затушевыванием или контурно, прерывистыми линиями. При необходимости такие изображения уточняются пояснениями или сносками.
Схема ленточного сборного фундамента с дополнительными вынесенными изображениями.
Изображение сложных участков
Если план изображает сборный или монолитный фундамент сложной конфигурации, нюансы устройства сложно передать на единой полной схеме.
- наносят на основной чертеж дополнительные изображения разрезов, обеспечивая их осевое соответствие,
- при необходимости сделать такие разрезы более крупными, их выполняют на отдельных листах-дополнениях с указанием всех необходимых данных (цифровых, пояснений, стрелок. обозначающих тип разреза и пр.).
В соответствии со сложностью сечений выбирают масштабирование 1:20, 1:25 или 1:50.
На дополнительных сечениях указывают:
- уровень грунта,
- уровень пола,
- общие очертания опорной конструкции,
- тепло- и гидроизоляцию.
. Схема сложного армирования ленточной опор при необходимости установки вертикальной арматуры и сложной геометрии фундамента.
Возможные дополнения к общей схеме
Если планируется монолитный или сборный фундамент ленточного типа, для максимально полной информации, необходимой строителям, общий план сопровождается:
- схемой армирования, составленной с учетом нагрузки и геометрических параметров (арматура укладывается в нижней и верхней части в горизонтальном направлении, при общей высоте опоры более 1,5 метров необходимо дополнительное вертикальное армирование),
- примечания, содержащие сведения нюансах конструкции,
- рекомендации относительно подготовительных работ,
- информация о гидро- и теплоизоляции,
- таблицы с указанием норм нагрузок для конкретной опорной конструкции.

Подробный чертеж ленточного фундамента с выносными сечениями.
Степень заглубления
Заглубление ленточного фундамента определяется в соответствии с назначением опоры. Существуют два основных вида конструкций – заглубленные и мелкозаглубленные. Эту особенность в обязательном порядке отражает план.
- Мелкозаглубленные виды используются при строительстве небольших кирпичных или бетонных сооружений, а также при возведении деревянных строений на грунтах слабопучинистого типа. Глубина траншеи в данном случае составляет 50-70 см.
- Заглубленные виды ленточных фундаментов с усиленным армированием подходят для крупных домов, которые имеют подвальные или цокольные помещения, тяжелые перекрытия. Оптимальная глубина траншеи на 20-30 м больше глубины промерзания почвы.
Чертеж заглубленного ленточного фундамента в разрезе.
План всегда содержит информацию о степени заглубления ленты.
Расход материалов на выполнение заглубленных опор значительно выше.
Отличия чертежей сборных и монолитных опор
Выше был описан принцип, по которому составляется план любого ленточного фундамента, будь он монолитный
Чертеж заглубленного ленточного фундамента со схемой горизонтального и вертикального армирования.
Самостоятельные расчеты
Без наличия опыта и квалификации создать план опорных конструкций не сложно, если сборный фундамент рассчитывается для хозяйственных построек или ограждений. Для этого достаточно учесть следующие параметры:
- почвенную усадку по вертикали,
- нагрузку от веса основного сооружения,
- нагрузку от кровли с подстропильной системой, если речь идет о хозяйственных или бытовых постройках,
- нагрузку от давления грунта, действующую с боковых сторон.
Для страховки полученные величины нагрузки увеличивают на 2%.
Профессиональное планирование
План ленточной опоры для жилого дома требует более детальных вычислений и профессионального исполнения. Специалист при выполнении расчетов принимает во внимание действующие положения СНиП и учитывает малейшие нюансы, включая эксплуатационные нагрузки, возможный вес снежной шапки на кровле, снижение веса при выполнении оконных и дверных проемов.
Указание расположения колонн на схематичном изображении ленточной опоры.
Требования к схемам
План фундамента ленточного типа должен отвечать следующим требованиям:
- легкая читаемость,
- полнота информации на основной схеме,
- наличие дополнительной информации в приложениях,
- достаточность данных для проведения строительства без необходимости выполнять дополнительные расчеты.
Подробный и полный чертеж опорной конструкции любого типа легко претворять в жизнь. Он исключает вероятность разночтений и ошибок на этапе подготовительных работ и монтажа.
Чертежи разрезов зданий
При проектировании различных зданий и сооружений, на начальной его стадии, разработчики составляют контурные или архитектурные их разрезы, необходимые для того, чтобы указать, как именно расположены друг относительно друга различные элементы их интерьеров, а также для того, чтобы выявить внутренний вид помещений. Согласно установленным правилам, на них не изображаются конструкции стропил, перекрытий, фундаментов, а также некоторых других элементов. При этом, однако, должны быть обязательно проставлены нужные для проработки фасада высотные отметки и необходимые размеры.
Архитектурный разрез здания
Наряду с развертками потолков и стен архитектурные разрезы применяются также для того, чтобы осуществлять проектирование интерьеров зданий (к примеру, спортивных и торговых помещений, фойе, зрительных залов), а также внутренних отделочных работ в них. Кроме того, архитектурные разрезы нужны и тогда, когда составляются проекты реконструкции зданий, являющихся архитектурными памятниками, при выполнении в них различных восстановительных и отделочных работ.
Конструктивный разрез здания
Конструктивные разрезы зданий и сооружений составляются на этапе разработки рабочих чертежей. На этих документах изображаются такие конструктивные элементы строений, как перекрытия, стропила, фундаменты, а также места их сопряжений. В строительных чертежах направление взгляда для разрезов выбирают, как правило, по плану – снизу вверх и справа налево. На приведенном ниже рисунке с помощью кружочков помечены конструктивные узлы здания, а также указаны их порядковые номера. Что же касается самих чертежей узлов, то они приводятся на других листах комплекта чертежей АС.
Конструктивный разрез здания
Координационные оси при выполнении разрезов зданий и сооружений выносятся вниз, соответствующие марки проставляются в кружках.
После этого проводится размерная линия, и на ней указывается расстояние, на которое смежные оси отстоят друг от друга. На выносных линиях проставляются размеры дверных и оконных проемов, а также положение по высоте этих важных конструктивных элементов зданий и сооружений. Кроме того, должны быть обязательно проставлены отметки верха кровли и уровня земли. Высоты этажей наносятся внутри разрезов, там же делаются высотные отметки площадок лестницы и уровней полов.
Нулевой цикл и надземная часть здания
В подавляющем большинстве случаев при разработке типовых проектов зданий все их архитектурно-строительные чертежи разделяются на две группы. Первая из них относится к нулевому циклу и включает в себя те из них, которые необходимы для сооружения технического подвала, фундаментов и других подземных частей сооружений. Вторая группа архитектурно-строительных чертежей объединяет те, которые требуются для сооружения надземной части строений. Следует отметить, что такое разделение чертежей на группы вполне логично и оправдано, поскольку тогда, когда производится привязка типового проекта к условиям конкретной строительной площадки, в них требуется делать некоторые изменения.
Чаще всего они касаются тех чертежей, на основании которых строится подземная часть здания. Именно по этой причине в чертежи технических подвалов зданий вносятся нижние части лестниц.
На приведенном в качестве примера разрезе 3 – 3 технического подвала отметки плит перекрытия и технических площадок нанесены по лестнице и там же указаны все требуемые размеры. В этом же подвале прямоугольниками, зачерченными по верхнему и левому краям, показано два отверстия в стене.
Разрез технического подвала по лестнице
Для того чтобы при строительстве были правильно смонтировали площадки и лестничные марши выполняется разрез производимый по лестнице ( в данном случае 2 – 2 ) и детальные изображения выполняемые в более крупном масштабе ( 2 и 3 ). По ближним маршам лестничной клетки проведена секущая плоскость разреза, на которой нанесены марки различных элементов лестницы (металлической чердачной стремянки, маршей, лестничных площадок и т.
п.), а также отметки маршей лестничной клетки.
Разрез жилого дома по лестнице
Чертеж узлов лестницы
Разрезы производственных и жилых полносборных зданий индустриального изготовления вычерчиваются схематично. На таких разрезах наносятся ссылки на чертежи конструктивных узлов и выноскаи в виде «этажерок» с перечнем слоев конструкций. На приведенных в качестве примера рисунках, что расположены ниже, изображены продольный и поперечный разрезы ( 1 – 1 и 2 – 2 ).
Поперечный разрез производственного здания
При выполнении разрезов на них указываются высоты дверных и оконных проемов, расстояния между координационными осями, наносятся отметки уровня земли ( Ур. з. ), покрытия пола ( Ур. ч. п. ), головок подкрановых рельсов ( Ур. г. р. ) верха колонн. С помощью кружков приводятся ссылки на листы комплекта, обозначаются узлы.
Продольный разрез производственного здания
Выделение разрезных линий на чертеже здания
С целью передачи глубины и характера пространства, для точного разграничения свободного пространства и элементов конструкций здания на архитектурном чертеже необходимо использовать линии разной толщины и выделение тоном.
Выбор техники зависит от масштаба чертежа разреза здания, чертежных материалов и степени контраста, необходимого для разграничения свободного пространства и элементов конструкций.
На рис.1 разрез здания вычерчен линиями одинаковой толщины. Из-за этого трудно понять, какие элементы здания представлены в разрезе, а какие находятся за плоскостью сечения.
На рис.2 для передачи пространственной глубины были использованы линии разной толщины.
Самой толстой линией (2.1.) обводят контур элементов, представленных в разрезе.
Обратите внимание!
– линии контура всегда непрерывны,
– никогда не пересекают другой контур,
– не заканчиваются линией меньшей толщины.
Линиями средней толщины (2.2.) изображают те элементы здания, которые видны в вертикальной проекции и находятся за плоскостью сечения. Чем дальше расположен элемент от плоскости сечения, тем тоньше становится линия.
Тонкими линиями (2.3.) обозначают изменения на поверхности объекта, но не его формы. Они просто передают видимые детали или фактуру поверхности стен или других вертикальных элементов, параллельных картинной плоскости.
На чертежах разрезов не нужно изображать детали фундамента, расположенные под землей. Если же такая необходимость всё же возникла, то их нужно обозначить тонкими линиями (2.4.).
Выделение тоном и пространственная глубина.
Чтобы четко разграничить на чертеже свободное пространство и конструкции здания, нужно подчеркнуть форму элементов, представленных в разрезе, выделив их тоном, контрастирующим с внутренним и внешним пространством на чертеже разреза здания (рис.3).
Обычно заливаются или тонируются разрезные линии пола, стен и крыши здания, разрез которого выполнен в маленьком масштабе.
Если сильный контраст не требуется, используйте умеренно серый цвет для выделения формы элементов в разрезе. Это особенно важно в крупномасштабных чертежах разрезов, где значительное количество черного цвета может приобрести слишком большое значение.
Если особенности вертикальных поверхностей, такие как фактура или плитка на стенах, изменили общий тон чертежа (рис.4), то для создания более сильного контраста между элементами, представленными в разрезе, и свободным пространством можно использовать темно-серый или черный тон. Следуя этой схеме использования цвета, изображайте элементы, постепенно уходящие на дальний план, в более светлых тонах.
Помните, что элементы фундамента и основания также являются частью чертежа разреза здания, поэтому тонировать нужно не только элементы здания, но и элементы разреза фундамента.
Если вы хотите показать на чертеже систему несущих конструкций здания, то подземную часть фундамента следует изображать как неотъемлемую часть массы земли.
Выделение тоном на компьютерном чертеже
При использовании программ компьютерного проектирования для выполнения чертежей разрезов не используйте цвет и фактуру изображения, чтобы сделать их более красочными. Прежде всего следует подчеркнуть элементы, представленные в разрезе, и элементы, расположенные за плоскостью сечения.
На этом чертеже (рис.5) видно, как благодаря выделению элементов в разрезе, достигается значительный контраст этих элементов с теми, которые видны в вертикальной проекции за плоскостью сечения.
Также очевидно, как благодаря системе изменения тона можно выделить разрез на общем поле чертежа. В данном случае разрез можно оставить белым или придать ему более светлый оттенок по сравнению с остальным пространством на чертеже.
Источник:
книга: Архитектурная графика
Изд-во Астрель – М.:АСТ, 2007. Перевод на русский язык, 2006
Литература учебная.
Автор: Франсис Д.К. Чинь
Введение: Первое издание этой книги знакомило студентов с разнообразными инструментами для рисования, техниками черчения и условными обозначениями, принятыми в проектировании.
Автор первого и последующих изданий пытался в простой и доступной форме объяснишь основные методы архитектурной графики. В четвертом издании, при сохранении доходчивости и наглядности подачи изучаемого материала, были внесены некоторые существенные изменения.
—
Распечатать
Вконтакте
Одноклассники
Google+
Самое главное о ленточном фундаменте
Наша компания профессионально занимается возведением монолитных конструкций и фундаментов, убедиться в этом можно, ознакомившись с фотографиями наших работ.
Мы готовы поделиться с вами нашими знаниями об устройстве ленточных фундаментов, чтобы и вы стали немного профессионалами!
Для выбора типа фундамента необходимо учесть различные факторы .
Ленточный фундамент – самый распространенный тип фундамента при строительстве коттеджей.
И это не случайно, так как такой фундамент является самым экономичным среди всех типов фундаментов.
Перед выполнение ленточного (да и любого фундамента) необходимо выполнить чертеж – разрез стены по фундаменту. Это необходимо для того, чтобы в дальнейшем избежать «сюрпризов» в виде слишком выступающего цоколя (завалинка), мостиков холода.
По исполнению подразделяются:- Монолитный
- Сборный из блоков ФБС
- Простой ленточный. Он просто прямоугольный в сечении. Чаще всего высота больше ширины. Ширина чаще всего диктуется толщиной стены. Может выполнятся как монолитным, так и из боков ФБС. Разница в том, что монолитно исполненный фундамент лучше сопротивляется нагрузкам. В сборном – более высокая вероятность деформаций, сдвигов блоков относительно друг друга. Поэтому, с точки зрения сопротивления деформациям, монолитный всегда является лучшим решением.
Особенно это касается устройства фундамента на глинистых грунтах – глинах и суглинках (которые дают медленную, но продолжительную деформацию под нагрузкой) - Ленточный со сваями. По другому такой фундамент называется – свайно-ростверковый. Сваи повышают несущую способность фундамента, но ведут к удорожанию возведения фундамента. Буронабивные сваи (сваи, изготавливаемые в грунте) можно использовать не во всех условиях. Так, если грунтовые воды находятся слишком высоко, бетон в скважину не залить. В этом случае придется сделать другой тип фундамента – на монолитной подушке, или монолитную плиту.
- На монолитной подушке. Такой тип фундамента можно выполнять, если несущая способность грунта невысокая и высоко стоят грунтовые воды – и выполнить буронабивные сваи из-за этого невозможно. Такой фундамент в сечении напоминает перевернутую букву «Т». Так же, такой тип фундамента целесообразен, если вы хотите сделать высокий цоколь на плохом грунте.
Ленточный фундамент на монолитной подушке (п.
Железный перебор, возводила компания House Concept)
Известно, что ленточный фундамент необходимо закладывать ниже глубины промерзания. Но внесем некоторую ясность. Ниже глубины промерзания надо закладывать подошву фундамента только в пучинистых – глинистых грунтах (глины и суглинки). В песчаном же грунте можно подошву фундамента закладывать и выше. Подготовка под фундамент тоже выполняется из непучинистых материалов – песка и щебня, и таким образом, при правильно выполненной подготовке, достаточной толщины, подошва может располагаться и выше линии промерзания грунта.
Этапы устройства:- Выравнивание основания
- Устройство песчано-щебеночной подготовки с вибротрамбованием
- Устройство бетонной подготовки (min 50мм). Бетонную подготовку можно заменить на укладку водонепроницаемой мембраны типа “Изостуд” – такая мембрана достаточно прочная на разрыв, и она не позволит просачиваться грунтовым водам снизу, а из фундамента не «убежит» цементное молочко
- Изготовление арматурного каркаса и установка его в проектное положение
- Прокладка необходимых инженерных коммуникаций, труб
- Сборка и установка опалубки, установка закладных проходов, хомутов, деталей
- Заливка бетона в опалубку с постоянным уплотнением глубинными вибраторами
- Уход за бетоном
- Снятие опалубки
- Уборка строительного мусора
Подбетонку можно заменить мембранной гидроизоляцией.
Главное – герметичное выполнение стыков (На фото – объект House Concept)
Но этим работы по устройству фундамента не заканчиваются. Необходимо будет выполнить его гидроизоляцию. А в дальнейшем – утепление и облицовку.
Обмазочная гидроизоляция фундамента (Комарова, House Concept)
Ленточный фундамент работает по типу балки. Все растягивающие напряжения в теле фундамента воспринимает арматура. Поэтому и расположение ее в ленточном фундаменте такое же, как и в балке – продольная арматура наибольшего сечения располагается в несколько рядов по нижней и верхней части фундамента. А арматура по средней линии фундамента и хомуты – выполняют конструктивную функцию. При установке арматурного каркаса важно выдержать защитный слой – в фундаменте (из-за непосредственного контакта с грунтом) он больше, чем в наземных конструкциях. Защитный слой – это расстояние от наружной части фундамента до арматурного стержня.
Согласно нормам защитный слой арматуры равен:
Для рабочей арматуры (кроме нижней) – 30мм;
Для нижней (с бетонной подготовкой) – 35мм;
Для нижней (без бетонной подготовки) – 70мм;
Для поперечной и конструктивной – 15мм.
Защитный слой рабочей арматуры
Еще один момент – при создании каркаса арматуру обязательно связывают вязальной проволокой, предварительно выполнив нахлест арматуры. Соединение с помощью вязальной арматуры можно делать, если ее диаметр не превышает 40мм. Но мы думаем, что вы не будете настолько расточительны, чтобы приобретать такую мощную арматуру 🙂
В ленточном фундаменте следует выполнять не менее:
Ар.D10мм – min нахлест 300мм
D12мм – 380мм
D16мм – 480мм
D18мм – 580мм
D22мм – 680мм
D25мм – 760мм
D28мм – 860мм
D32мм – 960мм
D36мм – 1090мм
D40мм – 1580мм
Эти цифры приведены для растянутой арматуры.
В балке растянутая арматура обычно – внизу. Но ленточный фундамент – это не совсем балка, так как работает в других от балки условиях. Здесь растяжение может возникать как внизу, так и в верхней части. Поэтому этих величин следует придерживаться для всей рабочей арматуры. Есть нормы для сжатой зоны – нахлест там меньше, чем для растянутой, поэтому здесь не приводим.
При прохождении арматуры углов, Т-образных стыков, рабочая арматура должна загибаться. Не допустимо выполнять в таких местах обрезать арматуру, необходимо ее загибать.
Стоимость ленточного фундаментаСкладывается из следующих составляющих:
- Геодезические работы
- Материалы на опалубку (доски в дальнейшем можно использовать, например, для стропильной системы)
- Щебень, песок (для подготовки)
- «Тощий» бетон или мембрана – под подошву фундамента
- Арматура, вязальная проволока
- Бетон
- Работа машин и механизмов (бетононасос, кран для разгрузки арматуры, и т.
п.) - Гидроизоляция обмазочная и оклеечная – мастика, рулонная гидроизоляция
- Транспортные услуги
- Работа строителей
- Мелкие расходы (гвозди, диски, макловица, ведра и т.д.)
Утеплённый плитный фундамент. Схема, разрез, чертёж
Утеплённый плитный фундамент. Схема, разрез, чертёж
<< Другие технологические схемы
Стены кирпич:
Стены газобетон:
Плитный фундамент представляет собой армированную, утеплённую, монолитную бетонную плиту толщиной 30-40 см под всей площадью дома. Такой фундамент хорошо подходит для мягких слабонесущих грунтов, когда нужно равномерно распределить массу дома по большой площади основания (уменьшив удельную нагрузку на грунт) и скомпенсировать морозное пучение грунта (для этого под плитой устраивается песчаная подушка толщиной 20-40 см, и обязательно утепляется грунт/отмостка).
Плита применяется при устройстве подвального/цокольного этажа, для этого её заглубляют на 2-2,5 метра от уровня грунта (на высоту подвала), и по ней выкладываются блоки ФБС, или заливается монолитная ж/б «лента» (стены подвала, цоколя). Если без подвала, то снимается верхний плодородный слой почвы (25-30 см) и ещё 10 см для запаса (итого 35-40 см). Если почвы сухие и плотные, дешевле и проще сделать ленточный фундамент на буронабивных сваях. Из плиты НЕ получится нормальный высокий цоколь (либо увеличивать толщину плиты).
Оптимальное давление на грунт при плитном фундаменте: для суглинков (наиболее часто встречающиеся почвы) – 0,35 кг/см2 (данные из таблицы). Примерно с такой силой давит на грунт двухэтажный коттедж из газобетона 10х12 метров, с деревянными перекрытиями, облицовкой фасада кирпичом и толщиной плиты 40 см. При этом нужно учитывать, что прочность на сжатие у ЭППС, который кладётся под плиту для утепления 0,35 кг/см2.
Если сильно превысить это значение, то ЭППС попросту порвёт/сомнёт. Тяжёлое строение раздавит утеплитель. Также, плита неудобна для низких участков и участков с большим уклоном (потребуется очень много земляных работ).
Мы не рекомендуем устраивать тонкую фундаментую плиту с «рёбрами» жёсткости. Во-первых, ЭППС почти гарантированно будет смят под рёбрами (где давление больше). Во-вторых, плиту делают очень тонкой, всего 10 см. С учётом того, что засыпка под плитой со временем осядет (появится зазор), у такой плиты крайне низкая несущая способность. Базовая (максимальная) расчётная нагрузка такой плиты около 400 кг/м2 без учёта веса самой плиты (250 кг/м2), стяжки, напольного покрытия, перегородок, статических (мебель, техника) и динамических (люди, животные) нагрузок (ещё 300 кг/м2)… К слову, у обычной «пустотки» (толщина 220 мм) максимальная расчётная нагрузка 800 кг/м2 без учёта собственного веса. За вычетом вышеуказанных нагрузок запас около 200 кг/м2.
Вместо тонкой плиты (если грунты позволяют) лучше сделать ленточный фундамент мелкого заглубления, и к нему пол по грунту («отвязан» от фундамента и не имеет минусов тонкой плиты).
Строительство ленточного глубокозаглубленного фундамента – цена под ключ
Фундамент ленточный глубокого заложения является надежным решением при строительстве больших и массивных каменных домов на неоднородных грунтах с различной несущей способностью и склонностью к просадкам в пределах участка под застройку.
Расчет глубокозаглубленного фундамента производится на стадии разработки проекта будущего дома, с учетом особенностей грунта и веса будущей вышележащей конструкции. Глубокозаглубленный фундамент ленточного типа предусматривается под всеми несущими перекрытиями – по периметру здания и внутри.
Строительство (заливка) фундамента глубокого заложения
При устройстве ленточного фундамента глубокого заложения придерживаются следующего порядка работ.
1. Планирование участка под застройку.
2. Разметка фундаментного поля в соответствии с проектом.
3. Рытье траншеи с учетом глубины залегания бетонной фундаментной ленты и песчаной подушки. При этом высота песчаной подушки должна составлять не менее 300 мм, а глубина заглубленной бетонной части – не менее 1400 мм. Ширина траншеи должна учитывать установку опалубки под заливку бетона.
4. По готовности траншеи ее дно подсыпается песком с обязательным уплотнением посредством проливки водой.
5. Монтаж опалубки на всю высоту заливки ленточного фундамента полного заглубления. Высота выступающей над грунтом части фундамента составляет не менее 600 мм. Поскольку объемы бетонных работ большие, опалубка должна иметь высокую жесткость и набираться из относительно толстых щитов, с применением дополнительных распорок. При монтаже опалубки предусматривают продухи и отверстия для подвода инженерных коммуникаций.
6. Установка арматурного каркаса (диаметр проволоки 12 мм) и вертикальной обвязки (диаметр проволоки 8 мм). Арматура в местах перехлестов увязывается специальной увязочной проволокой, поскольку сварка ослабляет сечение арматуры в местах соединений и не рекомендуется при проведении подобных работ.
7. Заливка бетона. При строительстве бетонного глубокозаглубленного фундамента мы используем бетон марки М300. Для прочности и надежности будущего фундамента бетонная смесь должна заливаться послойно, но с минимальной задержкой по времени (чтобы предыдущий слой бетона не начал схватываться). Сегментная заливка не допускается. В процессе послойной заливки и после заливки последнего слоя бетон в обязательном порядке должен подвергаться вибротрамбовке, чтобы гарантировано избежать непроливов и воздушных камер в массиве бетона.
8. Опалубку можно демонтировать через 5-7 дней, когда бетонный ленточный фундамент полного заглубления наберет достаточную прочность.
Время демонтажа определяется по факту в зависимости от погодных условий и прочих факторов.
9. После снятия опалубки ленточный фундамент глубокого заложения гидроизолируется посредством мастик или рулонных гидроизоляционных материалов, а все полости между грунтом и бетонной лентой засыпаются песком или ранее выкопанным грунтом. Обратную засыпку также тщательно трамбуют, но осторожно, чтобы не повредить гидроизоляционный слой.
В конце этих работ фундамент ленточный полного заглубления оставляют на «усадку». Продолжать работы по возведению дома можно будет через несколько недель.
Преимущества ленточного фундамента глубокого заложения
Несмотря на большие трудозатраты и материалоемкость, ленточный фундамент глубокого заложения обладает неоспоримыми преимуществами.
1. Универсальность – глубокозаглубленные бетонные фундаменты подходят для строительства каменных домов почти на любых типах грунта.
2.
Высокая надежность, несущая способность и долговечность.
3. Отличная сопротивляемость внешним воздействиям.
4. Возможность обустройства цокольных этажей и подвалов.
Свайные фундаменты с монолитным ростверком
Фундамент свайного типа с монолитным ростверком возводится в несколько этапов, включающих проведение земляных работ, монтаж опор, установку ростверка и обустройство цоколя. Конструкция имеет универсальную схему, состоящую из буронабивных свай, создаваемых с применением монолитного бетона и армированных каркасом, монолитного ростверка, горизонтально расположенной гидроизоляции и продуха.Этапы проведения работ по возведению фундамента с ростверком
Предусмотрено проведение работ в несколько этапов:- бурение скважины – используются специальные агрегаты;
- погружение сваи;
- монтаж пространственного арматурного каркаса – обустраивается под каждую сваю;
- бетонирование свай;
- установка ростверка.

Ростверк устанавливается с предварительным монтажом опалубки и последующим армированием ленты. Предусмотрено объединение арматуры ростверка и опор, благодаря чему удаётся добиться защемления свай, обеспечивающее совместную работу.
Виды ростверков для свайных фундаментов
Ростверк, представляет собой сегмент фундамента, объединяющий в единое целое несущие элементы. Формируется конструкция из двутавровых стальных балок и бывает 2-х типов:- высокая – располагается на расстоянии 0,1 – 0,15 метров над уровнем грунта и существенно снижает воздействие земли на систему соединений во время пучинистости;
- повышенная – основание кладётся на грунт, а свободное пространство между землёй и полом отсутствует. Воздействие пучинистости нивелируется с помощью выемки почвы из-под основы;
- заглублённая – закладывается ниже уровня почвы с выемкой грунта из-под конструкции.
Подготовка к работе с монолитным ростверком
Предварительно проводятся подготовительные мероприятия, заключающиеся в следующем:- обрубка оголовок свай;
- промывка, очистка и просушка верхнего сегмента опор;
- формирование опалубки – если используется съёмная конструкция, то требуется позаботиться о защите от бетона;
- заливается монолитный ростверк – следует укладывать раствор горизонтально ориентированными слоями на протяжении всей поверхности.

Формирование арматурного каркаса для монолитного ростверка
Повышение уровня прочности достигается с помощью процесса армирования, улучшающего сопротивляемость бетона и препятствующего воздействию изгибающих нагрузок. Если пренебречь обустройством арматурного каркаса, то ростверк треснет. Работы заключаются в формировании 2-х поясов, с использование 2-х арматур диаметром 1,2 см, способствующих нивелированию деформационных воздействий.Каркас погружается в смесь бетона, а его верхний сегмент выглядывает на расстоянии 5 см. Получается стальная сетка, созданная из ребристой арматуры, установленной с шагом 0,4 м. Объединение конструкции выполняется с помощью вертикальных прутов.
технология свайного фундамента с монолитным ростверком
Работы будут проводиться в соответствии со следующей технологией возведения свайного фундамента с монолитным ростверком:- составление чертежей – указывается разрез фундамента, делается разметка, вносятся данные, позволяющие начать строительство;
- бурение шурфов – если используются заводские сваи, то требуется просто забить их в грунт;
- устанавливается опалубка – используются деревянные доски;
- выкапывается траншея – используется под монолитный ростверк и заливается бетонной смесью;
- заливка свай с ростверком;
- выдержка фундамента – осуществляется в течение месяца, до полного набора прочности фундаментом.

Полезные материалы
Фундамент с ростверком на сваях
Особенностью строительства домов в средней полосе России, и особенно в Подмосковье, является частая необходимость возведения свайных фундаментов.
Заказ свайного фундамента с монолитным ростверком
Если вы хотите заказать установку свайного фундамента с монолитным ростверком, то обратитесь в нашу компанию «Установка Свай». Работы проводятся качество и в установленные сроки. Используются хорошие стройматериалы с высоким запасом прочности. Предоставляются гарантии, подтверждающие высокий уровень профессионализма сотрудников компании. Всецело соблюдается технологический процесс, и создаются персональные чертежи, позволяющие создать надёжную и прочную конструкцию, готовую служить много лет.
Что это такое и зачем оно вам нужно?
Рендеринг экстерьера жилого дома с помощью BluEntCAD
Невозможно успешно выполнить любой строительный проект без чертежа фундамента .
Без прочного фундамента ваше здание будет опасным, ненадежным и не прослужит долго. Жизненно важно обеспечить устойчивость конструкции к землетрясениям, а также к дождю и ветру.
В этой статье мы расскажем вам об определении и важности планов фундамента.
Что такое фонд?
Прежде чем мы приступим к чертежам плана фундамента, давайте определим фундамент.
Фундамент – это самая нижняя часть конструкции, зажатая между зданием и землей. Его цель – распределить нагрузку от дома на почву. Обязательно, чтобы он выдерживал вес здания.
Обычно фундаменты строятся из заливного бетона или кирпичной кладки, например из кирпича или бетонных блоков.
Кладка устойчива к повреждениям грунтом и влагой, имеет высокую прочность на сжатие.Кладочный фундамент защищает другие материалы, выступая над землей. Такой фундамент обычно армируют другими материалами, например металлом.
В некоторых случаях фундаменты создаются с помощью опор или столбов из обработанной древесины.
Они либо опираются на бетонные или каменные опоры, либо вбиваются глубоко в почву. Пирсы и столбы часто используются там, где земля подвержена наводнениям, или когда строят на водоеме или рядом с ним.
Трудно переоценить важность правильного фундамента.Плохой фундамент имеет эффект домино. Если он не служит стабильной отправной точкой, то стены, опорные балки и основание последуют его примеру.
Следовательно, если вы не вложите соответствующие средства в чертеж плана фундамента, это может привести к опасности здания и к дорогостоящим модификациям и ремонту.
Что такое план чертежа фундамента?
Чертеж плана фундамента предлагает вид здания сверху, то есть вид сверху на фундаментные стены. Показано:
Площадь и расположение.
Балки, балки, колонны / опоры и проемы.
Размеры и внутренний состав.
Планы фундамента в основном используются строительной бригадой и являются частью строительной документации.
Как следует из названия, они предполагают разработку плана фундамента здания.
Создание плана фундамента – это узкоспециализированная функция. Как правило, это делает инженер-строитель и включает в себя обширное исследование как грунта под фундаментом, так и материалов, используемых для фундамента.
План фундамента основан на информации, содержащейся в планах фасада, планах этажей и плане участка.
План помещения от BluEntCAD
Требования к чертежу плана фундамента
Следующий контрольный список функций поможет вам гарантировать, что ваш план соответствует требованиям. Он не является исчерпывающим, но может служить хорошим ориентиром:
Размеры и расположение дверей
Отопительные приборы
Наружные стены
Существующие пристроенные конструкции
Сантехника
Дымовая сигнализация
Расположение дровяной печи
Расположение камина
Дренаж и поддон (при необходимости)
Размеры и названия комнат
Размеры и расположение окон
Опоры фундаментных стен, колонн и опор
Карликовые стены
Размеры и примечания
Если план фундамента предполагает нестандартную конструкцию или представляет собой перекрытие на уровне грунта, необходимо предоставить профессиональный проект с печатью.
Шаги по созданию чертежа основания
Выберите расположение конструкции
Выберите масштаб для вашего чертежа
Найдите на плане этажа очертания фундаментных стен
Чертеж фундаментных стен, колонн и опор
Используйте разрывы в стенах, чтобы обозначить двери, окна, вентиляционные отверстия и отверстия для доступа
Чертеж опор для фундаментных стен, затем для колонн и опор и, наконец, для дымоходов и каминов
При необходимости начертите опорную балку с обозначением осевой линии
.Отображение направления, расстояния и размера ферм или балок перекрытия
Добавьте необходимые размеры и сечения
Требуется письмо
Настенные рисунки в тени
Разница между планом фундамента и планом подвала
Можно легко спутать план подвала с планом фундамента, тем более что процедуры рисования одинаковы.
Однако важно отметить их различия. Чертеж плана фундамента предоставляет необходимую информацию людям, строящим фундамент.
С другой стороны, план подвала включает и план фундамента и план этажа, а также показывает лестницы, окна, двери, внутренние стены и встроенные приспособления.
Заключение
Мы надеемся, что эта статья дала вам представление о чертежах плана фундамента.
Получить их правильно может быть непросто, и лучше всего сделать это с помощью профессиональных служб строительной документации .BluEntCAD обслуживает жилищных застройщиков, архитектурные и инженерные компании, домашних дизайнеров и девелоперов недвижимости для крупных и средних проектов в сфере гостеприимства, коммерческих и жилых проектов.
Готовы сделать ваш строительный проект успешным с помощью точной строительной документации ? Свяжитесь с нами прямо сейчас!
Как читать и понимать планы
Инструкции
Итак… Вы готовы приступить к этому добавлению, вы получили планы от своего архитектора или рисовальщика, но вы не можете разобраться в них.
Может быть, этот раздел поможет вам немного просветить.
На следующей странице список чертежей плана с пояснениями.
Рабочие планы – это набор планов, на которые строители и другие специалисты обращаются и работают на протяжении всего строительства проекта.
Рабочие планы – это также планы, которые подаются в местную строительную администрацию (вместе с любой другой документацией, которая может потребоваться) при подаче заявления на разрешение на строительство.
Обычно требуется несколько наборов планов, два или три для строительной администрации при подаче заявки на разрешение и различное количество наборов для отправки торговцам и магазинам строительных материалов при поиске предложений.
Никакие работы не могут быть начаты до тех пор, пока соответствующий орган не даст разрешения.
Утвержденная (проштампованная) копия планов должна постоянно находиться на рабочем месте на протяжении всего строительства. Строительный инспектор подписывает утвержденные планы каждый раз, когда проводит инспекцию.
Все необходимые проверки будут перечислены в документации, сопровождаемой утвержденными планами.
Buildeazy составил простой набор рабочих планов для объяснения деталей.
Планируется пристройка к фиктивному дому.
Требования к плану и разрешениям варьируются от места к месту.
Если вы собираетесь составить собственный план или выполнять какие-либо строительные работы, обратитесь в местный строительный департамент, чтобы узнать, какие конкретные потребности связаны с местными строительными нормами или местными властями, чтобы получить разрешение на строительство.
Примеры планов в этой статье относятся к пристройке площадью 34 кв. М (366 кв. Футов) к фиктивному дому.
Конструкция представляет собой пол из бетонных плит, облицованный кирпичом, деревянный каркас и легкую черепичную крышу на деревянных фермах.
Рабочие планы
обычно включают следующее:
План участка:
План участка (план участка) показывает размещение существующего здания и предлагаемое дополнение.
На плане участка также показаны границы участка, расположение коммуникаций (ливневая канализация, канализация и т. Д.).) и относительные уровни этажа, готовой земли и услуг. На наклонных участках нужны контурные сетки, показывающие подъем и опускание земли.
Пример и пояснение плана участка – Страница 3
План фундамента или опоры:
План фундамента или опоры показывает затраты и размеры фундамента / опор и любой необходимой стальной арматуры.
Пример и объяснение плана фундамента. – Страница 4
План высот:
План высот больше похож на чертеж внешней части пристройки, чем на план, хотя он все еще выполнен в масштабе.План возвышения дает хорошую перспективу неопытному глазу.
Пример и пояснение плана фасада – Страница 5
План этажа:
План этажа (след) показывает расположение стен, а также двери и окна, а также размеры дверей и окон, единицы например, туалетные столики, ванны и т.
д., а также целевое использование комнат. План этажа выполнен в масштабе, а стены и т. Д. Имеют размеры.
Пример и пояснение плана этажа. – Страница 6
План крыши:
На плане крыши показан вид сверху (вид сверху) компоновки крыши, а также места расположения ферм / стропил и т. Д.
Пример и объяснение плана крыши – Страница 7
План раскосов:
На плане раскосов показано, куда идут распорки стены и какой тип распорок требуется.
Пример и объяснение плана раскосов – Страница 8
План поперечного сечения и пример деталей:
План поперечного сечения – это план, взятый из поперечного сечения плана этажа. Линия сечения отмечена флажками. На поперечном разрезе указана конструкция, размеры пиломатериалов и высота помещения.
Детальный план – это увеличенная (увеличенная) часть плана для большей четкости деталей.
Пример и объяснение плана и детали поперечного сечения – Страница 9
Спецификации:
Спецификации содержат описание всех используемых материалов, размеров, расстояний и т.
Д., А в некоторых случаях вплоть до того, какой тип краски использовать и как много пальто.
Иногда спецификации представлены в отдельном документе, но иногда (в основном для небольших работ) спецификации включаются в чертежи плана.
План участка:
На этом плане показано расположение и размер предлагаемого пристройки, а также услуги ливневой канализации и канализации. На этом плане также показано, где новые канализационные сети будут соединяться с существующей линией и уровнем готового пола (F.F.L.) по отношению к крышке канализационного люка и перевернутой канализации.
План нарисован в масштабе и включает размеры границ плюс расстояние от предлагаемого дополнения к границе.
План фундамента:
A: на чертеже выше
Эти размеры отмечают опоры.
В этом случае верхняя линия показывает общее измерение ширины здания, средняя линия показывает общий размер ниш в здании, а нижняя линия показывает, где проходят бетонные блоки.
B: на чертеже выше
Эти линии показывают, куда идут работы блока и опоры. Непрерывные прямые линии отмечают, где проходят 200-миллиметровые (8 ″) бетонные блоки, а сплошные пунктирные линии отмечают, где проходят опоры шириной 300 мм (12 ″), по 50 мм (2 ″) с каждой стороны от линии бетонных блоков.
C: на чертеже выше
Опора по периметру «300 × 300 (12 ″ x 12 ″) с 2 стержнями D12 (2 арматурных стержня №4) и звеном / пускателями D10 (арматура №3) при 600crs (24 ″ OC ) нахлестайте 600 (24 дюйма) на плиту »
Это означает, что опора будет непрерывной, шириной 300 мм (12 дюймов) и глубиной 300 мм (12 дюймов). Пунктирными линиями на плане отмечен контур фундамента. Две штанги D12 (арматурный стержень №4) проходят по всей длине основания и связаны проволочной стяжкой с звеном / пускателями D10 (арматурный стержень №3), разнесенными через каждые 600 мм (24 ″).Звено / пускатели D10 (арматурный стержень №3) должны входить в бетонную плиту не менее чем на 600 мм (24 дюйма).
Для лучшего понимания взгляните на план поперечного сечения
Примечание: стержень D12 означает деформированную сталь толщиной 12 мм. Это метрика. Эквивалент в британской системе мер (США) – арматурный стержень №4 толщиной 1/2 дюйма.
D: на чертеже выше
«Сверло и эпоксидная смола длиной 700 (28 дюймов) D12 (арматурный стержень № 4) вводит 100 мм (4 дюйма) в существующую плиту и фундамент под давлением 600crs (24 дюйма на открытом воздухе)».
Это означает просверливание 12-миллиметровых (1/2 ″) отверстий не менее 100 мм (4 ″) глубиной в стороне существующей бетонной плиты через каждые 600 мм (24 ″) друг от друга.Приклейте в отверстия (эпоксидной смолой) куски деформированной стали толщиной 12 мм (1/2 дюйма) длиной 700 мм (28 дюймов). Это связывает новые бетонные опоры и бетонную плиту с существующими.
Примечание:
Стальные стержни (D12, D10 и т. Д.) Можно приобрести у большинства крупных поставщиков строительных материалов и имеют длину 6 метров.
Станки для гибки стали и резаки можно взять напрокат в большинстве фирм по аренде.
Примечание:
В США стальные стержни называются арматурными стержнями, а стержень D12 будет таким же, как арматурный стержень №4, который имеет толщину 1/2 дюйма.# 2 = 1/4 ″, # 3 = 3/8, # 4 = 1/2 ″ и так далее с шагом 1/8 ″ для каждого # 1.
План высот:
План высот больше похож на чертеж внешней стороны пристройки, чем на план, хотя он все еще выполнен в масштабе. План возвышения дает хорошую перспективу неопытному глазу. Также наглядное представление о том, как земля наклоняется.
План этажа:
План этажа (след) показывает расположение стен, а также двери и окна, а также размеры дверей и окон, таких элементов, как умывальники, ванны и т. д. и назначенное использование комнат.
План этажа выполнен в масштабе, стены и т. Д. Имеют размеры.
Размеры:
Приведены габаритные размеры внешних стен (линия застройки), внутренние размеры помещения от стены до стены, толщина внешних и внутренних стен.
Флаги:
Заостренные предметы на приведенном выше плане с цифрой 1 наверху. Это отмечает точку на плане поперечного сечения.
Двери:
Ширина двери, указанная на плане этажа, является фактической шириной двери и не учитывает косяки двери или люфт.Для двери со стандартными косяками добавьте еще 50 мм (2 ″) к размеру проема в плане.
Окна:
Размер окна (алюминия) на плане помещения равен размеру коробки. Это точный размер деревянных выступов или косяков, окружающих окно, поэтому проем рамы должен быть на 10 мм (3/8 ″) больше, чем размер окна на плане.
Например, одно из размеров окна на приведенном выше плане составляет 600 × 2200. (24 ″ x 88 ″). Это означает, что окно имеет высоту 600 мм (24 ″) и ширину 2200 мм (88 ″), поэтому проем, встроенный в раму (размер обрезки), должен быть 610 мм (24 3/8 ″) в высоту x 2210 мм. (88 3/8 ″) в ширину.
План крыши:
На плане крыши показан вид сверху (вид сверху) компоновки крыши, места расположения ферм / стропил и т.
Д., А также любые требования к распоркам крыши .
План раскосов:
На плане раскосов показано, куда идут распорки стены и какой тип распорок требуется.
План поперечного сечения:
План поперечного сечения – это план, взятый из поперечного сечения плана этажа.Линия сечения на плане этажа отмечена флажками.
На плане в разрезе показаны конструкция, размеры древесины и высота помещения, а также множество технических характеристик.
Детальный план – это увеличенная (увеличенная) часть плана для большей четкости деталей.
Требования к проекту: специалисты по проектированию – крепление, опора фундаментов и наземных сооружений
Применимость кодекса и зонирование
Существующий проект реконструкции здания может быть подан либо в соответствии с текущими Кодексами, Строительными кодексами Нью-Йорка 2014 года (Административные, Строительные, Сантехнические, Топливный газ и Механические Кодексы), либо в соответствии с Предыдущими Кодексами, такими как Кодекс 1968 года, Кодекс 1938 года или более ранние Кодексы.
, в зависимости от возраста существующего здания; ссылка КоАП Раздел 28-101.4. Зарегистрированный специалист по проектированию обязан датировать здание, чтобы определить применимые коды и определить, что требуется для обеспечения устойчивости конструкции.
Flood Plains, BC Приложение G, необходимо учитывать при выполнении ремонтных работ, связанных с почвой и фундаментом, а также при установке подпорных стен.
Однако есть исключения, если используются предыдущие коды, согласно AC 28-101.4.3. Например, Код 2014 года должен использоваться для обеспечения безопасности во время строительных работ, специальных и текущих проверок, посягательств на общественную полосу отвода и некоторых аспектов строительных работ.
Ремонтные работы должны также соответствовать действующему Кодексу энергосбережения Нью-Йорка и применимым местным законам, правилам и постановлениям.
Если требуется объем работ по проекту, ремонт должен также соответствовать правилам, постановлениям, законам и кодексам других городских агентств, таких как Пожарная служба Нью-Йорка (FDNY), Отдел охраны окружающей среды Нью-Йорка (DEP), Транспортная служба Нью-Йорка ( DOT), Комиссия по достопримечательностям Нью-Йорка, Департамент охраны окружающей среды штата Нью-Йорк и другие.
* Примечание. Хотя ниже приводится список основных правил зонирования, Кодекса и других нормативных актов, которые могут иметь отношение к дизайну проекта, он не охватывает ВСЕ нормативные требования. *
Коды
ПРИМЕЧАНИЕ. Новые заявки на здания, возведенные в соответствии с Кодексом от 2008 года, должны соответствовать Кодексу 2014 года, как того требуют AC §28-101.4 и §28-102.4.3. Ваше здание может регулироваться Кодексом до 1938 года, основанным на Кодексе того времени, когда оно было построено.
Зонирование
Другие правила для справки
- BB 2009-011 – Разъясняет требования к использованию существующих конструкций для выдерживания веса бетона во время укладки, включая проверки
- BB 2009-026 – Полевые и лабораторные испытания монолитного бетона.
- BB 2010-015 – Подъем и перемещение зданий, включая временные опоры, опоры и распорки в процессе строительства.
- BB 2014-020 – Критерии приемки для использования систем винтовых свайных фундаментов в соответствии со Строительными нормами Нью-Йорка
- BB 2016-012 – Уточняет, как рассчитывается площадь пола в соответствии с AC 28-101.
4.5.
ТППН
- ТППН №10 / 88 – Защита прилегающих исторических зданий и сооружений
Местные законы
- 1 RCNY 16-01 – Устойчивость и целостность существующих конструкций во время строительных работ
- 1 RCNY 101-06 – Специальные инспекторы и специальные инспекционные агентства
- 1 RCNY 103-04 – Процедуры осмотра фасада, включая подпорные стены
Если этого требует объем работ по проекту, ремонт также должен соответствовать правилам, постановлениям, законам и кодексам других городских агентств, таких как Пожарная служба Нью-Йорка (FDNY), Транспортная служба Нью-Йорка (DOT), Комиссия по достопримечательностям Нью-Йорка, NYC Transit (MTA), Департамент охраны окружающей среды (DEP), Департамент охраны окружающей среды штата Нью-Йорк (DEC), различные коммунальные компании и другие.
Руководство по представлению планов проектов реконструкции
Перед подготовкой проектной документации и строительных чертежей Зарегистрированный специалист по проектированию должен выполнить предпроектную проверку, в ходе которой будут проанализированы все существующие строительные элементы, системы и другие компоненты, затронутые предлагаемым объемом работ, чтобы убедиться, что проект будет соответствовать требованиям.
и зонирование. Исходя из сложности и масштаба проекта, информация, представленная на чертежах, должна четко демонстрировать всю работу, необходимую для завершения проекта в соответствии со статьей 104 AC 2014 или 107 BC 2014 года.2. Для опор и других опор земляных сооружений (опоры, подпорные стены и т. Д.) Подготовьте отчет о предварительном строительстве в соответствии с BC 1814.1 и предоставьте программу мониторинга для обеспечения структурной устойчивости существующих смежных сооружений в соответствии с BC 1814.3.
В соответствии с AC 28-101.2 цель Строительных норм и правил заключается в обеспечении разумных минимальных требований и стандартов, основанных на текущих научных и инженерных знаниях, опыте и методах, а также использовании современных машин, оборудования, материалов, форм и методов. строительства, для регулирования строительства зданий в городе Нью-Йорк в интересах общественной безопасности, здоровья, благополучия и окружающей среды, а также с должным учетом затрат на строительство и обслуживание зданий.
Руководящие принципы DOB, изложенные в следующем разделе IV, пункт C, обеспечивают организованный подход к подготовке строительной документации; это облегчит процесс обзора плана. Чертежи должны четко указывать существующее состояние, предлагаемое состояние и любую область, на которую распространяется объем работ.
Полная подача строительной документации
Строительные чертежи должны отражать всю работу, включая несколько дисциплин, таких как архитектурные, строительные, сантехнические, электрические, механические и другие. должен иметь тесную координацию между всеми дисциплинами для предлагаемого объема работ для обеспечения соответствия Кодексу; ссылки на AC 28-104.7 и BC 107.2 и Руководство по изучению плана – Минимальные требования к анализу чертежей проекта, пересмотренное 4-30-2014.
Полный комплект чертежей должен включать:
Строительная документация . Чертежи, необходимые для передачи важной информации, такой как копия знака, размер знака, структурная опора или система крепления, отметки и детали.
Весь объем работ должен быть четко обозначен на представленных чертежах. Применимые разделы, текст или примечания к Постановлению о зонировании (ZR) и Строительным нормам (BC) должны быть указаны на чертежах, как требуется для демонстрации соответствия. На чертежах должна быть указана шкала; рекомендуется графический масштаб.
- Титульный лист . Должен четко описывать местоположение проекта, включая прилегающие улицы, свойства, район зонирования местоположения, и включать сопровождающую графическую шкалу.Должно быть включено письменное заявление, описывающее весь объем проекта. Должны быть предоставлены примечания по классификации занятости здания, структурной системе и / или отдельной структурной опорной системе, а также группе использования зонирования.
- Указатель чертежей . Рекомендуемый список, в котором четко указаны все чертежи, задействованные в проекте; включать номера листов чертежей и названия чертежей.
- Первоначальное обследование .
Обследование может быть представлено в дополнение к диаграмме участка или вместо нее, если указана безопасная зона.
- Участок / план участка . План с указанием квартала и участка, участка для зонирования и точного расположения и размера предлагаемого знака и / или конструкции знака, а также расположения, размера и площади всех других знаков на участке для зонирования. Приложите доказательство того, что на все существующие знаки были ранее выданы разрешения.
- Анализ зонирования . Анализ зонирования для проверки расположения предлагаемых построек разрешен во дворах, на кортах или на открытом пространстве. Четко укажите все прилегающие районы зонирования (или детали текущей соответствующей карты районов зонирования).
- Планы . При необходимости показать существующие и предлагаемые условия; четко обозначьте местоположение (а) и предоставьте чертежи с размерами. Согласуйте со всеми профессиями / дисциплинами, чтобы гарантировать, что предлагаемый объем работ будет завершен и показан на всех представленных чертежах дисциплин.

- Отчет: Предоставьте чертеж и подробную информацию о программе мониторинга для обеспечения структурной устойчивости структуры проекта и всех существующих смежных структур в процессе строительства.
- Отметки . Требуется, если проект предусматривает изменение, расширение, уменьшение, обновление, ремонт или модификацию фундамента здания или внешней стены. При необходимости предоставьте чертежи с размерами, показывающими существующие и предлагаемые условия. Обеспечьте возвышение верхней части плиты подвала / цокольного этажа.
- Разделы . Требуется, когда проект включает изменение, расширение, уменьшение, обновление или модификацию здания, включая поперечные и продольные сечения всей или части конструкции или фундамента здания.
- Детальные чертежи . Эти чертежи содержат важную информацию, необходимую для четкого обозначения объема работ в увеличенном виде, такую как новые и существующие детали структурных соединений, детали стен, детали фундамента и т.
Д.
- Обеспечить нижнюю отметку (ниже уровня земли) всех предлагаемых опор и существующих прилегающих опор зданий;
- Детали опалубки, подпорных стен, опор или дополнительных элементов структурного армирования, включая последовательность строительных операций; и
- Детали, чтобы не повредить прилегающие конструкции во время строительства.
- Кодекс энергосбережения Нью-Йорка (NYCECC) . Если объем проекта включает одно из следующего, то продемонстрируйте соответствие NYCECC на планах:
- Проникновение в тепловую оболочку здания и / или воздействие на изоляцию здания;
- Защита оголенной изоляции фундамента, применяемая с внешней стороны стен подвала, стен подползников и периметра плит перекрытия.
Если применимо, дополнительные элементы, необходимые на чертежах, включают:
- Соответствие зоны затопления
- Планы безопасности на объекте
- План защиты арендатора / пассажира
Подача строительной документации
При подаче строительной документации в Департамент зарегистрированный специалист по проектированию, заявитель записи, несет ответственность за предоставление полного комплекта при подаче: заявки, чертежей и согласования необходимых документов, как кратко изложено ниже.
1. Чертежи. Чертежи проекта реконструкции должны четко отражать объем работ и включать все затронутые системы. Примеры этого:
Обозначение – Номер листа: Описание листа Т-001.00 Титульный лист, план участка, указатель чертежей, общие примечания, список требуемых специальных / текущих проверок и легенды Z-101.00 Анализ зонирования и информация А-100.00 Архитектурные планы и детали Б-101.00 Бурение и / или геотехнические испытания и результаты FO-101.00 Предлагаемые планы и детали фундамента С-101.00 Структурные планы и детали SG-101.00 Планы знаков, отметки и детали опорных конструкций СОЭ-101.00 Поддержка земляных работ – выемка грунта, насыпь, опора, ограждение, опора, распорка, подпорные конструкции, план мониторинга строительства, строительные примечания, планы укладки свай и связанные детали SSP-101. 00
План обеспечения безопасности площадки EN-100.00 Анализ энергетического кодекса и примечания Обозначения на чертеже должны включать: символы, сокращения, примечания и определения.
Рекомендуемые обозначения на чертежах
T: Заголовок / обложка: Рекомендуемое обозначение для титульной страницы чертежа.
A: Architectural: Обязательное обозначение для чертежей, показывающих архитектурные работы.
B: Буровые скважины / Геотехническая информация: Включает исследования недр и испытания грунта.
FO: Фундамент: Обязательное обозначение чертежей при подаче фундаментных работ.
S: Конструкция: Обязательное обозначение чертежей при подаче документов на строительные работы.
SG: Знак: Обязательное обозначение чертежей, когда работа подается отдельно для разрешения на вывеску.
SOE: Поддержка земляных работ: Обязательное обозначение при заполнении строительной документации с подтверждением прилегающих свойств и сооружений во время строительства.Включает: выемку грунта, насыпь, опору, обшивку, опалубку, распорку, укладку свай и т. Д.
SSP: План обеспечения безопасности на площадке: Обязательное обозначение, когда требуется план безопасности на площадке, который подается в BEST.
Z: Зонирование: Обязательное обозначение должно использоваться для всей информации о зонировании и анализа.
EN: Энергетический анализ: Обязательное обозначение, если требуется энергетический анализ.
2. Необходимые документы. В зависимости от местоположения здания, назначения и объема работ по проекту при приемке чертежей могут потребоваться следующие документы:
- Разрешение OER – Согласование с требованиями ZR “little-e”
- План защиты арендатора / пассажира (только если применимо)
- Одобрение HPD – Письмо об отсутствии притеснений в отношении арендаторов, при необходимости
- SRO MD Контрольный список по борьбе с домогательствами для жилых домов
- Одобрение транзитных властей
- Сертификат DOT
- Сертификат Landmark
- Одобрение комиссии по общественному дизайну
- Сертификат DEC
3.
Поправки к утверждению поста . Любые изменения утвержденного объема работ, которые являются значительными и существенными, потребуют представления пересмотренного документа и / или планов для внесения поправок после утверждения (PAA). Утверждение на поправку должно быть получено до завершения работы. Несущественные изменения не требуют PAA; однако эти изменения должны быть отображены на планах и включены в представление «как построено» в конце проекта (AC 28-104.3)
Существенные изменения, соответствующие следующим критериям, должны быть представлены на рассмотрение для внесения поправок в утвержденные планы:
- Изменения в объеме работ, требующие дополнительных, измененных или исключенных Специальных или текущих проверок.
- Изменение в системе мониторинга госпредприятий или прилегающих зданий
- Изменение конструкции конструктивной системы, например переход от стальной к бетонной конструкции
- Прочие текущие конструктивные изменения конструкции в зависимости от полевых условий по мере необходимости
4.
Построенное представление. Все изменения должны быть представлены в виде чертежа «As-Built» в конце проекта. Любые изменения, влияющие на энергетический анализ, потребуют обновления энергетического анализа.
Специальные проверки
Согласно Главе 17 Британской Колумбии, ремонтные работы могут потребовать проведения определенных специальных и текущих проверок во время и в конце строительства, как указано в таблице ниже. Перед утверждением от заявителя записи требуется указать все необходимые специальные и текущие проверки (BC 1704.1). Перед выдачей разрешения на DOB Владелец должен, как правило, нанять зарегистрированное Специальное инспекционное агентство (SIA), которое возьмет на себя ответственность за специальные и текущие инспекции.Зарегистрированный заявитель может проводить эти проверки, если он также является SIA. О несоответствиях при проверке и об опасных условиях необходимо сообщить руководителю строительства, а также координатору по безопасности на объекте или менеджеру по безопасности на объекте для исправления в соответствии с BB 2016-006 и 1 RCNY 101-06.
Согласно BC 1704.1.2, Подрядчик не может нанять Специального инспектора.
В зависимости от объема работ может потребоваться проект вывески для соответствия следующим требованиям специальной и текущей инспекции:
Конструкционная сталь | Может включать сварку стали, высокопрочные болтовые соединения и стальные детали (BC 1704.3). |
Бетон монолитный и сборный | Обязательно, если вы не соблюдаете исключения, перечисленные в BC 1704.4 |
Конструкционная устойчивость – существующие здания | Любая модификация существующих структурных систем или элементов, таких как колонны, балки, балки, несущие стены и т. Д., Где нарушается стабильность или целостность структурной системы, в соответствии с разделами BC 1704. |
Земляные работы – Обшивка, опора, распорки и опора | Методы, используемые для защиты сторон раскопок, подлежат специальным проверкам в соответствии с разделами BC 1704.20.2 – BC 1704.20.10 и BC 1814. |
Огнестойкие конструкции и балки, а также соответствующие проходки | Специальные инспекции для проникновения в огнестойкие элементы и сборки и связанных с ними противопожарных заглушек в соответствии с разделами BC 1704.27.1 и 1704.27.2. Инспекция выполнения работ по огнестойкости конструкции по BC 110.3.4. |
Каменная кладка | Несущая кладка, кладка стеклопакетов и облицовка каменной кладкой должны быть проверены и проверены в соответствии с требованиями разделов BC 1704.5.1 – BC 1704.5.3, в зависимости от структурной категории занятости здания или сооружения. |
Опоры и фундамент | Осмотр основания и фундамента должен проводиться после того, как земляные работы для фундамента будут завершены и все необходимые арматурные стали и необходимые формы будут на месте согласно BC 110.3.1. |
Условия грунтового основания | Существующие подземные условия, такие как грунт, уплотнение, буровые скважины, испытательные ямы, уровень грунтовых вод и т. Д., Чтобы лучше оценить фундамент опорной конструкции и потребности фундамента согласно BC 1704.7. |
Глубокие фундаментные элементы | подлежат специальным проверкам в соответствии с BC 1704.8. |
Анкеры после установки | Установка механических анкеров, клеевых анкеров и анкеров-шурупов после установки должна соответствовать Таблице 1704 BC. |
Предварительная | Перед утверждением строительной документации комиссар уполномочен осмотреть или вызвать для проверки конструкции или помещения, на которые была подана заявка в соответствии с AC 28-116.2.1. |
Заключительная проверка | Окончательная проверка требуется до выдачи письма о завершении в соответствии с AC 28-116.2.4.2 и BC 110.5. |
Проверки соответствия энергетическому кодексу |
|
Профессиональные ссылки для дизайна
Полезные ссылки
Виды чертежей для проектирования зданий
В процессе проектирования и строительства зданий можно использовать множество различных типов чертежей. Некоторые из наиболее часто используемых типов рисунков перечислены ниже со ссылками на статьи, содержащие дополнительную информацию.
См. Также: Видеообзор разных типов чертежей.
А: Типы проекции.
В строительные проекты обычно вносятся изменения во время строительства из-за обстоятельств, возникающих на месте. В результате обычно готовятся исполнительные чертежи либо в процессе строительства, либо после завершения строительства, чтобы отразить то, что фактически было построено.
Подрядчик, как правило, отмечает изменения в чертежах «окончательного строительства» на месте с помощью красных чернил, которые затем могут быть использованы командой консультантов для создания протоколов чертежей, показывающих завершенный проект.
Для получения дополнительной информации см .: Рабочие чертежи и записанные чертежи.
Сборочные чертежи могут использоваться для представления элементов, состоящих из более чем одного компонента. Они показывают, как компоненты сочетаются друг с другом и могут включать в себя ортогональные планы, разрезы и фасады, или трехмерные виды, показывающие собранные компоненты, или покомпонентный вид, показывающий взаимосвязь между компонентами и то, как они сочетаются друг с другом.
Для получения дополнительной информации см .: Сборочный чертеж и Покомпонентный вид.
Блочные планы обычно показывают расположение проекта по отношению к картам управления боеприпасами. Условные обозначения используются для обозначения границ, дорог и других деталей.
В зависимости от масштабов проекта рекомендуемые масштабы:
- 1: 2500
- 1: 1250
- 1: 500
Для получения дополнительной информации см. Блок-план.
Как правило, компоненты являются «самодостаточными» и поставляются от одного поставщика, как правило, от этого поставщика полностью, а не от его составных частей.Чертежи компонентов содержат подробную информацию об отдельных блоках. Они могут быть нарисованы в большом масштабе, например: 1:10, 1: 5, 1: 2, 1: 1 и так далее. Они могут включать такую информацию, как размеры компонентов, конструкция, допуски и так далее.
Для получения дополнительной информации см .: Чертеж компонентов.
Концептуальные чертежи или эскизы – это рисунки, часто сделанные от руки, которые используются как быстрый и простой способ изучения исходных идей для дизайна. Они не предназначены для того, чтобы быть точными или окончательными, а являются просто способом исследования и передачи принципов дизайна и эстетических концепций.
Для получения дополнительной информации см .: Концептуальный чертеж.
Рабочие или строительные чертежи содержат размерную графическую информацию, которую можно использовать; подрядчиком для строительства объекта или поставщиками для изготовления компонентов объекта или для сборки или установки компонентов. Наряду со спецификациями и ведомостями объемов работ или графиками работ они составляют часть «производственной информации», которая подготавливается проектировщиками и передается строительной бригаде для реализации проекта.
Для получения дополнительной информации см .: Строительный чертеж и рабочий чертеж
Дизайнерские чертежи используются для разработки и передачи идей о разрабатываемом дизайне. На ранних стадиях они могут просто продемонстрировать клиенту способность конкретной команды дизайнеров заняться проектированием. Затем их можно использовать для разработки и передачи брифа, исследования потенциальных участков и оценки вариантов, преобразования утвержденной идеи в согласованный и скоординированный дизайн и т.
Д.
Для получения дополнительной информации см .: Проектные чертежи.
Детальные чертежи предоставляют подробное описание геометрической формы части объекта, например здания, моста, туннеля, машины, завода и т. Д. Это, как правило, крупномасштабные чертежи, на которых подробно показаны части, которые могут быть менее подробно включены в чертежи общего вида.
Для получения дополнительной информации см .: Детальный чертеж.
Электрический чертеж, также известный как электрическая схема, представляет собой тип технического чертежа, который обеспечивает визуальное представление и информацию, относящуюся к электрической системе или цепи.Они используются для передачи инженерного проекта электрикам или другим рабочим, которые будут использовать их для установки электрической системы.
Для получения дополнительной информации см. Электрический чертеж.
Термин «возвышение» относится к ортогональной проекции внешних (или иногда внутренних) поверхностей здания, то есть двухмерному чертежу фасадов здания.
Поскольку в плане здания редко имеют простую прямоугольную форму, чертеж фасада – это проекция под первым углом, которая показывает все части здания, видимые с определенного направления, со сглаженной перспективой.Обычно отметки создаются для четырех направлений, например, север, юг, восток, запад.
Для получения дополнительной информации см .: Отметки.
Планы этажей – это форма ортогональной проекции, с помощью которой можно показать расположение комнат внутри зданий, как это видно сверху. Они могут быть подготовлены как часть процесса проектирования или содержать инструкции по строительству, часто связанные с другими чертежами, графиками и спецификациями.
Для получения дополнительной информации см .: План этажа.
Технический чертеж – это тип технического чертежа, используемый для определения требований к продукции или компонентам машиностроения. Обычно целью инженерного чертежа является четкое и точное отображение всех геометрических характеристик продукта или компонента, чтобы производитель или инженер мог произвести требуемый элемент.
Для получения дополнительной информации см .: Технический чертеж.
Чертежи общего вида (общие чертежи, иногда называемые схемами расположения) представляют общую композицию объекта, например здания.В зависимости от сложности здания для этого, вероятно, потребуется несколько различных проекций, таких как планы, разрезы и фасады, и они могут быть распределены по нескольким различным чертежам.
Для получения дополнительной информации см .: Чертеж общего вида.
Монтажные чертежи представляют информацию, необходимую профессионалам для установки части работ. Это может быть особенно важно для сложных установок, таких как производственные помещения, центры обработки данных, системы вентиляции, полы с подогревом и т. Д.
Для получения дополнительной информации см .: Монтажный чертеж.
План местоположения – это вспомогательный документ, который может потребоваться плановым органам как часть заявки на планирование. План расположения представляет собой иллюстрацию предлагаемой застройки в окружающем контексте.
Для получения дополнительной информации см. План расположения.
Рисование в перспективе – это техника изображения трехмерных объемов и пространственных отношений на основе уровня глаз и точки (или точек) схода наблюдателя.Это может дать реалистичное представление о том, как объем или пространство будут выглядеть на самом деле.
Создание перспективных чертежей зданий чрезвычайно сложно, но в последнее время оно значительно упростилось благодаря развитию автоматизированного проектирования (САПР), информационного моделирования зданий (BIM) и других форм компьютерных изображений (CGI).
Чтобы узнать больше о перспективе, см .: Истоки перспективы.
Производственные чертежи показывают, как изготовить продукт, предоставляя информацию о размерах, материалах, отделке, необходимых инструментах, методах сборки и т. Д.Они используются в качестве справочных документов рабочими и их руководителями в цехе или на производственной линии для производства необходимой продукции.
Для получения дополнительной информации см .: Производственный чертеж.
Чертеж в масштабе – это общий термин, используемый для описания любого чертежа, на котором показаны элементы, размер которых меньше (или больше) их фактического размера. Обычно это необходимо, если предметы настолько велики или малы, что рисовать их в реальном размере нецелесообразно или удобно.
Для получения дополнительной информации см .: Чертеж в масштабе.
Чертеж в разрезе показывает вид конструкции, как если бы она была разрезана пополам или разрезана по другой воображаемой плоскости. Это может быть полезно, поскольку дает представление о пространствах и окружающих конструкциях (обычно в вертикальной плоскости), которые могут выявить взаимосвязи между различными частями зданий, которые могут быть не видны на чертежах плана.
Для получения дополнительной информации см .: Чертежи в разрезе.
Рабочие чертежи могут быть подготовлены подрядчиками, субподрядчиками, поставщиками, производителями или изготовителями.
Обычно они относятся к готовым компонентам, показывая, как они должны быть изготовлены или установлены. Они берут проектные чертежи и спецификации, подготовленные командой разработчиков проекта, и разрабатывают их, чтобы подробно показать, как компонент будет фактически изготавливаться, изготавливаться, собираться или устанавливаться.
Для получения дополнительной информации см .: Рабочий чертеж
План участка – это крупномасштабный чертеж, на котором показаны все размеры участка для существующей или предполагаемой застройки.Планы участка, наряду с планами расположения, могут потребоваться для приложений планирования. В большинстве случаев планы участков будут составлены после серии кабинетных исследований и обследований участков.
Для получения дополнительной информации см .: План участка.
Термин «технический чертеж» имеет очень широкое значение, относясь к любому чертежу, который передает, как что-то работает или как оно устроено. Технические рисунки предназначены для передачи одного конкретного значения, в отличие от художественных рисунков, которые являются выразительными и могут быть интерпретированы по-разному.
Большинство чертежей, подготовленных во время проектирования и строительства зданий, можно рассматривать как технические чертежи.
Для получения дополнительной информации см .: Технический чертеж.
Слово «чертеж» также может относиться к: «Механизированные методы извлечения цилиндра или, чаще, листа стекла из расплава. Листы вытягивались из резервуарных печей с использованием оборудования, которое захватывало слой стекла, когда он начинал затвердевать ». Ссылка «Археологические свидетельства для обработки стекла», «Руководство по восстановлению, анализу и интерпретации свидетельств», опубликованная издательством «Историческая Англия» в 2018 году.
Мы не можем найти эту страницу
(* {{l10n_strings.REQUIRED_FIELD}})
{{l10n_strings.CREATE_NEW_COLLECTION}} *
{{l10n_strings.ADD_COLLECTION_DESCRIPTION}}
{{l10n_strings.
COLLECTION_DESCRIPTION}}
{{addToCollection.description.length}} / 500
{{l10n_strings.TAGS}}
{{$ item}}
{{l10n_strings.PRODUCTS}}
{{l10n_strings.DRAG_TEXT}}{{l10n_strings.DRAG_TEXT_HELP}}
{{l10n_strings.ЯЗЫК}} {{$ select.selected.display}}{{article.content_lang.display}}
{{l10n_strings.
AUTHOR}}{{l10n_strings.AUTHOR_TOOLTIP_TEXT}}
{{$ select.selected.display}} {{l10n_strings.CREATE_AND_ADD_TO_COLLECTION_MODAL_BUTTON}} {{l10n_strings.CREATE_A_COLLECTION_ERROR}}Reveal20-1.01
% PDF-1.5 % 1 0 объект > / OCGs [10 0 R 11 0 R] >> / Страницы 3 0 R / Тип / Каталог >> эндобдж 2 0 obj > поток application / pdf
сделал: F87F11740720681188C6CF65EB385F49uuid: 5D20892493BFDB11914A8590D31508C8proof: pdfxmp.iid: F77F11740720681188C6CF65EB385F49xmp.did: F77F11740720681188C6CF65EB385F49uuid: 5D20892493BFDB11914A8590D31508C8proof: pdf
iid: F77F11740720681188C6AD9F081E5D7C2014-01-06T14: 12: 07-08: 00 Adobe Illustrator CS5.1 /
000FalseHelveNeuCon; HelveticaNeue-Condensed
000000100.0000000.0000000.000000
9999980.000000100.0000000.000000
00000050.0000000.0000000.000000
00000025.00000039.9999960.000000
99999670.000000100.00000050.000000
00000069.999702
000000100.000000100.0000000.000000
0 0,0 612,0 792,0] / Тип / Страница >>
эндобдж
14 0 объект
> поток
HWkoNaO
P3AT4i’1 ۢ bMuP s. @ Ɗ {wfǼ | = /: QD; U2b ی -2 H’ƕ $ fd 兒! Ҟ
28dęGpy {1
? I2`NXj 佑 IXσ # 6 + S43J
[Pt SI * {kI; 1] .f ~ l; Qopxlwf.j | Xv} ٮ} YC; of E>: / Y} zXoлv $ 6 ~ lwA7bBFLFz_k> uwX.qrvhvÌs: @ 94: xlX \ f # bsyz٢7a [/} n-% JlbꥨYsX ݡ oe 6wi5} =
Структурные сокращения – archtoolbox.com
Список сокращений, используемых в наборе конструктивных чертежей, варьируется от офиса к офису.Обязательно проверьте переднюю часть набора чертежей на наличие сокращений, используемых внутри. У нас также есть статья, которая поможет вам определить символы чертежей конструкций.
| ASD | Расчет допустимого напряжения | |||||
| ACI | Американский институт бетона | |||||
| AISC | Американский институт стальных конструкций | |||||
| ASD | ASI Iron | ASI Iron | AISI Iron | Американское общество испытаний и материалов | ||
| AWS | Американское сварочное общество | |||||
| AB | Анкерный болт | |||||
| B | BR598 Нижняя частьBM | Подшипник 905 905 905 905 Подшипник | BM | |||
| BLK | Блок | |||||
| BOF | Нижняя часть фундамента | |||||
| Нижняя часть | Нижняя часть | |||||
| BRKT | Кронштейн 905 905 905 | 905 905 CLR | Прозрачный | |||
| COL | Колонна | |||||
| CONC | Бетон | |||||
| CMU | Бетонная кладка | |||||
| CRSI | 905 905 | JBL Конструкция Бетон | JBN Институт армирования стали CONT | Непрерывный | ||
| CJ | Управляющий шарнир | |||||
| DEPR | Углубление | |||||
| DET | Деталь | |||||
| 905 905 905 905 905 905 905 905 905 905 905 905 905 905 905 905 905 905 | Размер | |||||
| DIR | Направление | |||||
| DWLS | Дюбели |
| EA | Каждый | F 905 905 905 905 905 905 905 905 905 905 905 905 905 905 905 905 905 905 | 905 96||
| EJ | Компенсирующий шарнир | |||
| ES | С каждой стороны | |||
| EQ | Равный | |||
| EW | С каждой стороны | 905 EXP 905 EXP Болт 905 905 Расширительный болтДеформационный шов | ||
| FF | Дальняя поверхность | |||
| FT | Ножка или ножка | |||
| FIN | Отделка | |||
| FL | ||||
| FL | 905 98FND | Фундамент | ||
| GALV | Оцинкованный | |||
| GA | Калибр | |||
| GR | Класс | GR | GR | Класс | GALV | GB | Класс | GB | Класс | HT | Высота |
| HP | 9059 8 High Point||||
| HS | High Strength | |||
| HEF | Горизонтальная каждая грань | |||
| HIF | Горизонтальная внутренняя грань | |||
| HOF | 905 905 Горизонтальная 905 905 905 905 905 Горизонтальная 905 905 905 905 905||||
| ВНУТРИ | дюймов | |||
| ID | Внутренний диаметр | |||
| ICBO | Международная конференция строительных служащих | |||
| INV | JOIN | 905 905 905 | Балка | |
| K | Kip (1000 фунтов) | |||
| LW | Легкий вес | |||
| LWC | Легкий бетон | |||
| Расчетное сопротивление нагрузки LLV | Длинные ножки вертикальные 905 95 | |||
| LP | Низкая точка | |||
| MAS | Каменная кладка | |||
| MTL | Металл | |||
| NF | Ближняя поверхность | IC NF 905 905 905 905 Бетон Нормальный | Не по контракту | |
| OC | По центру | |||
| OD | Наружный диаметр | |||
| OPNG | Открытие | |||
| 905 905 905 905 905 905 905 Пластина свай 9695 | PT | Point | ||
| PVC | Поливинилхлорид | |||
| PSF | фунтов на квадратный фут | |||
| PSI | фунтов на квадратный дюйм | 905 905 905 905 905 905 905 905 905 REEУсиленный | ||
| RETG | Reta вх.![]() | SLV | Короткая ножка по вертикали | |
| SIM | Аналогичный | |||
| SOG | Плита на уровне | |||
| SL | Длина стыка | 905 905 905 905 905 905 905 905 STQ Стандартный 905 905 905 905 905 905 STQ Квадрат|||
| STL | Сталь | |||
| SDI | Институт стальной палубы | |||
| SF | Ступенчатая опора или квадратная опора | |||
| 905 905 905 | Опора | 9059 1SYM | Симметричный | |
| THK | Толщина или толщина | |||
| THRD | Резьбовой | |||
| T&B | Верхняя и нижняя части 905 905 | 905 905 905 98 905 905 905 905 Вверху из | ||
| TOC | Верхняя часть из бетона | |||
| TOF | Верхняя часть фундамента | |||
| TOS | Верхняя часть из стали | |||
| TOW | 905 905 905 905 905 905 Типичная 905 905 905 905 905 905 905 905 905 905 905 905 905 905 905 905 905 905 | |||
| UNO | Если не указано иное, | |||
| US | Нижняя сторона | |||
| VEF | По вертикали Каждая грань | |||
| VIF | 905 905 905 905 Снаружи Лицевая сторона | |||
| WWF | Сварная проволочная ткань | |||
| W / | С | |||
| WP | Рабочая точка |

00
Включает: выемку грунта, насыпь, опору, обшивку, опалубку, распорку, укладку свай и т. Д.
С 20.6 по BC 1704.20.10.
32, BC section 1704.32 и Buildings Bulletin (BB) 2014-018 и BB 2014-019.
