Расчет колебательного контура
Практический расчет последовательного или параллельного LC контура.
Доброго дня уважаемые радиолюбители!
Сегодня мы с вами рассмотрим порядок расчета LC контура.
Некоторые из вас могут спросить, а на черта нам это нужно? Ну, во-первых, лишние знания никогда не помешают, а во-вторых, бывают в жизни моменты, когда вам знание этих расчетов может понадобиться. К примеру, очень многие начинающие радиолюбители (естественно, в основном молодые), увлекаются сборкой так называемых “жучков” – устройств позволяющих на расстоянии прослушивать что-нибудь. Конечно я уверен, что это делается без всяких нехороших (даже грязных) мыслей подслушать кого-нибудь, а в благих целях. Например устанавливают “жучок” в комнате с малышом, а на радиовещательный приемник прослушивают не проснулся ли он. Все схемы “радиожучков” работают на определенной частоте, но что делать, когда эта частота вас не устраивает. Вот тут вам придет на помощь знание нижеприведенной статьи.
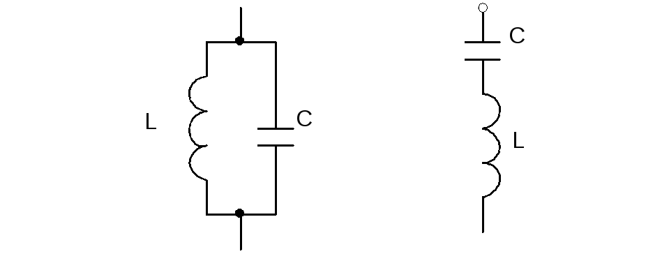
LC колебательные контура применяются практически в любой аппаратуре, работающей на радиочастотах. Как известно из курса физики, колебательный контур состоит из катушки индуктивности и конденсатора (емкости), которые могут быть включены параллельно (параллельный контур) или последовательно (последовательный контур), как на рис.1:
Реактивные сопротивления индуктивности и емкости, как известно, зависят от частоты переменного тока. При увеличении частоты реактивное сопротивление индуктивности растет, а емкости – падает. При уменьшении частоты, наоборот, индуктивное сопротивление падает, а емкостное – растет. Таким образом, для каждого контура есть некоторая частота резонанса, на которой индуктивное и емкостное сопротивления оказываются равными. В момент резонанса резко увеличивается амплитуда переменного напряжения на параллельном контуре или резко увеличивается амплитуда тока на последовательном контуре. На рис.2 показан график зависимости напряжения на параллельном контуре или тока на последовательном контуре от частоты:
На частоте резонанса эти величины имеют максимальное значение.
А полоса пропускания контура определяется на уровне 0,7 от максимальной амплитуды, которая есть на частоте резонанса.
Теперь перейдем к практике. Предположим нам нужно сделать параллельный контур, имеющий резонанс на частоте 1 МГц. Прежде всего нужно сделать предварительный расчет такого контура. То есть, определить необходимую емкость конденсатора и индуктивность катушки. Для предварительного расчета есть упрощенная формула:
L=(159,1/F)2/C где:
L – индуктивность катушки в мкГн;
С – емкость конденсатора в пФ;
F – частота в МГц
Зададимся частотой 1 МГц и емкостью, к примеру, 1000 пФ. Получим:
L=(159,1/1)2 /1000 = 25 мкГн
Таким образом, если мы захотим контур на частоту 1 МГц, то нужен конденсатор на 1000 пФ и индуктивность на 25 мкГн. Конденсатор можно подобрать,, а вот индуктивность нужно сделать самостоятельно.
Рассчитать число витков для катушки без сердечника можно по такой формуле:
N=32 *√(L/D) где:
N – требуемое число витков;
L – заданная индуктивность в мкГн;
D – диаметр каркаса в мм, на котором предполагается намотать катушку.
Предположим, диаметр каркаса – 5 мм, тогда:
N=32*√(25/5) = 72 витка.
Данная формула является приближенной, она не учитывает собственную межвитковую емкость катушки. Формула служит для предварительного вычисления параметров катушки, которые затем настраиваются при настройке контура.
В радиолюбительской практике чаще используются катушки с подстроечными сердечниками из феррита, имеющими длину 12-14 мм и диаметр 2,5 – 3 мм. Такие сердечники, например, применяются в контурах телевизоров и приемников. Для предварительного расчета числа витков для такого сердечника есть другая приближенная формула:
N=8,5*√L , подставляем значения для нашего контура N=8,5*√25 = 43 витка. То есть, в таком случае на потребуется намотать на катушку 43 витка провода.
Колебательные контуры – RadioRadar
Материал предоставлен журналом РадиолюбительПоследовательный колебательный контур
Как известно, простейшими резонансными (или колебательными) цепями являются последовательный и параллельный колебательные контуры.
Рассмотрим цепь, состоящую из последовательно включенных катушки индуктивности и конденсатора (рис. 1). При воздействии на такую цепь переменного (в простейшем случае гармонического) напряжения, через катушку и конденсатор будет протекать переменный ток, величина (амплитуда) которого может быть вычислена согласно закону Ома: I = U/|ХΣ| , где |ХΣ| -модуль суммы реактивных сопротивлений последовательно включенных катушки и конденсатора. На рис. 2 приведены зависимости реактивных сопротивлений катушки XL и конденсатора ХC от круговой частоты ω, а также график зависимости от частоты ω их алгебраической суммы ХΣ Последний график, по сути, показывает зависимость от частоты общего реактивного сопротивления цепи, изображенной на рис. 1. Из этого графика видно, что на некоторой частоте ω=ωр , на которой реактивные сопротивления катушки и конденсатора равны по модулю, общее сопротивление цепи обращается в ноль. На этой частоте в цепи наблюдается максимум тока, который ограничен только омическими потерями в катушке индуктивности (т.
е. сопротивлением провода обмотки катушки) и внутренним сопротивлением источника тока (генератора). Такую частоту, при которой наблюдается рассмотренное явление, называемое в физике резонансом, называют резонансной частотой или собственной частотой колебаний цепи, а саму цепь, изображенную на рис. 1, принято называть последовательным колебательным контуром. Также из рис. 2 видно, что на частотах ниже частоты резонанса реактивное сопротивление последовательного колебательного контура носит емкостной характер, а на более высоких частотах – индуктивный. Что касается самой резонансной частоты, то она может оыть вычислена при помощи известной формулы Томсона: ωр = 1/√(LC).
Рис. 1
Последовательный колебательный контур
Рис. 2
Зависимости реактивных сопротивлений катушки XL и конденсатора ХC от круговой частоты ω
На рис.3 изображена эквивалентная схема последовательного резонансного контура с учетом омических потерь r, подключенного к идеальному генератору гармонического напряжения с амплитудой U.
Модуль полного сопротивления (импеданса) такой цепи определяется следующим образом: |z| = √(r2+|XΣ|2), где |XΣ| = ωL-1/ωC. Очевидно, что на резонансной частоте, когда величины реактивных сопротивлений катушки XL = jωL и конденсатора ХC= -j/ωС равны по модулю, величина |XΣ| обращается в нуль (следовательно, сопротивление цепи чисто активное), а ток в цепи определятся отношением амплитуды напряжения генератора к сопротивлению омических потерь: I= U/r. При этом на катушке и на конденсаторе, в которых запасена реактивная электрическая энергия, падает одинаковое напряжение UL=UC=I|XL|=I|XC|. На любой другой частоте, отличной от резонансной, напряжения на катушке и конденсаторе неодинаковы – они определяются амплитудой тока в цепи и величинами модулей реактивных сопротивлений |XL| и |XC| .Поэтому резонанс в последовательном колебательном контуре принято называть резонансом напряжений.
С учетом приведенной записи для импеданса цепи можно привести часто встречающееся определение резонансной частоты: резонансной частотой контура называют такую частоту, на которой сопротивление контура имеет чисто активный (резистивный) характер.
Рис. 3
Эквивалентная схема последовательного резонансного контура
Одними из наиболее важных параметров колебательного контура (кроме, разумеется, резонансной частоты) являются его характеристическое сопротивление ρ и добротность Q. Характеристическим сопротивлением контура ρ называется величина модуля реактивного сопротивления емкости и индуктивности контура на резонансной частоте: ρ = |ХL| =|ХC| при ω =ωр . В общем случае характеристическое сопротивление может быть вычислено следующим образом: ρ = √(LC). Характеристическое сопротивление ρ является количественной мерой оценки энергии, запасенной реактивными элементами контура – катушкой (энергия магнитного поля) WL= (LI2)/2 и конденсатором (энергия электрического поля) WC=(CU2)/2.
Отношение энергии, запасенной реактивными элементами контура, к энергии омических (резистивных) потерь за период принято называть добротностью Q контура, что в буквальном переводе с английского языка обозначает “качество”. Величину, обратную добротности d=1/Q называют затуханием контура. Для определения добротности обычно пользуются формулой Q=ρ/r, где r-сопротивление омических потерь контура, характеризующее мощность резистивных (активных потерь) контура Р=I2r. Добротность реальных колебательных контуров, выполненных на дискретных катушках индуктивности и конденсаторах, составляет от нескольких единиц до сотни и более. Добротность различных колебательных систем, построенных на принципе пьезоэлектрических и других эффектов (например, кварцевые резонаторы) может достигать нескольких тысяч и более.
Рис.4 а
Рис.4 б
| Рис. 5 а | Рис. 5 б |
Частотные свойства различных цепей в технике принято оценивать с помощью амплитудно-частотных характеристик (АЧХ).
На рис. 4а и рис. 4б представлены два простейших четырехполюсника, содержащих последовательный колебательный контур. АЧХ этих цепей приведены (показаны сплошными линями) на рис. 5а и рис. 5б соответственно. По вертикальной оси отложена величина коэффициента передачи цепи по напряжению К, показывающая отношение выходного напряжения цепи к входному. Для пассивных цепей (не т.е. содержащих усилительных элементов и источников энергии), величина К никогда не превышает единицу. Очевидно, что сопротивление цепи на рис. 4а переменному току будет минимально при частоте воздействия, равной резонансной частоте контура. В этом случае коэффициент передачи цепи близок к единице (определяется омическими потерями в контуре). На частотах, сильно отличающихся от резонансной, сопротивление контура переменному току достаточно велико, а следовательно, и коэффициент передачи цепи будет падать практически до нуля. При резонансе в цепи, изображенной на рис. 4б, источник входного сигнала оказывается фактически замкнутым накоротко малым сопротивлением контура, благодаря чему коэффициент передачи такой цепи на резонансной частоте падает практически до нуля (опять-таки в силу наличия конечного сопротивления потерь).
Наоборот, при частотах входного воздействия, значительно отстоящих от резонансной, коэффициент передачи цепи оказывается близким к единице. Свойство колебательного контура в значительной степени изменять коэффициент передачи на частотах, близких к резонансной, широко используется на практике, когда требуется выделить сигнал с конкретной частотой из множества ненужных сигналов, расположенных на других частотах. Так, в любом радиоприемнике при помощи колебательных цепей обеспечивается настройка на частоту нужной радиостанции. Свойство колебательного контура выделять из множества частот одну принято называть селективностью или избирательностью. При этом интенсивность изменения коэффициента передачи цепи при отстройке частоты воздействия от резонанса принято оценивать при помощи параметра, называемого полосой пропускания. Чаще всего за полосу пропускания принимается диапазон частот, в пределах которого уменьшение (или увеличение – в зависимости от вида цепи) коэффициента передачи относительного его значения на резонансной частоте, не превышает величины 0,707 (3дБ).
Пунктирными линиями на рис. 5а и рис. 5б показаны АЧХ точно таких же цепей, как на рис. 4а и рис. 4б соответственно, колебательные контуры которых имеют такие же резонансные частоты, как и для случая рассмотренного выше, но обладающие меньшей добротностью (например, катушка индуктивности намотана проводом, обладающим большим сопротивлением постоянному току). Как видно из рис. 5а и рис. 5б, при этом расширяется полоса пропускания цепи и ухудшаются ее селективные (избирательные) свойства. Исходя из этого, при расчете и конструировании колебательных контуров нужно стремиться к повышению их добротности. Однако, в ряде случаев, добротность контура, наоборот, приходится занижать (например, включая последовательно с катушкой индуктивности резистор небольшой величины сопротивления), что позволяет избежать искажений широкополосных сигналов. Хотя, если на практике требуется выделить достаточно широкополосный сигнал, селективные цепи, как правило, строятся не на одиночных колебательных контурах, а на более сложных связанных (многоконтурных) колебательных системах, в т.
ч. многозвенных фильтрах.
Параллельный колебательный контур
В различных радиотехнических устройствах наряду с последовательными колебательными контурами часто (даже чаще, чем последовательные) применяют параллельные колебательные контуры На рис. 6 приведена принципиальная схема параллельного колебательного контура Здесь параллельно включены два реактивных элемента с разным характером реактивности Как известно, при параллельном включении элементов складывать их сопротивления нельзя – можно лишь складывать проводимости На рис. 7 приведены графические зависимости реактивных проводимостей катушки индуктивности BL = j/ωL, конденсатора ВC = -jωC, а также суммарной проводимости ВΣ, этих двух элементов, являющаяся реактивной проводимостью параллельного колебательного контура. Аналогично, как и для последовательного колебательного контура, имеется некоторая частота, называемая резонансной, на которой реактивные сопротивления (а значит и проводимости) катушки и конденсатора одинаковы.
На этой частоте суммарная проводимость параллельного колебательного контура без потерь обращается в нуль. Это значит, что на этой частоте колебательный контур обладает бесконечно большим сопротивлением переменному току. Действительно, если построить зависимость реактивного сопротивления контура от частоты XΣ=1/BΣ, эта кривая (рис. 8) в точке ω = ωр будет иметь разрыв второго рода. Сопротивление реального параллельного колебательного контура (т.е с потерями), разумеется, не равно бесконечности – оно тем меньше, чем больше омическое сопротивление потерь в контуре, т.е уменьшается прямо пропорционально уменьшению добротности контура. В целом, физический смысл понятий добротности, характеристического сопротивления и резонансной частоты колебательного контура, а также их расчетные формулы, справедливы как для последовательного, так и для параллельного колебательного контура.
Рис. 6
Параллельный колебательный контур
Рис. 7
Зависимости реактивных поводимостей катушки и конденсатора и суммарная проводимость этих двух элементов
Рис.
8
Зависимость реактивного сопротивления контура от частоты
Рассмотрим цепь, состоящую из генератора гармонических колебаний и параллельного колебательного контура. В случае, когда частота колебаний генератора совпадает с резонансной частотой контура его индуктивная и емкостная ветви оказывают равное сопротивление переменному току, в следствие чего токи в ветвях контура будут одинаковыми. В этом случае говорят, что в цепи имеет место резонанс токов. Как и в случае последовательного колебательного контура, реактивности катушки и конденсатора компенсируют друг друга, и сопротивление контура протекающему через него току становится чисто активным (резистивным). Величина этого сопротивления, часто называемого в технике эквивалентным, определяется произведением добротности контура на его характеристическое сопротивление Rэкв=Q·ρ. На частотах, отличных от резонансной, сопротивление контура уменьшается и приобретает реактивный характер (рис. 8) на более низких частотах – индуктивный (поскольку реактивное сопротивление индуктивности падает при уменьшении частоты), а на более высоких – наоборот, емкостной (т к реактивное сопротивление емкости падает с ростом частоты).
В процессе работы контура, дважды за период колебаний, происходит энергетический обмен между катушкой и конденсатором (рис. 9). Энергия поочередно накапливается то в виде энеогии электрического поля заряженного конденсатора, то в виде энергии магнитного поля катушки индуктивности. При этом в контуре протекает собственный контурный ток Iк, превосходящий по величине ток во внешней цепи I в Q раз. В случае идеального контура (без потерь), добротность которого теоретически бесконечна, величина контурного тока также будет бесконечно большой.
Рис. 9
Процесс работы контура
| Рис. 10 а | Рис. 10 б |
Рассмотрим, как изменяются коэффициенты передачи четырехполюсников, аналогичных приведенным на рис. 4а и рис. 4б, от частоты, при включении в них не последовательных колебательных контуров, а параллельных. Четырехполюсник, изображенный на рис. 10а, на резонансной частоте контура представляет собой огромное сопротивление току, поэтому при ω=ωр его коэффициент передачи будет близок к нулю (с учетом омических потерь).
На частотах, отличных от резонансной, сопротивление контура будет уменьшатся, а коэффициент передачи четырехполюсника – возрастать. Этот случай соответствует графику АЧХ, приведенному на рассмотренном ранее рис. 5б. Для четырехполюсника, приведенного на рис. 10б, ситуация будет противоположной – на резонансной частоте контур будет представлять собой очень большое сопротивление и практически все входное напряжение поступит на выходные клеммы (т.е коэффициент передачи будет максимален и близок к единице). При значительном отличии частоты входного воздействия от резонансной частоты контура, источник сигнала, подключаемый к входным клеммам четырехполюсника, окажется практически закороченном накоротко, а коэффициент передачи будет близок к нулю. АЧХ такого четырехполюсника соответствует изображенной на рис. 5а.
В заключении настоящего экскурса отметим тот факт, что достаточно часто в реальной радиоэлектронной аппаратуре приходится сталкиваться с необходимостью перестройки колебательных контуров – например, в приемнике, для обеспечения возможности приема радиостанций, работающих на разных частотах В этом случае емкостные элементы контуров выполняются в виде конденсаторов переменной емкости, либо специальных диодов – варикапов, обладающих большой барьерной емкостью, зависящей от приложенного к ней запирающего напряжения В ряде случаев применяют и перестраиваемый катушки индуктивности – вариометры.
Колебательный контур для чайников. Колебательный LC контур: принцип действия, расчет, определение
Практический расчет последовательного или параллельного LC контура.
Доброго дня уважаемые радиолюбители!
Сегодня мы с вами рассмотрим порядок расчета LC контура .
Некоторые из вас могут спросить, а на черта нам это нужно? Ну, во-первых, лишние знания никогда не помешают, а во-вторых, бывают в жизни моменты, когда вам знание этих расчетов может понадобиться. К примеру, очень многие начинающие радиолюбители (естественно, в основном молодые), увлекаются сборкой так называемых “жучков” – устройств позволяющих на расстоянии прослушивать что-нибудь. Конечно я уверен, что это делается без всяких нехороших (даже грязных) мыслей подслушать кого-нибудь, а в благих целях. Например устанавливают “жучок” в комнате с малышом, а на радиовещательный приемник прослушивают не проснулся ли он. Все схемы “радиожучков” работают на определенной частоте, но что делать, когда эта частота вас не устраивает.
LC колебательные контура применяются практически в любой аппаратуре, работающей на радиочастотах. Как известно из курса физики, колебательный контур состоит из катушки индуктивности и конденсатора (емкости), которые могут быть включены параллельно (параллельный контур ) или последовательно (
Реактивные сопротивления индуктивности и емкости, как известно, зависят от частоты переменного тока. При увеличении частоты реактивное сопротивление индуктивности
растет, а емкости – падает. При уменьшении частоты, наоборот, индуктивное сопротивление падает, а емкостное – растет. Таким образом, для каждого контура есть некоторая частота резонанса, на которой индуктивное и емкостное сопротивления оказываются равными. В момент резонанса резко увеличивается амплитуда переменного напряжения на параллельном контуре или резко увеличивается амплитуда тока на последовательном контуре.
На частоте резонанса эти величины имеют максимальное значение. А полоса пропускания контура определяется на уровне 0,7 от максимальной амплитуды, которая есть на частоте резонанса.
Теперь перейдем к практике. Предположим нам нужно сделать параллельный контур, имеющий резонанс на частоте 1 МГц. Прежде всего нужно сделать предварительный расчет такого контура. То есть, определить необходимую емкость конденсатора и индуктивность катушки. Для предварительного расчета есть упрощенная формула:
L=(159,1/F) 2 /C где:
L – индуктивность катушки в мкГн;
С – емкость конденсатора в пФ;
F – частота в МГц
Зададимся частотой 1 МГц и емкостью, к примеру, 1000 пФ. Получим:
L=(159,1/1) 2 /1000 = 25 мкГн
Таким образом, если мы захотим контур на частоту 1 МГц, то нужен конденсатор на 1000 пФ и индуктивность на 25 мкГн.
Конденсатор можно подобрать, а вот индуктивность нужно сделать самостоятельно.
N=32 *√(L/D) где:
N – требуемое число витков;
L – заданная индуктивность в мкГн;
D – диаметр каркаса в мм, на котором предполагается намотать катушку.
Предположим, диаметр каркаса – 5 мм, тогда:
N=32*√(25/5) = 72 витка.
Данная формула является приближенной, она не учитывает собственную межвитковую емкость катушки. Формула служит для предварительного вычисления параметров катушки, которые затем настраиваются при настройке контура.
В радиолюбительской практике чаще используются катушки с подстроечными сердечниками из феррита, имеющими длину 12-14 мм и диаметр 2,5 – 3 мм. Такие сердечники, например, применяются в контурах телевизоров и приемников. Для предварительного расчета числа витков для такого сердечника есть другая приближенная формула:
N=8,5*√L , подставляем значения для нашего контура
То есть, в таком случае на потребуется намотать на катушку 43 витка провода.– электрическая цепь, состоящая из последовательно соединённых конденсатора с ёмкостью , катушки с индуктивностью и электрического сопротивления .
Идеальный колебательный контур — цепь, состоящая только из катушки индуктивности (не имеющей собственного сопротивления) и конденсатора ( -контур). Тогда в такой системе поддерживаются незатухающие электромагнитные колебания силы тока в цепи, напряжения на конденсаторе и заряда конденсатора. Давайте разберём контур и подумаем, откуда возникают колебания. Пусть изначально заряженный конденсатор помещён в описываемую нами цепь.
Рис. 1. Колебательный контур
В начальный момент времени весь заряд сосредоточен на конденсаторе, на катушке тока нет (рис. 1.1). Т.к. на обкладках конденсатора внешнего поля тоже нет, то электроны с обкладок начинают «уходить» в цепь (заряд на конденсаторе начинает уменьшаться). При этом (за счёт освобождённых электронов) возрастает ток в цепи.
Направление тока, в данном случае, от плюса к минусу (впрочем, как и всегда), и конденсатор представляет собой источник переменного тока для данной системы. Однако при росте тока на катушке, вследствие , возникает обратный индукционный ток (). Направление индукционного тока, согласно правилу Ленца, должно нивелировать (уменьшать) рост основного тока. Когда заряд конденсатора станет равным нулю (весь заряд стечёт), сила индукционного тока в катушке станет максимальной (рис. 1.2).
Однако текущий заряд в цепи пропасть не может (закон сохранения заряда), тогда этот заряд, ушедший с одной обкладки через цепь, оказался на другой обкладке. Таким образом, происходит перезарядка конденсатора в обратную сторону (рис. 1.3). Индукционный ток на катушке уменьшается до нуля, т.к. изменение магнитного потока также стремится к нулю.
При полной зарядке конденсатора электроны начинают двигаться в обратную сторону, т.е. происходит разрядка конденсатора в обратную сторону и возникает ток, доходящий до своего максимума при полной разрядке конденсатора (рис. 1.4).
Дальнейшая обратная зарядка конденсатора приводит в систему в положение на рисунке 1.1. Такое поведение системы повторяется сколь угодно долго. Таким образом, мы получаем колебание различных параметров системы: тока в катушке, заряд на конденсаторе, напряжение на конденсаторе. В случае идеальности контура и проводов (отсутствие собственного сопротивления), эти колебания — .
Для математического описания этих параметров этой системы (в первую очередь, периода электромагнитных колебаний) вводится рассчитанная до нас формула Томсона :
Неидеальным контуром является всё тот же идеальный контур, который мы рассмотрели, с одним небольшим включением: с наличием сопротивления ( -контур). Данное сопротивление может быть как сопротивлением катушки (она не идеальна), так и сопротивлением проводящих проводов. Общая логика возникновения колебаний в неидеальном контуре аналогична той, что и в идеальном. Отличие только в самих колебаниях. В случае наличия сопротивления, часть энергии будет рассеиваться в окружающую среду — сопротивление будет нагреваться, тогда энергия колебательного контура будет уменьшаться и сами колебания станут затухающими .
Для работы с контурами в школе используется только общая энергетическая логика. В данном случае, считаем, что полная энергия системы в начале сосредоточена на и/или , и описывается.
Колебательный контур: принцип работы, виды контуров, параметры и характеристики
Не затухающие колебания.
Принцип действия колебательного контура
Заряжаем конденсатор и замыкаем цепь. После этого в цепи начинает течь синусоидальный электрический ток. Конденсатор разряжается через катушку. В катушке при протекании через нее тока возникает ЭДС самоиндукции, направленная в сторону, противоположную току конденсатора.
Разрядившись окончательно, конденсатор благодаря энергии ЭДС катушки, которая в этот момент будет максимальна, начнет заряжаться вновь, но только в
обратной полярности. Колебания, которые происходят в контуре – свободные затухающие колебания. То есть без дополнительной подачи энергии колебания в любом реальном
колебательном контуре рано или поздно прекратятся, как и любые колебания в природе.
Важная характеристика LC-контура – добротность Q. Добротность определяет амплитуду резонанса и показывает, во сколько раз запасы энергии в контуре превышают потери энергии за один период колебаний. Чем выше добротность системы, тем медленнее будут затухать колебания.
Собственная частота колебательного контура
Частота свободных колебаний тока и напряжения, возникающих в колебательном контуре.
T = 2*п*(L*C)1/2. T – период электромагнитных колебаний, L и C – соответственно, индуктивность катушки колебательного контура и ёмкость элементов контура, п – число пи.
Незатухающие колебания создаются такими устройствами, которые сами могут поддерживать свои колебания за счет некоторого постоянного источника энергии. Такие устройства называются автоколебательными системами.
Любая автоколебательная система состоит из следующих четырех частей
1) колебательная система; 2) источник энергии, за счет которого компенсируются потери; 3) клапан – некоторый элемент, регулирующий поступление энергии в колебательную систему определенными
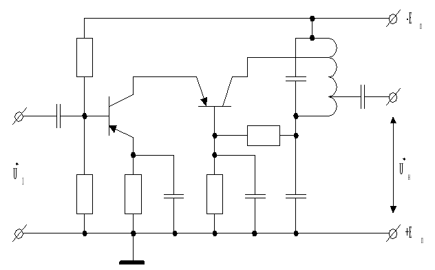
порциями в нужный момент; 4) обратная связь – управление работой клапана за счет процессов в самой колебательной системе.![]()
Генератор на транзисторе – пример автоколебательной системы. На рисунке ниже приведена упрощенная схема такого генератора, в котором роль “клапана” играет транзистор. Колебательный контур подключен к источнику тока последовательно с транзистором. Эмиттерный переход транзистора через катушку Lсв индуктивно связан с колебательным контуром. Эту катушку называют катушкой обратной связи.
При замыкании цепи через транзистор проходит импульс тока, который заряжает конденсатор С колебательного контура, в результате чего в контуре возникают свободные электромагнитные колебания малой амплитуды.
Ток, протекающий по контурной катушке L, индуцирует на концах катушки обратной связи переменное напряжение. Под действием этого напряжения электрическое поле эмиттерного перехода
периодически то усиливается, то ослабляется, а транзистор то открывается, то запирается. В те промежутки времени, когда транзистор открыт, через него проходят импульсы тока. Если
катушка Lсв подключена правильно (положительная обратная связь), то частота импульсов тока совпадает с частотой колебаний, возникших в контуре, и импульсы тока приходят в контур в те
моменты, когда конденсатор заряжается (когда верхняя пластина конденсатора заряжена положительно). Поэтому импульсы тока, проходящие через транзистор, подзаряжают конденсатор и пополняют энергию
контура, и колебания в контуре не затухают.
Если при положительной обратной связи медленно увеличивать расстояние между катушками Lсв и L, то с помощью осциллографа можно обнаружить, что амплитуда автоколебаний уменьшается, и автоколебания могут прекратиться. Это значит, что при слабой обратной связи энергия, поступающая в контур, меньше энергии, необратимо преобразуемой во внутреннюю.
Таким образом, обратная связь должна быть такой, чтобы: 1) напряжение на эмиттерном переходе изменялось синфазно с напряжением на конденсаторе контура – это фазовое условие самовозбуждения генератора; 2) обратная связь обеспечивала бы поступление в контур столько энергии, сколько ее необходимо для компенсации потерь энергии в контуре – это амплитудное условие самовозбуждения.
Частота автоколебаний равна частоте свободных колебаний в контуре и зависит от его параметров.
Уменьшая L и С, можно получить высокочастотные незатухающие колебания, используемые в радиотехнике.
Амплитуда установившихся автоколебаний, как показывает опыт, не зависит от начальных условий и определяется параметрами автоколебательной системы – напряжением источника, расстоянием между Lсв и L, сопротивлением контура.
f 0 = 1 2 π L C {\displaystyle f_{0}={1 \over 2\pi {\sqrt {LC}}}}Энциклопедичный YouTube
1 / 5
Например, при начальных условиях φ = 0 {\displaystyle \varphi =0} и амплитуде начального тока решение сведётся к:
i (t) = I a sin (ω t) {\displaystyle i(t)=I_{a}\sin({\omega }t)}Решение может быть записано также в виде
i (t) = I a 1 sin (ω t) + I a 2 cos (ω t) {\displaystyle i(t)=I_{a1}\sin({\omega }t)+I_{a2}\cos({\omega }t)}где I a 1 {\displaystyle I_{a1}} и I a 2 {\displaystyle I_{a2}} – некоторые константы, которые связаны с амплитудой I a {\displaystyle I_{a}} и фазой φ {\displaystyle \varphi } следующими тригонометрическими соотношениями:
I a 1 = I a cos (φ) {\displaystyle I_{a1}=I_{a}\cos {(\varphi)}} , I a 2 = I a sin (φ) {\displaystyle I_{a2}=I_{a}\sin {(\varphi)}} .
{2}LC}}}Для такого двухполюсника может быть определена т. н. характеристическая частота (или резонансная частота), когда импеданс колебательного контура стремится к бесконечности (знаменатель дроби стремится к нулю).
Эта частота равна
ω h = 1 L C {\displaystyle \omega _{h}={\frac {1}{\sqrt {LC}}}}и совпадает по значению с собственной частотой колебательного контура.
Из этого уравнения следует, что на одной и той же частоте может работать множество контуров с разными величинами L и C, но с одинаковым произведением LC. Однако выбор соотношения между L и C зачастую не бывает полностью произвольным, так как обуславливается требуемым значением добротности контура.
Для последовательного контура добротность растёт с увеличением L:
Q = 1 R L C {\displaystyle Q={\frac {1}{R}}{\sqrt {\frac {L}{C}}}} , где R – активное сопротивление контура.Для параллельного контура:
Q = R e C L {\displaystyle Q=R_{e}{\sqrt {\frac {C}{L}}}} ,где R e = L C R L + C {\displaystyle R_{e}={\frac {L}{CR_{L+C}}}} , которое в последовательном контуре включено последовательно с L и C, а в параллельном – параллельно им.
Малые потери (то есть высокая добротность) означают, что в последовательном контуре мало, а в параллельном – велико. В низкочастотном последовательном контуре
R
e
{\displaystyle R_{e}} легко обретает физический смысл – это в основном
активное сопротивление провода катушки и проводников цепи.Подвозбудителя генератора (сам генератор при этом выдаёт 400 Гц). При отклонении частоты от номинальной реактивное сопротивление одного из контуров становится больше, чем другого, и БРЧ выдаёт на привод постоянных оборотов генератора управляющий сигнал для коррекции оборотов генератора. Если частота поднялась выше номинальной – сопротивление второго контура станет меньше, чем первого, и БРЧ выдаст сигнал на уменьшение оборотов генератора, если частота упала – то наоборот. Так поддерживается постоянство частоты напряжения генератора при изменении оборотов двигателя .
Сегодня нас интересует простейший колебательный контур , его принцип работы и применение.
За полезной информацией по другим темам переходите на наш телеграм-канал .

Колебания – процесс, повторяющийся во времени, характеризуется изменением параметров системы около точки равновесия.
Первое, что приходит на ум – это механические колебания математического или пружинного маятников. Но ведь колебания бывают и электромагнитными.
По определению колебательный контур (или – это электрическая цепь, в которой происходят свободные электромагнитные колебания.
Такой контур представляет собой электрическую цепь, состоящую из катушки индуктивностью L и конденсатора емкостью C . Соединены эти два элемента могут быть лишь двумя способами – последовательно и параллельно. Покажем на рисунке ниже изображение и схему простейшего колебательного контура.
Кстати! Для всех наших читателей сейчас действует скидка 10% на .
Кстати! Для всех наших читателей сейчас действует скидка 10% на .
Принцип действия колебательного контура
Давайте рассмотрим пример, когда сначала мы заряжаем конденсатор и замыкаем цепь.
После этого в цепи начинает течь синусоидальный электрический ток. Конденсатор разряжается через катушку. В катушке при протекании через нее тока возникает ЭДС самоиндукции , направленная в сторону, противоположную току конденсатора.Разрядившись окончательно, конденсатор благодаря энергии ЭДС катушки, которая в этот момент будет максимальна, начнет заряжаться вновь, но только в обратной полярности.
Колебания, которые происходят в контуре – свободные затухающие колебания. То есть без дополнительной подачи энергии колебания в любом реальном колебательном контуре рано или поздно прекратятся, как и любые колебания в природе.
Это обусловлено тем, что контур состоит из реальных материалов (конденсатор, катушка, провода), обладающих таким свойством, как электрическое сопротивление, и потери энергии в реальном колебательном контуре неизбежны. В противном случае это нехитрое устройство могло бы стать вечным двигателем , существование которого, как известно, невозможно.

Еще одна важная характеристика – добротность Q . Добротность определяет амплитуду резонанса и показывает, во сколько раз запасы энергии в контуре превышают потери энергии за один период колебаний. Чем выше добротность системы, тем медленнее будут затухать колебания.
Резонанс LC-контура
Электромагнитные колебания в происходят с определенной частотой, которая называется резонансной Подробнее про – в нашей отдельной статье. Частоту колебаний можно менять, варьируя такие параметры контура, как емкость конденсатора C , индуктивность катушки L , сопротивление резистора R (для LCR-контура ).
Применение колебательного контура
Колебательный контур широко применяется на практике. На его основе строятся частотные фильтры, без него не обходится ни один радиоприемник или генератор сигналов определенной частоты.
Если вы не знаете, как подступиться к расчету LC-контура или на это совершенно нет времени, обратитесь в профессиональный студенческий сервис .
Качественная и быстрая помощь в решении любых задач не заставит себя ждать!Читайте также…
1.22. Резонансные схемы и активные фильтры
ОСНОВЫ ЭЛЕКТРОНИКИ
Полное и реактивное сопротивление
Конденсаторы, которые используются в специальных схемах, называемых активными фильтрами, а также в сочетании с индуктивностями, позволяют «заострять» частотную характеристику схемы (по сравнению с пологой характеристикой RС – фильтра характеристика такой схемы на некоторой частоте имеет большой резкий всплеск). Подобные схемы находят применение в устройствах, работающих в диапазоне звуковых частот и радиочастот. Итак, познакомимся с LC – цепями (подробному анализу этих цепей и активных фильтров посвящены гл. 5).
Начнем со схемы, представленной на рис. 1.62. На частоте ƒ реактивное сопротивление LC – контура равно
1/ZLC = 1/ZC + 1/ZL = 1/jωL – ωC/j = j(ωC – 1/ωL),
или ZLC = j/[(1/ωL) – ωC].
LC-контур в сочетании с резистором R образует делитель напряжения; в связи с тем, что индуктивность и конденсатор противоположным образом реагируют на изменение частоты, импеданс параллельной LC – цепи на резонансной частоте ƒ0 = 1/2π(LC)1/2 стремится к бесконечности на характеристике при этом значении частоты должен наблюдаться резкий всплеск. График такой характеристики представлен на рис. 1.63.
Рис. 1.62. Резонансная LC-схема: широкополосный фильтр.
Рис. 1.63.
В действительности пик характеристики сглажен за счет потерь в индуктивности и конденсаторе, однако если схема сконструирована хорошо, то эти потери очень невелики. Если же хотят специально сгладить характеристику, то в схему включают дополнительный резистор, ухудшающий добротность контура Q. Такая схема называется параллельным резонансным LC – контуром или избирательной схемой. Она широко используется в радиотехнике для выделения из всего частотного диапазона сигналов некоторой частоты усиления (L или С могут быть переменными, и с их помощью можно настраивать резонансный контур на определенную частоту).
Чем выше импеданс источника, тем острее пик характеристики; как вы вскоре убедитесь, в качестве источника принято использовать устройство типа источника тока. Коэффициент добротности Q позволяет оценивать характеристику контура: чем больше добротность, тем острее характеристика. Добротность равна резонансной частоте, поделенной на ширину пика, определенную по точкам -3 дБ. Для параллельной RLC – схемы Q = ω0RC.
Рис. 1.64. Узкополосный режекторный LC – фильтр («ловушка»).
Другой разновидностью LC – схем является последовательная LC – схема (рис. 1.64). Используя выражение для импеданса, можно показать, что импеданс последовательной LC – схемы стремится к нулю на частоте ƒ0 = 1/2π(LC)1/2; такая схема на резонансной частоте или вблизи нее как бы «захватывает» сигнал и заземляет его. Эта схема, так же как и предыдущая, применяется в основном в радиотехнике. На рис. 1.65 изображена ее характеристика. Для последовательной RLC-схемы Q = ω0L/R.
Рис. 1.65.
Упражнение 1.26. Выведите выражение для характеристики (определяющей зависимость отношения Uвых / Uвх от частоты) схемы с последовательным LC – контуром, показанной на рис. 1.64.
Диоды и диодные схемы
Радиолюбительские антенны
Радиолюбительские антенныHam Radio Site by UN7PPX
Антенны.
Главная Обо мне Гостевая книга Обратная связь Новости Космонавтика Софт Антенны Конструкции Схемы Модернизация Радиолюбительская технология Справочники QSL-bureau
Трехдиапазонная КВ антенна
В радиолюбительской практике
широкое применение нашли многодиапазонные
коротковолновые антенны с
контурами-“ловушками” (общее название в
литературе на английском языке — TRAP ANTENNA).
Особенность подобной антенны – наличие в ее
полотне параллельного колебательного контура,
настроенного на частоту одного из любительских
диапазонов.
При работе на этом диапазоне
параллельный колебательный контур эффективно
«отсекает» часть полотна антенны, выполняя тем
самым функции своеобразного автоматического
переключателя рабочей частоты антенны.
Таких LC-контуров в антенне может быть несколько (их резонансные частоты в этом случае соответствуют различным KB диапазонам), причем в диполь-ных антеннах число контуров обязательно четное, так как в каждой половине вибратора устанавливают свой контур (контуры). Наиболее известная антенна с коитурами-“ловушками” – W3DZZ.
Австралийский
коротковолновик VK2AOU обнаружил, что дипольная
антенна с одним параллельным колебательным
контуром, установленным в центре излучателя,
имеет две резонансные частоты. Подбирая длину
диполя и параметры LC-конту-ра, эти частоты можно
установить в пределах двух любительских
диапазонов, причем собственно 1-С-контур в этом
случае оказывается настроенным на чистоту, не
совпадающую с частотами любительских
диапазонов.
Это исключает нежелательные
резонансные явления в контуре и, в свою очередь,
дает возможность несколько снизить требования к
электрической прочности элементов контура (что
особенно важно, поскольку на них может
воздействовать атмосферная влага, несмотря на
предпринимаемые при изготовлении антенны
специальные меры).
Питают подобную антенну коаксиальным кабелем через катушку связи с LC-контуром. Введение в середину полотна второго параллельного контура позволяет реализовать трехдиапазонную антенну.причем резонансная частота этого контура также не совпадает с частотами любительских диапазонов. Следует отметить, что хорошие результаты в трехдиапазонном варианте антенны получаются лнщь при питании ее но двум коаксиальным кабелям (или же по одному, но переключаемому непосредственно у антенны).
На рисунке схематически
показана трехдиапазонная вертикальная KB
антенна, в которой использован описанный выше
принцип работы. Антенна предназначена для работы
на любительских диапазонах 10,15 и 20 метров.
Ока
состоит из излучателя (дюралюминиевая труба
длиной 3,4 м), коробки из диэлектрического
материала (на рисунке не показана) размерами
100х100х100 мм, в которой размещают LC-контуры, и
нескольких противовесов. Резонансная частота
контура L1C1 — 17,4 МГц (L1-0.95 мкГ. С1 = 88 пФ), а контура
L2C2 — 26,2 МГц (L2-0.66 мкГ, С2-56 пФ). Катушки можно
намотать на диэлектрических каркасах диаметром
16 мм медным проводом диаметром не менее 1 мм.
Катушка LI имеет 8, а L2 — 6 витков. Длина намотки
около 50 мм. Число витков и длину намотки следует
уточнить в процессе изготовления катушек так.
чтобы получить указанное значение
индуктивности. Число витков катушек связи L 3 и L4
(примерно по 2 витка каждая) уточняют в процессе
настройки. Эти катушки наматывают изолированным
проводом диаметром 1…1.5 мм поверх катушек L1 и L2 в
центральной их части.
Конденсаторы С1 и С2
изготавливают из отрезков коаксиального’кабеля,
которые саива-ют в небольшие мотки. Свободный
конец кабеля разделывают, как показано на
рисунке вверху справа (1 — диэлектрик,
покрывающий внутренний проводник, 2 – оплетка, 3 –
внешнее покрытие кабеля).
Выворачивание части
оплетки на длину примерно 10 мм позволяет
избежать пробоя кабеля в разделке.
Конструктивно антенна выполнена так. Излучатель укреплен на диэлектрической трубчатой опоре примерно такого же диаметра, что и излучатель,которая пропущена сквозь коробку с LC-контурами. Катушки индуктивности L1 и L2 должны иметь
минимальную взаимную связь, поэтому их размещают в противоположных углах коробки так, чтобы их оси были взаимно перпендикулярны.
На дне коробки устанавливают два разъема для подключения коаксиальных кабелей и винтовой зажим для подключения противовесов. Как уже отмечалось, антенну можно питать и одним кабелем, но тогда в коробке необходимо установить еще и высокочастотное реле требуемой мощности.
Настройка антенны (при
предварительно подобранных конденсаторах С1 и С2)
сводится к подтопке индуктивности катушек L1 и L2
до получения необходимых резонансных частот,
которые контролируют по гетеродинному
индикатору резонанса.
На заключительном этапе
настройки подбирают число витков катушек связи L3
и L4 по минимальному КСВ на соответствующих парах
диапазонов: 20 и 15 метров – у L3, 15 и 10 метров – у L4.
При литании коаксиальным кабелем с волновым сопротивлением 50 Ом через катушку связи L3 описываемая антенна при четырех противовесах имела КСВ в пределах 1…1.3 на диапазоне 20 метров. 1…1.5 на диапазоне 15 метров. 1,6…2,6 на диапазоне 10 метров (в интервале 28,8.,.30 МГц – не более 2), Если антенну питали через катушку связи L4. то КСВ на диапазоне 20 метров был в пределах 2,3…2,9, на диапазоне 15 метров – 1.4…1,7, на диапазоне 10 метров – 1…1.2.
Эта антенна может быть выполнена и в виде обычного горизонтального диполя (вместо противовесов к контуру L2C2 подключают вторую часть вибратора длиной 3400 мм).
S. Hari. Multiband—Antenne fur die neuen
WARC—Bonder.— CQ DL.
1982. M 4. S. 172-174
На главную Наверх
Используются технологии uCozКаталог радиолюбительских схем. Измерение параметров магнитопроводов резонансным методом.
Каталог радиолюбительских схем. Измерение параметров магнитопроводов резонансным методом.Измерение параметров магнитопроводов резонансным методом.
Резонансный метод измерений может быть рекомендован к использованию в домашней лаборатории наряду с методом вольтметра-амперметра. Его отличает точность и простота реализации. Этим методом могут быть получены индуктивность, емкости обмоток, а также индуктивность рассеяния. Для измерений требуется генератор низкой частоты и индикатор резонанса: милливольтметр или осциллограф. Также может быть использован компьютер со звуковой платой.
Измерение индуктивности первичной (или пробной) обмотки.
Рис. 4.39. Схема для измерений резонансным методом.
Принцип измерения иллюстрируется рис. 4.
39. Ключ S при измерении индуктивности должен быть разомкнут. Конденсатор С образует с индуктивностью обмотки L последовательный колебательный контур с резонансной частотой
(4.81)
и характеристическим (волновым) сопротивлением
Определив резонансную частоту контура F, можно рассчитать индуктивность катушки:
(4.82)
Попутно с регистрацией частоты необходимо фиксировать напряжение на катушке, оно понадобится для расчета магнитной индукции. Формулы расчета магнитной индукции по напряжению на катушке приводились ранее (4.66). Низкочастотный генератор достаточной мощности создает в контуре вынужденные колебания. Когда частота генератора ниже резонансной, напряжение на катушке намного меньше напряжения генератора. При совпадении частоты вынужденных колебаний с собственной резонансной частотой LC-контура напряжение на обмотке резко возрастает. Возникает резонанс напряжений. Ток, потребляемый от генератора, при этом минимален, а напряжения на конденсаторе и индуктивности максимальны и противофазны.
Напряжение может возрастать во много раз и достигать десятков и даже сотен вольт. На частотах выше резонансной емкостное сопротивление стремится к нулю и напряжение на катушке практически равно напряжению генератора. Эквивалентная схема контура (рис. 4.40) включает в себя, кроме емкости и индуктивности, еще и выходное сопротивление генератора RL активное сопротивление обмотки RГ. Опыт показывает, что шунтирующим действием измерительного прибора можно пренебречь практически всегда, поскольку его входное сопротивление достаточно велико даже в случае применения простейших стрелочных тестеров.
Рис. 4.40. Эквивалентная схема к рис. 4.39.
Величина сопротивлений RГ и RL оказывает сильное влияние на добротность контура и является фактором, ограничивающим область применения метода. Обозначим сумму всех сопротивлений, включенных в контур R = RГ+RL. Добротностью электрического колебательного контура называется величина
(4.83)
обратно пропорциональная степени затухания в контуре.
Чем выше добротность, тем сильнее резонансное увеличение напряжения на катушке. Типичные значения индуктивности и сопротивления первичной обмотки готового трансформатора L=10…100 Гн, RL=50…200 Ом. Примем выходное сопротивление генератора равным 600 Ом. Волновое сопротивление
контура составит
то есть десятки килоом. Сопротивление измерительного прибора обычно составляет не менее 50 кОм, то есть он не шунтирует контур. Добротность контура составит
это означает, что при
напряжении генератора 1 В резонансное напряжение на катушке составит 15…35 В. Зафиксировать резонанс при этом очень легко. Дополнительным удобством является возможность применения генераторов с низким выходным напряжением. Если добротность мала, то есть активное сопротивление сравнимо с волновым, то резонансный подъем практически отсутствует, а с увеличением частоты напряжение на катушке плавно увеличивается с нуля до U. При Q<2 определить частоту резонанса становится трудно.
Такая ситуация возникает при измерении малых индуктивностей пробных катушек. Для них характерны индуктивность менее 10 мГн и сопротивление около 1 Ом. С емкостью контура 0,01 мкФ получим волновое сопротивление 1 кОм, что сравнимо с внутренним сопротивлением генератора. Резонансный подъем при этом незначителен и точность определения частоты резонанса очень низка. Для одиночных измерений можно уменьшить емкость до 1000 пф, резонанс будет выражен лучше, но резонансная частота может достигнуть 50 кГц и выше. На этой частоте точность измерения снижается из-за влияния паразитных емкостей, потерь в сердечнике и т.д.
Индуктивность рассеяния.
Методом последовательного колебательного контура можно измерять индуктивность рассеяния трансформаторов. Для этого ключ S, рис. 4.39 замыкается. Далее производятся те же действия, что и при измерении индуктивности, то есть ищется первый (нижний по частоте) резонанс, и по его частоте рассчитывается индуктивность контура, являющаяся в этом случае индуктивностью рассеяния трансформатора.
При измерениях могут возникнуть трудности, вызванные малой добротностью контура. На низкой частоте (десятки Герц) напряжение на катушке близко к нулю. Для поиска резонанса нужно плавно перестраивать частоту генератора до начала повышения напряжения. При указанных на схеме номиналах элементов резонанс обычно наступает на частотах от 5 до 15 кГц. Вполне возможно, что резонансного пика не будет. В этом случае частотой настройки можно считать частоту, на которой напряжение на катушке составит половину напряжения на более высоких частотах, см. рис. 4.41. Конечно, точность измерения при этом будет очень низка. Можно увеличить добротость
контура, выбрав меньшую емкость конденсатора, однако уменьшать емкость измерительного конденсатора ниже 0,01 мкФ не стоит. Типичная емкость первичной обмотки выходного трансформатора 1000…2000 пФ. Измерительный конденсатор должен иметь значительно большую емкость, чтобы исключить влияние емкости обмотки.
Рис. 4.41. Определение частоты настройки при малой добротности.
В большинстве случаев индуктивность рассеяния все же удается измерить резонансным методом, попутно с измерением индуктивности. В противном случае следует воспользоваться методом вольтметра-амперметра. Наиболее интересное применение резонансного метода -измерение индуктивности обмоток и магнитной проницаемости сердечников в присутствии тока подмагничивания при различных амплитудах переменной индукции. Схема установки приведена на рис. 4.42.
Рис. 4.42. Схема для измерений с подмагничиванием постоянным током. L — измеряемая индуктивность (дроссель или обмотка трансформатора) LДОП~ — вспомогательный дроссель
С – конденсатор 0,1 мкФ, 250 вольт
R – переменный резистор для регулировки тока подмагничивания. Напряжение источника питания, которое потребуется для проверки трансформатора во всем диапазоне токов подмагничивания U > 1МАХ1 • RL, где RL – суммарное сопротивление всех обмоток, включенных
последовательно.
Для стенда требуется генератор низкой частоты с диапазоном 20Гц…1кГц с напряжением на выходе в пределах 0,1… 10 В. Вольтметр может быть любым, достаточно высокоомным, с внутренним сопротивлением порядка 50… 100 кОм. Лучше всего использовать осциллограф, так как при измерениях с подмагничиванием постоянная составляющая будет маскировать резонанс на малых амплитудах переменного напряжения. Отметим роль вспомогательного дросселя LДОП. Он применяется при измерениях с подмагничиванием для предотвращения шунтирования колебательного контура L с малым выходным сопротивлением источника питания. Естественно, он должен иметь величину индуктивности значительно больше измеряемой, чтобы не влиять на резонансную частоту контура, либо должен иметь известную зависимость индуктивности от тока. Поскольку такое возможно не всегда, хорошим решением будет использование второго экземпляра дросселя или трансформатора, полностью идентичного измеряемому. Обмотки по переменному току включены параллельно и их
суммарная индуктивность в этом случае уменьшится вдвое.
По постоянному току они включены последовательно, поэтому при изменении подмагничивания их параметры изменяются одинаково. Для измерение индуктивности без подмагничивания следует:
1. Отключить источник питания от схемы.
2. Установить напряжение на выходе генератора около 1 В.
3. Изменяя частоту настройки генератора F, найти резонансный максимум напряжения.
4. Вычислить индуктивность обмотки по формуле (4.82).
Измерение индуктивности с подмагничиванием производится после подключения источника питания и выставления требуемого тока подмагничивания. Рассчитанная по формуле (4.81) величина соответствует параллельно соединенным индуктивностям :
(4.84)
Если в качестве LДОП использовалась калиброванная индуктивность, то требуемая величина индуктивности
(4.85)
а если были использованы одинаковые изделия, то
(4.86)
Наиболее естественным применением этой методики является проверка трансформаторов, предназначенных для работы в однотактных каскадах и дросселей на соответствие требованиям, заложенных при расчете, а также подбор величины зазора.
Однако трансформаторы для двухтактных каскадов желательно также испытывать на этом стенде при токе подмагничивания не менее 10% от величины анодного тока в схеме. Индуктивность при этом может падать весьма значительно. То же самое относится к входным и согласующим трансформаторам. Формально, постоянная составляющая не должна попадать в их обмотки, тем не менее, в схемах всегда присутствуют токи утечек и разбалансов плеч. При подборе толщины немагнитной прокладки необходимо отключать подмагничивание (а часто и сигнал генератора) перед размыканием магнитопровода. При работе стенда нельзя прикасаться к элементам схемы, так как на них присутствует довольно высокое напряжение, а при отключении подмагничивания возникает сильный бросок напряжения самоиндукции. Критерием подбора является максимальная индуктивность (или минимальная частота резонанса) при рабочем токе подмагничивания. Зазор в магнитопроводах измеряемого и дополнительного дросселей (трансформаторов) должен изменяться одновременно.
Для этого можно использовать полоски тонкой бумаги известной толщины.
Рис. 4.43. Измерение с помощью параллельного контура.
Разновидность схемы измерения приведена на рис. 4.43. Здесь конденсатор и катушка соединены параллельно, а выходное сопротивление генератора не входит в колебательный контур. Поэтому добротность контура оказывается выше, чем в предыдущих схемах. Это может оказаться важным при измерениях параметров пробных обмоток с малой индуктивностью. В таком контуре наблюдается резонанс токов, то есть токи в конденсаторе и индуктивности равны по величине и противоположны по фазе. При этом сопротивление
контура сильно возрастает, а ток через контур практически прекращается. Напряжение, регистрируемое вольтметром, снижается. В этой схеме измерительный прибор фактически работает в режиме миллиамперметра, поэтому больше подойдут низкоомные (около 2…5 кОм/В) стрелочные тестеры. Фактором, ограничивающим точность, также является активное сопротивление обмотки.
Катушки, содержащие много витков и намотанные тонким проводом имеют меньшую добротность и резонанс выражен хуже.
Схемы, приведенные выше, целесообразно использовать для исследования свойств неизвестных магнитопроводов, либо изготовлении нескольких разнотипных трансформаторов. Однако для подавляющего большинства самоделыциков удобнее измерять параметры и настраивать уже готовые трансформаторы непосредственно в схеме. Рассмотрим немного видоизмененный ламповый однотактный каскад, рис. 4.44. Конденсатор С превращает обычный трансформаторный каскад в резонансный с частотой настройки (4.81).
Рис. 4.44. Настройка трансформатора в схеме.
Ток подмагничивания, то есть ток покоя каскада, устанавливается подбором номинала R2. На вход каскада подается напряжение сигнала от генератора или звуковой платы компьютера. Также как и в предыдущих схемах, частота его обычно находится в пределах 50…300 Гц. Перестройкой частоты нужно добиться максимального напряжения на обмотке трансформатора.
Вольтметр должен иметь сопротивление не менее 50кОм, чтобы не шунтировать высокоомную цепь, которой является параллельный колебательный контур. Есть еще две точки, в которых можно контролировать наступление резонанса. Размах переменного напряжения на катоде лампы при резонансе минимален, так как ток сигнала через лампу почти прекращается. Это можно увидеть с помощью осциллографа или вольтметра переменного тока (через переходной конденсатор). Еще удобнее наблюдать резонанс с помощью звуковой платы компьютера – на вторичной обмотке трансформатора. Если она может работать в дуплексном режиме, задача экспериментатора заметно облегчается. Один из каналов платы служит для вывода напряжения изменяющейся частоты, которое подается на вход схемы. Напряжение со вторичной обмотки подается на второй канал платы. Программа Spectralab запускается в режиме измерения АЧХ. Частота резонанса определяется маркером. Если звуковая плата не имеет дуплексных возможностей, можно записать сигнал качающейся частоты на магнитофон или CD-R.
Целью настройки трансформатора является получение минимальной частоты резонанса, то есть максимальной индуктивности при заданном токе подмагничивания. Регулировать величину зазора следует при выключенном питании. Стягивать сердечник при регулировке штатными стяжками не обязательно, это сделает магнитное поле подмагничивания. Всегда следует проверять поведение трансформатора при токе покоя, большем номинального на 10.. .20 %. Индуктивность при этом не должна сильно уменьшаться.
© Е.Васильченко. 2003г.
© Издательство Солон-Пресс. 2003г.
Резонанс в последовательно-параллельных цепях – резонанс
Резонанс в последовательно-параллельных схемах
Глава 6 – Резонанс
В простых реактивных схемах с небольшим или полным сопротивлением эффекты радикально измененного импеданса проявятся на резонансной частоте, предсказанной приведенным выше уравнением. В параллельной (цистерне) LC-цепи это означает бесконечный импеданс при резонансе.
В последовательной LC-схеме это означает полное сопротивление в резонансе:
Однако, как только в большинстве схем LC вводятся значительные уровни сопротивления, этот простой расчет для резонанса становится недействительным.
На этой странице мы рассмотрим несколько схем LC с добавленным сопротивлением, используя те же значения для емкости и индуктивности, что и раньше: 10 мкФ и 100 мГн соответственно.
Вычисление резонансной частоты цепи с высоким сопротивлением
Согласно нашему простому уравнению выше, резонансная частота должна быть 159, 155 Гц. Однако наблюдайте, когда ток достигает максимума или минимума в следующих анализах SPICE:
Параллельная схема LC с сопротивлением последовательно с L.
резонансный контур v1 1 0 ac 1 sin c1 1 0 10u r1 1 2 100 l1 2 0 100m .ac lin 20 100 200 .plot ac i (v1) .end
Сопротивление последовательно с L производит минимальный ток при 136, 8 Гц вместо вычисленных 159, 2 ГцМинимальный ток при 136, 8 Гц вместо 159, 2 Гц!
Параллельный LC с сопротивлением в серии с C.
Здесь необходим дополнительный резистор (R bogus ) (см. Рисунок ниже), чтобы препятствовать SPICE в обнаружении проблем в анализе. SPICE не может обрабатывать индуктор, подключенный непосредственно параллельно с любым источником напряжения или любым другим индуктором, поэтому добавление последовательного резистора необходимо, чтобы «разбить» цепь источника напряжения / индуктора, которая в противном случае была бы сформирована. Этот резистор выбирается как очень низкое значение для минимального воздействия на поведение схемы.
резонансная схема v1 1 0 ac 1 sin r1 1 2 100 c1 2 0 10u rbogus 1 3 1e-12 l1 3 0 100m .ac lin 20 100 400 .plot ac i (v1) .end
Минимальный ток примерно на 180 Гц вместо 159, 2 Гц!
Сопротивление последовательно с С сдвигает минимальный ток от вычисленного 159, 2 Гц до примерно 180 Гц.Серия LC Circuits
Обращая наше внимание на последовательные схемы LC (см. Рисунок ниже), мы экспериментируем с размещением значительных сопротивлений параллельно с L или C.
В следующих примерах последовательностей последовательно соединены резистор 1 Ω (R 1 ) с индуктором и конденсатор для ограничения полного тока при резонансе. «Дополнительное» сопротивление, вставленное для влияния резонансных частотных эффектов, представляет собой резистор 100 Ом, R 2 . Результаты показаны ниже.
резонансная схема v1 1 0 ac 1 sin r1 1 2 1 c1 2 3 10u l1 3 0 100m r2 3 0 100 .ac lin 20 100 400 .plot ac i (v1) .end
Максимальный ток составляет примерно 178, 9 Гц вместо 159, 2 Гц!
Серийный резонансный контур с сопротивлением параллельно с L сдвигает максимальный ток от 159, 2 Гц до примерно 180 Гц.И, наконец, серия LC LC со значительным сопротивлением параллельно с конденсатором (ниже). Сдвинутый резонанс показан в (рис. Ниже)
Серия LC резонансный контур с сопротивлением параллельно с C.резонансная схема v1 1 0 ac 1 sin r1 1 2 1 c1 2 3 10u r2 2 3 100 l1 3 0 100m .ac lin 20 100 200 .plot ac i (v1) .end
Максимальный ток при 136, 8 Гц вместо 159, 2 Гц!Сопротивление параллельно с резонансной схемой серии C сдвигает максимальный ток от вычисленного 159, 2 Гц до примерно 136, 8 Гц.
Антирезонанс в LC-схемах
Тенденция к добавлению сопротивления к перекосу точки, в которой импеданс достигает максимума или минимума в LC-схеме, называется антирезонансом . Проницательный наблюдатель заметит закономерность между четырьмя примерами SPICE, приведенными выше, с точки зрения того, как сопротивление влияет на резонансный пик схемы:
- Параллельная («танковая») схема LC:
- R последовательно с L: резонансная частота сдвинута вниз
- R последовательно с C: резонансная частота сдвинута вверх
- Серия LC:
- R параллельно с L: резонансная частота сдвинута вверх
- R параллельно с C: резонансная частота сдвинута вниз
Опять же, это иллюстрирует дополнительный характер конденсаторов и индукторов: как сопротивление последовательно с одним создает антирезонансный эффект, эквивалентный сопротивлению параллельно с другим.
Если вы посмотрите еще на четыре приведенных примера SPICE, вы увидите, что частоты сдвинуты на одну и ту же величину и что форма дополнительных графов является зеркальным отображением друг друга!
Антирезонанс – это эффект, о котором должны знать разработчики резонансных схем. Уравнения для определения антирезонансного «сдвига» сложны и не рассматриваются в этом кратком уроке. Достаточно, чтобы начальный студент электроники понял, что существует эффект, и каковы его общие тенденции.
Эффект кожи
Добавленное сопротивление в схеме LC не является академическим вопросом. Хотя возможно изготовление конденсаторов с незначительными нежелательными сопротивлениями, индукторы обычно страдают от значительного количества сопротивления из-за длинной длины проволоки, используемой при их строительстве. Более того, сопротивление провода имеет тенденцию увеличиваться по мере увеличения частоты из-за странного явления, известного как скин-эффект, когда ток переменного тока, как правило, исключается из прохода через самый центр провода, тем самым уменьшая эффективный поперечный разрез провода, площадь сечения.
Таким образом, индукторы не только имеют сопротивление, но и изменяют частотно-зависимое сопротивление при этом.
Добавлено сопротивление в цепях
Как будто сопротивление провода индуктора было недостаточным для возникновения проблем, нам также приходится бороться с «потерями в сердечнике» индукторов с железным сердечником, которые проявляют себя как дополнительное сопротивление в цепи. Поскольку железо является проводником электричества, а также проводником магнитного потока, изменяющийся поток, создаваемый переменным током через катушку, будет стремиться индуцировать электрические токи в самом сердечнике ( вихревые токи ). Этот эффект можно рассматривать так, как если бы железный сердечник трансформатора был своего рода вторичной катушкой трансформатора, питающей резистивную нагрузку: менее совершенную проводимость металлического железа. Эти эффекты могут быть сведены к минимуму с помощью ламинированных сердечников, хорошей конструкции сердечника и высококачественных материалов, но никогда полностью не устраняются.
Схемы RLC
Одним из примечательных исключений из правила сопротивления цепи, вызывающим резонансное смещение частоты, является случай последовательных схем резисторов-индукторов-конденсаторов («RLC»). Пока все компоненты соединены последовательно друг с другом, резонансная частота цепи будет не подвержена влиянию сопротивления. (Рис. Ниже). Полученный график показан в (рис. Ниже).
Серия LC с сопротивлением последовательно.серия rlc circuit v1 1 0 ac 1 sin r1 1 2 100 c1 2 3 10u l1 3 0 100m .ac lin 20 100 200 .plot ac i (v1) .end
Максимальный ток на 159, 2 Гц еще раз!
Сопротивление последовательному резонансному контуру выходит из максимума тока при вычисленном 159, 2 Гц, расширяя кривую.Обратите внимание, что пик текущего графика (рис. Ниже) не изменился с предыдущей серии LC-схемы (той, которая имеет сопротивление токена 1 Ω в ней), хотя сопротивление теперь в 100 раз больше. Единственное, что изменилось, это «резкость» кривой. Очевидно, что эта схема не резонирует так сильно, как одна с меньшим последовательным сопротивлением (она называется «менее селективной»), но, по крайней мере, она имеет одинаковую частоту!
Эффект увлажнения Antiresonance
Следует отметить, что антирезонанс влияет на ослабление колебаний свободных контуров LC, таких как контуры резервуаров.
В начале этой главы мы увидели, как конденсатор и индуктор, соединенные непосредственно вместе, будут действовать как маятник, обмениваясь пиками напряжения и тока, подобно тому, как маятник обменивает кинетическую и потенциальную энергию. В идеальном цикле резервуара (без сопротивления) это колебание будет продолжаться вечно, точно так же, как маятник без трения будет продолжать колебаться на своей резонансной частоте навсегда. Но без трения машины трудно найти в реальном мире, а также без потерь в цистернах. Энергия, потерянная через сопротивление (или потери сердечника индуктора или излучаемые электромагнитные волны или …) в цепи резервуара, приведет к тому, что колебания будут распадаться по амплитуде до тех пор, пока они не станут больше. Если в контуре резервуара будет достаточно энергии, то он вообще не сможет резонировать.
Увлажняющий эффект Antiresonance – это больше, чем просто любопытство: его можно использовать достаточно эффективно, чтобы устранить нежелательные колебания в цепях, содержащих рассеянные индуктивности и / или емкости, как это делают почти все схемы.
Обратите внимание на следующую схему задержки времени L / R: (рисунок ниже)
Идея этой схемы проста: «зарядить» индуктор, когда выключатель замкнут. Скорость зарядки индуктора будет установлена отношением L / R, которое является постоянной времени цепи в секундах. Однако, если вы собираетесь построить такую схему, вы можете обнаружить неожиданные колебания (AC) напряжения на катушке индуктивности, когда выключатель замкнут. (Рис. Ниже) Почему это «02108.png»>
Индуктор звонит из-за резонанса с паразитной емкостью.
Все индукторы содержат определенное количество паразитных емкостей из-за разворотов и разломов изоляции. Кроме того, размещение схемных проводников может создавать паразитную емкость. Хотя схема чистых схем важна для устранения большей части этой паразитной емкости, всегда найдутся некоторые, которые вы не можете устранить. Если это вызывает резонансные проблемы (нежелательные колебания переменного тока), добавленное сопротивление может быть способом борьбы с ним.
Если резистор R достаточно большой, он вызовет условие антирезонанса, рассеивая достаточно энергии, чтобы очень сильно запретить индуктивность и паразитную емкость от длительных колебаний.
Интересно отметить, что принцип использования сопротивления для устранения нежелательного резонанса часто используется при проектировании механических систем, где любой движущийся объект с массой является потенциальным резонатором. Очень распространенным применением этого является использование амортизаторов в автомобилях. Без амортизаторов, автомобили будут отскакивать дико на их резонансной частоте после удара любого удара на дороге. Задача амортизатора состоит в том, чтобы ввести сильный антирезонансный эффект, рассеивая энергию гидравлически (так же, как резистор рассеивает энергию электрически).
- ОБЗОР:
- Добавленная устойчивость к схеме LC может вызывать состояние, известное как антирезонанс, где эффекты пикового импеданса происходят на частотах, отличных от тех, которые дают равные емкостные и индуктивные сопротивления.

- Сопротивление, присущее индукторам реального мира, может в значительной степени способствовать условиям антирезонанса. Одним из источников такого сопротивления является скин-эффект, вызванный исключением переменного тока из центра проводников. Другим источником является то, что потери сердечников в индукторах с железным сердечником.
- В простой серии LC, содержащей сопротивление (цепь «RLC»), сопротивление не создает антирезонанс. Резонанс все еще возникает, когда емкостные и индуктивные сопротивления равны.
LC-цепь: параллельные и последовательные цепи, уравнения и передаточная функция
Что такое LC-цепь?
LC-цепь (также известная как LC-фильтр или LC-цепь) определяется как электрическая цепь, состоящая из пассивных элементов цепи, катушки индуктивности (L) и конденсатора (C), соединенных вместе. Его также называют резонансным контуром, контуром резервуара или настроенным контуром.
LC — Цепь Из-за отсутствия резистора в идеальной форме цепи LC-цепь не потребляет энергии.
Это отличается от идеальных форм цепей RC, цепей RL или цепей RLC, которые потребляют энергию из-за наличия резистора.
Тем не менее, в практической схеме LC-цепь всегда будет потреблять некоторое количество энергии из-за ненулевого сопротивления компонентов и соединительных проводов.
Почему LC-цепь называется настроенной или резервуарной?
Заряд течет туда и обратно между пластинами конденсатора и через катушку индуктивности. Энергия колеблется между конденсатором и катушкой индуктивности до тех пор, пока внутреннее сопротивление компонентов и соединительных проводов не затухнет колебаниям.
Действие этой схемы похоже на настроенное действие, математически известное как гармонический осциллятор, который подобен маятнику, качающемуся вперед и назад, или воде, текущей вперед и назад в резервуаре; по этой причине схема называется настроенной схемой или схемой резервуара.
Схема может действовать как электрический резонатор и накапливать энергию, колеблющуюся на частоте, называемой резонансной частотой.
Серийная LC-цепь
В последовательной LC-цепи катушка индуктивности и конденсатор соединены последовательно, как показано на рисунке.LC-цепь серии
Поскольку в последовательной цепи ток везде одинаков, следовательно, ток равен току через катушку индуктивности и конденсатор.
Теперь общее напряжение на клеммах равно сумме напряжения на конденсаторе и на индукторе.
Резонанс в последовательной LC-цепи
При увеличении частоты величина индуктивного сопротивления также увеличивается
, а величина емкостного сопротивления уменьшается.
Теперь в условиях резонанса величина как индуктивного реактивного сопротивления, так и емкостного реактивного сопротивления становится равной.
Где – резонансная угловая частота (радиан в секунду).
— резонансная частота (Герц).
Теперь полное сопротивление последовательного LC-контура определяется как
Теперь угловая резонансная частота равна , тогда полное сопротивление становится равным
(1)
Таким образом, при резонансном состоянии, когда полное электрическое сопротивление Z будет равно нулю, означает X 9005 L и X C компенсируют друг друга.
следовательно, ток, подаваемый на последовательную LC-цепь, максимален ().
Таким образом, последовательная LC-цепь при последовательном соединении с нагрузкой будет действовать как полосовой фильтр с нулевым импедансом на резонансной частоте.
Параллельная LC-цепь
В параллельной LC-цепи катушка индуктивности и конденсатор соединены параллельно, как показано на рисунке.
Параллельная LC-цепьНапряжение на каждой клемме различных элементов в параллельной цепи одинаково.Следовательно, напряжение на клеммах равно напряжению на катушке индуктивности и напряжению на конденсаторе.
Теперь полный ток, протекающий через параллельную LC-цепь, равен сумме тока, протекающего через катушку индуктивности, и тока, протекающего через конденсатор.
Резонанс в параллельной LC-цепи
В условиях резонанса, когда индуктивное реактивное сопротивление () равно емкостному реактивному сопротивлению (), ток реактивной ветви равен и противоположен.
Следовательно, они компенсируют друг друга, чтобы обеспечить минимальный ток в цепи. В этом состоянии полное сопротивление максимально.
Резонансная частота определяется как
Теперь импеданс параллельной LC-цепи определяется как
Теперь угловая резонансная частота равна , тогда сопротивление становится
(2)
(2) 9004 электрический импеданс Z будет бесконечен, а ток, подаваемый в параллельный LC-контур, будет минимальным ().
Таким образом, параллельная LC-цепь при последовательном соединении с нагрузкой будет действовать как полосовой режекторный фильтр с бесконечным импедансом на резонансной частоте. Параллельная LC-цепь, подключенная параллельно нагрузке, будет действовать как полосовой фильтр.
- На частоте ниже резонансной, т.е. f
0 , X L >> X C . Следовательно, цепь индуктивная. - На частоте выше резонансной, т.е. f>f 0 , X C >> X L .
Следовательно, цепь емкостная. - На резонансной частоте, т. е. f = f 0 , X L = X C , ток минимален, а полное сопротивление максимально. В этом состоянии схема может работать как блокирующая схема.
LC-цепи Уравнения
тока и напряжения уравнение
LC-цепи дифференциального уравнения
Импеданс цепи серии LC
импеданса параллельной цепи LC
Время установки
LC-контур может действовать как электрический резонатор и накапливать энергию колебаний между электрическим полем и магнитным полем на частоте, называемой резонансной частотой.Поскольку любая колебательная система достигает стационарного состояния в некоторый момент времени, известный как время установления.
Время, необходимое для того, чтобы реакция уменьшилась и стала устойчивой на своем установившемся значении, а затем оставалась в пределах +- 2% от своего конечного значения, называется временем установления.
Ток цепи LC
Предположим, что это мгновенный ток, протекающий через цепь. Падение напряжения на катушке индуктивности выражается через ток, а падение напряжения на конденсаторе равно , где Q — заряд, накопленный на положительной пластине конденсатора.
LC-цепьТеперь, согласно закону напряжения Кирхгофа, сумма падений потенциала на различных компонентах замкнутого контура равна нулю.
(3)
(3)
Разделение вышеуказанного уравнения на L и дифференцируя его по отношению к T, мы получаем
(4)
Теперь ток в виде простых гармонических колебаний.
(5)
Где и являются константами.
Положите значение уравнения (5) в (4) мы получаем,
(6)
Таким образом, из вышеуказанного уравнения можно сказать, что цепь LC является колебанием цепи, и он колеблется с частотой, называемой резонансной частотой.
Напряжение цепи LC
Теперь, согласно уравнению (3), индуцированное напряжение на катушке индуктивности равно напряжению на конденсаторе.
Составляем уравнение тока из уравнения (5), получаем
Другими словами, напряжение достигает максимума, когда ток достигает нуля и наоборот. Амплитуда колебаний напряжения равна амплитуде колебаний тока, умноженной на .
Передаточная функция LC-цепи
Передаточная функция от входного напряжения к напряжению на конденсаторе:
Предположим, что конденсатор изначально полностью разряжен, а переключатель (К) остается разомкнутым в течение очень долгого времени и замыкается при t=0.
- При t=0 – переключатель K разомкнут
Это начальное состояние, поэтому мы можем написать:
- Для всех t>=0 + переключатель К замкнут
Теперь в схему вводится источник напряжения. Следовательно, применяя КВЛ к цепи, мы получаем,
Здесь напряжение на конденсаторе выражается через ток.
Приведенное выше уравнение называется интегро-дифференциальным уравнением.
Дифференцируя обе части вышеприведенного уравнения по t, мы получаем,
(7)
Уравнение (7) указывает на дифференциальное уравнение второго порядка LC-цепи.
Заменяем на s 2 , получаем
(8)
Теперь корни вышеприведенного уравнения равны
Здесь – собственная частота колебаний.
Частотная характеристика цепи LC
Метод импеданса: Общее уравнение для частотной характеристики системы:
Где, Полное сопротивление конденсатора
Полное сопротивление катушки индуктивности
Подставляем в уравнение (9), получаем приведенная выше схема
(11)
Подставив значение и в приведенное выше уравнение, мы получим
(12)
Уравнение (10) и (12) показывает частотную характеристику LC-цепи в сложной форме .
Дифференциальное уравнение цепи LC
Приведенное выше уравнение называется интегро-дифференциальным уравнением.
Здесь напряжение на конденсаторе выражается через ток.
Теперь, продифференцировав обе части вышеприведенного уравнения по t, мы получим,
(13)
Приведенное выше уравнение указывает на дифференциальное уравнение второго порядка LC-цепи.
Заменить с S 2 , мы получаем,
(14)
теперь, следовательно, поместите его в вышеуказанное уравнение, которое мы получаем,
LC цепи зарядки и разгрузки
в цепи LC катушка индуктивности и конденсатор оба являются запоминающими элементами i.е. индуктор накапливает энергию в своем магнитном поле (В) в зависимости от тока через него, а конденсатор накапливает энергию в электрическом поле (Е) между его проводящими пластинами в зависимости от напряжения на нем.
Предположим, что первоначально конденсатор содержит заряд q, а затем вся энергия цепи изначально запасается в электрическом поле конденсатора. Энергия, накопленная в конденсаторе, составляет
Зарядка и разрядка LC-цепи
Теперь, если катушка индуктивности подключена к заряженному конденсатору, напряжение на конденсаторе вызовет протекание тока через катушку индуктивности, которая создает магнитное поле вокруг катушки индуктивности.
, конденсатор начинает разряжаться, и напряжение на конденсаторе уменьшается до нуля по мере того, как заряд поглощается протекающим током ().
Теперь конденсатор полностью разряжен и вся энергия хранится в магнитном поле индуктора. В этот момент ток достигает своего максимального значения, а энергия, запасенная в катушке индуктивности, определяется выражением (.
Из-за отсутствия резистора в цепи не рассеивается энергия. Таким образом, максимальная энергия, запасенная в катушке конденсатор равен максимальной энергии, запасенной в индукторе
В этот момент энергия, запасенная в магнитном поле вокруг индуктора, индуцирует напряжение на катушке в соответствии с законом электромагнитной индукции Фарадея ().Это наведенное напряжение заставляет ток течь через конденсатор, и конденсатор начинает заряжаться напряжением противоположной полярности.
Этот процесс зарядки и разрядки начнется снова, при этом ток будет течь в противоположном направлении через индуктор, как и раньше.
Таким образом, зарядка и разрядка LC-цепи могут происходить циклически, и энергия колеблется между конденсатором и катушкой индуктивности до тех пор, пока внутреннее сопротивление не затухнет колебаниям.
На рисунке показаны напряжение и ток зарядки и разрядки. Форма кривой напряжения и тока зарядки и разрядки
Применение LC-цепи
Применение LC-схемы включает:
- Применение LC-схемы в основном связано со многими электронными устройствами. , особенно радиооборудование, такое как передатчики, радиоприемники и телевизионные приемники, усилители-генераторы, фильтры, тюнеры и смесители частот.
- LC-схемы также используются для создания сигналов на определенной частоте или приема сигнала от более сложного сигнала на определенной частоте.
- Основной целью LC-контура обычно является колебание с минимальным затуханием, поэтому сопротивление должно быть как можно меньше.
- Последовательная резонансная схема обеспечивает усиление напряжения.

- Параллельный резонансный контур обеспечивает усиление тока.
Что такое демпфирование?
Затухание – это уменьшение амплитуды колебаний или волнового движения со временем. Резонанс – это увеличение амплитуды по мере уменьшения затухания.
Простой параллельный (резервуарный) резонанс | Резонанс
Резонанс в контуре бака
Состояние резонанса возникает в цепи бака, когда реактивные сопротивления конденсатора и катушки индуктивности равны друг другу.Поскольку индуктивное сопротивление увеличивается с увеличением частоты, а емкостное сопротивление уменьшается с увеличением частоты, будет только одна частота, на которой эти два сопротивления будут равны. Пример:
Простой параллельный резонансный контур (резервуарный контур).
В приведенной выше схеме у нас есть конденсатор на 10 мкФ и дроссель на 100 мГн. Поскольку мы знаем уравнения для определения реактивного сопротивления каждого на заданной частоте, и мы ищем ту точку, где два реактивных сопротивления равны друг другу, мы можем установить две формулы реактивных сопротивлений равными друг другу и решить для частоты алгебраически :
Итак, у нас есть это: формула, определяющая резонансную частоту колебательного контура при значениях индуктивности (L) в Генри и емкости (C) в Фарадах.
Подставив значения L и C в схему нашего примера, мы получим резонансную частоту 159,155 Гц.
Расчет индивидуальных импедансов
Что происходит при резонансе, весьма интересно. Когда емкостное и индуктивное сопротивления равны друг другу, общее сопротивление увеличивается до бесконечности, а это означает, что цепь бака не потребляет ток от источника питания переменного тока!
Мы можем рассчитать отдельные импедансы конденсатора 10 мкФ и катушки индуктивности 100 мГн и использовать формулу параллельного импеданса, чтобы продемонстрировать это математически:
Как вы могли догадаться, я выбрал эти значения компонентов, чтобы получить резонансные импедансы, с которыми было легко работать (даже 100 Ом).
Формула параллельного импеданса
Теперь мы используем формулу параллельного импеданса, чтобы увидеть, что происходит с общим Z:
Сюжет моделирования SPICE
Мы не можем разделить любое число на ноль и получить осмысленный результат, но мы можем сказать, что результат приближается к значению бесконечности по мере того, как два параллельных импеданса становятся ближе друг к другу.![]()
На практике это означает, что общий импеданс контура резервуара бесконечен (ведет себя как разомкнутая цепь ) при резонансе.Мы можем изобразить последствия этого в широком диапазоне частот источника питания с помощью короткой симуляции SPICE.
Резонансный контур, пригодный для моделирования SPICE.
Резистор сопротивлением 1 пикоом (1 пОм) используется в этом SPICE-анализе для преодоления ограничения SPICE, а именно того, что он не может анализировать цепь, содержащую прямую петлю индуктор-источник напряжения. (Рисунок ниже) Было выбрано очень низкое значение сопротивления, чтобы иметь минимальное влияние на поведение схемы.
Это моделирование SPICE отображает ток цепи в диапазоне частот от 100 до 200 Гц с двадцатью четными шагами (100 и 200 Гц включительно). Величина тока на графике увеличивается слева направо, а частота увеличивается сверху вниз.
Ток в этой цепи резко падает вокруг точки анализа 157,9 Гц, которая является ближайшей точкой анализа к нашей предсказанной резонансной частоте 159,155 Гц.
Именно в этот момент общий ток от источника питания падает до нуля.
График графического постпроцессора «Мускатный орех»
Приведенный выше график создается из указанного выше файла схемы spice ( *.cir), команда (.plot) в последней строке создает текстовый график на любом принтере или терминале. Графический постпроцессор «мускатного ореха», входящий в состав пакета spice, создает более привлекательный график.
Приведенная выше специя ( *.cir) не требует команды plot (.plot), хотя и не вредит. Следующие команды создают график ниже:
пряный -b -r звонкий.необработанный резонансный .cir ( -b пакетный режим, -r необработанный файл, ввод resonant.cir) мускатный орех resonant.raw
Из подсказки мускатного ореха:
>setplot ac1 (setplot {enter} для списка графиков)
>отобразить (для списка сигналов)
>сюжетный журнал(v1#ветка)
(величина комплексного вектора тока v1#ветвь)
Мускатный орех производит график тока I(v1) для параллельного резонансного контура.
Графики Боде
Между прочим, график, полученный с помощью этого компьютерного анализа SPICE, более известен как график Боде .Такие графики отображают амплитуду или фазовый сдвиг по одной оси и частоте по другой. Крутизна кривой графика Боде характеризует «частотную характеристику» схемы или ее чувствительность к изменениям частоты.
ОБЗОР:
- Резонанс возникает, когда емкостное и индуктивное сопротивления равны друг другу.
- Для контура бака без сопротивления (R) резонансную частоту можно рассчитать по следующей формуле
- Общий импеданс параллельной LC-цепи приближается к бесконечности, когда частота источника питания приближается к резонансу.
- A График Боде — это график, отображающий амплитуду или фазу сигнала по одной оси и частоту по другой.
РОДСТВЕННЫЕ РАБОЧИЕ ЛИСТЫ:
ЦепьLC? Формула, уравнение и диаграмма
Что такое LC Circuit? Благодаря частотным характеристикам, таким как отношение частоты к току, напряжению и импедансу, схемы с L- и C-элементами обладают уникальными характеристиками.
На некоторых частотах эти характеристики могут иметь резкий минимум или максимум. Эти схемы в основном используются в передатчиках, радиоприемниках и телевизионных приемниках.Рассмотрим LC-цепь, в которой конденсатор и катушка индуктивности подключены последовательно к источнику напряжения. Соединение этой схемы имеет необычное свойство резонировать на определенной частоте, известной как резонансная частота. В этом посте объясняется, что такое LC-схема и как работает простая последовательно-параллельная LC-схема.
LC-контур, также известный как колебательный контур, резонансный контур или резонансный контур, представляет собой электрическую цепь, состоящую из конденсатора, обозначенного буквой «C», и катушки индуктивности, обозначенной буквой «L.Эти схемы используются для генерации сигналов на определенной частоте или для приема сигнала от более сложного сигнала на определенной частоте. LC-схемы являются основными электронными компонентами, которые можно найти в широком диапазоне электронных устройств, особенно в радиооборудовании, где они используются в таких схемах, как тюнеры, фильтры, смесители частоты и генераторы.
Основная цель LC-цепи – генерировать колебания с наименьшим возможным демпфированием.
LC-цепь представляет собой электрическую цепь, состоящую из катушки индуктивности (обозначается буквой L) и конденсатора (обозначается буквой C). В данном случае оба соединены в одну цепь. Контурный контур, резонансный контур или настроенный контур — все это термины, используемые для описания LC-контура. LC-схемы используются в различных электронных устройствах, таких как радиооборудование, а также в таких схемах, как фильтры, генераторы и тюнеры.
Во многих ситуациях LC-цепь является полезной основой для использования, поскольку мы можем предположить, что потери энергии отсутствуют даже при наличии сопротивления.Однако любая реализация приведет к потерям из-за незначительного электрического сопротивления в соединительных проводах или компонентах, если мы хотим быть практичными. Эта схема используется потому, что она может колебаться с наименьшим демпфированием, что приводит к наименьшему возможному сопротивлению.
Несмотря на это, большинство схем работают с некоторыми потерями.
LC-контур может сохранять электроэнергию, когда он колеблется на своей собственной резонансной частоте. Конденсатор будет накапливать энергию в электрическом поле (E) между его пластинами в зависимости от получаемого напряжения, а катушка индуктивности будет накапливать энергию в своем магнитном поле в зависимости от тока (B).
Определение и принцип LC-цепиБазовым примером цепи индуктор-конденсатор является двухэлементная LC-цепь, обсуждавшаяся в предыдущих параграфах. Он также известен как LC-цепь второго порядка, чтобы отличать ее от более сложных LC-цепей с большим количеством конденсаторов и катушек индуктивности. Несколько резонансных частот можно найти в LC-сетях с более чем двумя реактивными сопротивлениями.
Незатухающая или собственная частота системы называется резонансной частотой.Резонансная частота LC-цепей обычно определяется импедансом L и емкостью C. Порядок сети, с другой стороны, представляет собой порядок рациональной функции, который описывает сеть в комплексных частотных переменных.
В большинстве случаев порядок равен количеству элементов L и C в схеме и не может быть превышен.
Конденсатор C и катушка индуктивности L соединены последовательно в последовательной LC-цепи, как показано на схеме ниже.Общее напряжение на разомкнутых клеммах представляет собой просто сумму напряжений на конденсаторе и катушке индуктивности. Ток, протекающий через клемму +V e LC-цепи, равен току, протекающему через катушку индуктивности (L) и конденсатор (C) (V = V L + V C , i = i L = я C ).
При увеличении амплитуды индуктивного сопротивления «X L » увеличивается и частота. Точно так же, когда амплитуда емкостного сопротивления «X C » уменьшается, частота снижается.Резонанс цепи LC серии
(Ссылка: elprocus.com ) Два реактивных сопротивления XL и XC имеют одинаковую величину, но противоположный знак на определенной частоте.
В результате эта частота называется резонансной частотой и обозначается как в LC-контуре.
Следовательно, при резонансе
{X}_{L} = {-X}_{C}
{\omega }_{L}=\frac{1}{{\omega}_{C }}, \omega ={\omega }_{0}=\frac{1}{\sqrt{LC}}
Что из следующего является резонансной угловой частотой контура? Следующая формула используется для преобразования угловой частоты в частоту.
{f}_{0}=\frac{{\omega }_{0}}{2\pi \sqrt{LC}}
Два резонанса XC и XL компенсируют друг друга в схема последовательного резонанса LC. Сопротивление обмоток катушки часто противостоит потоку электричества в реальных, а не в идеальных компонентах. В результате при резонансе ток, подаваемый в цепь, максимален.
Когда отношение f/f 0 самое высокое, а импеданс цепи самый низкий, цепь называется приемной.
Для f0, X L C) схема емкостная, а для f0, X L >> (-X C ) схема индуктивная.
Конденсатор C и катушка индуктивности L соединены параллельно в конфигурации параллельной LC-цепи, как показано на схеме ниже. Общее напряжение на разомкнутых клеммах представляет собой просто сумму напряжений на конденсаторе и катушке индуктивности. Ток, протекающий через клемму +Ve LC-цепи, равен току, протекающему через катушку индуктивности (L) и конденсатор (C) (V = V L = V C , i = i L + i С ).
Предположим, что внутреннее сопротивление катушки «R». Токи реактивной ветви одинаковы и противоположны при наличии двух резонансов XC и XL. В результате они компенсируют друг друга, оставляя ключевую линию с наименьшим током. В этом состоянии общий ток минимален, а полное сопротивление максимально. Резонансная частота рассчитывается как f 0 = ω 0 / 2π.
Стоит отметить, что ток любой реактивной ветви не равен нулю в резонансе; вместо этого каждый из них рассчитывается отдельно путем деления напряжения источника «V» на реактивное сопротивление «Z».
В результате уравнения Ома I=V/Z, режекторная цепь может быть классифицирована как индуктивная, когда линейный ток минимален, а полное полное сопротивление максимально при f 0 , емкостная, если выше f 0 , и индуктивная, если ниже f 0 . Посетите здесь, чтобы увидеть некоторые различия между параллельными и последовательными цепями LC.
Применение LC-контураРезонанс последовательных и параллельных LC-контуров чаще всего используется в системах связи и обработке сигналов.
Настройка радиопередач и приемников является популярным применением схемы LC. Например, когда мы настраиваем радиоприемник на определенную станцию, схема будет настроена на резонанс для этой конкретной несущей частоты.
Увеличение напряжения достигается с помощью последовательного резонансного LC-контура.
Параллельный резонансный LC-контур используется для усиления тока, а также используется в качестве импеданса нагрузки в цепях ВЧ-усилителей, при этом усиление усилителя максимально на резонансной частоте.
В индукционном нагреве используются как последовательные, так и параллельные резонансные LC-контуры.
Эти схемы функционируют как электронные резонаторы, которые используются в таких приложениях, как усилители, генераторы, тюнеры, фильтры, графические планшеты, микшеры, бесконтактные карты и защитные метки X L и X C .
Таким образом, LC-схема, работа последовательных и параллельных резонансных схем и их применение охвачены. Мы надеемся, что вы лучше поняли эту идею в результате этого обсуждения.Кроме того, если у вас есть какие-либо вопросы или предложения по поводу этой концепции или проектов в области электротехники и электроники, пожалуйста, оставьте их в области комментариев ниже. Вот вопрос к вам, в чем разница между последовательным резонансом и параллельным резонансом LC Circuits? Поделитесь своими комментариями ниже.
Резонансные цепи – обзор
III.B.1 Резонансные преобразователи
Путем добавления резонансной цепи индуктивно-конденсаторного типа после коммутационных устройств прямоугольные напряжения и токи преобразуются в синусоидальные формы сигналов.
Таким образом, резонансный преобразователь постоянного тока в постоянный состоит из инвертора, резонансного контура, высокочастотного трансформатора и полумоста или мостового выпрямителя, поскольку эти преобразователи используются для высокого уровня мощности.
Наличие синусоидальных сигналов позволяет осуществлять переключение, когда либо напряжение на переключателе, либо ток через него имеют нулевое значение, что подразумевает теоретические нулевые потери при переключении, таким образом, обозначение «мягкое переключение».
Резонансный контур может быть простой последовательной или параллельной LC схемой, или схемой, образованной катушкой индуктивности и двумя конденсаторами (параллельная LCC ), или двумя катушками индуктивности и одним конденсатором (параллельная LLC ), или параллельной Схема LLCC (рис.12а).
РИСУНОК 12. (a) Параллельный резонансный преобразователь LLCC и (b) его управляющие характеристики.
[Воспроизведено с разрешения из Batarseh, I., and Lee, C.Q. (1991). «Установившийся анализ параллельного резонансного преобразователя с коммутационной сетью типа LLCC», IEEE Trans. Силовая электроника 6 , 525–538. © 1991 IEEE.]
Поскольку переключатели должны включаться и выключаться в зависимости от значения соответствующего напряжения/тока, а не в соответствии с решениями цепи обратной связи PWM, регулирование типа рабочего цикла невозможно.Вот почему резонансные преобразователи регулируются частотным регулированием. На рис. 12б приведены характеристики управления с точки зрения коэффициента усиления (выходное напряжение относительно линейного напряжения) в зависимости от отношения частот в градусах (π f r / f s , где f r является резонансным Частота), для разных ценностей нагрузки R 0 ( Q 4 P = R 0 / Z 0 , Z 0 = 2π F р л с ).
Изменяя f s , можно поддерживать постоянное напряжение нагрузки.
Резонансные преобразователи могут управляться либо в «надрезонансном» режиме, когда диапазон частоты коммутации всегда выше резонансной частоты резонансного блока, либо в «нижерезонансном» режиме, когда частота коммутации всегда ниже резонансной частоты.
Преимущество последнего режима в том, что ключи выключаются, когда ток через них равен нулю, т. е. отсутствуют потери на выключение.Эта функция позволяет использовать SCR в качестве коммутационных устройств; SCR имеют медленное отключение и большую номинальную мощность. Следовательно, эти преобразователи могут использоваться в приложениях большой мощности. Однако, поскольку для целей регулирования необходимо уменьшить частоту коммутации ниже ее номинального значения, необходимо проектировать все магнитные элементы на наименьшую частоту в диапазоне частоты коммутации (иначе трансформатор может достичь насыщения), в результате чего больший размер магнитных элементов.
Поскольку паразитные емкости переключателей полностью заряжаются до включения транзисторов, возникают коммутационные потери, и для рассеивания этой энергии необходимы снабберы.
При работе преобразователя в «зарезонансном» режиме ключи включаются при нулевом напряжении на них. Следовательно, потерь при включении нет. Эти преобразователи работают на высокой частоте переключения, поэтому размеры магнитных и фильтрующих компонентов уменьшены. Однако наличие потерь на выключение требует очень быстрых выключателей.При малой нагрузке частота коммутации должна быть значительно увеличена для целей регулирования; такой большой диапазон частот усложняет разработку схемы управления.
Резонанс в управляемой цепи RLC
Резонанс в управляемой цепи RLC
За последние несколько недель в лекциях обсуждалось несколько схем. В цепи, состоящей
катушки индуктивности и конденсатора (LC), энергия будет колебаться между двумя элементами, сначала
сохраняется в магнитном поле индуктора, а затем в электрическом поле конденсатора.
Более реалистичная схема (RLC) включает эффекты сопротивления, и в этом случае сохраненная
энергия уменьшается, так как часть идет на резистивный нагрев. Формулы для напряжений и токов
в цепях RLC сочетает в себе синусоидальную функцию и демпфированную экспоненту.
Схема, которую мы рассмотрим сегодня, имеет источник питания переменного тока, добавляющий энергию в схему. Концептуально мы можем представить себе ребенка на качелях. Взрослый толкает ребенка на правильной частоте, ребенок будет подниматься все выше и выше.Если взрослый плохо справляется толкание (имеется в виду толкание в неподходящее время), движению ребенка не поможет толкать. Лучшее время для толчка будет соответствовать естественной частоте замаха, т.к. определяется длиной качания и силой тяжести.
В терминах электрической цепи мы можем записать формулу для падения напряжения вокруг последовательная схема:
V всего = V L + V R + V C ,
Где V L — напряжение на дросселе, V R — напряжение на резисторе и V C это напряжение на конденсаторе.
Так как V итого должно быть равно входному напряжению, мы
можно написать:
V Sin(wt) = L dI/dt + RI + q/C
Или:
V Sin(wt) = L d 2 q/dt 2 + R dq/dt + q/C.
Формулы, удовлетворяющие этому дифференциальному уравнению второго порядка, приведены на рисунке 1.
Рис. 1. Формулы для управляемой цепи RLC
Обычный подход к решению дифференциального уравнения заключается в использовании векторной диаграммы подход.Векторы связывают напряжение на элементе цепи с текущим током. через это. В резисторах ток и напряжение совпадают по фазе, в катушках индуктивности фаза напряжения опережает тока на π/2, а в конденсаторах фаза напряжения отстает от тока на π/2.
Ток через цепь максимален, когда угловая частота равна
к (ЛК) -0,5 . Это известно как «резонансная частота». По мере удаления от
резонансной частоты, отклик схемы упадет.Мы проверим
Цепь RLC с разными частотами и установить кривую отклика.
Ширина
пика вокруг резонансной частоты измеряется “Q”, качество
схема. Математически Q = ω o L/R, где ω o — резонансная частота.
Экспериментально Q = o / ( 2 – 1 ), где
мощность в цепи составляет 1/2 ее пикового значения. Поскольку мощность связана с квадратом тока, а
поскольку ток пропорционален напряжению на резисторе, если ω o пиковая частота
тогда ω 1 и ω 2 — частоты по обе стороны, где напряжение
через резистор.707 пикового значения,
Процедура:
Подсоедините Т-образный соединитель к выходу генератора функций. Отправить один вывод на первый канал
вашего осциллографа. Убедитесь, что вы видите синусоиду на вашем прицеле.
Следующим шагом является подключение цепи RCL. Используйте индуктор на плате RLC
и подключите его последовательно с конденсатором. Завершите схему, подключив резистор
последовательно. См. рис. 2. Попросите инструктора проверить вашу схему перед включением.
сила.В этой лаборатории вы будете использовать индуктор на 8,2 мГн. Ваш выбор для
резистор 10 Ом, 33 Ом и 100 Ом и для конденсатора 100 мкФ и 330 мкФ. Прежде чем вы придете к
лаборатории, определите хорошие значения для C и R, чтобы получить резонансную частоту, которую вы можете
генерировать с помощью вашего генератора функций, и пик достаточно узкий для измерения. Нарисуйте векторные диаграммы
предложенной вами схемы в тетради по ω o , ω 1 и ω 2 с
как можно больше подробностей.
Рис. 2. Вид электропроводки вблизи
Измерьте напряжение на резисторе на втором канале вашего осциллографа.Через закон Ома это дает ток через цепь. Если вы просматриваете оба канала, вы должны увидеть экран как на рисунке 3.
Рис. 3. Осциллограф с управляющим напряжением и напряжением на резисторе
Не берите в блокнот данные о напряжении, постройте резонансную кривую RLC-цепи.
Вам придется использовать логарифмическую шкалу для вашей частоты.
Принесите следующее
миллиметровка в лабораторию
(указывает, если вы ждете, пока лаборатория не напечатает его). Если вы не знаете, как использовать полулогарифмическую бумагу,
см. следующий учебник.Обратите внимание, что в
в нашей лаборатории независимой переменной является частота, которая будет охватывать несколько десятилетий. Отсюда логарифмическая шкала
будет проходить по оси x.
Острота пика измеряется значением, известным как «Q». Каково ваше измерение значение Q? Соответствует ли это теоретическому значению? Q = ω o L/R?
Прокомментируйте относительную фазу управляющего напряжения и тока в цепи как функция частоты. Можете ли вы придумать нематематическое объяснение поведения?
6.5: Резонанс в последовательно-параллельных цепях
В простых реактивных цепях с малым сопротивлением или без него эффекты радикально измененного импеданса будут проявляться на резонансной частоте, предсказанной уравнением, приведенным ранее. В параллельной (резервуарной) LC-цепи это означает бесконечный импеданс в резонансе.
В последовательной LC-цепи это означает нулевой импеданс в резонансе:
\[f_{резонансный} = \dfrac{1}{2\pi \sqrt{LC}}\]
Однако, как только в большинстве LC-цепей вводятся значительные уровни сопротивления, этот простой расчет резонанса становится недействительным.
На этой странице мы рассмотрим несколько LC-цепей с добавленным сопротивлением, используя те же значения емкости и индуктивности, что и раньше: 10 мкФ и 100 мГн соответственно.
Расчет резонансной частоты высокоомной цепи
Согласно нашему простому уравнению, приведенному выше, резонансная частота должна быть 159,155 Гц. Однако обратите внимание, где ток достигает максимума или минимума в следующих анализах SPICE:
Параллельная LC-цепь с сопротивлением, включенным последовательно с L.
резонансный контур v1 1 0 ac 1 sin c1 1 0 10u r1 1 2 100 l1 2 0 100m .ac lin 20 100 200 .plot ac i(v1) .end
Сопротивление, включенное последовательно с L, дает минимальный ток при 136,8 Гц вместо расчетных 159,2 Гц
Минимальный ток при 136,8 Гц вместо 159,2 Гц!
Параллельный LC с сопротивлением в серии с C.
Здесь дополнительный резистор (R фиктивный ) (см. рисунок ниже) необходим, чтобы SPICE не столкнулся с проблемами при анализе.SPICE не может работать с катушкой индуктивности, соединенной напрямую параллельно с любым источником напряжения или любой другой катушкой индуктивности, поэтому необходимо добавить последовательный резистор, чтобы «разорвать» петлю источник напряжения/индуктор, которая иначе образовалась бы. Этот резистор выбран как с очень низким значением для минимального влияния на поведение схемы.
Минимальный ток примерно 180 Гц вместо 159,2 Гц! Сопротивление последовательно с C сдвигает минимальный ток с расчетных 159,2 Гц до примерно 180 Гц. Цепи LC серии Переключив наше внимание на последовательные LC-цепи (см. рисунок ниже), мы экспериментируем с размещением значительных сопротивлений параллельно либо L, либо C. В следующих примерах последовательных цепей резистор 1 Ом (R 1 ) помещается последовательно с катушкой индуктивности и конденсатором для ограничения общего тока при резонансе.
«Дополнительным» сопротивлением, вставленным для воздействия на эффекты резонансной частоты, является резистор 100 Ом, R 2 . Результаты показаны на рисунке ниже.
Серия Резонансный контур LC с сопротивлением, включенным параллельно C.
Сопротивление, включенное параллельно C в последовательном резонансном контуре, сдвигает максимум тока с расчетных 159,2 Гц примерно до 136,8 Гц.
Антирезонанс в LC-цепях
Склонность добавочного сопротивления к искажению точки, в которой полное сопротивление достигает максимума или минимума в LC-цепи, называется антирезонансным .
Проницательный наблюдатель заметит закономерность между четырьмя примерами SPICE, приведенными выше, с точки зрения того, как сопротивление влияет на резонансный пик цепи:
Параллельная («резервуарная») LC-цепь:
- R последовательно с L: резонансная частота смещена вниз
- R последовательно с C: резонансная частота сдвинута вверх
Цепь серии LC:
- R параллельно L: резонансная частота сдвинута вверх
- R параллельно C: резонансная частота смещена вниз
Опять же, это иллюстрирует взаимодополняющий характер конденсаторов и катушек индуктивности: как сопротивление, включенное последовательно с одним, создает антирезонансный эффект, эквивалентный сопротивлению, параллельному другому.Если вы посмотрите еще ближе на четыре приведенных примера SPICE, вы увидите, что частоты сдвинуты на на ту же величину, что и , и что формы дополнительных графиков являются зеркальными отображениями друг друга!
Антирезонанс — это эффект, о котором должны знать разработчики резонансных схем.
Уравнения для определения антирезонансного «сдвига» сложны и не будут рассматриваться в этом кратком уроке. Начинающему изучающему электронику должно быть достаточно понять, что эффект существует и каковы его общие тенденции.
Эффект кожи
Добавленное сопротивление в LC-цепи не является академическим вопросом. Хотя можно производить конденсаторы с незначительными нежелательными сопротивлениями, катушки индуктивности обычно имеют значительное сопротивление из-за большой длины провода, используемого в их конструкции. Более того, сопротивление провода имеет тенденцию к увеличению по мере увеличения частоты из-за странного явления, известного как скин-эффект , когда переменный ток имеет тенденцию исключаться из прохождения через самый центр провода, тем самым уменьшая эффективное сопротивление провода. площадь поперечного сечения.Таким образом, катушки индуктивности имеют не только сопротивление, но и переменное, частотно-зависимое сопротивление .
Добавлено сопротивление в цепях
Как будто сопротивления провода индуктора недостаточно, чтобы вызвать проблемы, мы также должны бороться с «потерями в сердечнике» индукторов с железным сердечником, которые проявляются как добавочное сопротивление в цепи.
Поскольку железо является проводником электричества, а также проводником магнитного потока, изменяющийся поток, создаваемый переменным током через катушку, будет иметь тенденцию индуцировать электрические токи в самом сердечнике ( вихревые токи ).Этот эффект можно представить себе так, как если бы железный сердечник трансформатора был своего рода вторичной катушкой трансформатора, питающей резистивную нагрузку: проводимость металлического железа далеко не идеальна. Этот эффект может быть сведен к минимуму с помощью ламинированных сердечников, хорошей конструкции сердечника и высококачественных материалов, но никогда не может быть устранен полностью.
Цепи RLC
Одним заметным исключением из правила сопротивления цепи, вызывающего сдвиг резонансной частоты, является случай цепей последовательных резистор-индуктор-конденсатор («RLC»).Пока все компоненты соединены последовательно друг с другом, резонансная частота цепи не зависит от сопротивления. (Рисунок ниже) Полученный график показан на (Рисунок ниже).
Серия LC с последовательно включенным сопротивлением.
Максимальный ток на частоте 159,2 Гц еще раз!
Сопротивление в последовательном резонансном контуре оставляет максимум тока при расчетной частоте 159,2 Гц, уширяя кривую.
Обратите внимание, что пик на графике тока (рисунок ниже) не изменился по сравнению с LC-схемой более ранней серии (той, в которой было символическое сопротивление 1 Ом), хотя сопротивление теперь в 100 раз больше. Единственное, что изменилось, это «резкость» кривой. Очевидно, что эта схема не резонирует так сильно, как схема с меньшим последовательным сопротивлением (о ней говорят, что она «менее избирательна»), но, по крайней мере, у нее такая же собственная частота!
Демпфирующий эффект антирезонанса
Следует отметить, что эффект антирезонанса заключается в гашении колебаний свободно работающих LC-контуров, таких как колебательные контуры.В начале этой главы мы видели, как конденсатор и катушка индуктивности, соединенные напрямую друг с другом, будут действовать как маятник, обмениваясь пиками напряжения и тока точно так же, как маятник обменивается кинетической и потенциальной энергией.
В идеальном резервуарном контуре (без сопротивления) эти колебания будут продолжаться вечно, точно так же, как маятник без трения будет вечно качаться на своей резонансной частоте. Но машины без трения трудно найти в реальном мире, как и контуры резервуаров без потерь.Энергия, потерянная из-за сопротивления (или потерь в сердечнике индуктора, или излучаемых электромагнитных волн, или…) в контуре бака, приведет к затуханию амплитуды колебаний до тех пор, пока они не прекратятся. Если в контуре резервуара присутствуют достаточные потери энергии, он вообще не будет резонировать.
— это больше, чем просто любопытство: его можно довольно эффективно использовать для устранения нежелательных колебаний в цепях, содержащих паразитные индуктивности и/или емкости, как почти во всех цепях.Обратите внимание на следующую схему задержки времени L/R: (рисунок ниже)
Цепь задержки времени Л/П
Идея этой схемы проста: «заряжать» катушку индуктивности, когда переключатель замкнут.
Скорость зарядки индуктора задается отношением L/R, которое представляет собой постоянную времени цепи в секундах. Однако, если бы вы построили такую схему, вы могли бы обнаружить неожиданные колебания (AC) напряжения на катушке индуктивности, когда переключатель замкнут.(Рисунок ниже) Почему это? В цепи нет конденсатора, так как же мы можем иметь резонансные колебания, используя только катушку индуктивности, резистор и батарею?
Звон катушки индуктивности из-за резонанса с паразитной емкостью.
Все катушки индуктивности имеют определенную величину паразитной емкости из-за межвитковых изоляционных зазоров между витками и сердечником. Кроме того, размещение проводников цепи может создавать паразитную емкость. Хотя чистота схемы важна для устранения большей части этой паразитной емкости, всегда будут некоторые, которые вы не сможете устранить.Если это вызывает резонансные проблемы (нежелательные колебания переменного тока), дополнительное сопротивление может быть способом борьбы с этим.
Если резистор R достаточно большой, он вызовет состояние антирезонанса, рассеивая достаточно энергии, чтобы индуктивность и паразитная емкость не могли поддерживать колебания в течение очень долгого времени.
Достаточно интересно, что принцип использования сопротивления для устранения нежелательного резонанса часто используется при проектировании механических систем, где любой движущийся объект с массой является потенциальным резонатором.Очень распространенным применением этого является использование амортизаторов в автомобилях. Без амортизаторов автомобили будут сильно подпрыгивать на своей резонансной частоте после столкновения с любой неровностью дороги. Работа амортизатора заключается в создании сильного антирезонансного эффекта за счет гидравлического рассеивания энергии (так же, как резистор рассеивает энергию электрически).
Обзор
- Добавленное сопротивление в LC-контуре может вызвать состояние, известное как антирезонанс , когда эффекты пикового импеданса возникают на частотах, отличных от той, которая дает равные емкостное и индуктивное сопротивления.

- Сопротивление, присущее реальным катушкам индуктивности, может в значительной степени способствовать условиям антирезонанса. Одним из источников такого сопротивления является скин-эффект , вызванный исключением переменного тока из центра проводников. Другим источником являются потерь в сердечнике в катушках индуктивности с железным сердечником.
- В простой последовательной LC-цепи, содержащей сопротивление (цепь «RLC»), сопротивление , а не создает антирезонанс. Резонанс по-прежнему возникает, когда емкостное и индуктивное сопротивления равны.
Руководство по схемам LC – НАСТРОЙКИ ЦЕПЕЙ
Первым делом LC Circuit была настройка радиооборудования; и,
спустя более чем три четверти века эта простая схема все еще работает
эта работа – с добавленной функцией настройки телевидения. Он занимается другими делами,
как на радио, так и на звуковых частотах; однако даже в самом изощренном
современные приложения далеки от простой настройки, схема LC все еще есть,
в основе, обеспечивая избирательность.
Развивая объяснение, представленное в Разделе 1, в настоящем разделе описывается LC-схема qua тюнера и приводится ряд его приложений в этой функции. Конечно, их намного больше, чем могут быть включены в этот раздел. Но даже этот краткий обзор должен подчеркнуть универсальность этой простой комбинации пассивных компонентов.
Читатель должен часто возвращаться к разделам 1.11 и 1.12. в разделе 1, если он нуждается в укреплении своего понимания материала настоящего раздела.
1. ПОСЛЕДОВАТЕЛЬНО-РЕЗОНАНСНЫЙ КОНТУР
На рис. 1А показан последовательный резонансный контур, названный так потому, что в этом устройстве Генератор GEN, индуктивность L, емкость C и внутреннее сопротивление R связаны последовательно.
Резонансная частота (fr) контура зависит от значений L и C в следующих отношениях:
f_r=1/2 пи √LC
(2-1)
, где fr — резонансная частота в герцах, L — индуктивность.
в генри С – емкость в фарадах, число пи равно 3.
-7 = 259 895 Гц = 2,599 МГц.
Когда индуктивность и емкость фиксированы, цепь имеет один резонансный частота. Однако часто либо L, либо C, либо оба являются переменными, и схема может регулироваться в диапазоне резонансных частот.
На рис. 1A генератор переменного тока выдает постоянное напряжение (E), заставляя ток (I) через цепь. В резонансе индуктивное сопротивление и емкостные реактивные сопротивления компенсируют друг друга, оставляя только внутреннее сопротивление для определения тока.Таким образом, максимальный ток протекает в резонансе.
(другой способ сказать, что импеданс последовательно-резонансного тюнера
самый низкий при резонансе.) Эти характеристики показаны на рис. 1B. Примечание от
эти кривые показывают, что самый резкий отклик и самая большая высота (самая высокая избирательность)
получаются, когда сопротивление самое низкое, а самый широкий отклик и самое низкое
высота, когда сопротивление максимально. Высокая избирательность (точная настройка) соответствует
к высокому Q и наоборот.
Ответ на рис.1B можно получить, либо удерживая L и C постоянными и изменяя частоту генератора, или поддерживая постоянную частоту и варьируя L или C. Интересно отметить, что генератору последовательно-резонансная схема выглядит как индуктор (последовательно с внутренним сопротивлением последний) на частотах выше резонанса, как конденсатор (последовательно с внутреннее сопротивление) на частотах ниже резонанса, и как резистор ( внутреннее сопротивление) при резонансе.
Рис.1. Последовательно-резонансный контур. (А) Цепь. (B) График производительности.
Важным эффектом, наблюдаемым в последовательно-резонансной цепи, является резонансное напряжение. шаг вверх. Это означает, что при резонансе напряжение (E_L) на катушке индуктивности и напряжение (E_C) на конденсаторе будет выше, чем на генераторе. Напряжение.
Однако это явление не нарушает второй закон Кирхгофа, для E_L, и Ec противофазны друг другу на 180°, и сумма падений напряжения вокруг цепи равно напряжению питания.Рис. 2 иллюстрирует этот эффект. При таком расположении входное напряжение (Ei) составляет 1 В при частоте 1000 Гц, резонансный частота сочетания LC. Таким образом, XL = Xc = 62,83 Ом, а внутреннее сопротивление R = 10 Ом. Поскольку полное реактивное сопротивление в резонансе равно нулю, ток, протекающий в цепи полностью зависит от сопротивления; т. е. I = E/R = 1/10 = 0,1 А, и этот ток протекает через катушку индуктивности и конденсатор. Напряжение падение, создаваемое этим током на катушке индуктивности, равно EL = I X_L = 0.1 (62,83) = 6,28 В; а падение напряжения на конденсаторе равно E, = IX, = 0,1 (62,83) = 6,28 В.
Таким образом, Er и Ec более чем в 6 раз превышают входное напряжение E. Если Q индуктора высок, степень этого бестрансформаторного усиления напряжения может удивить. Например, если на рис. 2 сопротивление R равно 1 Ом, ток I будет 1 А, а напряжение дросселя EL и напряжение конденсатора Е, каждое будет 62,8 В для входа 1 В. Иногда Ec достаточно высок, чтобы вызвать прокол или пробой в конденсаторе, рассчитанном на входное напряжение.
Схема последовательного резонансного тюнера находит применение в приложениях, требующих схема имеет самый низкий импеданс в резонансе и высокий импеданс вне резонанса.
Рис. 2. Резонансная схема повышения напряжения.
2. ПАРАЛЛЕЛЬНО-РЕЗОНАНСНЫЙ КОНТУР
На рис. 3А показан параллельно-резонансный контур, названный так потому, что в этом устройстве генератор GEN, индуктивность L и емкость C соединены параллельно. То внутреннее сопротивление этой цепи находится в основном в плече индуктора, как показано на рисунке Р.Как и в последовательно-резонансном контуре, резонансная частота (fr) параллельный резонансный контур зависит от значений L и C в том же соотношении. Следовательно, уравнение 2-1 также применимо к параллельной схеме.
Когда индуктивность и емкость фиксированы, цепь имеет один резонансный частота.
Однако часто либо L, либо C, либо оба являются переменными, и схема может регулируется в диапазоне резонансных частот.
Рис. 3. Параллельно-резонансный контур.(А) Цепь. (B) График производительности.
На рис. 3A генератор переменного тока выдает постоянное напряжение (E), заставляя ток (I1) через параллельную цепь.
Внутри цепи этот ток разделяется на две составляющие (IL в индуктивной ветвь и I, в емкостной ветвь – не показаны), которые не совпадают по фазе с друг с другом. Чистым результатом этих двух токов является ток 12, протекающий внутри LC-контур в результате заряда и разряда конденсатора через индуктор (см. раздел 1.15 в разделе 1 «Колебания в LC-контуре») и называется циркулирующим током.
Оппозиция IL и L. друг к другу приводит к высокому импедансу через параллельную цепь, будучи самым высоким в резонансе. Следовательно, при резонансе входной ток I1 ниже, чем вне резонанса (он упадет до нуля, за исключением того, что параллельная цепь имеет внутреннее сопротивление R, остающееся после отмена реактивного сопротивления; следовательно, ток не может достигать бесконечности). Результатом является интересное явление, которое, хотя циркулирующий ток (I2) очень высок, входной ток (I1) очень мал при резонансе.Этот механизм часто используется, как и в радиопередатчиках, в качестве чувствительного индикатора параллельной цепи. настройка: отслеживается ток Il, и резкий провал этого тока свидетельствует о что бак ЛК настроен на резонанс.
Если импеданс параллельно-резонансного контура отображается в зависимости от частоты, получены кривые отклика, показанные на рис. 3B. Обратите внимание на эти кривые что, как и в последовательно-резонансном контуре, наибольшая высота и острая характеристика достигаются при самом низком сопротивлении, а также самом широком отклике и наименьшем высота, когда сопротивление максимально.Высокая избирательность (точная настройка) соответствует к высокому Q и наоборот.
Интересно отметить, что к генератору параллельно-резонансный контур похоже на индуктор (последовательно с внутренним сопротивлением последнего) на частотах ниже резонанса и подобно конденсатору на частотах выше резонанса.
Как объяснялось в Разделе 1.15 в Разделе 1, необходимо только поставить достаточно дополнительной энергии в правильной фазе для колебательного LC-контура, чтобы преодолеть потери в цепи, чтобы поддерживать колебания в цепи.Таким образом, когда транзистор или трубка подает необходимые импульсы в параллельный резонансный контур, циркулирующий ток (I2) остается постоянным. Таким образом, большой циркулирующий ток (I2) сохраняется при малом входном токе (I1), параллельно-резонансный контур ведет себя как маховик. Поскольку параллельно-резонансный контур хранит энергии переменного тока таким образом, его часто называют контуром резервуара или просто бак.
Схема параллельного резонансного тюнера находит применение в приложениях, требующих настроенная цепь имеет самый высокий импеданс в резонансе и низкий импеданс на частотах вне резонанса.-7Ф = 0,2068 мкФ. (Это значение можно получить, соединив один 0,2- и один Конденсатор 0,0068 мкФ параллельно.)
Приложение F дает резонансную частоту числа комбинаций от 1 микрогенри и 10 пикофарад до 1000 генри и 1000 микрофарад, и относится как к последовательно-резонансным, так и к параллельно-резонансным цепям.
4. СЕЛЕКТИВНОСТЬ
Селективность — это острота отклика настроенного контура. Он выражает способность схемы проходного типа выбирать сигнал нужной частоты и подавлять все остальные, или способность схемы отбраковки подавлять сигнал нежелательной частоты и пропускают все остальные.
На рис. 4 показана кривая селективности. Участок такого типа получается путем применения постоянное входное напряжение в настроенную схему и настройку генератора выше и ниже резонанса.
Резонансная точка обозначена пиковым подъемом (как на рис. 4) напряжения или током в проходной цепи, или максимальным провалом (где рис. 4 будет быть инвертированным) в схеме отбраковочного типа. Напряжение, ток или произвольные единицы можно отложить по вертикальной оси, частоту по горизонтальной.То Точка 100 % на этом рисунке просто обозначает максимальную высоту (текущую, напряжения и др.) исследуемой кривой. Кривая селективности состоит из его кончик (называемый носом) и его стороны (называемые юбками). В зависимости от характеристики схемы, некоторые кривые тупые, а другие указаны.
Рис. 4. Кривая селективности.
По ширине кривой видно, что практическая настроенная схема не полностью одночастотный, а работает в узком диапазоне частот.Чем избирательнее схема, тем уже эта полоса. В В любой точке полоса пропускания кривой — в Гц, кГц или МГц — это ширина в выбранная точка. Этот пункт обычно указывается. Так, на рис. 4 ширина полосы при 70,7% максимального подъема (т. е. на 3 дБ ниже максимума) равна частоте разница fb- fa.
Четко настроенный контур имеет хорошую селективность по юбке (отношение полосы пропускания в одной точке, скажем, 3 дБ, в другой точке, скажем, 60 дБ).
5. ЦЕПЬ Q
Как видно из приведенных ранее резонансных кривых – рис.1Б и 3Б-та высокая селективность является результатом высокой добротности, и наоборот. Это позволяет значение Q контура, которое необходимо приблизительно аппроксимировать, найдя отношение резонансных частота (fr) к полосе пропускания (BW). Это делается в лаборатории индуктивным методом. слабое соединение настроенной схемы с генератором сигналов постоянного выходного напряжения, настройка генератора выше и ниже резонансной частоты, отмечая ток или отклик по напряжению, и расчет Q как отношение резонансной частоты к ширине полосы в точке -3 дБ: (1) со ссылкой на рис.4, настроить генератор к резонансной частоте (fr) и запишите значение напряжения или тока в цепи с этой точки зрения. (2) Расстроить генератор ниже резонанса на частоту (f.) при котором напряжение или ток в цепи падает до 70,7% от его резонансного значения. Это на 3 дБ ниже резонансного напряжения или тока. (3) Затем расстройте генератор выше резонанса до частоты (fb), при которой напряжение или ток в цепи снова падает до 70,7%. (4)
Затем рассчитайте Q:
ф ф,.f BW Если fb- fa (2-4), где все частоты (f) выражены в одних и тех же единицах (Гц, кГц или МГц).
—————
Наглядный пример: Определенная настроенная цепь тестируется с генератор сигналов и электронный вольтметр переменного тока с высоким входным сопротивлением. То резонансная частота (fr) оказывается равной 2,5 МГц, а выходное напряжение генератора настраивается ровно на 100 мВ на катушке индуктивности. Затем генератор расстраивается ниже резонанса до частоты, при которой напряжение на катушке индуктивности падает до 71 мВ (примерно 70.7% резонансного напряжения), и эта частота (ft) равна 2,3 МГц. Далее генератор расстраивается выше резонанса на частоту на при котором напряжение на дросселе снова падает до 71 мВ, и эта частота (fb) равна 2,7 МГц. Вычислите добротность этой цепи.
Из уравнения 2-4 Q = 2,5 2,5 6,25.
7- 2,3- 0,4
————–
Потребление энергии от настроенного контура (“загрузка” контура) имеет тенденцию снизить селективность и добротность, потому что сток представляет собой потери, которые напоминает эквивалентное сопротивление, отраженное обратно в настроенную цепь.Это действие уменьшается за счет легкой загрузки цепи, когда это возможно.
6. СВЯЗАННЫЕ РЕЗОНАНСНЫЕ ЦЕПИ
При каскадировании идентичных резонансных цепей селективность комбинации выше, чем у любой из цепей. Таким образом, настройка электронного оборудование заточено (уменьшена пропускная способность) за счет каскадирования нескольких LC-цепей для группового тюнинга. Часто усилительное устройство — лампа, транзистор или ИС — работает между последовательными LC-цепями, но во многих случаях резонансные цепи связаны просто по емкости, как показано на рис.5А. Как ни парадоксально, в паре резонансные контуры используются и для противоположной цели: для расширения настройки в контролируемых условиях. Например, один из двух контуров находится в резонансе. на более высокой частоте, чем другая, и две схемы вместе предлагают более широкая полоса пропускания (кривая с более широким носом), чем обеспечивается одной схемой.
На рис. 5А резонансные контуры (L1, C1, L2, C3, L3 C5) разнесены далеко достаточно далеко друг от друга, чтобы устранить взаимную индуктивность между ними, и связь передача энергии от одного к другому полностью осуществляется через конденсаторы С2 и С4.Несмотря на то что эта схема сужает полосу пропускания, резонансное напряжение может быть уменьшено на последовательные баки, в зависимости от реактивного сопротивления C2 и C4.
Индуктивная связь (также называемая трансформаторной связью) принимает различные формы. В Однако во всех случаях связь осуществляется посредством взаимной индуктивности между двумя индукторами. Вход называется первичной цепью, а вывод вторичного.
На рис. 5 (от B до E) показано несколько примеров. На рис. 5B вход и выход каждый контур последовательно резонансный; на рис.2 5C, вход последовательно резонансный и выход параллельный резонансный; на рис. 5D вход параллельный резонансный, а выход является последовательно резонансным; а на фиг. 5Е вход и выход имеют параллельный резонанс. Последовательный резонанс используется для входа или выхода с низким импедансом, а параллельный резонанс для высокоимпедансного входа или выхода. Схема параллельного входа/выхода знакомый тип, встречающийся в ВЧ, ПЧ и детекторных трансформаторах и в настроенных звуковых преобразователях.
Рис. 5.Связанные резонансные контуры. (A) Каскадная, емкостная связь. (Б)
Серии на входе, серии на выходе. (C) Серия внутрь, параллельно наружу. (D) Параллельно, последовательно
вне. (E) Параллельно внутрь, параллельно наружу.
В цепях с индуктивной связью степень связи сильно влияет на селективность контура. Вторичный загружает первичный, а первичный загружает вторичное; и это взаимное действие усиливается по мере роста связи жестче, стремясь к расширению отклика. На рис. 6 показаны различия, которые результат, когда постоянное напряжение приложено к настроенному контуру и связи изменен.Первичный и вторичный настроены на одну и ту же частоту. В этом иллюстрации, кривая А-самая острая-соответствует слабой связи (хорошо наматывает разделены). Кривая B показывает критическую связь, состояние, при котором максимальная энергия извлекается из настроенной цепи. Здесь витки расположены ближе друг к другу, поэтому пик выше, но шире. Для кривой C катушки расположены ближе, чем для критической связи и называются тесно связанными. Реакция между первичный и вторичный теперь вызывают два пика — по одному с каждой стороны резонанса — для появляться.Кривая также шире. На кривой D мы имеем сильную связь (т. е. коэффициент связи приближается к 1). Здесь кривая наиболее широкая и два пика наиболее заметны. Частный случай чрезвычайно тугой индуктивности связь является единичной связью. Два типа показаны на рис. 7. Как показано, витки вторичной катушки L2 (пунктир) намотаны между витками первичной катушка L1 (сплошная линия). На рис. 7В первичная катушка L1 намотана полой трубкой, а вторичная катушка L2 (пунктирная линия) состоит из изолированного провода с резьбой через этот змеевик.В единичной связи взаимная индуктивность M настолько высока что один конденсатор C1 настраивает как L1, так и L2.
Рис. 6. Эффект сцепления.
Рис. 7. Муфта Unity. (A) Между ранами. (Б) Коаксиальный.
Рис. 8. Различные методы соединения. (Ссылка. (Б) Автотрансформатор. (С)
Общий конденсатор. (D) Общий индуктор. (Е) Общий резистор.
На рис. 8 показаны несколько дополнительных способов соединения. На рис. 8А показан знакомая связь связи, которая широко используется в радиопередатчиках и других оборудование, в котором две настроенные цепи должны быть разнесены далеко друг от друга.«Связи» состоят катушек L2 и L3, обычно от 1 до 3 витков, намотанных на «холодный» конец змеевика бака (LI., L4). Они обеспечивают индуктивную связь, которая невозможна получить непосредственно между L1 и L4. Поскольку соотношения витков (L1:L2 и L4 :L3) являются понижающими, перемычки имеют низкое сопротивление и могут быть соединены вместе. через коаксиальную линию или витую пару. На рис. 8B энергия объединена в настроенная цепь с низким импедансом через отвод, сделанный на несколько витков от «холодного» конца катушки бака L1.Таким образом, включенные витки образуют первичную катушку, которая, действуя в сочетании со всей катушкой L1 в качестве вторичной обмотки создается автотрансформатор. Устройства, показанные на рис. 2-8C, D и E — методы с общим импедансом. муфты. В каждом из них имеется общий импеданс, т. е. такой, который разделяется каждой из настроенных цепей, и напряжение, развиваемое на каждой из них ток, протекающий в первой настроенной цепи, возбуждает вторую настроенную схема. На рис. 8С общим сопротивлением является конденсатор С2, на рис.8Д, это катушка индуктивности L2, а на рис. 8Е это резистор R1.
Рис. 9. Широкополосный отклик. (А) Две цепи. (B) Несколько цепей.
Рис. 10. Переменные настройки. (A) Фиксированный L, переменный C. (B) Переменный
L, фиксированный C. (C) Переменный L, переменный C. (D) Параллельный подстроечный конденсатор. (Э)
Паддерный конденсатор. (F) Триммер плюс паддер.
7. ШИРОКОПОЛОСНАЯ НАСТРОЙКА
В некоторых приложениях, таких как высококачественная радиосвязь и полосовая фильтрация, должна быть пропущена более широкая полоса частот, чем это дает один настроенный схема.Из кривой D на рис. 6 избыточная связь уже показана как средствами такой широкополосности. Более удовлетворительный метод в устройствах с фиксированной настройкой, таких как фильтры и Hi-Fi усилители, состоит из настройки отдельных, связанных, резонансные контуры на разные частоты, fr. и fr.. Один из двух частоты соответствует более низкой частоте, которую необходимо передать, а другая на верхнюю частоту. На рис. 9А показан результирующий отклик «двойного горба». Тщательная регулировка муфты в некоторой степени сгладит неровности и придайте более плоский, более широкий нос, кривую.
Для более широкой полосы можно использовать несколько настроенных цепей, соединенных как показано на рис. 5А, с промежуточными усилителями или без них. Отдельный резонансные частоты приводят к некоторой пульсации в полосе пропускания, как показано на рис. 9В.
8. ДИАПАЗОН ПОКРЫТИЯ
Существует множество способов определения рабочего диапазона настроенного контура. и предварительной настройки схемы (выравнивания) по верхней и нижней частоте пределы этого диапазона.На рис. 10 показаны некоторые из этих методов.
На рис. 10А используются фиксированная катушка индуктивности и переменный конденсатор. конденсатор имеет минимальную емкость (C_min), а также максимальную емкость (Cmax), и эти два определяют диапазон настройки. Из уравнения 2-1 верхняя частота (fmax) необходимо рассчитать, используя C_min; затем более низкая частота (f_min) должны быть рассчитаны с использованием C_max. Диапазон настройки Af равен f-max faun, а частотный охват равен f_min + delta_f.
На рис.10В, катушка индуктивности L1 переменная, а конденсатор С1 фиксированный. Индуктивность может варьироваться несколькими способами. В маломощных радиочастотных приложениях и в некоторых приложений индуктивность регулируется с помощью пробки, как указано в схема; в передатчиках и промышленных генераторах катушка может иметь серия отводов или ползунок, контактирующий с поворотами для этого варианта, или катушка может быть вариометр (устройство, состоящее из двух катушек последовательно, одна вращающаяся внутри другого). На рис. 2 10В катушка имеет минимальную индуктивность (L), т.к. а также максимальную индуктивность (Lmax), которая определяет диапазон настройки.Из уравнения 2-1 необходимо рассчитать верхнюю частоту (fmax), используя L,, ; затем необходимо вычислить более низкую частоту (f,,), используя Lm. Тюнинг диапазон, Af, тогда fmax fmin, а частотный охват равен fd + Af.
На рис. 10C и индуктивность, и емкость являются переменными.
Любая из них может быть использована для установки схемы на частоту ограничения диапазона, и другой используется для настройки. Однако в большинстве практических устройств конденсатор обычно является блоком настройки, так как он более податлив к циферблату, чем переменный индуктор.
На рис. 10D небольшой подстроечный конденсатор (C2) подключен параллельно подстроечный конденсатор C1 для ограничения диапазона емкости последнего и, следовательно, частотный охват цепи L1C1. Это метод, который обычно используется при отслеживании отдельных настроенных цепей в установках с групповой настройкой.
Исходя из характера параллельной емкости (см. уравнение 1-17 в разделе 1), диапазон емкостей в этой схеме AC = (C1max C2) – (C1min, +C2).
Это предполагает, конечно, одно заданное значение для C2.В этой аранжировке C1 обычно является подстроечным конденсатором, а C2 — подстроечным резистором. Случай Однако, как и в любительской настройке диапазона, верно обратное.
На рис. 10Е небольшой добавочный конденсатор (С2) включен последовательно с настроечным конденсатор С1 для ограничения диапазона емкости последнего и уменьшения его Максимальная и минимальная емкость. Иногда C2 является фиксированным, а не переменным.
Эта схема часто встречается в схемах супергетеродинных генераторов.От характер последовательной емкости (см. уравнение 1-16 в разделе 1), емкость в этой схеме AC = 1/ {(1/(C1.)- 1/C2]- [(1/C1min)- 1/C2]. Это предполагает, конечно, одно предустановленное значение для C2. В этом расположении C1 обычно — конденсатор настройки, а C2 — предустановленный паддер. Однако изредка, как в любительской настройке полосы все наоборот.
На рис. 10F используется комбинация двух предыдущих методов. Оба для мелкой обрезки используются последовательный паддер (C2) и параллельный триммер (C3). диапазона емкостей основного подстроечного конденсатора С1.
В каждом из приведенных выше примеров распределенная емкость (Cd) катушкой индуктивности пренебрегли, так как она обычно мала по сравнению с емкостью настроечных, подстроечных и паддерных емкостей в цепи. Но, в некоторых радиочастотных цепях, особенно там, где требуется очень малая настроечная емкость. используемо-распределенной емкостью нельзя пренебречь. Например, популярный Катушка индуктивности 10 мГн имеет распределенную емкость 4 пФ. Если использовать эту катушку в настроенной схеме, такой как рис.10А, с переменным конденсатором емкостью 100 пФ, минимальная емкость 11,5 пФ, емкость в цепи при переменной конденсатор установлен в «ноль» C = C_min + Cd = 11,5 + 4 = 15,5 пФ. Остаточная емкость, такая как эта, очень важна для определения верхней частотный предел диапазона настройки.
9. САМОРЕЗОНАНС
Поскольку распределенная емкость (Cd) катушки индуктивности действует параллельно Индуктивность, простая LC-цепь создается этой комбинацией.Каждый индуктор поэтому является резонансным на некоторой частоте, его собственной резонансной частоте.
Поиск рейтингов производителей катушек индуктивности показывает, что эти устройства имеют собственные резонансные частоты в диапазоне от 138 кГц до 690 МГц, в зависимости от индуктивности и тип обмотки. При проектировании настроенной цепи выбирают катушку индуктивности. чья собственная резонансная частота максимально далека от предполагаемой рабочей диапазон контура.
10. СИММЕТРИЧНЫЕ ЦЕПИ
Все настроенные схемы, показанные до этого момента, являются несимметричными.Однако приличное количество электронного оборудования является двусторонним, т. е. требует сбалансированные входные или выходные (или оба) настроенные схемы. Эти договоренности известны также как сбалансированный, двухтактный или двухполупериодный.
На рис. 11 показаны две формы симметричной схемы. В каждом из них индуктор L1 делится на две одинаковые половины, общая точка (центральный отвод) обычно быть заземленным. Напряжение между COMMON и A не соответствует фазе на 180 футов. напряжение между COMMON и B.На рис. 11А каждая половина индуктора настраивается одинаковым конденсатором-С1 для верхней половины, С2 для нижней половина. Когда схема должна быть непрерывно настраиваемой, C1 и C2 являются половинами переменного конденсатора с раздельным статором, так что такая же емкость будет предлагается для каждого при всех настройках. Таким образом, половина схемы L1C1 идентична к половине L2C2. То есть верхняя половина индуктивности L1 резонирует с емкостью C1 на той же частоте, что и нижняя половина индуктивности с емкостью С2.По этой причине размер L1 в два раза больше, чем в несимметричной схеме. для той же частоты. На рис. 11B одна емкость (C1) настраивает катушки индуктивности с отводом от средней точки (L1), а резонансная частота рассчитывается для целая катушка. Эта последняя компоновка подходит не для всех приложений, требующих переменный конденсатор, так как корпус конденсатора может иметь неодинаковую емкость от А к ОБЩЕМУ и от В к ОБЩЕМУ.
Способы соединения, показанные на рис. 5E и 8A можно использовать с симметричные баки.Когда используется связь звена, катушка звена наматывается вокруг центр катушки с ответвлениями.
Рис. 11. Симметрично настроенные схемы. (А) Двойной конденсатор. (B) Одиночный конденсатор.
11. НАСТРОЕННЫЕ ЦЕПИ ПОСТОЯННОГО ТОКА
Рис. 12. Настроенные цепи, управляемые постоянным током. (A) Метод реактора насыщения, параллельный
резонансный. (B) Метод реактора насыщения, последовательный резонанс. (C) Варакторный метод.
Некоторые LC-цепи можно настроить с помощью регулируемого постоянного напряжения.Этот удобен в дистанционной настройке, дистанционном управлении аппаратом, автоматической частоте управление (afc) и различные процессы автоматизации помогают телеметрии. Рис. 12 показывает два метода.
Реактор насыщения (Т) используется на рис. 12А и В.
В этом устройстве, похожем на трансформатор, постоянный ток, протекающий через первичную обмотку (L1 и L2 последовательно) изменяет проницаемость сердечника и тем самым изменяет индуктивность вторичной обмотки (L3). Резонансный контур состоит вторичной обмотки L3 и конденсатора C1.Вторичная обмотка и конденсатор соединены для параллельного резонанса на рис. 12А и для последовательного резонанса на рис. 12В. Первичные катушки L1 и I, соединены последовательно, компенсируя, так что никакой переменный ток от вторичная обмотка возвращается к источнику управляющего напряжения постоянного тока. Чувствительность цепи такова, что небольшой постоянный ток, протекающий через первичную обмотка может управлять большим переменным током в баке L3C1. Специальное ядро материалы позволяют работать на высоких частотах.
На рис.12С. Этот представляет собой специально обработанный кремниевый диод, работающий в режиме обратного смещения. режим (анод отрицательный, катод положительный). В этой схеме резонансная частота определяется индуктивностью катушки L1 и емкостью, управляемой постоянным током варактор. Конденсатор С1 является блокировочным конденсатором, который предотвращает от короткого замыкания постоянного управляющего напряжения; его емкость выбрана много выше, чем у варактора (обычно в 1000 раз) для наименьшего реактивного сопротивления, поэтому что варактор, а не конденсатор С1, настраивает цепь.
Сопротивление изоляции R1 очень велико (обычно от 1 до 10 МОм); и с тех пор варактор по существу работает от напряжения, тока практически нет через этот резистор и соответственно отсутствие падения напряжения на нем. Варактор и постоянное управляющее напряжение выбираются для обеспечения необходимого диапазона емкости настроить схему в нужном диапазоне частот.
12. ВОЛНОВЫЕ ЛОВУШКИ
Волновая ловушка представляет собой простое LC-устройство для устранения мешающего сигнала.Это может быть последовательно-резонансной или параллельно-резонансной схемой, хотя обычно последний, и либо конденсатор, либо катушка индуктивности могут быть переменными для настройки точно на частоте мешающего сигнала. Возможна установка волновой ловушки в любой точке системы, где присутствует мешающий сигнал. знакомый положение находится на линии между антенной и входом радио- или телеприемника, точка, где она показана на рис. 13.
Последовательно-резонансная ловушка показана на рис.13А. Эта ловушка имеет низкий импеданс. к мешающему сигналу, на который он настроен, и сигнал соответственно шунтируется вокруг приемника на землю. Сигналы других частот см. ловушку как более высокое сопротивление, и пройти мимо нее к приемнику, с небольшим потеря. Параллельно-резонансная ловушка показана на рис. 13Б.
Эта ловушка обладает высоким импедансом для мешающего сигнала, который она улавливает. как циркулирующий ток, протекающий внутри бака L1C1. Удаление сигнала соответствует уменьшению линейного тока, что характерно для параллельно-резонансный контур (см. раздел 2).Сигналы на других частотах см. ловушку как более низкий импеданс и пройти к приемнику с небольшим потеря. В ловушках любого типа Q контура должен быть настолько большим, насколько это практически возможно, чтобы свести к минимуму затухание полезных сигналов. Еще одна знакомая позиция для одного или несколько волновых ловушек – это выходная цепь передатчика, где ловушка удаляет нежелательные гармоники излучаемого сигнала.
Рис. 13. Волновые ловушки. (A) Серийно-резонансный тип. (B) Параллельно-резонансный тип.
Рис. 14.
Волномеры. (А) Базовый. (B) Тип счетчика. (С) Тип лампы.
———–
Таблица 2-1. Данные катушки волномера
Переменный конденсатор C, = 140 пФ (А) 1,1-3,8 МГц 72 витка № 32 эмалированный провод закрытая намотка на вставной форме диаметром 1 дюйм. Отметьте 18-й виток снизу.
(B) 3,7–12,5 МГц 21 виток эмалированного провода № 22, намотанные вплотную, диаметром 1 дюйм форма плагина. Коснитесь 7-го поворота снизу. (С) 12-39 МГц 6 витков №22 эмалированные проволока на втычной форме диаметром 1 дюйм.Пространство для намотки длиной 3/8 дюйма. Коснитесь 3-го поворота снизу.
(D) 37–150 МГц Шпилька из неизолированного медного провода № 16. Расстояние 1/2 дюйма между ножки шпильки. Общая длина, включая изгиб: 2 дюйма. Нажмите на центр изгиба.
————-
13. ВОЛНОВОМЕТРЫ
Другим известным применением простой LC-схемы является поглощение волномер, названный так потому, что его работа зависит от поглощения небольшое количество радиочастотной энергии от цепи, с которой он индуктивно связан.Этот прибор также называют частотомером поглощения.
На рис. 14 показаны три распространенные версии этого прибора.
В основном он, как и волновая ловушка, представляет собой одночастотную схему, состоящую из катушка с фиксированной индуктивностью (L1) и переменный конденсатор (C1). Катушка свободно соединенный с баком испытуемого генератора или усилителя, удерживая его вблизи последней, а волномер настраивается на резонанс на неизвестной частоте (fr) регулировкой конденсатора.Затем неизвестная частота считывается с калиброванная шкала конденсатора. Частотный диапазон (полоса) изменяется на подключил другую катушку.
Резонанс можно указать несколькими способами. Когда схема на рис. 14А источник неизвестного сигнала должен иметь на выходе амперметр каскад (пластинчатый миллиамперметр в ламповом источнике, коллекторный миллиамперметр в источнике транзисторного типа), и отклонение этого измерителя резко возрастет по мере настройки волномера пиковая точка этого подъема указывает на резонанс.В двух других схемах – рис. 14Б и С – волномер имеет автономный показатель. На рис. 14В германиевый диод (D1) выпрямляет наложенный высокочастотный сигнал. энергии и отклоняет микроамперметр постоянного тока 0-50 (M1), пиковое отклонение этого измерителя указывает на резонанс. (Вместо этого диода можно использовать термогальванометр. и комбинация измерителя, но может быть не такой чувствительной.) В этой схеме селективность улучшается путем отвода катушки L1 цепи индикатора вниз для минимизации нагрузки настроенной цепи.Но для этого требуется сменная катушка с 3 выводами. На рис. 14C, индикатор представляет собой небольшую контрольную лампу, такую как 2 В, 60 мА типа 48. устройство может использоваться только тогда, когда источник сигнала, такой как радиопередатчик или промышленный осциллятор – обеспечивает достаточную мощность, чтобы зажечь лампу. В этой аранжировке пиковая яркость лампы указывает на резонанс.
В Таблице 2-1 приведены данные об обмотке катушки для волномера с настройкой 140 пФ. конденсатор. Четыре катушки индуктивности покрывают частотный спектр 1.от 1 до 150 МГц в четырех диапазонах. Другие комбинации индуктивности и емкости могут работать для других частот (см. уравнения 1, 2 и 3).
14. ВАРАКТОР ЧАСТОТНЫЙ МНОЖИТЕЛЬ
Варактор был представлен в разделе 11 в качестве конденсатора переменного тока постоянного тока. для настройки резонансного контура. Самое важное приложение для работы с большим сигналом варактор в сочетании с LC-настроенными цепями – это генерация гармоник. То Последнее свойство возникает в результате ярко выраженного искажения, возникающего при варактор работает во всем диапазоне нелинейного отклика.Этот используется в современных высокоэффективных пассивных удвоителях частоты, тройники, учетверители и умножители более высокого порядка в передатчиках и других радиочастотное оборудование.
Рис. 15. Базовый варакторный умножитель.
На рис. 15 показана базовая схема варакторного умножителя частоты. Вход (вождение) ток на основной частоте (f) протекает через левый контур (C1L1D1) цепи.
Последовательно-резонансный контур L1C1 настроен на эту частоту.Поток этого тока через варактор генерирует ряд гармоник. Желаемая гармоника (nf) выбирается вторым последовательно-резонансным контуром (L2C2) и подается к клеммам HARMONIC OUTPUT.

ac lin 20 100 200 .plot ac i (v1) .end