Методические указания по дисциплине «Сопротивление материалов», страница 6
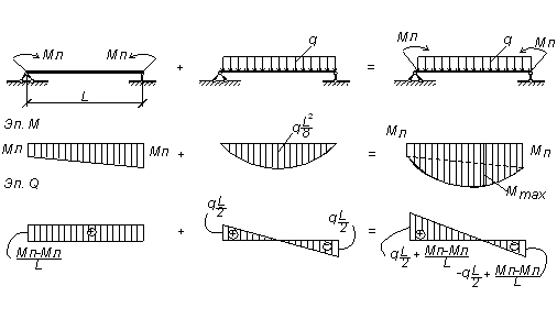
Эпюра М ограничена квадратичной параболой с выпуклостью вниз. Экстремального значения изгибающего момента не надо определять т.к. эпюра Q ось не пересекает.
Определим продольную силу N. (рис. 2.11).
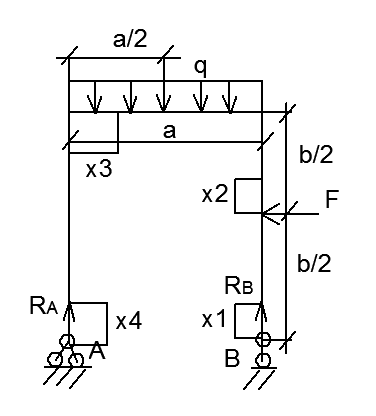
2.10 Построение эпюр для пространственной рамы способом сложения действия сил.
В пространственных конструкциях при определении внутренних силовых факторов действует следующее правило знаков.
33
Продольные силы N растягивающие считаются положительными
(N>0), а сжимающие – отрицательными (N<0).
Поперечные силы и имеют знаки, совпадающие со знаками проекций этих сил на главные центральные оси инерции в сечении (оси x и y).
Изгибающие моменты и будут
положительными, если, изгибая стержень, они растягивают материал в первой
четверти поперечного сечения (M>0). Если материал в
первой четверти сжат, действующий изгибающий момент будет отрицательным (M<0).
Эпюры изгибающих моментов строятся по-прежнему со стороны растянутого волокна.
Крутящий момент будет положительным (>0), если поворачивает сечение по часовой стрелке, и отрицательным (<0), если поворот происходит против часовой стрелки. Эпюра штрихуется спиралью, чтобы можно было отличить её от эпюр изгибающих моментов.
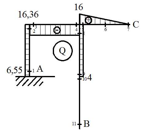
Рис. 2.12.
34
Рис. 2.13.
Сразу ″зануляем″ нерабочие участки рамы (рис. 2.13.) По раме идем от свободного конца к заделке: 1-2-3 участки, перенося силу из узла в узел.
Условное обозначение продольных сил на эпюрах приведены на рис. 2.14.
Рис. 2.14.
кН- const;
; ; ;
Растянуто заднее волокно.
35
;
кН – const;
; ; ;
Растянуто заднее волокно.
– const;
; кН– const;
– const;
Растянуто нижнее волокно.
– const;
Растянуто правое волокно.
.
Рис. 2.15.
Сразу ″зануляем″ нерабочие участки рамы идем от свободного конца к заделке: 4-3 участки (рис 2.15)
36
кН – const;
; ; ;
Растянуто нижнее волокно.
кН – const;
; ; ;
Растянуто нижнее волокно.
– const.
Рис. 2.16.
Сразу ″зануляем″ нерабочие участки рамы идем от свободного конца к заделке: 5→4→3 участки (рис 2.16)
кН – const;
; ; .
Растянуто левое волокно.
кН – const;
37
– const.
Растянуто нижнее волокно.
кН– const;
;
; .
В начале участка растянуто правое волокно, в конце – левое.
Рис. 2.17.
″Зануляем″ нерабочие участки рамы. Идем от свободных концов к заделке (рис 2.17).
;
; кН;
; ; кНм.
Растянуто верхнее волокно.
; ; кН;
;
; кНм.
Растянуто верхнее волокно.
кН – const;
; ; кНм.
Растянуто верхнее волокно.
Суммируем эпюры от всех нагрузок
(рис. 2.18)
Рис. 2.18.
39
Опасное сечение в заделке, где одновременно действуют:
кН; кН; кН;
; кНм; кНм.
40
Расчетно-графическое задание.
Построить эпюры всех действующих сил. Данные взять из таблицы 1.
Строка | a | ||||||
1 | 40 | 100 | 60 | 100 | 150 | 50 | 1 |
2 | 150 | 60 | 30 | 120 | 60 | 20 | 2 |
3 | 20 | 100 | 50 | 40 | 140 | 60 | 3 |
4 | 40 | 120 | 60 | 80 | 150 | 20 | 2 |
5 | 80 | 40 | 20 | 130 | 50 | 40 | 3 |
41
Вставить варианты
1-50
51-100
42
Библиографический список
Основной
1.
2. Сопротивление материалов. Под ред. Костенко С.А., М., Высшая школа, 2000 г.
3. Ицкович Г.Н. Сопротивление материалов. М., Высшая школа, 1998 г.
Дополнительный
4. Смирнов А.Ф. и др. Сопротивление материалов. Высшая школа, М., 1975, 480 с., с ил.
5. Беляев Н.М. Сопротивление материалов. – М., 1976 (и все другие издания).
6. Феодосьев В.И. Сопротивление материалов. – Наука, 1974 (и все другие издания).
7. Дарков А.В., Шпиро Г.С.
8. Писаренко Г. С. и др. Сопротивление материалов. Киев, 1986
43
Составитель В.Н. Яременко
Методические указания для студентов всех специальностей.
Издательский центр МГТУ им.
Г.И.Носова
455000, Магнитогорск, пр.Ленина, 38
Полиграфический участок МГТУ
Эпюры онлайн – расчеты по сопромату
Расчеты по сопромату с подробным ходом решения
Что может сайт – примеры
Примеры основных задач, решаемых сайтом
Обучающие онлайн-тесты
Тренажеры по сопромату – короткие задачи с поэтапным решением
Расчет балки (версия 2018 года)
определение реакций опор, уравнения поперечных сил Q и изгибающих моментов M, вычисление напряжений, подбор сечений, определение перемещений – углов поворота и прогибов
Расчет балки (старая версия)
Примеры расчета »Линии влияния в балке
построение линий влияния (для тех, кто изучает строймеханику).
Строит линии влияния всех опорных реакций и моментов на опорах и в любых других указанных сечениях
Расчет рам, ферм
расчеты статически неопределимых рам, ферм, построение эпюр N, Q, M, построение деформированной схемы, определение реакций опор и многое другое
Примеры расчета »
Центр тяжести и момент инерции
Примеры расчета »
Расчет стержней
определение продольных сил с учетом собственного веса, вычисление напряжений, подбор сечения стержня построение эпюр продольных сил, напряжений и перемещений
Примеры расчета »
Кручение вала
Построение эпюр крутящих моментов.
Примеры расчета »
Абсолютно жесткий брус
Статически неопределимая система при растяжении-сжатии. Определение грузоподъемности бруса, закрупленного с помощью двух стержней
Примеры расчета »
Помощь онлайн
Помощь онлайн – сопромат, термех, прикладная механика
Как связаться с нами:
TelegramWhatsAppInstagram
Все калькуляторы
Расчет односкатной фермы
Построение расчетной схемы односкатной фермы для дальнейшего использования в универсальном расчетчике рам/ферм.
Типовые балки и эпюры
Расчет внутренних усилий для типовых расчетных схем балок, а также вычисление прогибов и углов поворота сечений
Расчет балки / подбор сечения
Подбор сечений балок по нормальным напряжениям – подбор двутавра, прямоугольника, круга и др.
Моменты инерции
Мгновенное вычисление площади, моментов инерции и моментов сопротивления круга, кольца, полукруга, треугольника, трапеции
Умножение эпюр
Умножение эпюр по правилу Симпсона и Верещагина, подробное объяснение расчетов
Интерполяция
Интерполяция часто используется при уточеннии справочных данных
Партнерская программа
Мы согласны отдать Вам 30% своего дохода за рекламу нашего сайта на Вашей площадке ПодробнееПомощь: сопромат, строймеханика, прикладная механика Telegram bluewhite22WhatsAppInstagram
Меню сайтаРасчет геометрических характеристик сечений он-лайн NEW – считает любые сечения (сложные). Определяет: площадь сечения, моменты инерции, моменты сопротивления.
Расчет балок на прочность он-лайн – построение эпюр Mx, Qy, нахождение максимального изгибающего момента Mx, максимальной
сдвигающей силы Qy, расчет прогибов, подбор профиля и др. Все просто, все он-лайн. Расчет рам, ферм балок он-лайн NEW – эпюры Q, M, N, перемещения узлов. Удобный графический интерфейс. Считает любые схемы. Лекции – теория, практика, задачи… Примеры решения задач
Справочная информация – ГОСТы, сортамент проката, свойства материалов и другое. Программы по сопромату (построение эпюр, различные калькуляторы, шпоры и другое). Форум сопромата и механики Книги – разная литература по теме. Заказать задачу Друзья сайта (ссылки) WIKIbetta Разработчикам (сотрудничество) Веб-мастерам (партнёрка) О проекте, контакты Подпроекты |
Добро пожаловать!!Сопротивление материалов , или просто сопромат. Считается, что сопромат – один из самых сложных предметов младших курсов. Cопротивление материалов является одной из наиболее систематизированных технических наук. Чтобы рассчитывать типовые инженерные задачи касающиеся проверки на прочность, прочностного проектирования нет необходимости каждый раз “ломать голову”. Решение задач по сопромату сводится обычно к выбору подходящего метода для решения задачи, и последующему решению её. Для того, чтобы помочь решить задачи как можно большему числу людей всрок, на сайте есть: Подробнее о всех программах в разделе Программы. Как можно решить балку на паре?Есть 2 способа. Как можно рассчитать раму на паре?![]() ЗаработайтеМини блогВертикальное перемещение точки в пространственной рамеhttps://ru.files.fm/thumb_show.php?i=afmduuvv&view Полностью… Консультация по динамической нагрузкеЗдравствуйте! Полностью… Нужен сопроматчик с хорошей математической подготовкойПривет. В команду проекта по разработке расчетного ПО для зданий ищем специалиста по сопромату с хорошей математической подготовкой для помощи нам в составлении расчетов, алгоритмов расчетов, поиска наилучших расчетов. Работа удаленная. Договор. Пишите, если интересно. Пообщаемся по деталям…. Полностью… Помогите решить задачуОпределить размеры поперечного сечения из расчета на прочность [σ] = 100 МПа, [t] = 60 МПа q=20 Кн/м, О = 2 м,F = 20 Kн, M = 10Кн/м, G = 0,8 *10 Mna, E = 10 (5 степени)Mna Полностью… нагрузка сверху вниз вдоль оси балкинадо найти максимальную нагрузку, которую может выдержать балка с нагрузкой сверху вниз вдоль оси балки, нагрузка 620 кг, длина балки 1030 мм ps Полностью… + Добавить статью или истрию (необходима авторизация) |
СообществоПоиск людей ВходРешение задач
Заказать задачу Расчет редукторов
Расчет редуктора он-лайн Для Android (рекомендую)NEWMobile Beam 2.0 Java 2 ME |
Экспонаты
Постоянные дисплеи |
11.
12 Галерея Центра современного искусства «Винзавод»:
Из «Сибири с любовью»: картины и арт-объекты Дамира Муратова до 30 июня. Адрес: Сыромятнический переулок, дом 1, 4-й. 6. М. Чкаловская, Курская. С 12:00 до 20:00, выходной пн. 495-940-6471, www.11-12.ru
Литературный музей ХХ века:
«Сказки Великого Шелкового Пути»: современные иллюстрации к народным сказкам, до 30 июня. Адрес: Трубниковский переулок, 17. М. Баррикадная. Касса работает с 11:00 до 17:30, чт. с 13:00 до 19:30, выходной пн. и последний день месяца. 495-695-4618, www.goslitmuz.ru/ru/ostroukhov-museum
Академия Художеств:
Владимир Мочалов: карикатурные портреты в графике и живописи, вс. Расположен на Пречистенке, 21. М. Кропоткинская. Полдень до 20:00, вс. с 12:00 до 19:00, выходной пн. 495-637-4771, www.rah.ru
Минералогический музей Александра Ферсмана:
МТ ПИК Постоянная экспозиция: Коллекция минералов со всего мира. Адрес: Ленинский проспект, 18, корп.
2. м. Октябрьская, Ленинский проспект, далее любой маршруткой до Больницы Святителя Алексия. с 11:00 до 16:00, выходной пн. и Вт. 495-954-3900, www.fmm.ru
Музей-квартира Александра Гольденвейзера:
Мемориальная квартира выдающегося русского пианиста и композитора, постоянная экспозиция. Адрес: Тверская ул., 17, кв. 110. М. Тверская. Открытая ср. с полудня до 16:00 Экскурсии по записи. 495-629-2929, www.glinka.museum/about/apartment_museum_goldenweiser/
Дом-музей Александра Герцена:
Небольшой особняк, где находился русский публицист и философ Александр Герцен (1812-70), наиболее известный своей автобиографической книгой ” Мое прошлое и думы» и социальный роман «Кто виноват?» жил до отъезда из России. Расположен по адресу: Сивцев Вражек, 27. М. Кропоткинская, Смоленская. Касса работает с 11:00 до 17:30, чт. с 14:00 до 19:30, выходной пн. и последний день месяца. 499-241-5859, www.goslitmuz.ru/ru/herzen-museum
Дом-музей Александра Островского:
Постоянная экспозиция, о жизни и творчестве русского драматурга XIX века, практически в одиночку Русский национальный репертуар.
Адрес: Малая Ордынка, 9, корп. 1. М. Полянка, Третьяковская. Билетная касса открыта с 12:00 до 18:30, чт. с 13:00 до 20:30, выходной пн, вт. и последний пт. месяца. 495-953-8684, www.bakhrushin.theatre.ru/branches/dmo
Музей-квартира Александра Пушкина и выставочный зал:
Пушкин и Москва: постоянная экспозиция. Расположен на Арбате, 55/32, вход со стороны Денежного переулка. М. Смоленская. Касса работает с 10:00 до 17:30, чт. с полудня до 20:30, выходной пн, вт. и последняя пятница месяца. 499-241-9295, www.pushkinmuseum.ru
Музей А.С. Пушкина:
Открытое хранилище редких книг, живописи, графики, фарфора, бронзы, керамики, генеалогических материалов и частных коллекций.
Пушкин и его век (Пушкин и Его эпоха): постоянная экспозиция.
Пушкин и Семья Романовых (Пушкин и Семья Романовых): экспонат из фондов и архивов музея, до 14 июля.
Сказки Пушкина (Сказки Пушкина): постоянная экспозиция.
Vita Nova: Новая жизнь старых легенд (Сказание Новой Жизни Старых): иллюстрации к европейским средневековым эпосам Игоря Ганзенко и Бориса Забирохина, до 30 июля.
Западноевропейское искусство: живопись, графика и скульптура из собрания музея, до 1 июля. Расположен по адресу: ул. 12/2. Пречистенка. М. Кропоткинская. Касса работает с 10:00 до 17:30, чт. с полудня до 20:30, выходной пн. и последний пт. месяца. 495-637-5674, www.pushkinmuseum.ru
Мемориальный кабинет Анатолия Луначарского:
Постоянная экспозиция: выставка, посвященная Анатолию Луначарскому (1875-1933) — русскому писателю, переводчику, эссеисту, искусствоведу, политику и первый советский нарком просвещения, ответственный за культуру и просвещение. Расположены по адресу: Денежный переулок, 9/5, кв. 1. М. Смоленская. По записи 499-241-8873, www.goslitmuz.ru/ru/lunacharsky-museum
Музей-квартира Андрея Белого:
Постоянная экспозиция: личные вещи, портреты и редкие архивные материалы известного поэта и писателя Серебряного века. Расположен на Арбате, 55. М. Смоленская. Касса работает с 10:00 до 17:30, чт. с полудня до 20:30, выходной пн, вт.
и последняя пятница месяца. 499-241-9295, www.pushkinmuseum.ru, kvartira-belogo.guru.ru
Музей древнерусской культуры и искусства им. Андрея Рублева:
Постоянная экспозиция: иконы, настенные росписи, предметы декоративно-прикладного искусства, рукописи и черно- письма в отреставрированных корпусах бывшего Спасо-Андроникова монастыря. Адрес: Андроньевская площадь, 10. М. Римская, Площадь Ильича. Касса работает с 11:00 до 17:15, выходной — ср. и последняя пятница месяца. 495-678-1467, www.rublev-museum.ru
Музей и общественный центр Андрея Сахарова:
Постоянная экспозиция, посвященная наследию этого правозащитника и физика, рассказывает о политических репрессиях против советских граждан с 1917 по 1980-е с фотографиями и документальными материалами. Адрес: Земляной Вал, 57, корп. 6. М. Курская. Касса работает с 11:00 до 19:00, выходной пн. 495-623-4401/4420, www.sakharov-center.ru
Школа акварели Андрияки:
NEW Страницы истории Дома Романовых: живопись, графика, фарфор и уникальные документы из редких коллекций, пт.
по 21 июня. Расположен по адресу: Гороховский переулок, 17/1. М. Курская. с 11:00 до 19:00, выходной пн. и Вт. 499-267-5435, www.andriaka.ru
Музей-студия Анны Голубкиной:
Коллекция скульптур выдающегося мастера художественной культуры Серебряного века, постоянная экспозиция. Адрес: Большой Лёвшинский переулок, 12. м. Парк Культуры, Смоленская. Ср., Чт. и пт. с полудня до 18:00, сб. и солнце. с 10:00 до 16:00, выходной пн. и последняя пятница месяца. 495-637-2564/5682, www.tretyakovgallery.ru/ru/museum/branch/museum_studio_golubkina
Дом-музей А.П.Чехова:
Постоянная экспозиция: московская квартира писателя, с небольшой экспозицией фотографий и рукописей. Адрес: Садовая-Кудринская ул., 6. М. Баррикадная. Вт., Чт., Сб. с 11:00 до 18:00, ср, пт. с 14:00 до 20:00, выходной пн. и последний день месяца. 495-691-6154/3837, www.goslitmuz.ru/ru/chekhov-museum
Мемориальный музей А.П.Чехова в Мелихово:
Постоянная экспозиция: дом обставлен более или менее так, как когда писатель жил здесь с 1892 по 1899 год и написал знаменитую пьесу “Чайка”.
Анатомия производства (Анатомия спектакля): Эта выставка иллюстрирует процесс постановки Константином Станиславским пьес Чехова в МХАТе в течение августа. Находится в Мелихово, от Курского вокзала до Чехова, далее маршрутка 25. 10.00-17.00, выходной пн. и последняя пятница месяца. 499-270-7991, www.chekhov-melikhovo.com
Аптекарский Огород Сад:
В Садах (В Садах): инсталляция Ивана Горшкова, Ильи Романова и Ксении Сорокиной на 14 июля. Расположена на проспекте Мира, 26. м. Проспект Мира. Касса работает с 10:00 до 21:30. 495-680-5880/6765/7222, hortus.ru
Музей-усадьба Архангельское:
Дворцово-парковый ансамбль XVIII в. Расположен в Посёлке Архангельское, 5-й километр Ильинского шоссе. М. Тушинская, далее автобус 549до Архангельского или автобусом 151 до Санатория. Парк открыт с 10:00 до 18:00. Выставки открыты с 10:00 до 17:00, сб, вс. и праздничные дни с 10:00 до 18:00, выходной пн, вт. и последняя среда. месяца. 495-797-5409, www.
arhangelskoe.su
Art4.ru:
Современное русское искусство, собранное Игорем Маркиным и хранящееся в частном музее. Расположен по адресу Хлыновский тупик, 4. М. Тверская. По записи 499-136-5656, art4.ru
Центр дизайна ArtPlay:
«Мехмат» («Сопромат»): выставка художественных работ из необычных материалов, до 18 июня. . 7. М Курская. Полдень до 20:00 8-926-619-2889, 495-620-0882, www.artplay.ru
Театральный музей Бахрушина:
Золотой век Русского театра: афиши, фотографии, костюмы и другие памятные вещи известные российские актеры и режиссеры последних двух столетий, постоянная экспозиция. Адрес: ул. 31/12. Бахрушина. М. Павелецкая. Билетная касса открыта с 12:00 до 18:30, чт. с 13:00 до 20:30, выходной пн, вт. и последний пт. месяца 495-953-4470/4848, www.gctm.ru/museum
Музей Бориса Пастернака:
Постоянная экспозиция: Знаменитая дача, где автор «Доктора Живаго» подвергся нападкам после присуждения Нобелевской премии 1958 года.
для литературы. Адрес: Переделкино, ул. 3. Павленко. От Киевского вокзала до Переделкино. Касса работает с 11:00 до 17:30, чт. с 13:00 до 19:30, выходной пн. и последний день месяца. 495-934-5175, www.pasternakmuseum.ru/index_angl.html
Центр фотографии имени братьев Люмьер:
MT PICK Игорь Пальмин показывает архитектурные фотографии из серии “Свет” до 30 июня. Болотная набережная, д. 3, корп. 1. М. Кропоткинская. С 12:00 до 21:00, сб. и солнце. с 11:00 до 21:00, выходной пн. 495-228-9878, www.lumiere.ru
Булгаков Дом:
Нечетная Квартира: Коммунальная квартира, в которой жил Михаил Булгаков в 1921 – 1924 года, ставшего прообразом “Странной квартиры”, где Воланд поселился со своим двором. Постоянные экспозиции, спектакли, выставки и экскурсии, посвященные жизни и творчеству Михаила Булгакова и его роману «Мастер и Маргарита». Адрес: Большая Садовая ул., 10. через арку, кв. 50. М. Маяковская. с 13 до 23:00, пт. и сб. 13:00 до 1:00 Вход свободный.
495-970-01619, www.dombulgakova.ru
Музей Храма Христа Спасителя:
История Храма Христа Спасителя: постоянная экспозиция. Расположен по адресу: ул. 15. Волхонка. М. Кропоткинская. с 10:00 до 18:00, выходной — последний понедельник месяца. 495-637-1276, 495-924-8058/8490, www.xxc.ru/complex/museum/index.htm, www.xxc.ru/english/index.htm
Галерея классической фотографии:
Евразийская Пути (Со Стороны Евразии): фотографии из Италии и Южной Кореи, до 30 июня. Адрес: Саввинская набережная, 23, корп. 1. Ср. до Солнца. с полудня до 9м., выходной пн. и Вт. 495-510-7713/14, classic-gallery.ru. ., корп. 1. М. Чистые пруды. Пн. до Чт. с 11:00 до 19:00, пт. и сб. с полудня до 19:00, выходной вс. 495-623-1029, www.connaisseur.ru
Дарвиновский музей:
Botanic Art Book: международная интерактивная выставка, до 23.09.
Dreams (Sny): Александр Авалов показывает фотографии спящих животных, до 17 августа.
Пройди Путь Эволюции: новая интерактивная мультимедийная выставка, постоянная экспозиция.
Постоянные экспозиции: Макроэволюция, Микроэволюция, Зоогеография, Разнообразие жизни на Земле, Живая выставка и другие.
НОВИНКА Сто и одна профессия овчарки: скульптуры, картины и фотографии, пт. до 25 августа. Расположен по адресу: ул. 57. Вавилова. М. Академическая. Касса работает с 10:00 до 18:00, чт. от 1 до 9вечера. закрыто пн. и последний пт. месяца. 499-134-6124, 783-2253, www.darwin.museum.ru
Дом Иконы на Спиридоновке:
Иконы и другие произведения христианского искусства из частной коллекции, постоянная экспозиция.
Русский модерн (Русский модерн): произведения русских художников с начала 20 века до ноября.
Романовы. Падение Династии (Романовых. Падения Династии): личные вещи, произведения искусства и архивные документы, до 19 декабря.. Расположен по адресу 4 Ул. Спиридоновка. М. Арбатская, Тверская. С полудня до 22:00 495-690-5474/2660, www.dom-ikony.ru
English Courtyard Museum:
Русско-Английские Торговые Отношения: Это здание, культурный и торговый центр английской общины в Москве в 16-17 веках, отражает развитие русско-английских отношений сквозь века, постоянная экспозиция.
Адрес: ул. Варварка, 4А. м. Китай-город. Касса работает с 10:00 до 17:30, чт. с 13:00 до 20:30, выходной пн. и последняя пятница месяца. 495-698-3952, www.mosmuseum.ru/museum-menu-english-dvor.html
Выставочный зал Федерального архива:
Русские императрицы: мода и стиль: костюмы , ювелирные изделия, аксессуары, картины, гравюры, рисунки, фотографии и другие предметы – на Солнце. Адрес: Большая Пироговская ул., 17. М. Фрунзенская. Билетная касса открыта с 12:15 до 17:15, закрыта в понедельник. и Вт. 495-580-8825, 499-245-1925, www.rusarchives.ru/evants/exhibitions/index.shtml
Fine Art:
Личное Пространство: картины Дмитрия Шорина, до 20 июня. Адрес: Большая Садовая ул., 3, корп. 10, во дворе ресторана “Пекин”. М. Маяковская. с 11:00 до 18:00, сб. с полудня до 18:00, выходной вс. 499-251-7649, www.galleryfineart.ru
Музей народной графики:
Русский лубок: постоянная экспозиция. Адрес: Малый Головин переулок, 10. М.
Сухаревская, Тургеневская, Сретенский бульвар. вт., ср. Пт. с 10:00 до 18:00, чт. от 2 до 9м., сб., вс. с полудня до 17:00, выходной пн. 495-5608-5182, www.russianlubok.ru
Дом-музей Ф.И. Шаляпина:
Постоянная экспозиция: небольшая экспозиция, посвященная великому русскому басу. Адрес: Новинский бульвар, 25. М. Баррикадная. Касса открыта вт. и сб. с 10:00 до 17:00, ср. и чт. с 11:30 до 18:00, вс. с 10:00 до 15:30, выходной пн, пт. и последний день месяца. 495-605-6236, 252-2530, www.shalyapin-museum.org
Музей-квартира Ф. М. Достоевского:
Постоянная экспозиция: небольшая выставка, посвященная автору «Преступления и наказания» и «Братьев Карамазовых», в доме, где он родился. Расположен по адресу ул. 2. Достоевского. М. Новослободская. Касса работает с 11:00 до 17:30, ср. и чт. с 13:00 до 19:30, выходной пн. и последний день месяца. 495-681-1085, www.goslitmuz.ru/ru/dostoyevsky-museum
Дом Гоголя:
Мемориальный музей и Научная библиотека в этой московской усадьбе, где Николай Гоголь провел свои последние четыре года.
Адрес: Никитский бульвар, 7А. М. Арбатская. пн., ср., пт. с полудня до 19:00, чт. от 2 до 9вечера, сб. и солнце. с полудня до 17:00, выходной вт. и последний день месяца. 495-9256, www.domgogolya.ru
Усадьба Голицыных:
NEW Visual Essay: абстракции Марины Колотвиной, Валерия Колотвина, Константина Егорова и Михаила Медведева, до 28 июня, в переулке Кокзицкого, 5. М. Пушкинская. с 11:00 до 19:00, сб выходной. и солнце. 495-694-0371, sias.ru
Исторический музей:
Эпоха бронзы (Эпоха бронзы): постоянная экспозиция.
История России с древнейших времен до начала ХХ века: постоянная экспозиция.
Отечественная война 1812 года (Отечественная война 1812 года): дополнение к постоянной экспозиции.
Филиал Исторического музея:
Романовы палаты в Зарядье: аутентичные интерьеры русской боярской усадьбы XVII века, постоянная экспозиция. Расположен на Красной площади, 1/2. М. Площадь Революции. Касса работает с 10:00 до 17:30, чт.
с 11:00 до 20:00, вт выходной. 495-692-4019, www.shm.ru
Музей истории евреев в России:
Постоянная экспозиция: подлинные артефакты, представляющие историю евреев, живших под властью России после трех разделов Польши. Адрес: Перовско-Разумовская аллея, д. 10, стр. 3. М. Динамо. Пн. до среды и пт. с полудня до 19:00, чт. с полудня до 9 вечера, вс. с 12:00 до 17:00, выходной сб. Вход свободный. 495-656-4571, www.mievr.ru
Международный Центр Рерихов:
Внутреннее путешествие: картины Феодосии, до 16 июня.
Музей Николая Рериха: собрание произведений великого художника и философа, наиболее известного своими пейзажами Индии, постоянная экспозиция. Адрес: Малый Знаменский переулок, дом 3/5. М. Кропоткинская. Касса работает с 11:00 до 18:00, выходной пн. 499-271-3417/20, www.icr.su
Музей Ивана Тургенева:
Москва. Остоженка. Тургенев: постоянная экспозиция о жизни и творчестве любимого писателя, драматурга и поэта.
37 ул. Остоженка. М. Парк Культуры. Касса работает с 10:00 до 17:30, чт. с полудня до 20:30, выходной пн, вт. и последняя пятница месяца. 495-695-1078, www.pushkinmuseum.ru
Еврейский музей и центр толерантности:
История евреев. Эта мультимедийная интерактивная экспозиция посвящена ключевым историческим периодам и начинается в «Начале театра» с 4D-фильма по мотивам на Торе, постоянная экспозиция. Расположен по адресу: ул. 11. Образцова, корп. 1А. М. Савеловская, далее автобусом № 12 две остановки до улицы Образцова. Солнце. до Чт. с полудня до 22:00, пт. с 10:00 до 15:00 закрыто сб. и еврейские праздники. 495-645-0550, www. еврейский-музей.ру
Ходынская галерея:
Наблюдение за птицами в Москве: фотографии, до 15 июня.
Николай и Сергей Андрияки: пейзажи маслом и акварелью, до 14 июня. Расположен по адресу: ул. Левченко. М. Октябрьское Поле, автобус 691, 800 до Улицы Вершинина. С 12:00 до 19:00, выходной пн. и Вт. 499-198-7684, www.
arthodynka.ru
Музей-усадьба Коломенское:
Русская царская усадьба: построена между 15 и 17 веками, расположена на высоком берегу Москвы-реки, ныне архитектурный музей.
Конюшенный двор (Конюшенный двор): В состав выставочного комплекса входят конюшни с орловскими и русскими рысаками, каретный сарай с экипажами и санями, кузница и сеновал. Адрес: проспект Андропова, 39. М. Коломенская. с 10:00 до 18:00, выходной пн. 495-232-6190, mgomz.ru/kolomenskoe
Музей Константина Станиславского:
Постоянная экспозиция: дом, в котором жил соучредитель МХТ и создатель знаменитой актерской системы. Адрес: Леонтьевский переулок, 6. М. Тверская. с 11:00 до 18:00, чт. с 11:00 до 9м., выходной пн. и Вт. 495-629-2855, www.mxat.ru/museum
Дом-музей Корнея Чуковского:
Постоянная экспозиция: Знаменитая дача самого популярного детского поэта России, влиятельного литературоведа и публициста. Адрес: Переделкино, ул. 3. Серафимовича.
От Киевского вокзала до Переделкино. Касса работает с 11:00 до 17:30, чт. с 13:00 до 19:30, выходной пн. и последний день месяца. 495-593-2670, goslitmuz.ru/ru/chukovsky-museum
Галерея Ковчег:
Май в мае: акварели и картины Май Митурич (1925-2008), до 6 июля. Расположен по адресу: ул. Немчинова. М. Тимирязевская, далее автобус 87 или 206 до Гостиницы Молодежной. Касса работает с 11:00 до 20:15, выходной пн. 499-977-0044/88, www.kovcheg-art.ru
Музей-усадьба Кузьминки:
Музей русской усадебной культуры (Музей Русской Усадебной Культуры): постоянная экспозиция. Находится в парке «Кузьминки» на Тополевой аллее, 6. м. Рязанский проспект, далее автобус 29. Касса работает с 10:00 до 17:30, выходной пн. и последний пт. месяца. 495-377-9457, 376-7610, www.kuzminky.ru
Музей Лефортово:
Лефортово. Вехи истории (Лефортово. Вехи истории): история этого района Москвы, названного в честь ближайшего сподвижника царя Петра Великого Франца Лефорта, войска которого стояли неподалеку в Немецкой слободе, постоянная экспозиция.
Адрес: Крюковская ул., 23. М. Семеновская, Авиамоторная. Касса работает с 10:00 до 17:30, выходной пн. и последний пт. месяца. 495-360-0147, www.mosmuseum.ru/museum-menu-lefortovo.html
Музей Льва Толстого:
Постоянная экспозиция: Музей, посвященный автору «Войны и мира» и «Анны Карениной». три ветви. Расположен по адресу: ул. 11. Пречистенка. М. Кропоткинская. 499-766-9328. Филиал на Пятницкой ул., 12 М. Новокузнецкая. 495-951-5808. Филиал в Хамовниках, ул. 21 Льва Толстого. М. Парк Культуры. с 11:00 до 17:00, выходной пн. 499-246-9444. Кассы работают с 11:00 до 17:30, чт. с 12:00 до 19:30, выходной Пн. и последняя пятница месяца. www.tolstoymuseum.org
Музей-усадьба Лопасня-Зачатьевское:
Постоянная экспозиция: парк с семью прудами и главным зданием, известным сначала как Дом Гончарова, а затем как Пушкинское гнездо. Экспозиция рассказывает о связях владельцев имения Васильчиковых с Пушкиными, Ланскими и Гончаровыми. Адрес: Чехов, ул.
10. Пушкина. М. Южная, далее автобус 365 до г. Сквер имени Чехова. с 10:00 до 17:00, выходной пн. и последняя пятница месяца. 496-723-0389, www.chekhov-melikhovo.com/index.php/ru/museum-melikhovo/lopasnya
Музей-усадьба Люблино:
Дурасовский дворец: прекрасно сохранившаяся усадьба начала XIX века, принадлежавшая московскому помещику Николаю Дурасову, постоянная экспозиция.
Дворцово-парковый ансамбль, построенный московским помещиком Николаем Дурасовым, представляет быт московского дворянства XIX века, постоянная экспозиция. Адрес: Летняя ул., 1. М. Волжская. с 10:00 до 18:00, выходной пн. 499-722-7189, 495-350-1553, mgomz.com, mgomz.ru/lublino
Манеж ВЗ:
Чемодан в последний путь (Мой самый важный чемодан): Московская версия немецкой выставки Фрица Рота 2012 года, которая призывает людей задуматься о своей смертности и о том, что действительно имеет значение и что является устойчивым в жизни и смерти, до 26 июня.
Коллектив: Это австрийское аудиовизуальное шоу включает в себя инсталляцию и перформанс LWZ «Ring Ging Bing» и работу luma.
laundisch «60 Seconds Somewhere» до 26 июня.
Созерцая смерть (Размышляя о смерти): произведения Джозеф Бойс, Билл Виола, Феликс Гонсалес-Торрес, Ян Чжэньчжун, Он Кавара, Марсель Мит и другие — до 30 июня.
MT PICK Дизайн упаковки. Сделано в России (Дизайн Упаковка. Сделано в России): дореволюционные товарные знаки, редкие образцы бутылок и банок, конструктивистские разработки Владимира Маяковского, Александра Родченко и других, до 25 июня.
MT PICK Путешествие Одиссея ( Путешествие Одиссея): иллюстрации к гомеровской эпической поэме Андре Массона, Анри Матисса, Марка Шагала и Ганса Эрни к 26 июня. Расположен на Манежной площади, 1. М. Охотный ряд, Александровский сад. с 12:00 до 22:00, выходной пн. 495-645-9277, www.moscowmanege.ru
Музей Марии Ермоловой:
Постоянная экспозиция: небольшой, но элегантный музей-квартира, посвященный великой актрисе Малого театра конца XIX века. Адрес: Тверской бульвар, 11. М. Тверская. С полудня до 19:00, четверг.
с 13:00 до 21:00 закрыто вт. и последний пт. месяц. 495-690-5416/4901, www.bakhrushin.theatre.ru/branches/dme
Музей Марины Цветаевой:
Постоянная экспозиция: дом-музей, где поэт жил с 19 года14 по 1922 г. Расположен в Борисоглебском переулке, 6. М. Арбатская, Смоленская. С полудня до 17:30, четверг. с полудня до 20:30, выходной пн. и последняя пятница месяца. 495-697-5369, www.dommuseum.ru
Музей музыкальной культуры имени Михаила Глинки:
Постоянная экспозиция музыкальных инструментов. Расположен по адресу 4 Ул. Фадеева. М. Маяковская. Касса работает с 11:00 до 18:00, выходной пн. и последний день месяца. 495-739-6226, www.glinka.museum
Дом-музей Михаила Пришвина:
Дачная усадьба русского писателя Михаила Пришвина (1873-1954). Находится по адресу: деревня Дунино, 2. М. Молодежная, далее автобус 121 до Лесных Далей, кассы работают с 11:00 до 17:30, чт. с 13:00 до 18:30, выходной пн. 499-553-8132, www.prishvin.
ru
Московский музей современного искусства на Гоголевского:
МТ ПИК Жоан Миро: работы каталонского художника-авангардиста, скульптора и керамиста из Пилара и Жоана Миро Фонд в Пальма-де-Майорка, до вс.
Память о платье: инсталляция белых арт-объектов из смешанной материи Елизаветы Рабочих до 23 июня.
Искусство русского авангарда из собрания Самарского художественного музея. В экспозиции произведения Давида Бурлюка, Бориса Григорьева, Петра Кончаловского, Аристарха Лентулова, Казимира Малевича, Ольги Розановой и других, до 7 июля. Расположен на Гоголевском бульваре, 10. Метро Кропоткинская. С 12:00 до 20:00, касса до 19:15, чт. с 13:00 до 21:00, касса до 20:15, закрыто каждый третий понедельник месяца. 495-231-3660, www.mmoma.ru
Московский музей современного искусства на Петровке:
Сны для тех, кто бодрствует: все жанры современного искусства от музейной коллекции до сент. 29.
Расширение Объекта (Экспансия Предмета): преображение объектов изобразительного искусства 20 и 21 века, до 29 сентября.
Расположен по адресу Петровка, 25. М. Чеховская. С 12:00 до 20:00, касса до 19:15, чт. с 13:00 до 21:00, касса до 20:15, закрыто каждый третий понедельник месяца. 495-231-3660, www.mmoma.ru
Московский музей современного искусства на Ермолаевском:
Удивляться нечему: ретроспектива творчества Дмитрия Гутова включает картины, видео, фотографии, инсталляции, металлоконструкции и графики до 30 июня. Расположен по адресу: Ермолаевский переулок, 17. М. Маяковская. С 12:00 до 20:00, касса до 19:15, чт. с 13:00 до 21:00, касса до 20:15, закрыто каждый третий понедельник месяца. 495-231-3660, www.mmoma.ru
Московский Планетарий:
Постоянные экспозиции: Интерактивный музей с Лунариумом, Большим и Малым Звездными залами, Музей Урания и Кинотеатр 4D. Адрес: Садовая-Кудринская ул., 5. М. Баррикадная. с 9:00 до 21:00, выходные и праздничные дни с 10:00 до 22:00, вт. 495-221-7690, www.planetarium-moscow.ru
Мультимедиа Арт Музей:
Меланхоличный Торнадо: кинетические объекты, фильмы и инсталляции немецкой классической современной художницы Ребекки Хорн, вс.
Натюрморт. Современная голландская фотография, до 14 июля.
NEW Формула времени: фотографии Всеволода Тарасевича, до 14 июля. Адрес: ул. Остоженка. М. Кропоткинская. Касса работает с 12:00 до 21:00, выходной пн. 495-637-1100, www.mamm-mdf.ru
Музей прикладного, декоративного и народного искусства:
МТ ПИК Коллекционеры и коллекции: графика и декоративно-прикладное искусство из московских частных коллекций, до 17 июня
Шедевры советского фарфора 1920-1970-х годов, постоянная экспозиция.
Русское народное искусство XVIII–XX веков: постоянная экспозиция. Адрес: Делегатская ул., 3. м. Цветной бульвар. Касса работает с 11:00 до 17:00, вт выходной. и последний пн. месяца. 495-609-0146, чт. с 10:00 до 20:00, www.vmdpni.ru
Музей Москвы:
История Москвы с древнейших времен до наших дней, постоянная экспозиция. Расположен по адресу: Зубовский бульвар, 2, вход с Остоженки. М. Парк Культуры. Касса работает вт.
, ср., пт. с 10:00 до 17:30, сб, вс. с 11:00 до 17:30, выходной пн. и последняя пятница месяца. 499-766-4196, www.mosmuseum.ru
Музей частных коллекций:
Девяносто девять имен Бога (Девяносто Девят Имён Всевышнего): классическое исламское искусство IX–XIX веков из коллекции Фонда Марджиани, до 16 июня.
Постоянная экспозиция в 23 залах включает 1500 произведений искусства.
«Весна священная: рождение легенды» («Весна Священная: Зарождение легенды»): эта выставка, рассказывающая историю авангардного балета Стравинского с хореографией Вацлава Нижинского и сценографией и костюмами Николая Рериха, приурочена к столетию его премьера в Театре Елисейских полей в Париже состоится 28 июля. Расположен по адресу: ул. 10. Волхонка. М. Кропоткинская. с 11:00 до 19:00, чт. с 11:00 до 9:00м., выходной пн. и Вт. 495-697-1610, www.arts-museum.ru, artprivatecollections.ru
Музей русской иконы:
Постоянная экспозиция: Восточноевропейское христианское искусство 6-20 веков.
Адрес: Гончарная набережная, дом 3, вход со стороны Большого Ватинного переулка. М. Таганская. с 11:00 до 19:00, выходной ср. 495-221-5283, www.russikona.ru
Музей современной истории России:
От Английского клуба до Музея современной истории России: постоянная экспозиция.
Государственные символы России. История и современность (Государственная Символика России. История и Современность): постоянная экспозиция. Адрес: Тверская ул., 21, м. Тверская. Касса работает вт., ср. и пт. с 10:00 до 17:30, чт. и сб. с 11:00 до 18:30, вс. с 10:00 до 16:30, выходной пн. 495-699-5458, www.sovr.ru
Музей уникальных кукол:
Постоянная экспозиция старинных кукол. Расположен по адресу: ул. 13. Покровка. М. Тургеневская, Китай-город, Чистые пруды. Пт., Сб. Солнце. с 10:00 до 18:00, вт., ср. Чт. экскурсии в 12:00, 14:00 и 18:00, выходной пн. Вход свободный. 495-625-6405/7512, www.dollmuseum.ru
Галерея на Солянке:
МТ ПИК Милко Манчевски.
Five Drops of Dream: работы известного македонского писателя-режиссера, фотографа и художника, проживающего в США, до 23 июня. овец вокруг флага на площади Конституции в Мехико до 23 июня.
Петрушевская и Норштейн: спектакль, посвященный писательнице, драматургу, автору-исполнителю, художнику-визуалисту Людмиле Петрушевской и ее диалогу с классическим аниматором Юрием Норштейном, до 22 июня. Расположен на Солянке, 1/2. м. Китай-город. Пн. до Чт. с 14:00 до 22:00, пт. с полудня до полуночи, сб. и солнце. с полудня до 22:00 495-621-5672, solyanka.org
Музей-квартира Немировича-Данченко:
Постоянная экспозиция: дом, в котором жил режиссер и соучредитель МХТ. Адрес: Глинищевский переулок, 5/7, подъезд 5, кв. 52. М. Тверская. с 11:00 до 17:30, выходной пн. и Вт. 495-650-5391, www.mxat.ru/museum
Новая Третьяковская галерея:
Александр Родченко. Клуб рабочих: (1885-1953): Реконструированный интерьер клуба для рабочих по проекту этого художника-конструктивиста, постоянная экспозиция.
Анатолий Комелин показывает каменные рельефы и минималистские скульптуры из дерева до 11 августа. . до 22 сентября.
Основные выставочные залы: экспозиция русского искусства ХХ века.
Михаил Нестеров (1862-1942): картины из музейных и частных собраний, до 18 августа.
Фантомные боли (Фантомные боли): скульптуры и картины Бориса Орлова, до 23 июня. Адрес: Крымский вал, 10. М. Октябрьская, Парк Культуры. Касса работает с 10:00 до 18:30, выходной пн. 499-230-7788, 238-1378, 495-951-1362. Экскурсии 495-953-5223. Маршрутка Autoline курсирует от Новой Третьяковки до Третьяковской галереи в Лаврушинском переулке, 10/12 ежедневно в 12:20, 13:20, 14:20, 15:20 и 16:20, www.tretyakovgallery.ru
New Western Art Gallery:
Европейское и американское искусство XIX и XX веков.
Ню. От Мрамора до Фотографии (Обнажённые. От Мрамора к Фотографии), до 23 июня. Находится на Волхонке, 14. М. Кропоткинская. с 10:00 до 19:00, чт. с 10:00 до 9м.
, выходной пн. 495-697-1546, www.arts-museum.ru, www.newpaintart.ru
Музей-квартира Николая Голованова:
Мемориальная квартира выдающегося дирижера, трижды изгнанного из Большого театра, в 1928, 1936 гг. и 1953 г., постоянная экспозиция. Адрес: Брюсов переулок, 7, кв. 10. М. Тверская, Пушкинская. Открыт пн. и ср. с 14:00 до 17:00 495-629-7083, www.glinka.museum/about/apartment_museum_golovanov
Новодевичий Богородице-Смоленский Новодевичий монастырь:
Новодевичий монастырь и кладбище: красивый монастырский комплекс XVII века, основанный в 1524 году царем Василием III, затем, после Смутного времени, значительно перестроенный и расширенный правительницей Софьей, которую впоследствии заточил здесь Петр Великий со своей нежеланной первой женой. Ныне принадлежит Московской епархии Русской Православной Церкви. Адрес: Новодевичий проезд, 1. М. Спортивная. 499-245-3168, www.mepar.ru/eparhy/temples/?temple=1166
Новый Манеж:
НОВИНКА Камень.
Ножницы. Бумага. Музейная попытка (Камень. Ножницы. Бумага. Попытка музея): Экспериментальная инсталляция — совместная работа Лаборатории Дмитрия Крымова и Театрального музея имени Бахрушина, 7 июля. Расположена по адресу: Георгиевский переулок, 3. М. Охотный ряд, Театральная. С 12:00 до 21:00, выходной пн. 495-645-9277, www.moscowmanege.ru
Музей Востока:
Танцующая кисть (Танцующая кисть): показ московских художников в китайской и японской техниках до 16.09.0009
Мариус Бауэр (1867-1932): живопись и графика этого голландского художника, до 9 сентября.
Постоянные экспозиции: искусство Кореи, Индии, Ирана, Китая, Азии, Сибири и др., постоянная экспозиция. Адрес: Никитский бульвар, 12. М. Арбатская. Касса работает с 11:00 до 19:30, чт. с полудня до 20:30, выходной пн. 495-691-9614/0212, www.orientmuseum.ru
Галерея Pop/off/art Центра современного искусства «Винзавод»:
No Comment: Олег Татаринцев и Ольга Татаринцева показывают концептуальную инсталляцию из постминималистских керамических объектов до 30 июня.
Адрес: 4-й Сыромятнический переулок, д. 1, корп. 6. М. Чкаловская, Курская. С 12:00 до 20:00, выходной пн. 495-775-8706, popoffart.com
Проект Фабрика:
Ритуалы Сопротивления (Ритуалы Сопротивления): инсталляция Анны Титовой к 20 июля. Расположен в Переведеновском переулке, 18. М. Бауманская, Электрозаводская, далее троллейбус 22 или 25 до Балакиревского переулка. С 12:00 до 20:00, выходной пн. Вход свободный. 499-265-3926/3935, www.proektfabrika.ru
Галерея «Проун» Центра современного искусства «Винзавод»:
МТ ПИК Пары (Вдвоем): работы Александра Дарежавина, Родченко Александра и Варвары Степнова , Ольги Розановой и Алексея Крученых, Натальи Гончаровой и Михаила Ларионова и других, до 29 августа.. Адрес: 4-й Сыромятнический переулок, д. 1, корп. 6. М. Чкаловская, Курская. С 12:00 до 20:00, выходной пн. 495-916-0900 www.winzavod.ru, www.proungallery.ru
Музей изобразительных искусств имени А.С. Пушкина:
На выставке одной картины представлена картина “Святой Марк” голландского мастера Франса Хальса из галереи Джонни Ван Хафтен ( Лондон) до 28 июля.
Постоянная коллекция: произведения из Древнего Египта, Ассирии, Греции и Рима, а также произведения от Средневековья до начала 20 века.
NEW MT PICK Прерафаэлиты: картины викторианского авангарда и прикладного искусства из британских и американских музеев и частных коллекций, Вт. по 22 сентября. Расположен по адресу Волхонка, 12. М. Кропоткинская. с 10:00 до 19:00, чт. до 21:00, выходной пн. 495-697-9578, www.arts-museum.ru
Галерея «Красный Октябрь»:
World Press Photo 2013, до 30 июня. Адрес: Берсеневская набережная, 6. М. Кропоткинская, Полянка. с полудня до 9вечера. 495-644-0143, 8-916-015-5166, www.redoctobergallery.com
Галерея «Риджина» на Винзаводе Центр современного искусства:
MT PICK Рамы (Ramy): арт-объекты Олега Кулика, Сидел. Адрес: 4-й Сыромятнический переулок, 1. М. Чкаловская, Курская. с 11:00 до 19:00, вс выходной. и пн. Вход свободный. 495-228-1330, www.reginagallery.com
Галерея «Роза Азора»:
Высокий стиль (Высокий стиль): фотоработы Владимира Клавихо-Телепнева, до 17 июня.
Расположен по адресу: Никитский бульвар, 14. Пн. до сб. с полудня до 8 вечера, вс. с полудня до 18:00 495-695-8119, www.rozaazora.ru
Галерея RuArts:
МТ ПИК Семен Агроскин. Реконструкция: живопись, к 22 июня. Расположен по адресу: 1-й Зачатьевский переулок, 10. М. Кропоткинская. Полдень до 20:00 Вход свободный. 495-637-4475, www.ruarts.ru
Союз художников России Выставочный зал:
NEW Евгений Жидков: Русские пейзажи в традиционных маслах, до 16 июня. Расположен на Покровке, 37. М. Чистые пруды. Пн. до пт. с 11:00 до 17:30, сб. по предварительной записи, выходной вс. 495-917-5880, www.shr.su
Галерея S’Art:
Аниш Капур: фотопрезентация его инсталляции «Вознесение»: столб дыма в церкви базилики Сан-Джорджо-Маджоре, до сентября. 18.
Маурицио Каттелан: фотопрезентация работ этого итальянского художника, до 1 сентября.
Светлана К-Ли. Мясо: видеопрезентация работ этого концептуального русского художника, ныне проживающего в Англии, до 15 июля.
Адрес: Куркино, Воротынская ул., д. 2, корп. 1. М. Планерная, далее автобус 268 до Четырнадцатого микрорайона. По предварительной записи. 499-500-2366.
Музей-студия Сергея Коненкова:
Постоянная экспозиция: Работы влиятельного российского и советского скульптора, который провел более 20 лет в США и вернулся домой в 1945 году в возрасте 71 года. Расположены по адресу: Тверская ул., 17. М. Тверская, Пушкинская. Касса работает с 11:00 до 18:30, выходной пн, вт. и последняя пятница месяца. 495-629-6139, www.rah.ru/museums/muzey_masterskaya_s_t_konenkova.php
Музей Сергея Прокофьева:
Мемориальная квартира, где композитор жил с 1947 по 1953 год, постоянная экспозиция. Расположен по адресу: Камергерский переулок, 6. М. Театральная, Охотный ряд. Мы б. до Солнца. с 11:00 до 17:00, выходной пн. и Вт. 495-692-7959, www.glinka.museum/about/museum_of_prokofiev
Музей Серебряного века:
Дом Брюсова: «Мемориальный кабинет Валерия Брюсова» и «Пушкин и Серебряный век русской литературы», постоянные экспозиции.
Расположен по адресу: проспект Мира, 30. м. Проспект Мира (кольцевая линия). Касса работает с 11:00 до 17:30, чт. и пт. с 13:00 до 19:30, выходной пн. и последний день месяца. 495-680-8683, www.goslitmuz.ru/ru/bryusov-museum
Собор Василия Блаженного:
Святыни Покровского собора: потрясающий средневековый интерьер, иконы, книги и другая религиозная реликвии. Расположен на Красной площади, 2. М. Площадь Революции. Касса работает летом с 11:00 до 17:30, зимой с 11:00 до 16:30, 495-698-3304 www.saintbasil.ru
ГЦСИ:
NEW Малая теория всего, или Искусство познания: научно-популярные мультфильмы Владислава Ефимова, Евгения Стрелкова, Андрея Суздалева, а также короткометражки воспитанников Государственного центра современного искусства «Детский». Студия, пт. до 23 июня.
Кино-Фото-Людогус: Владимир Маяковский и искусство авангарда ХХ века в фотографии и кино, до 18 июня. Адрес: Зоологическая ул., 13. М. Краснопресненская. С полудня до 8 вечера, четверг.
с 12:00 до 21:00, выходной пн. 499-254-8492/0674, www.ncca.ru
Государственный литературный музей:
Постоянная экспозиция: книги, рукописи и другие предметы, рассказывающие о великих писателях России. Расположен по адресу: ул. 28. Петровка. М. Чеховская. с 11:00 до 18:00, чт. с 14:00 до 20:00, выходной пн. 495-625-1226, www.goslitmuz.ru/ru/gos-lit-museum
Stella Art на Скарятинском:
Одиннадцать чемоданов в дорогу (Одиннадцать Чемоданов в Дорогу): инсталляции студентов Института База, по 4 августа. Расположен по адресу: Скарятинский переулок, 7. М. Баррикадная. С 12:00 до 19:00, выходной пн. 495-691-3407, www.safmuseum.org
Мемориальная квартира Святослава Рихтера:
Постоянная экспозиция: квартира великого пианиста, с выставкой фотографий и картин, видео и звукозаписей.
Елена Колат: картины, до 25 июля. Адрес: Большая Бронная ул., 2/6, кв. 59. М. Пушкинская. По предварительной записи вт., чт. и третья суббота месяца с полудня до 14:00.
495-695-8346, 697-7205, www.sviatoslav-richter.ru
Музей Чайковского и Москвы:
Мемориальная квартира, где композитор жил с сентября 1872 г. по ноябрь 1873 г., постоянная экспозиция. Адрес: Кудринская площадь, 46/54. М. Баррикадная. с 10:00 до 19:00, выходной пн. и Вт. 495-691-1514, www.glinka.museum/about/museum_of_moscow_tchaikovsky
Музей истории ГУЛАГа:
Постоянная экспозиция: Документы, письма, воспоминания и личные вещи узников ГУЛАГа. Расположен по адресу: ул. 16. Петровка. М. Кузнецкий Мост, Театральная. Касса работает с 11:00 до 18:00, чт. с 12:00 до 19:00, выходной пн. и последняя пятница недели. 495-621-7310, www.gmig.ru
Третьяковская галерея:
Борис Мессерер показывает картины, графику и инсталляции до 23 июня в Инженерном корпусе.
НОВИНКА Дары и приобретения («Дары и приобретения»): новинки коллекции графики XVIII и начала XX века, до 3 ноября. – и картины начала 20-го века.
Православные древности Русской Православной Церкви из собрания Серпуховского историко-художественного музея — иконы, произведения декоративно-прикладного искусства, рукописи и книги — до 28 июля в Инженерном корпусе.
Адрес: Лаврушинский переулок, 10/12. М. Третьяковская. Касса работает вт., ср., сб. и солнце. с 10:00 до 17:00, чт. и пт. с 10:00 до 20:00, выходной пн. 499-230-7788, 238-1378, 495-951-1362. Маршрутка Autoline курсирует от Третьяковской галереи до Новой Третьяковской галереи на Крымском Валу, 10, ежедневно в полдень, 13, 2, 15, 16 и 17 часов, www.tretyakovgallery.ru
Музей Царицыно:
Екатерина Великая : (Великая Екатерина): выставка, посвященная российской императрице, постоянная экспозиция.
Шедевры Царицынского художественного собрания (Шедевры Художественного собрания Царицыно): западноевропейский гобелен XVI-XVIII вв., русское стекло и гобелен ХХ в., постоянная экспозиция.
Прошлое и настоящее Царицыно (Был и Нов Царицына): история Царицына, постоянная экспозиция.
Серебряная кладовая (Серебряная кладовая): произведения русского ювелирного искусства XVI–XX веков, постоянная экспозиция.
Царицынские древности: археологические находки, постоянная экспозиция.
Адрес: ул. Дольская, 1. М. Царицыно, Орехово. Касса работает с 11:00 до 17:30, сб. с 11:00 до 19:30, вс. и праздничные дни с 11:00 до 18:30, выходной пн. Парк открыт ежедневно с 6 утра до полуночи. 499-725-7287, www.tsaritsyno.net
Ударник:
Гриша Брускин. Коллекция археолога (Гриша Брускин. Коллекция Археолога): инсталляция из 33 бронзовых скульптур, 11 августа. Расположена по адресу: ул. Серафимовича. М. Полянка, Кропоткинская. с 11:00 до 20:00, выходной пн. 495-657-9758.
Музей техники Вадима Задорожного:
Постоянные экспозиции: ретроавтомобили, мотоциклы, оружие и самолеты. Расположен по адресу: Посёлок Архангельское, 4-й км Ильинского шоссе, корп. 8. М. Тушинская, авт. 541, 549, 568, 151, 541, 549, 568. М. Строгино, маршрутка Строгино-Захарково до Липовой аллеи. На машине Новорижское шоссе, рядом Архангельское. Касса открыта вт. до пт. с 10:00 до 18:00, сб. и солнце. с 10:00 до 19:00, выходной пн. 495-662-3818, www.tmuseum.ru
Дом-музей Василия Пушкина:
NEW Небольшой особняк, где с 1824 по 1830 год жил этот русский поэт-неоклассик и дядя Александра Пушкина, открывается в четверг.
Адрес: Старая Басманная ул., 36. М. Красные ворота. Касса работает с 10:00 до 17:30, чт. с полудня до 20:30, выходной пн. и последний пт. месяца. 495-637-5674, www.pushkinmuseum.ru
Музей Владимира Маяковского:
Владимир Маяковский: документы и фотографии из жизни поэта-футуриста в доме, где он жил и покончил жизнь самоубийством. Адрес: Лубянский проезд, 3. М. Лубянка. с 10:00 до 17:00, чт. с 13:00 до 20:00, выходной ср. и последний пт. месяца. 495-628-2569, www.mayakovsky.info
Геологический музей Владимира Вернадского:
Постоянные экспозиции: «Планета Земля», «История Земли», «Мир минералов», «Геологические редкости» и другие экспозиции. Расположены по адресу: Моховая ул., 11, корп. 2. М. Охотный ряд. Касса открыта вт. до пт. с 11:00 до 18:00, сб. и солнце. с полудня до 18:00, выходной пн. 495-692-0943, www.sgm.ru
Музей-квартира Всеволода Мейерхольда:
Постоянная экспозиция: небольшой музей, посвященный режиссеру, который до своего ареста и убийства в тюрьме в 1940 году был одним из мировых лидеров авангарда.
Адрес: Брюсов переулок, 12, кв. 11. М. Пушкинская. Касса работает с 12:00 до 17:30, выходной пн, вт. и последняя пятница месяца. 495-629-9437, www.bakhrushin.theatre.ru/branches/mkm
Академия акварели и изобразительного искусства:
Музей акварели: постоянная экспозиция. Расположен по адресу: ул. 15. Академика Варги. М. Теплый Стан, автобусы 144, 227, 281 до улицы Академика Виноградова. с 11:00 до 19:00, выходной пн. и Вт. 495-531-5555, доб. 298, www.academy.andriaka.ru
Винзавод Центр современного искусства:
За тобой ничего нет (Позади тебя ничего нет): свежие абстрактные картины и две видеоинсталляции Виктора Алимпиева, 23 июня. 4-й Сыромятнический переулок, дом 1, корп. 6. М. Чкаловская, Курская. Полдень до 20:00 495-917-4646, www.winzavod.ru
Фонд культуры «Екатерина»:
Хендрик Керстенс. Паула: серия портретов голландского фотографа к 28 июля. Находится на Кузнецком мосту, 21, подъезд № 8 с ул. Большая Лубянка.
м. Кузнецкий мост. Касса работает с 11:00 до 19:30, выходной пн. 495-621-5522, www.ekaterina-fondation.ru
Зоологический музей Московского университета:
Постоянные экспозиции: Все группы животных, от одноклеточных до птиц и млекопитающих, преимущественно муляжи. Адрес: Большая Никитская ул., 6. М. Охотный ряд. с 10:00 до 17:00, выходной пн. и последний вторник. месяца. 495-629-4435, zmmu.msu.ru
Художественная галерея Зураба Церетели:
Искусство и религия в современной культуре: Византийская традиция в творчестве современных русских художников, до 30 июня.
Линия Кривая (Изгиб) : картины Григория Дембовского, до 22 июня.
Старообрядческие иконы (Старообрядческая иконопись) из Ярославского областного музея и частных коллекций, до 10 августа. Находится на Пречистенке, 19. М. Кропоткинская. Полдень до 20:00, вс. с 12:00 до 19:00, выходной пн. 495-637-2569/4771, www.tsereteli.ru, www.rah.ru
Биография | Салли Уотерман
САЛЛИ УОТЕРМАН родилась в 1974 году на острове Уайт, Великобритания, живет в Лондоне.
Она имеет степень бакалавра (с отличием) английского языка в области искусства дизайна, Университет Плимута (1995 г.) и степень магистра имиджа и коммуникаций (фотография), ювелиры (1996 г.). В 2011 году она получила докторскую степень в области медиа и фотографии: «Визуализация пустоши: открытие практики адаптации» в Университете Плимута. Центр, (2000–2001), «Лес», Музей Ноттингемского замка, Галерея Ориэля Дэвиса, Галерея Вулверхэмптона и Художественная галерея Йорка (2004–2005), «Что происходит дальше?» Усадьба и галерея Питцжангер, Лондон (2008), « Voyage», Künstlerhaus, Дортмунд, Германия (2013), «Водные массивы», Королевская западноанглийская академия, Бристоль (2014), Берлинский фестиваль экспериментального кино (2016), Фестиваль короткометражных фильмов Aesthetica, Йорк (2017), «Путешествия с The Waste Land», Turner Contemporary, Margate (2018), Международный кинофестиваль The Family Film Project, Порту, Португалия (2019), «MK Calling», MK Gallery, Милтон-Кейнс (2020 г.) и Стамбульский международный фестиваль экспериментального кино, Турция (2021 г.
).
Она была со-куратором программ художественных фильмов, в которых также были представлены ее работы в Ричмондском американском международном университете в Лондоне; кинотеатр Биркбек, Лондон; фестиваль ViSiONA, Уэска, Испания; Крупный план кино, Лондон и CCA, Глазго. Ее фотографии были представлены на обложках книг для Virago, Random House, Harper Collins и Faber & Faber, а ее работы хранятся в государственных коллекциях, включая Национальную художественную библиотеку в V&A в Лондоне; Школа художественного института Чикаго и Йельский центр британского искусства, Нью-Йорк. Опубликованные работы включают «Исполнение семейной памяти против» в книге «Изображая семью: СМИ, повествование, память» под редакцией Силке Арнольд-де Симин и Джоан Лил (Блумбери, 2018 г.) и «Переосмысление семейного альбома посредством литературной адаптации» в Global Фотографии: «Память – история – архивы» под редакцией Сисси Хелфф и Стефани Михелс (стенограмма, 2018 г.). Она преподает фэшн-фотографию и фотографию в Университете творческих искусств в Рочестере.
Уотерман является основателем исследовательской группы Family Ties Network.
Междисциплинарная художественная практика и исследования Уотермана связаны с интерпретацией литературы в неуловимой форме автопортрета. Она создает поэтические неподвижные и движущиеся изображения, которые исследуют память, место и семейные отношения, опираясь на таких писателей, как Генри Джеймс, Сильвия Плат и Вирджиния Вульф. Стихотворение Т. С. Элиот 1922 года «Бесплодная земля» использовалось в качестве основы для изучения ее стратегий саморепрезентации и методов адаптации для ее основанной на практике докторской диссертации, кульминацией которой стала серия фото- и видеоинсталляций (2005–2010). Уотерман заново изобретает исходный материал с помощью фрагментарного повторного сценария, ища автобиографические ассоциации с определенными образами, темами, персонажами или концепциями. Действительно, выбранный художественный текст функционирует как механизм саморепрезентации, позволяющий вспоминать и переосмысливать память.
Постановка себя таким образом, через адаптацию освещает трудные, но универсальные переживания болезни, конфликта, потери и разлуки.
Соло 2021 Wellow , Clayden Gallery, Quay Arts, остров Уайт 2018 In the Cage , Liddicoat & Goldhill Project Space, The Printworks, Маргейт, совместно с «Путешествиями по пустошам» в Turner Contemporary (куратор Люси Ховарт) 2017 So Cheerio For Now , Галерея Стивена Лоуренса, Гринвичский университет, Лондон (Совместная выставка с Жаклин Батлер) 2017 Волны, Путешествие, Путешествие , Специальные коллекции и архивы, Ювелиры, Лондонский университет 2015 Translucence , пространство [.
..], Mission Gallery, Суонси 2012 Waste Land , Галерея Раскина, Англия, Университет Раскина, Кембридж 2010 Waste Land , Scott Building, Плимутский университет 2008 г. Waste Land: Game , Галерея Viewpoint, Плимутский колледж искусств 2007 г. Неподвижно движущийся , Фотогалерея с видоискателем, Лондон 2005 г. Создание нашего знака , Галерея Скотта, Плимутский университет 2005 г. Making Our Mark , West Gallery, Quay Arts, Ньюпорт, остров Уайт 2002 г. Hidden Within , Галерея Five Princelet Street, Лондон 2001 г. Forest Fears , Галерея Spitz, Лондон 2000 г. Другая сторона зеркала , Галерея Кингсгейт, Лондон 1996 г. The Waves , Dimbola Lodge, Freshwater Bay, Isle of Wight (бывший дом Джулии Маргарет Кэмерон) Групповые/кинопоказы 2022 Семейные и другие связи , Галерея Фойера, Университет творческих искусств, Фарнхэм, Великобритания: установлены фотографии «Прошлое настоящее» и «Уэллоу».
2022 Международный фестиваль короткометражных фильмов в Барселоне, Испания , Показ фильма «Синкопация». 2022 MicroActs 11 , VFDalston, Лондон, Великобритания: показ «Синкопации» 2022 Дома , Фабрика, Брайтон, Великобритания (в сотрудничестве с Short Circuit Films): показ фильма «Синкопация» 2022 Crossing the Screen, Международный кинофестиваль , Истборн, Великобритания: показ фильма Wellow 2021 Стамбульский международный фестиваль экспериментального кино , Музей Пера, Стамбул, Турция: Показ фильма Wellow 2021 Tāctus – 17-й Афинский фестиваль цифрового искусства , Греция: фестивальный показ фильмов «Против», «Синкопация» и «Между нами» (онлайн и физическое издание) 2021 Международный фестиваль экспериментального кино и видео BIDEODROMO , BilbaoArte, Бильбао, Испания: показ фильма Wellow 2021 Уличный фонарь , Художественный фонд Романа Сьюзен, Чикаго, Иллинойс, США: Проекционный показ фильма «Синкопация».
2021 Видеоарт Миден, Греция , «Непосредственно перед землетрясением», кураторская программа YouTube: Показ «Синкопации» 2021 Комната для книг , Кристиансанд Кунстхалль, Норвегия: установлен Voyage Boxed с книгой-гармошкой «Февраль». 2020 Неделя кино в Саутгемптоне , Онлайн-показ фильма «Из рук наших матерей» 2020 The New Black , Коллективная онлайн-выставка Void: выбрано «Против» из «Прозрачности» 2020 Transient Visions: Festival of the Moving Image , Джонсон-Сити, штат Нью-Йорк, США: онлайн-показ фестиваля «Между нами» 2020 Международный фестиваль экспериментального кино и видео BIDEODROMO , BilbaoArte, Бильбао, Испания: показ фильма «Синкопация». 2020 Flight/Mostra Internazionale del Cinema di Genova , Галерея Incantations, Генуя, Италия: Показ фильма «Синкопация» 2020 На Международном фестивале искусств Fringe 2020 , Транас, Швеция: Фестивальный онлайн-показ фильма «Против» 2020 19-й Международный Канский Видео Фестиваль/СОПРОМАТ-ТВ , Россия: Фестивальный онлайн-показ фильма «Синкопация» 2020 MK Calling , MK Gallery, Милтон Кейнс («Синкопирование» и «Между нами» показаны как зацикленные видеоинсталляции) 2020 Берлинский фестиваль короткометражных фильмов , Фестивальный онлайн-показ фильма «Синкопация» 2020 Затерянные в изоляции , Онлайн-выставка Void Collective: выбрана «Проповедь» из «Бесплодной земли» 2019 Международный кинофестиваль Crossing the Screen , Истборн: показ фильма «Синкопация» 2019 51 Zero, Международный фестиваль кино и современного искусства , УЦА Кентербери: показ фильма «Мудрость» 2019 SPLICE Film Fest , Кинотеатр Film Noir, Бруклин, Нью-Йорк, США: показ фильма «So Cheerio for Now» 2019 Дом в движении , Всплывающая выставка симпозиума «Движение и идентичность» (показ «Синкопации»), Тейт Модерн, Лондон (куратор Рикарда Видаль и Мануэла Пертегелла в рамках проекта «Говорящие трансформации») 2019 5-й фестиваль экспериментального кино в Боготе / CineAutopsia , Богота, Колумбия: показ фильма «Синкопация» 2019 Семейный кинопроект – Международный кинофестиваль архивов, памяти и этнографии , Порту, Португалия: Показ фильма «Синкопация» 2019 Tracing the Tide, Art Walk Porty Festival , пляж Портобелло, Эдинбург: показ фильмов «Прогулки в тени в сельской местности» и «Февраль» 2018 Дом в движении , Биеннале Уитстабл, Фестиваль поэзии в Ледбери и Библиотека поэзии в Королевском фестивальном зале в Лондоне (кураторы Рикарда Видаль и Мануэла Пертегелла в рамках проекта «Говорящие трансформации») 2018 Неделя кино в Саутгемптоне , Показ фильма «Синкопация» 2018 Тасманский международный фестиваль видеоарта , Sawtooth ARI, Лонсестон, Тасмания: «Против» показано на групповой выставке.
2018 At the Violet Hour , The Nayland Rock Hotel, Маргейт, совместно с «Путешествием по Пустоши» в Turner Contemporary (куратор Кьяра Уильямс и Шон Стэмп) 2018 Путешествие с Пустошей , Turner Contemporary, Margate 2017 Фестиваль короткометражных фильмов Aesthetica , Йорк: показ фильма «So Cheerio for Now» 2017 Давайте поговорим о Вивьен , Рынок Олд Кент, Маргейт, часть военнопленных, Танет и Тернер Современная исследовательская группа «Прогулка по пустоши»: просмотр фильма «В клетке» 2017 Прогулка по Пустоши , Страна грез, Маргейт, часть фестиваля «Букмекеры Маргейта» под руководством Элспет Пенфолд: показ фильма «Гадание/пересказ» 2017 Семейное воссоединение , Pi Artworks, Лондон (куратор Джессика Зискинд) 2017 Съемки личного , CCA, Глазго: Показ фильма «Так что повеселее» 2016 Съемки личного , Кинотеатр крупным планом, Шордич, Лондон: показ фильма «Глубоководная зыбь» 2016 Embodied Methodologies , 4-я ежегодная конференция по практическим исследованиям, Royal Holloway, London University: Screening of ‘Against’ 2016
908:59 Кинофестиваль Usurp Zone5 , Галерея экспериментального искусства, Индийский центр обитания, Нью-Дели: показ фильма «Против» 2016 Грамматика длины волны , Музей Вестерн-Айлс, Сторновей, Льюис, Шотландия (показан Voyage Boxed) 2016 Водоемы , Force 8, Методистская часовня, Бридпорт, Дорсет: показ фильма «Февраль» 2016 Международный кинофестиваль Crossing the Screen , The Birley Centre, Истборн: показ фильма «So Cheerio for Now» 2016 Берлинский экспериментальный кинофестиваль 908:60 , Moviemento Kino, Берлин: показ фильма «Против» 2016 Я расскажу вам свою жизнь: создание памяти , фестиваль ViSiONA, Аудитория Совета Уэски, Испания: показ фильмов «Против» и «Мудрость» 2016 Voyage Boxed , Galerie UQO, Гатино, Квебек, Канада 2015 Voyage Boxed , Herhúsið, Siglufjörður, Исландия 2015 Кинофестиваль Usurp Zone5 , Галерея Usurp, Харроу, Лондон: показ фильма «Против» 2015 Водоемы , Корнуоллский кинофестиваль, Дом Мердока, Редрут: показ фильма «Февраль» 2015 Водоемы , Плимутский университет: показ фильма «Февраль» 2014 Водоемы , Королевская академия Западной Англии (RWA), Бристоль (куратор Кайла Паркер): показ фильма «Февраль» 2014 Voyage Boxed , Дом-музей Танкернесса Киркуолл – Оркнейские острова, Шотландия 2014 Voyage Boxed , Библиотека, Леди Маргарет Холл, Оксфордский университет 2014 Семейные узы: переосмысление памяти , Галерея Пельца, Биркбек, Лондонский университет 2014 Микромегас: степени 10 , Центр искусств Пьера, Стромнесс, Оркнейские острова, Шотландия (показан Voyage Boxed) 2014 Невинные: Призрак на фестивале бесплатного кино в Камберуэлле , Церковь Св.
Джайлса, Лондон: показ фильма «Поворот винта» 2014 Переверни страницу , Fusion Gallery, The Forum, Norwich: Voyage Boxed и показ фильма «Февраль» 2014 Готово , FAB, Fringe Arts, Bath 2014 Искусство в коробке , Галерея One Church Street, Грейт-Миссенден, Бакингемшир 2014 Публичные и личные архивы: творческие переговоры , Зона творчества, Университет Сассекса, Брайтон 2014 Конференция Image-Movement-Story , Рохэмптонский университет, Лондон: показ фильма «В клетке» 2014 Sweet Thames Run Softly , Голова герцога, Патни и Мэйфлауэр, Ротерхит, Лондон: показ фильмов «Против», «Прогулки в городских тенях» и «Прогулки в тени в сельской местности» 2013 Путешествие: морские путешествия, прогулки по островам и трансокеанские концепции , Кюнстлерхаус, Дортмунд, Германия 2013 Liminal , Camberwell Space, Университет искусств, Лондон 2013 8 Studios From Here , Дептфорд X, Лондон 2012 Точка зрения: Diamonds in the Rough , West Gallery, Quay Arts, Newport, Isle of Wight 2012 Искусство в Ромни-Марш , церковь Святых Петра и Павла, Ньючерч, Кент 2012 Ликвидность , Кинотеатр Джилл Крейги, Университет Плимута: показ фильма «Февраль» в рамках конференции «Вода: Изображение».
2012 ПРИЗРАК IV: Присутствие и отсутствие: Пейзажи с привидениями , Сент-Джон на Бетнал-Грин, Лондон: показ фильма «Февраль» 2012 The Uncanny , Галерея часовни, Ормскирк, Ланкашир 2012 В готовом виде: личность и субъективность в книге художника , Stockwell Studios, Лондон 2011 Crop , Галерея Авеню, Школа искусств, Университет Нортгемптона 2011 Шорты прошлой пятницы , TAP (Проект временного искусства), Саутенд-он-Си, Великобритания: показ фильмов «Глубоководная волна» и «Ужасная дерзость капитуляции момента» (куратор Микаэла Фриман) 2011 Кто третий, кто всегда рядом с тобой? ,
Галерея Micro, The Firestation, Виндзор 2011 Photo Book Works , 23 Sandy Gallery, Портленд, Орегон, США 2010 Photo Book Works , Abecedarian Gallery, Денвер, Колорадо, США 2010 Кошмарная конференция , Институт английских исследований Лондонского университета: показ фильма «Поворот винта» и участие в панельной дискуссии с режиссером Сарой Майлз 2010 Place, Identity and Memory , Книжный магазин Reading Lasses, книжный фестиваль в Уигтауне, Дамфрис и Галлоуэй, Шотландия 2009 г.
Place, Identity and Memory , Музей Странрар, Дамфрис и Галлоуэй, Шотландия 2009 г. Place, Identity and Memory , Центр искусств Грейсфилд, Дамфрис и Галлоуэй, Шотландия 2009 г. Время и место кадрирования: повторы и возвраты в фотографии ,
Галерея Скотта, Плимутский университет 2008 г. Immersion , Исследовательская группа LOCATE, Scott Building, Плимутский университет (совместно с ежегодным симпозиумом «Ландшафт и красота» Исследовательского центра LAND/WATER) 2008 г. Что дальше? , Усадьба Питцжангер и галерея, Лондон 2008 г. Переезд ,
Исследовательская группа LOCATE, здание Роланда Левински, Плимутский университет 2008 г. Инферно ,
Дворец корабелов, Дептфорд, Лондон: премьерный показ 2008 г. Искусство исследования: рассказы об исследованиях , Банкетный зал, Колледж искусств и дизайна Челси (совместно с симпозиумом «Искусство исследований: рассказы об исследованиях») 2007 г.
Побеги , Галерея Viewpoint, Плимутский колледж искусств. 2007 г. Путешествие , Столичный университет Суонси, Уэльс 2007 г. Regard , Галерея Viewpoint, Художественный колледж Плимута 2006 г. Кинофестиваль Renderyard , Галерея искусств Escape, Лондон: показ фильма «Проходя сквозь» 2006 г. 4-я Международная книжная выставка художников , Музей короля Святого Стефана, Секешфехервар, Венгрия 2006 г. Uncurated , Faircharm Studios, Фестиваль «Сделано в Дептфорде», Лондон 2006 г. Уберите эти детские вещи , Галерея Viewpoint, Плимутский колледж искусств 2005 г. Выходные данные ,
Frame Zero, Лондон, Фотомесяц (Совместная выставка с Тессой Банни) 2005 г. Сделано на фестивале в Дептфорде ,
Кафе Крем, Лондон. Показ фильма «Выше земли/подземелья» 2005 г. Путешествие , Галерея Клиффорда Фишвика, Плимутский университет, (Эксетер) 2005 г.
Лес , Музей и художественная галерея Ноттингемского замка 2005 г. Лес , Галерея Ориэля Дэвиса, Ньютаун, Уэльс 2005 г. Лес , Художественная галерея Йорка 2004 г. Лес , Художественная галерея Вулверхэмптона 2004 г. Trace Editions , Hirschl Contemporary Art, Лондон 2004 г. Haunt , Шерборн Хаус, Дорсет 2003 г. Cross Currents , West Gallery, Quay Arts, остров Уайт 2003 г. Earthbound , Арки, Дорога разрешения, Дептфорд X, Лондон 2001 г. Shifting Horizons , Музей и художественная галерея Дерби 2001 г. Shifting Horizons , Школа искусств, Бурслем, Сток-он-Трент 2000 г. Shifting Horizons , Центр искусств Мидленда (MAC), Бирмингем 1999 г. К маяку , Западная галерея, Quay Arts, остров Уайт 1998 г. Garden Gallery , Галерея веревочного магазина, Quay Arts, остров Уайт 1997 г.
Похожие отличия , Музей Остгольштейна, Ойтин, Германия 1996 г. Похожие отличия , Лига прибрежных искусств, Халф Мун Бэй, Калифорния, США Комиссии 2017-2018 гг. Дом в движении: говорящие трансформации проект Создано художественное видео на основе английского перевода румынской версии польского стихотворения Рафала Гавина, кураторами которого выступили д-р Рикарда Видаль и д-р Мануэла Пертегелла
2012-2013 гг. Переосмыслите свой разум, ВеликобританияСудья конкурса искусств в области психического здоровья, организованного AdvanceUK, SISO и HowRU?
2006-2007 гг. Искусство и приключения, ЛондонСоздано экспериментальное видео для мультимедийной адаптации Dante’s Inferno. Продюсер Роджер Элсгуд, Режиссер Уильям Ричардс
2003 г. Trace Gallery, УэймутКнига художника “Путешествие домой” (35 экземпляров)
С 1997 года Миллениум Изображений ООО Фотографии, используемые для обложек книг и редакционных проектов.
Среди клиентов: Faber & Faber, Harper Collins, New Scientist, Oxford University Press, Random House, Routledge, Vintage и Virago
Фотографии, сделанные в ответ на выставку частного сада
1997 г. Театральная труппа Бато Ивр, ЛондонОператор-постановщик: предоставил визуальные эффекты для декораций и продвижения
Кураторские проекты октябрь-декабрь 2022 г. «Семейные и другие узы», Университет творческих искусств, Фарнхем Ведущий организатор и со-куратор групповой выставки, показа кинофильмов и исследовательского мероприятия, приуроченного к 10-летию Сети семейных уз. В нем представлены работы координаторов FTN Сьюз Адамс, Ники Берд, Жаклин Батлер, Рози Мартин, Кэролайн Моллой, Лиззи Тинн и Салли Уотерман, а также работы с открытого конкурса. Среди приглашенных докладчиков Маржолайн Райли, Сара Пусил и Шон Соберс. апрель 2016 г.
, февраль 2017 г. «Личные съемки», кинотеатр «Крупный план», Лондон и CCA, Глазго Со-куратор кинопрограммы, посвященной отцовским отношениям, с участием Дункана Коулза, Джилл Дэниэлс, Антеи Кеннеди, Терезы Мурман, Джона Смита, Алии Сайед и Салли. Уотерман. февраль 2016 г. «Я расскажу вам свою жизнь: воспоминания», фестиваль ViSiONA, Аудитория Совета Уэски, Испания Сети семейных связей июль 2014 г. «Семейные узы: переосмысление памяти», Галерея Пельц, Биркбек, Лондон: Ведущий куратор групповой выставки с участием Сьюз Адамс, Ники Берд, Жаклин Батлер, Рози Мартин, Лиззи Тинн и Салли Уотерман в рамках Сети семейных уз. июль 2014 г. «Семейные узы: переосмысление памяти» Кинотеатр Birkbeck, Лондонский университет: Куратор программы показа фильмов с участием Сьюз Адамс, Рози Мартин и Салли Уотерман ноябрь 2012 г. «По следам родины предков», Ричмондский американский международный университет, Лондон: Соорганизатор показа фильма «Причастие» (2012 г.
) Сьюз Адамс и «На границе» (2012 г.) Лиззи Тинн в рамках сети «Семейные узы». март 2012 г. «Семейные узы: воспоминание и представление», Сенатский дом, Лондонский университет: Организатор конференции и показа фильма совместно с Центром изучения культурной памяти Института германских и романских исследований. Среди основных докладчиков были Рози Мартин и профессор Марша Мескиммон (Университет Лафборо). Показ фильма «2001 – Семейная одиссея: версия Офелии» (2002) в сопровождении режиссера Сары Майлз в беседе с доктором Люси Рейнольдс. Публикации/Каталоги художников Книги Арнольд-де Симин, Силке и Леал, Джоанн (редакторы) (2018) «Изображая семью: СМИ, повествование, память», Лондон / Нью-Йорк: Bloombury (содействующая глава)
Хелф, Сисси и Михельс, Стефани (редакторы) (2018) «Глобальные фотографии: память – история – архивы», Билефельд: стенограмма (содействующая глава)
Пертегелла, Мануэла и Видаль, Рикарда (редакторы) (2019) «Дом в движении: два стихотворения отправляются в путешествие», Кардиган: Парфянские книги (с фильмом «Синкопация»)
Уэллс, Лиз, Ньютон, Кейт и Фехили, Кэтрин (редакторы) (2000) «Сдвиг горизонтов: женская пейзажная фотография сейчас», Лондон: И.
Б. Таврида. (Профильная тема проекта «Волны»)
Птица, Н.; Батлер, Дж.; Уотерман, С. 2017. «Сеть семейных уз», Экспозиция: Журнал Общества фотографического образования, весна 2017 г., Vol. 50:1, 42-48.
Уотерман, С. 2019. «Проект «Бесплодная земля»: разработка практических исследований посредством литературной адаптации», Журнал медиа-практики и образования, Vol. 20:2, 2019
Каталоги выставок«Искусство в коробке» (2014) Каталог выставки с текстом Джоанны Брайант, Грейт-Миссенден, Великобритания: Галерея One Church Street.
«Путешествие: морские путешествия, путешествия по островам и трансокеанские концепции» (2013 г.) Каталог выставки с эссе Нэнси Кэмпбелл, Ими Мауфе и Роны Рангш, Дортмунд, Германия: Kunstlerhaus Dortmund.
‘Photo Book Works’ (2010) Каталог выставки с текстом Алисии Бейли, Денвер, США: Галерея Абеседариан.
«Место, идентичность и память» (2009 г.) Каталог выставки с текстом Джулиана Уотсона, Дамфрис и Галлоуэй, Великобритания: Центр искусств Грейсфилд.
«Четвертая международная книжная выставка художников» (2006 г.) Каталог выставки с текстом Каталин Изингер и Базза Спектора, Секешфехервар, Венгрия: Музей короля Святого Стефана.
«Лес» (2004 г.) Каталог выставки с эссе Кэролайн Смоллвуд, Ивонн Эберроу и Роджера Келли, Вулверхэмптон, Великобритания: Художественная галерея Вулверхэмптона.
«Призрак» (2004 г.) Каталог выставки с введением Маев Кеннеди, Шербурн, Великобритания: Sherborne House.
Книги художников«Je Veux (Я хочу)» (2003) Париж: One Star Press. (700 изданий, 230 художников)
«Путешествие домой» (2003) Уэймут: Галерея следов. (35 изданий)
‘Voyage Boxed’ (2014) Künstlerhaus Dortmund, Германия (50 изданий, 18 художников)
Академический опыт 2021-настоящее время Старший преподаватель модной фотографии и фотографии : Университет творческих искусств, Рочестер. 2017-2020 Доцент бакалавра фотографии/бакалавра фотографии моды : Университет творческих искусств, Рочестер 2013-2021 Доцент по контекстуальным исследованиям : Университет Равенсборна, Лондон 2011-2012 гг.
Приглашенный научный сотрудник : Центр изучения культурной памяти, Институт германских и романских исследований, Лондонский университет 2008-2011 гг. Приглашенный художник для получения степени магистра фотографии : Университет Западного Лондона 2007-2008 гг. Доцент BA Media Arts : Университет Плимута 2005-2009 гг. Преподаватель киноискусства : Плимутский колледж искусств. 2002-2012 гг. Приглашенный художник и репетитор по программе MA Image & Communication : Колледж ювелиров, Лондонский университет 2001-2002 гг. Приглашенный художник : Начальная школа Роджера Эшама, Уолтемстоу, Лондон 1996-1998 гг. Ассистент по образованию : Национальная портретная галерея, Лондон (помощник на летних мастер-классах по фотографии) Резиденции художников ноябрь 2012 г. – май 2013 г. Доступ художников в художественные колледжи (AA2A) : Художественный колледж Уимблдона, Лондон Выступления художников и представленные доклады 13 июля 2022 г.
Artist Talk, MA Фотография/Fashion Photography Университет творческих искусств, Рочестер 15 июля 2021 г. Artist Talk, MA Фотография/Fashion Photography Университет творческих искусств, Рочестер 13 ноября 2019 г. Artist Talk, BA Фотография/Fashion Photography Университет творческих искусств, Рочестер 14 февраля 2019 г. Artist Talk, BA Photography/Fashion Photography, University for the Creative Arts, Rochester 23 октября 2018 г. Artist Talk, бакалавр фотографии, Университет Ковентри 6 октября 2018 г. Artist Talk, «Идеи близости», исследовательский семинар Family Ties Network, Лондонский университет Равенсборна 15 июня 2018 г. «Проект «Бесплодная земля»: разработка практических исследований посредством литературной адаптации», Contexts of Film Practice, MeCCSA и медиа-практика и ежегодный симпозиум сети образовательной практики, Университет Линкольна 7 мая 2018 г.
Разговор с Люси Ховарт, Выставка «В клетке», Liddicoat & Goldhill Project Space, The Printworks, Маргейт 10 апреля 2018 г. Artist Talk, бакалавр гуманитарных наук, Regent’s University, Лондон 13 февраля 2018 г. «Визуализация дома», Конференция по исследованиям, обучению и обучению, Равенсборн, Лондон 2 декабря 2017 г. Artist Talk, «Путешествие домой», исследовательский семинар Family Ties Network, Гринвичский университет, Лондон (совместно с выставкой «So Cheerio for Now», Галерея Стивена Лоуренса) 14 июля 2017 г. «Прошлое и настоящее: повторное фотографическое представление семейного дома посредством литературной адаптации», Конференция «Визуализация дома», Камбрийский университет. 9 сентября 2016 г. «Интерпретация пустошей: литературные фрагменты и бестелесное «я», (Dis)Connected Forms: конференция «рассказы о расколотом я», Университет Халла 27 января 2016 г.
Artist Talk, Плимутский колледж искусств, 3-й ежегодный симпозиум по визуальной культуре, клуб Seven Dials, Ковент-Гарден, Лондон 5 декабря 2014 г. Artist Talk, Family Matters, Исследовательский семинар Family Ties Network, Водораздел, Бристоль 10 июля 2014 г. «Литературные редакции семейного альбома: между воспоминанием и забвением», «Изображая семью: СМИ, повествование, конференция памяти», Биркбек, Лондонский университет 28 июня 2013 г. Artist Talk, исследовательский семинар Family Ties Network, Manchester Metropolitan University 17 мая 2013 г. «Постановочная проповедь: исполнение литературных повествований», Фотография и современное воображение, Исследовательский форум UAL, Лондонский колледж коммуникации. 13 ноября 2012 г. Artist Talk, BA Media Practice, University of Sussex 18 октября 2012 г. Artist Talk, бакалавр английской литературы, Университет Англии Раскин, Кембридж 29 июня 2012 г.
«Переосмысление семейного альбома посредством литературной адаптации» (приглашенный докладчик), симпозиум «Как история входит в фотографию», Франкфуртский университет им. Гете, Германия 27 октября 2012 г. Разговор с профессором Лиз Уэллс, Выставка «Бесплодная земля», Галерея Раскина, Университет Англии Раскин, Кембридж 18 июня 2012 г. Artist Talk, MA Image & Communication, Goldsmiths College, Лондонский университет 11 мая 2012 г. Artist Talk, BA Photography, Plymouth College of Art 10 мая 2012 г. «Поэтические странствия: визуальные интерпретации дома и места» (приглашенный докладчик), Дом и место: День изучения природы и ландшафта, Королевский мемориальный музей Альберта, Эксетер 4 июля 2011 г. Artist Talk, MA Image & Communication, Goldsmiths College, Лондонский университет 9 июня 2011 г. Artist Talk, MA Photography, University of West London 16 февраля 2011 г.
«Литературные трансформации: практика саморепрезентативного искусства», Центр изучения женщин и гендера, Уорикский университет. 22 июня 2010 г. Artist Talk, MA Photography, Thames Valley University, Лондон 29 апреля 2009 г. «Представление себя в метафорических ландшафтах пустоши», исследовательский семинар «ЗЕМЛЯ/ВОДА», Университет Плимута. 5 июля 2008 г. «Изучение концепций литературной интерпретации и саморепрезентации в художественной практике», 908:60 Конференция «Лицом к лицу: фотографический (авто)портрет», Институт германских и романских исследований, Лондонский университет. 8 мая 2008 г. Artist Talk, MA Photography, Thames Valley University, Лондон 30 апреля 2008 г. Artist Talk, выставка «The Waste Land: PhD Work-in-Progress», Plymouth College of Art 16 апреля 2008 г. «Маневренность и игра в шахматы», Семинар по исследованию СМИ, Факультет искусств, Плимутский университет 16 февраля 2008 г.
Artist Talk, выставка «Что будет дальше?», Pitzhanger Gallery and Manor, Лондон 18 декабря 2007 г. Artist Talk, выставка «Still-Moving», London Independent Photographers Group, фотогалерея с видоискателем 22 ноября 2007 г. Artist Talk, BA Photography, Plymouth College of Art 14 мая 2007 г. «Memento Mori: «Прошлое-настоящее» и «Гадание/пересказ», Исследовательский семинар, Плимутский колледж искусств 2 мая 2007 г. «Прогулки в тени и опыт нереального города», 908:60 Научно-исследовательский семинар, Школа английского языка, Плимутский университет 30 апреля 2007 г. Artist Talk, MA Image & Communication, Goldsmiths College, Лондонский университет 7 марта 2007 г. «PhD Work in Progress», Семинар по исследованию СМИ, Факультет искусств, Плимутский университет 9 октября 2006 г. «Исследовательское путешествие», BA Photomedia, Plymouth College of Art 12 июня 2006 г.
Artist Talk, MA Image & Communication, Goldsmiths College, Лондонский университет 15 февраля 2006 г. «Интерпретация «Бесплодной земли» Т. С. Элиота», Семинар по исследованию СМИ, факультет искусств, Плимутский университет 9 апреля 2005 г. Artist Talk, выставка «Making our Mark», Quay Arts, Ньюпорт, остров Уайт 1 декабря 2004 г. «Введение в исследовательский проект доктора философии», Семинар по исследованию СМИ, факультет искусств, Плимутский университет 1 марта 2004 г. Artist Talk, MA Image & Communication, Goldsmiths College, Лондонский университет 28 апреля 2003 г. Artist Talk, MA Image & Communication, Goldsmiths College, Лондонский университет 21 февраля 2003 г. Artist Talk, выставка Cross Currents, Quay Arts, Ньюпорт, остров Уайт 24 июня 2002 г. Artist Talk, MA Image & Communication Goldsmiths College, Лондонский университет 10 марта 2002 г.
Artist Talk, выставка «Скрытые внутри», Five Princelet Street Gallery, Лондон (часть программы фестиваля женской литературы «Spit-Lit» в Спиталфилдсе) Коллекции Эдинбургская школа искусств, Великобритания
Библиотека Джона М. Флаксмана, Школа искусств Чикагского института, США
Колледж Голдсмитс, Лондонский университет, Великобритания
Музей короля Святого Стефана, Секешфехервар, Венгрия
Кюнстлерхаус Дортмунд, Германия
Манчестерский столичный университет, Великобритания
Национальная художественная библиотека, Виктория и Альберт, Лондон, Великобритания
Библиотека Пенроуза, Денверский университет, США
Quay Arts, остров Уайт, Великобритания
Шотландская национальная галерея современного искусства, Эдинбург, Великобритания
Библиотека Тейт, Лондон, Великобритания
Университет творческих искусств, Фарнем, Великобритания
Университет Данди, Великобритания
Университет Глазго, Великобритания
Университет Нортгемптона, Великобритания
Университет Плимута, Великобритания
Университет Западной Англии, Бристоль, Великобритания
Йельский центр британского искусства, Нью-Йорк, США
Различные частные коллекции
Награды 2018 Малый исследовательский грант, Лондонский университет Равенсборна, Семинар сети семейных связей «Идеи близости» 2017 Малый исследовательский грант, Лондонский университет Равенсборна, участие в конференции «Визуализация дома», Камбрийский университет.
2012 Лекционный фонд Джона Коффина, Лондонский университет, конференция «Семейные узы: воспоминание и представление» 2004-2010 гг. Стипендия на получение докторской степени, Плимутский университет Членство С 2012 года Сеть семейных связей, Исследовательская группа С 2008 года Действительный член Академии Высшего Образования С 1996 года Millennium Images Ltd, Лондон 1996-2007 гг. Ирис: Международный центр женщин в фотографии, Университет Лафборо.Какое расстояние между стропилами крыши. Расстояние между стропилами для разных типов крыш. Особенности каркаса крыши под металлочерепицу.
- Примитивный способ расчета
- При выборе гофрокартона
- Черепица керамическая
- Как рассчитать шаг для металлочерепицы
- Покрытие ондулин и шифер
Расстояние между стропилами двускатной крыши — один из важнейших параметров при ее возведении. Именно это расстояние влияет на прочность каркаса и стропильной системы соответственно, и от него зависит прочность всей крыши.
Чтобы определить его правильно, необходимо произвести достаточно сложные расчеты. В этом случае настоятельно рекомендуется обратиться за их выполнением в архитектурную студию. Неправильные расчеты и, как следствие, неправильное расстояние между скатами могут привести к серьезным негативным последствиям, таким как деформация опор стропильной системы, деформация и нарушение целостности кровельного покрытия, обрушение кровли. Поэтому в процессе проектирования двускатной крыши крайне важно использовать максимально точные исходные данные, исходные значения следует брать строго в соответствии с конкретными условиями строительства, а расчет производить по методология указана ниже.
Расстояние между стропилами двускатной крыши является одним из важнейших параметров при ее строительстве.
Примитивный способ расчета
Обычно строители называют расстояние между стропилами своим шагом. Практически всегда стропила разводят максимум на 1 м (в основании), при этом минимально допустимый интервал между ними обычно находится в пределах 0,5 м.
Алгоритм расчета необходимого количества опор для возведения прочной кровли следующий:
- Сначала измеряется длина ската по карнизу крыши (фактически длина стены параллельно скату + расчетные выступы).
- Полученное при замере значение делится на выбранный интервал между «ногами» стропильной системы. Далее выбираем интервал, с которым будут разводиться «ножки». Например, 80 см. В этом случае знаменатель дроби будет равен 0,8.
- Последний этап: к полученному частному прибавляется единица, если полученное число не целое, то оно увеличивается до целого, всегда в сторону увеличения.
Такой простой расчет позволит определить количество стропил, а также расстояние между опорами. Важно помнить, что полученные значения будут определять количество опор только одного из двух скатов. Когда расчет закончен, продольный размер ската делится на предполагаемое количество стропильных опор. Результатом этого будет точное расстояние между опорами. Рассмотрим один пример: длина скатов двускатной крыши (не общая) равна 20 м.
Изначально выбран шаг 0,75 м. Делаем предварительный расчет: 20/0,75=26,7. Прибавляем к полученному значению 1, получаем 27,7. Далее округляем в большую сторону и в итоге имеем 28 шт. стропила. Именно столько «ног» будет иметь стропильная система одного ската. Далее определяем точное расстояние между ними: 20/28=0,72 м. С помощью этого простого приема можно определить минимальный интервал, на котором будут располагаться стропила. Однако важно также учитывать, какой кровельный материал выбирается.
Вернуться к содержанию
Если выбран гофрокартон
Профнастил хоть и легкий, но очень гибкий материал. Поэтому для него минимально допустимый шаг должен быть 0,5 м, а максимальный не должен превышать 0,9 м. При этом каркас стропильной системы должен выдерживать не только массу профлиста, но и обрешетки. Для профлиста обрешетку набивают из бруса или досок размером не менее 30х100, средний шаг установки обрешетки должен быть 0,5 м (зависит только от толщины листа). Доски обрешетки, идущие на карниз при набивке профнастила, должны быть толще основной обрешетки на 1,5-2 см.
Важно не забывать о необходимости проветривания конструкции.
Вернуться к содержанию
Керамическая плитка
Основная особенность этого материала в том, что керамическая плитка очень тяжелая. Это логично, ведь сырая глина – это обычная глина, имеющая большой удельный вес. Если сравнивать металлочерепицу и керамику, то по массе они отличаются более чем в 12 раз. Средневзвешенный показатель давления такого покрытия составляет 45-70 кг на квадратный метр обрешетки.
Керамическая плитка очень тяжелая, потому что глина-сырец – это обычная глина, имеющая большой удельный вес.
Каркас с опорами для такого материала должен быть изготовлен из идеально просушенного бруса, влажностью около 15%. Для монтажа следует использовать бруски примерно 50х150 мм (рекомендуется 60х180 мм). Шаг опор под керамическое покрытие будет в пределах 0,8-1,25 м. Угол наклона имеет большое влияние на это значение.
Например, если угол равен 15°, интервал минимальный – 0,8 м.
При уклоне около 45° – все 1,25 м. Для этого вида кровельного материала специалисты рассчитывают и длину стропил (при расчете интервала между опорами).
Итак, если длина максимальна для конкретной крыши, то значение шага должно быть минимальным. Короткие стропила требуют максимально возможного расстояния между ними. При этом передвигаться по крыше можно только при шаге стропил не более 0,8-0,9 м при уклоне 45°. Не стоит также забывать о необходимости вентиляции данной конструкции.
Для этого в утеплителе обычно предусмотрены отверстия, диаметр которых находится в пределах 9-12 мм. Процесс возведения стропильной системы под металлочерепицу аналогичен процессу возведения стропил под другие виды покрытия.
Важно помнить, что помимо тщательного расчета необходимого количества стропил, следует также рассчитать шаг для обрешетки.
Варьируется в зависимости от типа керамической плитки. Например, длина плитки керамической плитки составляет 0,4 м, при нахлесте шва 0,5-0,9 м.
В этом случае шаг обрешетки будет 0,31-0,35 м. Важно помнить, что для каждого ската необходимо производить отдельный расчет, так как построить стропильную конструкцию точно такую же (даже если она будет такой по проекту) невозможно: ошибки и неточности в сборке могут дать погрешность 0,2 м.
При строительстве дома важно, чтобы каркас крыши и ее конструкция крыши были надежными. Для этого нужно знать оптимальный размер зазора между стропилами. Как правильно провести расчеты стропильной системы двухскатной крыши с учетом различных кровельных материалов, расскажут наши специалисты в этой статье.
Как правильно рассчитать расстояние между стропилами (для двускатной крыши)
Расстояние под различные кровельные материалы
Специалисты советуют: определяя шаг между стропильными опорами, учитывайте кровельный материал, из которого будет создаваться двускатная крыша. Рассмотрим самые распространенные варианты кровли, подходящие для частных домов.
- Профнастил – для этого кровельного материала нужное нам расстояние до цифрового показателя от 60 до 90 сантиметров (при увеличении шага хотя бы до одного метра придется устанавливать дополнительные поперечные доски с большим сечением – 5 × 10 см).
В этом случае под профнастил необходимо будет установить обрешетку, которая даст возможность монтировать обязательные вертикальные составляющие – дымоход, вентиляционную систему. - Керамическая черепица – крыша из такого материала имеет довольно большой вес, поэтому нагрузка на стропильную систему будет выше, чем при покрытии крыши профнастилом. Соответственно, расстояние, которое мы ожидаем, будет другим: от 80 сантиметров до 1 метра 30 сантиметров. Но этот вариант также учитывает крутизну ската крыши (если угол наклона 15 градусов, то зазор будет минимальным – 80 см, при 75 градусах – 130 см). Металл
- – этот кровельный материал легче предыдущего и продается сразу в листовом виде, поэтому толщина составляющих стропильной системы уменьшена, а, следовательно, и расстояние между элементами в ней уменьшено. Для стропил сечением 15×5 сантиметров зазор следует выбирать от 60 сантиметров до 95 сантиметров. Такое расстояние позволит качественно утеплить чердачное помещение (для этого необходимо разместить утеплительный материал непосредственно между стропилами).
Монтаж Особенностью стропильной конструкции под металлочерепицу является то, что опоры устанавливаются поверх конькового прогона (обычно их монтируют на коньковую балку сбоку). Но в этом случае не стоит забывать о вентиляционных отверстиях возле верхней кровли. - Ондулин – этот материал называется «еврошифер», и он прекрасно подходит для кровли частных жилых домов. Для стропильной конструкции под ондулин применяют стропила из досок 5×20 сантиметров, что обеспечивает определенный запас прочности (учитываются и стропила). Расстояние между такими стропилами стандартное – от 60 до 90 сантиметров, а деревянный брус для обрешетки должен быть сечением 4×5 см, с межосевым расстоянием 60 см.
- Шифер – один из самых распространенных кровельных материалов в нашей стране; под нее следует подбирать стропила сечением 5×10/5×150 сантиметров. Расстояние между ними будет немного в меньшем диапазоне – 60-80 см. Обрешетка из деревянного бруса имеет свой зазор между элементами, который напрямую зависит от угла наклона ската крыши: при малом уклоне – от 45 см, при большем – от 60 см.

Таким образом, общие цифровые показатели для определения расстояния между стропилами (в зависимости от кровельного материала) будут колебаться в следующих пределах: минимум 60 см и максимум 130 см. Если вы сами не можете определиться с выбором такого цифрового индикатора, стоит обратиться за помощью к квалифицированным специалистам.
Возведение кровли является завершающим этапом любого строительства. Этот конструктивный элемент представляет собой несущую конструкцию, которая принимает на себя все нагрузки, а затем равномерно распределяет их по поверхности несущих стен дома.
Двускатная крыша
Двускатная крыша по праву считается самым распространенным вариантом обустройства загородного жилья. И этому есть логическое объяснение. Не секрет, что чем проще конструкция, тем проще ее возводить и тем выше ее надежность и производительность.
Двускатная крыша имеет треугольную форму и состоит из двух скатных плоскостей, соединенных в высшей точке коньковым прогоном, и такого же количества и формы фронтонов.
Размер между стропилами в этом случае составляет от 600 до 900 мм, а сечение пиломатериалов от 50 до 150 мм. Такой шаг между стропилами позволит создать максимально надежный несущий каркас крыши.
Однако в районах, характеризующихся малоснежными зимами, предпочтительно обустраивать расстояние между стропилами 200 мм, а для изготовления элементов конструкции использовать брус сечением от 50 до 200 мм.
Чтобы не монтировать специальную систему поддержания утепления, можно подогнать расстояние между стропилами под ширину теплоизоляционного материала.
Стропила под ондулин
Ондулин или должны укладываться на прочную, идеально ровную обрешетку, причем лучше, если она будет из любого листового материала, который позволит кровле выдерживать все нагрузки.
Обрешетка крепится к стропилам, которые располагаются на расстоянии от 600 до 1000 мм в зависимости от угла наклона скатов двускатной крыши.
Правильно подобранное расстояние между элементами стропильной системы гарантирует высокую степень прочности и долговечности всей конструкции до всего несущего каркаса.
Односкатная стропильная система пришла к нам из США и Европы. Пользующиеся им жители отмечали надежность и дешевизну, поэтому популярность этого вида распространилась очень быстро. Несмотря на то, что для возведения одного ската требовалось небольшое количество бруса, мало кто решался на такое строительство. Дело в том, что большинство застройщиков считали такую систему слишком простой для жилых домов, а другая часть просто не могла построить ее, чтобы доказать обратное. В этой статье я постараюсь объяснить вам, как легко и быстро создать такие системы и правильно выбрать скат стропил односкатной крыши.
Основа расчета
Несмотря на свою простоту, один пандус должен соответствовать всем правилам установки. Ведь при серьезных ошибках кровельное покрытие деформируется, что неизбежно приведет не только к протечкам, но и к обрушению всей кровли.
Для достижения максимальной устойчивости кровельной системы необходимо обратить внимание на четыре составляющие:
- Надежность крепления стропильных ног к опорному брусу и коньку;
- Правильный подбор вспомогательных деталей для стропильной системы;
- Прочные пиломатериалы и вспомогательные элементы;
- Ступень стропила.

Не думайте, что, следуя всего четырем пунктам, вы добьетесь максимально стабильной конструкции. Для этого вам придется использовать все известные методы и технологии.
Значения для расчетов
Без знания определенных показателей расчеты проводить нельзя, верно? Поэтому, прежде чем начать, нужно убедиться, что у вас есть четыре основных значения.
Помимо всех этих показателей, основной задачей любого проекта является расчет максимально допустимой нагрузки на крышу. В него входит довольно много значений и вот перечень элементов, масса которых особенно важна при расчете:
- Стропильные ноги
- Ящик
- Кровельный пирог
Если вы далеки от строительной сферы, то вам придется помнить, что расчет максимальной нагрузки на крышу состоит из двух частей. Первый учитывает все используемые материалы, а второй — снеговую нагрузку вашего региона.
Его значение написано в специальном справочнике, который вы без труда найдете в сети.
Но и на этом показатели не будут точными, потому что вы забыли о ветровой нагрузке и весе самого рабочего, который будет производить монтажные работы и последующее техническое обслуживание (ремонт, чистку).
При разработке проекта строительной организацией используют сложные формулы сопромата, так что если вы не хотите с этим заморачиваться, то можете воспользоваться рекомендациями опытных людей.
Как рассчитать необходимое расстояние между стропилами
Расстояние между стропилами односкатной крыши во многом зависит от предварительно рассчитанного максимально возможного шага. Для выявления этого значения необходимо иметь значение полной нагрузки, параметры крыши и данные о древесине стропил.
Оптимальный шаг стропильной ноги можно рассчитать по следующей методике:
- В первую очередь необходимо найти полную длину крыши. Это значение должно включать любые концы и выступы;
- Полученное значение разделить на максимально допустимое расстояние между стропилами;
- Ответ округляется.
Это число будет обозначать количество пролетов; - Далее берем значение длины крыши и делим его на пролеты. Так вы найдете лучший шаг;
- А чтобы найти количество стропильных ног нужно прибавить к пролетам единицу.
Это правило работает для подавляющего большинства крыш, но есть такие, которые нельзя рассчитать таким образом. Если у вас именно такой случай, то вам придется обзавестись дополнительным стропилом на один из концов.
Кровельная система в зависимости от кровли
Не секрет, что чем больше масса кровли, тем больше стропил нужно установить. Большинство производителей этого материала в инструкции к своему изделию указывают оптимальное количество стропил и их размеры.
Не доверяйте слепо этой инструкции только в том случае, если вы не проживаете в средней полосе России, потому что они написаны именно для этой территории. Перед разработкой чертежа необходимо внимательно изучить господствующие ветры и нарисовать своеобразную розу, которая будет ориентиром для будущего строительства.
Стоит отметить, что в регионах страны, где выпадает большое количество атмосферных осадков в виде снега, лучше всего создавать крутые крыши с уклоном ската 35-45 градусов. Это обеспечит быстрый естественный сбор снежного покрова с поверхности.
В большинстве случаев стропильная система частных домов создается из бревен, диаметр которых составляет от 12 до 22 сантиметров, бруса или досок толщиной от 40 до 100 и шириной от 150 до 220 миллиметров.
Стропильная система для профнастила
Профнастил является достаточно легким материалом и при этом обладает хорошими прочностными характеристиками. Поэтому в качестве стропильных ног можно использовать пиломатериал небольшого сечения, но с частым шагом: 0,6 – 1,2 метра. Уклон кровли должен быть от 12 до 45 градусов.
Необходимое сечение можно выбрать исходя из пролета между опорами. Если расстояние около 3 метров, то сечение можно взять 40х150 миллиметров, при 4 метрах это значение увеличивается до 50х180 миллиметров, а при 6 метрах необходимо использовать пиломатериал сечением 60х200 миллиметров.
Кстати, ящик в этом вопросе тоже играет немаловажную роль. В случае, когда шаг стропил имеет приличное значение, придется использовать более широкие доски. Например, для шага 0,6 метра понадобятся элементы сечением 25х100 миллиметров, а для 1,2 метра – 40х100.
Обрешетка для профнастила устраивается разрядным методом , а шаг ее элементов должен быть 50-80 сантиметров. Однако эти значения могут выходить за рамки самого кровельного покрытия. Вы также можете найти советы по расположению этих деталей в инструкции, прилагаемой к купленному материалу.
Кровельная система под керамическую черепицу
Керамическая черепица – уникальное кровельное покрытие. Он сделан из глины, что делает этот материал очень тяжелым. Проектируемые стропильные системы должны соответствовать следующим требованиям:
В кровельной сфере существует всего 3 разновидности обрешетки. Одну из них можно расположить под углом 12-60 градусов, а две другие под углом 20-45 градусов.
В качестве элементов обрешетки под глиняную черепицу часто можно увидеть брус сечением 50х50 миллиметров.
Стропила по металлу
Благодаря тому, что металлические листы имеют значительно меньшую толщину, вам не придется устраивать серьезную стропильную систему. Поэтому можно смело следовать советам и рекомендациям производителей кровельного материала.
Стоит сказать несколько слов о единственном нюансе, который позволит немного сэкономить пиломатериалы. Так, он заключается в том, что минимальный шаг обрешетки можно увеличить до 1 метра. Это связано с размерами листового материала. Когда металлочерепица тройная, то, как правило, она опирается на обрешетку лишь в нескольких местах, а при шаге стропил 0,6 метра невозможно создать «экономную» обрешетку, поэтому приходится ее менять вместе со стропильной системой.
Стропильная конструкция под ондулин
Сегодня ондулин уступил место более современным покрытиям, но, несмотря на это, застройщики, чьи крыши были уложены асбошифером, стали рассматривать этот материал как выгодную альтернативу.
Производится на основе битума и стекловолокна, имеет малый вес и высокое качество.
Стропильная система для ондулина должна соответствовать следующим параметрам:
- Уклон ската должен быть в пределах от 5 до 45 градусов;
- При небольшом уклоне шаг стропил должен быть минимальным: 0,6 метра, а при более крутой крыше это расстояние увеличивается до 0,9 метра;
- При плоской кровле допустим до 10 градусов необходимо устраивать сплошную обрешетку. Для этого лучше всего использовать влагостойкую фанеру, плиты ОСП или обрезную доску сечением 30х100 или брус 40х50 миллиметров.
Что касается сечения самих стропил, то оно выбирается по тем же правилам, что и для профнастила.
Стропильная система для волнистых асбестоцементных листов (шифер)
Удивительно, но всем известен кровельный материал под названием «шифер», ведь подавляющее большинство частных домов покрыто именно этим продуктом. Благодаря своей жесткости и составляющим этот материал имеет достаточно солидный вес, поэтому необходимо соблюдать рекомендации по монтажу стропильной системы, чтобы она не разрушилась еще до начала эксплуатации.
- Низкая герметичность готовой плоскости не позволяет использовать шифер при уклоне ската менее 22 градусов, это приведет к протечкам. Если вы не можете найти рекомендаций по монтажу асбестоцементных листов (что маловероятно), то вы всегда имеете право воспользоваться прилагаемой к ондулину инструкцией;
- Максимально возможный уклон стропил с шиферной крышей менее 60 градусов;
- Оптимальный шаг стропил лежит в пределах от 0,8 до 1,5 метра. Здесь все будет зависеть от нагрузки и сечения пиломатериала;
- Как правило, деревянная система под шифер требует несколько большего сечения стоек, чем при легкой кровле. Примером может служить ситуация, когда шаг стропил равен 1,2 метра. Для стропил придется взять брус сечением 75х150 или 100х200;
- Что касается обрешетки, то ее элементы также будут отличаться шагом стропильных ног. Если до 1,2 метра, то полностью пойдет брус 50х50 миллиметров, а с большим шагом – 60х60 миллиметров;
- Шаг балки обрешетки следует выбирать таким образом, чтобы один лист поддерживал 3 элемента.
Шифер должен выходить за края на 15 сантиметров с обеих сторон. Например, если рассматривать стандартные размеры асбестоцементного листа (175 сантиметров), то можно использовать шаг обрешетки 80 сантиметров.
Наверное, стоит напомнить, что асбест вредное вещество поэтому при работе с материалом, в котором содержатся его частицы, необходимо соблюдать технику безопасности. В котором указано, что работник должен иметь при себе средства индивидуальной защиты.
Стропильная система из одного и двух скатов
В последнее время все большую симпатию завоевывает скатная крыша. Оно и понятно, ведь материалы только дорожают, а так хочется сэкономить. Благодаря простой конструкции это можно сделать. Стропильная система одного ската достаточно примитивна. Для этого нужно просто надеть лучи на венец и закрепить. Разумеется, не стоит забывать и о теплоизоляционном материале.
Максимальный уклон односкатной крыши может быть 30 градусов, а пролет 6 метров (это правило распространяется на пиломатериалы).
Наиболее оптимальным уклоном считается 15-20 градусов. С этого ракурса ветровая нагрузка не причинит особого вреда, а вот снежный покров доставит некоторые неудобства. Решением этой проблемы может стать размещение вашей постройки «на ветру», что позволит ей естественным образом удалять снежную массу с крыши.
Альтернативой скатной крыше является двускатная крыша. Он представляет собой определенное количество прямоугольников, соединенных между собой при помощи мауэрлата и конька. Стоит отметить один интересный факт. Когда форма треугольника приближается к равнобедренной, его жесткость увеличивается. В связи с этим при уклоне крыши до 60 градусов можно позволить расширить шаг между стропилами.
Но не стоит заигрывать с расчетами, ведь это может привести к увеличению парусности и расхода пиломатериалов. Самый оптимальный уклон скатов для двускатной системы – 45 градусов.
Если вы решили построить крышу самостоятельно, то вам пригодятся некоторые советы, которые не только облегчат вам работу, но и увеличат срок эксплуатации вашей кровли в целом.
- Правильно рассчитать конструкцию – задача не из легких, но даже при правильном ее выполнении можно нарушить ее при неправильном креплении. Поэтому, монтируя стропильные ноги на место, подходите к работе со всей ответственностью. Для повышения квалификации можно почитать информацию в сети, либо пригласить знающего человека на сайт;
- Шаг стропильных ног никак не должен влиять на теплоизоляцию. Стоит помнить, что пластины способны незначительно изменяться в размерах. Воспользуйтесь этим и засуньте их как можно плотнее. В строительном магазине есть стандартные размеры плит утеплителя в 60, 80, 100 и 120 сантиметров;
- Для большинства крыш, уклон которых менее 45 градусов, необходимо включать в расчет вес рабочего. Что касается более острых крыш, то в этом нет необходимости, поэтому можно уменьшить шаг стропил на 20%;
- Воспользуйтесь преимуществами современных технологий и рассчитайте свою крышу с помощью онлайн-калькуляторов. Все, что вам нужно сделать, это ввести точные параметры;
- Нормативные документы по ветровым и снеговым нагрузкам можно найти в сети или у мастеров на стройке;
- Любая древесина, используемая в строительных целях, должна быть максимально высушена.
Это позволит избежать его деформации в будущем.
Крыша здания является одним из важнейших элементов всего здания. Если вы начнете экономить на кровельном пироге, то вскоре вам предстоит дорогостоящий ремонт, который коснется не только этого участка, но и всего здания. Поэтому, если вы хотите получить максимальный срок эксплуатации с комфортом, то не стоит использовать некачественные материалы.
Крыша является одним из основных элементов дома, поэтому следует уделить особое внимание правильному расчету каркаса крыши. Который будет служить скелетом в вашем доме. Неправильный расчет всех нагрузок может привести к плачевным результатам в виде деформации кровли с последующим ее обрушением.
Прежде чем приступить к монтажу кровельного покрытия, необходимо произвести расчет стропильной системы, который будет зависеть от используемого материала, конструкции, климатических условий.
На что следует обратить внимание перед расчетом
Перед началом строительства крыши необходимо выбрать тип стропильной системы.
Затем рассчитайте все нагрузки, которые будут на крышу. К основным нагрузкам относятся – вес каркаса, материал кровли, утеплителя, перекрытия, а также учитываются временные нагрузки, среди которых выделяются – вес снежного покрова, возможные порывы ветра, вес человека при монтаже и эксплуатации кровли.
Расстояние между стропилами рассчитывается исходя из выбранного типа стропил и материала, которым будет покрыта крыша.
Типы стропил
При устройстве крыш различной конструкции применяют висячие или наслонные стропила. Всплывающие – используются при устройстве односкатных или двускатных крыш. Они имеют две точки опоры – несущие стены или несущую стену и коньковую балку. Висячие стропила используют, когда необходимо перекрыть большие пролеты или создается ломаная крыша. В этом случае стропила опираются одним концом на стену, а вторым на встречное стропило. Качество материала, из которого изготовлен каркас, будет напрямую влиять на надежность всей крыши.
Материал для стропил
В настоящее время используется дерево и металл.
Деревянный брус или бревно применяют при строительстве жилых домов, гаражей и других построек. Железобетонные или металлические стропила используются при строительстве промышленных объектов, торговых центров, где необходимы широкие пролеты.
Метод расчета
Расстояние между стропилами называется шагом стропил. Она не должна превышать одного метра, а минимальное значение составляет 60 см. Перед расчетом необходимо измерить величину ската крыши. После этого полученное значение делится на примерный размер шага с медовыми стропилами. К результату добавляется единица и выполняется округление до ближайшего целого числа. Так мы узнаем количество стропил, которое нам нужно. Для того чтобы узнать точное расстояние между стропилами, для этого нам нужно длину скоса крыши разделить на количество стропильных ног.
Для большей наглядности рассмотрим пример расчета:
длина ската крыши – 28,5 м
шаг между стропилами выбран равным 80 см
прибавьте к полученному числу единицу: 35,625 + 1 = 36,625
в итоге нам нужно 37 стропил
точное значение шага стропил будет равно: 28,5/37=0,77 м
Это общая методика расчета, требующая корректировки в зависимости от кровельного материала.
Зависимость шага стропил от материала кровли
Наиболее распространенными кровельными материалами являются шифер, металлочерепица, профнастил, ондулин, мягкая кровля.
Стропильная конструкция крыши
Шифер широко применяется в качестве кровельного материала, благодаря своей дешевизне, устойчивости к перепадам температур. Из-за тяжести материала необходимо установить мощную стропильную систему. Расстояние между стропилами в этом случае будет зависеть от сечения бруса. Оптимальное значение – расстояние в 80 см, которое не только выдержит повышенный вес, но и значительные снеговые, ветровые нагрузки. В этом случае обрешетка делается из доски шириной не менее 3 см. В зависимости от вида шифера обрешетка сплошная для гладких листов или разреженная для волнистых листов.
Важно: плита должна иметь не менее трех точек опоры по краям и в центре.
Ступенька между стропилами для металлочерепицы
Все большее распространение среди кровельных материалов получает металлочерепица.
Который характеризуется простым процессом установки, а также поможет создать неповторимый облик вашего дома. Листы металлочерепицы легкие, что позволяет увеличить расстояние между стропилами с 600 до 950 мм, при сечении бруса 150х50 мм. Обрешетка в этом случае будет зависеть от шага волнового листа. Так для волны 350 мм возможно расстояние между досками 30-40 см.
Важно: на карнизных свесах скосы ребер, шаг обрешетки минимизирован для большей надежности кровли.
Ступенька под профнастил
Профнастил представляет собой оцинкованный лист стали, покрытый специальным покрытием, защищающим его от вредного воздействия окружающей среды. Широкий выбор цветов, ширины гофра позволит создать надежную и эстетически привлекательную крышу. Шаг стропил под профнастил будет напрямую зависеть от особенностей используемого типа профиля, угла наклона крыши, ее конфигурации. Также следует учитывать, что обрешетка под профлист крепится перпендикулярно. Стропильная система выполняется из досок сечением 50-75 мм или из доски толщиной 20-50 мм и шириной не более 15 см.
Обрешетка может быть сплошной с зазором между досками не более 10 мм, с нормальным шагом 20-40 см, и разреженной – расстояние между досками 50-75 см. Шаг стропил под профнастил рассчитывается по общей схеме и составляет 60-90 см.
Ступенька стропил крыши из ондулина
Ондулин волнистый лист, обладающий высокой прочностью и долговечностью. При такой кровле стропильная система выполняется из сосновых досок сечением 50х200 мм, с шагом 60-90 см. Сверху делается разреженная обрешетка 40х50 см.
Важно: если крыша имеет угол наклона более 50 градусов, то обрешетка должна быть сплошной.
Определение шага стропил для скатной крыши
Односкатная крыша проста и не требует особых навыков монтажа. Чаще всего его устанавливают на гаражи, бани, хозяйственные постройки. Каркас крыши состоит из брусьев, которые опираются на стены здания. Расстояние между стропилами односкатной крыши будет зависеть от длины стропил. Здесь следует грамотно подойти к выбору сечения бруса, так как чем больше расстояние, тем больше нагрузка на стропила.
Для правильного подбора уклона односкатной крыши используйте данные из таблицы:
Расстояние между стропилами для двускатной крыши
Двускатная крыша является наиболее распространенной не только из-за простоты устройства, но и из-за высокой надежности. Шаг стропил двухскатной крыши рассчитывается по общей схеме. Если скосы одинаковые с обеих сторон, то можно рассчитать одну деталь. Для этого определите угол наклона скоса, здесь следует учитывать материал, которым вы будете крыть крышу. Так при угле 45 градусов и более можно использовать все виды покрытий. Для шифера и черепицы минимальный угол наклона составляет 22 градуса, для профнастила и мягкой черепицы – 12 градусов, для металлочерепицы – 14 градусов, для ондулина – 6 градусов. Длину стропил для двускатной крыши рассчитывают по теореме Пифагора, в которой длина – это гипотенуза, а высота крыши и половина ее ширины – это ноги. Если пролеты более 6 метров, то стропильная система дополнительно укрепляется подкосами и рейками, которые не позволят стропильным ногам деформироваться под тяжестью кровельного материала.

Расчет балок, рам, ферм статически неопределимых и определимых

2. Наружный диаметр 357мм. Длина ремонтного участка 6м. Необходимо построить эпюры давлений…
..