Не удается найти страницу | Autodesk Knowledge Network
(* {{l10n_strings.REQUIRED_FIELD}})
{{l10n_strings.CREATE_NEW_COLLECTION}}*
{{l10n_strings.ADD_COLLECTION_DESCRIPTION}}
{{l10n_strings.COLLECTION_DESCRIPTION}} {{addToCollection.description.length}}/500 {{l10n_strings.TAGS}} {{$item}} {{l10n_strings.PRODUCTS}} {{l10n_strings.DRAG_TEXT}}{{l10n_strings.DRAG_TEXT_HELP}}
{{l10n_strings.
{{article.content_lang.display}}
{{l10n_strings.AUTHOR}}{{l10n_strings.AUTHOR_TOOLTIP_TEXT}}
Разрезы сложные ступенчатые – Энциклопедия по машиностроению XXL
РАЗРЕЗЫ СЛОЖНЫЕ СТУПЕНЧАТЫЕ [c.
137]Разрез сложный — ступенчатый
Допускается сложные ступенчатые разрезы располагать вне проекционной связи. [c.137]
Ступенчатые разрезы. Сложный разрез называют ступенчатым, если образующие его секущие плоскости параллельны между собой. [c.74]
После произведенного расчета заклепочный шов вычерчивается в двух изображениях главный вид, представляющий собой простой или сложный ступенчатый разрез, и вид сверху. [c.213]
На чертежах промышленных и гражданских зданий изображают разрезы продольные и поперечные как простые, так и сложные (ступенчатые и ломаные) (рис. 15.3, а).
Сложный разрез называют ступенчатым, если секущие плоскости параллельны (рис. 5.14), и ломаным, если секущие плоскости пересекаются под углом, большим 90° (рис, 5.15). Допускается применять сложные разрезы, подобные разрезу А—А на рис.
5.16, и ломаные — на рис. 5.17, когда направление проецирования не соответствует направлению поворота.
[c.116]
Сложные ступенчатые разрезы [c.66]
Сложные ступенчатые разрезы образуются параллельными секущими плоскостями (рис. 67).
В зависимости от числа секущих плоскостей разрезы делятся на простые — при одной секущей плоскости сложные — при нескольких секущих плоскостях (черт. 111, 112). Сложные разрезы называют ступенчатыми, если секущие плоскости параллельны (черт. 112), и ломаными, если секущие плоскости пересекаются (черт. 111). [c.44]
Разрез считается сложным при наличии двух и более плоскостей. Если эти плоскости параллельны, то разрез называется ступенчатым (рис. 2.6), Выполняется так, как будто сделан одной плоскостью без каких-либо линий в месте ступеньки (штриховка на фронтальной проекции без переходов). Секущие плоскости обозначены утолщенной разомкнутой линией сечения с буквами и стрелками и утолщенными штрихами в местах перегибов, где показывают конец одной и начало другой секущей плоскости (буквы у перегибов не ставят).
Сложные разрезы бывают ступенчатыми, если секущие плоскости параллельны (например, ступенчатый горизонтальный разрез Б—Б, черт. 15 ступенчатый фронтальный разрез А—А, черт. 16), и ломаными, если секущие плоскости пересекаются (например, разрезы А—А, черт. 8 и 15). [c.39]
Что такое сложный разрез 2. Какие разрезы называются ступенчатыми ломаными
Сложные разрезы бывают ступенчатые, если секущие плоскости параллельны (черт. 160), и ломаные, если секущие плоскости пересекаются (черт. 161). [c.67]
Сложные разрезы называются ступенчатыми, если секущие плоскости параллельны (разрез А—А, рис. 129 разрез Б—Б, рис. 128), и ломаными, если секущие плоскости пересекаются (например, разрез А—А, рис. 128). [c.86]
Сложный разрез называют ступенчатым, если секущие плоскости параллельны (рис.
15 и 16) ломаным, если секущие плоскости пересекаются (рис. 17).
[c.25]
Сложные разрезы бывают ступенчатыми, если секущие плоскости параллельны (например, ступенчатый горизонтальный разрез Б—Б на рис. IV.12 ступенчатый фронтальный разрез А —А на рис. IV. 13), и ломаными, если секущие [c.165]
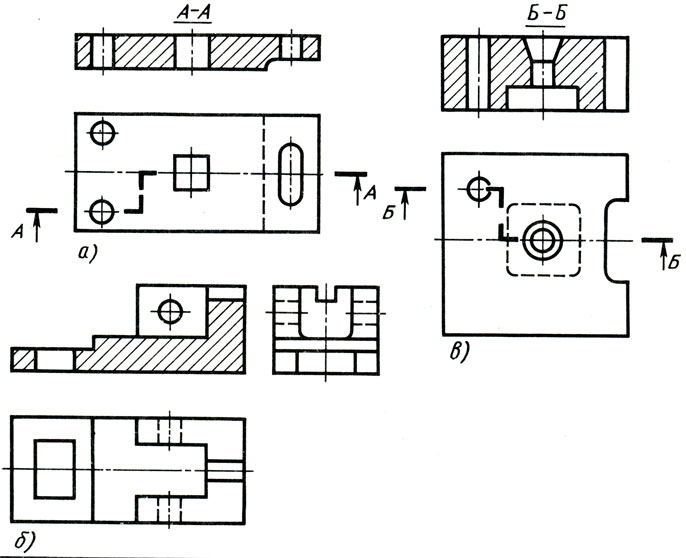
Построение сложных разрезов. На рис. 189 показан сложный ступенчатый разрез. Вдоль плиты кондуктора мысленно направлены три секущие плоскости, расположенные параллельно одна другой (рис. 189, б). Первая секущая плоскость выявляет форму цилиндрических сквозных отверстий, вторая — прямоугольного отверстия и третья — прорези. Таким образом, выявляется внутренняя форма детали. Все три секущие плоскости совмещаются в плоскости чертежа, образуя сложный ступенчатый разрез (см. рис. 189, а).
Сложные разрезы бывают ступенчатыми, если секущие плоскости параллельны между собой, и ломаными, если секущие плоскости взаимно пересекаются.
[c.186]
При выполнении сложных ступенчатых разрезов изображения, полученные посредством отдельных секущих плоскостей, совмещают с плоскостью чертежа без указания границ каждой из этих плоскостей. Поэтому на рис. 196, б изображения на разрезе, полученные во всех трех параллельных секущих плоскостях, совмещены в одну плоскость. [c.188]
Каковы особенности выполнения сложного ступенчатого разреза
При обозначении сложного ступенчатого разреза положение секущих плоскостей указывают штрихами, принадлежащими линии сечения, со стрелками, проставленными у крайних штрихов. Наличие изломов в линии сечения не отражается на графическом оформлении сложного разреза — он оформляется как простой разрез. Над разрезом наносят надпись, содержащую обозначение секущих плоскостей, с помощью которых получен разрез. Пример изображения и обозначения ступенчатого разреза показан на рис. 24, 32. Рис. 25 дает представление об изображении сложного ломаного разреза, полученного двумя пересекающимися профиль-но-проецирующими плоскостями.
Сложные разрезы называются ступенчатыми, когда секущие плоскости параллельны (фиг. 196, разрез А—А и фиг. 197, разрез [c.149]
Сложные разрезы называются ступенчатыми, если секущие плоскости параллельны (разрез Б—Б, фиг. 39), и ломаными, если секущие плоскости пересекаются. [c.25]
В разрезе показывают высоту как всего здания, так и его отдельных помещений конструкцию и размеры фундаментов, лестниц, стропил высоту оконных и дверных проемов. В строительных чертежах применяются простые, сложные, ступенчатые, продольные и поперечные разрезы. При выполнении продольного разреза секущая плоскость располагается параллельно коньку крыши или наибольшему размеру здания при выполнении поперечного разреза она перпендикулярна им.
Сложные разрезы называются ступенчатыми, если секущие плоскости параллельны, и ломаными, если секущие плоскости пересекаются. Разрезы называются продольными, если секущие плоскости направлены вдоль длины или высоты предмета, и поперечными, если секущие плоскости направлены перпендикулярно к длине или высоте предмета.
[c.76]
Сложные разрезы называются ступенчатыми, если секущие плоскости параллельны (например, ступенчатый горизонтальный разрез Б—Б, рис. 12 ступенчатый фронтальный разрез А—А, рис. 13) и ломаными, если секущие плоскости пересекаются (например, разрезы А—Л, рис. 11 и 12).
Разрезы, образуемые одной секущей плоскостью, называются простыми, а двумя или более — сложными. Сложные разрезы называются ступенчатыми, если секущие плоскости взаимно параллельны, и ломаными, если секущие плоскости пересекаются. Пример ступенчатого разреза приведен на рис. 185. [c.138]
Сложный разрез (по ЛОЬ) и сложный ступенчатый разрез (но ГГ). Штрих-пунктирной линией показана часть детали, расположенная перел секущей плоскостью. [c.912]
| Рисунок 12.10- Сложный ступенчатый разрез |
образованными одной секущей плоскостью в соответствии с рисунком 12.8, и сложными, образованными несколькими секущими плоскостями. Сложные разрезы бывают ступенчатыми, если секущие плоскости параллельны в соответствии с рисунком 12.10 (разрез А-А), и ломаными, если секущие плоскости пересекаются в соответствии с рисунком 12.11 (разрез А-А). При ломаном разрезе секущие плоскости условно повертываются до совмещения в одну плоскость.
[c.37]Сложные разрезы называют ступенчатыми, если секущие плоскости параллельны (например, ступенчатый горизонтальный разрез Б — Б, рис. 3.13 ступенчатый фронтальный разрез А —А, рис. 3.14), [c.44]
Сложные разрезы бывают ступенчатыми, если секущие плоско- [c.215]
На строительных чертежах часто применяют сложные, ступенчатые разрезы. Над разрезом римскими цифрами через тире наносят его обозначение по типу I — I. Чтобы определить, где проходила секущая плоскость, нужно найти разом-
[c.
258]
Сложные разрезы бывают ступенчатыми, если секущие плоскости параллельны (например, разрез Б—Б, см. рис. 54, б), и ломаными, если секущие плоскости пересекаются (например, разрез А—А, см. рис. 54, а). [c.78]
Сложные разрезы. Если при изображении детали простыми разрезами не удается выявить ее внутреннее устройство, используют сложные разрезы с применением нескольких секущих плоскостей. Если секущие плоскости параллельны, то сложный разрез называется ступенчатым (рис. 73), а если секущие плоскости пересекаются, то — ломаным (рис. 74). Как и в простых разрезах, положение секущей плоскости указывают на чертеже разомкнутой линией. При сложном разрезе штрихи проводят также у перегибов линии сечения. [c.53]
Рассмотрим операции, позволяющие свести построение различных изображений к минимальной совокупности процедур. Согласно ЕСКД в зависимости от положения и числа секущих плоскостей разрезы разделяют на горизонтальные, вертикальные, наклонные, простые, сложные, ступенчатые, продольные.
Кроме того, в разрезах допускают сечения цилиндрической поверхностью. Разрез является комбинацией сечения и проекции. Нетрудно видеть, что все разновидности сечений можно получить с помощью процедур, реализующих следующие операции
[c.87]
В зависимости от расположения секущих плоскостей сложные разрезы подразделяют на ступенчатые и ломаные разрез называют ступенчатым, еслч секущие плоскости параллельны друг другу (рис. 15 и 16) ломаным, если секущие плоскости пересекаются (рис. 17). [c.26]
Сложные разрезы называются ступенчатыми, если секущие плоскости параллельны (например, ступенчатый фронтальный разрез Л—Л на фиг. 144), и ломаными, если секущие плоскости цересекаются (например, разрез Л—Л на фиг. 140 и разрез Б—Б на фиг. 142). [c.71]
На первом листе конструкторской документации помещают главный вид —чертеж совмещенной топологии (рис. 8.51), изображающий подложку (кристалл) с координатной сеткой, со всеми нанесенными на нее слоями пленочных элементов и электрическими связями.
Излагаются технические требования, приводятся типовая структура, обозначения и таблица характеристик слоев. Шаг координатной сетки выбирают из ряда, мм 0,001 0,005 0,01 0,025 0,05 0,1 0,2. На чертеже совмещенной топологии также размещают фшуры совмещения, структура которых показана на рис. 8.52, и сложный ступенчатый разрез через различные элементы и компоненты микросхем. Положение секущей плоскости при этом не обозначается. Масштаб толщины слоев допускается не вьщерживать. Основные данные слоев указывают в таблице на поле чертежа (см. рис. 8.51). Схема построения границ 200
[c.200]
Чертежи разрезов зданий • СПЛАЙН
Разрезом называют изображение здания, мысленно рассеченного плоскостью. На разрезе изображают то, что попало в секущую плоскость и часть здания, расположенную за ней.
В зависимости от положения секущей плоскости разрезы могут быть продольными или поперечными. Разрез, сделанный несколькими параллельными плоскостями, называется ступенчатым.
Положение секущей плоскости или плоскостей отмечают на плане этажей разомкнутыми линиями со стрелками и обозначают двумя арабскими цифрами через тире, например «1 — 1». Секущие плоскости обычно располагают так, чтобы в разрез попали оконные и дверные проемы, а также наиболее сложные в конструктивном отношении части здания: лестничные клетки, шахты подъемников, галереи, световые и аэрационные фонари, внутренние стены, части подземных сооружений, влияющие на решение несущих и ограждающих конструкций здания.
Разрезы делают для того, чтобы показать внутренний вид (интерьер) помещений или выявить конструкции здания. В первом случае разрез называется архитектурным, во втором— конструктивным. Конструктивные разрезы используют также для изображения внутренних стен с проемами, каналами или другими конструкциями, требующими показа. Такие чертежи носят название «Развертки стен». В зависимости от назначения, размеров и конструктивных особенностей здания разрезы выполняют в масшабах 1:50; 1:100 или 1 :200.
При вычерчивании разрезов в таких масштабах обычно не представляется возможным подробно показать конструкции здания, поэтому попавшие в разрез конструкции здания полностью не вычерчивают, а показывают только их контуры. Например, показывая междуэтажное перекрытие, ограничивают его двумя линиями: на уровне пола и на уровне потолка нижнего помещения.
При необходимости отдельные участки разрезов изображают в более крупном масштабе на чертежах элементов разрезов или конструктивных деталей: на основном чертеже разреза при этом делают ссылку на элемент или конструктивную деталь. Конструктивные детали разрезов помещают на том же листе, где и разрез (см. рис. 40), или выносят в отдельную часть проекта (детали — марка Д или типовые детали — марка ТД).
На разрезах зданий неиндустриального изготовления (выполненных из штучных материалов: камня, дерева и т. п.), чтобы указать, из каких элементов (слоев) состоит та или иная конструкция и каковы размеры ее элементов (толщина слоев), делают выноски в виде «этажерок».
Надписи при этом пишут в порядке расположения элементов (слоев) конструкции.
На разрезах панельных и крупноблочных зданий обычно выносными надписями обозначают только конструкции элементов неиндустриального изготовления, например устройство отмостки у входа в здание, а устройство конструкций из элементов индустриального изготовления: междуэтажного, цокольного и чердачного перекрытии, крыши, лестницы — детально на чертеже разреза не обозначают, указывают только марки конструктивных элементов и дают ссылки на чертежи конструктивных деталей.
Выполнение чертежей разрезов здания
Выполнение чертежей разрезов здания начинают с нанесения разбивочных осей, затем намечают контуры стен и перекрытий. При этом следует руководствоваться правилами привязки стен и колонн к разбивочным осям зданий, изложенными в § 8. Видимые контуры на разрезах зданий принято обводить линиями неодинаковой толщины. Контуры основных несущих конструкций здания (стен, прогонов, подкрановых балок), расположенные в секущей плоскости, выделяют более толстой линией толщиной B 0,8—1 Мм.
Попавшие в разрез контуры перекрытий, лестничных маршей, площадок, стропил, полов и т. п. обводят линиями толщиной B/2. Контуры, показанные на разрезе и расположенные за секущей плоскостью, обводят линиями толщиной B/З—B/4.
На разрезах производственных зданий рекомендуется изображать не все элементы, расположенные за секущей плоскостью, а находящиеся в непосредственной близости от нее (колонны, столбы, пилястры, несущие элементы перекрытий и покрытий, откосы проемов, контуры кранов и т. п.).
Конструктивные элементы здания, выполненные из материала, который для этого здания является основным, и расположенные в секущей плоскости на разрезах, не штрихуют, а выделяют при обводке более толстой линией.
Так, на разрезе 3—3 Здания клуба (см. рис. 41) основным материалом являются деревянные брусья, поэтому они на разрезе не заштрихованы. Штриховкой выделена кирпичная кладка пристройки, в которой расположена кинопроекционная. Несущие элементы каркаса производственного здания (прогоны, подкрановые, фундаментные, обвязочные балки, балки перемычек и т.
п.) в разрезе рекомендуется заштриховывать или зачернять.
На чертежах разрезов проставляют размеры между разбивочными осями (оси маркируют в соответствии с планом здания), а также высоту помещений в свету, толщину перекрытий, высоту оконных и дверных проемов. На разрезах также показывают отметки в метрах конструктивных элементов и архитектурных деталей (уровня земли, чистого пола этажей, оконных проемов, карниза и конька крыши и т. п.).
В производственных зданиях, кроме того, указывают отметки верха колонн, являющихся опорой несущих конструкций, головок подкрановых рельсов, площадок и т. п.
При выполнении проектного задания разрезы вычерчивают обычно в том же масштабе, что и фасады. Размеры проставляют между осями стен, показывают размеры внутренних помещений и наиболее характерные отметки (подошвы фундаменте, земли, пола, этажей, конька крыши и т. п.).
На архитектурных разрезах показывают внутренний вид помещений: отделку стен, профили карнизов, архитектурные детали и т.
п.
Конструкции частей здания на архитектурных разрезах не показывают, только обводят тонкими сплошными линиями контуры конструкций. Не ставят обычно на архитектурных разрезах и размеры, но под разрезом помещают линейный масштаб чертежа и показывают отметки элементов здания, связанных с внутренней отделкой помещений. Архитектурные разрезы чаще всего выполняют в красках.
План урока черчения на тему «Сложные разрезы» — Информио
Тема: Сложные разрезы
Цели: формировать знания учащихся об образовании, видах, изображении и обозначении сложных разрезов; способствовать формированию умений читать и выполнять чертежи со сложными разрезами; развивать пространственные представления и воображение; воспитывать графическую культуру.
Тип урока: урок изучения нового материала
Методы проведения: решение ситуаций проблемного характера, беседа, показ,
фронтальные и индивидуальные устные и графические упражнения
Оборудование, принадлежности: слайды «Сложные разрезы», мультимедиапроектор,
экран, компьютеры, модели деталей, индивидуальные карточки
Используемая литература:
- Василенко, Е.
А. Уроки черчения в 8 классе/Е.А. Василенко.
– Минск, 1975 - Вышнепольский, И.С. Техническое черчение с элементами программированного обучения/И.С. Вышнепольский . – М., 1988
- Ройтман, И.С. Методика преподавания черчения. И.С. Ройтман. –М., 2000
- Титов, С.В. Черчение: поурочные планы, 9 класс/С.В. Титов. –Волгоград, 2004
ХОД УРОКА:
1. Организационная часть
а) приветствие
Вот звонок звенит с утра,
Черчение начинать пора.
Парты ждут уже детей,
Рассаживайтесь поскорей!
б) проверка отсутствующих
в) проверка инструментов, готовности к уроку
г) сообщение плана занятия
д) психологический настрой учащихся на сознательную, плотную работу
2. Решение задачи проблемного характера
Демонстрация модели детали.
Вопросы к студентам:
– как выявить внутренний контур детали? (с помощью разреза)
– что такое разрез?
– какие разрезы вам уже знакомы?
– как провести в данной детали секущую плоскость, чтобы выявить весь внутренний контур? (показ студентами)
Подвести студентов к
самостоятельному выводу о том, что для выявления формы этой детали необходимо несколько секущих плоскостей,
получился новый вид разреза – сложный.
Вывод. Переход.
3. Формирование графических знаний и умений
а) сообщение темы, плана изучения темы, формулировка целей учащимися
б) формулировка учащимися определения «сложный разрез»
в) пользуясь слайдами и моделями, студенты самостоятельно классифицируют сложные разрезы, выводят правила их изображения и обозначения
Вывод.
4. Закрепление изученного материала
а) устный фронтальный опрос:
– какие разрезы называют сложными?
– в каких случаях применяются сложные разрезы?
– какой разрез называется ступенчатым? ломаным?
– в чем состоит особенность построения ломаного разреза?
– чем отличается обозначение сложных разрезов от простых?
Вывод.
б) фронтальное устное решение графических задач
№ 1. На рисунке (слайде) даны простые и сложные разрезы. Определите названия разрезов.
№ 2. Определите, в каких примерах целесообразно применить ступенчатый разрез?
№ 3.
Определите, в каких примерах целесообразно применить ломаный разрез?
№ 4.На рисунке только в одном случае разрез обозначен правильно. На каком чертеже ступенчатый разрез правильно изображен и обозначен. Исправьте ошибки остальных чертежей.
№ 5. На рисунке только в одном случае разрез обозначен правильно. На каком чертеже ломаный разрез правильно изображен и обозначен. Исправьте ошибки остальных чертежей.
в) фронтальное решение графических задач у доски (несколько студентов)
Задание: выполнить и обозначить ступенчатый и ломаный разрез
г) индивидуальные графические упражнения
1 группа: по карточкам-заданиям (по вариантам)
2 группа: с использованием графического редактора на компьютере
Задание: выполнить и обозначить ступенчатый и ломаный разрезы
Вариант 1.
Вариант 2.
д) проверка и оценка графических упражнений
5.
Домашнее задание:
а) составить тест закрытого типа по сложным разрезам (количество вопросов 6-8),
б) по наглядному изображению детали выполнить ее чертеж в необходимом количестве изображений с применением сложного разреза (без простановки размеров)
в) подготовить формат А4 к графической работе
6. Заключительная часть
Составить пятистишие, раскрывающее то, что происходило на уроке: существительное, два прилагательных, три глагола, образное сравнение, мое отношение к изученному.
РАБОЧИЙ ЛИСТ СТУДЕНТА = «Сложные разрезы»
(раздается студентам)
№ 1. На рисунке даны простые и сложные разрезы. Определите названия разрезов.
№ 2. Определите, в каких примерах целесообразно применить ступенчатый разрез?
№ 3. Определите, в каких примерах целесообразно применить ломаный разрез?
№ 4.
На рисунке только в одном случае разрез обозначен правильно. На каком чертеже
ступенчатый разрез правильно изображен и обозначен. Исправьте ошибки остальных
чертежей.
А | Б |
В | Г |
№ 5.На рисунке только в одном случае разрез обозначен правильно. На каком чертеже ломаный разрез правильно изображен и обозначен. Исправьте ошибки остальных чертежей.
ДОМАШНЕЕ ЗАДАНИЕ:
а) составить тест закрытого типа по сложным разрезам (количество вопросов 6-8),
б) по наглядному изображению детали выполнить ее чертеж в необходимом количестве изображений с применением сложного разреза (без простановки размеров)
в) подготовить формат А4 к графической работе
ГРАФИЧЕСКИЕ УПРАЖНЕНИЯ
Фио студента ___________________
1 вариант
Задание 1: выполнить и обозначить ступенчатый разрез
Задание 2: выполнить и обозначить ломаный разрез
ГРАФИЧЕСКИЕ УПРАЖНЕНИЯ
Фио студента ___________________
2 вариант
Задание 1: выполнить и обозначить ступенчатый разрез
Задание 2: выполнить и обозначить ломаный разрез
%d1%81%d1%82%d1%83%d0%bf%d0%b5%d0%bd%d1%87%d0%b0%d1%82%d1%8b%d0%b9%20%d1%80%d0%b0%d0%b7%d1%80%d0%b5%d0%b7 — с русского на все языки
Все языкиРусскийАнглийскийИспанский────────Айнский языкАканАлбанскийАлтайскийАрабскийАрагонскийАрмянскийАрумынскийАстурийскийАфрикаансБагобоБаскскийБашкирскийБелорусскийБолгарскийБурятскийВаллийскийВарайскийВенгерскийВепсскийВерхнелужицкийВьетнамскийГаитянскийГреческийГрузинскийГуараниГэльскийДатскийДолганскийДревнерусский языкИвритИдишИнгушскийИндонезийскийИнупиакИрландскийИсландскийИтальянскийЙорубаКазахскийКарачаевскийКаталанскийКвеньяКечуаКиргизскийКитайскийКлингонскийКомиКомиКорейскийКриКрымскотатарскийКумыкскийКурдскийКхмерскийЛатинскийЛатышскийЛингалаЛитовскийЛюксембургскийМайяМакедонскийМалайскийМаньчжурскийМаориМарийскийМикенскийМокшанскийМонгольскийНауатльНемецкийНидерландскийНогайскийНорвежскийОрокскийОсетинскийОсманскийПалиПапьяментоПенджабскийПерсидскийПольскийПортугальскийРумынский, МолдавскийСанскритСеверносаамскийСербскийСефардскийСилезскийСловацкийСловенскийСуахилиТагальскийТаджикскийТайскийТатарскийТвиТибетскийТофаларскийТувинскийТурецкийТуркменскийУдмуртскийУзбекскийУйгурскийУкраинскийУрдуУрумскийФарерскийФинскийФранцузскийХиндиХорватскийЦерковнославянский (Старославянский)ЧеркесскийЧерокиЧеченскийЧешскийЧувашскийШайенскогоШведскийШорскийШумерскийЭвенкийскийЭльзасскийЭрзянскийЭсперантоЭстонскийЮпийскийЯкутскийЯпонский
Все языкиРусскийАнглийскийИспанский────────АлтайскийАрабскийАрмянскийБаскскийБашкирскийБелорусскийВенгерскийВепсскийВодскийГреческийДатскийИвритИдишИжорскийИнгушскийИндонезийскийИсландскийИтальянскийКазахскийКарачаевскийКитайскийКорейскийКрымскотатарскийКумыкскийЛатинскийЛатышскийЛитовскийМарийскийМокшанскийМонгольскийНемецкийНидерландскийНорвежскийОсетинскийПерсидскийПольскийПортугальскийСловацкийСловенскийСуахилиТаджикскийТайскийТатарскийТурецкийТуркменскийУдмуртскийУзбекскийУйгурскийУкраинскийУрумскийФинскийФранцузскийЦерковнославянский (Старославянский)ЧеченскийЧешскийЧувашскийШведскийШорскийЭвенкийскийЭрзянскийЭсперантоЭстонскийЯкутскийЯпонский
Мы не можем найти эту страницу
(* {{l10n_strings.
REQUIRED_FIELD}})
{{l10n_strings.CREATE_NEW_COLLECTION}} *
{{l10n_strings.ADD_COLLECTION_DESCRIPTION}}
{{l10n_strings.COLLECTION_DESCRIPTION}} {{addToCollection.description.length}} / 500 {{l10n_strings.TAGS}} {{$ item}} {{l10n_strings.PRODUCTS}} {{l10n_strings.DRAG_TEXT}}{{l10n_strings.DRAG_TEXT_HELP}}
{{l10n_strings.
ЯЗЫК}}
{{$ select.selected.display}}{{article.content_lang.display}}
{{l10n_strings.AUTHOR}}{{l10n_strings.AUTHOR_TOOLTIP_TEXT}}
{{$ select.selected.display}} {{l10n_strings.CREATE_AND_ADD_TO_COLLECTION_MODAL_BUTTON}} {{l10n_strings.CREATE_A_COLLECTION_ERROR}}Создание видов сечения со смещением в чертежах SOLIDWORKS
Виды сечения со смещением на чертежах SOLIDWORKS позволяют пользователю создавать эффективные информативные сечения модели.
То, что иногда может потребовать двух или даже трех линейных разрезов, иногда может быть выполнено в одном виде смещения сечения. В этой статье обсуждаются различные способы создания этих мощных видов чертежа в SOLIDWORKS .
Начнем с вида сверху и изометрической проекции детали, монтажного приспособления.
Мы хотим использовать виды сечений, чтобы показать детали обработанных элементов детали. Поскольку центр отверстия и прорезь кармана не копланарны, нам пришлось бы использовать несколько стандартных секций для детализации обеих этих функций.Мы будем использовать смещение сечения, чтобы избежать необходимости в нескольких видах сечения.
Существует несколько способов создания видов смещения со смещением на чертеже SOLIDWORKS . Вы можете использовать функцию смещения, встроенную в команду «Вид сечения», или создать эскиз, который включает смещение для использования в качестве линии разреза. Вы также можете редактировать существующую прямую линию отреза.
Давайте сначала рассмотрим использование автоматизированных функций.
Чтобы создать смещение сечения с помощью встроенного инструмента, просто запустите команду вида сечения и разместите начальную линию разреза.
Как только мы щелкаем мышью, чтобы опустить линию разреза, появляется панель быстрого доступа с вопросом, хотим ли мы изменить линию разреза.
Выбор «Single Offset» позволяет нам добавить изгиб к линии сечения. Щелкните один раз на линии, чтобы установить начальную точку для изгиба…
… и щелкните еще раз, чтобы начать смещение. Обязательно наведите указатель мыши на сторону точки изгиба, которую вы хотите сместить, и щелкните еще раз, чтобы разместить линию смещения.
Щелкните галочку, когда снова появится контекстное меню линии резки, и теперь вы можете разместить вид сечения со смещением!
Вы также можете нарисовать серию линий для использования в качестве линии разреза в разрезе, чтобы создать вид смещения в разрезе.
Давайте посмотрим, как создать вид сечения со смещением по заранее заданному эскизу. Используя команду line, мы можем нарисовать три линии там, где мы хотим, чтобы линия разреза проходила через деталь
Нарисовав линии, мы можем добавить взаимосвязи (и размеры, если нам нужен дополнительный колокольчик), чтобы добавить интеллекта в эскиз.
Теперь мы ctrl + выбираем каждую строку и выбираем команду «Вид сечения». SolidWorks открывает диалоговое окно с вопросом, какой вид разреза мы пытаемся создать.
Выбор «Создать укороченный вид из прежних версий» даст нам почти тот же результат, что и при создании линии с помощью встроенного инструмента. Разрез проецируется перпендикулярно линии разреза или параллельно направлению разреза.
К сожалению, в разрезе есть неприглядная лишняя линия на месте вертикальной линии смещения.
При выборе «Создать стандартный вид сечения» линия сечения «развернется», даже если она параллельна направлению реза.
Это создаст вид сечения, который не выровнен по родительскому виду.
Обратите внимание, что общая длина этого вида сечения теперь больше, чем общая длина родительского вида. Это может быть проблематично, особенно при добавлении размеров к виду.
Общая длина, а также установочный размер прорези кармана теперь на 25 мм больше, чем раньше.Это связано с тем, что длина вертикального изгиба составляет 25 мм.
Могут быть случаи, когда вы хотите развернуть линию разреза. В этом случае мы не хотим, чтобы неправильные размеры сбивали с толку нашего машиниста, поэтому мы отредактируем эскиз для линии сечения и преобразуем его в вспомогательную геометрию.
Это позволяет проецировать вид сечения без разворачивания, в результате чего получается точная копия вида сечения, созданного с помощью встроенного инструмента смещения.
Последний метод, который мы рассмотрим, – это редактирование стандартной линии разреза, чтобы включить смещение для разреза.
Ниже представлен стандартный разрез по центру детали.
Щелкните правой кнопкой мыши линию разреза и выберите «Редактировать линию разреза».
На этом этапе мы могли бы добавить смещение, используя контекстное меню, как мы делали в предыдущем разделе, или мы можем изменить линию сечения, нажав кнопку «Редактировать эскиз» в PropertyManager.
Теперь команда «Линия» становится активной, и мы можем рисовать смещения и добавлять связи (и размеры, если захотим) так же, как и для любого другого эскиза.
После добавления некоторых связей, обрезки исходной линии разреза и выхода из эскиза…
Мы снова получаем «развернутую» проекцию.
На этом этапе нам просто нужно еще раз отредактировать эскиз и снова преобразовать вертикальную линию в вспомогательную геометрию, чтобы избежать масштабирования.
Удачного разделения!
Аарья
Инженер по приложениям
Компьютерные технологии
siemens nx черчение создание разреза
В чертежах Siemens nx команда “Вид сечения” используется для создания вида сечения из любого родительского вида чертежа.
Это руководство поможет создать простой вид с шагом, вращением и половинным сечением.
Где мне это найти?
Из меню: вставить -> вид -> разрез.
На главной вкладке: Группа просмотра -> вид в разрезе.
Щелкните правой кнопкой мыши границу родительского вида, затем выберите добавить вид сечения .
I. Создание простого разреза.
1. Щелкните правой кнопкой мыши границу родительского вида и выберите добавить вид сечения .
2. В диалоговом окне вида сечения в группе линий сечения. Вы можете определить как динамический: позволяет определять динамические линии сечения. Или выберите существующий: позволяет разделить существующую автономную линию разреза.
В списке методов вы можете выбрать простой, половинный, вращающийся или точечный.
Для этого урока я выберу динамический и простой вариант.
3. Щелкните левой кнопкой мыши по указанным местоположениям в группе сегментов линий сечения, затем выберите положение разреза в графическом окне.
Переместите разрез в новое положение.
4. Щелкните средней кнопкой мыши или нажмите клавишу Esc , чтобы выйти из функции.
nx черчение создание простого разрезаII. Создайте вид сечения шага.
Из этого туториала Вы узнаете, как создать ступенчатый разрез, в котором прорезаются три отверстия в детали.
1. Щелкните правой кнопкой мыши границу родительского вида и выберите добавить вид сечения .
2. В диалоговом окне вида сечения, группа линий сечения, мы выберем динамический и простой / ступенчатый вариант.
3. В графическом окне мы выберем центральную точку первого отверстия. Щелкните указание местоположения в группе сегментов линии сечения, затем выберите вторую и третью центральные точки.
создать вид сечения шага укажите местоположение4. Нажмите на указание местоположения в исходной группе просмотра, затем выберите нужное местоположение.
Вид в разрезе шага черчения nx 5.
Нажмите клавишу Esc , чтобы выйти из функции.
III. Создание вида с вращающимся сечением.
Вы можете создавать разрезы, которые вращаются вокруг общей оси.Поворотный разрез может содержать одну повернутую секущую плоскость или содержать шаги от нескольких секущих плоскостей.
1. Щелкните правой кнопкой мыши границу родительского вида и выберите добавить вид сечения .
2. В диалоговом окне вида сечения, группе линий сечения, выборе динамического и в списке методов мы выберем вариант вращения.
3. В графическом окне мы выберем точку вращения для повернутой линии сечения. Затем выберите «Указать расположение участка 1», затем выберите расположение участка 2.Щелкните конструктор точки в указанном местоположении участка 2, затем выберите новую точку местоположения.
4. Щелкните указать местоположение в исходной группе просмотра, затем выберите нужное местоположение.
nx черчение создание кругового сечения 5.
Нажмите Esc , чтобы выйти из этой функции.
IV. Создайте половину разреза.
1. Щелкните правой кнопкой мыши границу родительского вида при выборе Добавить вид сечения .
2. В группе линий сечения выберите динамический и половинный вариант.
3. В графическом окне создайте сегменты линии сечения, щелкнув мышью, чтобы выбрать центральную дугу для определения положения разреза, затем выберите вторую точку.
половина вида сечения выберите точку4. Щелкните мышью, чтобы выбрать новое место, где вы хотите сохранить новый вид сечения.
nx черчение создать вид половинного разреза5. Нажмите Esc , чтобы выйти из этой функции.
% PDF-1.6
%
1149 0 объект>
эндобдж
xref
1149 618
0000000016 00000 н.
0000016711 00000 п.
0000016880 00000 п.
0000016925 00000 п.
0000017142 00000 п.
0000017179 00000 п.
0000017318 00000 п.
0000017458 00000 п.
0000018102 00000 п.
0000018152 00000 п.
0000018202 00000 п.
0000018280 00000 п.
0000018318 00000 п.
0000018367 00000 п.
0000018417 00000 п.
0000018466 00000 п.
0000018514 00000 п.
0000019139 00000 п.
0000019559 00000 п.
0000020093 00000 п.
0000020748 00000 п.
0000021286 00000 п.
0000022206 00000 п.
0000022526 00000 п.
0000022896 00000 п.
0000023432 00000 п.
0000023627 00000 п.
0000025566 00000 п.
0000025833 00000 п.
0000025888 00000 п.
0000026250 00000 п.
0000026379 00000 п.
0000029652 00000 п.
0000029954 00000 п.
0000030348 00000 п.
0000030519 00000 п.
0000035462 00000 п.
0000035854 00000 п.
0000036251 00000 п.
0000036508 00000 п.
0000043535 00000 п.
0000044089 00000 п.
0000044495 00000 п.
0000044921 00000 п.
0000044997 00000 н.
0000048025 00000 п.
0000048747 00000 п.
0000049392 00000 п.
0000049932 00000 н.
0000054144 00000 п.
0000054477 00000 п.
0000054866 00000 п.
0000055070 00000 п.
0000057917 00000 п.
0000058217 00000 п.
0000058613 00000 п.
0000058799 00000 н.
0000059486 00000 п.
0000060148 00000 п.
0000060910 00000 п.
0000061448 00000 п.
0000062103 00000 п.
0000067322 00000 п.
0000067740 00000 п.
0000068133 00000 п.
0000068406 00000 п.
0000073504 00000 п.
0000073976 00000 п.
0000074433 00000 п.
0000074785 00000 п.
0000075483 00000 п.
0000075536 00000 п.
0000075613 00000 п.
0000075688 00000 п.
0000076556 00000 п.
0000077124 00000 п.
0000079795 00000 п.
0000079849 00000 п.
0000080806 00000 п.
0000082460 00000 п.
0000082886 00000 п.
0000083308 00000 п.
0000085417 00000 п.
0000086479 00000 п.
0000086650 00000 п.
0000087523 00000 п.
0000087759 00000 п.
0000087940 00000 п.
0000088141 00000 п.
0000129105 00000 н.
0000132681 00000 н.
0000132772 00000 н.
0000132989 00000 н.
0000133931 00000 н.
0000134545 00000 н.
0000134982 00000 н.
0000138513 00000 н.
0000140696 00000 н.
0000140968 00000 н.
0000144042 00000 н.
0000144498 00000 н.
0000145151 00000 п.
0000147161 00000 н.
0000147429 00000 н.
0000147793 00000 н.
0000147925 00000 п.
0000147968 00000 н.
0000148012 00000 н.
0000148086 00000 н.
0000148221 00000 н.
0000148296 00000 н.
0000148333 00000 п.
0000148432 00000 н.
0000148490 00000 н.
0000148592 00000 н.
0000148634 00000 н.
0000148725 00000 н.
0000148768 00000 н.
0000148866 00000 н.
0000148922 00000 н.
0000148981 00000 н.
0000149093 00000 н.
0000149143 00000 н.
0000149197 00000 н.
0000149347 00000 п.
0000149397 00000 н.
0000149539 00000 п.
0000149682 00000 н.
0000149732 00000 н.
0000149815 00000 н.
0000149977 00000 н.
0000150107 00000 н.
0000150157 00000 н.
0000150275 00000 н.
0000150436 00000 н.
0000150573 00000 н.
0000150623 00000 н.
0000150748 00000 н.
0000150799 00000 н.
0000150954 00000 н.
0000151084 00000 н.
0000151134 00000 н.
0000151213 00000 н.
0000151362 00000 н.
0000151472 00000 н.
0000151522 00000 н.
0000151601 00000 н.
0000151749 00000 н.
0000151857 00000 н.
0000151907 00000 н.
0000151986 00000 н.
0000152132 00000 н.
0000152245 00000 н.
0000152295 00000 н.
0000152374 00000 н.
0000152425 00000 н.
0000152531 00000 н.
0000152582 00000 н.
0000152698 00000 н.
0000152749 00000 н.
0000152870 00000 н.
0000152921 00000 н.
0000153036 00000 н.
0000153086 00000 н.
0000153143 00000 н.
0000153200 00000 н.
0000153257 00000 н.
0000153314 00000 н.
0000153371 00000 н.
0000153428 00000 н.
0000153478 00000 н.
0000153535 00000 н.
0000153586 00000 н.
0000153692 00000 н.
0000153743 00000 н.
0000153852 00000 н.
0000153903 00000 н.
0000154019 00000 н.
0000154070 00000 н.
0000154193 00000 н.
0000154244 00000 н.
0000154301 00000 н.
0000154358 00000 н.
0000154415 00000 н.
0000154472 00000 н.
0000154529 00000 н.
0000154586 00000 н.
0000154636 00000 н.
0000154693 00000 н.
0000154744 00000 н.
0000154850 00000 н.
0000154901 00000 н.
0000155017 00000 н.
0000155068 00000 н.
0000155187 00000 н.
0000155238 00000 п.
0000155369 00000 н.
0000155420 00000 н.
0000155477 00000 н.
0000155534 00000 н.
0000155591 00000 н.
0000155648 00000 н.
0000155705 00000 н.
0000155762 00000 н.
0000155812 00000 н.
0000155869 00000 н.
0000155920 00000 н.
0000156026 00000 н.
0000156077 00000 н.
0000156185 00000 н.
0000156236 00000 н.
0000156381 00000 п.
0000156432 00000 н.
0000156550 00000 н.
0000156601 00000 н.
0000156650 00000 н.
0000156707 00000 н.
0000156756 00000 н.
0000156813 00000 н.
0000156870 00000 н.
0000156927 00000 н.
0000156977 00000 н.
0000157034 00000 н.
0000157091 00000 н.
0000157148 00000 н.
0000157269 00000 н.
0000157319 00000 н.
0000157398 00000 н.
0000157449 00000 н.
0000157555 00000 н.
0000157606 00000 н.
0000157723 00000 н.
0000157774 00000 н.
0000157891 00000 н.
0000157942 00000 н.
0000158078 00000 н.
0000158129 00000 н.
0000158257 00000 н.
0000158308 00000 н.
0000158365 00000 н.
0000158422 00000 н.
0000158479 00000 н.
0000158536 00000 н.
0000158593 00000 н.
0000158650 00000 н.
0000158707 00000 н.
0000158757 00000 н.
0000158814 00000 н.
0000158865 00000 н.
0000159014 00000 н.
0000159120 00000 н.
0000159170 00000 н.
0000159249 00000 н.
0000159397 00000 н.
0000159494 00000 н.
0000159544 00000 н.
0000159623 00000 н.
0000159774 00000 н.
0000159894 00000 н.
0000159944 00000 н.
0000160023 00000 н.
0000160177 00000 н.
0000160295 00000 н.
0000160345 00000 п.
0000160424 00000 н.
0000160575 00000 н.
0000160690 00000 н.
0000160740 00000 н.
0000160819 00000 п.
0000160971 00000 п.
0000161082 00000 н.
0000161132 00000 н.
0000161211 00000 н.
0000161262 00000 н.
0000161368 00000 н.
0000161419 00000 н.
0000161527 00000 н.
0000161594 00000 н.
0000161720 00000 н.
0000161771 00000 н.
0000161887 00000 н.
0000161953 00000 н.
0000162002 00000 н.
0000162059 00000 н.
0000162108 00000 н.
0000162165 00000 н.
0000162222 00000 н.
0000162279 00000 н.
0000162329 00000 н.
0000162386 00000 н.
0000162437 00000 н.
0000162543 00000 н.
0000162594 00000 н.
0000162734 00000 н.
0000162785 00000 н.
0000162905 00000 н.
0000162956 00000 н.
0000163082 00000 н.
0000163133 00000 п.
0000163190 00000 н.
0000163247 00000 н.
0000163304 00000 н.
0000163361 00000 н.
0000163418 00000 н.
0000163475 00000 н.
0000163525 00000 н.
0000163582 00000 н.
0000163633 00000 н.
0000163739 00000 н.
0000163790 00000 н.
0000163903 00000 н.
0000163954 00000 н.
0000164081 00000 н.
0000164131 00000 п.
0000164247 00000 н.
0000164297 00000 н.
0000164354 00000 н.
0000164411 00000 н.
0000164468 00000 н.
0000164525 00000 н.
0000164582 00000 н.
0000164639 00000 н.
0000164689 00000 н.
0000164746 00000 н.
0000164797 00000 н.
0000164903 00000 н.
0000164954 00000 н.
0000165070 00000 н.
0000165121 00000 н.
0000165247 00000 н.
0000165298 00000 н.
0000165419 00000 н.
0000165470 00000 н.
0000165527 00000 н.
0000165584 00000 н.
0000165641 00000 н.
0000165698 00000 п.
0000165755 00000 н.
0000165812 00000 н.
0000165862 00000 н.
0000165919 00000 н.
0000165970 00000 н.
0000166076 00000 н.
0000166127 00000 н.
0000166246 00000 н.
0000166296 00000 н.
0000166417 00000 н.
0000166467 00000 н.
0000166524 00000 н.
0000166581 00000 н.
0000166638 00000 н.
0000166695 00000 н.
0000166752 00000 н.
0000166802 00000 н.
0000166859 00000 н.
0000166910 00000 н.
0000167016 00000 н.
0000167067 00000 н.
0000167184 00000 н.
0000167235 00000 н.
0000167358 00000 н.
0000167409 00000 н.
0000167517 00000 н.
0000167568 00000 н.
0000167690 00000 н.
0000167741 00000 н.
0000167798 00000 н.
0000167855 00000 н.
0000167912 00000 н.
0000167969 00000 н.
0000168026 00000 н.
0000168083 00000 н.
0000168140 00000 н.
0000168190 00000 н.
0000168247 00000 н.
0000168296 00000 н.
0000168353 00000 н.
0000168456 00000 н.
0000168506 00000 н.
0000168585 00000 н.
0000168636 00000 н.
0000168742 00000 н.
0000168793 00000 н.
0000168903 00000 н.
0000168954 00000 н.
0000169084 00000 н.
0000169135 00000 н.
0000169269 00000 н.
0000169320 00000 н.
0000169377 00000 н.
0000169434 00000 н.
0000169491 00000 н.
0000169548 00000 н.
0000169605 00000 н.
0000169662 00000 н.
0000169712 00000 н.
0000169769 00000 н.
0000169819 00000 н.
0000169909 00000 н.
0000169959 00000 н.
0000170072 00000 н.
0000170123 00000 п.
0000170249 00000 н.
0000170299 00000 н.
0000170397 00000 н.
0000170448 00000 н.
0000170561 00000 п.
0000170611 00000 п.
0000170720 00000 н.
0000170770 00000 н.
0000170892 00000 н.
0000170942 00000 н.
0000171081 00000 н.
0000171132 00000 н.
0000171283 00000 н.
0000171389 00000 н.
0000171439 00000 н.
0000171518 00000 н.
0000171685 00000 н.
0000171813 00000 н.
0000171863 00000 н.
0000171942 00000 н.
0000172089 00000 н.
0000172187 00000 н.
0000172237 00000 н.
0000172316 00000 н.
0000172367 00000 н.
0000172473 00000 н.
0000172524 00000 н.
0000172637 00000 н.
0000172688 00000 н.
0000172818 00000 н.
0000172869 00000 н.
0000172994 00000 н.
0000173044 00000 н.
0000173101 00000 п.
0000173158 00000 н.
0000173215 00000 н.
0000173272 00000 н.
0000173329 00000 н.
0000173386 00000 н.
0000173436 00000 н.
0000173493 00000 н.
0000173544 00000 н.
0000173650 00000 н.
0000173701 00000 н.
0000173812 00000 н.
0000173863 00000 н.
0000174004 00000 н.
0000174055 00000 н.
0000174174 00000 н.
0000174224 00000 н.
0000174281 00000 н.
0000174338 00000 н.
0000174395 00000 н.
0000174452 00000 н.
0000174509 00000 н.
0000174566 00000 н.
0000174616 00000 н.
0000174673 00000 н.
0000174724 00000 н.
0000174830 00000 н.
0000174881 00000 н.
0000174999 00000 н.
0000175049 00000 н.
0000175164 00000 н.
0000175214 00000 н.
0000175271 00000 н.
0000175328 00000 н.
0000175385 00000 н.
0000175442 00000 н.
0000175499 00000 н.
0000175549 00000 н.
0000175606 00000 н.
0000175663 00000 н.
0000175723 00000 н.
0000175783 00000 н.
0000175843 00000 н.
0000175903 00000 н.
0000175963 00000 н.
0000176023 00000 н.
0000176080 00000 н.
0000176140 00000 н.
0000176197 00000 н.
0000176320 00000 н.
0000176370 00000 н.
0000176449 00000 н.
0000176500 00000 н.
0000176606 00000 н.
0000176657 00000 н.
0000176770 00000 н.
0000176821 00000 н.
0000176959 00000 н.
0000177010 00000 п.
0000177127 00000 н.
0000177177 00000 н.
0000177234 00000 н.
0000177291 00000 н.
0000177348 00000 н.
0000177405 00000 н.
0000177462 00000 н.
0000177519 00000 н.
0000177569 00000 н.
0000177626 00000 н.
0000177680 00000 н.
0000177816 00000 н.
0000177866 00000 н.
0000177980 00000 н.
0000178031 00000 н.
0000178186 00000 н.
0000178305 00000 н.
0000178355 00000 н.
0000178434 00000 н.
0000178593 00000 н.
0000178698 00000 п.
0000178748 00000 н.
0000178827 00000 н.
0000178979 00000 н.
0000179087 00000 н.
0000179137 00000 н.
0000179216 00000 н.
0000179370 00000 н.
0000179484 00000 н.
0000179534 00000 н.
0000179613 00000 н.
0000179664 00000 н.
0000179770 00000 н.
0000179821 00000 н.
0000179930 00000 н.
0000179981 00000 н.
0000180099 00000 н.
0000180150 00000 н.
0000180272 00000 н.
0000180323 00000 н.
0000180380 00000 н.
0000180437 00000 н.
0000180494 00000 н.
0000180551 00000 п.
0000180608 00000 н.
0000180665 00000 н.
0000180715 00000 н.
0000180772 00000 н.
0000180823 00000 н.
0000180929 00000 н.
0000180980 00000 н.
0000181102 00000 н.
0000181153 00000 н.
0000181264 00000 н.
0000181315 00000 н.
0000181429 00000 н.
0000181480 00000 н.
0000181537 00000 н.
0000181594 00000 н.
0000181651 00000 н.
0000181708 00000 н.
0000181765 00000 н.
0000181822 00000 н.
0000181872 00000 н.
0000181929 00000 н.
0000181980 00000 н.
0000182086 00000 н.
0000182137 00000 н.
0000182248 00000 н.
0000182299 00000 н.
0000182412 00000 н.
0000182463 00000 н.
0000182579 00000 н.
0000182630 00000 н.
0000182741 00000 н.
0000182792 00000 н.
0000182893 00000 н.
0000182943 00000 н.
0000183000 00000 н.
0000183057 00000 н.
0000183114 00000 н.
0000183171 00000 н.
0000183228 00000 н.
0000183285 00000 н.
0000183342 00000 н.
0000183399 00000 н.
0000183449 00000 н.
0000183506 00000 н.
0000183557 00000 н.
0000183663 00000 н.
0000183714 00000 н.
0000183823 00000 н.
0000183874 00000 н.
0000183991 00000 н.
0000184042 00000 н.
0000184172 00000 н.
0000184223 00000 п.
0000184338 00000 н.
0000184388 00000 н.
0000184445 00000 н.
0000184502 00000 н.
0000184559 00000 н.
0000184616 00000 н.
0000184673 00000 н.
0000184730 00000 н.
0000184787 00000 н.
0000184837 00000 н.
0000184894 00000 н.
0000184951 00000 н.
0000185008 00000 н.
0000185120 00000 н.
0000185170 00000 н.
0000185262 00000 н.
0000185313 00000 н.
0000185436 00000 н.
0000185487 00000 н.
0000185619 00000 н.
0000185670 00000 н.
0000185727 00000 н.
0000185784 00000 н.
0000185841 00000 н.
0000185898 00000 н.
0000185948 00000 н.
0000012656 00000 п.
трейлер
] >>
startxref
0
%% EOF
1766 0 obj> поток
x ڴ XTY ۾ wH! “EJPi6Q 被 RbB”.z, Dbd-b / Y3;? f2} -w
Стать инженером: как создать вид половинного разреза в NX Unigraphix
| Демонстрация проблемы с видом в разрезе |
В следующем блоге описывается, как с помощью программного обеспечения Siemens UNIGRAHIX NX можно создать разрезов для инженерного чертежа s.
Лично я считаю, что NX Drafting – это долгий и трудоемкий процесс, поэтому всегда полезно иметь под рукой несколько трюков. (Щелкните изображения, чтобы получить полный размер.)
Если кто-то хочет создать половину объекта на разных проекциях, существует инструмент под названием « Вид сечения », который может создавать вид из любого родительского вида чертежа, но требует, чтобы всегда имел оба вида. Показан .
Это можно сделать, просто щелкнув нужную точку (с определением Dynamic Section Line ) или создав эскиз для линии сечения (с помощью Select Existing).Для второго варианта требуется эскиз, который можно создать с помощью параметра «Линия сечения».
Однако любой из этих параметров приведет к тому, что сечение и добавят линии разреза, стрелки и буквы, , что является нежелательным. Любая полупроекция требует другого и сложного метода.
→ Возникает вопрос, как тогда сделать правильную полусечку?
| Простая сборка |
(Для демонстрации собирается простая композитная стена с интегрированной втулкой и болтом.Это просто простая, быстрая модель, без гарантии правильного совмещения элементов и размеров.)
1. Разместите вид сверху и вид сбоку.
2. Активируйте вид, который вы хотите разделить наполовину.
3. Нарисуйте круг / Studio Spline вокруг области, охватывающей все компоненты, которые вы хотите разрезать пополам. Затем закончите набросок.
4. Выберите опцию «Разрывная секция»:
– «Выбрать вид для создания разрыва»: выберите рамку чертежа вида, на котором вы хотите разместить разрез.
– «Определить базовую точку – Выбрать объект для определения точки»: на этом шаге вам нужно использовать другой вид и выбрать точку, через которую будет выполняться разрез на другом виде.
(в большинстве случаев лежит в плоскости симметрии или центре окружности)
– «Определите вектор выдавливания или продолжайте принимать значение по умолчанию – Выберите объекты для определения вектора»: вы можете принять или изменить вектор, в котором будет выполняться резка. Оранжевая стрелка показывает это на виде, на котором была выбрана базовая точка.Если вы согласны с указанием, перейдите к следующему шагу, ничего не щелкая здесь. Если нет, переверните вектор.
– Нажмите «Выбрать кривую» и «Выбрать линию разрыва рядом с началом»: затем вам нужно выбрать ранее нарисованную окружность или сплайновую кривую.
– Нажмите «Применить» и дождитесь загрузки половины раздела.
| Половина разреза после вырыва |
5. Теперь вы можете удалить другой вид, который нужен только для выбора «Базовой точки».Таким образом, у вас может быть только одно представление, а не как в случае с разделами со стрелками.

Обратите внимание, что после завершения секционного раздела никакие изменения невозможны. То же самое верно после удаления второго представления, его нужно добавить снова и начать весь процесс с самого начала.
Следующая часть посвящена корректировке вида для совместимости с инженерными чертежами. (Здесь вам пригодятся ваши теоретические знания, поскольку любое программное обеспечение САПР, которое вы используете, не скажет вам, как это сделать.Вам как инженеру / проектировщику необходимо знать правильность своих чертежей!)
Добавление и удаление штриховки на объекте:
В некоторых случаях может показаться, что на поверхности нет штриховки. Если вы посмотрите внимательно, вы найдете крошечную линию, которая является частью штриховки, но расстояние между линиями штриховки слишком велико. В таком случае изменение расстояния линий штриховки решит проблему.
Чтобы избавиться от штриховки там, где она не нужна:
(е.
г. Болты, штифты, шайбы, валы ни в коем случае не должны быть заштрихованы.)
Использование: Вид в разрезе :
– Выбрать вид: рамка чертежа – Выбрать объект: я рекомендую щелкнуть правой кнопкой мыши по объекту и заштрихованным «Выбрать из списка …» и выбрать подходящий объект, соответствующий объекту. В этом случае вы всегда будете выбирать правильный объект, а не тот, который NX предлагает первым. – Поле действия: выберите «Сделать сечение» – ОК / Применить – Щелкните правой кнопкой мыши при рисовании и обновите вид.Только тогда вы увидите изменение.
———————————————— ————————————————– ———————–
Возможные проблемы:
Согласно подробному описанию NX, для решения проблемы можно проверить следующее:
Рекомендуемые действия
——————-
o Выберите «Игнорировать», чтобы восстановить представление до состояния, в котором оно находилось до обновления.
Это действие ПО УМОЛЧАНИЮ.
o Выберите «Подавить», чтобы преобразовать представление в обновление вручную.
o Выберите «Удалить», чтобы удалить вид и все связанные объекты.
Возможные корректирующие действия
—————————
o Проверить и исправить модель
o Установить вид на обновление вручную
o Установить вид для ссылки
o Восстановить вид
o Удалить вид
o Запретить обновление вида
o Исправить недопустимые линии сечения
o Подтвердить настройки слоя
oppress Uppress твердые тела
o Восстановить ассоциативность сегментов сечения в
Редактировать линию сечения
|
Blockpad – разделы
Разделы
Разделы используются для систематизации информации или выполнения различных расчетов.
Как и фреймы, они являются контейнерами ценностей.
Есть три типа разделов.
- Раздел
- Раздел решателя
- Пошаговая инструкция
Раздел
Обычные разделы используются в документе для организации информации и содержания значений. Все, что вы можете сделать в отчете, вы можете сделать в разделе.
Вставить раздел
- В отчете выберите инструмент вставки.
- Выберите Раздел .
- Нажмите ОК.
Вставить фрагмент вокруг текста
- Выделите текст.
- Выберите инструмент вставки.
- Выберите Раздел .
- Нажмите ОК.
Изменить название раздела:
- Выберите раздел, щелкнув ярлык.
- Откройте окно свойств.
- В разделе Объект щелкните Имя .
- Введите новое имя.
- Нажмите ввод.

Скрыть разделы
Разделы можно условно скрыть на основе формулы. Таким образом, вы можете скрыть или отобразить контент на основе рассчитанных значений. Это применимо к любому разделу.
Скрыть раздел:
- Выберите раздел, щелкнув ярлык.
- Откройте окно свойств.
- В разделе Объект щелкните Скрыть .
- В появившемся окне введите формулу с логическим результатом.
- Нажмите ввод.
Если результат формулы верен, раздел скрыт. Если это false, отображается раздел.
Примечание к логическим выражениям:
- Чтобы скрыть или показать раздел, вы можете просто ввести true или false, и он будет скрываться или отображаться соответственно.
- Вы также можете ввести простой тест, например 1100.
- Двойной знак равенства (==) используется для проверки равенства.

- Практическое применение – скрыть сечение на основе некоторого значения, например, Section1.A_1> 2 фута или Section1.A_1> 4 фута.
Раздел решателя
Разделы решателя используются для решения систем уравнений. Посмотрите видео, чтобы узнать больше.
Вставьте раздел решателя:
- Выберите Insert Solver Section на панели инструментов.
Чтобы использовать раздел решателя, введите уравнения с именами переменных, используя динамические уравнения. Имена переменных появятся внизу раздела. Когда будет собрана полная информация для решения этих переменных, решения появятся внизу с именами. Затем на эти имена переменных можно ссылаться в формулах, как на имена обычных значений в отчете или другом фрейме.
Вы можете ссылаться на имена значений, как обычно, внутри раздела решателя.Они не будут рассматриваться как имена переменных решателя.
Пошаговая инструкция
В Blockpad формулы вычисляются в порядке зависимости, независимо от того, в каком порядке они появляются на экране.
Например, хотя base1 и height1 определены ниже Area1 на странице, их все еще можно использовать в формуле, определяющей Area1. Area1 вычисляется после base1, потому что Area1 зависит от base1.
Если вы попытаетесь дать одно и то же имя двум разным значениям, вы получите сообщение об ошибке, если на это имя будет ссылка.
В пошаговом разделе вычисления выполняются сверху вниз, а не в порядке зависимости. Значения должны быть определены выше, где они используются, иначе вы получите ошибку.
И если вы используете имя дважды, то второе значение сохраняется над первым. Вы больше не можете ссылаться на первое значение.
Это больше похоже на язык программирования, где вы можете использовать значение, чтобы переопределить себя.

Вы можете рисовать их на видах в плане, разрезах, фасадах и в деталях. Виды сечения отображаются как представления сечений на пересекающихся видах. Откройте план, разрез, фасад или подробный вид.

Элементы управления для изменения размера области обрезки отображаются в виде пунктирной зеленой линии. Все сегменты имеют одну и ту же дальнюю плоскость отсечения.