Помощь студентам в учёбе от Людмилы Фирмаль
Здравствуйте!
Я, Людмила Анатольевна Фирмаль, бывший преподаватель математического факультета Дальневосточного государственного физико-технического института со стажем работы более 17 лет. На данный момент занимаюсь онлайн обучением и помощью по любыми предметам. У меня своя команда грамотных, сильных бывших преподавателей ВУЗов. Мы справимся с любой поставленной перед нами работой технического и гуманитарного плана. И не важно: она по объёму на две формулы или огромная сложно структурированная на 125 страниц! Нам по силам всё, поэтому не стесняйтесь, присылайте.
Срок выполнения разный: возможно онлайн (сразу пишите и сразу помогаю), а если у Вас что-то сложное – то от двух до пяти дней.
Для качественного оформления работы обязательно нужны методические указания и, желательно, лекции. Также я провожу онлайн-занятия и занятия в аудитории для студентов, чтобы дать им более качественные знания.
Моё видео:
Как вы работаете?
Вам нужно написать сообщение в WhatsApp . После этого я оценю Ваш заказ и укажу срок выполнения. Если условия Вас устроят, Вы оплатите, и преподаватель, который ответственен за заказ, начнёт выполнение и в согласованный срок или, возможно, раньше срока Вы получите файл заказа в личные сообщения.
Сколько может стоить заказ?Стоимость заказа зависит от задания и требований Вашего учебного заведения. На цену влияют: сложность, количество заданий и срок выполнения. Поэтому для оценки стоимости заказа максимально качественно сфотографируйте или пришлите файл задания, при необходимости загружайте поясняющие фотографии лекций, файлы методичек, указывайте свой вариант.
Минимальный срок выполнения заказа составляет 2-4 дня, но помните, срочные задания оцениваются дороже.
Как оплатить заказ?Сначала пришлите задание, я оценю, после вышлю Вам форму оплаты, в которой можно оплатить с баланса мобильного телефона, картой Visa и MasterCard, apple pay, google pay.
В течение 1 года с момента получения Вами заказа действует гарантия. В течении 1 года я и моя команда исправим любые ошибки в заказе.
Качественно сфотографируйте задание, или если у вас файлы, то прикрепите методички, лекции, примеры решения, и в сообщении напишите дополнительные пояснения, для того, чтобы я сразу поняла, что требуется и не уточняла у вас. Присланное качественное задание моментально изучается и оценивается.
Теперь напишите мне в Whatsapp или почту и прикрепите задания, методички и лекции с примерами решения, и укажите сроки выполнения.
Если цена Вас устроит, то я вышлю Вам форму оплаты, в которой можно оплатить с баланса мобильного телефона, картой Visa и MasterCard, apple pay, google pay.
Мы приступим к выполнению, соблюдая указанные сроки и требования. 80% заказов сдаются раньше срока.
После выполнения отправлю Вам заказ в чат, если у Вас будут вопросы по заказу – подробно объясню. Гарантия 1 год. В течении 1 года я и моя команда исправим любые ошибки в заказе.
youtube.com/embed/FTtp-vAv3lI” frameborder=”0″ allow=”accelerometer; autoplay; encrypted-media; gyroscope; picture-in-picture” allowfullscreen=””/>
youtube.com/embed/7LD4euDcivY” frameborder=”0″ allow=”accelerometer; autoplay; encrypted-media; gyroscope; picture-in-picture” allowfullscreen=””/>
Можете смело обращаться к нам, мы вас не подведем. Ошибки бывают у всех, мы готовы дорабатывать бесплатно и в сжатые сроки, а если у вас появятся вопросы, готовы на них ответить.
В заключение хочу сказать: если Вы выберете меня для помощи на учебно-образовательном пути, у вас останутся только приятные впечатления от работы и от полученного результата!
Жду ваших заказов!
Пользовательское соглашение
Политика конфиденциальности
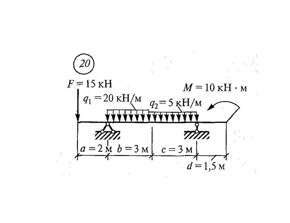
Пример решения задачи по технической механике
Ниже приведены условие и решение задачи. Закачка решения в формате doc начнется автоматически через 10 секунд.
Задача 2 (вар 902)
К стальному валу, закреплённому с одного конца, приложены четыре крутящих момента.
Требуется :
1) поострить эпюру крутящих моментов Мк ;
2) при заданном значении [τ] определить диаметры каждого обозначенного участка вала, округлив их до ближайший стандартных значений ;
3) построить эпюру напряжений τ ;
4) выполнить эскиз вала с указанием полученных диаметров.
Дано : схема 2 ; a=1.9 м ; b=2 м ; c=1.2 м ; T1=1.9 кН·м ; Т2=1 кН·м ; Т3=1.2 кН·м ; Т4=0.9 кН·м ; [τ]=40 МПа.
Решение.
1) поострим эпюру крутящих моментов.
Для определения крутящего момента в поперечном сечении вала пользуемся методом сечений. Крутящий момент Мк в поперечных сечениях определяется по участкам, причём границами участков являются сечения, в которых приложены внешние скручивающие моменты.
На каждом участке мысленно рассекаем вал произвольным поперечным сечением и рассматриваем равновесие любой части. Крутящий момент в поперечном сечении вала равен алгебраической сумме моментов внешних сил, действующих по одну сторону от взятого сечения.
Так на участке AB проведём сечение 1-1 и рассмотрим равновесие правой отсечённой части :
Мк1=-Т4=-0.9 кН·м
На участке BC проведём сечение 2-2 и рассмотрим равновесие правой отсечённой части.
Мк2=-T4-T3=-0.9-1.2= -2.1 кН·м.
На участке CD проведём сечение 3-3 и рассмотрим равновесие правой отсечённой части.
Мк3=Мк2-T2=-2.1-1=-3.1 кН·м.
На участке DE проведём сечение 4-4 и рассмотрим равновесие правой отсечённой части.
Мк4=Мк3+Т1=-3.1+1.9=-1.2 кН·м.
По полученным значениям Мк строим эпюру крутящих моментов.
2) определим диаметры участков вала.
Условие прочности при кручении :
τmax=[τ]
где [τ] – допускаемое значение напряжения ; Mmax – максимальный крутящий момент ; Wp – полярный момент сопротивления.
Отсюда определяем необходимое значение полярного момента сопротивления :
Wp≥Mmax/[τ]
Для круглого сечения Wp=πd3/16≈0.2d3
Тогда из условия прочности имеем :
d≥ (1)
На участке AB : Mmax=0.9 кН·м
d1= м=48 мм
Округляем до ближайшего стандартного значения из ряда : d1=50 мм
На участке BC : Mmax=2.1 кН·м
d2= м=64 мм
Принимаем : d2=65 мм
На участке CD : Mmax=3.1 кН·м
d3= м=73 мм
Принимаем : d3=75 мм
На участке DE : Mmax=1.2 кН·м
d4= м=53 мм
Принимаем : d4=55 мм.
3) построим эпюру напряжений τ.
В сечении на участке AB :
Wp1=0.2d13=0.2×0.053=2.5×10-5 м3
τmax=Mk1/Wp1=-0.9×103/(2.5×10-5)=-36×106 Па=-36 МПа.
В сечении на участке BC :
Wp2=0.2d23=0.2×0.0653=5.5×10-5 м3
τmax=Mk2/Wp2=-2.1×103/(5.5×10-5)=-38×106 Па=-38 МПа
В сечении на участке CD :
Wp3=0.2d33=0.2×0.0753=8.4×10-5 м3
τmax=Mk3/Wp2=-3.1×103/(8.4×10-5)=-37×106 Па=-37 МПа
В сечении на участке DE :
Wp4=0.2d43=0.2×0.0553=3.3×10-5 м3
τmax=Mk4/Wp1=-1.2×103/(3.3×10-5)=-36 МПа
На основании вычислений строим эпюру напряжений τ на каждом из участков.
4) выполним эскиз вала.
Решение задач по 📝 технической механике в Луганске
Изучение теоретической механике требует навыков решения задач. Чтобы успешно справляться с такими заданиями и не быть в числе отстающих, студентам нужно регулярно тренироваться. Причем делать это лучше не только в период сессий, решая задачи перед экзаменами, но и в течение всего учебного года.
Теоретическая механика – не самый простой предмет, и часто студенту, особенно младших курсов, требуется помощь в решении специфических задач. Можно подойти к проблеме радикально и обратиться к помощи репетиторов. К сожалению, не у всех есть возможность уделять дополнительным заданиям время. Да и финансовых вложений на репетитора скромный студенческий бюджет может не потянуть. К счастью, есть способ проще. Решение задач по технической механике в Луганске можно заказать профессионалам.
Преимущества такого решения
- Самый очевидный плюс – экономия времени. У студентов его всегда мало, а делегирование сложного или трудоемкого задания людям, которые справятся с ним быстрее, а результат будет гарантированно качественным – безусловно, удачное решение. Кстати, освободившиеся часы можно с пользой потратить на дополнительную подготовку к предмету, с которым возникли затруднения, или отдых.
- Экономия средств. Услуги экспертов на сервисах помощи студентам стоят несравнимо дешевле работы с репетитором.
Можно делать заказы только лишь тогда, когда в этом возникает необходимость или делегировать часть работы – в зависимости от объема работы будет зависеть и цена. - То, что студент решит заданные задачи не самостоятельно, не означает, что он не сможет извлечь пользу для своего образования. Готовое решение можно использовать как готовый шаблон для выполнения аналогичных заданий.
- Решать задачи будут профессионалы, следовательно, работа будет выполнена правильно и корректно оформлена. А значит, ничего не помешает студенту подучить за нее гарантированно высокую отметку.
С плюсами решения заказать выполнение заданий специалисту разобрались. Остался вопрос – где найти такого исполнителя? Выбирая помощника, нужно быть уверенным в его компетенциях и добросовестности. А еще лучше, если за этого человека кто-то может поручиться.
Работайте с экспертами на «Все сдал!»
На сайте Vsesdal.com можно найти проверенного эксперта, который гарантированно выполнит задание на высшем уровне.
Сервис гарантирует профессионализм привлеченных авторов, а также обеспечивает полную финансовую защищенность клиентов. Благодаря схеме работы «Безопасная сделка» заказчик может быть уверен в том, что получит заказанную работу в срок и должного качества, и ему не придется доплачивать в том случае, если потребуются какие-либо исправления. «Все сдал!» даже готов вернуть предоплату в полном объеме в том случае, если работа будет выполнена некачественно. Однако обычно у клиентов сервиса нет претензий. Многие из заказчиков сайта сотрудничают с «Все сдал!» постоянно, решая свои крупные или мелкие затруднения в учебе с помощью квалифицированных помощников. При этом они не тратят тех значительных сумм, которые им бы потребовались при общении с репетиторами.
Сборник задач по технической механике и статике сооружений. Иванов Г.М., Шапиро И.С. 1963 | Библиотека: книги по архитектуре и строительству
Сборник содержит задачи по теоретической механике, сопротивлению материалов, деталям машин и статике сооружений, отвечающие требованиям утвержденных программ для строительных техникумов.
Задачи имеют ответы или решения. Сборник задач допущен отделом учебных, заведений Управления кадров Министерства строительства РСФСР в качестве учебного пособия для строительных специальностей техникумов. Части I и II могут быть использованы как учебное пособие в техникумах по механической специальности.
Предисловие к третьему изданию
Часть I. ТЕОРЕТИЧЕСКАЯ МЕХАНИКА
Глава 1. Статика твердого тела. Система сил, расположенных на плоскости
§ 1. Силы, расположенные па одной прямой
§ 2. Силы, линии действия которых пересекаются в одной точке
§ 3. Параллельные силы. Пары сил
§ 4. Силы, расположенные произвольно
§ 5. Веревочный многоугольник
§ 6. Силы трения
Глава 2. Статика твердого тела. Система сил, расположенных в пространстве
§ 7. Силы, линии действия которых пересекаются в одной точке
§ 8. Пары сил. Моменты сил относительно точки и относительно оси
§ 9. Силы, расположенные произвольно
§ 10.
Центр тяжести
Глава 3. Кинематика
§ 11. Прямолинейное движение точки
§ 12. Криволинейное движение точки
§ 13. Вращение твердого тела вокруг неподвижной оси
§ 14. Сложное движение точки
§ 15. Плоское движение твердого тела
Глава 4. Динамика
§ 16. Прямолинейное движение точки
§ 17. Криволинейное движение точки
§ 18. Дифференциальные уравнения движения точки
§ 19. Работа и мощность
§ 20. Закон кинетической энергии
§ 21. Закон количества движения
§ 22. Удар твердых тел
§ 23. Вращение твердого тела вокруг неподвижной оси
Часть II. СОПРОТИВЛЕНИЕ МАТЕРИАЛОВ
Глава 5. Растяжение и сжатие
§ 24. Определение напряжений и деформаций
§ 25. Подбор сечений
§ 26. Статически неопределимые системы
§ 27. Влияние собственного веса. Гибкие нити
§ 28. Плоское и объемное напряженное состояние
Глава 6. Сдвиг
§ 29. Определение напряжений и деформаций при чистом сдвиге
§ 30.
Заклепочные соединения
§ 31. Сварные соединения
§ 32. Соединения на врубках и шпонках
Глава 7. Кручение
§ 33. Определение напряжений и деформаций
§ 34. Подбор сечений
Глава 8. Изгиб
§ 35. Моменты инерции плоских фигур
§ 36. Построение эпюр М и Q для статически определимых балок
§ 37. Определение нормальных и касательных напряжений в балках и подбор сечений
§ 38. Определение деформаций
§ 39. Статически неопределимые балки
Глава 9. Сложные деформации
§ 40. Косой изгиб
§ 41. Совместное действие изгиба и растяжения пли сжатия
§ 42. Совместное действие изгиба и кручения
Глава 10. Устойчивость сжатых стержней
§ 43. Определение критической и допускаемой нагрузки
§ 44. Подбор сечений
Глава 11. Динамическое действие нагрузок
§ 45. Напряжения п деформации с учетом сил инерции
§ 46. Напряжения и деформации при ударе
Глава 12.
Расчет по предельному состоянию равновесия
§ 47. Растяжение и сжатие
§ 48. Изгиб
Часть III. ДЕТАЛИ МАШИН
Глава 13. Соединения
§ 49. Заклепочные соединения
§ 50. Сварные соединения
§ 51. Разъемные соединения
§ 52. Грузовые винты
Глава 14. Передачи
§ 53. Фрикционные передачи
§ 54. Ременные передачи
§ 55. Зубчатые и цепные передачи
§ 56. Червячные передачи
Глава 15. Оси, валы и их опоры
§ 57. Оси, валы, шипы и пяты
§ 58. Подшипники и муфты
Глава 16. Элементы грузоподъемных машин
§ 59. Блоки и полиспасты
§ 60. Детали лебедок
§ 61. Комплексные задачи
Часть IV
Глава 17. Геометрическая неизменяемость сооружений
§ 62. Определение степени свободы систем
§ 63. Анализ геометрической неизменяемости систем
Глава 18. Статически определимые системы
§ 64.
Шарнирные балки
§ 65. Фермы
§ 66. Линии влияния для балок и ферм
§ 67. Трехшарнирные арки
§ 68. Определение усилий в простых рамах
§ 69. Определение перемещений
Глава 19. Статически неопределимые системы
§ 70. Аналитический способ расчета неразрезных балок
§ 71. Расчет неразрезных балок по таблицам
§ 72. Аналитический способ расчета простых рам (по методу сил)
§ 73. Расчет простых рам по справочникам
Глава 20. Подпорные стены
§ 74. Определение давления грунта на подпорные стены
§ 75. Расчет подпорных стен
Приложения
Использованная и рекомендуемая литература
Решение задач по механике – это просто
Задачи по механике
Механика – раздел физики, изучающий движение тел. Классическая механика преподается в школе, являясь частью курса физики. В вузе она превращается в отдельный предмет – теоретическую механику. Школьные задачи по механике не вызывают особых сложностей.
Они опираются на применение формул скорости, ускорения, работы, энергии, законов Ньютона.
Силовые взаимодействия и траектории движения тел изучаются далее теоретической механикой. Здесь задачи по механике основываются на тех же принципах, просто становятся более обширными, включают большее число воздействий. Студенты младших курсов обычно испытывают подсознательный барьер при переходе из одной дисциплины в другую. Он сродни порогу, возникающему при изучении математики, когда от рассмотрения одного линейного уравнения переходят к их системе.
Если такие трудности возникли у вас, обратитесь к специалистам образовательного центра disshelp.ru. Заказав у нас работу, вы освободите свое время и снизите умственное напряжение, которое не всегда бывает полезным. Особенно актуальным такой заказ будет в том случае, если сдавать контрольную необходимо в сжатые сроки, и на ее самостоятельное выполнение просто не остается времени. Если же вы хотите попытаться справиться самостоятельно – прекрасно! На самом деле, в этом нет ничего сверхсложного.
Особенности технической механики
В инженерных, строительных и геодезических вузах обычно преподается практический предмет «Техническая механика». Эта дисциплина представляет собой нечто среднее между теоретической механикой и сопроматом. Используя аналитический аппарат первого предмета, она является введением ко второму, поскольку оперирует нагрузками, реакциями опор, растяжением, кручением. Объектом исследования здесь являются балки, брусья и перекрытия. Но задачи по технической механике немного проще сопроматовских.
Статика
Как и обычная механика, техническая дисциплина делится на ряд очевидных разделов. В статике рассматривается равновесное состояние системы. Обычно требуется определить силы реакции опор. Для этого составляется система уравнений, каждое из которых описывает равновесие сил, действующих на элемент конструкции.
Векторы в уравнениях заменяются своими проекциями на координатные оси. Правильный выбор оси – основное условие компактного решения задачи.
Необходимо следить, чтобы одна из осей была направлена параллельно большинству воздействий. Тогда их проекции на другую ось обратятся в ноль, и система упростится.
Развитием статических задач является рассмотрение систем, в которых присутствует деформация: растяжение-сжатие, изгиб, кручение. Здесь записывается аналогичная система уравнений, в которую добавляется воздействие со стороны соответствующих моментов (крутящего, изгибающего). Чтобы успешно разрешить задачи по технической механике, необходимо перечислить все без исключения силы, действующие в системе. Если такой анализ проведен правильно – считайте, что задача уже решена.
Кинематика, динамика
Движение материальной точки в пространстве описывается уравнением, которое составляет объект анализа кинематики. Задачи в этом разделе, хотя он описывает подчас довольно сложные системы, наиболее просты. Уравнение движения решается с применением математического аппарата, практически без использования физических законов.
Динамика при движении учитывает массу и размеры тела, его импульс, энергию, работу. Именно здесь находят применение три закона Ньютона. Уравнения, составляемые при решении задач, включают баланс не только сил, но и импульса, момента импульса, энергии. В рассмотрение вводятся ранее не учитываемые силы – трения, центробежная, Архимеда, Кориолиса. Но здесь также остается главным не само решение уравнений, а правильное их составление, то есть скрупулезное перечисление всех воздействий.
Решение задач без проблем
Как мы уже упоминали, одной из специализаций нашего центра является решение задач по механике на заказ. Вы можете обратиться к нам через регулярно действующий чат, по электронной почте или по телефону, в том числе – с сайта. У нас работает онлайн-консультант, который ответит на интересующие вас вопросы. Если что-то не получается – унывать не стоит, ведь у вас есть мы.
Механика для чайников
Краткая теория по теоретической механике
Краткий курс теормеха как первого раздела технической механики предназначен для студентов всех форм обучения.
Здесь в доступной форме изложены основные понятия трех разделов: кинематики, статики и динамики.
Читать
Заказать решение задач >
Теоретические выкладки сопровождаются примерами решения задач по соответствующим разделам теоретической механики
Содержание курса
- Кинематика точки
- Способы задания движения точки
- Векторный
- Координатный
- Естественный
- Скорость точки
- Ускорение точки
- Определение скорости и ускорения точки при координатном способе задания движения
- Естественная система координат
- Определение скорости и ускорения при естественном способе задания движения
- Кинематика твердого тела
- Задачи кинематики твердого тела
- Поступательное движение твердого тела
- Вращательное движение твердого тела
- Скорость и ускорение точек вращающегося тела
- Векторные выражения скорости и ускорения точек вращающегося тела
- Передаточное число механизма
- Плоское движение (ППД) твердого тела
- Скорости точек при ППД
- Теорема о скоростях точек при плоском движении
- Следствие из теоремы о скоростях точек в ППД
- Мгновенный центр скоростей
- Ускорения точек в ППД
- Теорема об ускорении точек в ППД
- Мгновенный центр ускорений
- Сложное движение точки
- Основные понятия и определения
- Скорость точки в сложном движении
- Ускорение точки в сложном движении.
Ускорение Кориолиса - Сферическое движение
- Сферическое движение и способы его задания
- Теорема о конечном перемещении твердого тела, имеющего одну неподвижную точку
- Угловая скорость и угловое ускорение при вращении тела вокруг неподвижной точки
- Скорости и ускорения точек при вращении тела вокруг неподвижной точки
- Основные понятия и определения
- Аксиомы статики
- Связи и их реакции
- Проекция силы на ось
- Момент силы
- Плечо силы
- Момент силы относительно точки
- Теорема Вариньона
- Момент силы относительно оси
- Пара сил
- Распределенные нагрузки
- Равновесие системы
- Уравнения равновесия системы сил
- Cистема сходящихся сил
- Равновесие системы сходящихся сил
- Система сходящихся сил. Приведение к равнодействующей и ее вычисление
- Условия равновесия системы сходящихся сил
- Равновесие пространственной системы сходящихся сил
- Исследование равновесия тела под действием произвольной плоской системы сил
- Произвольная плоская система сил
- Равновесие произвольной плоской системы сил
- Первая форма условия равновесия
- Вторая форма условия равновесия (теорема о трех моментах)
- Третья форма условия равновесия
- Составные и соединенные конструкции
- Равновесие составных конструкций под действием плоской системы сил
- Равновесие твердого тела при наличии трения
- Сила трения
- Сила трения скольжения
- Сила трения качения
- Произвольная пространственная система сил
- Равновесие произвольной пространственной системы сил
- Момент относительно точки
- Момент относительно оси
- Связь момента силы относительно оси с моментом силы относительно точки
- Условия равновесия произвольной пространственной системы сил
- Центр тяжести
- Центр параллельных сил
- Центр тяжести
- Способы определения координат центра тяжести
- Центры тяжести простейших фигур
- Законы динамики
- Первый закон Ньютона (закон инерции)
- Второй закон Ньютона
- Третий закон Ньютона (закон равенства действия и противодействия)
- Четвертый закон Ньютона (закон независимости действия сил)
- Динамика точки
- Дифференциальные уравнения движения точки
- Интегрирование дифференциальных уравнений движения
- Динамика материальной точки
- Первая основная задача динамики
- Вторая основная задача динамики
- Дифференциальные уравнения относительного движения материальной точки
- Движение механической системы
- Связи
- Классификация сил
- Принцип Даламбера
- Принцип возможных перемещений
- Общее уравнение динамики
- Принцип Даламбера для материальной точки
- Принцип Даламбера для механической системы
- Приведение сил инерции точек твердого тела к центру масс
- Возможные перемещения
- Принцип виртуальных перемещений
- Принцип Даламбера-Лагранжа
- Обобщенные координаты
- Обобщенные силы
- Общее уравнение динамики в обобщенных силах
- Уравнения Лагранжа второго рода
- Кинетический потенциал
- Циклические координаты
- Уравнения Лагранжа второго рода для системы с одной степенью свободы
- Уравнения Лагранжа второго рода для системы с двумя степенями свободы
- Масса механической системы
- Кинетическая энергия
- Работа силы
- Теорема об изменении кинетической энергии
- Закон сохранения механической энергии
- Механическая система
- Центр масс механической системы
- Теорема о движении центра масс механической системы
- Теорема об изменении количества движения материальной точки
- Теорема об изменении количества движения механической системы
- Теорема об изменении момента количества движения (кинетического момента) материальной точки
- Теорема об изменении момента количества движения (кинетического момента) механической системы
- Дифференциальное уравнение вращательного движения твердого тела вокруг неподвижной оси
- Теория удара
- Ньютоновская теория удара
- Прямой удар
- Центральный удар
- Центр удара
Рекомендуем:
- Скачать рамки А4 для учебных работ
- Учебные работы по всем предметам
- Скачать шрифты ГОСТ (чертежные)
- Миллиметровки А4 разного цвета
Теоретическая механика – Лекции и примеры решения задач технической механики
Теоретическая механика – наука об общих законах механических взаимодействий между материальными телами, а также об общих законах движения тел по отношению друг к другу.
Теормех — первый раздел технической механики.
Механическое взаимодействие между материальными телами является простейшим и одновременно самым распространенным видом взаимодействия между физическими объектами. Механическое движение, будучи самым простым видом движения, является фундаментальным свойством материи.
Основные разделы теормеха
Теоретическая механика, преподаваемая в техническом вузе, содержит три раздела: кинематику, статику и динамику.
- Кинематика – часть механики, в которой изучаются зависимости между величинами, характеризующими состояние движения систем, но не рассматриваются причины, вызывающие изменение состояния движения.
- Статика – это учение о равновесии совокупности тел некоторой системы отсчета.
- Динамика – часть механики, в которой рассматривается влияние сил на состояние движения систем материальных объектов.

Объекты и цель изучения
Целью изучения дисциплины «Теоретическая механика» является формирование необходимой базы знаний для изучения других технических дисциплин по профилю будущей профессиональной деятельности, таких как сопротивление материалов и теория механизмов и машин.
В разделах теоретической механики изучаются общие законы движения и равновесия материальных систем; исследуются простейшие логические модели, на которые могут быть разложены объекты техники и природы, дается научный метод познания законов механического движения систем.
Задачи курса теоретической механики
Задачами курса теоретической механики являются:
- выработка практических навыков решения задач механики путем изучения методов и алгоритмов построения математических моделей движения или состояния рассматриваемых механических систем, а также методов исследования этих математических моделей;
- воспитание естественнонаучного мировоззрения на базе изучения основных законов природы и механики.

Учебные материалы по теормеху
На нашем сайте Вы можете просмотреть и использовать для изучения курса теоретической механики следующие учебные материалы:
Другие разделы механики:
Раздел “Кинематика” теоретической механики – Лекции и примеры решения задач технической механики
Кинематика — это раздел теоретической механики, в котором изучается движение механических систем с геометрической точки зрения, без учета причин (сил), вызывающих это движение и изменение движения.
Положение тела, его движение в пространстве может быть определено относительно другого неизменяемого тела. С ним связывают выбранную систему отсчёта — систему координат, в которой и определяют параметры движения.
Установление способов, с помощью которых может быть задано движение точек или тел по отношению к выбранной системе отсчёта, позволит определить кинематические характеристики движения (траектории точек, их скорости, ускорения, угловые параметры тел.)
Движение любой механической системы относительно выбранной системы отсчёта будет известно, если известно движение каждой точки этой системы.
Поэтому изучение раздела «Кинематика» начинается с темы «Кинематика точки», далее рассматривается тема «Кинематика твёрдого тела».
Данное учебно-методическое пособие поможет студентам при выполнении контрольных работ по разделу «Кинематика».
В пособии кратко изложена теория, даны основные формулы, приведены примеры решения типовых задач.
Краткость изложения теории предполагает предварительное изучение курса по учебникам, в которых даны подробные обоснования определений, выводы, доказательства теорем.
Методическое пособие может быть рекомендовано и на практических занятиях и при выполнении расчётно-графических работ.
Содержание
- Кинематика точки
- Способы задания закона движения точки
- Векторный
- Координатный
- Естественный
- Кинематика твердого тела
- Поступательное движение
- Вращательное движение твердого тела
- Вращение твердого тела вокруг неподвижной оси
- Угловая скорость и угловое ускорение
- Скорости и ускорения точек вращающегося твердого тела
- Передаточные механизмы
- Плоскопараллельное движение твердого тела
- Определение скоростей точек в плоскопараллельном движении
- Теорема о скоростях точек в ППД
- Следствие из теоремы о скоростях точек
- Мгновенный центр скоростей
- Определение МЦС
- Ускорение точки в плоскопараллельном движении
- Мгновенный центр ускорений
- Частные случаи МЦУ
- Сложное движение точки
- Определение скоростей и ускорений точек в сложном движении
- Ускорение Кориолиса
- Сферическое движение
- Теорема о конечном перемещении твердого тела, имеющего одну неподвижную точку
- Угловая скорость и угловое ускорение при вращении тела вокруг неподвижной точки
- Скорости и ускорения точек при вращении тела вокруг неподвижной точки
Лекции по теоретической механике – Лекции и примеры решения задач технической механики
Обзорный курс лекций по теоретической и технической механике предназначен для студентов очной и заочной форм обучения.
Заказать решение задач >
Пособие составлено в соответствии с государственным образовательным стандартом дисциплины «Теоретическая механика», преподаваемой в технических вузах. В пособии приведены основная краткая теория и примеры решения задач.
Краткость изложения теории предполагает дополнительное изучение курса по учебникам, в которых даны подробные обоснования определений, выводы, доказательства теорем.
Методическое пособие также может быть рекомендовано и студентам дневного отделения для подготовки к практическим занятиям и при выполнении расчётно-графических работ.
Читать
Содержание
- Кинематика точки
- Способы задания закона движения точки
- Векторный
- Координатный
- Естественный
- Скорость точки
- Ускорение точки
- Определение скорости и ускорения точки при координатном способе задания движения
- Естественная система координат
- Определение скорости и ускорения при естественном способе задания движения
- Кинематика твердого тела
- Поступательное движение
- Вращательное движение твердого тела
- Вращение твердого тела вокруг неподвижной оси
- Угловая скорость и угловое ускорение
- Скорости и ускорения точек вращающегося твердого тела
- Передаточные механизмы
- Плоскопараллельное движение твердого тела
- Определение скоростей точек в плоскопараллельном движении
- Теорема о скоростях точек в ППД
- Следствие из теоремы о скоростях точек
- Мгновенный центр скоростей
- Определение МЦС
- Ускорение точки в плоскопараллельном движении
- Мгновенный центр ускорений
- Частные случаи МЦУ
- Сложное движение точки
- Определение скоростей и ускорений точек в сложном движении
- Ускорение Кориолиса
- Сферическое движение
- Теорема о конечном перемещении твердого тела, имеющего одну неподвижную точку
- Угловая скорость и угловое ускорение при вращении тела вокруг неподвижной точки
- Скорости и ускорения точек при вращении тела вокруг неподвижной точки
- Основные понятия и определения
- Аксиомы статики
- Связи и их реакции
- Проекция силы на ось
- Момент силы
- Плечо силы
- Момент силы относительно точки
- Теорема Вариньона
- Момент силы относительно оси
- Пара сил
- Распределенные нагрузки
- Равновесие системы
- Уравнения равновесия системы сил
- Cистема сходящихся сил
- Равновесие системы сходящихся сил
- Система сходящихся сил.
Приведение к равнодействующей и ее вычисление - Условия равновесия системы сходящихся сил
- Равновесие пространственной системы сходящихся сил
- Исследование равновесия тела под действием произвольной плоской системы сил
- Произвольная плоская система сил
- Равновесие произвольной плоской системы сил
- Первая форма условия равновесия
- Вторая форма условия равновесия (теорема о трех моментах)
- Третья форма условия равновесия
- Составные и соединенные конструкции
- Равновесие составных конструкций под действием плоской системы сил
- Равновесие твердого тела при наличии трения
- Сила трения
- Сила трения скольжения
- Сила трения качения
- Произвольная пространственная система сил
- Равновесие произвольной пространственной системы сил
- Момент относительно точки
- Момент относительно оси
- Связь момента силы относительно оси с моментом силы относительно точки
- Условия равновесия произвольной пространственной системы сил
- Центр тяжести
- Центр параллельных сил
- Центр тяжести
- Способы определения координат центра тяжести
- Центры тяжести простейших фигур
- Законы динамики
- Первый закон Ньютона (закон инерции)
- Второй закон Ньютона
- Третий закон Ньютона (закон равенства действия и противодействия)
- Четвертый закон Ньютона (закон независимости действия сил)
- Динамика точки
- Дифференциальные уравнения движения точки
- Интегрирование дифференциальных уравнений движения
- Динамика материальной точки
- Первая основная задача динамики
- Вторая основная задача динамики
- Дифференциальные уравнения относительного движения материальной точки
- Движение механической системы
- Связи
- Классификация сил
- Принцип Даламбера
- Принцип возможных перемещений
- Общее уравнение динамики
- Принцип Даламбера для материальной точки
- Принцип Даламбера для механической системы
- Приведение сил инерции точек твердого тела к центру масс
- Возможные перемещения
- Принцип виртуальных перемещений
- Принцип Даламбера-Лагранжа
- Обобщенные координаты
- Обобщенные силы
- Общее уравнение динамики в обобщенных силах
- Уравнения Лагранжа второго рода
- Кинетический потенциал
- Циклические координаты
- Уравнения Лагранжа второго рода для системы с одной степенью свободы
- Уравнения Лагранжа второго рода для системы с двумя степенями свободы
- Масса механической системы
- Кинетическая энергия
- Работа силы
- Теорема об изменении кинетической энергии
- Масса механической системы
- Центр масс механической системы
- Теорема о движении центра масс механической системы
- Теорема об изменении количества движения материальной точки
- Теорема об изменении количества движения механической системы
- Теорема об изменении момента количества движения (кинетического момента) материальной точки
- Теорема об изменении момента количества движения (кинетического момента) механической системы
- Дифференциальное уравнение вращательного движения твердого тела вокруг неподвижной оси
- Теория удара
- Ньютоновская теория удара
- Прямой удар
- Центральный удар
- Центр удара
Рекомендуем:
- Скачать рамки А4 для учебных работ
- Учебные работы по всем предметам
- Скачать шрифты ГОСТ (чертежные)
- Миллиметровки А4 разного цвета
Учебники по теоретической механике – Лекции и примеры решения задач технической механики
Здесь можно бесплатно скачать литературу (учебники и пособия) по теормеху.
Заказать решение задач >
См. также:
Учебник написан на основе опыта преподавания курса теоретической механики в МВТУ им. Н. Э. Баумана.
В четвертом издании значительно перестроено изложение разделов «Статика» (введены элементы дедуктивного изложении материала при рассмотрении вопросов приведения и равновесия системы сил), «Кинематика» (в отдельный napaгpaф выделена кинематика сложного движения точки при переносном поступательном движении) и часть «Динамики».
Предназначен для студентов машиностроительных специальностей вузов.
Дронг В.И. и др. Курс теоретической механики. Под ред. Колесникова К.С. Том 1. 2005 г.
Скачать
Изложены кинематика, статика, динамика точки, твердого тела и механической системы; аналитическая механика; теория колебаний; теория удара; введение в динамику тел переменной массы; основы небесной механики. Приведены примеры решения задач.
Содержание учебника соответствует программе и курсу лекций, которые авторы читают в МГТУ им.
Н. Э. Баумана.
Для студентов машиностроительных вузов и технических университетов.
Может быть полезен аспирантам и преподавателям, а также специалистам в области статики и динамики механических систем.
Маркеев А.П. Теоретическая механика. 1999 г.
Скачать
Пособие является строгим, целостным и компактным изложением всех базовых задач и методов теоретической механики. Книга сильно отличается от существующих на данный момент учебных пособий по теоретической механике, как по поиску материала, так и по способу его изложения. Всё внимание нацелено на рассмотрение самых содержательных и ценных для теории и приложений разделов динамики и методов аналитической механики; статика изучается как раздел динамики, а в разделе кинематики детально описываются общие основания кинематики системы; некоторые методические идеи являются новыми в учебной литературе.
Пособие предназначено для учащихся механико-математических факультетов университетов, а также для студентов высших учебных заведений, обучающихся по специальности «Механика» и «Прикладная математика», преподавателей механики, аспирантов.
Суслов Г.К. Теоретическая механика. 1946 г.
Скачать
Книга содержит следующие разделы: теорию векторов, кинематику, динамику частицы, динамику системы частиц и статику, а также, интегрирование уравнений динамики, динамику твёрдого тела и теорию удара.
В книге изложены основы механики материальной точки, системы материальных точек и твердого тела в объеме, соответствующем программам технических вузов.
Приведено много примеров и задач, решения которых сопровождаются соответствующими методическими указаниями. Для студентов очных и заочных технических вузов.
В книге содержится весь рекомендуемый материал по теоретической механике для физических факультетов со сравнительно небольшими дополнениями.
В отличие от некоторых известных курсов в основу изложения положено не постулирование принципа наименьшего действия, а уравнения Ньютона для системы материальных точек как известное обобщение опытных фактов. При этом уравнения Лагранжа получаются в результате перехода к произвольным обобщенным координатам, а принцип Гамильтона — как возможный математический аппарат, приводящий к уравнениям Лагранжа.
Такой подход представляется наименее формальным и более удобным в педагогическом плане.
Учебник составлен в полном соответствии с программой курса теоретической механики для высших технических учебных заведений и содержит материал, который является основной частью рабочих программ этого курса всех специальностей.
Учебник рассчитан на студентов очной и заочной систем обучения.
Наряду с изложением теоретического материала в учебнике имеется подробное решение задач основных типов и даны вопросы для самоконтроля.
Первая часть учебника содержит курс статики и кинематики.
Техническая механика – Лекции и примеры решения задач технической механики
Техническая механика — часть общей механики, изучающая механическое движение и различные виды взаимодействия материальных тел.
Курс технической механики состоит из разделов:
Для изучения данного курса и успешной сдачи экзаменов на нашем сайте можно:
Содержание разделов технической механики
Лекции по технической механике не вошедшие в данный список можно найти, пройдя по ссылке на соответствующий раздел или воспользовавшись поиском по сайту.
Теоретическая механика
Кинематика
Статика
Динамика
Сопротивление материалов
Структура курса технической механикиТеория механизмов и машин
Детали машин
Видео с теорией и примерами решения задач технической механики.
Цели освоения предмета «Техническая механика»
Целью освоения дисциплины «Техническая механика» является обобщение знаний механических дисциплин, необходимых для расчета и конструирования простейших деталей механизмов, приборов, и формирование фундамента для изучения дисциплин профессионального цикла, а также последующего обучения в магистратуре, аспирантуре.
Задания, выдаваемые для самостоятельной работы, способствуют развитию умения пользоваться типовыми методами расчета и проектирования машин.
В сумме со всеми предшествующими дисциплинами «Техническая механика» является завершающим курсом в подготовке бакалавров технологических специальностей.
В результате освоения дисциплины «Техническая механика» студент должен:
- грамотно применять общие методы исследования и проектирования комплексной механизации и технологических комплексов;
- по специальной литературе и учебникам выработать навыки, необходимые для постановки технических задач, разработки технических заданий и общения со специалистами смежных специальностей;
- ознакомиться с историей развития механики и основных ее открытий;
- овладеть основами естественнонаучного мировоззрения и основными законами природы и механики.
Место техмеха в структуре ООП ВПО
Дисциплины, предшествующие изучению данной дисциплины: «Высшая математика», «Физика», «Инженерная графика», «Информатика».
Предметы, для которых освоение данной дисциплины необходимо как предшествующее: «Надежность технических систем и техногенный риск» и другие специальные дисциплины.
Раздел для преподавателей
Новости техмеханики
Механика — Википедия
Меха́ника (греч.
μηχανική — искусство построения машин) — раздел физики, наука, изучающая движение материальных тел и взаимодействие между ними; при этом движением в механике называют изменение во времени взаимного положения тел или их частей в пространстве[1].
По поводу предмета механики уместно сослаться на слова авторитетного учёного-механика С. М. Тарга из введения к 4-му изданию его широко известного учебника[2] теоретической механики: «Механикой в широком смысле этого слова называется наука, посвящённая решению любых задач, связанных с изучением движения или равновесия тех или иных материальных тел и происходящих при этом взаимодействий между телами. Теоретическая механика представляет собою часть механики, в которой изучаются общие законы движения и взаимодействия материальных тел, то есть те законы, которые, например, справедливы и для движения Земли вокруг Солнца, и для полёта ракеты или артиллерийского снаряда и т. п. Другую часть механики составляют различные общие и специальные технические дисциплины, посвящённые проектированию и расчёту всевозможных конкретных сооружений, двигателей, механизмов и машин или их частей (деталей)»[3].
В приведённом высказывании упущен из виду тот факт, что изучением общих законов движения и взаимодействия материальных тел занимается также и механика сплошных сред (или механика сплошной среды) — обширная часть механики, посвящённая движению газообразных, жидких и твёрдых деформируемых тел. В этой связи академик Л. И. Седов отмечал: «В теоретической механике изучаются движения материальной точки, дискретных систем материальных точек и абсолютно твёрдого тела. В механике сплошной среды … рассматриваются движения таких материальных тел, которые заполняют пространство непрерывно, сплошным образом, и расстояния между точками которых во время движения меняются»[4].
Таким образом, по предмету изучения механика подразделяется на:
Другой важнейший признак, используемый при подразделении механики на отдельные разделы, основан на тех представлениях о свойствах пространства, времени и материи, на которые опирается та или иная конкретная механическая теория.
По данному признаку в рамках механики выделяют такие разделы:
Механика занимается изучением так называемых механических систем.
Механическая система обладает определённым числом k{\displaystyle k} степеней свободы, а её состояние описывается с помощью обобщённых координат q1,…qk{\displaystyle q_{1},\dots q_{k}} и соответствующих им обобщённых импульсов p1,…pk{\displaystyle p_{1},\dots p_{k}}. Задача механики состоит в изучении свойств механических систем, и, в частности, в выяснении их эволюции во времени.
Являясь одним из классов физических систем, механические системы по характеру взаимодействия с окружением разделяются на замкнутые (изолированные) и незамкнутые, по принципу изменения свойств во времени — на статические и динамические.
Наиболее важными механическими системами являются:
Стандартные («школьные») разделы механики: кинематика, статика, динамика, законы сохранения. Кроме них, механика включает следующие (во многом перекрывающиеся по содержанию) механические дисциплины:
Некоторые курсы механики ограничиваются только твёрдыми телами.
Изучением деформируемых тел занимаются теория упругости (сопротивление материалов — её первое приближение) и теория пластичности. В случае, когда речь идёт не о жёстких телах, а о жидкостях и газах, необходимо прибегнуть к механике жидкостей и газов, основными разделами которой являются гидростатика и гидрогазодинамика. Общей теорией, изучающей движение и равновесия жидкостей, газов и деформируемых тел, является механика сплошных сред.
Основной математический аппарат классической механики: дифференциальное и интегральное исчисление, разработанное специально для этого Ньютоном и Лейбницем. К современному математическому аппарату классической механики относятся, прежде всего, теория дифференциальных уравнений, дифференциальная геометрия (симплектическая геометрия, контактная геометрия, тензорный анализ, векторные расслоения, теория дифференциальных форм), функциональный анализ и теория операторных алгебр, теория катастроф и бифуркаций. В современной классической механике используются и другие разделы математики.
В классической формулировке, механика базируется на трёх законах Ньютона. Решение многих задач механики упрощается, если уравнения движения допускают возможность формулировки законов сохранения (импульса, энергии, момента импульса и других динамических переменных).
Все три закона Ньютона для широкого класса механических систем (консервативных систем, лагранжевых систем, гамильтоновых систем) связаны с различными вариационными принципами. В этой формулировке классическая механика таких систем строится на основе принципа стационарности действия: системы движутся так, чтобы обеспечить стационарность функционала действия. Такая формулировка используется, например, в лагранжевой механике и в гамильтоновой механике. Уравнениями движения в лагранжевой механике являются уравнения Эйлера — Лагранжа, а в гамильтоновой — уравнения Гамильтона.
Независимыми переменными, описывающими состояние системы в гамильтоновой механике, являются обобщённые координаты и импульсы, а в механике Лагранжа — обобщённые координаты и их производные по времени.
Если использовать функционал действия, определённый на реальной траектории системы, соединяющей некую начальную точку с произвольной конечной, то аналогом уравнений движения будут уравнения Гамильтона — Якоби.
Следует отметить, что все формулировки классической механики, основанные на голономных вариационных принципах, являются менее общими, чем формулировка механики, основанная на уравнениях движения. Не все механические системы имеют уравнения движения, представимые в виде уравнения Эйлера — Лагранжа, уравнения Гамильтона или уравнения Гамильтона — Якоби. Тем не менее, все формулировки являются как полезными с практической точки зрения, так и плодотворными с теоретической. Лагранжева формулировка оказалась особенно полезной в теории поля и релятивистской физике, а гамильтонова и Гамильтона — Якоби — в квантовой механике.
Классическая механика основана на законах Ньютона, преобразовании скоростей Галилея и существовании инерциальных систем отсчёта.
Границы применимости классической механики[править | править код]
В настоящее время известно три типа ситуаций, в которых классическая механика перестаёт отражать реальность.
- Свойства микромира не могут быть поняты в рамках классической механики. В частности, в сочетании с термодинамикой она порождает ряд противоречий (см. Классическая механика). Адекватным языком для описания свойств атомов и субатомных частиц является квантовая механика. Подчеркнём, что переход от классической к квантовой механике — это не просто замена уравнений движения, а полная перестройка всей совокупности понятий (что такое физическая величина, наблюдаемое, процесс измерения и т. д.)
- При скоростях, близких к скорости света, классическая механика также перестаёт работать, и необходимо переходить к специальной теории относительности. Опять же, этот переход подразумевает полный пересмотр парадигмы, а не простое видоизменение уравнений движения. Если же, пренебрегая новым взглядом на реальность, попытаться всё же привести уравнение движения к виду F=ma{\displaystyle F=ma}, то придётся вводить тензор масс, компоненты которого растут с ростом скорости. Эта конструкция уже долгое время служит источником многочисленных заблуждений, поэтому пользоваться ей не рекомендуется.

- Классическая механика становится неэффективной при рассмотрении систем с очень большим числом частиц (или же большим числом степеней свободы). В этом случае практически целесообразно переходить к статистической физике.
- ↑ Механика — Статья в Физической энциклопедии
- ↑ На конец 2012 г. выдержал 18 изданий на русском языке и издан в переводах не менее, чем на 14 языках.
- ↑ Тарг С. М. Краткий курс теоретической механики. 4-е изд. — М.: Наука, 1966. — С. 11.
- ↑ Седов, т. 1, 1970, с. 9.
- Билимович Б. Ф. Законы механики в технике. — М.: Просвещение, 1975. — 175 с.
- Голубев Ю. Ф. Основы теоретической механики. 2-е изд. — М.: Изд-во МГУ, 2000. — 720 с. — ISBN 5-211-04244-1.
- Киттель Ч., Найт У.
, Рудерман М. Механика. Берклеевский курс физики. — М.: Лань, 2005. — 480 с. — ISBN 5-8114-0644-4. - Ландау Л. Д., Лифшиц Е. М. Теоретическая физика. Т. 1. Механика. 5-е изд. — М.: Физматлит, 2004. — 224 с. — ISBN 5-9221-0055-6.
- Маркеев А. П. Теоретическая механика: Учебник для университетов. 3-е изд. — М.; Ижевск: РХД, 2007. — 592 с. — ISBN 978-5-93972-604-7.
- Матвеев А. Н. Механика и теория относительности. 3-е изд. — М.: ОНИКС 21 век: Мир и Образование, 2003. — 432 с. — ISBN 5-329-00742-9.
- Седов Л. И. Механика сплошной среды. Том 1.. — М.: Наука, 1970. — 492 с.
- Седов Л. И. Механика сплошной среды. Том 2.. — М.
: Наука, 1970. — 568 с. - Сивухин Д. В. Общий курс физики. Т. 1. Механика. 5-е изд. — М.: Физматлит, 2006. — 560 с. — ISBN 5-9221-0715-1.
- С.П. Стрелков. Механика. — Москва : Наука, 1975. — 560 с. — (Общий курс физики). — 60 000 экз.
- ред. Григорьян А. Т., Погребысский И. Б. История механики с древнейших времен до конца XVIII века. — М.: Наука, 1971. — 296 с. — 3600 экз. (в пер., суперобл.)
- ред. Григорьян А. Т., Погребысский И. Б. История механики с конца XVIII века до середины XX века. — М.: Наука, 1972. — 412 с.
- Хайкин С.Э. Физические основы механики. — 2. — Москва : Наука, 1971. — 752 с. — (Общий курс физики). — 49 000 экз.
Теоретическая механика — Википедия
Теорети́ческая меха́ника (в обиходе — теормех или термех) — наука об общих законах механического движения и взаимодействия материальных тел.
Будучи по существу одним из разделов физики, теоретическая механика, вобрав в себя фундаментальную основу в виде аксиоматики, выделилась в самостоятельную науку и получила широкое развитие благодаря своим обширным и важным приложениям в естествознании и технике, одной из основ которой она является.
По Ньютону, «Рациональная механика есть учение о движениях, производимых какими бы то ни было силами, и о силах, требуемых для производства каких бы то ни было движений, точно изложенное и доказанное»[1].
Из предисловия к учебнику А. П. Маркеева «Теоретическая механика»: «Как фундаментальная наука теоретическая механика была и остаётся не только одной из дисциплин, дающей углублённые знания о природе. Она также служит средством воспитания у будущих специалистов необходимых творческих навыков к построению математических моделей происходящих в природе и технике процессов, к выработке способностей к научным обобщениям и выводам»[2].
В физике под «теоретической механикой» подразумевается часть теоретической физики, изучающая математические методы классической механики, альтернативные[3] прямому применению законов Ньютона (так называемая аналитическая механика).
Сюда входят, в частности, методы, основанные на уравнениях Лагранжа, принципе наименьшего действия, уравнении Гамильтона — Якоби и др.
Следует подчеркнуть, что аналитическая механика может быть как нерелятивистской — тогда она пересекается с классической механикой, так и релятивистской. Принципы аналитической механики являются настолько общими, что её релятивизация не приводит к фундаментальным трудностям.
В технических науках под «теоретической механикой» подразумевается набор физико-математических методов, облегчающих расчёты механизмов, сооружений, летательных аппаратов и т. п. (так называемая прикладная механика или строительная механика) . Практически всегда эти методы выводятся из законов классической механики — в основном, из законов Ньютона, хотя в некоторых технических задачах оказываются полезными некоторые из методов аналитической механики.
Теоретическая механика опирается на некоторое число законов, установленных в опытной механике, принимаемых за истины, не требующих доказательств — аксиомы.
Эти аксиомы заменяют собой индуктивные истины опытной механики. Теоретическая механика имеет дедуктивный характер. Опираясь на аксиомы как на известный и проверенный практикой и экспериментом фундамент, теоретическая механика возводит своё здание при помощи строгих математических выводов.
Теоретическая механика как часть естествознания, использующая математические методы, имеет дело не с самими реальными материальными объектами, а с их моделями. Такими моделями, изучаемыми в теоретической механике, являются:
Обычно в теоретической механике выделяют такие разделы, как
В теоретической механике широко применяются методы
Теоретическая механика явилась основой для создания многих прикладных направлений, получивших большое развитие. Это — механика жидкости и газа, механика деформируемого твёрдого тела, теория колебаний, динамика и прочность машин, гироскопия, теория управления, теория полёта, навигация и др.
Эта статья или раздел описывает ситуацию применительно лишь к одному региону, возможно, нарушая при этом правило о взвешенности изложения.![]() Вы можете помочь Википедии, добавив информацию для других стран и регионов. |
Первой учебной книгой на русском языке, в которой содержались сведения по механике, была «Арифметика, сиречь наука числительная» Л. Ф. Магницкого (1703 год)[4]. К чуть более позднему времени относится начало преподавания механики в российской высшей школе: механику (пока ещё не как отдельный предмет) преподавали в Академическом университете Петербургской Академии наук, обучение в котором началось в январе 1726 года[5]. Ещё в 1722 году был издан первый русский печатный учебник по механике «Наука статическая или механика» Г. Г. Скорнякова-Писарева[6].
В Московском университете, основанном в 1755 году, механика сначала читалась в качестве раздела обширного и разнородного курса «Прикладная математика»[7], а с 1813 года профессор Ф. И. Чумаков читал уже отдельный курс механики[8]. В 1891 году в Институте гражданских инженеров (СПб) появляется новая дисциплина “теоретическая механика”[9].
Большинство учебников и сборников задач, используемых сейчас в учебном процессе российских вузов, были написаны в советскую эпоху; укажем некоторые из них, не претендуя на полноту. Учебники по теоретической механике для механико-математических факультетов университетов: «Теоретическая механика» Н. Е. Жуковского (1-е изд. — 1901—02 гг.), «Основной курс теоретической механики» Н. Н. Бухгольца (1-е изд. — 1932 г.), «Курс теоретической механики» Н. А. Кильчевского (1-е изд. — 1972 г.), «Теоретическая механика» А. П. Маркеева (1-е изд. — 1990 г.), «Теоретическая механика» В. Г. Вильке (1-е изд. — 1991 г.). Учебники для физических факультетов университетов: «Механика» Л. Д. Ландау и Е. М. Лифшица (1-е изд. — 1958 г.), «Курс теоретической механики для физиков» И. И. Ольховского (1-е изд. — 1970 г.), «Классическая механика» М. А. Айзермана (1-е изд. — 1974 г.), «Теоретическая механика» В. В. Петкевича (1-е изд. — 1981 г.), «Лекции по теоретической механике» Ю.
Г. Павленко (1-е изд. — 1991 г.). Учебники для технических вузов: «Краткий курс теоретической механики»[10]С. М. Тарга (1-е изд. — 1948 г.), «Курс теоретической механики» А. А. Яблонского и В. М. Никифоровой (1-е изд. — 1962 г.), «Курс теоретической механики» Н. В. Бутенина, Я. Л. Лунца и Д. Р. Меркина (1-е изд. — 1970 г.). Задачники: «Сборник задач по теоретической механике» И. В. Мещерского (1-е изд. — 1911 г.), «Сборник задач по теоретической механике» И. Н. Веселовского (1-е изд. — 1955 г.), «Сборник заданий для курсовых работ по теоретической механике» под редакцией А. А. Яблонского (1-е изд. — 1968 г.), «Решение задач по теоретической механике» Е. Н. Берёзкина (1-е изд. — 1973—74 гг.), «Задачи по теоретической механике для физиков» И. И. Ольховского, Ю. Г. Павленко, Л. С. Кузьменкова (1-е изд. — 1977 г.), «Сборник задач по теоретической механике» под редакцией К. С. Колесникова (1-е изд. — 1983 г.), «Типовые расчёты по теоретической механике на базе ЭВМ» И.
В. Новожилова и М. Ф. Зацепина (1986 г.).
За последние годы учебная литература пополнилась. Учебники для университетов: «Основы теоретической механики» Ю. Ф. Голубева (1-е изд. — 1992 г.), «Основы теоретической механики» В. Ф. Журавлёва (1-е изд. — 1997 г.), «Теоретическая механика» С. В. Болотина, А. В. Карапетяна, Е. И. Кугушева, Д. В. Трещёва (2010 г.). Учебники для технических вузов: «Курс теоретической механики» коллектива авторов под редакцией К. С. Колесникова (1-е изд. — 2000 г.). Задачники: «Решебник. Теоретическая механика» М. Н. Кирсанова (1-е изд. — 2002 г.), «Задачи по теоретической механике с решениями в Maple 11» этого же автора (2010 г.).
Ныне теоретическая механика является одной из фундаментальных дисциплин, изучаемых на механико-математических факультетах университетов, а также в большинстве технических вузов страны. По этой дисциплине проводятся ежегодные Всероссийские[11], национальные и региональные студенческие олимпиады, а также Международная олимпиада[12].
Координирует научную и методическую деятельность кафедр теоретической механики вузов России Научно-методический совет по теоретической механике при Министерстве образования и науки РФ. Совет был создан в 1964 г. по инициативе академика А. Ю. Ишлинского (1913—2003), который в 1965 г. занял пост председателя этого совета и возглавлял его в течение многих лет. В 1991 г. председателем совета по рекомендации Ишлинского стал профессор Ю. Г. Мартыненко (1945—2012), а сам Ишлинский в последние годы своей жизни был почётным председателем совета[6][13]. С 2012 года председателем совета является профессор В. А. Самсонов[14][15]. Совет регулярно проводит совещания-семинары заведующих кафедрами, студенческие олимпиады, издаёт Сборник научно-методических статей по теоретической механике[6][13].
- ↑ Исаак Ньютон. Математические начала натуральной философии. Перевод с латинского А. Н. Крылова. Под ред. Л.
С. Поллака. — М.: Наука. 1989. - ↑ Маркеев А. П. Теоретическая механика. — М.: Наука, 1990. — С. 9.
- ↑ Ландау Л. Д., Лифшиц Е. М. Теоретическая физика, в 10-ти томах. Том I — Механика. — Издание 4-е, исправленное. — М.: Наука, 1988. — 169 с.
- ↑ История механики в России, 1987, с. 35.
- ↑ История механики в России, 1987, с. 65.
- ↑ 123Локтев В. И. Теоретическая механика в образовательных программах в области кораблестроения и океанотехники: ретроспекция и состояние // Вестник Астраханского ГТУ. Сер. Морская техника и технология. — 2010. — № 1. — С. 178—184.
- ↑ Тюлина, 1979, с. 251.
- ↑ Моисеев, 1961, с. 446—447.
- ↑ История кафедры теоретической механики
- ↑ Английский перевод: Targ S. Theoretical Mechanics.
A Short Course. — Moscow: Mir Publisher, 1976. — 528 p. - ↑ КГУ — мехмат
- ↑ International Engineering Mechanics Contest
- ↑ 12Тюлина И. А. Александр Юльевич Ишлинский — организатор Научно-методического Совета по теоретической механике // Сборник научно-методических статей. Теоретическая механика. Вып. 25. — М.: Изд-во Моск. ун-та, 2004. — С. 13—20.
- ↑ Информация о работе Научно-методического совета по теоретической механике (неопр.). // Сайт vuz.exponenta.ru. Дата обращения 15 июня 2016.
- ↑ Самсонов В. А. в научном обществе: Научно-методический совет по теоретической механике при Минобрнауки РФ (неопр.). // Сайт системы «ИСТИНА» (НИИ механики МГУ). Дата обращения 15 июня 2016.
Учебники по теоретической механике[править | править код]
а) для студентов-механиков[править | править код]
- Жуковский Н.
Е. Теоретическая механика. 2-е изд. — М.-Л.: ГИТТЛ, 1952. — 812 с. - Бухгольц Н. Н. Основной курс теоретической механики. Ч. 1. 10-е изд. — Спб.: Лань, 2009. — 480 с. — ISBN 978-5-8114-0926-6.
- Бухгольц Н. Н. Основной курс теоретической механики. Ч. 2. 7-е изд. — Спб.: Лань, 2009. — 336 с. — ISBN 978-5-8114-0926-6.
- Кильчевский Н. А. Курс теоретической механики. Т. I (кинематика, статика, динамика точки). 2-е изд. — М.: Наука, 1977. — 480 с.
- Кильчевский Н. А. Курс теоретической механики. Т. II (динамика системы, аналитическая механика, элементы теории потенциала, механика сплошной среды, специальной и общей теории относительности). — М.: Наука, 1977. — 544 с.
- Маркеев А. П. Теоретическая механика: Учебник для университетов. 3-е изд. — М.; Ижевск: РХД, 2007. — 592 с. — ISBN 978-5-93972-604-7.

- Вильке В. Г. Теоретическая механика. 3-е изд. — СПб.: Лань, 2003. — 304 с. — ISBN 5-8114-0520-0.
- Голубев Ю. Ф. Основы теоретической механики. 2-е изд. — М.: Изд-во МГУ, 2000. — 720 с. — ISBN 5-211-04244-1.
- Журавлёв В. Ф. Основы теоретической механики: Учебник. 3-е изд. — М.: Физматлит, 2008. — 304 с. — ISBN 978-5-9221-0907-9.
- Болотин С. В., Карапетян А. В., Кугушев Е. И., Трещёв Д. В. Теоретическая механика: Учебник. — М.: Академия, 2010. — 432 с. — ISBN 978-5-7695-5946-4.
б) для студентов-физиков[править | править код]
в) для студентов технических специальностей[править | править код]
- Тарг С.
М. Краткий курс теоретической механики: Учебник для вузов. 18-е изд. — М.: Высшая школа, 2010. — 416 с. — ISBN 978-5-06-006193-2. - Яблонский А. А., Никифорова В. М. Курс теоретической механики. 16-е изд. — М.: КноРус, 2011. — 608 с. — ISBN 978-5-406-01977-1.
- Бутенин Н. В., Лунц Я. Л., Меркин Д. Р. Курс теоретической механики: Учебник. 11-е изд. — Спб.: Лань, 2009. — 736 с. — ISBN 978-5-8114-0052-2.
- Дронг В. И., Дубинин В. В., Ильин М. М. и др. Курс теоретической механики: Учебник для вузов / Под ред. К. С. Колесникова. 4-е изд. — М.: Изд-во МГТУ им. Н. Э. Баумана, 2011. — 758 с. — ISBN 978-5-7038-3490-9.
Задачники по теоретической механике[править | править код]
- Мещерский И. В. Сборник задач по теоретической механике: Учебное пособие.
51-е изд. — Спб.: Лань, 2012. — 448 с. — ISBN 978-5-8114-0019-1. - Веселовский И. Н. Сборник задач по теоретической механике. — М.: ГИТТЛ, 1955. — 500 с.
- Сборник заданий для курсовых работ по теоретической механике: Учебное пособие / Под ред. А. А. Яблонского. 18-е изд. — М.: КноРус, 2011. — 386 с. — ISBN 978-5-8114-0758-3.
- Берёзкин Е. Н. Решение задач по теоретической механике. Ч. 1. — М.: Изд-во МГУ, 1973. — 89 с.
- Берёзкин Е. Н. Решение задач по теоретической механике. Ч. 2. — М.: Изд-во МГУ, 1974. — 1369 с.
- Ольховский И. И., Ю. Г. Павленко, Кузьменков Л. С. Задачи по теоретической механике для физиков. 2-е изд. — Спб.: Лань, 2008. — 400 с. — ISBN 978-5-8114-0764-4.
. - Колесников К. С., Блюмин Г. Д., Дронг В. И. и др. Сборник задач по теоретической механике: Учебное пособие / Под ред. К. С. Колесникова. 4-е изд. — Спб.: Лань, 2008. — 448 с. — ISBN 978-5-8114-0758-3..
- Новожилов И. В., Зацепин М. Ф. Типовые расчёты по теоретической механике на базе ЭВМ: Учебное пособие. — М.: Высшая школа, 1986. — 136 с.
- Кирсанов М. Н. Решебник. Теоретическая механика. 2-е изд. — М.: Физматлит, 2008. — 384 с. — ISBN 978-5-9221-0748-8.
- Кирсанов М. Н. Задачи по теоретической механике с решениями в Maple 11. — М.: Физматлит, 2010. — 264 с. — ISBN 978-5-9221-1153-9.
- Коткин Г. Л., Сербо В. Г. Сборник задач по классической механике. 3-е изд. — Ижевск: Регулярная и хаотическая динамика, 2001. — 352 с.
- Павленко Ю.
Г. Задачи по теоретической механике. 2-е изд. — М.: Физматлит, 2003. — 536 с.
Книги по истории механики[править | править код]
Дополнительная литература[править | править код]
- Арнольд В. И. Математические методы классической механики. 5-е изд. — М.: Едиториал УРСС, 2003. — 416 с. — ISBN 5-354-00341-5.
- Веретенников В. Г., Синицын В. А. Теоретическая механика (дополнения к общим разделам). 2-е изд. — М.: Физматлит, 2006. — 416 с. — ISBN 5-9221-0703-8.
- Гантмахер Ф. Р. Лекции по аналитической механике. 3-е изд. — М.: Физматлит, 2005. — 264 с. — ISBN 5-9221-0067-X.
- Добронравов В. В. Основы аналитической механики. — М.
: Высшая школа, 1976. — 264 с. - Лич Дж. У. Классическая механика. — М.: ИИЛ, 1961. — 174 с.
- Парс Л. А. Аналитическая динамика. — М.: Наука, 1971. — 636 с.
- тер Хаар Д. Основы гамильтоновой механики. — М.: Наука, 1974. — 224 с.
Техническая механика. Руководство к решению задач по теоретической механике
МИНОБРНАУКИ РОССИИ
Федеральное государственное автономное образовательное учреждение высшего профессионального образования «Балтийский федеральный университет имени Иммануила Канта» (БФУ им. И.Канта)
Градостроительный колледж
С.А. Завьялов
Техническая механика
Методические указания по выполнению контрольной работы
для студентов заочной формы обучения
Специальность:
270802 «Строительство и эксплуатация зданий и сооружений»
270841 «Монтаж и эксплуатация оборудования и систем газоснабжения»
Калининград
I.
ПОЯСНИТЕЛЬНАЯ ЗАПИСКА
Учебной дисциплиной «Техническая механика» предусматривается изучение общих законов движения и равновесия материальных тел, основ расчета элементов конструкции на прочность, жесткость и устойчивость, а так же статического расчета сооружений.
Материал, выносимый на установочные и обзорные занятия, а так же перечень выполняемых лабораторных работ и практических занятий определяются исходя из профиля подготовки выпускника, контингента студентов (работающих и неработающих по выбранной специальности) и соответствующих рабочих учебных планов.
На установочных занятиях студентов знакомят с программой дисциплины, методикой работы над учебным материалом и дают разъяснения по выполнению двух домашних контрольных работ.
Варианты домашних контрольных работ составлены применительно к действующей программе по дисциплине.
Обзорные лекции проводятся по сложным для самостоятельного изучения темам программы. Практические занятия предусматриваются с целью закрепление теоретических знаний и приобретения практических умений по программе учебной дисциплины.
Выполнение домашних контрольных работ определяет степень усвоения студентами изученного материала и умение применять полученные знания при решение практических задач.
– ознакомление с тематическим планом и методическими указаниями по темам;
– изучение программного материала по рекомендуемой литературе;
– составление ответов на вопросы для самоконтроля, приведенные после каждой темы. При изложении материала необходимо соблюдать единство терминологии, обозначений,
единиц измерения в соответствии с действующими СНиПами и ГОСТами.
В результате изучения дисциплины студент должен: иметь представление:
об общих законах движения и равновесия материальных тел; о видах деформации и основных расчетах на прочность, жесткость и устойчивость;
основные понятия, законы и методы механики деформируемого твердого тела; уметь:
выполнять расчеты на прочность, жесткость и устойчивость; пользоваться государственными стандартами, строительными нормами и правилами (СНиПами) и другой нормативной документацией.
Р а з д е л 1. Теоретическая механика
1.1 Основные понятия и аксиомы статики
1.2 Плоская система сходящихся сил
1.3 Пара сил
1.4 Плоская система произвольно расположенных сил
1.5 Центр тяжести тела. Центр тяжести плоских фигур
1.6 Основы кинематики и динамики
Р а з д е л 2. Сопротивление материалов | |
Основные положения | |
Растяжение и сжатие | |
Практические расчеты на срез и смятие | |
Геометрические характеристики плоских сечений | |
Поперечный изгиб прямого бруса | |
Сдвиг и кручения брусьев круглого сечения | |
Устойчивость центрально-сжатых стержней | |
Р а з д е л 3. Статика сооружений | |
Основные положения | |
Исследования геометрической неизменяемости плоских стержневых систем | |
Многопролетные статически определяемые (шарнирные) балки | |
Статически определимые плоские рамы | |
Трехшарнирные арки | |
Статически определимые плоские фермы | |
Основы расчета статически неопределимых систем методом сил | |
Неразрезные балки | |
Подпорные стены |
III.
Литература
1. Аркуша А.И. Техническая механика. Теоретическая механика и сопротивление материалов. – М.: Высшая школа, 1998.
2. Винокуров А.И., Барановский Н.В. Сборник задач по сопротивлению материалов. – М.: Высшая школа, 1990.
3. Мишенин Б.В. Техническая механика. Задания на расчетно-графические работы для ССУЗ с примерами их выполнения. – М.: НМЦ СПО РФ, 1994.
4. Никитин Г.М. Теоретическая механика для техникумов. – М.: Наука, 1988..
5. Эрдеди А.А. и др. Техническая механика. – М.: Высшая школа, 2002.
6. Ивченко В.А. Техническая механика – М.: ИНФРА – М, 2003.
7. Мухин Н.А., Шишман Б.А. Статика сооружений, – М,:Стройиздат, 1989.
8. Олофинская В.П. Техническая механика, – М., ФОРУМ – ИНФРА – М, 2005.
9. В.И. Сетков « Сборник задач по технической механике» М., Академия, 2007г.
10. В.И Сетков «Техническая механика для строительных специальностей» М., Академия, 2008г.
IV. МЕТОДИЧЕСКИЕ УКАЗАНИЯ ПО ТЕМАМ И ВОПРОСЫ ДЛЯ САМОКОНТРОЛЯ
Введение
Следует уяснить содержание дисциплины, основные понятия: материальное тело, механическое движение, равновесие.
Вопросы для самоконтроля
1. Что изучает техническая механика?
2. Что такое материя?
3. Что такое движение материи, какие формы движения вы знаете, что такое механическое движение?
4. Что понимается под равновесием?
5. Что изучается в теоретической механике и ее разделах: статике, кинематике, динамике?
Р а з д е л 1. ТЕОРЕТИЧЕСКАЯ МЕХАНИКА
Статика является частью теоретической механики, изучающей условия, при которых тело находится под действием заданной системы сил. Успешное овладение методами статики – необходимое условие для изучения всех последующих тем и разделов дисциплины технической механики.
Т е м а 1.1. Основные понятия и аксиомы статики
Следует глубоко вникнуть в физический смысл аксиом статики. Изучая связи и их реакции, нужно иметь в виду, что реакция связи является силой противодействия и направлена всегда противоположно силе действия рассматриваемого тела на связь (опору).
Вопросы для самоконтроля
1.
Какое тело называется абсолютно твердым?
2. Что называется материальной точкой?
3. Что такое сила и какова ее единица? Какими тремя факторами определяется сила, действующая на тело?
4. Что называется системой сил?
5. Какие две системы называются эквивалентными?
6. Какая сила называется равнодействующей данной системы сил?
7. Чем отличается равнодействующая данной системы сил от силы, уравновешивающей эту систему?
8. Что такое аксиомы статики, как они формулируются?
9. Какое тело называется несвободным?
10. Что называется реакцией связи, как направлены реакции наиболее распространенных типов связей?
Т е м а 1.2. Плоская система сходящихся сил
При изучении темы следует иметь ввиду, что эта система эквивалентна одной силе (равнодействующей) и стремиться придать телу (в случае, если точка схождения сил совпадает с центром тяжести тела) прямолинейное движение. Равновесие тела будет иметь место в случае равенства равнодействующей нулю.
Геометрическим условием равновесия является замкнутость многоугольника, построенного на силах системы, аналитическим условием – равенство нулю алгебраических сумм проекций сил системы на любые две взаимно перпендикулярные оси. Следует получить навыки в решении задач на равновесие тел, обратив особое внимание на рациональный выбор направления координатных осей.
Вопросы для самоконтроля
1. Какие силы называются сходящимися?
2. По какой формуле определяется величина равнодействующей двух сходящихся сил?
3. Как геометрически определяется равнодействующая системы сходящихся сил, влияет ли порядок сложения сил на величину и направление равнодействующей?
4. В чем состоит геометрическое условие равновесия системы сходящихся сил?
5. Сформулируйте теорему о равновесии трех непараллельных сил.
6. Что называется проекцией силы на ось, как определяется знак проекции?
7.
Известно, что сумма проекций всех сил, приложенных к телу на одну из двух взаимно перпендикулярных осей, равна нулю, на другую – не равна нулю.
Как направлена равнодействующая такой системы сил? Чему равна проекция этой равнодействующей на другую ось?
8. Как формулируются аналитические условия равновесия системы сходящихся сил?
9. В чем заключается сущность определения сил в стержнях ферм методом вырезания узлов?
Т е м а 1.3. Пара сил
При изучении темы следует знать, что система пар сил эквивалентна одной паре (равнодействующей) и стремиться придать телу вращательное движение. Равновесие тела будет иметь место в случае равенства нулю момента равнодействующей пары. Аналитическим условием равновесия является равенство нулю алгебраической суммы моментов пар системы. Следует обратить особое внимание на определение момента силы относительно точки. Необходимо помнить, что момент силы относительно точки равен нулю лишь в случае, если точка лежит на линии действия силы.
Вопросы для самоконтроля
1. Что называется парой сил?
2. Какое движение совершает свободное твердое тело под действием пары сил?
3.
Что называется моментом пары и как определяется знак момента? Какова единица момента?
4. Каким образом можно уравновесить действие на тело пары сил?
5. Какие пары сил называются эквивалентными?
6. Какими свойствами обладают пары сил?
7. В чем состоит условие равновесия пар, лежащих в одной плоскости?
Т е м а 1.4. Плоская система произвольно расположенных сил
При изучении темы следует иметь ввиду, что эта система эквивалентна одной силе (называемой главным вектором) и самой паре (момент, который называют главным моментом) и стремится придать телу в общем случае прямолинейное и вращательное движение одновременно. Изученные ранее системы сходящихся сил и система пар сил – частные случаи произвольной системы сил. Равновесие тела будет иметь место в случае равенства нулю и главного вектора, и главного момента системы. Аналитическим условием равновесия является равенство нулю алгебраических сумм проекций сил системы на любые две взаимно перпендикулярные оси относительно любой точки.
Следует получить навыки в решении задач на равновесие тел, в том числе на определение опорных реакций балок и сил, нагружающих стержни, обратив особое внимание на рациональный выбор направления координатных осей и положение центра моментов.
Вопросы для самоконтроля
1. Что называется моментом силы относительно данной точки?
2. Как выбирается знак момента?
3. Что такое плечо силы?
4. Изменится ли момент силы относительно данной точки при переносе силы по линии ее действия?
5. В каком случае момент силы относительно точки равен нулю?
6. Что значит привести силу к данному центру?
7. Что называется присоединенной парой?
8. Что называется главным вектором и главным моментом плоской системы сил и как они определяются?
9. Чем отличается главный вектор от равнодействующей данной системы?
10. Изменится ли главный момент и главный вектор при переносе центра приведения?
11. В каких случаях плоская система сил приводится к одной силе или к одной паре?
12.
Смысл теоремы Вариньона?
13. Сформулируйте условия равновесия плоской системы произвольно расположенных сил, напишите уравнения равновесия для такой системы сил (три вида).
14. Как с помощью теоремы Вариньона найти точку, через которую проходит линия действия равнодействующей плоской системы параллельных сил?
15. Напишите уравнения равновесия для плоской системы параллельных сил (два вида).
16. Как с помощью силового многоугольника определяются значение, направление и положение равнодействующей плоской системы сил?
17. Каковы графические условия равновесия сил, произвольно расположенных на плоскости?
18. Как определяют опорные реакции с помощью силового многоугольника?
Т е м а 1.5. Центр тяжести тела. Центр тяжести плоских фигур
Тема относительно проста для усвоения, однако крайне важна при изучении раздела сопротивления металлов. Главное внимание здесь необходимо обратить на решение задач, как с плоскими геометрическими фигурами, так и со стандартными прокатными профилями, таблицы ГОСТов для которых приведены в приложениях.
Вопросы для самоконтроля
1. Дайте определение центра параллельных сил и укажите его свойство; напишите формулы для определения координат центра параллельных сил.
2. Что называется центром тяжести тела?
3. Напишите формулы для определения координат центров тяжести однородного тела и тонкой однородной пластинки.
4. Что называется статическим моментом площади плоской фигуры? Единица измерения. В каком случае он равен нулю?
5. Как определяется центр тяжести плоской фигуры сложной формы?
6. Как определяется центр тяжести сечений, составленных из стандартных профилей проката?
Т е м а 1.6. Основы кинематики и динамики
При изучении кинематики точки обратите внимание на то, что криволинейное движение точки, как неравномерное, так и равномерное, всегда характеризуется наличием нормального (центростремительного) ускорения. При поступательном движении тела (характеризуемом движением любой его точки) применимы все формулы кинематики точки.
Формулы для определения угловых величин тела, вращающегося вокруг неподвижной оси, имеют полную смысловую аналогию с формулами для определения соответствующих линейных величин поступательно движущегося тела.
При изучении динамики следует глубоко вникнуть в физический смысл аксиом динамики. Необходимо научиться использовать основанный на принципе Даламбера метод кинетостатики, позволяющий применять уравнения равновесия статики для движущегося с ускорением тела. Следует помнить, что сила инерции прилагается к ускоряемому телу условно, так как в действительности на него не действует.
Вопросы для самоконтроля
1. Что изучает кинематика?
2. Дайте определение основных понятий кинематики: траектории, расстояния, пути, времени, скорости, ускорения.
3. Чем различаются между собой путь и расстояние?
4. Что называется законом или уравнением движения точки по данной траектории?
5. Какие способы задания движения точки применяют в кинематике и в чем они состоят?
6.
Что называется скоростью равномерного движения? Что она характеризует?
7. Что называется средней скоростью и скоростью в данный момент переменного движения? Как они определяются при задании движения точки естественным способом?
8. Что называется ускорением точки?
9. Какое ускорение называется касательным и как определяют его значение и направление?
10. Какое ускорение называют нормальным и как определяют его значение?
11. Каким ускорением обладает точка, если она движется по окружности равномерно?
12. Каким ускорением обладает точка, если она движется по окружности с переменной скоростью?
13. Дайте определение равнопеременного движения точки и напишите уравнения движения, скорости и ускорения.
14. Какое движение тела называется поступательным?
15. Какими свойствами обладают траектории, скорости и ускорения точек твердого тела, движущегося поступательно?
16.
Дайте определение вращательного движения твердого тела вокруг неподвижной оси.
17. Что называется угловым перемещением тела, угловой скоростью и угловым ускорением? Каковы их единицы?
18. Какое вращение твердого тела называется равномерным и какое равнопеременным?
19. Что называется линейной (окружной) скоростью точки вращающегося тела?
20. Какая существует зависимость между угловой скоростью вращающегося тела и скоростью любой точки этого тела?
21. Как выражаются касательное и нормальное ускорение точки твердого тела, вращающегося вокруг неподвижной оси, через угловую скорость и угловое ускорение тела?
22. Что изучает динамика?
23. В чем различие между кинематикой и динамикой?
24. Перечислите и сформулируйте основные законы динамики.
25. Что называется массой тела? Какова ее единица?
26. В чем состоят две основные задачи динамики точки?
27. Что называется силой инерции материальной точки? Как ее определить?
28. Может ли возникнуть сила инерции, если материальная точка движется прямолинейно и равномерно?
29.
Что называется касательной силы инерции? По какой формуле ее определяют?
30. Что называется нормальной или центробежной силой инерции? Чему она равна?
31. Возникает ли нормальная сила инерции при движении материальной точки по криволинейной траектории, если ее скорость движения постоянна?
Р а з д е л 2. СОПРОТИВЛЕНИЕ МАТЕРИАЛОВ
Изучение раздела «Сопротивление материалов» (наука о прочности, жесткости и устойчивости деформируемых под нагрузкой элементов машин и конструкций) следует начать с повторения раздела «Статика» (равновесие тел, уравнения равновесия, геометрические характеристики сечений). Непременными условиями успешного овладения учебным материалом являются:
а) четкое понимание физического смысла рассматриваемых понятий; б) свободное владение методом сечений;
в) осознанное применение геометрических характеристик прочности и жесткости поперечных сечений;
г) самостоятельное решение достаточно большого числа задач.
Принципиальная схема изучения каждого из видов нагружения бруса (старый термин «вид деформации») единообразна: от внешних сил с помощью метода сечения к внутренним силовым факторам, от них к напряжениям, от расчетного напряжения к условию прочности бруса.
Т е м а 2.1. Основные положения
При изучении темы следует усвоить, что внутренние силы, возникающие между частицами тела под действием нагрузок, являются таковыми для тела в целом; при применении метода сечений эти силы для рассматриваемой части тела являются внешними, т.е. к ним применимы методы статики. Действующая в проведенном поперечном сечении система внутренних сил эквивалентна в общем случае одной силе и одному моменту. Разложив их на составляющие, получим соответственно три силы (по направлению координатных осей), которые называют внутренними силовыми факторами (ВСФ). Возникновение тех или иных ВСФ зависит от фактического нагружения бруса. Определяют ВСФ с помощью уравнений равновесия статики. Внутренним нормальным силам соответствуют нормальные напряжения δ, касательным силам – касательные напряжения τ.
Вопросы для самоконтроля
1. Каковы основные задачи науки о сопротивлении материалов?
2. Что называется прочностью, жесткостью и устойчивостью элемента конструкции?
3.
Какие деформации называются упругими и какие пластическими (остаточными)?
4. Что называется упругостью твердого тела?
5. Как классифицируются нагрузки, действующие на сооружения?
6. Сформулируйте основные гипотезы и допущения, принимаемые в сопротивлении материалов.
7. Что такое брус, пластина (оболочка) и массивное тело?
8. В чем сущность метода сечений?
9. Охарактеризуйте внутренние силовые факторы (внутренние силы и моменты), которые могут возникнуть в поперечном сечении бруса.
10. Что называется напряжением в данной точки сечения? Какова его единица измерения?
11. Что такое нормальное и касательное напряжение? Как они действуют в рассматриваемых сечениях твердого тела?
12. В чем состоит задача расчета на прочность, на жесткость, на устойчивость?
Т е м а 2.2. Растяжение и сжатие
При изучении темы следует обратить особое внимание на гипотезу плоских сечений, которая справедлива и при других видах нагружения бруса.
При растяжении или сжатии напряжения распределяются по перечному сечению равномерно, геометрической характеристикой прочности и жесткости сечения является его площадь, форма сечения значения не имеет, все точки сечения равноопасны. Достаточное внимание следует уделить и вопросу испытания материалов, основным механическим характеристикам прочности материала, предельным и допускаемым напряжениям.
Вопросы для самоконтроля
1. Какой вид нагружения бруса называется растяжением и какой сжатием?
2. Что такое продольная и поперечная деформация бруса при растяжении (сжатии) и какова зависимость между ними?
3. Что называется продольной силой в сечении бруса?
4. Что такое эпюры продольных сил и нормальных напряжений? Где они строятся?
5. Как записывается и как формулируется закон Гука при растяжении (сжатии)?
6. Что такое модуль продольной упругости материала? Как он определяется? В каких единицах выражается?
7. Что называется жесткостью сечения бруса при растяжении (сжатии)?
8.
Можно ли увеличить жесткость бруса данного поперечного сечения, применив марку стали с повышенными прочностными характеристиками?
9. Какой имеет вид диаграмма растяжения образца малоуглеродистой стали?
10. Что называется пределами: пропорциональности, упругости, текучести, прочности?
11. Что такое условный предел текучести? Для каких материалов он определяется и почему?
12. В чем разница между условной и истинной диаграммой растяжения материалов?
13. Какими показателями характеризуется степень пластичности материала? Как они определяются?
14. Чем отличается диаграмма растяжения пластичной стали от диаграммы растяжения хрупкой стали?
15. По какой механической характеристики материала можно судить о его способности сопротивляться действию ударных нагрузок?
16. Что такое удельная потенциальная энергия деформации?
17. Что называется допускаемым напряжением материала? Какого его значение в вопросе прочности материала? Как оно выбирается для пластичных и хрупких материалов?
18.
Почему допускаемое напряжение должно быть ниже предела пропорциональности данного материала?
19. Что называется коэффициентом запаса прочности?
20. Какие факторы влияют на выбор допускаемого напряжения и коэффициента запаса прочности?
21. Напишите расчетное уравнение прочности на растяжение и сжатие по допускаемому напряжению. Объясните его смысл.
22. Напишите расчетное уравнение прочности на растяжение и сжатие по предельному состоянию.
23. Какие коэффициенты применяются при расчете по предельным состояниям и что они учитывают?
24. Что называется нормативным сопротивлением материала и что расчетным сопротивлением?
25. В чем сущность метода расчета по предельным состояниям?
26. Охарактеризуйте две группы предельных состояний.
27. Напишите расчетную формулу проверки несущей способности конструкции при растяжении, сжатии.
28.
Что называется опасным сечением бруса? Напишите формулы, по которым: а) проверяется действительное напряжение в сечении бруса; б) подбирается площадь поперечного сечения; в) определяется допускаемая нагрузка при заданном сечении бруса.
29. Напишите расчетное уравнение прочности бруса при растяжении и сжатии с учетом его собственной силы тяжести.
30. Что называется концентрацией напряжения в сечении бруса? Какие меры принимают для уменьшения концентрации напряжений? Почему концентрация напряжений менее опасна для пластичных материалов, чем для хрупких? Почему концентрация напряжений не опасна для чугуна?
31. Что такое коэффициент концентрации напряжений? От чего он зависит?
Т е м а 2.3. Практические расчеты на срез и смятие
При изучении темы следует обратить внимание на расчет заклепок, сварных соединений и врубок. Явление среза всегда «осложнено» наличием других напряжений. Надо уметь показывать на чертежах площадки, по которым возникают напряжения среза, смятия.
В учебнике изложены “Теоретическая механика” и”Сопротивление материалов”-первые два раздела курса” Техническая механика”-в соответствии с программой для машиностроительных специальностей техникумов. Издательство: “URSS” (2016) ISBN: 978-5-9710-3233-5 В My-shop |
Другие книги схожей тематики:
| Автор | Книга | Описание | Год | Цена | Тип книги |
|---|---|---|---|---|---|
| Аркуша А.И. | В учебнике изложены “Теоретическая механика” и”Сопротивление материалов”-первые два раздела курса” Техническая механика”-в соответствии с программой для машиностроительных специальностей техникумов… – URSS, (формат: 60×90/16, 304 стр.) – | 2016 | 757 | бумажная книга | |
Аркуша А. И. | В учебнике изложены `Теоретическая механика` и `Сопротивление материалов` – первые два раздела курса `Техническая механика` – в соответствии с программой для машиностроительных специальностей… – ЛЕНАНД, (формат: Твердая глянцевая, 400 стр.) | 2016 | 949 | бумажная книга | |
| Аркуша А. | Техническая механика: Теоретическая механика и сопротивление материалов | В учебнике изложены “Теоретическая механика” и “Сопротивление материалов” – первые два раздела курса “Техническая механика” – в соответствии с программой для машиностроительных специальностей… – Ленанд, (формат: Твердая глянцевая, 352 стр.) | 2016 | 777 | бумажная книга |
| И. А. Аркуша | В учебнике изложены “Теоретическая механика” и “Сопротивление материалов” – первые два раздела курса “Техническая механика” – в соответствии с программой для машиностроительных специальностей… – Либроком, (формат: 60×90/16, 354 стр. ) | 2015 | 1131 | бумажная книга | |
| А. И. Аркуша | Техническая механика. Теоретическая механика и сопротивление материалов. Учебник | В учебнике изложены “Теоретическая механика” и “Сопротивление материалов” – первые два раздела курса “Техническая механика” – в соответствии с программой для машиностроительных специальностей… – Ленанд, (формат: 60×90/16, 352 стр.) | 2016 | 753 | бумажная книга |
| А. А. Эрдеди, Ю. А. Медведев, Н. А. Эрдеди | Техническая механика. Теоретическая механика. Сопротивление материалов. Учебник | В учебнике изложены c применением высшей математики основы теоретической механики и сопротивления материалов, а также даны элементарные сведения из теории механизмов и машин. Приведены подробно… – Высшая школа, (формат: 60×90/16, 304 стр.) | 1991 | 180 | бумажная книга |
| Эрдеди А., Эрдеди Н. | Техническая механика. Учебник | Изложены основы теоретической механики, сопротивления материалов, деталей машин и механизмов с применением элементов высшей математики. Даны примеры расчетов. Учебник создан на основе 13-го издания… – Академия, (формат: Твердая глянцевая, 528 стр.) | 2014 | 1046 | бумажная книга |
| Сетков В. | Техническая механика для строительных специальностей. Учебник. 4-е издание, переработанное и дополненное | Данное учебное пособие построено нетрадиционно. Обычно курс технической механики для студентов средних профессиональных учебных заведений строительного направления состоит из следующих трех разделов… – Академия, (формат: Твердая глянцевая, 400 стр.) | 2015 | 1428 | бумажная книга |
| В. П. Олофинская | Техническая механика. Сборник тестовых заданий | В сборнике представлены тесты для контроля знаний курса “Техническая механика” по разделам “Теоретическая механика” и “Сопротивление материалов” . По основным темамдисциплин предложено по пять… – Форум, (формат: 60×90/8, 134 стр.) | 2011 | 372 | бумажная книга |
| Предлагаемая книга представляет курс лекций по двум разделам технической механики – “теоретическая механика” и”сопротивление материалов” . Каждый раздел содержит варианты практических занятий по… – Форум, Профессиональное образование | 2018 | 978 | бумажная книга | ||
| Олофинская В.В. | Техническая механика: курс лекций с вариантами практических и тестовых заданий | Курс лекций по двум разделам технической механики – “Теоретическая механика” и”Сопротивление материалов” . Каждый раздел содержит варианты практических занятий по основным темам. Данное учебное… – Форум, (формат: Переплёт, 352 стр.) | 2014 | 421 | бумажная книга |
| Олофинская Валентина Петровна | Техническая механика: Курс лекций с вариантами практических и тестовых заданий. Учебное пособие. Гриф МО РФ | 349 стр. Предлагаемая книга представляет курс лекций по двум разделам технической механики теоретическая механика и сопротивление материалов. Каждый раздел содержит варианты практических занятий по… – Проспект, (формат: Твердая глянцевая, 400 стр.) Профессиональное образование | 2009 | 1212 | бумажная книга |
| В. П. Олофинская | Техническая механика. Курс лекций с вариантами практических и тестовых заданий | Предлагаемая книга представляет курс лекций по двум разделам технической механики – «теоретическая механика» и «сопротивление материалов». Каждый раздел содержит варианты практических занятий по… – Неолит, (формат: Твердая глянцевая, 400 стр.) Профессиональное образование (Неолит) электронная книга | 2016 | 249 | электронная книга |
| Олофинская Валентина Петровна | Техническая механика. Курс лекций с вариантами практических и тестовых заданий. Учебное пособие | Предлагаемая книга представляет курс лекций по двум разделам технической механики -`теоретическая механика`и`сопротивление материалов`. Каждый раздел содержит варианты практических занятий по… – Форум, (формат: Твердая глянцевая, 400 стр.) Профессиональное образование |
Аркуша А.И.Руководство к решению задач по теоретической механике , 1971г.
(8,5Мб) – Скачать
Аркуша А.И., Фролов М.И. Техническая механика , 1983г.
(130Мб) – Скачать
Бать М.И., Джанелидзе Г.Ю., Кельзон А.С. Теоретическая механика в примерах и задачах ,
т.1- Статика и кинематика, 1967г. (7 Мб) – Скачать
т.2- Динамика, 1966г. (7,1 Мб) – Скачать
Березова О.А, Друшляк Г.Е., Солодовнков Р.В. Теоретическая механика ,
Сборник задач, 1980г. (7,2 Мб) – Скачать
Бутенин Н.В., Лунц Я.Л., Меркин Д.Р. Курс теоретической механики ,
т.1- Статика и кинематика, 1979г. (2,8 Мб) – Скачать
Гернет М.
М. Курс теоретической механики , 1973г.(5,6Мб) – Скачать
Диевский В.А., Малышева И.А. Теоретическая механика. Сборник заданий , 2009г.
(25Мб) – Скачать
Ишлинский А.Ю. Теоретическая механика. Буквенные обозначения величин , 1980г.
(0,3Мб) – Скачать
Кепе О.Э. Сборник коротких задач по теоретической механике , 1989г.
(8Мб) – Скачать
Кирсанов М.Н. Решебник. Теоретическая механика , 2002г.
(2,8Мб) – Скачать
, 1986г. и более поздние года издания.
(6Мб) – Скачать
Мещерский И.В. Сборник задач по теоретической механике , 1975г.
(9Мб) – Скачать
Лойцянский Л.Г., Лурье А.И. Курс теоретической механики ,
т.1- Статика и кинематика, 1982г. (10,3 Мб) – Скачать
т.2- Динамика, 1983г. (12,9 Мб) – Скачать
Новожилов И.М., Зацепин М.Ф. Типовые рачсчеты по теоретической механике на базе ЭВМ. ,
1986г. (2,2 Мб) – Скачать
Олофинская В.П. Технческая механика , 2007г.
(10Мб) – Скачать
Сетков В.И. Сборник задач по технической механике. , 2003г.
(7Мб) – Скачать
Старжинский В.М. Теоретическая механика. Краткий курс по полной программе ВТУЗОВ , 1980г.
(0,8Мб) – Скачать
Тарг С.М. Краткий курс теоретической механики , 1986г.
(6,5Мб) – Скачать
Теоретическая механика. Методические указания и контрольные задания для студентов-заочников строительных, транспортных, машиностроительных и приборостроительных специальностей высших учебных заведений. Под ред. Тарга С.М. , изд.3, 1982г.
(1,9Мб) – Скачать
Теоретическая механика: Методические указания и контрольные задания для студентов-заочников теплоэнергетических, горных, металлургических, электроприборостроения и автоматизации и технологических специальностей, а также специальностей геологических, электротехнических, электронной техники и автоматики, химико-технологических и инженерно-экономических высших учебных заведений. Под ред. Тарга С.М. , изд.
3, 1983г.(2,8Мб) – Скачать
Теоретическая механика: Методические указания и контрольные задания для студентов-заочников энергетических, горных, металлургических, электроприборостроения и автоматизации, технологических специальностей, а также геологических, электротехнических, электронной техники и автоматики, химико-технологических и инженерно-экономических специальностей вузов. Под ред. Тарга С.М. , изд.4, 1988г.
(1,1Мб) –
1. Аркуша. А. И. Техническая механика. Теоретическая механика и сопротивление материалов: Учеб. для средних спец. учеб. заведений/А. И. Аркуша. – 4-е изд., испр. – М.: Высшая. школа., 2002. – 352 с.:
2. Аркуша А.И. Руководство к решению задач по теоретической механике.
– М.: Высшая школа, 2002
Пермский государственный технический университет
Кафедра общей физики
Физика
Методические указания и контрольные задания
для студентов заочного отделения.
Ч а с т ь I
МЕХАНИКА
МОЛЕКУЛЯРНАЯ ФИЗИКА И ТЕРМОДИНАМИКА
Пермь 2002
УДК 53(07):378
План УМД 2001/2002 уч.
/г.
Физика: Методические указания и контрольные задания для студентов заочного отделения. Часть I. Механика. Молекулярная физика и термодинамика / Перм.гос.техн.ун-т, Пермь, 2002. – 71 с.
Составители: Зверев О.М ., к.т.н., Лощилова В.А ., Черноиванова Т.М ., Щицина Ю.К . Под общей редакцией Цаплина А.И., д.т.н., профессора.
Приведены общие рекомендации по применению физических законов и формулы к решению задач, правила округления, рабочая программа, список литературы, примеры решения задач по темам “Механика. Молекулярная физика. Термодинамика”, тренировочные задачи с ответами, проверочный тест и задачи для выполнения двух контрольных работ. Даны таблицы с номерами вариантов и номерами задач для каждого варианта, а также справочные таблицы.
Рецензент: Баяндин Д.В., к.ф.-м.н., доцент.
Издание стереотипное. Утверждено на заседании кафедры.
ã Пермский государственный
технический университет, 2002
Введение.
……………………………………………………………………………….. 4
Список литературы…………………………………………………………………. 4
1. Краткие методические указания по самостоятельному
изучению курса………………………………………………………………………. 5
2. Методические указания к решению задач…………………………………. 5
3. О приближенных вычислениях………………………………………………… 7
4. Основные формулы. Кинематика. Колебания и волны. Динамика. 9
4.1. Примеры решения задач…………………………………………………… 15
4.2. Тренировочные задачи……………………………………………………… 30
4.3. Проверочный тест…………………………………………………………….. 33
4.4. Контрольная работа № 1……………………………….
………………….. 36
5. Основные формулы. Молекулярная физика. Термодинамика…….. 45
5.1. Примеры решения задач………………………………………………………. 49
5.2. Тренировочные задачи…………………………………………………………. 57
5.3. Контрольная работа № 2………………………………………………………. 59
6. Вопросы для подготовки к экзамену………………………………………… 67
7. Справочные таблицы………………………………………………………………. 69
ВВЕДЕНИЕ
Цель настоящего издания – снабдить студентов-заочников рабочей программой и контрольными заданиями по курсу общей физики.
Весь учебный материал программы курса разделен на три части:
1. “Механика, молекулярная физика и термодинамика”.
2. “Электростатика. Постоянный ток. Электромагнетизм”.
3. “Оптика. Физика атома и атомного ядра”.
Каждая из частей содержит: рабочую программу, список учебной литературы, примеры решения задач, тренировочные задачи, контрольные задания, справочные таблицы.
Распределение объемов занятий и видов учебной работы при изучении физики для студентов-заочников всех специальностей дано в табл. 1.
Таблица 1
Основной формой изучения дисциплины является самостоятельная работа студента над рекомендованной литературой. Целесообразно проработать материал, пользуясь примерами решения задач, тренировочными задачами, контрольными заданиями, справочными таблицами.
5-е изд., испр. – М.: 2002. – 336 с.
Пособие содержит систематически подобранные типовые задачи по всему курсу, общие методические указания и советы для решения задач. Решение задач сопровождается подробными пояснениями. Многие задачи решены несколькими способами.
Для студентов машиностроительных специальностей
средних специальных учебных заведений. Может быть полезна студентам технических
вузов.
Формат: djvu (2002 , 5-е изд., испр., 336с.)
Размер: 6 ,2 Мб
Скачать: yandex.disk
Формат: pdf (1976 , 3-е изд., испр., 288с.)
Размер: 20,5 Мб
Скачать: yandex.disk
Содержание
Предисловие
Глава I. Действия над векторами
§ 1-1. Сложение векторов. Правила параллелограмма, треугольника и
многоугольника
§ 2-1. Разложение вектора на два составляющих. Разность векторов
§ 3-1. Сложение и разложение векторов графо-аналитическим способом
§ 4-1. Метод проекций. Проекция вектора на ось. Проекции вектора на две взаимно
перпендикулярные оси. Определение векторной суммы методом проекций
Раздел первый Статика
Глава II. Плоская система сходящихся сил.
§ 5-2. Сложение двух сил
§ 7-2. Многоугольник сил. Определение равнодействующей сходящихся сил
§ 8-2. Равновесие сходящихся сил
§ 9-2. Равновесие трех непараллельных сил
Глава III.
Произвольная плоская система сил
§ 10-3. Момент пары сил. Сложение пар сил. Равновесие пар сил
§ 11-3. Момент силы относительно точки
§ 12-3. Определение равнодействующей произвольной плоской системы сил
§ 13-3. Теорема Вариньона
§ 14-3. Равновесие произвольной плоской системы сил
§ 15-3. Равновесие с учетом сил трения
§ 16-3. Сочлененные системы
§ 17-3. Статически определимые фермы. Методы вырезания узлов и сквозного сечения
Глава IV. Пространственная система сил
§ 18-4. Правило параллелепипеда сил
§ 19-4. Проекция силы на три взаимно перпендикулярные оси. Определение
равнодействующей системы пространственных сил, приложенных к точке
§ 20-4. Равновесие пространственной системы сходящихся сил
§ 21-4. Момент силы относительно оси
§ 22-4. Равновесие произвольной пространственной системы сил
Глава V. Центр тяжести…………………….
§ 23-5. Определение положения центра тяжести тела, составленного из тонких
однородных стержней
§ 24-5.
Определение положения центра тяжести фигур, составленных из пластинок
§ 25-5. Определение положения центра тяжести сечений, составленных из профилей
стандартного проката
§ 26-5. Определение положения центра тяжести тела, составленного из частей,
имеющих простую геометрическую форму
Раздел второй Кинематика
Глава VI. Кинематика точки
§ 27-6. Равномерное прямолинейное движение точки
§ 28-6. Равномерное криволинейное движение точки
§ 29-6. Равнопеременное движение точки
§ 30-6. Неравномерное движение точки по любой траектории
§ 31-6. Определение траектории, скорости и ускорения точки, если закон её
движения задан в координатной форме
§ 32-6. Кинематический способ определения радиуса кривизны траектории
Глава VII. Вращательное движение твердого тела
§ 33-7. Равномерное вращательное движение
§ 34-7. Равнопеременное вращательное движение
§ 35-7. Неравномерное вращательное движение
Глава VIII. Сложное движение точки и тела
§ 36-8.
Сложение движений точки, когда переносное и относительное движения
направлены вдоль одной прямой
§ 37-8. Сложение движений точки, когда переносное и относительное движения
направлены под углом друг к другу
§ 38-8. Плоскопараллельное движение тела
Глава IX. Элементы кинематики механизмов
§ 39-9. Определение передаточных отношении различных передач
§ 40-9. Определение передаточных отношений простейших планетарных и
дифференциальных передач
Раздел третий Динамика
Глава X. Движение материальной точки
§ 41-10. Основной закон динамики точки
§ 42-10. Применение принципа Даламбера к решению задач на прямолинейное движение
точки
§ 43-10. Применение принципа Даламбера к решению задач на криволинейное движение
точки
Глава XI. Работа и мощность. Коэффициент полезного действия
§ 44-11. Работа и мощность при поступательном движении
§ 45-11. Работа и мощность при вращательном движении
Глава XII. Основные теоремы динамики
§ 46-12.
Задачи на поступательное движение тела
§ 47-12. Задачи на вращательное движение тела
Рекомендуем также
12 типов ролей механиков, которые следует учитывать, и их должностные обязанности
- Поиск работы
- 12 типов ролей механиков, которые следует учитывать, и их должностные обязанности
5 августа 2021 г. Вакансии доступны в зависимости от вашего опыта и интересов. Профессионалы с работой механика могут работать в различных профессиональных средах, включая ремонтные мастерские, строительные фирмы и автосалоны. Понимание различных областей и отраслей, в которых работают механики, может помочь вам решить, в какой области специализироваться и подходит ли вам эта карьера.В этой статье мы рассмотрим области карьеры, в которых могут работать механики, и предоставим вам список из 12 типов механиков и их должностные инструкции.
В каких сферах деятельности могут работать механики?
Многие отрасли используют и нанимают механиков для технического обслуживания и обслуживания своих транспортных средств, а это означает, что механики могут работать в нескольких областях.
Механики осматривают автомобили и проводят различные диагностические тесты, чтобы выявить проблемы с их двигателями, кузовами или внутренними системами и определить подходящее решение.Обслуживание и ремонт механического и электрического оборудования является важным аспектом их обязанностей, независимо от области их специализации. Механики могут использовать разные инструменты в зависимости от машин, с которыми они работают, и могут полагаться на свои обширные знания и понимание систем и механизмов транспортных средств.
В зависимости от области их интересов, есть много областей с карьерой для механиков. Профессионалы могут продолжить карьеру в авиации по ремонту самолетов. Они могут решить работать с тяжелой техникой в строительстве или сельском хозяйстве, или они могут работать исключительно с дизельными двигателями.Помимо ремонтных мастерских и дилерских центров, механики могут работать в государственных учреждениях, в авиационных ангарах и в горнодобывающих компаниях.
См.
также: Как стать механиком
12 типов механиков, на которые стоит обратить внимание
Если вы хотите стать механиком, есть несколько областей, в которых вы специализируетесь. Средняя заработная плата механика по стране составляет 50 537 долларов в год, хотя она может отличаться в зависимости от вашей области знаний и профессионального опыта. Бюро статистики труда заявляет, что средняя годовая зарплата механиков составляет 44 050 долларов в год.Большинство механиков работают в ремонтных мастерских и могут работать полный или неполный рабочий день в зависимости от работодателя.
Вот список из двенадцати типов механиков и описание их работы:
1. Дизельный механик
Дизельный механик может работать с большим количеством транспортных средств с дизельными двигателями, включая автомобили, грузовики и генераторы. Дизельные механики могут обслуживать и восстанавливать транспортные средства общего пользования, включая пожарные машины и машины скорой помощи.
У них также может быть возможность работать на бульдозерах, кранах и грузовиках, используемых для строительных работ.В некоторых электрогенераторах используются дизельные двигатели, для планового обслуживания и ремонта которых требуются эти специалисты. Это означает, что их работодатели могут потребовать, чтобы они были знакомы со многими типами трансмиссий, тормозных систем и механизмов рулевого управления.
Дизельные механики могут работать в муниципалитетах, ремонтных мастерских и крупных автотранспортных компаниях. Некоторые из их дополнительных должностных обязанностей могут включать:
Выполнение стандартного технического обслуживания, такого как смазка оборудования, выравнивание колес и замена аккумуляторов
Использование таких инструментов, как домкраты и подъемники, для подъема грузовиков, автобусов и других видов тяжелой техники
Тест-драйв транспортных средств для предотвращения сбоев в работе систем
Ремонт изношенных или сломанных деталей различных типов транспортных средств
2.
Общий автомобильный механикАвтомеханики помогают диагностировать и устранять различные проблемы с различными автомобильными транспортными средствами, включая легковые автомобили, грузовики и фургоны. Эта роль требует обширных знаний о механических и электрических компонентах автомобилей, включая тормоза, системы рулевого управления, приводные ремни, трансмиссии и двигатели. Также может потребоваться, чтобы люди были знакомы с различными инструментами, используемыми в процессе ремонта, включая токарные станки, гаечные ключи и компьютеризированные диагностические программы.Должностные обязанности этих специалистов могут быть изменены в связи с непрерывным развитием технологий в автомобильной промышленности.
Основные должностные обязанности общего автомобильного механика включают:
Использование компьютеризированных диагностических инструментов для изучения механических проблем и определения способов их решения
Разборка и сборка различных компонентов для доступа к более мелким частям автомобиля
Подробнее: Узнайте, как стать автомехаником
3.
Специалисты по тормозной системе и трансмиссииНекоторые специалисты по автомобильной технике специализируются на вопросах, связанных с тормозной системой и трансмиссией. Они могут выявлять и устранять проблемы с тормозными системами, а также обслуживать компоненты рулевого управления и силовую передачу, связанные с трансмиссией автомобиля. Они могут использовать специальное оборудование для центровки или станки для балансировки колес. Типичные должностные обязанности этих специалистов:
Выявление неисправностей или ошибок в работе с помощью диагностических инструментов гидравлические насосы, муфты и другие элементы трансмиссий
4.Кузовные механики
Эти специалисты помогают заменить или восстановить старые или поврежденные детали автомобиля, включая фары, бамперы или панели. Они несут ответственность за решение, когда они могут отремонтировать компонент автомобиля или собираются заменить его полностью. Автомеханики обычно работают с легковыми автомобилями, грузовиками и фургонами, которые требуют оценки из-за участия в столкновениях или авариях.
В то время как некоторые специалисты могут приобретать навыки во время работы, многие работодатели могут предпочесть, чтобы специалисты посещали профессионально-техническое училище или общественный колледж, чтобы обучить их необходимым навыкам до приема на работу.Некоторые из их основных обязанностей включают в себя:
Выполнение крупного и мелкого ремонта, например, исправление вмятин, исправление царапин на краске или выполнение крупных структурных улучшений
Выполнение полных работ по окраске автомобилей инструменты
5. Механики гоночных автомобилей
Хотя механики гоночных автомобилей могут выполнять некоторые из тех же должностных обязанностей, что и обычные автомобильные механики, они работают с высокопроизводительными автомобилями и в жестких временных рамках.Они несут ответственность за техническое обслуживание и модернизацию автомобиля до, во время и после гонки. Из-за особенностей этой роли обычно требуется формальное образование и обучение на месте, чтобы профессионалы могли проводить диагностику и ремонт во время гонки.
Некоторые из их уникальных обязанностей:
Работа с гонщиками для определения стратегий улучшения характеристик гоночного автомобиля
Выполнение быстрого ремонта на пит-стопах к гонке
Тесная работа вместе с командой из нескольких других механиков
6.Специалисты по обслуживанию
Эти механики отвечают за обслуживание автомобилей, которое может включать проверку важных механических и электрических компонентов или оценку уровней масла и жидкости. Они также могут диагностировать и устранять эксплуатационные проблемы, такие как чрезмерный расход топлива. Эти специалисты могут работать в ремонтной мастерской и использовать различные инструменты, такие как пневматические ключи, сварочные горелки и токарные станки, для выполнения необходимых задач. Эти специалисты диагностируют проблемы с зажиганием автомобиля, электрическими системами и системами управления двигателем.Поскольку технические автомобильные системы продолжают становиться все более сложными, все большее значение могут приобретать специалисты по обслуживанию.
Некоторые из их обязанностей могут включать:
Использование диагностического оборудования и компьютерных программ
Понимание интегрированных электронных систем, включая датчики предотвращения аварий транспортные средства
Подробнее: Узнайте о профессии автомобильного техника
7.Механики по автомобильным стеклам
Механики по автомобильным стеклам специализируются на снятии, ремонте и установке стекол на транспортных средствах. Они могут устанавливать ветровые стекла и другие стеклянные элементы, если они работают на производственном предприятии. В качестве альтернативы, если они работают в ремонтной мастерской, эти специалисты сосредотачиваются на ремонте и замене. Они могут выполнять ремонт в магазине или предоставлять мобильные услуги, когда они выезжают на дом или на работу к своим клиентам. Работодатели обычно требуют, чтобы эти механики имели сертификат в области установки или ремонта автомобильных стекол.
Вот некоторые из их должностных обязанностей:
Выполнение работ по защите стекол от атмосферных воздействий с использованием химической обработки, которая может противостоять сильному дождю и снегу
Установка стекол на новые автомобили замена
8. Механик по тяжелому оборудованию
Хотя механики по тяжелому оборудованию могут работать с теми же видами оборудования, что и механики по дизельным двигателям, их обязанности и задачи различаются.Поскольку они знакомы с крупными машинами, эти специалисты обычно работают в таких отраслях, как строительство, сельское хозяйство, промышленное развитие и железнодорожный транспорт. Это означает, что они могут иметь возможность работать с несколькими типами оборудования, включая гидравлические системы, двигатели и электрические системы. Некоторые другие профессиональные задачи механика тяжелого оборудования могут включать:
Понимание того, как разбирать и собирать оборудование
Чтение и понимание чертежей систем, руководств по эксплуатации и чертежей ремонт и замена из-за размера или неподвижности машины
Механик: Какая разница?
9.
АвиамеханикЭти специалисты ремонтируют и обслуживают самолеты, а также проводят проверки для Федерального авиационного управления (FAA). Они могут работать с различными вертолетами, поршневыми и реактивными двигателями, и, хотя работодатели могут не требовать специальной сертификации для обслуживания самолета, необходимо, чтобы их работу контролировал профессионал, имеющий соответствующую сертификацию. Если кто-то заинтересован в продвижении своей карьеры авиамеханика, он может рассмотреть возможность получения сертификата механика по рейтингу планера или сертификата механика по рейтингу силовой установки, которые предоставляет FAA.Эти сертификаты могут помочь вам получить квалификацию для всех видов ремонта самолетов.
Должностные обязанности для этой должности могут включать:
Замена неисправных деталей и их проверка на наличие возможных дефектов перед установкой
Понимание необходимых процедур для различных проектов ремонта для решения проблем, связанных с воздушным судном
Ремонт конкретных элементов самолета, включая тормоза, крылья и компоненты электрических систем самолета
Обеспечение стандартов производительности путем регулярной проверки завершенных ремонтов и замен
10.
Механик по малым двигателямЭти специалисты обслуживают и восстанавливают двигатели меньшего размера, чем двигатели стандартных автомобилей, что означает, что перед ними могут стоять подробные и сложные задачи. Механики малых двигателей могут работать с различными видами техники, включая мотоциклы, лодки и наружное силовое оборудование. Чтобы эффективно выполнять свои рабочие обязанности, они могут использовать такие инструменты, как плоскогубцы, отвертки и гаечные ключи. Они также могут полагаться на компьютеризированные диагностические тесты для определения решений конечных и сложных проблем с двигателем.Их общие обязанности аналогичны обычным автомобильным механикам, хотя они работают с двигателями меньшего размера. Некоторые из этих обязанностей включают в себя:
Выполнение планового технического обслуживания, включая замену масла, жидкости и уход за шинами
Сообщение результатов клиентам и принятие правильных действий для рекомендации
Тестирование электрических и механических систем для диагностики проблемы или неисправности
Использование ручных инструментов для восстановления или улучшения состояния различных деталей
11.
Морской механикВ то время как некоторые дизельные механики могут работать с лодками в зависимости от их двигателей, морские механики, также известные как механики моторных лодок, уделяют особое внимание обслуживанию и ремонту водных транспортных средств. Они могут работать на разных работодателей, включая верфи, пристани для яхт и дилерские центры по продаже лодок. Они несут ответственность за оценку работы лодочных двигателей и определение необходимости ремонта или замены деталей. Они могут работать со стационарными моторами, подвесными моторами и большими судовыми дизельными двигателями.Некоторые из их дополнительных обязанностей:
Обслуживание и обновление навигационных систем и оборудования
Ремонт или замена различных элементов лодки, включая паруса, винты и такелаж
Установка и техническое обслуживание рулевого управления и электрических систем
4
9 Модернизация санитарных систем на лодках
12.
Механик по шинамВ то время как другие виды механиков могут помочь в уходе за шинами и их обслуживании, есть также профессионалы, которые специализируются на этой роли.Шиномонтажники регулярно выявляют проблемы с шинами и занимаются ремонтом и заменой на большом количестве транспортных средств. Поскольку они работают с одним конкретным аспектом автомобилей и других транспортных средств, их обязанности детализированы и уникальны, и некоторые работодатели могут потребовать специальных сертификатов. В их должностные обязанности может входить:
Установка и знание того, как затянуть колесо в соответствии со спецификациями производителя
Снятие шин с дисков и понимание того, как их балансировать
Лучший шаблон должностной инструкции механика
Механик Описание работы
Механик — это работник сферы обслуживания, занимающийся ремонтом и обслуживанием легковых и грузовых автомобилей.Их работа заключается в том, чтобы эти автомобили были готовы к эксплуатации, чтобы их владельцы могли безопасно управлять ими.
Чтобы сделать это эффективно, они полагаются на широкий спектр инструментов и методов.
Механики выполняют множество задач в течение обычного дня. Они исследуют различные системы автомобиля, диагностируют проблемы и устраняют их, заменяя неисправные компоненты новыми. Механики также выполняют обычные задачи по техническому обслуживанию, такие как замена масла в автомобиле, его фильтров и ремней.
Сотрудники в этой роли часто работают непосредственно со своими клиентами.Таким образом, они должны обладать сильными навыками обслуживания клиентов и способностью отвечать на любые вопросы, которые могут возникнуть у клиентов об уходе за их автомобилем.
Чтобы претендовать на роль механика, человек, как правило, должен либо пройти обучение на механика, либо развить прочные автомобильные навыки каким-либо другим способом.
Механик Образец должностной инструкции
Мы ищем квалифицированного механика, который пополнит наш растущий штат. В этой роли вашей задачей будет помогать обслуживать и ремонтировать автомобили, грузовики и внедорожники наших клиентов.
Для успешного выполнения этой задачи вам необходимо уметь пользоваться широким спектром автомобильных инструментов, методов и продуктов.
В ваши задачи будет входить общение с нашими клиентами, чтобы определить, почему они принесли нам свои автомобили. Затем вы будете использовать свои специальные знания для диагностики источника проблемы и ее устранения. Вы будете исследовать двигатели, тестировать электрические системы, менять шины и выполнять другие задачи по ремонту и техническому обслуживанию автомобилей.
Мы бы предпочли нанять человека, который имеет некоторую формальную подготовку по работе с автомобилями.Но также может нанять подходящего кандидата без этой квалификации, если он может выполнять основные задачи механика без присмотра.
Вы можете начать процесс подачи заявки сегодня, отправив нам свое резюме.
Обязанности механика:
- Общение с клиентами для выявления проблем, с которыми они сталкиваются в своих автомобилях
- Диагностика источников механических проблем и их устранение
- Замена неисправных и неисправных автомобильных деталей новыми
- Ведение детальной работы журналы и записи технического обслуживания
- Проверка электрических систем и ремонт по мере необходимости
- Выполнение работ по техническому обслуживанию автомобиля, таких как замена масла и перестановка шин
Требования к механику:
- Аттестат о среднем образовании или его эквивалент
- Завершение программы обучения механику приветствуется
- Предыдущий опыт работы на аналогичной должности
- Способность выполнять общие задачи по техническому обслуживанию и ремонту автомобилей с минимальным контролем
- Готовность работать в нерабочее время в соответствии с потребностями планирования
Часто задаваемые вопросы механика
Какие задачи выполняет мех аник полный?
Работа механика заключается в ремонте и обслуживании транспортных средств.
Они диагностируют проблемы в двигателе автомобиля и электрической системе и устраняют их, используя свои специальные знания. Механики также тратят некоторое время на создание записей об обслуживании, ведение инвентаря и ответы на вопросы клиентов об обслуживании автомобилей.
Что я должен включить в свои объявления о поиске механика?
Мы рекомендуем вам следовать схеме, которую мы использовали выше. Он содержит все, что вам нужно, чтобы создать привлекательное объявление о поиске помощи для вашей доступной должности механика.Начните с нескольких абзацев, в которых говорится о работе в целом, а затем перейдите к двум маркированным спискам, чтобы показать ее обязанности и требования.
Могу ли я использовать ваш шаблон должностной инструкции механика?
Безусловно! Вы можете использовать все наши шаблоны описаний вакансий столько, сколько считаете нужным. Но вы захотите обновить то, что мы здесь написали, добавив некоторую информацию, которая отличает вашу работу от других на рынке.
Это поможет вам привлечь как можно больше квалифицированных кандидатов в вашем регионе.
Взаимодействие между конечностями и механикой окружающей среды влияет на чувствительность рефлекса растяжения в руке человека
Рефлексы растяжения способствуют импедансу руки, а рефлексы растяжения с более длительной задержкой проявляют повышенную чувствительность во время взаимодействия с податливой или нестабильной средой. Эта повышенная чувствительность согласуется с регулированием импеданса руки, чтобы компенсировать снижение стабильности окружающей среды, но специфичность этой модуляции еще предстоит исследовать.Многие задачи, такие как использование инструментов, ставят под угрозу стабильность руки в определенных направлениях, а рефлексы растяжения, настроенные на эти направления, могут представлять собой эффективный механизм регулирования импеданса руки в соответствии с задачей. Чтобы быть эффективной, такая настройка должна адаптироваться не только к механическим свойствам окружающей среды, но и к тем свойствам по отношению к руке, которая также имеет направленно-специфические механические свойства.
Целью этого исследования было изучение специфики модуляции рефлекса растяжения во время взаимодействия с механическими средами, которые нарушают стабильность руки.Испытуемые среды были нестабильны, обладая характеристиками пружины отрицательной жесткости. Они были либо выровнены, либо ортогональны направлению максимальной конечной жесткости для каждого субъекта. Наши результаты демонстрируют предпочтительное увеличение рефлексов, возникающих в течение 50-100 мс после начала возмущения, на возмущения, применяемые именно в направлении дестабилизирующих сред. Это увеличение произошло только тогда, когда величина нестабильности окружающей среды превышала жесткость конечной точки в том же направлении.Эти результаты согласуются с рефлекторной модуляцией для конкретной задачи, настроенной на механические свойства окружающей среды по сравнению со свойствами руки человека. Они демонстрируют хорошо адаптируемый, непроизвольный механизм, который можно использовать для модуляции импеданса конечностей в определенных направлениях.
[В разработке][В разработке] Боевые задачи – War Thunder
24 декабря 2015 г.В обновлении 1.55 «Королевские доспехи» мы ввели новую игровую механику – Боевые задачи, эти отдельные задачи вносят разнообразие в игровой процесс и предотвращают ситуации, когда все игроки в битве пытаются выполнить одну определенную задачу, игнорируя цели миссии, необходимые для победы.
Именно поэтому каждый день игроку будет даваться несколько случайных заданий разного уровня сложности. Чем сложнее задание, тем выше награда.
Игроку не нужно зарабатывать, покупать или разблокировать боевые задания – они доступны всем игрокам, имеющим технику 3 ранга любой нации в специальном меню игры.Игрок может получать задания 3-х уровней сложности. Изначально игроку будет дано 2 простых задания для наземных боев и 2 для воздушных боев (для аркадного и реалистичного режима).
Выполнив хотя бы одно легкое задание, он получит приз, а оставшиеся задания будут заменены новыми, средней сложности. После выполнения одного из них игроку станут доступны сложные задания. В день можно выполнить только 3 задания — одно легкое, одно среднее и одно сложное.
Если вам не нравится предложенное Боевое задание, вы можете изменить его за определенное количество Серебряных львов.Чем чаще вы меняете задания, тем дороже они будут стоить в Серебряных львах, после определенного количества смен в день они станут доступны только для Золотых орлов – так что выбирайте внимательно.
За выполнение Боевых задач вы получите Серебряных львов и новую внутриигровую валюту – Военные облигации. Военные облигации можно потратить на покупку определенных предметов, доступных только за военные облигации. Военные облигации должны быть потрачены в течение месяца, вы сможете покупать различные предметы — они будут меняться каждый месяц, а также типы военных облигаций, которые можно использовать для покупки — так что не стесняйтесь их тратить!
Вы можете получить награду сразу после выполнения боевого задания.
Обратите внимание, что это не делается автоматически – вы должны выбрать награду вручную, нажав определенную кнопку.
Это еще не все! В дни, когда в War Thunder действуют специальные предложения, эта механика облегчит вам поиск текущих задач, а также отслеживание вашего прогресса и времени, необходимого для их выполнения.
Мы уверены, что «Боевые задачи», включенные в обновление 1.55, предоставят более интересные способы достижения побед для всех наших игроков в War Thunder.Удачи!
Команда War Thunder
Обсудить на форумах
Корреляция между механикой видеоигр и исполнительными функциями посредством анализа ЭЭГ
https://doi.org/10.1016/j.jbi.2016.08.006Получить права и контент область мозга и улучшить когнитивные навыки.Выявленная механика тесно связана с торможением, рабочей памятью и переключением передач.
Нейронауки и вычисления улучшают диагностику и лечение когнитивных проблем.
Abstract
В этой статье рассматривается другая точка зрения на видеоигры, особенно на серьезные игры для здоровья. Эта статья вносит свой вклад в эту область с междисциплинарной точки зрения с акцентом на нейронауки и вычисления. Экспериментальная популяция состояла из подростков в возрасте от 8 до 12 лет без каких-либо когнитивных проблем. Эксперимент состоял в том, что пользователи играли в видеоигры, а также выполняли традиционные психологические тесты; при выполнении этих заданий оценивалась активность лобных отделов мозга.Основная цель состояла в том, чтобы проанализировать, как лобная доля мозга (исполнительная функция) работает с точки зрения выдающихся когнитивных навыков в пяти типах игровой механики, широко используемых в коммерческих видеоиграх. Анализ был сделан путем сбора сигналов мозга во время двух фаз эксперимента, где сигналы анализировались с помощью нейрогарнитуры электроэнцефалограммы. Подтвержденные гипотезы заключались в том, могут ли видеоигры развивать исполнительные функции и можно ли определить, какие когнитивные навыки развиваются во время каждого типа типичной механики видеоигр.
Результаты способствуют разработке серьезных игр для здоровья на концептуальном уровне, особенно в поддержку диагностики и лечения когнитивных патологий.
Ключевые слова
Ключевые слова
Серьезные игры
Pervasive Health
Health Games
Мозгов-компьютерное взаимодействие
Исполнительные функции
Вычислительные нейрознания
Когнитивная реабилитация
Electroencephalogram
Рекомендуемая статей оцифрограмма (0)
© 2016 Elsevier Inc .
Рекомендуемые статьи
Ссылки на статьи
Моделирование задач в совместном рабочем пространстве с механизмом совместной работы
310 •D. Пинель и др.
BIAS, R. 1994. Пошаговое руководство по плюралистическому юзабилити: координированное сопереживание. В Usability
Inspection Methods, Nielsen, J. and Mack, RL, Eds. John Wiley & Sons, New York, 65–
78.
BRINCK, T. AND GOMEZ, L.M. 1992. Совместная среда для поддержки диалогового
реквизита.
В материалах конференции ACM 1992 г. по совместной работе с компьютерной поддержкой.
Торонто, декабрь, ACM Press, 171–178.
КУГИНИ Дж., ДАМЬЯНОС Л., ХИРШМАН Л., КОЗЕРОК Р., КУРЦ Дж., ЛАСКОВСКИЙ С. И ШОЛЬЦ Дж.
1997. Методология оценки систем сотрудничества. Тех. Отчет рабочей группы по оценке
программы интеллектуального сотрудничества и визуализации DARPA, версия 3.0.
http://zing.ncsl.nist.gov/nist-icv/documents/method.HTML.
КАРРОЛЛ, Дж. М. 2000. Введение в специальный выпуск «Разработка систем на основе сценариев».
Взаимодействие с компьютерами 13,1,41–42.
КЛАРК, Х. 1996. Использование языка. Издательство Кембриджского университета, Кембридж.
ПОДГУЗНИК, Д. 1989. Анализ задач для взаимодействия человека с компьютером. Эллис Хорвуд, Чичестер.
ДИКС, А., ФИНЛЭЙ, Дж., ЭБОУД, Г. И РАССЕЛ, Б. 1998. Взаимодействие человека и компьютера. Prentice Hall
Европа, 408–412.
ДУРИШ,П.И БЕЛЛОТТИ, В.
1992. Осведомленность и координация в общих рабочих пространствах. В трудах
докладов конференции ACM 1992 г. по совместной работе с компьютерной поддержкой. Торонто, декабрь,
ACM Press, 107–114.
ГРИНБЕРГ С., ФИТЦПАТРИК Г., ГУТВИН С. И КАПЛАН С. 1999. Адаптация структуры локалей
для эвристической оценки группового ПО. In Proceedings 1999 Conference of Computer Human Inter-
Special Interest Group of the Ergonomics Society of Australia OZCHI’99.Wagga Wagga,
Новый Южный Уэльс, Австралия, ноябрь 1999 г. Доступно на http://www.csu.edu.au/OZCHI99/.
ГРУДИН, Дж. 1990. Групповое ПО и совместная работа: Проблемы и перспективы. InTheArtof Human
Дизайн компьютерного интерфейса, Лорел, Б., изд. Аддисон-Уэсли, 171–185.
ГРУДИН, Дж. 1994. Групповое ПО и социальная динамика: восемь задач для разработчиков. коммун.
АКМ 37,1,92–105.
ГУТВИН, К. И ГРИНБЕРГ, С. 2000. Механика сотрудничества: разработка методов оценки
с низкими затратами для удобства использования для общих рабочих пространств.
В материалах 9-го Международного семинара IEEE по
Вспомогательные технологии: инфраструктура для совместных предприятий (WET ICE’00). Gaithersburg,
Мэриленд, март, IEEE Press, 98–103.
ГУТВИН, К. И ГРИНБЕРГ, С. 1999. Влияние поддержки осведомленности о рабочем пространстве на удобство использования
распределенного группового программного обеспечения в реальном времени. АКМ транс. Вычисл.-Хум. Интер. (ТОЧИ) 6,3,243–281.
ГУТВИН, К. И ГРИНБЕРГ, С. 1996. Осведомленность о рабочем пространстве для групповой работы. В конференции Companion
по человеческому фактору в вычислительных системах, 1996 г. (CHI’96).Ванкувер, апрель, ACM Press,
208–209.
HOLTZBLATT, K. AND JONES, S. 1993. Контекстный дизайн: принципы и практика. В Совместном дизайне
: принципы и практика, Шулер, Д. и Намиока, А., ред. Ассоциация Лоуренса Эрлбаума,
Нью-Йорк.
ХЬЮЗ, Дж., КИНГ, В., РОДДЕН, Т., И АНДЕРСЕН, Х. 1994. Выезд из диспетчерской:
этнография в проектировании систем.
В материалах конференции ACM 1994 г. по компьютерной поддержке
«Совместная работа».Чапел-Хилл, Северная Каролина, октябрь, ACM Press, 429–439.
ХАТЧИНЗ, Э. 1990. Технология командной навигации. В книге «Интеллектуальная командная работа: социальные и
технологические основы совместной работы», Галегер Дж., Краут Р. и Эгидо К., ред.
Лоуренс Эрлбаум, Хиллсдейл, Нью-Джерси, 191–220.
LEWIS, C., POISON, P., WHARTON, C., AND RIEMAN, J. 1990. Тестирование пошаговой методологии для
теоретического проектирования интерфейсов «встань и используй». Вычислительные системы.Сиэтл, март, ACM Press, 235–242.
MCDANIEL, S.E. 1996. Предоставление информации для поддержки переходов при удаленном сотрудничестве с помощью компьютера. В компаньоне конференции по человеческому фактору в вычислительных системах –
tems 1996 (CHI’96). Ванкувер, апрель 1996 г., ACM Press, 57–58.
NIELSEN, J. AND MACK, R. L. 1994. Методы проверки удобства использования.
Джон Уайли и сыновья, Нью-Йорк.
NIELSEN, J. AND MOLICH, R. 1990. Эвристическая оценка пользовательских интерфейсов.В материалах конференции
1990 SIGCHI по человеческому фактору в вычислительных системах. Сиэтл, март, ACM Press,
249–256.
ACM Transactions on Computer-Human Interaction, Vol. 10, № 4, декабрь 2003 г.
Как собиратель повышает уровень сложности. Правильная механика прогресса | by Josh Bycer
Вы наверняка слышали или читали о гриндинге, особенно в контексте обзоров игр. Обычно это определяется повторяющейся задачей (или задачами), которую игрок должен выполнить, чтобы продолжить прогресс в игре.Механически гринд может принимать разные формы в зависимости от игры (и жанра), но вы, скорее всего, видели или сталкивались с этой концепцией в ролевых играх и мобильных играх. Обычно происходит то, что игрок может достичь босса или столкнуться с ним, который просто слишком сложен — и в этом случае его могут поощрять «гриндить», неоднократно сражаясь с более легкими противниками, чтобы заработать достаточно опыта, чтобы повысить уровень и стать сильнее (или возможно, чтобы заработать достаточно денег, чтобы купить лучшее снаряжение).
Большинство мобильных игр, использующих эту технику, основаны на постоянно растущем масштабе измельчения.Часто на рану добавляется дополнительная соль из-за включения модели прогрессии лутбоксов (где вам нужно получить правильные предметы, чтобы обновить своих персонажей или снаряжение). В этих обстоятельствах вы не найдете разумного способа продолжить, если не появится правильное падение.
Учитывая этот контекст, заманчиво рассматривать гринд как чисто плохую идею с точки зрения геймдизайна. Но как насчет игры, в которой — это гриндинг ?
Введите Forager , приключенческую игру, разработанную HopFrog и выпущенную в 2019 году для ПК, PS4, Nintendo Switch и Xbox One.Что такое Forager ? Что ж, я бы склонен описывать это как 90 578 продвинутых 90 579 инди-игр. Ваша единственная миссия в игре — продолжать расти: создавать больше ресурсов и заполнять землю.
Все в игре требует, чтобы вы шлифовали, чтобы прогрессировать.
На практике здесь задействовано множество элементов. Деньги — это игровая валюта, что неудивительно, но прежде чем вы сможете их заработать, вам нужно будет с сделать их . Это включает в себя приобретение золотых слитков для плавки.Прежде чем вы сможете получить их, вам нужно будет добывать ресурсы. А до и вам нужно будет построить и плавильню, и наковальню. Тот же принцип применим к любому новому оборудованию, которое вы хотите построить. Создание и развитие всех этих компонентов навсегда улучшит вашего персонажа.
Как и следовало ожидать, Forager очень практичен с точки зрения мгновенного опыта. Все должно быть сделано вручную, что, в свою очередь, означает, что много времени тратится как на сбор материалов, так и на ожидание их доработки.Выполнение любой задачи в игре награждает вас очками опыта, которые можно использовать для повышения уровня.
Каждый раз, когда вы достигаете нового уровня, вы можете разблокировать новую способность из постоянно расширяющегося списка. Эти привилегии дают бонусы, открывают новые предметы и структуры и, как правило, всегда дадут вам что-то новое.
По мере прохождения игры и достижения середины пути вы будете открывать элементы, которые либо полностью автоматизируют существующие ручные задачи, либо ускоряют их. К тому времени, когда я закончил игру, у меня было сверхмощное оружие, которое собирало все, что мне было нужно, а также тут же сохранялось.У меня были банки, производившие бесплатные деньги каждую минуту, и я быстро набирался опыта.
Forager напоминает мне Stardew Valley в том смысле, что его игровой цикл в значительной степени основан на «занятой работе» — но важно то, что обе эти игры понимают, как сделать увлекательным и интересным .
Хотя я коснулся негативных аспектов шлифовки в первых нескольких абзацах этой статьи, я могу обобщить их двояко.
Во-первых, в игре имеет тенденцию превращаться в рутинную , когда игрок не может прогрессировать так же легко, как раньше в игре (особенно когда прогресс становится все более разочаровывающим из-за произвольных факторов). Еще худшей реализацией может быть случай, когда игрок просто многократно повторяет одни и те же задачи, не видя какого-либо заметного прогресса или развития.
Forager решает обе эти проблемы благодаря продуманным дизайнерским решениям.Во-первых, прогресс всегда происходит в Фораджер благодаря полосе опыта. Как игрок, вы всегда можете четко видеть, что то, что вы делаете, продвигает игру вперед — независимо от того, большие ваши действия или маленькие.
Вместо того, чтобы просто увеличивать гринд в линейном масштабе по ходу игры, Фуражир постоянно вводит новые элементы , а оптимизирует старые. Например, в начале игры сбор песка — это огромная проблема, и она построена вокруг RNG рыболовных ловушек.
Но если вы продолжите играть, вы разблокируете лопаты, которые не только позволят вам выкапывать полезные артефакты, но и могут быть улучшены со временем, чтобы всегда производить песок.
Везде, где в Forager есть медленные места — или когда гриндинг может начать раздражать или разочаровывать — всегда будет какой-то способ смягчить или полностью устранить эти разочарования на каком-то этапе. И когда это время придет, у игрока появится еще одна новая блестящая штука.
Stardew Valley работает точно так же — за каждое выполненное задание вы получаете опыт.Когда вы повышаете уровень, вы открываете способы упростить эту задачу и , чтобы выполнять новые действия, связанные с ней.
Другими словами, ни в одной из игр не бывает времени, когда игрок просто крутит колеса, ожидая, что что-то произойдет. Чем дольше кто-то играет в эти игры, тем больше контента открывается.

Можно делать заказы только лишь тогда, когда в этом возникает необходимость или делегировать часть работы – в зависимости от объема работы будет зависеть и цена.
Ускорение Кориолиса

Приведение к равнодействующей и ее вычисление
, Рудерман М. Механика. Берклеевский курс физики. — М.: Лань, 2005. — 480 с. — ISBN 5-8114-0644-4.
: Наука, 1970. — 568 с.
С. Поллака. — М.: Наука. 1989.
A Short Course. — Moscow: Mir Publisher, 1976. — 528 p.
Е. Теоретическая механика. 2-е изд. — М.-Л.: ГИТТЛ, 1952. — 812 с.
М. Краткий курс теоретической механики: Учебник для вузов. 18-е изд. — М.: Высшая школа, 2010. — 416 с. — ISBN 978-5-06-006193-2.
51-е изд. — Спб.: Лань, 2012. — 448 с. — ISBN 978-5-8114-0019-1.
.
Г. Задачи по теоретической механике. 2-е изд. — М.: Физматлит, 2003. — 536 с.
: Высшая школа, 1976. — 264 с.
Применение основных законов, теорем, уравнений, расчетных формул иллюстрируется решением практических примеров. Учебник может быть рекомендован студентам машиностроительных специальностей, обучающимся в техникумах и колледжах, в том числе без отрыва от производства. Учебник может использоваться также в группах учащихся немашиностроительных специальностей, связанных с эксплуатацией промышленного оборудования.
И.
)
Учебник
По основным темамдисциплин предложено по пять… – Форум, (формат: 60×90/8, 134 стр.)
Учебное пособие. Гриф МО РФ
Учебное пособие