Autodesk AutoCAD. Базовый уровень
Видео-Занятие 1
Autodesk AutoCAD, первое знакомство
Введение
О программе, производителе, аналогах
Где скачать и как установить
Обзор интерфейса
Сброс настроек на настройки «по умолчанию»
Начальная настройка интерфейса
Командная строка
Видовой куб
Оси координат
Панель навигации
Строка состояний
Ориентация в чертеже, выделение объектов
Демонстрационный чертеж
Зуммирование, панорамирование с помощью мыши
Три способа выделения объектов
Снятие выделения (полное и частичное)
Удаление объектов, инструмент «Стереть»
Отмена действия, повтор действия, горячие клавиши
Изменение цвета фона пространства модели
Инструменты рисования и редактирования
Инструменты «Отрезок» и «Полилиния». Отличия, преимущества
Инструменты редактирования
Инструмент «Соединить»
Инструмент «Расчленить»
Точность построений
Режим «Орто»
Режим «Объектная привязка»
Инструмент «Прямоугольник»
Инструмент «Круг»
Построение объекта
Единицы чертежа.
Понятие «Масштаб»
Построение
Сохранение чертежей, настройка формата сохранения
Видео-Занятие 2
Основные инструменты редактирования
Инструмент «Перенести»
Инструмент «Копировать»
Инструмент «Повернуть»
Инструмент «Отразить зеркально»
Инструмент «Обрезать»
Инструмент «Удлинить»
Создание нового чертежа
Черчение детали №1
Черчение детали №2
Слои
Обзор диспетчера свойств слоёв
Перемещение окон и палитр
Создание нового слоя, изменение свойств
Перенос объекта в другой слой
Текущий слой
Онлайн-занятие 3
Онлайн-консультация, разбор домашних заданий
Видео-Занятие 4
Оформление чертежа в пространстве листа
Понятия «Модель» и «Лист», отличия
Диспетчер параметров листов
Создание набора параметров листа
Понятие «Видовой экран»
Масштаб видового экрана
Текст
Текстовый стиль по ГОСТ
Однострочный текст
Многострочный текст
Редактирование текста
Размеры
Размерный стиль по ГОСТу
Инструмент «Линейный размер»
Инструмент «Параллельный размер»
Инструменты «Радиус» и «Диаметр»
Нанесение размеров
Сохранение в PDF, печать
Особенности формата PDF
Практика работы
ОНЛАЙН-ЗАНЯТИЕ 5
Онлайн-консультация, разбор домашних заданий
ВИДЕО-ЗАНЯТИЕ 6
Таблицы
Создание стиля таблиц
Настройка таблиц
Контекстная вкладка
Блоки, группы
Создание блока
Редактирование блока
Создание группы
Редактирование группы
Встроенные блоки
Библиотеки блоков
Инструмент «Растянуть»
Штриховка, заливка
Инструменты «Штриховка», «Заливка», «Градиент»
Добавление/ вычитание объектов штрихования
Инструмент «Копирование свойств»
ОНЛАЙН-ЗАНЯТИЕ 7
Онлайн-консультация, разбор домашних заданий
ВИДЕО-ЗАНЯТИЕ 8
Дополнительные инструменты рисования
Инструмент «Дуга»
Инструмент «Полигон»
Инструмент «Эллипс»
Инструмент «Сплайн»
Инструмент «Луч»
Инструмент «Прямая»
Инструмент «Точка»
Инструмент «Спираль»
Инструмент «Кольцо»
Инструмент «Пометочное облако»
Инструмент «Маскировка»
Дополнительные инструменты редактирования
Инструмент «Прямоугольный массив»
Инструмент «Круговой массив»
Инструмент «Массив по траектории»
Инструмент «Сопряжение»
Инструмент «Фаска»
Инструмент «Соединение»
Инструмент «Сместить» подробнее
Инструмент «Разорвать»
Инструмент «Выровнять»
Групповая настройка слоев
Инструментарий
Мультивыноски
Принцип использования
Стиль мультивыноски
Инструменты работы с мультивыносками
Пакетная печать
Инструмент «Публикация»
ОНЛАЙН-ЗАНЯТИЕ 9
Онлайн-консультация, разбор домашних заданий
ВИДЕО-ЗАНЯТИЕ 10
Свойства объектов
Панель свойств
Палитра свойств
Типы линий
Загрузка типов линий
Редактирование масштаба типа линий
Вставка изображений
Вставка
Настройки отображения
Основы 3D моделирования в AutoCAD
Настройка рабочего пространства
Основы построения
Связанные проекции
ОНЛАЙН- ЗАНЯТИЕ 11
Онлайн-консультация, разбор домашних заданий
Задания по обучению работе в AutoCAD
Похожие презентации:
Система AutoCAD.
Общая характеристика и функциональные возможности. (Лекция 5)
Система AutoCAD
AutoCAD. Назначение и возможности системы. Интерфейс
Список основных команд AutoCAD (автокад)
Знакомство с системой автоматизированного проектирования AutoCAD
Создание модели в AutoCAD
Fierycut. Фигурный раскрой листового материала в autocad
Ввод координат. Средства обеспечения точности в AutoCAD
Основные понятия и принципы работы AutoCAD. Лекция 2
Электронное обучение. Работа с системой Moodle
Задания по обучению работе в
AutoCAD
3) Необходимо пройти бесплатный видео курс
по обучению работе в AutoCAD.
Задания
необходимо
взять
из
Sbornik_zadanij_po_geometrich._modelirovaniju,
прикрепленного со всеми файлами.
также
Если у вас не установлена программа AutoCAD,
то можете скачать бесплатную студенческую
версию на официальном сайте autodesk.
Вот цикл статей по теме регистрации на сайте и
скачиванию AutoCAD бесплатно.
Регистрация
https://r.autocad-specialist.ru/autocadfree?utm_source=youtube&utm_medium=video
2) Подтверждение на почте имеет вид:
Базовый курс AutoCAD за 15 минут!!!
Краткий ликбез для тех, кто видит AutoCAD в первый раз.
https://www.youtube.com/watch?v=t8Ksg2_n3lI
Данный «Автокад самоучитель» содержит
чёткие алгоритмы работы в программе.
Видео «Принципы черчения в AutoCAD».
Самоучитель «Ликбез по работе в AutoCAD. Часть №1».
Самоучитель «Ликбез по работе в AutoCAD. Часть №2».
Подборка практических видео уроков (самоучитель)
по AutoCAD.
• Практический мастер-класс «План дома в Автокад. 5 видео уроков».
• Тема
3d
(трёхмерного)
моделирования:
Практический мастер-класс «Черчение детали в AutoCAD. 3 видео
урока».
• Самоучитель по AutoCAD 2012-2017/2018 содержит также уроки по
оформлению чертежей в соответствии с требованиями и ГОСТ и их
распечатке: Видео «Алгоритм оформления проектов в AutoCAD».

Ниже
представлены
используемые
в
простые
схемы,
электроснабжении.
0_ПЕРВОЕ_ЗАДАНИЕИЕ:
Необходимо разработать в формате листа А4
(210*297 мм), книжное расположение листа,
рамка,
основная
надпись,
применить
различные слои, цвет, начертание линий)
Из
прикрепленного
в
Платонус_УМК
файла
Sbornik_zadanij_po_geometrich._modelirovaniju.html
выполнить следующие задания:
1) Стр. 8-13
2) Стр. 15-26
3) Стр. 28-51
В итого по разделу Автокад должно быть выполнено: 0, 1, 2, 3 – ЧЕТЫРЕ задания!!!
ОФОРМЛЕНИЕ ОТЧЕТА
задания, заключение, список использованных источников
2. По каждому пункту отчётные элементы о выполнении (картинки,
фото, элементы вставки и т.д.)
3. Оформленный отчет по ВСЕМ требованиям и ВСЕМ выполненным
заданиям высылать на почту (РАСПЕЧАТАННЫЙ ВАРИАНТ сдадите
позже)
[email protected]
по следующему ТРЕБОВАНИЮ:
• В теме письма указать следующую информацию по примеру
19-10_ИВАНОВ_учебпрактика
English Русский Правила
AutoLISP для автоматизации ваших задач: часть 1 — для начинающих — AutoCAD Blog
Я признаю это.
Я просто люблю AutoLISP и считаю его своим «домашним» языком.
Но я также понимаю, что моя любовь к языку не универсальна. Вы можете не считать себя программистом, или это может быть просто пугающим. Это действительно не обязательно, и даже с минимальными знаниями вы все равно можете многого добиться.
Эта серия из трех частей поможет вам узнать, что можно делать с AutoLISP на трех уровнях знаний: начальный, средний и продвинутый. Прямо сейчас мы начнем с самого начала.
Что должен знать новичок
Я думаю, что любому пользователю AutoLISP важно знать, что это такое. LISP расшифровывается как LISt Processing. Это ваша первая подсказка. Все в языке представляет собой список в той или иной форме. Вам нужно знать о них, независимо от того, определены ли они как СПИСОК, ПРОТИВ, ПУНКТИЧЕСКАЯ ПАРА или S-ВЫРАЖЕНИЕ (или просто ВЫРАЖЕНИЕ для краткости).
Конечно, существуют различные типы данных, с которыми вам необходимо ознакомиться. AutoLISP рассматривает LIST или CONS как тип данных.
Другие включают STRINGS, REAL числа и INTEGERS.
Примечание : Одна из причин, по которой AutoLISP так прост для непрограммистов (таких как мы), заключается в том, что вам не нужно управлять типами данных и распределением памяти, как в других языках. Также нет необходимости компилировать ваш код. На самом деле интерпретатор встроен в AutoCAD, поэтому вы можете запускать выражения прямо из командной строки.
Что касается базовой терминологии и синтаксиса, вы должны знать, что элементы в списке – это АТОМЫ. Функции, которые использует AutoLISP, называются… ФУНКЦИЯМИ — это просто! А ФУНКЦИИ иногда требуют АРГУМЕНТОВ. Это АТОМЫ, которые следуют за вызовом функции в выражении.
Синтаксис можно определить как правила, которые использует любой язык. Основные правила AutoLISP заключаются в том, что все содержится в скобках. Далее, функция всегда является первым элементом (или ATOM) в списке.
(имя_функции аргумент1 аргумент2 …)
Примечание : здесь важно отметить, что каждое выражение возвращает значение.
Это важный момент, поскольку он отличает AutoLISP от других языков, считающихся «процедурными». Проще говоря, эти языки выполняют строку кода, переходят к следующей и так далее до завершения. Не вдаваясь в диссертацию по «функциональным» языкам, просто помните, что, хотя мы и склонны использовать AutoLISP процедурным образом в программе САПР, он гораздо мощнее.
Вы должны знать, что выражения могут быть вложенными, и что вы вычисляете их изнутри.
(имя_функции аргумент1 (имя_функции аргумент1 аргумент2) аргумент3 …)
Новичок должен знать о внутренних функциях AutoLISP, особенно DEFUN и SETQ. Другие могут включать:
- Специальные функции AutoLISP: COMMAND, GETVAR, SETVAR
- Специальные функции AutoLISP «GET…»: GETSTRING, GETREAL и т. д.
- Основные функции работы со списками: LIST, CONS, CAR, CDR, NTH
- Основные условные функции: ЕСЛИ, УСЛОВИЕ
- Функции равенства: = /= < > EQ EQUAL
- Математические функции: + – / и т.
д.
Что еще нужно знать новичку? Вы должны знать, как загружать внешние файлы AutoLISP (LOAD, APPLOAD, Drag and Drop) и как определить имя функции, необходимое для их запуска в командной строке.
Наконец, вы должны знать, как получить помощь. Будь то через собственную справочную систему AutoCAD или различные сайты и форумы в Интернете и Autodesk Knowledge Network, не стесняйтесь обращаться к нам. Там около 35 лет опыта и кода, и всегда кто-то готов помочь.
Может показаться, что нужно знать много вещей, но немногое имеет большое значение для AutoLISP. Что приводит нас к следующему разделу…
Способы использования AutoLISP новичком для автоматизации задач
Имея лишь базовый уровень знаний AutoLISP, вы сможете выполнять следующие действия.
Управляйте своей средой AutoCAD. Убедитесь, что ваши настройки OSNAP всегда установлены так, как вам нравится, используя (setvar «OSMODE» 679). 679 соответствует бегущим оснапсам, которые мне нравятся.
Не знаете, к чему добавляются ваши любимые? Используйте (getvar «OSMODE»). Вам больше не нужно открывать диалоговое окно «Объектная привязка» и устанавливать и снимать флажки. Вы только что автоматизировали это! Почти любая переменная среды, о которой вы только можете подумать, может быть установлена таким образом.
Вы можете создавать свои собственные короткие команды клавиатуры. Вы, вероятно, знаете об ограничениях псевдонимов команд, найденных в файле ACAD.pgp. Вы можете использовать псевдоним для имени команды, но вы не можете включать какие-либо параметры.
Например, Z для масштабирования. Но вам все равно нужно ввести E, чтобы получить экстенты. Обладая небольшим знанием AutoLISP, новичок должен быть в состоянии написать свою собственную команду ZE: Часто перемещаетесь назад? Автоматизируйте это!
(defun c:mp ()
(команда «переместить» «p»)
(princ)
)
Мы всегда говорим о чистоте ваших рисунков. Мы говорим вам о чистке и аудите. Избавьтесь от неиспользуемых REGAPPS, а также запустите Overkill.
Почему бы не использовать свои новые знания AutoLISP для автоматизации этой последовательности? У вас должны быть все необходимые инструменты, чтобы написать примерно следующее:
(defun c:cleaner()
(команда «аудит» «Y»)
(команда «-purge» «a» «» «n» ) (команда «-purge» «r» «» «n»)
(команда «-overkill» «все» «» «»)
(принц)
)
Примечание : две вещи из приведенного выше кода. Вызов (princ) в конце подавляет функции, возвращающие значение nil в командной строке. Кроме того, тире перед вызовами команд Purge и Overkill подавляет диалоговое окно команды и вместо этого использует версию командной строки. Многие другие команды делают это. Экспериментируйте… создавайте или устанавливайте слои с помощью -Layer. Просто следуйте инструкциям в командной строке, и вы уже в пути.
В последних двух примерах создаются новые команды. SSA устанавливает переменную SNAPANG на основе выбранной строки. Ниже него SS0 сбрасывает его на ноль.
Справа TOGGLEDITOR изменяет MTEXTED из внутреннего редактора на Блокнот и обратно.
Я представил их как изображение, чтобы заставить вас напечатать их, если вы хотите. Копировать и вставлять удобно, но вы также должны уметь их печатать. Также не используйте MS Word, так как он добавляет специальное форматирование. Блокнот работает нормально.
Наконец, новичок в AutoLISP должен знать, как добавить пользовательскую команду в свое меню. Создайте свою собственную вкладку и панель ленты или добавьте ее к устаревшей кнопке панели инструментов для быстрого доступа.
Заключительные мысли
Во второй части нашей серии я расскажу о некоторых функциях AutoLISP, которые вам необходимо знать, чтобы достичь того, что я бы назвал средним уровнем, и о том, что вы можете делать с этими навыками.
И, наконец, цитируя моего бывшего наставника по AutoLISP, «продолжайте программировать до следующего раза».
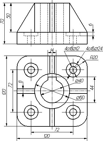
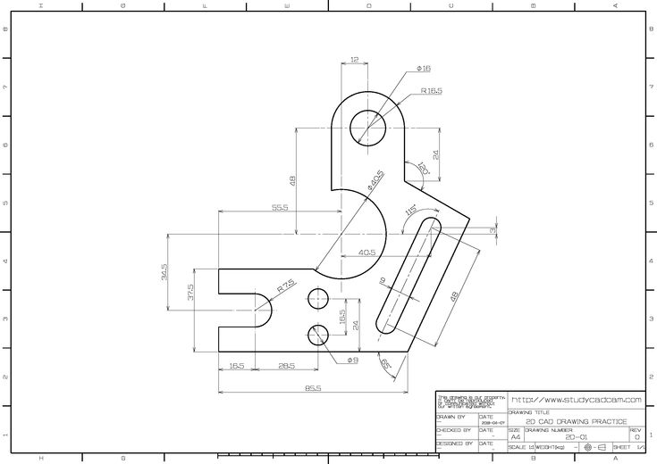
AutoCAD 2D-упражнения – Бесплатные чертежи AutoCAD 2D
Если вы ищете 2D-упражнения AutoCAD или практические чертежи, то вы находитесь в нужном месте в нужное время.
Здесь вы найдете несколько 2D-упражнений AutoCAD и практические чертежи, чтобы проверить свои навыки работы с САПР. Эти чертежи также подходят для AutoCAD Mechanical, AutoCAD Civil и других программных пакетов САПР.
Те же чертежи можно также использовать в качестве упражнения Solidworks для тренировки.
Для упражнений AutoCAD или практических чертежей — Нажмите здесь
Для 3D-упражнений AutoCAD или 3D-чертежей AutoCAD — Нажмите здесь
Если вы хотите изучить AutoCAD от основ до продвинутого уровня, перейдите по ссылкам ниже, чтобы изучить основы AutoCAD шаг за шагом. Полностью бесплатная серия учебных пособий по AutoCAD, содержащая около 200 видеоуроков, посвященных AutoCAD 2D, а также темам AutoCAD 3D, преподаваемым в версиях AutoCAD 2017 и AutoCAD 2018. Некоторые учебные пособия находятся в формате Pdf, а также в видео для студентов.
Для просмотра учебных пособий по AutoCAD для начинающих — нажмите здесь
Для учебных пособий по AutoCAD в формате Pdf — нажмите здесь
Для просмотра видеороликов по AutoCAD — нажмите здесь загружен с сайта AutoDesk.
Вы можете найти ссылку на 30-дневную пробную версию AutoCAD и образовательную версию в разделе «Страница загрузки» CADin360.
Для сочетаний клавиш AutoCAD — нажмите здесь
AutoCAD 2D Упражнение – 1 Электронная книга с упражнениями AutoCAD Книга упражнений AutoCAD в мягкой обложке AutoCAD 2D Упражнение – 2 AutoCAD 2D Упражнение – 3 AutoCAD 2D Упражнение – 4 AutoCAD 2D Упражнение – 5 AutoCAD 2D Упражнение – 6 AutoCAD 2D Упражнение – 7 AutoCAD 2D Упражнение — 8 AutoCAD 2D Упражнение — 9 AutoCAD 2D Упражнение — 10 Электронная книга с упражнениями AutoCAD AutoCAD 2D Упражнение — 11 AutoCAD 2D Упражнение — 12 AutoCAD 2D Упражнение — 13 AutoCAD 2D Упражнение — 14 AutoCAD 2D Упражнение — 15 AutoCAD 2D Упражнение — 16 AutoCAD 2D Упражнение — 17 AutoCAD 2D Упражнение — 18 AutoCAD 2D Упражнение — 19AutoCAD 2D Упражнение — 20 Электронная книга с упражнениями AutoCAD
Если вы найдете что-то полезное на этой странице или веб-сайте, Пожалуйста, поддержите нас , поделившись нашим веб-сайтом или страницами. Некоторые полезные ссылки приведены ниже для вас. Надеюсь, вы найдете здесь что-то ценное в своей жизни.
Сачидананд Джа
Фейсбук Твиттер Гугл плюс YouTube Тамблер Инстаграм Пинтерест Линкедин Слайдшер
AutoCAD 2019 (Windows)
Что нового в AutoCAD 201
Попробуйте AutoCAD бесплатно в течение 30 дней. Нажмите здесь
БЕСПЛАТНЫЕ 3 года Образовательные лицензии для студентов и преподавателей Нажмите здесь
Системные требования для AutoCAD 2019 Нажмите здесь
Клавиши клавиатуры AutoCAD. Нажмите здесь
Скачать и установить AutoCAD 2019 Справка продукта. Нажмите здесь
Autocad LT 2019 (Windows)
Что нового в Autocad LT 2019 Нажмите здесь
Нажмите здесь бесплатные 3 года. Нажмите здесь
Системные требования для AutoCAD LT 2019 Нажмите здесь
AutoCAD LT клавиш клавиш0069 Попробуйте AutoCAD 2018 MAC бесплатно в течение 30 дней. Справка Нажмите здесь
Autocad LT 2018 для MAC
Что нового в Autocad LT 2018 для Mac Нажмите здесь
Попробуйте Autocad LT 2018 бесплатно для 30 дней. AutoCAD LT 2018 для Mac Нажмите здесь
AutoCAD LT Keyboard Shortcuts Keys Click Here
AutoCAD Mechanical 2019
What’s new in AutoCAD Mechanical 2019 Click Here
Try AutoCAD Mechanical 2019 free for 30 days Click Здесь
БЕСПЛАТНЫЕ 3 года Образовательные лицензии для студентов и преподавателей Нажмите здесь
Системные требования для AutoCAD Mechanical 2019 Нажмите здесь
AutoCAD Mechanical Keyboard Клавиши0069
Попробуйте Autocad Architecture 2019 Бесплатно для 30 дней.

д.