Как читать электрические схемы – простой фото и видео курс для начинающих
Новички, которые пытаются самостоятельно собрать какие-то электронные схемы и приборы, сталкиваются с самым первым в своей новой деятельности вопросе, как читать электрические схемы? Вопрос, на самом деле серьезный, ведь прежде, чем собрать схему, ее необходимо как-то обозначить на бумаге. Или найти готовый вариант для воплощения в жизнь. То есть, чтение электрических схем – основная задача любого радиолюбителя или электрика.

Что такое электрическая схема
Это графическое изображение, где указаны все электронные элементы, связанные между собой проводниками. Поэтому знание электрических цепочек – это залог правильно собранного электронного прибора. А, значит, основная задача сборщика – это знать, как на схеме обозначаются электронные компоненты, какими графическими значками и дополнительными буквенными или цифровыми значениями.
Все принципиальные электрические схемы состоят из электронных элементов, которые имеют условное графическое обозначение, короче УЗО.
Для примера дадим несколько самых простых элементов, которые в графическом исполнении очень похожи на оригинал. Вот так обозначается резистор:
РезисторКак видите, очень похоже на оригинал. А вот так обозначается динамик:
ДинамикТо же большое сходство. То есть, существуют некоторые позиции, которые сразу же можно опознать. И это очень удобно. Но есть и совершенно непохожие позиции, которые или надо запомнить, или надо знать их конструкции, чтобы легко определять на принципиальной схеме. К примеру, конденсатор на рисунке снизу.
КонденсаторТот, кто давно разбирается в электротехнике, то знает, что конденсатор – это две пластинки, между которыми размещен диэлектрик. Поэтому в графическом изображении был и выбран этот значок, он в точности повторяет конструкцию самого элемента.
Самые сложные значки у полупроводниковых элементов. Давайте рассмотрим транзистор. Необходимо отметить, что у этого прибора три выхода: эмиттер, база и коллектор. Но и это еще не все. У биполярных транзисторов встречаются две структуры: «n – p – n» и «p – n – p». Поэтому и на схеме они обозначаются по-разному:
ТранзисторКак видите, транзистор по своему изображению на него-то и не похож. Хотя, если знать структуру самого элемента, то можно сообразить, что это именно он и есть.
Простые схемы для начинающих, зная несколько значков, можно читать без проблем. Но практика показывает, что простыми электросхемами в современных электронных приборах практически не обходятся. Так что придется учить все, что касается принципиальных схем. А, значит, необходимо разобраться не только со значками, но и с буквенными и цифровыми обозначениями.
Что обозначают буквы и цифры
Все цифры и буквы на схемах являются дополнительной информацией, это опять-таки к вопросу, как правильно читать электросхемы? Начнем с букв. Рядом с каждым УЗО всегда проставляется латинская буква. По сути, это буквенное обозначение элемента. Это сделано специально, чтобы при описании схемы или устройства электронного прибора, можно было бы обозначать его детали. То есть, не писать, что это резистор или конденсатор, а ставить условное обозначение. Это и проще, и удобнее.
Теперь цифровое обозначение. Понятно, что в любой электронной схеме всегда найдутся элементы одного значения, то есть, однотипных. Поэтому каждую такую деталь пронумеровывают. И вся эта цифровая нумерация идет от верхнего левого угла схемы, затем вниз, далее вверх и опять вниз.
Внимание! Специалисты называют такую нумерацию правилом «И». Если обратите внимание, то движение по схеме так и происходит.

И последнее. Все электронные элементы имеют определенные свои параметры. Их обычно также прописывают рядом со значком или выносят в отдельную таблицу. К примеру, рядом с конденсатором может быть указана его номинальная емкость в микро- или пикофарадах, а также номинальное его напряжение (если такая необходимость возникает). Вообще, все, что связано с полупроводниковыми деталями должно обязательно дополняться информацией. Это не только упрощает чтение схемы, но и позволяет не ошибиться при выборе самого элемента в процессе сборки.
Иногда цифровые обозначения на электросхемах отсутствуют. Что это значит? К примеру, взять резистор. Это говорит о том, что в данной электрической схеме показатель его мощности не имеет значения. То есть, можно установить даже самый маломощный вариант, который выдержит нагрузки схемы, потому что в ней течет ток малой силы.
И еще несколько обозначений. Проводники графически обозначаются прямой непрерывной линией, места пайки точкой. Но учтите, что точка ставиться только в том месте, где соединяются три или более проводников.

Заключение по теме
Итак, вопрос, как научится читать схемы электрические, не самый простой. Вам потребуется не только знание УЗО, но и знание, касающиеся параметров каждого элемента, его структуры и конструкции, а также принципа работы, и для чего он необходим. То есть, придется учить все азы радио- и электротехники. Сложно? Не без этого. Но если вы поймете, как все работает, то для вас откроются горизонты, о которых вы и не мечтали.
onlineelektrik.ru
Как читать электрические схемы для новичков: как правильно
Электрические схемы представляют собой графическое представление составных частей, взаимных соединений, связей электрических устройств, установок. Схемы помогают увидеть и понять, как работает электрическая установка или устройство. В случае ремонта, наличие схемы в разы облегчает поиск и устранение неисправности. Монтажные схемы не дают представления о работе устройства, они предназначены для его сборки. Умение читать различные электрические схемы важно как для новичков, так и для специалистов со стажем оно необходимо при сборке, монтаже и обслуживании, поиске неисправностей.
Виды и типы электрических схем, кодировка
В соответствии с ГОСТ 2.701-2008 «Единая система конструкторской документации (ЕСКД). Схемы. Виды и типы. Общие требования к выполнению» электрическим схемам присваивается кодовое обозначение вида буквой «Э».
В таблице приведены типы схем, регламентированные ГОСТом.
| Тип схемы | Определение | Код типа схемы |
| Структурная | Документ, определяющий основные функциональные части изделия, их назначение и взаимосвязи | 1 |
| Функциональная | Документ, разъясняющий процессы, протекающие в отдельных функциональных цепях изделия (установки) или изделия (установки) в целом | 2 |
| Принципиальная (полная) | Документ, определяющий полный состав элементов и взаимосвязи между ними и, как правило, дающий полное (детальное) представления о принципах работы изделия (установки) | 3 |
| Схема соединений (монтажная) | Документ, показывающий соединения составных частей изделия (установки) и определяющий провода, жгуты, кабели или трубопроводы, которыми осуществляются эти соединения, а также места их присоединений и ввода (разъемы, платы, зажимы и т.п.) | 4 |
| Подключения | Документ, показывающий внешние подключения изделия | 5 |
| Общая | Документ, определяющий составные части комплекса и соединения их между собой на месте эксплуатации | 6 |
| Расположения | Документ, определяющий относительное расположение составных частей изделия (установки), а при необходимости, также жгутов (проводов, кабелей), трубопроводов, световодов и т.п. | 7 |
| Объединенная | Документ, содержащий элементы различных типов схем одного вида | 0 |
Код чертежа состоит из буквы, в нашем случае это буква «Э» и цифровой части, определяющей тип, согласно таблице 1. К примеру, Э1 – схема электрическая структурная, Э5 – схема, показывающая внешние подключения изделия.
Стандарты схем по ГОСТу
Начинать нужно с изучения условных графических обозначений (УГО). Обозначения на чертежах имеют стандартный вид и регламентируются ГОСТами, например, ГОСТ 21.210—2014, ГОСТ 2.755-87, ГОСТ 2.721, ГОСТ 2.756-76 и рядом других. Стандарты изображений распространяются на все элементы, включая связи между ними, способы монтажа, прокладки и т.д.
В ряде случаев ГОСТ разрешает отклонения от стандартов. Например, при составлении структурных комбинированных схем, нередко применяют нестандартные, или приближённые к реальному изображения объектов, фотографии, сопровождая их описаниями с краткими пояснениями, как на схеме телефонного аппарата.

Но в целом, стандарты стараются соблюдать, чтобы не вносить разночтения и путаницу в документацию, особенно когда речь идёт о серьёзных проектах для промышленных предприятий.
Большие изображения разделяют на части, указывая ссылки на другие листы или обозначая связи. Начальное положение контактов реле, кнопок, катушек показано при отсутствии напряжения, это стандарт.
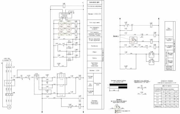
Рассмотрим сказанное выше на примере принципиальной релейной схемы управления конвейером.

Здесь имеются две функциональные части: силовая, состоящая из цепей питания двигателя и релейная, которая предназначена для управления силовой частью.
Силовая часть состоит из:
- Линии трёхфазного питания 380В 50Гц, с указанием ссылки на комплект чертежей «ЭМ», откуда это питание подаётся.
- Автоматического выключателя 2-QF.
- Контактора 2-КМ.
- Теплового реле 2-КК.
- Электродвигателя 2W.
Фазы обозначены латинскими буквами A, B, C. Поскольку используется трёхфазное питание, контакты автоматического выключателя и контактора соединены механически для одновременного включения/отключения всех трёх фаз.
Релейная часть содержит в себе:
- Автоматический выключатель питания 2-SF.
- Кнопки SB.
- Переключатель 2-SA.
- Реле времени 2-КТ.
- Реле 2-K1…2-K6.
- Источник питания 24В 2-GB.
- Сигнальные лампы 2-HL1… 2-HL4.
Соединительные линии обозначают электрические соединения между элементами. Пересекающиеся линии не соединены между собой. Как вариант отсутствие соединения обозначают символом дуги . На наличие соединения указывает точка в месте пересечения или примыкания .
Контакты реле, выключателей и других коммутационных устройств имеют два состояния:
- Нормально открытое, когда без включения реле контакт разомкнут.
- Нормально закрытое, когда без включения реле контакт замкнут.
Соответственно, когда на катушку реле или контактора будет подано напряжение, реле притянется и состояние контактов изменится на противоположное. Тоже самое произойдёт с кнопкой и автоматическим выключателем, при его включении, изменяется состояние контакта.
Чтение схем
Зависит от их построения и целей использования. Протекание тока в электрических цепях начинается и заканчивается в источнике питания. Если это источник постоянного тока, то от плюса к минусу, если переменного, то от фазного провода к нулевому или между фазами. Начинать читать можно как от источника питания так и от нагрузки. Силовая схема от источника читается так:
- При включении автомата 2-QF, сетевое напряжение подключается к разомкнутым контактам контактора 2-КМ.
- При отсутствии перегрева, контакт теплового реле 2-KK замкнут.
- После отрабатывания релейной части, включается катушка контактора 2-КМ.
- Контактор 2-КМ притягивается и своими контактами через тепловое реле подаёт питание на электродвигатель 2-W.
В обратном порядке схемы часто читают при поиске неисправностей. Например, у нас не включается двигатель.
- Проверяем наличие напряжения на двигателе 2-W. Напряжения нет.
- Проверяем тепловое реле 2-КК. Тепловое реле в норме, его контакты замкнуты.
- Проверяем, включен ли контактор 2-КМ. Контактор отключен.
С того места можно начинать поиск причин отключения контактора. Это может быть либо отключение автомата 2-QF, либо отключение катушки 2-КМ, которая включается релейной схемой. Таким образом, чтение электрических чертежей напоминает чтение книг, по пути протекания тока от элемента к элементу .
Релейная часть выглядит несколько сложнее, но если рассматривать её по частям и так же, двигаясь последовательно, шаг за шагом, то нетрудно понять логику её работы. Сложные схемы всегда состоят из нескольких отдельных функциональных узлов. Разобравшись с отдельными фрагментами и связями между ними, складывается полная картина работы всей схемы.

К примеру, в данной схеме есть узел опробования световой сигнализации. Он состоит из кнопки 2-SB4 и диодов, подключенных к сигнальным лампам HL. Кнопка подключена к «+» источника питания 24В 2-GB нормально разомкнутым контактом. Все лампы постоянно подключены к «-» источника питания. При нажатии кнопки, цепь замыкается через контакт 2-SB4, диоды, лампы. В результате чего все 4 лампы загораются. Таким образом визуально определяется их исправность. При отпускании кнопки цепь разрывается, лампы гаснут.
Аналогичным образом работает узел опробования звуковой сигнализации 2-HA1, 2-НА2 кнопкой 2-SB5. Несмотря на то, что эти узлы находятся на одном чертеже и связаны с другими частями, они являются отдельно функционирующими законченными цепями.
Основная схема управления собирает цепочки реле схода ленты, аварийного останова, готовности и после выдержки времени, определяемом реле времени 2-КТ, реле 2-К7 своим контактом включает силовой контактор 2-КМ, который запускает двигатель 2-W.
Знание графических обозначений, как алфавит для чтения книг, является основным условием чтения схем. Но одного только алфавита для чтения недостаточно, нужно уметь связывать буквы в слова, а слова в смысл. Понимание работы принципиальной схемы невозможно без понимания принципа работы устройств, из которых она собрана. Так, если человек не представляет, как работает электромагнитное реле или таймер, он не сможет понять, что произойдёт при подаче напряжения в ту или иную часть схемы. Таким образом, схемотехника неразрывно связана с изучением материальной части электрического оборудования.
Монтажные схемы
Выше была рассмотрена принципиальная схема. В частном случае, таком как монтаж, необязательно представлять, как она работает. С этой целью выпускаются специальные монтажные чертежи, на которых указано, какой провод какие выводы соединяет.

Провода с клеммами должны быть пронумерованы. При монтаже достаточно лишь внимательно следить, что с чем соединяется, чтобы правильно собрать устройство, установку.
Квалифицированный специалист должен уметь разбираться во всех типах чертежей. Несмотря на стандартизацию, существует огромное количество отличий и разнообразия правил построения электросхем, выпускаемых различными производителями, проектно-конструкторскими отделами. Очень важно знать принципы действия электрооборудования, устройств, из которых состоит схема. Умение читать и понимать схемы – процесс многогранный, требует терпения, времени.
Читайте также:
electroadvice.ru
как научиться читать, какие виды бывают
Электрическая схема являет собой детальный рисунок с указанием всех электронных деталей и комплектующих, которые связаны проводниками. Знание принципа функционирования электрических цепей является залогом грамотно собранного электроприбора. То есть сборщик должен знать, как обозначаются на схеме электронные элементы, какие значки, буквенные или цифровые символы им соответствуют. В материале разберемся в ключевых обозначениях и основах, как научиться читать электрические принципиальные схемы.

Любая электрическая схема включается ряд деталей, состоящих из более мелких элементов. Приведем в качестве примера электрический утюг, который содержит внутри нагревательный элемент, датчик температуры, лампочки, предохранители, а также имеет провод с вилкой. В прочих бытовых приборах предусмотрена усовершенствованная конфигурация с автоматическими выключателями, электромоторами, трансформаторами, а между ними имеются соединители для полноценного взаимодействия компонентов прибора и выполнения предназначения каждого из них.
Поэтому часто возникает проблема, как научиться расшифровывать электрические схемы, в которых содержатся графические обозначения. Принципы чтения схем важны для тех, кто занимается электромонтажом, ремонтом бытовой техники, подключением электрических устройств. Знание принципов чтения электросхем необходимо, чтобы понимать взаимодействие элементов и функционирования приборов.
Виды электрических схем
Все электрические схемы представлены в виде изображения или чертежа, где наряду с оборудованием указаны звенья электроцепи. Схемы отличаются по назначению, на основании чего разработана классификация разных электрических схем:
- первичные и вторичные цепи.
Первичные цепи создаются для подачи основного электрического напряжения от источника тока к потребителям. Они генерируют, трансформируют и распределяют при передаче электроэнергию. Такие цепи предполагают наличие основной схемы и цепей для различных нужд.
Во вторичных цепях напряжение не выше 1 кВт, они используются для обеспечения задач автоматики, управления и защиты. Благодаря вторичным цепям выполняется контроль расхода и учета электроэнергии;
- однолинейные, полнолинейные.

Полнолинейные схемы разработаны для применения в трехфазных цепях, они отображают подсоединенные по всем фазам устройства.
Однолинейные схемы показывают только приборы на средней фазе;
- принципиальные и монтажные.

Принципиальная общая электрическая схема подразумевает указание только ключевых элементов, на ней не указываются второстепенные детали. Благодаря этому схемы просты и понятны.
На монтажных схемах нанесено более детальное изображение, поскольку именно такие схемы используются для фактического монтажа всех элементов электросети.
Развернутые схемы с указанием второстепенных цепей помогают выделить вспомогательные электрические цепи, участки с отдельной защитой.
Обозначения в схемах
Электрические схемы состоят из элементов и комплектующих, обеспечивающих протекание электрического тока. Все элементы разделяются на несколько категорий:
- устройства, генерирующие электроэнергию — источники питания;
- преобразователи электротока в иные виды энергии – выступают потребителями;
- детали, ответственные за передачу электроэнергии от источника к приборам. Также в данную категорию включены трансформаторы и стабилизаторы, обеспечивающие стабильность напряжения в сети.
Для каждого элемента предусмотрено конкретное графическое обозначение на схеме. Помимо ключевых обозначений, на схемах указываются линии передачи электроэнергии. Участки электроцепи, по которым идет одинаковый ток, называются ветвями, а в местах их соединения на схеме ставятся точки для обозначения соединительных узлов.
Контур электроцепи предполагает замкнутый путь движения электротока по нескольким ветвям. Наиболее простая схема состоит из одного контура, а для более сложных приборов предусмотрены схемы с несколькими контурами.
На электрической схеме каждому элементу и соединению соответствует значок или обозначение. Для отображения выводов изоляции применяются однолинейные и многолинейные схемы, число линий в которых определяется числом выводов. Иногда для удобства чтения и понимания схем применяются смешанные рисунки, к примеру, изоляция статора описана развернуто, а изоляция ротора – в общем виде.
Обозначения трансформаторов в электрических схемах рисуются в общем или развернутом виде, однолинейным и многолинейным методами. Непосредственно от детализации изображения зависит метод отображения на схеме приборов, их выводов, соединений и узлов. Так, в трансформаторах тока первичная обмотка отражается толстой линией с точками. Вторичная обмотка может отображаться окружностью при стандартной схеме или двумя полуокружностями в случае развернутой схемы.
Прочие элементы отображаются на схемах следующими обозначениями:
- контакты разделяются на замыкающие, размыкающие и переключатели, которые обозначаются разными знаками. При необходимости контакты могут быть указаны в зеркальном отражении. Основание подвижной части указывается как незаштрихованная точка;
- выключатели – их основанию соответствует точка, а для автоматических выключателей прорисовывается категория расцепителя. Выключатель для открытой установки, как правило, имеет отдельное обозначение;
- предохранители, резисторы постоянного сопротивления и конденсаторы. Предохранительные элементы изображаются в виде прямоугольника с отводами, постоянные резисторы могут быть обозначены с отводами или без. Подвижный контакт рисуется стрелкой. Электролитические конденсаторы обозначаются в зависимости от полярности;
- полупроводники. Простые диоды с р-п-переходом показываются в виде треугольника и перекрестной линией электроцепи. Треугольник обозначает анод, а линия – катод;
- лампу накаливания и другие осветительные элементы обычно обозначают
Понимание данных значков и обозначений делает чтение электрических схем простым. Поэтому прежде чем приступать к электромонтажу или разборке бытовых приборов, рекомендуем ознакомиться с основными условными обозначениями.
Как правильно читать электрические схемы
Принципиальная схема электроцепи отображает все детали и звенья, между которыми протекает ток через проводники. Такие схемы являются базой для разработки электрических приборов, поэтому чтение и понимание электрических схем является обязательным для любого электрика.
Грамотное понимание схем для начинающих дает возможность понять принципы их составления и правильного соединения всех элементов в электрической цепи для достижения ожидаемого результата. Чтобы правильно читать даже сложные схемы, необходимо изучить основные и второстепенные изображения, условные знаки элементов. Условные знаки обозначают общую конфигурацию, специфику и назначение детали, что позволяет составить полноценную картину прибора при чтении схемы.
Начинать ознакомление со схемами можно с небольших приборов, таких как конденсаторы, динамики, резисторы. Более сложны для понимания схемы полупроводниковых электронных деталей в виде транзисторов, симисторов, микросхем. Так в биполярных транзисторах предусмотрены как минимум три вывода (базовый, коллектор и эмиттер), что требует большего количества условных обозначений. Благодаря большому количеству разных знаков и рисунков можно выявить индивидуальные характеристики элемента и его специфику. В обозначениях зашифрована информация, позволяющая выяснить структуру элементов и их особые характеристики.
Часто условные обозначения имеют вспомогательные уточнения – возле значков имеются латинские буквенные обозначения для детализации. С их значениями также рекомендуется ознакомиться перед началом работы со схемами. Также возле букв часто имеются цифры, отображающие нумерацию или технические параметры элементов.
Итак, чтобы научиться читать и понимать электрические схемы, нужно ознакомиться с условными обозначениями (рисунками, буквенными и цифровыми символами). Это позволит получать информацию из схемы касательно структуры, конструкции и назначения каждого элемента. То есть для понимания схем нужно изучить основы радиотехники и электроники.
Похожие статьи
odinelectric.ru
Как читать электрические схемы. Виды электрических схем
Здравствуйте, уважаемые читатели сайта sesaga.ru. Любое радиотехническое или электротехническое устройство состоит из определенного количества различных электро- и радиоэлементов (радиодеталей). Возьмем, к примеру, самый обычный утюг: в нем есть регулятор температуры, лампочка, нагревательный элемент, предохранитель, провода и штепсельная вилка.

Утюг представляет собой электротехническое устройство, собранное из специального набора радиоэлементов, обладающих определенными электрическими свойствами, где работа утюга основана на взаимодействии этих элементов между собой.
Для осуществления взаимодействия радиоэлементы (радиодетали) соединяются друг с другом электрически, а в некоторых случаях их размещают на небольшом расстоянии друг от друга и взаимодействие происходит путем образованной между ними индуктивной или емкостной связи.
Самый простой способ разобраться в устройстве утюга — это сделать его точную фотографию или рисунок. А чтобы представление было исчерпывающим можно сделать несколько фотографий внешнего вида крупным планом с разных ракурсов, и несколько фотографий внутреннего устройства.




Однако, как Вы заметили, этот способ представления об устройстве утюга нам вообще ничего не дает, так как на фотографиях видна только общая картинка о деталях утюга. А из каких радиоэлементов он состоит, какое их назначение, что они представляют, какую функцию в работе утюга выполняют и как связаны между собой электрически нам не понятно.
Вот поэтому, чтобы иметь представление, из каких радиоэлементов состоят подобные электрические устройства, разработали условные графические обозначения радиодеталей. А чтобы понимать, из каких деталей составлено устройство, как эти детали взаимодействуют друг с другом и какие при этом протекают процессы, были разработаны специальные электрические схемы.
Электрическая схема представляет собой чертеж, содержащий в виде условных изображений или обозначений составные части (радиоэлементы) электрического устройства и соединения (связи) между ними. То есть электрическая схема показывает, как осуществляется соединение радиоэлементов между собой.

Радиоэлементами электрических устройств могут являться резисторы, лампы, конденсаторы, микросхемы, транзисторы, диоды, выключатели, кнопки, пускатели и т.д., а соединения и связи между ними могут быть выполнены монтажным проводом, кабелем, разъемным соединением, дорожками печатных плат и т.д.


Электрические схемы должны быть понятны всем кому приходится с ними работать, и потому их выполняют в стандартных условных обозначениях и применяют по определенной системе, установленной государственными стандартами: ГОСТ 2.701-2008; ГОСТ 2.710-81; ГОСТ 2.721-74; ГОСТ 2.728-74; ГОСТ 2.730-73.
Различают три основных вида схем: структурные, принципиальные электрические, схемы электрических соединений (монтажные).
Структурная схема (функциональная) разрабатывается на первых этапах проектирования и предназначена для общего ознакомления с принципом работы устройства. На схеме прямоугольниками, треугольниками или символами изображаются основные узлы или блоки устройства, которые между собой связываются линиями со стрелками, указывающими направление и последовательность соединений друг с другом.

Принципиальная электрическая схема определяет, из каких радиоэлементов (радиодеталей) состоит электро- или радиотехническое устройство, как эти радиодетали связаны между собой электрически, и как они взаимодействуют друг с другом. На схеме детали устройства и порядок их соединения изображают условными знаками, символизирующими эти детали. И хотя принципиальная схема не дает представления о габаритах устройства и размещении его деталей на монтажных платах, щитах, панелях и т.п., зато она позволяет детально разобраться в его принципе работы.

Схема электрических соединений или ее еще называют монтажная схема, представляет собой упрощенный конструктивный чертеж, изображающий электрическое устройство в одной или нескольких проекциях, на котором показываются электрические соединения деталей между собой. На схеме изображаются все радиоэлементы, входящие в состав устройства, их точное расположение, способы соединения (провода, кабели, жгуты), места присоединений, а также входные и выходные цепи (соединители, зажимы, платы, разъемы и т.п.). Изображения деталей на схемах даются в виде прямоугольников, условных графических обозначений, или в виде упрощенных рисунков реальных деталей.

Разница между структурной, принципиальной и монтажной схемой будет показана дальше на конкретных примерах, но главный упор мы будем делать на принципиальные электрические схемы.
Если внимательно рассмотреть принципиальную схему любого электрического устройства, то можно заметить, что условные обозначения некоторых радиодеталей часто повторяются. Подобно тому, как слово, фраза или предложение состоят из чередующихся в определенном порядке букв собранных в слова, так и электрическая схема состоит из чередующихся в определенном порядке отдельных условных графических обозначений радиоэлементов и их групп.

Условные графические обозначения радиоэлементов образуются из простейших геометрических фигур: квадратов, прямоугольников, треугольников, окружностей, а также из сплошных и штриховых линий и точек. Их сочетание по системе, предусмотренной стандартом ЕСКД (единая система конструкторской документации), дает возможность легко изобразить радиодетали, приборы, электрические машины, линии электрической связи, виды соединений, род тока, способы измерения параметров и т.п.
В качестве графического обозначения радиоэлементов взято их предельно упрощенное изображение, в котором либо сохранены их наиболее общие и характерные черты, либо подчеркнут их основной принцип действия.
Например. Обычный резистор представляет собой керамическую трубку, на поверхность которой нанесен токопроводящий слой, обладающий определенным электрическим сопротивлением. Поэтому на электрических схемах резистор так и обозначают в виде прямоугольника, символизирующего форму трубки.
Благодаря такому принципу построения запоминание условных графических обозначений не представляет особого труда, а составленная схема получается удобной для чтения. И для того, чтобы научиться читать электрические схемы, прежде всего, нужно изучить условные обозначения, так сказать «азбуку» электрических схем.
На этом мы закончим. В следующей части разберем три основных вида электрических схем, с которыми Вам часто придется сталкиваться при разработке или повторении радиоэлектронной или электротехнической аппаратуры.
Удачи!
sesaga.ru
Правила чтения электрических схем и чертежей
Чтоб читать электронные схемы, нужно отлично знать и держать в голове распространенные условные обозначения обмоток, контактов, трансформаторов, движков, выпрямителей, ламп и т. п., условные обозначения, применяющиеся в той области с которой в большей степени приходится сталкиваться в силу профессии, схемы распространенных узлов электроустановок, к примеру движков, выпрямителей, освещения лампами накаливания и газоразрядными и т. п, характеристики поочередного и параллельного соединений контактов, обмоток, сопротивлений, индуктивностей и емкостей.
Разбор схем на отдельные цепи
Неважно какая электроустановка удовлетворяет определенным условиям действия. При чтении схем, во-1-х, необходимо выявить эти условия, во-2-х — найти, отвечают ли приобретенные условия задачам, которые должны электроустановкой решаться, в-3-х, следует проверить, не вышли ли попутно «излишние» условия, и оценить их последствия.
Для решения этих вопросов пользуются несколькими приемами.
1-ый из их заключается в том, что схема электроустановки на уровне мыслей расцепляется на обыкновенные цепи, которые поначалу рассматривают раздельно, а потом в сочетаниях.
Обычная цепь включает источник тока (батарея, вторичная обмотка трансформатора, заряженный конденсатор и т. п.), приемник тока (движок, резистор, лампа, обмотка реле, разряженный конденсатор и т. п.), прямой провод (от источника тока к приемнику), оборотный провод (от приемника тока к источнику) и один контакт аппарата (выключателя, реле и т. п.). Понятно, что в цепях, не допускающих размыкания, к примеру в цепях трансформаторов тока, контактов нет.
При чтении схемы необходимо поначалу на уровне мыслей расцепить ее на обыкновенные цепи, чтоб проверить способности каждого элемента, а потом разглядеть их совместное действие.

Действительность схемных решений
Наладчики отлично знают, что не всегда могут быть осуществлены на самом деле схемные решения, хотя они не содержат очевидных ошибок. Другими словами, проектные электронные схемы не всегда реальны.
Потому одна из задач чтения электронных схем заключается в том, чтоб проверить, могут ли быть выполнены данные условия.
Нереальность схемных решений обычно имеет в главном последующие предпосылки:
не хватает энергии для срабатывания аппарата,
в схему просачивается «лишняя» энергия, вызывающая неожиданное срабатывание пли препятствующая своевременному отпусканию электронного аппарата,
не хватает времени для совершения данных действий,
аппаратом задана уставка, которая не может быть достигнута,
вместе использованы аппараты, резко отличающиеся по свойствам,
не учтены коммутационная способность, уровень изоляции аппаратов и проводки, не погашены коммутационные перенапряжения,
не учтены условия, в каких электроустановка будет эксплуатироваться,
при проектировании электроустановки за базу принимается ее рабочее состояние, но не решается вопрос о том, как ее привести в это состояние и в каком состоянии она окажется, к примеру, в итоге краткосрочного перерыва питания.
Порядок чтения электронных схем и чертежей
Сначала, нужно ознакомиться с наличными чертежами (либо составить оглавление, если его нет) и классифицировать чертежи (если этого не изготовлено в проекте) по предназначению.
Чертежи перемешивают в таком порядке, чтоб чтение каждого следующего являлось естественным продолжением чтения предшествующего. Потом уясняют принятую систему обозначений и маркировки.
Если она не отражена па чертежах, то ее узнают и записывают.
На избранном чертеже читают все надписи, начиная со штампа, потом примечания, экспликации, пояснения, спецификации и т. д. При чтении экспликации непременно находят на чертежах аппараты, в ней перечисленные. При чтении спецификации сопоставляют их с экспликациями.
Если на чертеже имеются ссылки на другие чертежи, то необходимо отыскать эти чертежи и разобраться в содержании ссылок. К примеру, в одну схему заходит контакт, принадлежащий аппарату, изображенному на другой схеме. Означает, необходимо уяснить, что же это все-таки за аппарат, зачем служит, в каких критериях работает и т. п.
При чтении чертежей, отражающих электропитание, электронную защиту, управление, сигнализацию и т. п.:
1) определяют источники электропитания, род тока, величину напряжения и т. п. Если источников несколько либо использовано несколько напряжений, то уясняют, чем это вызвано,
2) расчленяют схему па обыкновенные цени и, рассматривая их сочетание, устанавливают условия деяния. Рассматривать всегда начинают с того аппарата, который нас в этом случае интересует. К примеру, если не работает движок, то необходимо отыскать па схеме его цепь и поглядеть, контакты каких аппаратов в нее входят. Потом находят цепи аппаратов, управляющих этими контактами, и т. д.,
3) строят диаграммы взаимодействия, выясняя с помощью их: последовательность работы во времени, согласованность времени деяния аппаратов в границах данного устройства, согласованность времени деяния вместе действующих устройств (к примеру, автоматики, защиты, телемеханики, управляемых приводов и т. п.), последствия перерыва электропитания. Для этого попеременно, предполагая отключенными выключатели и автоматы электропитания (предохранители перегоревшие), оценивают вероятные последствия, возможность выхода устройства в рабочее положение из хоть какого состояния, в каком оно могло оказаться, к примеру после ревизии,
4) оценивают последствия возможных дефектов: незамыкание контактов попеременно по одному, нарушения изоляции относительно земли попеременно для каждого участка,
5) нарушения изоляции меж проводами воздушных линий, выходящих за границы помещений и т. п.,
5) инспектируют схему па отсутствие неверных цепей,
6) оценивают надежность электропитания и режим работы оборудования,
7) инспектируют выполнение мер, обеспечивающих безопасность при условии организации работ, обусловленных действующими правилами (ПУЭ, СНиП и т. п.).
elektrica.info
Электрические схемы для начинающих электриков
Как читать электрические схемы – графические, буквенные и цифровые обозначения
Новички, которые пытаются самостоятельно собрать какие-то электронные схемы и приборы, сталкиваются с самым первым в своей новой деятельности вопросе, как читать электрические схемы? Вопрос, на самом деле серьезный, ведь прежде, чем собрать схему, ее необходимо как-то обозначить на бумаге. Или найти готовый вариант для воплощения в жизнь. То есть, чтение электрических схем – основная задача любого радиолюбителя или электрика.

Что такое электрическая схема
Это графическое изображение, где указаны все электронные элементы, связанные между собой проводниками. Поэтому знание электрических цепочек – это залог правильно собранного электронного прибора. А, значит, основная задача сборщика – это знать, как на схеме обозначаются электронные компоненты, какими графическими значками и дополнительными буквенными или цифровыми значениями.
Все принципиальные электрические схемы состоят из электронных элементов, которые имеют условное графическое обозначение, короче УЗО.
Для примера дадим несколько самых простых элементов, которые в графическом исполнении очень похожи на оригинал. Вот так обозначается резистор:
Как видите, очень похоже на оригинал. А вот так обозначается динамик:
То же большое сходство. То есть, существуют некоторые позиции, которые сразу же можно опознать. И это очень удобно. Но есть и совершенно непохожие позиции, которые или надо запомнить, или надо знать их конструкции, чтобы легко определять на принципиальной схеме. К примеру, конденсатор на рисунке снизу.
Тот, кто давно разбирается в электротехнике, то знает, что конденсатор – это две пластинки, между которыми размещен диэлектрик. Поэтому в графическом изображении был и выбран этот значок, он в точности повторяет конструкцию самого элемента.
Самые сложные значки у полупроводниковых элементов. Давайте рассмотрим транзистор. Необходимо отметить, что у этого прибора три выхода: эмиттер, база и коллектор. Но и это еще не все. У биполярных транзисторов встречаются две структуры: «n – p – n» и «p – n – p». Поэтому и на схеме они обозначаются по-разному:
Как видите, транзистор по своему изображению на него-то и не похож. Хотя, если знать структуру самого элемента, то можно сообразить, что это именно он и есть.
Простые схемы для начинающих, зная несколько значков, можно читать без проблем. Но практика показывает, что простыми электросхемами в современных электронных приборах практически не обходятся. Так что придется учить все, что касается принципиальных схем. А, значит, необходимо разобраться не только со значками, но и с буквенными и цифровыми обозначениями.
Что обозначают буквы и цифры
Все цифры и буквы на схемах являются дополнительной информацией, это опять-таки к вопросу, как правильно читать электросхемы? Начнем с букв. Рядом с каждым УЗО всегда проставляется латинская буква. По сути, это буквенное обозначение элемента. Это сделано специально, чтобы при описании схемы или устройства электронного прибора, можно было бы обозначать его детали. То есть, не писать, что это резистор или конденсатор, а ставить условное обозначение. Это и проще, и удобнее.
Теперь цифровое обозначение. Понятно, что в любой электронной схеме всегда найдутся элементы одного значения, то есть, однотипных. Поэтому каждую такую деталь пронумеровывают. И вся эта цифровая нумерация идет от верхнего левого угла схемы, затем вниз, далее вверх и опять вниз.
Внимание! Специалисты называют такую нумерацию правилом «И». Если обратите внимание, то движение по схеме так и происходит.

И последнее. Все электронные элементы имеют определенные свои параметры. Их обычно также прописывают рядом со значком или выносят в отдельную таблицу. К примеру, рядом с конденсатором может быть указана его номинальная емкость в микро- или пикофарадах, а также номинальное его напряжение (если такая необходимость возникает). Вообще, все, что связано с полупроводниковыми деталями должно обязательно дополняться информацией. Это не только упрощает чтение схемы, но и позволяет не ошибиться при выборе самого элемента в процессе сборки.
Иногда цифровые обозначения на электросхемах отсутствуют. Что это значит? К примеру, взять резистор. Это говорит о том, что в данной электрической схеме показатель его мощности не имеет значения. То есть, можно установить даже самый маломощный вариант, который выдержит нагрузки схемы, потому что в ней течет ток малой силы.
И еще несколько обозначений. Проводники графически обозначаются прямой непрерывной линией, места пайки точкой. Но учтите, что точка ставиться только в том месте, где соединяются три или более проводников.

Заключение по теме
Итак, вопрос, как научится читать схемы электрические, не самый простой. Вам потребуется не только знание УЗО, но и знание, касающиеся параметров каждого элемента, его структуры и конструкции, а также принципа работы, и для чего он необходим. То есть, придется учить все азы радио- и электротехники. Сложно? Не без этого. Но если вы поймете, как все работает, то для вас откроются горизонты, о которых вы и не мечтали.
Условные обозначения на электрических схемах
Обозначение розетки на электрической схеме по ГОСТам
Как определить полярность электролитического конденсатора
как научиться читать электросхемы
условные графические обозначения электросхем
Как научиться читать электросхемы? Помните букварь? Схемы тоже имеют алфавит, из символов которого строится графическое описание. Условных графических обозначений электросхем столько, что наша страница вытянется длинной лентой. Возьмем несколько обозначений — основу принципиальных электросхем .
Символы по умолчанию находятся в предстартовом состоянии. С нормально замкнутым и разомкнутым контактом все ясно, буквенные обозначения им присваиваются по принадлежности к аппарату. Нормально замкнутый контакт еще называют размыкающим, а нормально разомкнутый — замыкающим. Трудности могут возникнуть с реле времени. Растолкую не по-научному.
Что обозначают надписи на контактах. Например, КТ1.1 означает, что контакт принадлежит реле времени КТ №1, соответственно, катушка его тоже КТ1. У нас, правда, только одно реле, но если бы их было два, то второе обозначили бы КТ2. Вторая цифра после точки обозначает порядковый номер контакта аппарата. Контакты второго аппарата обозначились бы так: КТ2.1, КТ2.2 и т.д.
Если в схеме только один аппарат, его не нумеруют, а просто именуют в соответствии с условными графическими обозначениями электросхем (в нашем примере — КТ, а его контакты — КТ1, КТ2, КТ3 и КТ4; я в таблице обозначил КТ цифрой 1 для большей наглядности). То же самое и с одним контактом реле в схеме: он бы обозначился по имени владельца — просто КТ.
Если в схеме два реле времени (КТ1 и КТ2), и у каждого по одному контакту, эти контакты обозначатся также по принадлежности к номеру аппарата — КТ1 и КТ2. Такая система обозначений применяется для всех элементов электросхемы.
Как работают контакты реле времени. Контакт КТ1.1 до включения разомкнут. Обратим внимание на стрелку сверху контакта: стрелка как бы показывает, что тянет контакт кверху и не хочет, чтобы включился. При подаче напряжения пройдет немного времени (время задержки), и контакт пересилит стрелку. Этот период и называется задержкой при включении. При снятии напряжения стрелка не мешает, а тянет контакт на отключение.
По-другому работает контакт КТ1.2: его стрелка при включении старается помочь контакту замкнуться, при снятии напряжения упирается, не давая контакту вернуться. Такой режим называется задержкой на последующее отключение.
По этому принципу работают и КТ1.3, и КТ1.4. Главное, уяснить, когда стрелка мешает контакту, а когда помогает. Для закрепления материала предлагаю простенькую схему с подключением реле времени .
Если условные графические обозначения электросхем понятны, пойдем дальше. Сейчас из нашего алфавита составим слово «МАМА». Допустим, это будет
подключение электромагнитного пускателя
На схеме появились цифры. Это точки соединения элементов схемы. При монтаже провода связываются пучками, и в пучках не разобраться, что куда идет. Для этого концы проводов маркируются.
Сейчас мы знаем, что 1 и 2 провод идут к месту подключения питания (пусть будет 380V). Берем пускатель и подключаем катушку (на 380V) проводом 2 к напряжению. Другой вывод катушки проводом 5 соединяем с пусковой кнопкой SB1. Если провод 3 от кнопки «пуск» подключить к напряжению и нажать на нее, катушка притянет контакты пускателя. Но стоит кнопку отпустить, пускатель отключится. Как сделать, чтобы пускатель остался включенным при отпущенной кнопке?
Один из контактов пускателя во время включения должен продублировать контакт пусковой кнопки, то есть его выводы присоединяются к выводам кнопки «пуск». Что получается? Кнопку отпустили, а пускатель удерживает себя своим контактом КМ, выполняющим теперь роль пусковой кнопки. Как отключить?
Можно выключить рубильник — не всегда удобно, да и опасно. Для этого дана кнопка SB2 «стоп», подключенная проводом 1 к питанию, а проводом 3 — к пусковой кнопке и к блокировочному контакту КМ. При нажатии на нее катушка обесточится, блок-контакт освободится.
Первое слово из символов электрической схемы составили, а так оно выглядит в реальности:
Теперь, чтобы окончательно снять вопрос о том, как научиться читать электросхемы, попробуем прочитать маленький текст, а назовем его
принципиальная электрическая схема тельфера .
Также просмотрите:
чтение электросхем .
принципиальная электросхема.
как научиться читать электросхемы: 1 комментарий
Как читать электрические схемы

- Виды электрических схем
- Элементы электрической цепи и их условные обозначения
- Как правильно читат ь электрические схемы
- Видео
Каждая электрическая схема состоит из множества элементов, которые, в свою очередь, также включают в свою конструкцию различные детали. Наиболее ярким примером служат бытовые приборы. Даже обычный утюг состоит из нагревательного элемента, температурного регулятора, контрольной лампочки, предохранителя, провода и штепсельной вилки. Другие электроприборы имеют еще более сложную конструкцию, дополненную различными реле, автоматическими выключателями, электродвигателями, трансформаторами и многими другими деталями. Между ними создается электрическое соединение, обеспечивающее полное взаимодействие всех элементов и выполнение каждым устройством своего предназначения.
В связи с этим очень часто возникает вопрос, как научится читат ь электрические схемы, где все составляющие отображаются в виде условных графических обозначений. Данная проблема имеет большое значение для тех, кто регулярно сталкивается с электромонтажом. Правильное чтение схем дает возможность понять, каким образом элементы взаимодействуют между собой и как протекают все рабочие процессы.
Виды электрических схем
Для того чтобы правильно пользоваться электрическими схемами, нужно заранее ознакомиться с основными понятиями и определениями, затрагивающими эту область.

Любая схема выполняется в виде графического изображения или чертежа, на котором вместе с оборудованием отображаются все связующие звенья электрической цепи. Существуют различные виды электрических схем, различающиеся по своему целевому назначению. В их перечень входят первичные и вторичные цепи, системы сигнализации, защиты, управления и прочие. Кроме того, существуют и широко используются принципиальные и монтажные электрические схемы. однолинейные. полнолинейные и развернутые. Каждая из них имеет свои специфические особенности.
К первичным относятся цепи, по которым подаются основные технологические напряжения непосредственно от источников к потребителям или приемникам электроэнергии. Первичные цепи вырабатывают, преобразовывают, передают и распределяют электрическую энергию. Они состоят из главной схемы и цепей, обеспечивающих собственные нужды. Цепи главной схемы вырабатывают, преобразуют и распределяют основной поток электроэнергии. Цепи для собственных нужд обеспечивают работу основного электрического оборудования. Через них напряжение поступает на электродвигатели установок, в систему освещения и на другие участки.
Вторичными считаются те цепи, в которых подаваемое напряжение не превышает 1 киловатта. Они обеспечивают выполнение функций автоматики, управления, защиты, диспетчерской службы. Через вторичные цепи осуществляется контроль, измерения и учет электроэнергии. Знание этих свойств поможет научиться читат ь электрические схемы.

Полнолинейные схемы используются в трехфазных цепях. Они отображают электрооборудование, подключенное ко всем трем фазам. На однолинейных схемах показывается оборудование, размещенное лишь на одной средней фазе. Данное отличие обязательно указывается на схеме.
На принципиальных схемах не указываются второстепенные элементы, которые не выполняют основных функций. За счет этого изображение становится проще, позволяя лучше понять принцип действия всего оборудования. Монтажные схемы, наоборот, выполняются более подробно, поскольку они применяются для практической установки всех элементов электрической сети. К ним относятся однолинейные схемы, отображаемые непосредственно на строительном плане объекта, а также схемы кабельных трасс вместе с трансформаторными подстанциями и распределительными пунктами, нанесенными на упрощенный генеральный план.
В процессе монтажа и наладки широкое распространение получили развернутые схемы с вторичными цепями. На них выделяются дополнительные функциональные подгруппы цепей, связанных с включением и выключением, индивидуальной защитой какого-либо участка и другие.
Обозначения в электрических схемах
В каждой электрической цепи имеются устройства, элементы и детали, которые все вместе образуют путь для электрического тока. Они отличаются наличием электромагнитных процессов, связанных с электродвижущей силой, током и напряжением, и описанных в физических законах.

В электрических цепях все составные части можно условно разделить на несколько групп:
- В первую группу входят устройства, вырабатывающие электроэнергию или источники питания.
- Вторая группа элементов преобразует электричество в другие виды энергии. Они выполняют функцию приемников или потребителей.
- Составляющие третьей группы обеспечивают передачу электричества от одних элементов к другим, то есть, от источника питания – к электроприемникам. Сюда же входят трансформаторы, стабилизаторы и другие устройства, обеспечивающие необходимое качество и уровень напряжения.
Каждому устройству, элементу или детали соответствует условное обозначение, применяющееся в графических изображениях электрических цепей, называемых электрическими схемами. Кроме основных обозначений, в них отображаются линии электропередачи, соединяющие все эти элементы. Участки цепи, вдоль которых протекают одни и те же токи, называются ветвями. Места их соединений представляют собой узлы, обозначаемые на электрических схемах в виде точек. Существуют замкнутые пути движения тока, охватывающие сразу несколько ветвей и называемые контурами электрических цепей. Самая простая схема электрической цепи является одноконтурной, а сложные цепи состоят из нескольких контуров.
Большинство цепей состоят из различных электротехнических устройств, отличающихся различными режимами работы, в зависимости от значения тока и напряжения. В режиме холостого хода ток в цепи вообще отсутствует. Иногда такие ситуации возникают при разрыве соединений. В номинальном режиме все элементы работают с тем током, напряжением и мощностью, которые указаны в паспорте устройства.

Все составные части и условные обозначения элементов электрической цепи отображаются графически. На рисунках видно, что каждому элементу или прибору соответствует свой условный значок. Например, электрические машины могут изображаться упрощенным или развернутым способом. В зависимости от этого строятся и условные графические схемы. Для показа выводов обмоток используются однолинейные и многолинейные изображения. Количество линий зависит от количества выводов, которые будут разными у различных типов машин. В некоторых случаях для удобства чтения схем могут использоваться смешанные изображения, когда обмотка статора показывается в развернутом виде, а обмотка ротора – в упрощенном. Таким же образом выполняются и другие условные обозначения схем электрических.
Изображения трансформаторов также осуществляются упрощенным и развернутым, однолинейным и многолинейным способами. От этого зависит способ отображения самих устройств, их выводов, соединений обмоток и других составных элементов. Например, в трансформаторах тока для изображения первичной обмотки применяется утолщенная линия, выделенная точками. Для вторичной обмотки может использоваться окружность при упрощенном способе или две полуокружности при развернутом способе изображения.

Графические изображения других элементов:
- Контакты. Применяются в коммутационных устройствах и контактных соединениях, преимущественно в выключателях, контакторах и реле. Они разделяются на замыкающие, размыкающие и переключающие, каждому из которых соответствует свой графический рисунок. В случае необходимости допускается изображение контактов в зеркально-перевернутом виде. Основание подвижной части отмечается специальной незаштрихованной точкой.
- Выключатели. Могут быть однополюсными и многополюсными. Основание подвижного контакта отмечается точкой. У автоматических выключателей на изображении указывается тип расцепителя. Выключатели различаются по типу воздействия, они могут быть кнопочными или путевыми, с размыкающими и замыкающими контактами.
- Плавкие предохранители, резисторы, конденсаторы. Каждому из них соответствуют определенные значки. Плавкие предохранители изображаются в виде прямоугольника с отводами. У постоянных резисторов значок может быть с отводами или без отводов. Подвижный контакт переменного резистора обозначается в виде стрелки. На рисунках конденсаторов отображается постоянная и переменная емкость. Существуют отдельные изображения для полярных и неполярных электролитических конденсаторов.
- Полупроводниковые приборы. Простейшими из них являются диоды с р-п-переходом и односторонней проводимостью. Поэтому они изображаются в виде треугольника и пересекающей его линии электрической связи. Треугольник является анодом, а черточка – катодом. Для других видов полупроводников существуют собственные обозначения, определяемые стандартом. Знание этих графических рисунков существенно облегчает чтение электрических схем для чайников.
- Источники света. Имеются практически на всех электрических схемах. В зависимости от назначения, они отображаются как осветительные и сигнальные лампы с помощью соответствующих значков. При изображении сигнальных ламп возможна заштриховка определенного сектора, соответствующего невысокой мощности и небольшому световому потоку. В системах сигнализации вместе с лампочками применяются акустические устройства – электросирены, электрозвонки, электрогудки и другие аналогичные приборы.
Как правильно читат ь электрические схемы
Принципиальная схема представляет собой графическое изображение всех элементов, частей и компонентов, между которыми выполнено электронное соединение с помощью токоведущих проводников. Она является основой разработок любых электронных устройств и электрических цепей. Поэтому каждый начинающий электрик должен в первую очередь овладеть способностями чтения разнообразных принципиальных схем.

Именно правильное чтение электрических схем для новичков, позволяет хорошо усвоить, каким образом необходимо выполнять соединение всех деталей, чтобы получился ожидаемый конечный результат. То есть устройство или цепь должны в полном объеме выполнять назначенные им функции. Для правильного чтения принципиальной схемы необходимо, прежде всего, ознакомиться с условными обозначениями всех ее составных частей. Каждая деталь отмечена собственным условно-графическим обозначением – УГО. Обычно такие условные знаки отображают общую конструкцию, характерные особенности и назначение того или иного элемента. Наиболее ярким примером служат конденсаторы, резисторы, динамики и другие простейшие детали.
Гораздо сложнее работать с полупроводниковыми электронными компонентами, представленными транзисторами, симисторами, микросхемами и т.д. Сложная конструкция таких элементов предполагает и более сложное отображение их на электрических схемах.

Например, в каждом биполярном транзисторе имеется минимум три вывода – база, коллектор и эмиттер. Поэтому для их условного изображения требуются особые графические условные знаки. Это помогает различить между собой детали с индивидуальными базовыми свойствами и характеристиками. Каждое условное обозначение несет в себе определенную зашифрованную информацию. Например, у биполярных транзисторов может быть совершенно разная структура – п-р-п или р-п-р, поэтому изображения на схемах также будут заметно отличаться. Рекомендуется перед тем как читат ь принципиальные электрические схемы, внимательно ознакомиться со всеми элементами.
Условные изображения очень часто дополняются уточняющей информацией. При внимательном рассмотрении, можно увидеть возле каждого значка латинские буквенные символы. Таким образом обозначается та или иная деталь. Это важно знать, особенно, когда мы только учимся читат ь электрические схемы. Возле буквенных обозначений расположены еще и цифры. Они указывают на соответствующую нумерацию или технические характеристики элементов.
Источники: http://onlineelektrik.ru/eoborudovanie/kondensatori/kak-chitat-elektricheskie-sxemy-graficheskie-bukvennye-i-cifrovye-oboznacheniya.html, http://electriku.ru/shema, http://electric-220.ru/news/kak_chitat_ehlektricheskie_skhemy/2017-04-01-1217
electricremont.ru
Как читать электрические схемы?
Для того чтобы научиться читать электрические схемы, нужно, прежде всего, знать условные обозначения — то есть те символы, которые встречаются практически на любой схеме. Именно об этих символах мы, в первую очередь, и поговорим. Далее мы рассмотрим, что же еще, помимо знания этих обозначений, необходимо человеку для того, чтобы стать специалистом в области электротехники, а конкретно – понимание того, как применить знания по чтению электрических схем на практике.
Как читать электрические схемы — обозначения
Здесь я приведу вам основные обозначения, встречающиеся практически на любой электрической схеме.
- Линиями на электрической схеме всегда обозначаются провода.
- Точками обозначают точки соединения.
- Если вам встретится маленький прямоугольник — это резистор.
- Круг с крестиком внутри обозначает светодиод или лампочку. А вот круг с кругом внутри в подавляющем большинстве случаев обозначает электрический двигатель.
- Если вы встретите разомкнутую линию с концом, отведенным в сторону, это место обозначения ключа.
- И, наконец, П-образный прямоугольник будет означать, что в этом месте находится реле.
Теперь взгляните на любую электрическую схему — наверняка вы посмотрите на нее уже другими глазами. Рекомендую вам записать вышеуказанные обозначения с пояснениями в виде таблицы, чтобы, в случае чего, их легко было бы найти и объяснить. Ну, а теперь еще несколько советов, без которых не обойтись тому, кто хочет научиться читать электрические схемы, ведь помимо знания символов, нужно еще кое-что.
Как научиться читать электрические схемы
Конечно, далеко не все так просто. Существует немало специальных схем, где, даже зная все обозначения, для правильного их понимания нужно знать принцип работы того или иного устройства. Поэтому скачайте какой-нибудь толковый учебник по электротехнике и начинайте потихоньку осваивать азы этой непростой, но интереснейшей пр
elhow.ru
