подробное описание создания, схемы и чертежи + (фото инструкция)
На сегодняшний период времени увеличивающие или уменьшающие трансформаторы применяются для изменения напряжения. Данное устройство является машиной с высоким уровнем КПД и используется в большинстве сферах техники. Нередко людей интересует, как создать каркас и другие части трансформатора собственноручно.

Чтобы выполнить подобную задачу не обойтись без специальных умений. Помимо этого важно быть в курсе всего технологического процесса.

Краткое содержимое статьи:
Создаём трансформатор
При необходимости сделать данный прибор, важно ответить на ряд вопросов, в том числе:
- Какое непосредственно напряжение должен он пропускать?
- На какой именно частоте планируется запустить в работу устройство?
- Для каких целей требуется аппарат: для снижения или увеличения тока?

Какую мощь будет иметь?
Как только вы сможете ответить на каждый из перечисленных вопросов, приобретайте требуемые материалы. Необходимые материалы вы можете без сложностей купить в специализированных магазинах. Вам потребуются провода, изоляция ленточного типа высшего качества, сердечник.
Трансформатор собственноручно требует намотку. В этих целях следует создать станок, изготовление которого осуществляется из доски длиною сорок сантиметров и шириною десять сантиметров. На доску необходимо прикрепить несколько брусков, посредством шурупов.

Расстояние, имеющееся между брусками не должно быть менее чем тридцать сантиметров. Затем следует просверлить отверстия восемь миллиметров диаметром. В созданные отверстия нужно вставить специальные пруты для катушки аппарата.

С одной из сторон следует создать резьбу. Закрутив обустроенную шайбу, вы получите его ручку. Габариты станка для намотки можно выбрать на собственное усмотрение. Прежде всего, правильный выбор напрямую зависит от габарита сердечника. При кольцевидной его форме намотка создаётся вручную.

Согласно схеме трансформаторного устройства, аппарат может быть оснащён разнообразным числом витков. Требуемое их количество рассчитывается, ориентируясь на мощность. К примеру, при необходимости создания прибора до 220 вольт, мощность должна достигать не менее 150 ватт.

Форма магнитного провода должна быть о-образной. Можно обустроить его из бу телевизора. При этом сечение определяется посредством определённой формулы.

Обустройство катушечного корпуса
Корпус делают из качественной картонной бумаги. Внутренняя его сторона слега больше в сравнении со стержневой частью сердечника. При применении о-образного сердечника потребуется несколько катушек. При сердечнике ш-образном достаточно использовать всего одну катушку.

Применяя сердечник круглой формы, его следует обмотать, применяя изоляцию. Затем можно осуществлять проводную намотку. Как только вы завершите с обмоткой первичной, её следует закрыть несколькими изоляционными слоями. После этого нужно накрутить очередной слой. Концы имеющихся обмоток выводятся на наружную сторону.
При применении магнитного провода корпус трансформатора собирается пошагово:
- Осуществляется выкраивание определённого размера гильзы с требуемыми отворотами.
- Создаются картонные щёчки.
- Основная часть катушки сворачивается в специальную коробочку.
- На гильзы надеваются щёчки.

Создание обмоток для увеличивающего трансформатора
Следует надеть катушку на брусок из натурального массива. В нём необходимо просверлить специальное отверстие для прутка намоточного.

К одному из серьёзных этапов относится подключение тока. Деталь вставляется внутрь станка и можно производить обмотку:
- Сверху катушки наматывается лакоткань в несколько слоёв.
- Конец имеющегося провода закрепляется на обустроенной щёчке, после чего можно приступать к вращению ручку.
- Витки укладываются максимально плотно.
- После обмотки следует обрезать провод для последующего закрепления сверху щёчки возле первого.
- На имеющиеся выводы необходимо закрепить трубку изоляционную.

Сборка трансформатора увеличивающего
При необходимости узнать, как создать собственноручно трансформатор, воспользуйтесь инструкцией. Для сборки повышающего устройства важно разобрать полностью сердечник. При применении отдельно размещённых пластин, важно определиться с пакетной толщиной, рассчитать листы.
В случае если в процессе включения аппарата будет издаваться шум, то необходимо закрепить имеющийся крепёж максимально плотно. Затем следует проверить прибор на работоспособность. В этих целях он подключается к сети, после чего должно высветиться напряжение, составляющее 12В.

Немаловажно знать, что в процессе включения аппарата, важно оставить его в работающем состоянии на пару часов. При этом трансформатор должен не перегреваться.

Инструменты
Чтобы изготовить трансформатор собственноручно, следует взять инструменты, а также определённые материалы:
- Лакоткань.
- Сердечник, для которого вполне подходит телевизор бывший в использовании.
- Плотная картонная бумага.
- Доски, а также бруски из природной древесины.
- Прут из стали.
- Пила, специальный клей.
Сделать собственными руками трансформатор, как на фото, совершенно не проблематично. Если требуется изготовление трансформатора, предназначенного для лампочек галогенных, то вполне можно использовать тоже перечисленные выше инструменты.

Не забывайте, что очень важно придерживаться технологического процесса намотки. При точном соблюдении важных правил, аппарат прослужит вам ни одно десятилетие. Данных материалов, а также инструментов вам будет вполне достаточно для собственноручного создания качественного и практичного в применении трансформатора.

На основе подобной самоделки можно сформировать трансформатор для подзарядки машинного аккумулятора, либо создать повышающий прибор для источника питания лабораторного, выжигатель по древесине, либо другое устройство, которое удовлетворит нужды мастера по дому.

Фото трансформаторов своими руками
































electrikmaster.ru
Сварочный трансформатор – 105 фото разновидностей трансформаторных аппаратов

Краткое содержимое статьи:
Конструкционное решение трансформаторного оборудования
Устройство сварочного трансформатора достаточно простое – это пара обмоток, намотанных на сердечник. Одна из них первичная, а вторая – вторичная.

Принцип работы аппарата трансформаторного типа состоит в понижении входящего напряжения. Сила тока при этом может составлять порядка 700А, что позволяет осуществлять сварку металлических конструкций. Такой принцип действия характерен для всех разновидностей трансформаторного оборудования.
Хотя сегодня, при использовании современных разработок и технологий удалось добиться создания более идеальных и эргономичных вариаций трансформаторов.

Разновидности трансформаторных аппаратов
Все сварочные трансформаторы принято делить на три вида, у каждого из которых свои сильные и слабые стороны. Выбирая аппарат для сварки трансформаторного типа, нужно знать, чем одна разновидность отличается от другой.

Как показывают фото сварочных трансформаторов, они могут быть:
- С минимальным и нормальным магнитным рассеиванием.
- С повышенным магнитным рассеиванием.
- Тиристорными.

Технические характеристики
Независимо от типа для каждого трансформатора характерен набор конкретных характеристик, определяющих эффективность и качество его работы, а также удобство эксплуатации. Выбирая агрегат, нужно знать, что означает каждая характеристика сварочного трансформатора.

Маркировка. Это первое, на что надо обратить внимание. Маркировка – это зашифрованная запись базовых параметров. Первая буква обозначает источник питания, вторая указывает на тип сварочных работ, а третья – на метод. Четвёртая и пятая – это тип внешней характеристики и число постов.
Значение номинальной силы электрического тока – это 1 или 2 цифры, округлённые до десятых или сотых. Два или одно последних цифровых обозначения – это регистрационный номер.

Далее буквами обозначается допустимые температурные условия. Цифра в конце указывает на уместное расположение. I- значит допустима работа устройства на улице, II – под навесом, III – в неотапливаемой комнате, IV – в помещении с отоплением.

Диапазон регулировки тока. Это одна из главных характеристик любого трансформаторного устройства. Первое, что она обозначает — это то, что регулирование тока возможно, а второе – это наибольшую возможную величину силы тока. Все вместе указывает на возможность применять электроды разных размеров.

Диаметр электрода. Зависит от силы тока оборудования.

Напряжение в электросети. Данная характеристика показывает, какое напряжение обязано быть в сети, чтобы трансформатор нормально работал.

Номинальный ток сварки и рабочее напряжение. Эти параметры очень важны. Номинальный ток – это наибольший показатель тока, который может выдать агрегат. А номинальное напряжение — напряжение, требуемое для того, чтобы сварочная дуга была в устойчивом состоянии.

Продолжительность включения. Это время, которое аппарат трансформаторного типа может находиться в режиме сварки. Данный показатель не оказывает особого влияния на выбор сварочного оборудования.
Потребляемая мощность. Обозначает количество энергии, требуемой для 1 часа работы агрегата. Предпочтительнее остановить выбор на устройстве с минимальным параметром мощности потребления.

КПД. Чем больше данное значение, тем лучше.

Напряжение холостого хода. Оно отвечает за сварочную дугу. Чем оно выше, тем проще создаётся дуга.

Число рабочих мест. Это число человек, которые могут одновременно заниматься сваркой от данного устройства.

Система охлаждения.

Вес и габариты сварочного аппарата.

Начинающему малоопытному сварщику достаточно непросто выбрать подходящую модель сварочного трансформатора, ведь типов аппаратов для сварки довольно много. Поэтому, чтобы сделать правильный выбор, важно знать значение каждой технической характеристики. Если у вас возникли трудности, то лучше обратиться за советом к профессионалу.

Фото сварочного трансформатора



































Также рекомендуем посетить:
Инструменты из раздела:
zdesinstrument.ru
Что такое трансформатор: виды, описание
Силовой трансформатор
Силовой трансформатор – трансформатор, который используют для преобразования энергии в электрических сетях, а также установках, которые используют для работы с электрической энергией.
Автотрансформатор
Трансформатор с соединенными напрямую первичной и вторичной обмоткой, что обеспечивает им одновременно и электрическую, и электромагнитную связь. Как правило, обмотка трансформатора обладает минимум 3 выводами, подключение к которым позволяет получить разные напряжения. Одним из основных преимуществ такого типа трансформаторов является высокий КПД (так как преобразовывается лишь часть мощности). К недостаткам относится отсутствие электрической изоляции между первичной и вторичной цепью.
Измерительные трансформаторы
Измерительные трансформаторы применяются в установках переменного тока и служат в целях изоляции цепей измерительных приборов и реле от сети высокого напряжения, а также в целях расширения пределов измерения измерительных приборов. Если бы включение измерительных приборов осуществлялось непосредственно в цепь высокого напряжения, то каждый из приборов мог бы стать попросту опасным для прикосновений. Во избежание этого конструкцию приборов пришлось бы значительно усложнить, так как сечение токоведущих частей должно было бы справляться с большими токами, а их изоляция – справляться с высоким напряжением.
Измерительные трансформаторы можно разделить на два типа: трансформаторы напряжения и трансформаторы тока. Благодаря их использованию появляется возможность эксплуатации одних и тех же устройств со стандартными пределами измерения.
В случае с измерительным трансформатором тока происходит преобразование большого тока в малый, а в случае с измерительным трансформатором напряжение осуществляется изменение высокого напряжения в низкое.
Трансформатор тока
Трансформатор, который используют в целях снижения первичного тока до отметки, применяемой в цепях измерения, управления, защиты и сигнализации. Вторичная обмотка обладает номинальным значением 1А и 5А. Включение первичной обмотки осуществляется в цепь с измеряемым переменным током. В свою очередь, во вторичную подключают измерительные приборы. Ток, который проходит по вторичной обмотке, пропорционален току, который проходит в первичной обмотке на коэффициент трансформации.
Трансформатор напряжения
Трансформатор, который используют в целях преобразования высокого напряжения в более низкое в цепях, в измерительных цепях, а также цепях РЗиА. Благодаря использованию трансформатора появляется возможность изоляции логических цепей защиты и измерительных цепей от цепей высокого напряжения.
Импульсный трансформатор
Трансформатор, который используют в целях преобразования импульсных сигналов, чья длительность доходит до десятков микросекунд, с максимальным сохранением формы импульса. Обычно его применяют в тех случаях, когда требуется передача прямоугольного электрического импульса. Он трансформирует кратковременные видеоимпульсы напряжения, периодическое повторение которых сопровождается высокой скважностью. Как правило, главные требования, которые предъявляются к ИТ, включают в себя передачу формы трансформируемых импульсов напряжения в неискаженном виде. Кроме этого, во время воздействия на вход ИТ того или иного вида напряжения необходимо получить на выходе тот же самый импульс напряжения (в крайнем случае, другой полярности или амплитуды).
Разделительный трансформатор
Трансформатор, у которого первичная обмотка электрически никак не связана со вторичными обмотками. Основное предназначение силовых разделительных трансформаторов заключается в повышении безопасности электросетей, требования к которой возрастают в случае касаний земли, а также токоведущих и нетоковедущих частей, находящихся под напряжением в результате повреждения изоляции. Гальваническая развязка электрических цепей обеспечивается за счет сигнальных разделительных трансформаторов.

Пик-трансформатор
Трансформатор, который преобразует напряжение, имеющее синусоидальную форму, в импульсное напряжение, полярность которого изменяется через каждую половину периода.
Трансформаторы с минимальным и нормальным магнитным рассеянием
Трансформаторы СТЭ характеризуются тем, что их обмотка обладает минимальным магнитным рассеянием. При этом сила тока регулируется за счет винтового механизма дросселя, вынесенного отдельно.
Трансформаторы с нормальным магнитным рассеянием в чем-то схожи с предыдущими. Основное различие между ними заключается в том, что присутствует дополнительная реактивная катушка, которая находится на главных стержнях магнитного сердечника и обмотке дросселя. Дроссель устанавливают на магнитный сердечник, при этом сила тока регулируется точно таким же образом, что и при работе с трансформатором СТЭ.
Трансформаторы с повышенным магнитным рассеянием
Главное отличие трансформаторов с повышенным магнитным рассеянием от трансформаторов с низким и нормальным рассеянием заключается в наличии подвижной конструкции шунтов и обмоток. Благодаря такому подходу можно получить более высокие рабочие характеристики независимо от массы самого трансформатора.
Среди трансформаторов с повышенным магнитным рассеянием можно найти модели с подвижными обмотками, к примеру, трансформаторы ТСК-300, ТД-300, ТС-500. Кроме этого, существуют модели, у которых имеются подвижные магнитные шунты (ТДМ-317 и СТШ-250). Также можно отметить модели с неподвижными подмагничивающими шунтами и обмотками (ТДФ-2001 и ТДФ-1001) и конструкции со сложной магнитной коммутацией (ВД-306 и ВДУ-506). На сегодняшний день чаще всего используются модели трансформаторов ТД и ТС, а также их модификации ТДЭ и ТДМ.
Тиристорные трансформаторы
Также стоит отметить тиристорные трансформаторы, работа которого основана фазовом регулировании силы тока за счет тиристоров, которые осуществляют преобразование поступающего переменного тока в знакопеременные импульсы. Сначала такие трансформаторы, из-за нестабильности горения дуги, применялись исключительно при контактной и шлаковой сварке. Однако, по мере развития полупроводниковых технологий тиристорные сварочные трансформаторы претерпели определенные изменения и стали одними из лучших аппаратов, которые отлично подходят не только для шлаковой и точечной сварок, но и ручной дуговой.
bouw.ru
трансформатор Фотографии, картинки, изображения и сток-фотография без роялти
#20665171 – 16 electricity related icons silhouettes.Вектор
Похожие изображения
Добавить в Лайкбокс
#40954557 – High voltage power transformer
Похожие изображения
Добавить в Лайкбокс
#36573156 – Electric transformer
Похожие изображения
Добавить в Лайкбокс
#18024559 – Scheme diagram of nuclear power plantВектор
Похожие изображения
Добавить в Лайкбокс
#43961259 – Abstract sketch stylized background. Electric power plantВектор
Похожие изображения
Добавить в Лайкбокс
#19973186 – Power high voltage tower with engineer background for posterВектор
Похожие изображения
Добавить в Лайкбокс
#43547534 – Electricity icon. simply symbol for web iconsВектор
Похожие изображения
Добавить в Лайкбокс
#51443545 – Picture of the electrical panel, electric meter and circuit breakers,high-voltage..Вектор
Похожие изображения
Добавить в Лайкбокс
#28526759 – Diagram to show how a electrical transformer changes voltage..Вектор
Похожие изображения
Добавить в Лайкбокс
#52235593 – computer repair service flat 3D isometric in vector format eps10Вектор
Похожие изображения
Добавить в Лайкбокс
#56431737 – Smart grid vector diagram. Smart communication grid, smart technology..Вектор
Похожие изображения
Добавить в Лайкбокс
#43961201 – Abstract sketch stylized background. Electric power plant and..Вектор
Похожие изображения
Добавить в Лайкбокс
#43964137 – Set icons of power industry isolated on whiteВектор
Похожие изображения
Добавить в Лайкбокс
#40187796 – Modern transformer robotsВектор
Похожие изображения
ru.123rf.com
Трансформатор своими руками: инструкция + фото
Повышающие или понижающие трансформаторы на сегодняшний день используются для преобразования напряжения. Их устройство представляет собою машину, которая имеет высокое КПД и применяется во многих областях техники. Многие часто задаются вопросом, как сделать трансформатор своими руками. Для того чтобы самостоятельно собрать это устройство могут потребоваться определенные знания. Также следует знать весь технологический процесс.
Как сделать трансформатор своими руками?
Если вам необходимо самостоятельно соорудить этот аппарат, тогда следует ответить на вопросы:
Для чего необходимо устройство: для повышения или понижения тока?
Какое напряжение будет через него проходить?
На какой частоте будет работать ваш аппарат?
Какую мощность он должен иметь после изготовления?
После того как вы ответите на эти вопросы можно приступать к покупке необходимых материалов. Все материалы для того чтобы сделать трансформатор своими руками можно найти в магазине. В магазине вам необходимо приобрести ленточную изоляцию, сердечник (при необходимости снять его можно из старого телевизора), провода, которые имеют эмалевую изоляцию. Ленточная изоляция трансформатора должна иметь высокое качество.
Трансформатор своими руками также необходимо наматывать. Для его намотки вам потребуется соорудить простой станок. Для его изготовления вам может потребоваться доска шириною 10 см и длиною 40 см. На нее нужно прикрепить с помощью шурупов два бруска 50 на 50 мм. Расстояние между ними обязательно должно составлять не меньше 30 см. Потом просверлите небольшие отверстия с диаметром в 8 мм. В эти отверстия необходимо будет вставить пруты, на которые будет надета катушка трансформатора.
С одной стороны, вам необходимо нарезать небольшую резьбу. После того как вы закрутите шайбу у вас будет готова его ручка. Размер намоточного станка может быть любым. В первую очередь все зависит от размеров сердечника. Если сердечник имеет форму кольца, тогда его намотку следует выполнять вручную.
Трансформатор своими руками может иметь разное количество витков. Необходимое количество витков вы рассчитаете исходя из его мощности. Например, если вам необходимо устройство от 12 до 220 В, тогда мощность аппарата будет составлять от 90 до 150 Вт. Магнитопровод должен иметь О – образную форму. Взять его можно из старого телевизора. Сечение необходимо определить с помощью формулы.
На следующем этапе вам потребуется определить количество витков на 1 В, которое в данном случае равно 50 Гц, деленное на 10. Первичная и вторичная обмотка рассчитывается с помощью формулы:
W1= 12 Х 5 = 60 и W2= 220 Х 5=1100.
Определить в них токи можно с помощью:
I1 = 150:12=12,5 А и I2=150:220=0,7 А.
Вот так рассчитываются все параметры будущего трансформатора. Инструкция трансформатора содержит в себе эти формулы для расчета.
Процесс изготовления каркаса катушек
Каркас делают из картона. Его внутренняя часть должна быть немного больше чем стержень сердечника. Если вы используете О – образный сердечник, тогда необходимо будет две катушки. Если сердечник будет Ш – образным тогда нужна одна катушка.
Если вы используете круглый сердечник, тогда его предварительно необходимо обмотать изоляцией. После этого можно приступать к намотке провода. После того как первичная обмотка будет завершена ее необходимо закрыть 3 слоями изоляции. Потом вам необходимо начать накручивать вторичный ее слой. Концы обмоток следует вывести наружу. При использовании магнитопровода каркас необходимо делать так:
- Необходимо выкроить гильзы с отворотами.
- Вырезать щечки из картона.
- Тело катушки необходимо свернуть в небольшую коробку.
- Вам следует надеть на гильзы щечки.
Изготовление обмоток для повышающего трансформатора
Катушку необходимо надеть на деревянный брусок. Предварительно в нем следует просверлить отверстие для намоточного прутка. Подключение трансформатора тока считается наиболее ответственным шагом. Эту деталь следует вставить в станок и приступить к изготовлению обмотки:
- На катушку следует намотать два слоя лакоткани.
- Конец провода нужно закрепить на щечке и начать вращать ручку станка.
- Витки нужно плотно укладывать.
- После первичной обмотки провод нужно обрезать и закрепить на щечке рядом с первым.
- На выводы нужно закрепить изоляционную трубку.
Сборка повышающего трансформатора
Если вы желаете сделать трансформатор своими руками, тогда мы вам поможем. Чтобы собрать повышающий трансформатор необходимо разобрать сердечник. Если вы используете отдельные пластины, тогда следует определить толщину пакета и необходимо рассчитать О – образные и Ш – образные листы. Если при включении устройства будет слышен шум или дребезг, тогда следует плотнее закрепить крепеж. После этого нужно провести испытание трансформатора. Для этого нужно включить его в сеть и на первичной стороне должно появиться напряжение в 12 В.
Важно знать! После включения устройства его необходимо оставить включенным на несколько часов. Трансформатор не должен перегреваться.
Инструменты и материалы для изготовления устройства
Для его изготовления вам потребуются следующие инструменты:
- Сердечник (можно взять из старого телевизора).
- Лакоткань.
- Толстый картон.
- Доски и деревянные бруски.
- Стальной прут.
- Клей и пила.
Сделать этот трансформатор несложно. Трансформатор для галогенных ламп тоже можно сделать с помощью этих инструментов. Помните, что не нужно отступать от технологии намотки. Если все правила будут соблюдены, тогда оно проработает много лет. Этих инструментов и материалов хватит для того, чтобы изготовить трансформатор своими руками.
К вашему вниманию: как сделать тороидальный трансформатор своими руками?
vse-elektrichestvo.ru
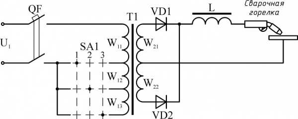
Подключение трансформатора треугольником. Силовые трансформаторы
Трансформаторы являются одними из главных электрических устройств, которые используются на производстве и в бытовых условиях. Предлагаем рассмотреть, что такое сухие, масляные силовые трансформаторы (ТС) напряжения и мощности, где используются однофазные, понижающие и высоковольтные электрические устройства, а также их технические характеристики и монтаж.
Трансформатор – это электрическое устройство, передающее энергию между контурами, используя законы магнитной индукции. Трансформаторы могут применяться как приборы, которые повышают или понижают напряжение, чтобы преобразовать поступающий ток переменного напряжения в выходящий ток постоянного напряжения. Эта уникальная способность трансформаторов может быть использована для импеданса между несогласованными электрическими цепями, чтобы обеспечить максимальную передачу мощности между схемами.
Фото – Параметры напряжения

Трансформатор обычно состоит из двух обмоток проволоки с изоляцией, намотанных вокруг общего якоря, чтобы вызвать тесный электромагнитный контакт между обмотками. Материал сердечника чаще всего выполнен из железа. Катушка, которая получает электрический входной ток, называется катушкой первичной обмотки, а выходная катушка, соответственно – вторичной.
У тороидального трансформатора пассивными электронными компонентами являются катушки индуктивности, они состоят из круглого кольцевого магнитного сердечника с высокой магнитной проницаемостью материала – это железный порошок или феррит, вокруг которого намотана проволока. Тороидальные катушки и фильтры используются для высокочастотных катушек и трансформаторов, их помощью проводят испытания мощности.

Фото – Силовой трансформатор
Если переменный электрический ток протекает через первичную обмотку (обмотки) трансформатора, электромагнитное поле генерируется и развивается в магнитном потоке в сердечнике трансформатора. При помощи электромагнитной индукции, этот магнитный поток генерирует переменное ЭДС во вторичной обмотке, который индуцирует напряжение на выходных клеммах. Если сопротивление нагрузки подключается через вторичную обмотку, электрический ток протекает через неё от первичной обмотки и источника питания.
Мощные двухобмоточные трансформаторы (до 110 кВ) не могут работать с постоянным током, хотя, когда они подключены к источнику постоянного тока, передают краткий выходной импульс о том, как поднимается напряжение.

Фото – Уличный трансформатор
Функционирование трансформатора холостого хода основано на двух принципах закона электромагнитной индукции: электрический ток через проводник, например, провод производит магнитное поле вокруг провода, происходят изменения магнитного поля в непосредственной близости от проволоки, индуцируется напряжение на её концах. Как видите, устройство силового трансформатора практически не отличается от обычного бытового прибора.
Магнитное поле возбуждается в первичной катушке, что приводит к самоиндукции, а также ко взаимной индукции между катушками. Эти самоиндукционные счетчики возбуждают поле до такой степени, что в результате ток, проходящий через первичную обмотку, очень мал. Если нагрузка отсуствует – прибор питается о вторичной обмотки.

Фото – Трансформатор
Виды силовых трансформаторов
В зависимости от области применения, бывают такие типы силовых трансформаторов:
- Силовые понижающие (от 6 кВ до 35 кВ) трансформаторы ГОСТ 11677-85. В основном используется для активизации понижения сил напряжения в электрической сети;
- Трехфазные и однофазные трансформаторы. Обычно используются в трехфазной энергосистеме, т.к. являются экономически эффективными. Предпочтительно применять три однофазных трансформатора, т.к. легче транспортировать несколько блоков по отдельности. Они используются, как для того чтобы обеспечить производство постоянным током, так и для контроля напряжения в бытовых условиях;
- Электрический силовой, измерительный трансформатор распределения нагрузки. Эти устройства используются в электросети для защиты системы электроснаб
levevg.ru
Что внутри у трансформатора

Трансформатор представляет собой устройство для преобразования величины переменного тока или напряжения.
В простейшем случае трансформатор состоит из двух гальванически изолированных друг от друга обмоток, помещенных на общий сердечник (Рис.1 ).
Обмотка, подключенная к источнику переменного тока называется первичной. Нагрузка подключается к вторичной обмотке трансформатора. Материалом для обмоток служит медные проводники, реже – алюминиевые круглого или прямоугольного сечения. Для трансформаторов, работающих на сетях переменного тока низкой промышленной частоты материалом сердечника служит электротехническая сталь.
Рис. 1
Принцип работы трансформатора заключается в том, что проходящий по первичной обмотке ток II создает магнитный поток ФОСН, одинаковый во всем сечении сердечника. Магнитный поток индуцирует во вторичной обмотке токIII и напряжение UII, определяемое соотношением витков в двух обмотках – wIи wII.
При прохождении магнитного потока возникают потери в сердечнике на вихревые токи.
Для их уменьшения магнитопровод собирают из отдельных, изолированных друг от друга пластин с высоким удельным сопротивлением. Если замыкаются несколько пластин сердечника, вихревые токи приводят к повышению температуры магнитопровода, что может привести к разрушению изоляции обмоток.
Также возникают потери на образовании магнитного поля вне сердечника трансформатора (Рис. 1,ФРАС). Проходящий в первичной обмотке ток вызывает нагрев проводника катушки и снижает КПД работы трансформатора.
Однофазные трансформаторы по типу сердечника разделяются на броневые и стержневые.
На броневых магнитопроводах катушки обмотки установлены на одной оси и закрыты другими полосами сердечника (Рис 2,а).
Такие трансформаторы широко используется при небольшой мощности потребления. В стержневых трансформаторах (Рис 2, б ) катушки охватывают большую часть сердечника. Магнитопроводы трансформатора делают раздельными для уменьшения вихревых токов и стягивают между собой при сборке.
Рис. 2
В зависимости от отношения витков трансформаторы бывают повышающими и понижающими. Также различают сторону подключения высокого и низкого напряжения.
Однофазный трансформатор может работать в режиме холостого хода, короткого замыкания или на нагрузку.
При холостом ходе, вторичная обмотка не подключена, или подключена на нагрузку с большим сопротивлением. Ток в ней равен нулю. Режим холостого хода используется для измерения коэффициента трансформации и величины потерь в магнитопроводе.
Короткое замыкание в трансформаторе получается, если замкнуть выводы вторичной обмотки. При этом возникает падение напряжение в первичной обмотке, а во вторичной напряжение определяется падением напряжения на сопротивлении обмотки. Режим КЗ используется для измерения величины потерь на обмотках.
Включение трансформатора под нагрузку является рабочим режим трансформатора. При отсутствии перегрузок трансформатор может проработать неограниченно долго.
Рис. 3
Трехфазные трансформаторы можно рассматривать как три отдельных однофазных трансформатора, первичные и вторичные обмотки которых соединены определенным образом – по схеме «звезда» или «треугольник» (Рис 3, первичные обмотки включены «звездой», вторичные – «треугольником»).
Использование соединения «звездой» конструктивно проще и применяется при больших действующих напряжениях при сравнительно малом токе. В обратном случае (при большом токе и малом напряжении) предпочтительней «треугольник». При одинаковой схеме подключения вторичной и первичной обмоток коэффициент трансформации соответствуют коэффициенту одной фазы.
Если используется смешанное подключение коэффициент трансформации будет отличаться от номинального в большую или меньшую сторону, что позволяет изменять напряжение на выводах коммутацией обмоток.
Как правило,трехфазные трансформаторы работают на больших мощностях, что требует дополнительного охлаждения обмоток и сердечника.
Рис. 4
Трехфазный трансформатор (Рис. 4) включает первичные 1 и вторичные обмотки 2, концентрически установленные на общий сердечник. Трансформатор помещен в бак 3, заполненный диэлектрическим охлаждающим маслом. Выводы обмоток изолируются от корпуса бака фарфоровыми изоляторами 4.
Система охлаждения включает в себя несколько труб, соединяющих бак сверху и снизу 5 и расширитель 6. При нагреве трансформатора масло поднимается к верху емкости, охлаждается от окружающей среды и опускается через боковые трубки, вытесняя нагретое масло вверх. Расширитель служит для компенсации повышения объема масла при нагреве. Также на бак трансформатора установлены термометр, а в расширителе – окно для измерения объема масла.
Трансформаторы широко применяются в современных системах распределения электроэнергии. В бытовом применении, для питания различной электроники, низкочастотные трансформаторы уже почти вытеснены более лучшими высокочастотными.
Пишите комментарии,дополнения к статье, может я что-то пропустил. Загляните на карту сайта, буду рад если вы найдете на моем сайте еще что-нибудь полезное.
elektronchic.ru
