Как проверить транзистор мультиметром
Опытные электрики и электронщики знают, что для полной проверки транзисторов существуют специальные пробники.
С помощью них можно не только проверить исправность последнего, но и его коэффициент усиления — h31э.
СОДЕРЖАНИЕ (нажмите на кнопку справа):
Необходимость наличия пробника
Пробник действительно нужный прибор, но, если вам необходимо просто проверить транзистор на исправность вполне подойдет и мультиметр.

Устройство транзистора
Прежде, чем приступить к проверке, необходимо разобраться что из себя представляет транзистор.
Он имеет три вывода, которые формируют между собой диоды (полупроводники).
Каждый вывод имеет свое название: коллектор, эмиттер и база. Первые два вывода p-n переходами соединяются в базе.

Один p-n переход между базой и коллектором образует один диод, второй p-n переход между базой и эмиттером образует второй диод.
Оба диода подсоединены в схему встречно через базу, и вся эта схема представляет собой транзистор.
Ищем базу, эмиттер и коллектор на транзисторе
Как сразу найти коллектор.
Чтобы сразу найти коллектор нужно выяснить, какой мощности перед вами транзистор, а они бывают средней мощности, маломощные и мощные.

Транзисторы средней мощности и мощные сильно греются, поэтому от них нужно отводить тепло.
Делается это с помощью специального радиатора охлаждения, а отвод тепла происходит через вывод коллектора, который в этих типах транзисторов расположен посередине и подсоединен напрямую к корпусу.
Получается такая схема передачи тепла: вывод коллектора – корпус – радиатор охлаждения.
Если коллектор определен, то определить другие выводы уже будет не сложно.
Бывают случаи, которые значительно упрощают поиск, это когда на устройстве уже есть нужные обозначения, как показано ниже.

Производим нужные замеры прямого и обратного сопротивления.
Однако все равно торчащие три ножки в транзисторе могу многих начинающих электронщиков ввести в ступор.
Как же тут найти базу, эмиттер и коллектор?
Без мультиметра или просто омметра тут не обойтись.
Итак, приступаем к поиску. Сначала нам нужно найти базу.
Берем прибор и производим необходимые замеры сопротивления на ножках транзистора.
Берем плюсовой щуп и подсоединяем его к правому выводу. Поочередно минусовой щуп подводим к среднему, а затем к левому выводам.
Между правым и среднем у нас, к примеру, показало 1 (бесконечность), а между правым и левым 816 Ом.

Эти показания пока ничего нам не дают. Делаем замеры дальше.
Теперь сдвигаемся влево, плюсовой щуп подводим к среднему выводу, а минусовым последовательно касаемся к левому и правому выводам.
Опять средний – правый показывает бесконечность (1), а средний левый 807 Ом.

Это тоже нам ничего не говорить. Замеряем дальше.
Теперь сдвигаемся еще левее, плюсовой щуп подводим к крайнему левому выводу, а минусовой последовательно к правому и среднему.
Если в обоих случаях сопротивление будет показывать бесконечность (1), то это значит, что базой является левый вывод.

А вот где эмиттер и коллектор (средний и правый выводы) нужно будет еще найти.
Теперь нужно сделать замер прямого сопротивления. Для этого теперь делаем все наоборот, минусовой щуп к базе (левый вывод), а плюсовой поочередно подсоединяем к правому и среднему выводам.
Запомните один важный момент, сопротивление p-n перехода база – эмиттер всегда больше, чем p-n перехода база – коллектор.
В результате замеров было выяснено, что сопротивление база (левый вывод) – правый вывод равно 816 Ом, а сопротивление база – средний вывод 807 Ом.

Значит правый вывод — это эмиттер, а средний вывод – это коллектор.
Итак, поиск базы, эмиттера и коллектора завершен.
Как проверить транзистор на исправность
Чтобы проверить транзистор мультиметром на исправность достаточным будет измерить обратное и прямое сопротивление двух полупроводников (диодов), чем мы сейчас и займемся.
В транзисторе обычно существуют две структуру перехода p-n-p и n-p-n.
P-n-p – это эмиттерный переход, определить это можно по стрелке, которая указывает на базу.
Стрелка, которая идет от базы указывает на то, что это n-p-n переход.
P-n-p переход можно открыть с помощью минусовое напряжения, которое подается на базу.
Выставляем переключатель режимов работы мультиметра в положение измерение сопротивления на отметку «200».

Черный минусовой провод подсоединяем к выводу базы, а красный плюсовой по очереди подсоединяем к выводам эмиттера и коллектора.
Т.е. мы проверяем на работоспособность эмиттерный и коллекторный переходы.
Показатели мультиметра в пределах от 0,5 до 1,2 кОм скажут вам, что диоды целые.
Теперь меняем местами контакты, плюсовой провод подводим к базе, а минусовой поочередно подключаем к выводам эмиттера и коллектора.
Настройки мультиметра менять не нужно.
Последние показания должны быть на много больше, чем предыдущие. Если все нормально, то вы увидите цифру «1» на дисплее прибора.
Это говорит о том, что сопротивление очень большое, прибор не может отобразить данные выше 2000 Ом, а диодные переходы целые.
Преимущество данного способа в том, что транзистор можно проверить прямо на устройстве, не выпаивая его оттуда.
Хотя еще встречаются транзисторы где в p-n переходы впаяны низкоомные резисторы, наличие которых может не позволить правильно провести измерения сопротивления, оно может быть маленьким, как на эмиттерном, так и на коллекторном переходах.
В данном случае выводы нужно будет выпаять и проводить замеры снова.
Признаки неисправности транзистора
Как уже отмечалось выше если замеры прямого сопротивления (черный минус на базе, а плюс поочередно на коллекторе и эмиттере) и обратного (красный плюс на базе, а черный минус поочередно на коллекторе и эмиттере) не соответствуют указанным выше показателям, то транзистор вышел из строя.

Другой признак неисправности, это когда сопротивление p-n переходов хотя бы в одном замере равно или приближено к нулю.
Это указывает на то, что диод пробит, а сам транзистор вышел из строя. Используя данные выше рекомендации, вы легко сможете проверить транзистор мультиметром на исправность.
ОЦЕНКА СТАТЬИ:
Загрузка…ПОДЕЛИТЬСЯ С ДРУЗЬЯМИ:
elektrikexpert.ru
Как проверить биполярный транзистор | Практическая электроника
Как проверить транзистор, если у вас при себе есть только мультиметр?
Транзистор…Блин, какое страшное слово! Думаю, у всех чайников транзистор ассоциируется с чем-то очень трудным и непонятным. Но, уверяю вас, мои дорогие чайники, ничего трудного нету в транзисторе. Давайте же для начала разберемся, что он вообще из себя представляет и как его можно проверить на работоспособность.
Сразу оговорюсь, в нашей статье мы будет проверять биполярные транзисторы. Что это значит? А значит это то, что эти транзисторы состоят из двух P-N переходов. P-N переходы, дырки, электроны бла бла бла… Ну нафиг! Нам это не надо знать, как там ведут себя электроны, а как дырки и тд и тп. Просто знайте, если ток будет течь через P-N переход, то он сможет течь только в одном направлении. Из P-N перехода сделаны все диоды. А как вы знаете, диод пропускает ток тольков в одном направлении, и не пропускает в другом направлении. То есть другими словами, в одном направлении сопротивление диода маленькое, а в другом — очень большое. Это мы с вами видели в статье как проверить диод мультиметром .
Биполярный транзистор, как я уже сказал, состоит из двух P-N переходов. А в зависимости, как расставлены материалы P и N, так и называется транзистор. На рисунке ниже схематическое обозначение P-N-P транзистора:

Его выводы обозначаются, как эммитер, база и коллектор. Материал, который посередине, между двумя другими материалами, называется в транзисторе базой. Эммитер и коллектор находятся по краям и состоят из одного какого либо одинакового материала. В P-N-P транзисторе ток втекает в эммитер и собирается в коллекторе. А ток базы регулирует ток в коллекторе. Все просто :-).
где Э — это эмиттер, Б — база, К — коллектор.
Существует также другая разновидность биполярного транзистора — N-P-N. Здесь уже материал P заключен между двумя материалами N.

Принцип его действия схож с P-N-P транзистором, просто здесь ток течет уже в другом направлении.
Вот его схематическое изображение на схемах
Так как диод состоит из одного P-N перехода, а транзистор из двух, то значит

Теперь же мы с вами можем проверить транзистор, проверяя эти два диода, из которых, грубо говоря, состоит транзистор.
Ну чтоже, давайте на практике определим работоспособность нашего транзистора. А вот и наш пациент:

Внимательно читаем, что нам написали на транзисторе: С4106. Теперь залезаем в интернет и ищем документ-описание на этот транзистор. По-английски он называется datasheet. Прямо так и вбиваем в поисковике «C4106 datasheet». Имейте ввиду, что импортные транзисторы пишутся с английскими буквами.
Нас больше всего интересует распиновка контактов. То есть нам нужно узнать, какой вывод что из себя представляет. Для этого транзистора нам нужно узнать, где у него база, где эмиттер, а где коллектор. В этом и вся прелесть даташита.
А вот и схемка распиновки:

Теперь нам понятно, что первый вывод — это база, второй вывод — это коллектор, ну а третий — эмиттер.
Возвращаемся к нашему рисуночку

Наш подопечный — это N-P-N транзистор. Получается, если он здоров, то у нас будет маленькое падение напряжения в миллиВольтах, если мы приложим «плюс» к базе, а «минус» к коллектору или эммитеру. А если мы приложим «минус» к базе , а «плюс» к коллектору или эмиттеру, то увидим единичку на мультике. Начинаем проверять диоды транзистора, как мы это делали при проверке диодов в статье Как проверить диод мультиметром.
Ставим на прозвонку и начинаем мусолить наш транзистор. Для начала ставим «плюс» к базе, а «минус» к коллектору

Все ок, прямой P-N переход должен обладать небольшим падением напряжения для кремниевых транзисторов 0,5-0,7 Вольт, а для германиевых 0,3-0,4 Вольта. На фото 543 милиВольта или 0,54 Вольта.
Проверяем переход база-эммитер, поставив на базу «плюс» , а на эммитер «минус».

Видим снова падение напряжения прямого P-N перехода. Все ок.
Меняем щупы местами. Ставим «минус» на базу, а «плюс» на коллектор. Сейчас мы замеряем обратное падение напряжения на P-N переходе.
Все ОК, так как видим единичку.
Проверяем теперь обратное падение напряжения перехода база-эммитер.

Здесь у нас мультик также показывает единичку. Значит можно дать диагноз транзистору — здоров.
Давайте проверим еще один транзистор. Он подобен транзистору, который мы с Вами рассмотрели. Его распиновка (то есть положение и значение выводов) такая же, как у нашего первого героя. Также ставим мультик на прозвонку и цепляемя к нашему подопечному.

Нолики… Это не есть хорошо. Это говорит о том, что P-N переход пробит, а раз уж он пробит, то можно смело выкидывать такой транзистор в мусорку.
В заключении статьи, хотелось бы добавить, что лучше всегда отыскивать даташит на проверяемый транзистор. Бывают так называемые составные транзисторы. Что это значит? Это значит, что в одном конструктивном корпусе транзистора могут быть вмонтированы два или даже больше транзисторов или даже диоды наряду с транзистором вместе. Имейте также ввиду, что некоторые радиоэлементы выполняют, как транзисторы. Это могут быть тиристоры, стабилизаторы или преобразователи напряжения или даже какая нибудь заморская микросхемка. Вот так-то! Не ленитесь отыскивать даташиты на проверяемые транзисторы.
www.ruselectronic.com
Как проверить транзистор мультиметром – картинки, рекомендации, видео
Современные электронные мультиметры имеют специализированные коннекторы для проверки различных радиодеталей, включая транзисторы.
Это удобно, однако, проверка не совсем корректная. Радиолюбители со стажем помнят, как проверить транзистор тестером со стрелочной индикацией. Техника проверки на цифровых приборах не изменилась. Для точного определения состояния полупроводникового прибора, каждые его элемент тестируется отдельно.
Классика вопроса: как проверить биполярный транзистор мультиметром
Этот популярный проводник выполняет две задачи:
- Режим усиления сигнала. Получая команду на управляющие выводы, прибор дублирует форму сигнала на рабочих контактах, только с большей амплитудой;
- режим ключа. Подобно водопроводному крану, полупроводник открывает или закрывает путь электрическому току по команде управляющего сигнала.
Полупроводниковые кристаллы соединены в корпусе, образуя p-n переходы. Такая же технология применяется в диодах. По сути – биполярный транзистор состоит из двух диодов, соединенных в одной точке одноименными выводами.
Чтобы понять, как проверить транзистор мультиметром, рассмотрим отличие pnp и npn структуры.
Так называемый «прямой» (см. фото)
С обратным переходом, как изображено на фото
Разумеется, если вы спаяете диоды так, как показано на условной схеме – транзистор не получится. Но с точки зрения проверки исправности – можно представить, что у вас обычные диоды в одном корпусе.
То есть, положив перед собой схему полупроводниковых переходов, вы легко определите не только исправность детали в целом, но и локализуете конкретный неисправный p-n переход. Это поможет понять причину поломки, ведь полупроводник работает не автономно, а в составе электросхемы.
Как проверить биполярный транзистор мультиметром — видео.
Возникает резонный вопрос: Как определить маркировку выводов транзистора, не имея каталога? Такая практика пригодится не только для проверки радиодеталей. При сборке монтажной платы, незнание конструкции транзистора приведет к его перегоранию.
С помощью мультиметра можно определить назначение выводов.
Важно! Это правило работает лишь в случае с исправным транзистором. Впрочем, если деталь неисправна, вам незачем определять названия контактов.
Мультиметр выставляем в режим измерения сопротивления, предел шкалы – 2000 Ом. Выводы прибора – красный плюс, черный минус. Транзистор располагаем любым удобным способом, выводу условно определяем как «левый», «средний», «правый».
Определение базы
Красный щуп на левый контакт, замеряем сопротивление на среднем и правом выводах. В нашем случае это значение «бесконечность» (на индикаторе «1»), и 816 Ом (типичное сопротивление исправного p-n перехода при прямом подключении). Фиксируем результат измерений.
Красный щуп на середину, производим замер левого и правого контактов. С «бесконечностью» все понятно, обращаем внимание на то, что вторая пара показала результат, отличный от первого измерения. Это нормально, эмиттерный и коллекторный переходы имеют разное сопротивление. Об этом позже.
Красный щуп на правый контакт, производим замеры оставшихся комбинаций. В обоих случаях получаем единичку, то есть «бесконечное» сопротивление.
При таком раскладе, база находится на правом выводе. Этих данных недостаточно для пользования деталью. У производителей нет единого стандарта по расположению эмиттера и коллектора, поэтому определяем выводы самостоятельно.
Определение остальных выводов
Черный щуп на «базу», меряем сопротивление переходов. Одна ножка показала 807 Ом (это коллекторный переход), вторая – 816 Ом (эмиттерный переход).
Важно! Эти значения сопротивления не являются константой, в зависимости от производителя и мощности транзистора величина может незначительно отклоняться. Главное правило – сопротивление коллектора относительно базы меньше, чем сопротивление эмиттера.
Точно таким же способом производится проверка исправности биполярного транзистора. В ходе определения контактов, мы заодно проверили исправность детали. Если вам известно расположение выводов – проверяете переходы «база-эмиттер» и «база коллектор», меняя полярность щупов.
При прямом подключении – вы увидите значения, аналогичные предыдущим замерам. При обратном – сопротивление должно быть бесконечным. Если это не так – переходы относительно базы неисправны.
Последняя проверка – переход «эмиттер-коллектор». В обоих направлениях исправная деталь покажет бесконечное сопротивление.
Если в ходе тестирования вы получили именно такие результаты – ваш биполярный транзистор исправен.
Как проверить транзистор мультиметром не выпаивая
Прежде всего, проверьте расположение на монтажной плате остальных радиодеталей, относительно выводов транзистора. Иногда переходы шунтируются резисторами с небольшим сопротивлением.
Если при замерах переходов, сопротивление будет измеряться десятками Ом – транзистор придется выпаивать. Если шунтов нет – см. методику, описанную выше, проверить транзистор на плате не получится.
Как проверить полевой транзистор мультиметром
Полупроводниковые транзисторы – MOSFET (на слэнге радиолюбителей – «мосфеты»), имеют несколько иное расположение p-n переходов. Название выводов также отличается: «сток», «исток», «затвор». Тем не менее, методика проверки прекрасно моделируется диодными аналогиями.
Принципиальное отличие – канал между «истоком» и «стоком» в состоянии покоя имеет небольшую проводимость с фиксированным сопротивлением. Когда «мосфет» получает запирающее напряжение на «затворе», этот переход закрывается. При проверке он принимается открытым (в случае, если транзистор исправен).
Проверить полевой транзистор с помощью тестера можно по такой же методике, что и биполярный. Прибор в положение «измерение сопротивления» с пределом 2000 Ом.
Сопротивление по линии «исток» «сток» проверяется в обе стороны. Значение должно быть в пределах 400-700 Ом, и немного отличаться при смене полярности.
Линия «исток» «затвор» должна иметь проводимость с аналогичным сопротивлением, но только в одном направлении. Такая же ситуация при проверке «сток» «затвор».
Проверить полевой транзистор мультиметром не выпаивая из схемы можно, если нет шунтирующих деталей. Определить их наличие можно визуально. Однако, «мосфеты» обычно окружены т.н. обвесом из управляющих элементов. Поэтому их проверку лучше проводить отдельно от схемы.
P.S.
Если ваш прибор стрелочный – проверка производится также точно.
Метод проверки полевого транзистора от Чип и Дип — видео
obinstrumente.ru
Проверка биполярного транзистора – Основы электроники
Приветствую всех любителей электроники, и сегодня в продолжение темы применение цифрового мультиметра мне хотелось бы рассказать, как проверить биполярный транзистор
Биполярный транзистор представляет собой полупроводниковый прибор, который предназначен для усиления сигналов. Так же транзистор может работать в ключевом режиме.
Транзистор состоит из двух p-n переходов, причем одна из областей проводимости является общей. Средняя общая область проводимости называется базой, крайние эмиттером и коллектором. Вследствие этого разделяют n-p-n и p-n-p транзисторы.
Итак, схематически биполярный транзистор можно представить следующим образом.
Рисунок 1. Схематическое представление транзистора а) n-p-n структуры; б) p-n-p структуры.
Для упрощения понимания вопроса p-n переходы можно представить в виде двух диодов, подключенных друг к другу одноименными электродами (в зависимости от типа транзистора).

Рисунок 2. Представление транзистора n-p-n структуры в виде эквивалента из двух диодов, включенных анодами друг к другу.

Рисунок 3. Представление транзистора p-n-p структуры в виде эквивалента из двух диодов, включенных катодами друг к другу.
Конечно же для лучшего понимания желательно изучить как работает p-n переход, а лучше как работает транзистор в целом. Здесь лишь скажу, что чтобы через p-n переход тек ток его необходимо включить в прямом направлении, то есть на n – область (для диода это катод) подать минус, а на p-область (анод).
Это я вам показывал в видео для статьи «Как пользоваться мультиметром» при проверке полупроводникового диода.
Так как мы представили транзистор в виде двух диодов, то, следовательно, для его проверки необходимо просто проверить исправность этих самых «виртуальных» диодов.
Итак, приступим к проверке транзистора структуры n-p-n. Таким образом, база транзистора соответствует p- области, коллектор и эмиттер – n-областям. Для начала переведем мультиметр в режим проверки диодов.

В этом режиме мультиметр будет показывать падение напряжения на p-n переходе в милливольтах.
Сначала включим p-n переходы транзистора в прямом направлении, для этого на базу транзистора подключим красный (плюс) щуп мультиметра, а на эмиттер черный (минус) щуп мультиметра. При этом на индикаторе должно высветиться значение падения напряжения на переходе база-эмиттер.
Далее проверяем переход база-коллектор. Для этого красный щуп оставляем на базе, а черный подключаем к коллектору, при этом прибор покажет падение напряжения на переходе.
Здесь необходимо отметить, что падение напряжения на переходе Б-К всегда будет меньше падения напряжения на переходе Б-Э. Это можно объяснить меньшим сопротивлением перехода Б-К по сравнению с переходом Б-Э, что является следствием того, что область проводимости коллектора имеет большую площадь по сравнению с эмиттером.
По этому признаку можно самостоятельно определить цоколевку транзистора, при отсутствии справочника.
Так, половина дела сделана, если переходы исправны, то вы увидите значения падения напряжения на них.
Теперь необходимо включить p-n переходы в обратном направлении, при этом мультиметр должен показать «1», что соответствует бесконечности.
Подключаем черный щуп на базу транзистора, красный на эмиттер, при этом мультиметр должен показать «1».
Теперь включаем в обратном направлении переход Б-К, результат должен быть аналогичным.
Осталось последняя проверка – переход эмиттер-коллектор. Подключаем красный щуп мультиметра к эмиттеру, черный к коллектору, если переходы не пробитые, то тестер должен показать «1».
Меняем полярность (красный-коллектор, черный– эмиттер) результат – «1».
Если в результате проверки вы обнаружите не соответствие данной методике, то это значит, что транзистор неисправен.
Эта методика подходит для проверки только биполярных транзисторов. Перед проверкой убедитесь, что транзистор не является полевым или составным. Многие изложенным выше способом пытаются проверить именно составные транзисторы, путая их с биполярными (ведь по маркировки можно не правильно идентифицировать тип транзистора), что не является правильным решением. Правильно узнать тип транзистора можно только по справочнику.
При отсутствии режима проверки диодов в вашем мультиметра, осуществить проверку транзистора можно переключив мультиметр в режим измерения сопротивления на диапазон «2000». При этом методика проверки остается неизменной, за исключением того, что мультиметр будет показывать сопротивление p-n переходов.
А теперь по традиции поясняющий и дополняющий видеоролик по проверке транзистора:
www.sxemotehnika.ru
Как проверить транзистор мультиметром – простое руководство
Перед тем как собрать какую-то схему или начать ремонт электронного устройства необходимо убедиться в исправности элементов, которые будут установлены в схему. Даже если эти элементы новые, необходимо быть уверенным в их работоспособности. Обязательной проверке подлежат и такие распространенные элементы электронных схем как транзисторы.
Для проверки всех параметров транзисторов существуют сложные приборы. Но в некоторых случаях достаточно провести простую проверку и определить годность транзистора. Для такой проверки достаточно иметь мультиметр.
Виды транзисторов и их применение
В технике используются различные виды транзисторов – биполярные, полевые, составные, многоэмиттерные, фототранзисторы и тому подобные. В данном случае будут рассматриваться наиболее распространенные и простые — биполярные транзисторы.
Такой транзистор имеет 2 р-n перехода. Его можно представить как пластину с чередующимися слоями с разными типами проводимости. Если в крайних областях полупроводникового прибора преобладает дырочная проводимость (p), а в средней – электронная проводимость (n), то прибор называется транзистор р-n-p. Если наоборот, то прибор называется транзистором типа n-p-n. Для разных видов биполярных транзисторов меняется полярность источников питания, которые подключаются к нему в схемах.
Наличие в транзисторе двух переходов позволяет представить в упрощенном виде его эквивалентную схему как последовательное соединение двух диодов.
При этом для p-n-p прибора в эквивалентной схеме между собой соединены катоды диодов, а для n-p-n прибора – аноды диодов.
В соответствии с этими эквивалентными схемами и производится проверка биполярного транзистора мультиметром на исправность.Порядок проверки устройства — следуем по инструкции
Процесс измерений состоит из следующих этапов:
- проверка работы измерительного прибора;
- определение типа транзистора;
- измерение прямых сопротивлений эмиттерного и коллекторного переходов;
- измерение обратных сопротивлений эмиттерного и коллекторного переходов;
- оценка исправности транзистора.
Перед тем, как проверить биполярный транзистор мультиметром, необходимо убедиться в исправности измерительного прибора. Для этого вначале надо проверить индикатор заряда батареи мультиметра и, при необходимости, заменить батарею. При проверке транзисторов важна будет полярность подключения. Надо учитывать, что у мультиметра на выводе «COM» имеется отрицательный полюс, а на выводе «VΩmA» – плюсовой. Для определенности к выводу «COM» желательно подключить щуп черного цвета, а к выводу «VΩmA» -красного.
Чтобы к выводам транзистора подключить щупы мультиметра правильной полярности, необходимо определить тип прибора и маркировку его выводов. С этой целью необходимо обратиться к справочнику или найти описание транзистора в Интернете.
На следующем этапе проверки переключатель операций мультиметра устанавливается в положение измерения сопротивлений. Выбирается предел измерения в «2к».
Каждый радиолюбитель или начинающий электрик должен располагать надежным инструментом для пайки. Совсем не обязательно такой покупать, потому что можно ознакомиться с детальной инструкцией — как сделать паяльник своими руками, и сэкономить лишние денежные затраты.Кроме паяльника, изучив более сложные схемы, можно собрать целую паяльную станцию. Как это сделать, читайте тут.
Перед тем, как проверить pnp транзистор мультиметром, надо минусовой щуп подключить к базе устройства. Это позволит измерить прямые сопротивления переходов радиоэлемента типа p-n-p. Плюсовой щуп подключается по очереди к эмиттеру и коллектору. Если сопротивления переходов равны 500-1200 Ом, то эти переходы исправны.
При проверке обратных сопротивлений переходов к базе транзистора подключается плюсовой щуп, а минусовой по очереди подключается к эмиттеру и коллектору.
Если эти переходы исправны, то в обоих случаях фиксируется большое сопротивление.
Проверка npn транзистора мультиметром происходит по такой же методике, но при этом полярность подключаемых щупов меняется на противоположную. По результатам измерений определяется исправность транзистора:
- если измеренные прямое и обратное сопротивления перехода большие, то это значит, что в приборе имеется обрыв;
- если измеренные прямое и обратное сопротивления перехода малы, то это означает, что в приборе имеется пробой.
В обоих случаях транзистор является неисправным.
Оценка коэффициента усиления
Характеристики транзисторов обычно имеют большой разброс по величине. Иногда при сборке схемы требуется использовать транзисторы, у которых имеется близкий по величине коэффициент усиления по току. Мультиметр позволяет подобрать такие транзисторы. Для этого в нем имеется режим переключения «hFE» и специальный разъем для подключения выводов транзисторов 2 типов.
Подключив в разъем выводы транзистора соответствующего типа можно увидеть на экране величину параметра h31.
Выводы:
- С помощью мультиметра можно определить исправность биполярных транзисторов.
- Для проведения правильных измерений прямого и обратного сопротивлений переходов транзистора необходимо знать тип транзистора и маркировку его выводов.
- С помощью мультиметра можно подобрать транзисторы с желаемым коэффициентом усиления.
Видео о том, как проверить транзистор мультиметром
elektrik24.net
Как проверить транзистор мультиметром: инструкции, видео
Полупроводниковые элементы используются практически во всех электронных схемах. Те, кто называют их наиболее важными и самыми распространенными радиодеталями абсолютно правы. Но любые компоненты не вечны, перегрузка по напряжению и току, нарушение температурного режима и другие факторы могут вывести их из строя. Расскажем (не перегружая теорией), как проверить работоспособность различных типов транзисторов (npn, pnp, полярных и составных) пользуясь тестером или мультиметром.
С чего начать?
Прежде, чем проверить мультиметром любой элемент на исправность, будь то транзистор, тиристор, конденсатор или резистор, необходимо определить его тип и характеристики. Сделать это можно по маркировке. Узнав ее, не составит труда найти техническое описание (даташит) на тематических сайтах. С его помощью мы узнаем тип, цоколевку, основные характеристики и другую полезную информацию, включая аналоги для замены.
Например, в телевизоре перестала работать развертка. Подозрение вызывает строчный транзистор с маркировкой D2499 (кстати, довольно распространенный случай). Найдя в интернете спецификацию (ее фрагмент показан на рисунке 2), мы получаем всю необходимую для тестирования информацию.
Рисунок 2. Фрагмент спецификации на 2SD2499Большая вероятность, что найденный даташит будет на английском, ничего страшного, технический текст легко воспринимается даже без знания языка.
Определив тип и цоколевку, выпаиваем деталь и приступаем к проверке. Ниже приведены инструкции, с помощью которых мы будем тестировать наиболее распространенные полупроводниковые элементы.
Проверка биполярного транзистора мультиметром
Это наиболее распространенный компонент, например серии КТ315, КТ361 и т.д.
С тестированием данного типа проблем не возникнет, достаточно представить pn переход в как диод. Тогда структуры pnp и npn будут иметь вид двух встречно или обратно подключенных диодов со средней точкой (см. рис.3).
Рисунок 3. «Диодные аналоги» переходов pnp и npnПрисоединяем к мультиметру щупы, черный к «СОМ» (это будет минус), а красный к гнезду «VΩmA» (плюс). Включаем тестирующее устройство, переводим его в режим прозвонки или измерения сопротивления (достаточно установить предел 2кОм), и приступаем к тестированию. Начнем с pnp проводимости:
- Присоединяем черный щуп к выводу «Б», а красный (от гнезда «VΩmA») к ножке «Э». Смотрим на показания мультиметра, он должен отобразить величину сопротивления перехода. Нормальным считается диапазон от 0,6 кОм до 1,3 кОм.
- Таким же образом проводим измерения между выводами «Б» и «К». Показания должны быть в том же диапазоне.
Если при первом и/или втором измерении мультиметр отобразит минимальное сопротивление, значит в переходе(ах) пробой и деталь требует замены.
- Меняем полярность (красный и черный щуп) местами и повторяем измерения. Если электронный компонент исправный, отобразится сопротивление, стремящееся к минимальному значению. При показании «1» (измеряемая величина превышает возможности устройства), можно констатировать внутренний обрыв в цепи, следовательно, потребуется замена радиоэлемента.
Тестирование устройства обратной проводимости производится по такому же принципу, с небольшим изменением:
- Красный щуп подключаем к ножке «Б» и проверяем сопротивление черным щупом (прикасаясь к выводам «К» и «Э», поочередно), оно должно быть минимальным.
- Меняем полярность и повторяем измерения, мультиметр покажет сопротивление в диапазоне 0,6-1,3 кОм.
Отклонения от этих значений говорят о неисправности компонента.
Проверка работоспособности полевого транзистора
Этот тип полупроводниковых элементов также называют mosfet и моп компонентами. На рисунке 4 показано графическое обозначение n- и p-канальных полевиков в принципиальных схемах.
Рис 4. Полевые транзисторы (N- и P-канальный)Для проверки этих устройств подключаем щупы к мультиметру, таким же образом, как и при тестировании биполярных полупроводников, и устанавливаем тип тестирования «прозвонка». Далее действуем по следующему алгоритму (для n-канального элемента):
- Касаемся черным проводом ножки «с», а красным – вывода «и». Отобразится сопротивление на встроенном диоде, запоминаем показание.
- Теперь необходимо «открыть» переход (получится только частично), для этого щуп с красным проводом соединяем с выводом «з».
- Повторяем измерение, проведенное в п. 1, показание изменится в меньшую сторону, что говорит о частичном «открытии» полевика.
- Теперь необходимо «закрыть» компонент, с этой целью соединяем отрицательный щуп (провод черного цвета) с ножкой «з».
- Повторяем действия п. 1, отобразится исходное значение, следовательно, произошло «закрытие», что говорит об исправности компонента.
Для тестирования элементов p-канального типа последовательность действий остается той же, за исключением полярности щупов, ее нужно поменять на противоположную.
Заметим, что биполярные элементы, у которых изолированный затвор (IGBT), тестируются также, как описано выше. На рисунке 5 показан компонент SC12850, относящийся к этому классу.
Рис 5. IGBT транзистор SC12850Для тестирования необходимо выполнить те же действия, что и для полевого полупроводникового элемента, с учетом, что сток и исток последнего будут соответствовать коллектору и эмиттеру.
В некоторых случаях потенциала на щупах мультиметра может быть недостаточно (например, чтобы «открыть» мощный силовой транзистор), в такой ситуации понадобится дополнительное питание (хватит 12 вольт). Подключать его нужно через сопротивление 1500-2000 Ом.
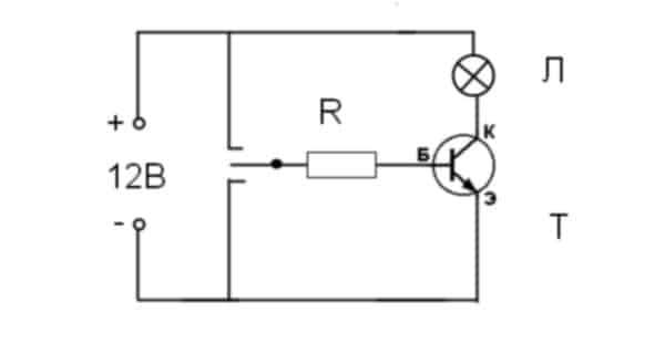
Проверка составного транзистора
Такой полупроводниковый элемент еще называют «транзистор Дарлингтона», по сути это два элемента, собранные в одном корпусе. Для примера, на рисунке 6 показан фрагмент спецификации к КТ827А, где отображена эквивалентная схема его устройства.
Рис 6. Эквивалентная схема транзистора КТ827АПроверить такой элемент мультиметром не получится, потребуется сделать простейший пробник, его схема показана на рисунке 7.
Рис. 7. Схема для проверки составного транзистораОбозначение:
- Т – тестируемый элемент, в нашем случае КТ827А.
- Л – лампочка.
- R – резистор, его номинал рассчитываем по формуле h31Э*U/I, то есть, умножаем величину входящего напряжения на минимальное значение коэффициента усиления (для КТ827A – 750), полученный результат делим на ток нагрузки. Допустим, мы используем лампочку от габаритных огней автомобиля мощностью 5 Вт, ток нагрузки составит 0,42 А (5/12). Следовательно, нам понадобится резистор на 21 кОм (750*12/0,42).
Тестирование производится следующим образом:
- Подключаем к базе плюс от источника, в результате должна засветиться лампочка.
- Подаем минус – лампочка гаснет.
Такой результат говорит о работоспособности радиодетали, при других результатах потребуется замена.
Как проверить однопереходной транзистор
В качестве примера приведем КТ117, фрагмент из его спецификации показан на рисунке 8.
Рис 8. КТ117, графическое изображение и эквивалентная схемаПроверка элемента осуществляется следующим образом:
Переводим мультиметр в режим прозвонки и проверяем сопротивление между ножками «Б1» и «Б2», если оно незначительное, можно констатировать пробой.
Как проверить транзистор мультиметром, не выпаивая их схемы?
Этот вопрос довольно актуальный, особенно в тех случаях, если необходимо тестировать целостность smd элементов. К сожалению, только биполярные транзисторы можно проверить мультиметром не выпаивая из платы. Но даже в этом случае нельзя быть уверенным в результате, поскольку не редки случаи, когда p-n переход элемента зашунтирован низкоомным сопротивлением.
www.asutpp.ru
|
Прежде чем рассмотреть способы как проверить исправность транзисторов необходимо знать, как проверять исправность p-n перехода или как правильно тестировать диоды. Именно с этого мы и начнем… Тестирование полупроводниковых диодовПри тестировании диодов с помощью стрелочных ампервольтомметрами следует использовать нижние пределы измерений. При проверке исправного диода сопротивление в прямом направлении составит несколько сотен Ом, в обратном направлении — бесконечно большое сопротивление. При неисправности диода стрелочный (аналоговый) ампервольтомметр покажет в обоих направлениях сопротивление близкое к 0 (при пробое диода) или бесконечно большое сопротивление при разрыве цепи. Сопротивление переходов в прямом и обратном направлениях для германиевых и кремниевых диодов различно. Проверка диодов с помощью цифровых мультиметров производится в режиме их тестирования. При этом, если диод исправен, на дисплее отображается напряжение на р-n переходе при измерении в прямом направлении или разрыв при измерении в обратном направлении. Величина прямого напряжения на переходе для кремниевых диодов составляет 0,5…0,8 В, для германиевых — 0,2…0,4 В. При проверке диода с помощью цифровых мультиметров в режиме измерения сопротивления при проверке исправного диода обычно наблюдается разрыв как в прямом, так и в обратном направлении из-за того, что напряжение на клеммах мультиметра недостаточно для того, чтобы переход открылся. Как проверить исправность транзистораДля наиболее распространенных биполярных транзисторов их проверка аналогична тестированию диодов, так как саму структуру транзистора р-n-р или n-р-n можно представить как два диода (см. рисунок выше), с соединенными вместе выводами катода, либо анода, представляющими собой вывод базы транзистора. При тестировании транзистора прямое напряжение на переходе исправного транзистора составит 0,45…0,9 В. Говоря проще, при проверке омметром переходов база-эмиттер, база-коллектор исправный транзистор в прямом направлении имеет маленькое сопротивление и большое сопротивление перехода в обратном направлении. Дополнительно следует проверять сопротивление (падение напряжения) между коллектором и эмиттером, которое для исправного транзистора должно быть очень большое, за исключением описанных ниже случаев. Однако есть свои особенности и при проверке транзисторов. На них мы и остановимся подробнее. Одной из особенностей является наличие у некоторых типов мощных транзисторов встроенного демпферного диода, который включен между коллектором и эмиттером, а также резистора номиналом около 50 Ом между базой и эмиттером. Это характерно в первую очередь для транзисторов выходных каскадов строчной развертки. Из-за этих дополнительных элементов нарушается обычная картина тестирования. При проверке таких транзисторов следует сравнивать проверяемые параметры с такими же параметрами заведомо исправного однотипного транзистора. При проверке цифровым мультиметром транзисторов с резистором в цепи база-эмиттер напряжение на переходе база-эмиттер будет близким или равным 0 В.
Тестирование таких транзисторов особенностями не отличается, за исключением того, что прямое напряжение перехода база-эмиттер составляет 1,2…1,4 В. Следует отметить, что некоторые типы цифровых мультиметров в режиме тестирования имеют на клеммах напряжение меньшее 1,2 В, что недостаточно для открывания р-n перехода, и в этом случае прибор показывает разрыв. Тестирование однопереходных и программируемых однопереходных транзисторовОднопереходный транзистор (ОПТ) отличается наличием на его вольт-амперной характеристике участка, с отрицательным сопротивлением. Наличие такого участка говорит о том, что такой полупроводниковый прибор может использоваться для генерирования колебаний (ОПТ, туннельные диоды и др.). Однопереходный транзистор используется в генераторных и переключательных схемах. Для начала разберем, чем отличается однопереходный транзистор от программируемого однопереходного транзистора. Это несложно:
Чтобы проверить исправность однопереходного и программируемого однопереходного транзистора следует измерить омметром сопротивление между выводами Б1 и Б2 или А и К для проверки на пробой. Но наиболее точные результаты можно получить, собрав схему для проверки однопереходных и программируемых однопереходных транзисторов (см. схему ниже – для ОПТ — рис. слева, для программируемого ОПТ — рис. справа). Рис. 3 Проверка цифровых транзисторов
Рис. 4 Упрощенная схема цифрового транзистора слева, Справа – схема тестирования. Стрелка означает «+» измерительного прибора Другими необычными транзисторами являются цифровые (транзисторы с внутренними цепями смещения). На рис 4. выше изображена схема такого цифрового транзистора. Номиналы резисторов R1 и R2 одинаковы и могут составлять либо 10 кОм, либо 22 кОм, либо 47 кОм, или же иметь смешанные номиналы. Цифровой транзистор внешне не отличается от обычного, но результаты его «прозвонки» могут поставить в тупик даже опытного мастера. Для многих они как были «непонятными», так таковыми и остались. В некоторых статьях можно встретить утверждение – “тестирование цифровых транзисторов затруднено… Лучший вариант – замена на заведомо исправный транзистор”. Бесспорно, это самый надежный способ проверки. Попробуем разобраться, так ли это на самом деле. Давайте разберемся, как правильно протестировать цифровой транзистор и какие выводы сделать из результатов измерений. Для начала обратимся к внутренней структуре транзистора, изображенной на рис.4, где переходы база-эмиттер и база-коллектор для наглядности изображены в виде двух включенных встречно диодов. Резисторы R1 и R2 могут быть как одного номинала, так и могут отличаться и составлять либо 10 кОм, либо 22 кОм, либо 47 кОм, или же иметь смешанные номиналы. Пусть сопротивление резистора R1 будет 10 кОм, a R2 – 22 кОм. Сопротивление открытого кремниевого перехода примем равным 100 Ом. В частности, эту величину показывает стрелочный авометр Ц4315 при измерении сопротивления на пределе х1. В прямом направлении цепь база-коллектор рассматриваемого транзистора состоит из последовательно соединенных резистора R1 и сопротивления собственно перехода база-коллектор (VD1 на рис. 1). Сопротивлением перехода, так как оно значительно меньше сопротивления резистора R1, можно пренебречь, и этот замер даст величину, приблизительно равную значению сопротивления резистора R1, которое в нашем примере равно 10 кОм. В обратном направлении переход остается закрытым, и ток через этот резистор не течет. Стрелка авометра должна показать «бесконечность». Цепь база-эмиттер представляет собой смешанное соединение резисторов R1, R2 и сопротивления собственно перехода база-эмиттер (VD2 на рис. 4 слева). Резистор R2 включен параллельно этому переходу и практически не изменяет его сопротивления. Следовательно, в прямом направлении, когда переход открыт, ампервольтомметр вновь покажет величину сопротивления, приблизительно равную значению сопротивления базового резистора R1. При изменении полярности тестера переход база-эмиттер остается закрытым, и ток протекает через последовательно соединенные резисторы R1 и R2. В этом случае тестер покажет сумму этих сопротивлений. В нашем примере она составит приблизительно 32 кОм. Как видите, в прямом направлении цифровой транзистор тестируется так же, как и обычный биполярный транзистор, с той лишь разницей, что стрелка прибора показывает значение сопротивления базового резистора. А по разности измеренных сопротивлений в прямом и обратном направлениях можно определить величину сопротивления резистора R2. Теперь рассмотрим тестирование цепи эмиттер-коллектор. Эта цепь представляет собой два встречно включенных диода, и при любой полярности тестера его стрелка должна была бы показать «бесконечность». Однако, это утверждение справедливо только для обычного кремниевого транзистора. В рассматриваемом случае из-за того, что переход база-эмиттер (VD2) оказывается зашунтированным резистором R2, появляется возможность открыть переход база-коллектор при соответствующей полярности измерительного прибора. Измеренное при этом сопротивление транзисторов имеет некоторый разброс, но для предварительной оценки можно ориентироваться на значение примерно в 10 раз меньшее сопротивления резистора R1. При смене полярности тестера сопротивление перехода база-коллектор должно быть бесконечно большим. На рис. 4 справа подведен итог вышесказанному, которым удобно пользоваться в повседневной практике. Для транзистора прямой проводимости стрелка будет означать «-» измерительного прибора. В качестве измерительного прибора необходимо использовать стрелочные (аналоговые) АВОметры с током отклонения головки около 50 мкА (20 кОм/В). Следует отметить, что вышеизложенное носит несколько идеализированный характер, и на практике, могут быть ситуации, требующие логического осмысления результатов измерений. Особенно в случаях, если цифровой транзистор окажется дефектным. Как проверить полевой МОП-транзисторСуществует несколько разных способов проверки полевых МОП-транзисторов. Например такой:
Самой распространенной и характерной неисправностью полевых МОП-транзисторов является короткое замыкание между затвором — истоком и затвором — стоком. Другим способом является использование двух омметров. Первый включается для измерения между истоком и стоком, второй — между истоком и затвором. Второй омметр должен иметь высокое входное сопротивление — около 20 МОм и напряжение на выводах не менее 5 В. При подключении второго омметра в прямой полярности транзистор откроется (первый омметр покажет сопротивление близкое к нулю), при изменении полярности на противоположную транзистор закроется. Недостаток этого способа — требования к напряжению на выводах – второго омметра. Естественно, цифровые мультиметры для этих целей не подходит. Это ограничивает применение такого способа проверки. Еще один способ похож на второй. Сначала кратковременно соединяют между собой выводы затвора и истока для того, чтобы снять имеющийся на затворе заряд. Далее к выводам истока-стока подключают омметр. Берут батарейку напряжением 9 В и кратковременно подключают ее плюсом к затвору, а минусом — к истоку. Транзистор откроется и будет открыт некоторое время после отключения батарейки за счет сохранения заряда. Большинство полевых МОП-транзисторов открывается при напряжении затвор-исток около 2 В. При тестировании полевых МОП-транзисторов следует соблюдать особую осторожность, чтобы не вывести его из строя транзистор статическим электричеством. Как определить структуру и расположения выводов транзисторов, тип которых неизвестенПри определении структуры транзистора, тип которого неизвестен, следует путем перебора шести вариантов – определить вывод базы, а затем измерить прямое напряжение на переходах. Прямое напряжение на переходе база-эмиттер всегда на несколько милливольт выше прямого напряжения на переходе база-коллектор (при пользовании стрелочного мультиметра сопротивление перехода база-эмиттер в прямом направлении несколько выше сопротивления перехода база-коллектор). Это связано с технологией производства транзисторов, и правило применимо к обыкновенным биполярным транзисторам, за исключением некоторых типов мощных транзисторов, имеющих встроенный демпферный диод. Полярность щупа мультиметра, подключенного при измерениях на переходах в прямом направлении к базе транзистора укажет на тип транзистора: если это «+» — транзистор структуры n-p-n, если «-» — структуры р-n-р. |
www.xn--b1agveejs.su

Другими «необычными» транзисторами являются составные, включенные по схеме Дарлингтона. Внешне они выглядят как обычные, но в одном корпусе имеется два транзистора, соединенные по схеме, изображенной на рис. 2. От обычных их отличает высокий коэффициент усиления — более 1000.