Π’ΠΎΠΊΠΎΠ²Π°Ρ ΠΏΠ΅ΡΠ»Ρ: Π½Π°Π·Π½Π°ΡΠ΅Π½ΠΈΠ΅, ΠΏΡΠΈΠΌΠ΅Π½Π΅Π½ΠΈΠ΅, ΠΎΡΠΎΠ±Π΅Π½Π½ΠΎΡΡΠΈ
Π’ΠΎΠΊΠΎΠ²Π°Ρ ΠΏΠ΅ΡΠ»Ρ β ΡΡΠΎ Π΄Π²ΡΡ ΠΏΡΠΎΠ²ΠΎΠ΄Π½ΠΎΠΉ ΠΈΠ½ΡΠ΅ΡΡΠ΅ΠΉΡ ΠΏΠ΅ΡΠ΅Π΄Π°ΡΠΈ ΠΈΠ½ΡΠΎΡΠΌΠ°ΡΠΈΠΈ, Π³Π΄Π΅ Π΄Π°Π½Π½ΡΠ΅ Π·Π°ΠΊΠ»Π°Π΄ΡΠ²Π°ΡΡΡΡ Π² Π·Π½Π°ΡΠ΅Π½ΠΈΠ΅ ΡΠΎΠΊΠ°.
ΠΠ»Π°Π³ΠΎΠ΄Π°ΡΠ½ΠΎΡΡΠΈ
ΠΠΎΠ»ΡΡΠΎΠ΅ ΡΠΏΠ°ΡΠΈΠ±ΠΎ ΠΠΈΡ Π°ΠΈΠ»Ρ ΠΡΠΊΡ Π·Π° ΠΈΠ½ΡΠ΅ΡΠ΅ΡΠ½ΡΠ΅ ΠΊΠ½ΠΈΠ³ΠΈ. ΠΠ΅ΠΊΠΎΠ³Π΄Π° Π°Π²ΡΠΎΡΡ Π½Π°ΡΠΈΠ½Π°Π»ΠΈ ΠΈΠ·ΡΡΠ΅Π½ΠΈΠ΅ ΡΠΎΠ²ΡΠ΅ΠΌΠ΅Π½Π½ΠΎΠΉ ΡΠ»Π΅ΠΊΡΡΠΎΠ½ΠΈΠΊΠΈ Ρ ΡΠ½ΡΠΈΠΊΠ»ΠΎΠΏΠ΅Π΄ΠΈΠ΅ΠΉ ΠΈ ΠΈΠ·Π΄Π°Π½ΠΈΠΉ ΡΡΠΎΠ³ΠΎ Π·Π°ΠΌΠ΅ΡΠ°ΡΠ΅Π»ΡΠ½ΠΎΠ³ΠΎ ΡΠ΅Π»ΠΎΠ²Π΅ΠΊΠ°. ΠΠ΅Π· ΠΈΠ½ΡΠ΅ΡΠ½Π΅ΡΠ° ΡΡΠ΅Π±Π½ΠΈΠΊΠΈ ΠΏΡΠΈΡ ΠΎΠ΄ΠΈΠ»ΠΎΡΡ ΡΠ΅ΡΠΏΠ΅Π»ΠΈΠ²ΠΎ ΠΏΠ΅ΡΠ΅Π»ΠΈΡΡΡΠ²Π°ΡΡ ΡΡΠΊΠ°ΠΌΠΈ, Π° ΠΌΡΡΠΊΠΈ Π±Π΅Π³Π°Π»ΠΈ ΠΏΡΠ΅ΠΈΠΌΡΡΠ΅ΡΡΠ²Π΅Π½Π½ΠΎ Π² ΠΏΠΎΠ΄ΠΏΠΎΠ»Π΅.
ΠΠΎΠΌΠΏΠ°Π½ΠΈΡ muRata ΠΏΠΎΡΡΠΎΡΠ½Π½ΠΎ ΡΠ½Π°Π±ΠΆΠ°Π΅Ρ ΡΠΈΡΠ°ΡΠ΅Π»Π΅ΠΉ ΡΠ²Π΅ΠΆΠ΅ΠΉ ΠΈΠ½ΡΠΎΡΠΌΠ°ΡΠΈΠ΅ΠΉ, Π·Π½Π°ΡΠΈΡ, ΡΠ΅ΠΏΠ΅ΡΡ Π² ΠΊΡΡΡΠ΅ Π½ΠΎΠ²ΠΎΡΡΠ΅ΠΉ ΠΎΠΊΠ°ΠΆΡΡΡΡ ΠΈ ΡΠΈΡΠ°ΡΠ΅Π»ΠΈ. Π Π°ΡΡΠΌΠ°ΡΡΠΈΠ²Π°Π΅ΠΌΠ°Ρ ΠΏΡΠΎΠ΄ΡΠΊΡΠΈΡ ΡΠΆΠ΅ ΡΠΏΠΎΠΌΠΈΠ½Π°Π΅ΡΡΡ Π² ΡΠ°Π·Π΄Π΅Π»Π΅ ΠΏΡΠΎ Π³Π΅ΡΠΊΠΎΠ½ΠΎΠ²ΡΠ΅ Π΄Π°ΡΡΠΈΠΊΠΈ. Π Π΅ΡΡ ΠΎ Π½ΠΎΠ²Π΅ΠΉΡΠ΅ΠΉ ΡΠ°Π·ΡΠ°Π±ΠΎΡΠΊΠ΅ β RedRock.
ΠΠ΅ΠΎΠ±Ρ ΠΎΠ΄ΠΈΠΌΠΎΡΡΡ ΡΠΎΠΊΠΎΠ²ΠΎΠΉ ΠΏΠ΅ΡΠ»ΠΈ
Π’ΠΎΠΊΠΎΠ²Π°Ρ ΠΏΠ΅ΡΠ»Ρ 4-20 ΠΌΠ ΡΡΠΈΡΠ°Π΅ΡΡΡ ΡΠ°ΡΠΏΡΠΎΡΡΡΠ°Π½ΡΠ½Π½ΡΠΌ ΠΏΡΠΎΡΠΎΠΊΠΎΠ»ΠΎΠΌ ΠΏΠ΅ΡΠ΅Π΄Π°ΡΠΈ ΠΈΠ½ΡΠΎΡΠΌΠ°ΡΠΈΠΈ Π΄Π°ΡΡΠΈΠΊΠΎΠ². Π ΠΈΠ½Π΄ΡΡΡΡΠΈΠΈ ΡΠ°ΡΡΠΎ Π²ΠΎΠ·Π½ΠΈΠΊΠ°Π΅Ρ Π½Π΅ΠΎΠ±Ρ ΠΎΠ΄ΠΈΠΌΠΎΡΡΡ ΠΈΠ·ΠΌΠ΅ΡΠ΅Π½ΠΈΡ ΡΠΈΠ·ΠΈΡΠ΅ΡΠΊΠΈΡ ΠΏΠ°ΡΠ°ΠΌΠ΅ΡΡΠΎΠ², ΠΊ ΠΏΡΠΈΠΌΠ΅ΡΡ:
- ΠΠ°Π²Π»Π΅Π½ΠΈΠ΅;
- Π’Π΅ΠΌΠΏΠ΅ΡΠ°ΡΡΡΠ°;
- ΠΠΎΡΠΎΠΊ ΠΆΠΈΠ΄ΠΊΠΎΡΡΠΈ.
ΠΠΎΡΡΠ΅Π±Π½ΠΎΡΡΡ Π²ΠΎΠ·Π½ΠΈΠΊΠ°Π΅Ρ ΠΏΠΎΡΡΠΎΡΠ½Π½ΠΎ, ΠΊΠΎΠ³Π΄Π° ΠΈΠ½ΡΠΎΡΠΌΠ°ΡΠΈΡ Π½ΡΠΆΠ½ΠΎ ΠΏΠ΅ΡΠ΅Π΄Π°ΡΡ Π½Π° ΡΠ°ΡΡΡΠΎΡΠ½ΠΈΡ Π² ΡΠΎΡΠ½ΠΈ ΠΌΠ΅ΡΡΠΎΠ² ΠΈ Π±ΠΎΠ»Π΅Π΅. Π’ΠΎΠΊΠΎΠ²Π°Ρ ΠΏΠ΅ΡΠ»Ρ ΡΡΠΈΡΠ°Π΅ΡΡΡ ΠΌΠ΅Π΄Π»Π΅Π½Π½ΡΠΌ ΡΠΈΡΡΠΎΠ²ΡΠΌ ΠΈΠ½ΡΠ΅ΡΡΠ΅ΠΉΡΠΎΠΌ, ΠΈ ΠΎΠ±ΡΡΠ»ΠΎΠ²Π»Π΅Π½ΠΎ ΡΡΠΎ Π·Π°ΡΡΠ΄ΠΎΠΌ ΡΠΌΠΊΠΎΡΡΠΈ ΠΊΠ°Π±Π΅Π»Ρ ΠΎΡ ΠΈΡΡΠΎΡΠ½ΠΈΠΊΠ° (ΡΡΠΎ ΠΏΡΠΎΡΠ²Π»ΡΠ΅ΡΡΡ Ρ ΡΠΎΡΡΠΎΠΌ ΡΠ°ΡΡΠΎΡΡ), Π΄Π»Ρ Π°Π½Π°Π»ΠΎΠ³ΠΎΠ²ΡΡ ΠΈΠ»ΠΈ Π΄ΠΈΡΠΊΡΠ΅ΡΠ½ΡΡ ΡΡΡΡΠΎΠΉΡΡΠ² Π²ΠΎΠ·ΠΌΠΎΠΆΠ½ΠΎΡΡΠ΅ΠΉ Π²ΠΏΠΎΠ»Π½Π΅ Ρ Π²Π°ΡΠ°Π΅Ρ. ΠΠ΅ΡΠ΅Π΄Π°ΡΡΠΈΠΊΠΈ ΡΠ½Π°Π±ΠΆΠ°ΡΡΡΡ Π°ΠΊΠΊΡΠΌΡΠ»ΡΡΠΎΡΠ°ΠΌΠΈ Π½Π° 12 (ΡΠ΅ΠΆΠ΅) Π»ΠΈΠ±ΠΎ 24 Π (ΡΠ°ΡΠ΅). ΠΠΎΡΠ»Π΅Π΄Π½ΠΈΠ΅ ΠΏΠΎΠ·Π²ΠΎΠ»ΡΡΡ Π΄Π°Π»ΡΡΠ΅ ΠΏΠ΅ΡΠ΅Π΄Π°ΡΡ ΠΈΠ½ΡΠΎΡΠΌΠ°ΡΠΈΡ, Π·Π½Π°ΡΠ°ΡΠΈΠΌ ΠΏΠ°ΡΠ°ΠΌΠ΅ΡΡΠΎΠΌ ΡΡΠ°Π½ΠΎΠ²ΠΈΡΡΡ ΡΠΎΠΊ, Π° Π½Π΅ Π½Π°ΠΏΡΡΠΆΠ΅Π½ΠΈΠ΅. Π§Π΅ΠΌ Π΄Π»ΠΈΠ½Π½Π΅Π΅ Π»ΠΈΠ½ΠΈΡ, ΡΠ΅ΠΌ ΠΎΡΡΡΠΈΠΌΠ΅Π΅ ΠΏΠ°Π΄Π΅Π½ΠΈΠ΅ ΠΏΠΎΡΠ΅Π½ΡΠΈΠ°Π»Π°.
Π£ ΠΏΡΠΈΠ²Π΅Π΄ΡΠ½Π½ΠΎΠ³ΠΎ ΡΠ΅Ρ Π½ΠΈΡΠ΅ΡΠΊΠΎΠ³ΠΎ ΡΠ΅ΡΠ΅Π½ΠΈΡ Π΅ΡΡΡ ΠΏΠ°ΡΠ° Π½Π΅Π΄ΠΎΡΡΠ°ΡΠΊΠΎΠ². ΠΠΎ-ΠΏΠ΅ΡΠ²ΡΡ , ΠΏΡΠΈΡ ΠΎΠ΄ΠΈΡΡΡ ΠΈΡΠΏΠΎΠ»ΡΠ·ΠΎΠ²Π°ΡΡ ΡΠΊΡΠ°Π½ΠΈΡΠΎΠ²Π°Π½Π½ΡΠ΅ ΠΏΡΠΎΠ²ΠΎΠ΄Π°, Π²ΠΎ-Π²ΡΠΎΡΡΡ , ΡΠ²Π΅Π»ΠΈΡΠ΅Π½ΠΈΠ΅ Π΄Π°Π»ΡΠ½ΠΎΡΡΠΈ ΠΏΡΠΈΠ²ΠΎΠ΄ΠΈΡ ΠΊ ΡΠ΅Π·ΠΊΠΎΠΌΡ ΡΠ½ΠΈΠΆΠ΅Π½ΠΈΡ ΠΠΠ. Π’ΠΈΠΏΠΈΡΠ½Π°Ρ ΡΠΎΠΊΠΎΠ²Π°Ρ ΠΏΠ΅ΡΠ»Ρ ΡΠΎΡΡΠΎΠΈΡ ΠΈΠ· ΡΠ΅ΡΡΡΡΡ ΠΊΠΎΠΌΠΏΠΎΠ½Π΅Π½ΡΠΎΠ²:
- ΠΡΡΠΎΡΠ½ΠΈΠΊ ΠΏΠΈΡΠ°Π½ΠΈΡ. ΠΠ΅ΡΡΠΎΡΠ°ΡΠΏΠΎΠ»ΠΎΠΆΠ΅Π½ΠΈΠ΅ ΠΏΡΠΎΠΈΠ·Π²ΠΎΠ»ΡΠ½ΠΎΠ΅.
- ΠΡΠΈΡΠΌΠ½ΠΈΠΊ ΠΈΠ»ΠΈ ΠΌΠΎΠ½ΠΈΡΠΎΡ.
- ΠΠ΅ΡΠ΅Π΄Π°ΡΡΠΈΠΊ (ΡΠ΅Π½ΡΠΎΡ).
- ΠΡΠ΅ΠΎΠ±ΡΠ°Π·ΠΎΠ²Π°ΡΠ΅Π»Ρ Π½Π°ΠΏΡΡΠΆΠ΅Π½ΠΈΡ Π² ΡΠΎΠΊ.
Π‘Π΅Π½ΡΠΎΡΡ Π²ΡΠ΄Π°ΡΡ ΠΈΠ½ΡΠΎΡΠΌΠ°ΡΠΈΡ, ΠΏΡΠΎΠΏΠΎΡΡΠΈΠΎΠ½Π°Π»ΡΠ½ΡΡ ΠΈΠ·ΠΌΠ΅ΡΡΠ΅ΠΌΠΎΠΌΡ ΠΏΠ°ΡΠ°ΠΌΠ΅ΡΡΡ, ΠΏΡΠ΅Π΄ΡΡΠ°Π²Π»Π΅Π½Π½ΠΎΠΌΡ Π½Π°ΠΏΡΡΠΆΠ΅Π½ΠΈΠ΅ΠΌ. Π‘Π»Π΅Π΄ΠΎΠ²Π°ΡΠ΅Π»ΡΠ½ΠΎ, Π½ΡΠΆΠ½ΠΎ Π·Π°Π½ΡΡΡΡΡ ΠΏΡΠ΅ΠΎΠ±ΡΠ°Π·ΠΎΠ²Π°Π½ΠΈΠ΅ΠΌ Π² ΡΠΎΠΊ. ΠΠΎΡΠΎΠΌ ΠΈΠ½ΡΠΎΡΠΌΠ°ΡΠΈΡ ΠΊΠΎΠ΄ΠΈΡΡΠ΅ΡΡΡ Π»ΠΈΠ±ΠΎ ΠΏΠΎ ΡΡΠΎΠ²Π½Ρ ΡΠΎΠΊΠ°, Π»ΠΈΠ±ΠΎ Π² Π΄Π²ΠΎΠΈΡΠ½ΡΠΉ Π²ΠΈΠ΄: 4 ΠΌΠ β Π½ΡΠ»Ρ, 20 ΠΌΠ β Π΅Π΄ΠΈΠ½ΠΈΡΠΊΠ°. ΠΠ° ΡΡΠΎΡΠΎΠ½Π΅ ΠΏΡΠΈΡΠΌΠ½ΠΈΠΊΠ° ΠΈΠ½ΡΠΎΡΠΌΠ°ΡΠΈΡ ΡΠ°ΡΡΠΈΡΡΠΎΠ²ΡΠ²Π°Π΅ΡΡΡ.
ΠΠΎΠΊΠ»ΠΎΠ½Π½ΠΈΠΊΠΈ ΡΠΈΡΡΠΎΠ²ΡΡ ΡΠ΅Ρ Π½ΠΎΠ»ΠΎΠ³ΠΈΠΉ Π·Π°ΡΠ²Π»ΡΡΡ ΠΎ Π½ΠΈΠ·ΠΊΠΎΠΌ Π±ΡΡΡΡΠΎΠ΄Π΅ΠΉΡΡΠ²ΠΈΠΈ ΡΠΎΠΊΠΎΠ²ΠΎΠΉ ΠΏΠ΅ΡΠ»ΠΈ. ΠΠ΅ΠΉΡΡΠ²ΠΈΡΠ΅Π»ΡΠ½ΠΎ, ΠΏΡΠΈ ΠΏΠΎΠ³ΠΎΠ½Π½ΠΎΠΉ ΡΠΌΠΊΠΎΡΡΠΈ Π² 75 ΠΏΠ€/ΠΌ ΠΊΠΈΠ»ΠΎΠΌΠ΅ΡΡΠΎΠ²ΡΠΉ ΠΎΡΡΠ΅Π· ΠΏΡΠΎΠ²ΠΎΠ΄Π° ΠΎΠ±ΡΠ°Π·ΡΠ΅Ρ ΠΊΠΎΠ½Π΄Π΅Π½ΡΠ°ΡΠΎΡ Ρ Π½ΠΎΠΌΠΈΠ½Π°Π»ΠΎΠΌ 75 Π½Π€. Π‘ ΡΠΎΡΡΠΎΠΌ ΡΠ°ΡΡΠΎΡΡ ΡΠΎΠΏΡΠΎΡΠΈΠ²Π»Π΅Π½ΠΈΠ΅ ΠΏΠ°Π΄Π°Π΅Ρ, ΡΡΡΠ΅ΠΊΡ ΡΠ³Π»Π°ΠΆΠΈΠ²Π°Π½ΠΈΡ ΠΈ ΡΠΈΠ»ΡΡΡΠ°ΡΠΈΠΈ Π½Π΅ Π΄Π°ΡΡ ΠΏΡΠ°Π²ΠΈΠ»ΡΠ½ΠΎ ΡΠ°Π±ΠΎΡΠ°ΡΡ Ρ ΠΈΠ½ΡΠΎΡΠΌΠ°ΡΠΈΠ΅ΠΉ. ΠΠ° 19 ΠΌΠΊΡ ΠΊΠΎΠ½Π΄Π΅Π½ΡΠ°ΡΠΎΡ Π½Π°ΠΏΠΎΠ»Π½ΡΠ΅ΡΡΡ ΠΏΠΎΠ»Π½ΠΎΡΡΡΡ ΠΎΡ Π½Π°ΠΏΡΡΠΆΠ΅Π½ΠΈΡ 5 Π, ΠΎΠ±ΡΡΠ»ΠΎΠ²Π»ΠΈΠ²Π°Ρ Π·Π°ΠΌΠ΅ΡΠ΅Π½Π½ΠΎΠ΅ ΠΎΠ³ΡΠ°Π½ΠΈΡΠ΅Π½ΠΈΠ΅ Π² 9,6 ΠΊΠ±ΠΈΡ/ΡΠ΅ΠΊ.
Π‘ΠΎΠ±ΡΡΠ²Π΅Π½Π½ΠΎ ΡΠΎΠΊΠΎΠ²Π°Ρ ΠΏΠ΅ΡΠ»Ρ ΡΡΠΈΡΠ°Π΅ΡΡΡ ΠΎΡΠΆΠΈΠ²ΡΠΈΠΌ ΠΏΡΠΎΡΠΎΠΊΠΎΠ»ΠΎΠΌ, Π½Π° Π΅Ρ ΠΌΠ΅ΡΡΠΎ Π³ΠΎΡΠΎΠ²Ρ ΠΏΡΠΈΠΉΡΠΈ ΠΏΡΠΎΡΠΈΠ΅, ΠΌΠ°ΡΡΠΎΠ²ΠΎ ΠΈΡΠΏΠΎΠ»ΡΠ·ΡΠ΅ΠΌΡΠ΅, ΠΊ ΠΏΡΠΈΠΌΠ΅ΡΡ, MIDI ΠΈ ΠΌΠ°Π»ΠΎΠΈΠ·Π²Π΅ΡΡΠ½ΡΠΉ ΡΡΠ΅Π΄Ρ ΡΠΈΡΠΎΠΊΠΎΠΉ ΠΏΡΠ±Π»ΠΈΠΊΠΈ ΠΏΡΠΎΠΌΡΡΠ»Π΅Π½Π½ΡΠΉ ΠΈΠ½ΡΠ΅ΡΡΠ΅ΠΉΡ HART.
ΠΠ±ΡΠ°Ρ ΠΈΠ½ΡΠΎΡΠΌΠ°ΡΠΈΡ
ΠΠ΅ΡΠ²ΡΠΌ ΡΡΡΠΏΡΠΈΠ·ΠΎΠΌ ΡΡΠ°Π½ΠΎΠ²ΠΈΡΡΡ ΠΎΡΡΡΡΡΡΠ²ΠΈΠ΅ Π΅Π΄ΠΈΠ½ΡΡ ΡΡΠ°Π½Π΄Π°ΡΡΠΎΠ². ΠΠΎΠΌΠΈΠ½ΠΈΡΡΡΡΠΈΠΌΠΈ ΡΡΠ°Π»ΠΈ ΠΏΡΠΎΡΠΎΠΊΠΎΠ»Ρ 4-20 ΠΌΠ, 0-20 ΠΌΠ ΠΈ 0-60 ΠΌΠ, ΠΆΡΡΡΠΊΠΈΡ ΠΏΡΠ°Π²ΠΈΠ» Π½Π΅Ρ. Π ΡΠΎΠΊΠΎΠ²ΠΎΠΉ ΠΏΠ΅ΡΠ»Π΅ ΠΌΠΎΠΆΠ΅Ρ ΠΏΠ΅ΡΠ΅Π΄Π°Π²Π°ΡΡΡΡ Π»ΡΠ±Π°Ρ ΠΈΠ½ΡΠΎΡΠΌΠ°ΡΠΈΡ. ΠΡΠ»ΠΈ ΡΡΠΎ Π΄Π²ΠΎΠΈΡΠ½ΡΠΉ ΠΊΠΎΠ΄, Π΅Π΄ΠΈΠ½ΠΈΡΠ΅ ΡΠΎΠΎΡΠ²Π΅ΡΡΡΠ²ΡΠ΅Ρ Π½Π°Π»ΠΈΡΠΈΠ΅ ΡΠΎΠΊΠ° Π² ΡΠ°Π·ΠΌΠ΅ΡΠ΅ 20 ΠΌΠ Π² Π·Π°Π²ΠΈΡΠΈΠΌΠΎΡΡΠΈ ΠΎΡ Π½Π°ΡΡΡΠΎΠ΅ΠΊ ΡΠΈΡΡΠ΅ΠΌΡ, Π° Π½ΡΠ»Ρ β ΠΎΡΡΡΡΡΡΠ²ΠΈΠ΅ ΡΠΈΠ³Π½Π°Π»Π° Π»ΠΈΠ±ΠΎ Π½Π°Π»ΠΈΡΠΈΠ΅ 4 ΠΌΠ. ΠΡΠ»ΠΈ ΠΏΡΠΈ ΠΏΠ΅ΡΠ΅Π΄Π°ΡΠ΅ ΠΏΠ°ΠΊΠ΅ΡΠ° ΠΏΡΠΎΠΈΡΡ ΠΎΠ΄ΠΈΡ ΡΠ°Π·ΡΡΠ² Π»ΠΈΠ½ΠΈΠΈ, ΡΡΠΎ Π½Π΅ΠΏΡΠ΅ΠΌΠ΅Π½Π½ΠΎ ΠΎΠΏΠΎΠ·Π½Π°ΡΡΡΡ ΡΠ΅ΡΠ΅Π· ΡΡΠΎΠΏ-Π±Π°ΠΉΡ.
ΠΠ½ΡΠ΅ΡΡΠ΅ΠΉΡ ΠΏΡΠΈΠΌΠ΅Π½ΡΠ»ΡΡ Ρ 50-Ρ Π³ΠΎΠ΄ΠΎΠ², ΠΏΠ΅ΡΠ²ΠΎΠ½Π°ΡΠ°Π»ΡΠ½ΠΎ Π΅Π΄ΠΈΠ½ΠΈΡΠ° ΠΊΠΎΠ΄ΠΈΡΠΎΠ²Π°Π»Π°ΡΡ ΠΊΠ°ΠΊ 60 ΠΌΠ ΠΏΠΎΡΡΠΎΡΠ½Π½ΠΎΠ³ΠΎ ΡΠΎΠΊΠ°. Π‘Π»Π΅Π΄ΠΎΠ²Π°ΡΠ΅Π»ΡΠ½ΠΎ, ΠΠΠ ΡΠΈΡΡΠ΅ΠΌΡ ΠΎΠΊΠ°Π·ΡΠ²Π°Π»ΡΡ Π½Π°ΠΌΠ½ΠΎΠ³ΠΎ Π½ΠΈΠΆΠ΅. ΠΠ΅ΡΠ»Ρ Π½Π° 20 ΠΌΠ ΠΏΠΎΡΠ²ΠΈΠ»Π°ΡΡ Π² 1962 Π³ΠΎΠ΄Ρ ΠΊΠ°ΠΊ ΡΠΈΠ³Π½Π°Π» Π΄Π»Ρ ΡΠ΅Π»Π΅ΡΠ°ΠΉΠΏΠΎΠ² β Π΄Π»Ρ Π΄ΠΈΡΡΠ°Π½ΡΠΈΠΎΠ½Π½ΠΎΠΉ ΠΏΠ΅ΡΠ°ΡΠΈ ΡΠΎΠΎΠ±ΡΠ΅Π½ΠΈΠΉ (ΡΠΎΠ΅Π΄ΠΈΠ½ΡΠ»Π° Π΄Π²Π΅ ΡΠ»Π΅ΠΊΡΡΠΈΡΠ΅ΡΠΊΠΈΠ΅ ΠΏΠ΅ΡΠ°ΡΠ½ΡΠ΅ ΠΌΠ°ΡΠΈΠ½ΠΊΠΈ). Π‘ Π½Π°ΡΠ°Π»ΠΎΠΌ 80-Ρ ΡΠΎΠΊ ΠΏΠΎΠΏΡΡΠ°Π»ΠΈΡΡ ΡΠΌΠ΅Π½ΡΡΠΈΡΡ, Π½Π΅ Π²ΡΠ΅Π³Π΄Π° ΡΡΠΏΠ΅ΡΠ½ΠΎ. Π Π΅ΡΠΈΠ»ΠΈ ΡΠ΄Π΅Π»Π°ΡΡ ΠΊΠΎΠΌΠΏΡΠΎΠΌΠΈΡΡ:
- 4 ΠΌΠ ΠΎΠ·Π½Π°ΡΠ°Π΅Ρ Β«ΠΆΠΈΠ²ΠΎΠΉΒ» Π½ΡΠ»Ρ. Π§ΡΠΎΠ±Ρ ΡΠΈΡΡΠ΅ΠΌΠ° ΡΠΎΡΠ½ΠΎ Π·Π½Π°Π»Π°, Π½Π΅ ΠΏΡΠΎΠΈΠ·ΠΎΡΡΠ» Π»ΠΈ Π² ΡΠ΅ΡΠΈ ΠΎΠ±ΡΡΠ².
- ΠΠ΄ΠΈΠ½ΠΈΡΠ΅ΠΉ ΠΎΡΡΠ°ΡΡΡΡ 20 ΠΌΠ.
ΠΡΠ½ΠΎΠ²Π½ΡΠΌ ΠΎΠ³ΡΠ°Π½ΠΈΡΠ΅Π½ΠΈΠ΅ΠΌ ΡΠ»ΡΠΆΠΈΡ ΡΠ°ΡΡΡΠΎΡΠ½ΠΈΠ΅ ΠΏΠ΅ΡΠ΅Π΄Π°ΡΠΈ ΠΈΠ½ΡΠΎΡΠΌΠ°ΡΠΈΠΈ. ΠΠ° ΠΏΠ°ΡΠ°ΠΌΠ΅ΡΡ Π²Π»ΠΈΡΠ΅Ρ Π±ΠΈΡΡΠ΅ΠΉΡ: Π½Π° ΠΊΠΈΠ»ΠΎΠΌΠ΅ΡΡΠΎΠ²ΡΡ Π΄ΠΈΡΡΠ°Π½ΡΠΈΡΡ Π΄ΠΎΠΏΡΡΡΠΈΠΌΠ°Ρ ΡΠΊΠΎΡΠΎΡΡΡ ΠΏΠ΅ΡΠ΅Π΄Π°ΡΠΈ ΠΈΠ½ΡΠΎΡΠΌΠ°ΡΠΈΠΈ ΡΠΎΡΡΠ°Π²Π»ΡΠ΅Ρ 9600 Π±ΠΈΡ/ΡΠ΅ΠΊ. ΠΡΡΠ΅ 19,2 ΠΊΠ±ΠΈΡ/ΡΠ΅ΠΊ Π»ΠΈΠ½ΠΈΡ Π½Π΅ ΠΈΡΠΏΠΎΠ»ΡΠ·ΡΡΡ. Π ΠΈΡΠΎΠ³Π΅ Π½Π° Π΄Π°Π»ΡΠ½ΠΎΡΡΡ Π²Π»ΠΈΡΡΡ ΡΠ»Π΅ΠΊΡΡΠΈΡΠ΅ΡΠΊΠΈΠ΅ ΠΏΠ°ΡΠ°ΠΌΠ΅ΡΡΡ Π»ΠΈΠ½ΠΈΠΈ ΠΈ ΡΡΠΎΠ²Π΅Π½Ρ ΠΏΠΎΠΌΠ΅Ρ . Π’ΠΎΠΊΠΎΠ²ΡΡ ΠΏΠ΅ΡΠ»Ρ ΠΏΡΠ΅Π΄ΠΏΠΎΠ»Π°Π³Π°Π»ΠΎΡΡ Π·Π°ΠΌΠ΅Π½ΠΈΡΡ ΠΏΠΎ Π·Π°Π΄ΡΠΌΠΊΠ°ΠΌ Fieldbus, Π² Π΄Π΅ΠΉΡΡΠ²ΠΈΡΠ΅Π»ΡΠ½ΠΎΡΡΠΈ Π² ΠΎΠ±ΠΈΡ ΠΎΠ΄ Π²ΠΎΡΡΠ» ΡΡΠ°Π½Π΄Π°ΡΡΠ½ΡΠΉ ΡΠ΅Π³ΠΎΠ΄Π½Ρ RS-485 (1983 Π³ΠΎΠ΄) β Π²Π°ΡΠΈΠ°Π½Ρ COM-ΠΏΠΎΡΡΠ°. Π ΠΏΠΎΠ½ΡΠ½Π΅ ΡΠ΅ΡΠΌΠΈΠ½Π°Π»Ρ ΠΏΠΎ ΠΏΡΠΎΡΠΎΠΊΠΎΠ»Ρ RS-232 ΠΏΡΠΈΡΠΎΠ΅Π΄ΠΈΠ½ΡΡΡΡΡ ΠΏΡΠΈ ΠΏΠΎΠΌΠΎΡΠΈ ΡΠΎΠΊΠΎΠ²ΠΎΠΉ ΠΏΠ΅ΡΠ»ΠΈ, Π° Π½Π° ΠΏΡΠΈΡΠΌΠ½ΠΎΠΉ ΡΡΠΎΡΠΎΠ½Π΅ ΠΏΡΠΎΠΈΠ·Π²ΠΎΠ΄ΠΈΡΡΡ Π½ΡΠΆΠ½ΠΎΠ΅ ΠΏΡΠ΅ΠΎΠ±ΡΠ°Π·ΠΎΠ²Π°Π½ΠΈΠ΅. ΠΠ½ΠΎΠ³Π΄Π° ΠΏΠΎ ΠΏΡΠΎΡΠΎΠΊΠΎΠ»Ρ ΡΠ°Π±ΠΎΡΠ°ΡΡ ΠΈΠ·Π±ΡΠ°Π½Π½ΡΠ΅ ΠΏΡΠΈΠ½ΡΠ΅ΡΡ. ΠΡΡΡΡ ΡΠ΅ΠΎΡΠ΅ΡΠΈΡΠ΅ΡΠΊΠΈΠΉ ΠΏΡΠ΅Π΄Π΅Π» Π·Π΄Π΅ΡΡ ΡΠΎΡΡΠ°Π²Π»ΡΠ΅Ρ 115 ΠΊΠ±ΠΈΡ/Ρ, Π½Π° ΠΏΡΠ°ΠΊΡΠΈΠΊΠ΅ ΠΏΡΠΈΠΌΠ΅Π½ΡΠ΅ΡΡΡ 9600.
ΠΡΠΎΠ±Π΅Π½Π½ΠΎΡΡΡ ΡΠΎΠΊΠΎΠ²ΠΎΠΉ ΠΏΠ΅ΡΠ»ΠΈ β Π² ΠΏΠ΅ΡΠ΅Π΄Π°ΡΡΠΈΠΊΠ΅ Π½Π΅ ΠΎΠ±ΡΠ°ΡΠ°ΡΡ Π²Π½ΠΈΠΌΠ°Π½ΠΈΠ΅ Π½Π° Π½Π°ΠΏΡΡΠΆΠ΅Π½ΠΈΠ΅. ΠΠΎΡΠ½ΠΎΡΡΡ Π±ΡΠ²Π°Π΅Ρ ΡΠ°Π·Π½ΠΎΠΉ. ΠΠ»Π°Π²Π½ΠΎΠ΅ β Π²ΡΠ΄Π΅ΡΠΆΠ°ΡΡ Π·Π½Π°ΡΠ΅Π½ΠΈΠ΅ ΡΠΎΠΊΠ°, 20 ΠΌΠ. Π‘Π»Π΅Π΄ΠΎΠ²Π°ΡΠ΅Π»ΡΠ½ΠΎ, ΡΠ΅ΠΌ Π»ΠΈΠ½ΠΈΡ Π΄Π»ΠΈΠ½Π½Π΅Π΅, ΡΠ΅ΠΌ ΠΌΠ΅Π½ΡΡΠ΅ ΠΠΠ. ΠΡΠΎ Π½Π΅ΡΠΊΠΎΡΠ½ΠΈΡΠ΅Π»ΡΠ½ΠΎ ΠΈΡΠΏΠΎΠ»Π½ΡΠ΅ΠΌΠΎΠ΅ ΠΏΡΠ°Π²ΠΈΠ»ΠΎ. ΠΠ΅ΡΠΈΠΎΠ΄ΠΈΡΠ΅ΡΠΊΠΈ Π²ΡΡΡΠ΅ΡΠ°Π΅ΡΡΡ ΡΠΎΠΊΠΎΠ²Π°Ρ ΠΏΠ΅ΡΠ»Ρ Ρ Π³Π°Π»ΡΠ²Π°Π½ΠΈΡΠ΅ΡΠΊΠΎΠΉ ΡΠ°Π·Π²ΡΠ·ΠΊΠΎΠΉ. ΠΠ»Ρ ΡΡΠΎΠ³ΠΎ ΠΈΡΠΏΠΎΠ»ΡΠ·ΡΡΡΡΡ ΠΎΠΏΡΠΎΠΏΠ°ΡΡ ΠΈ ΠΏΠΎΠ΄ΠΎΠ±Π½ΡΠ΅ ΠΏΠΎΠ»ΡΠΏΡΠΎΠ²ΠΎΠ΄Π½ΠΈΠΊΠΎΠ²ΡΠ΅ ΠΊΠΎΠ½ΡΡΡΡΠΊΡΠΈΠΈ.
ΠΠ°ΠΊ ΠΏΡΠ°Π²ΠΈΠ»ΠΎ, ΠΊΠ°Π±Π΅Π»Ρ ΠΈΡΠΏΠΎΠ»ΡΠ·ΡΠ΅ΡΡΡ ΡΠΊΡΠ°Π½ΠΈΡΠΎΠ²Π°Π½Π½ΡΠΉ, ΡΡΠΎΠ±Ρ ΠΈΠ·Π±Π΅ΠΆΠ°ΡΡ ΠΏΠ°ΡΠ°Π»Π»Π΅Π»ΡΠ½ΡΡ ΡΠΌΠΊΠΎΡΡΠ½ΡΡ ΠΏΠΎΠΌΠ΅Ρ , ΠΊΠΎΡΠΎΡΡΠ΅ Π½Π΅ ΡΠ΄Π°ΡΡΡΡ ΠΊΠΎΠΌΠΏΠ΅Π½ΡΠΈΡΠΎΠ²Π°ΡΡ ΠΈΠ»ΠΈ ΠΎΡΡΠ»Π΅Π΄ΠΈΡΡ. ΠΠ»Ρ ΡΠΎΠ·Π΄Π°Π½ΠΈΡ ΡΠ΅ΡΠΈ Π½Π΅ΠΏΠ»ΠΎΡ ΠΎ ΠΏΠΎΠ΄Ρ ΠΎΠ΄ΠΈΡ ΡΠΊΡΠ°Π½ΠΈΡΠΎΠ²Π°Π½Π½Π°Ρ Π²ΠΈΡΠ°Ρ ΠΏΠ°ΡΠ°. ΠΠ»Π°Π³ΠΎΠ΄Π°ΡΡ ΡΠ΅ΡΠ½ΠΎΠΌΡ ΠΏΠ΅ΡΠ΅ΠΏΠ»Π΅ΡΠ΅Π½ΠΈΡ ΠΏΡΠΎΠ²ΠΎΠ΄ΠΎΠ², ΠΎΠ½Π° ΠΈΠ·Π±Π°Π²Π»ΡΠ΅Ρ ΠΎΡ Π²Π½Π΅ΡΠ½ΠΈΡ Π½Π°Π²ΠΎΠ΄ΠΎΠΊ Π² Π²ΠΈΠ΄Π΅ ΠΈΠ½Π΄ΡΠΊΡΠΈΠ²Π½ΡΡ ΠΈ ΡΠΈΠ½ΡΠ°Π·Π½ΡΡ ΠΏΠΎΠΌΠ΅Ρ . ΠΠ»Ρ ΡΠΎΠ·Π΄Π°Π½ΠΈΡ Π΄ΡΠΏΠ»Π΅ΠΊΡΠ½ΠΎΠ³ΠΎ ΠΊΠ°Π½Π°Π»Π° ΠΈΡΠΏΠΎΠ»ΡΠ·ΡΡΡ Π΄Π²Π΅ Π²ΠΈΡΡΠ΅ ΠΏΠ°ΡΡ, ΠΏΡΠΎΠ³ΡΠ°ΠΌΠΌΠ½ΠΎ ΠΈΠ½ΡΠ΅ΡΡΠ΅ΠΉΡ ΡΠΏΡΠ°Π²Π»ΡΠ΅ΡΡΡ ΡΠ΅ΡΠ΅Π· ΠΌΠ΅ΡΠΎΠ΄Ρ XON/XOFF. ΠΠΎΡΡΠΎΠΉΠ½ΡΠ΅ ΡΠΏΠ΅ΡΠΈΠ°Π»ΠΈΠ·ΠΈΡΠΎΠ²Π°Π½Π½ΡΠ΅ ΠΏΡΠΈΠ»ΠΎΠΆΠ΅Π½ΠΈΡ ΠΎΠ±Ρ ΠΎΠ΄ΡΡ Π·Π°ΡΡΡΠ΄Π½Π΅Π½ΠΈΠ΅ ΡΠΎΠ·Π΄Π°Π½ΠΈΠ΅ΠΌ ΠΏΡΠ΅Π΄Π²Π°ΡΠΈΡΠ΅Π»ΡΠ½ΡΡ Π·Π°ΠΏΡΠΎΡΠΎΠ² Π½Π° ΠΏΠ΅ΡΠ΅Π΄Π°ΡΡ ΠΈ ΠΎΡΠ²Π΅ΡΠΎΠ².
ΠΠ° ΠΏΡΠΈΡΠΌΠ½ΠΈΠΊΠ΅ ΡΠΎΠΊ ΠΏΡΠ΅ΠΎΠ±ΡΠ°Π·ΡΡΡ Π² Π½Π°ΠΏΡΡΠΆΠ΅Π½ΠΈΠ΅ ΠΏΡΠΈ ΠΏΠΎΠΌΠΎΡΠΈ ΡΠ΅Π·ΠΈΡΡΠΈΠ²Π½ΠΎΠ³ΠΎ Π΄Π΅Π»ΠΈΡΠ΅Π»Ρ. Π Π·Π°Π²ΠΈΡΠΈΠΌΠΎΡΡΠΈ ΠΎΡ Π²ΠΎΠ»ΡΡΠ°ΠΆΠ° ΠΏΡΠΈΠΌΠ΅Π½ΡΡΡΡΡ ΡΠΎΠΏΡΠΎΡΠΈΠ²Π»Π΅Π½ΠΈΡ 125 β 500 ΠΠΌ. ΠΠ½ΠΎΠ³Π΄Π° Π½Π° ΡΡΠΎΡΠΎΠ½Π΅ ΠΏΠ΅ΡΠ΅Π΄Π°ΡΡΠΈΠΊΠ° ΠΈΠ»ΠΈ ΠΏΡΠΈΡΠΌΠ½ΠΈΠΊΠ° ΡΡΠ°Π²ΠΈΡΡΡ Π°Π΄Π°ΠΏΡΠ΅Ρ (ΠΏΡΠ΅ΠΎΠ±ΡΠ°Π·ΠΎΠ²Π°ΡΠ΅Π»Ρ ΡΠΈΠ³Π½Π°Π»Π°) ΠΊ ΠΏΠΎΡΠ»Π΅Π΄ΠΎΠ²Π°ΡΠ΅Π»ΡΠ½ΠΎΠΌΡ ΠΈΠ½ΡΠ΅ΡΡΠ΅ΠΉΡΡ COM-ΠΏΠΎΡΡΠ°. ΠΠ°Π΄Π΅Π½ΠΈΠ΅ Π½Π°ΠΏΡΡΠΆΠ΅Π½ΠΈΡ Π½Π° ΡΠ΅Π·ΠΈΡΡΠΎΡΠ΅ Π²ΡΡΡΠΈΡΡΠ²Π°Π΅ΡΡΡ ΠΏΠΎ Π·Π°ΠΊΠΎΠ½Ρ ΠΠΌΠ°, ΠΊ ΠΏΡΠΈΠΌΠ΅ΡΡ, Π΄Π»Ρ Π½ΠΎΠΌΠΈΠ½Π°Π»Π° 250 ΠΠΌ ΡΡΠΎ ΡΠΎΡΡΠ°Π²ΠΈΡ 250 Ρ 0,02 = 5 Π. Π‘ΠΎΠΎΡΠ²Π΅ΡΡΡΠ²Π΅Π½Π½ΠΎ, ΠΏΡΠΈΡΠΌΠ½ΠΈΠΊ Π²ΠΎΠ·ΠΌΠΎΠΆΠ½ΠΎ ΠΎΡΠΊΠ°Π»ΠΈΠ±ΡΠΎΠ²Π°ΡΡ ΠΏΡΠΈ Π½Π΅ΠΎΠ±Ρ ΠΎΠ΄ΠΈΠΌΠΎΡΡΠΈ Π½Π° Π½ΡΠΆΠ½ΡΠΉ ΡΡΠΎΠ²Π΅Π½Ρ.
ΠΠ΄Π΅ ΠΏΡΠΈΠΌΠ΅Π½ΡΠ΅ΡΡΡ ΡΠΎΠΊΠΎΠ²Π°Ρ ΠΏΠ΅ΡΠ»Ρ
- ΠΠΎΠ½ΡΡΠΎΠ»Ρ ΡΠ΅Ρ Π½ΠΎΠ»ΠΎΠ³ΠΈΡΠ΅ΡΠΊΠΈΡ ΠΏΡΠΎΡΠ΅ΡΡΠΎΠ². ΠΠ° ΠΏΡΠΎΠΈΠ·Π²ΠΎΠ΄ΡΡΠ²Π΅ ΡΠΎΠΊΠΎΠ²Π°Ρ ΠΏΠ΅ΡΠ»Ρ 4-20 ΠΌΠ ΡΡΠΈΡΠ°Π΅ΡΡΡ Π³Π»Π°Π²Π½ΡΠΌ Π°Π½Π°Π»ΠΎΠ³ΠΎΠ²ΡΠΌ ΠΈΠ½ΡΠ΅ΡΡΠ΅ΠΉΡΠΎΠΌ. ΠΡΠΏΠΎΠ»ΡΠ·ΡΠ΅ΡΡΡ Β«ΠΆΠΈΠ²ΠΎΠΉΒ» Π½ΡΠ»Ρ, ΠΊΠΎΠ³Π΄Π° ΠΏΠΎΠ»Π½ΠΎΠ΅ ΠΎΡΡΡΡΡΡΠ²ΠΈΠ΅ ΡΠΈΠ³Π½Π°Π»Π° ΠΎΠ·Π½Π°ΡΠ°Π΅Ρ ΠΎΠ±ΡΡΠ² Π»ΠΈΠ½ΠΈΠΈ. Π’ΠΎΠΊ Π² 4 ΠΌΠ ΠΈΠ½ΠΎΠ³Π΄Π° ΠΈΡΠΏΠΎΠ»ΡΠ·ΡΠ΅ΡΡΡ ΠΊΠ°ΠΊ ΠΏΠΈΡΠ°Π½ΠΈΠ΅ Π΄Π»Ρ ΠΏΠ΅ΡΠ΅Π΄Π°ΡΡΠΈΠΊΠ° Π»ΠΈΠ±ΠΎ Π²Ρ ΠΎΠ΄ΡΡΠΈΠΉ ΡΠΈΠ³Π½Π°Π» ΠΌΠΎΠ΄ΡΠ»ΠΈΡΡΠ΅ΡΡΡ Π΄Π°ΡΡΠΈΠΊΠΎΠΌ ΠΈ Π²ΠΎΠ·Π²ΡΠ°ΡΠ°Π΅ΡΡΡ Π² Π²ΠΈΠ΄Π΅ ΠΈΠ½ΡΠΎΡΠΌΠ°ΡΠΈΠΈ. ΠΡΡΡΠ΅ΡΠ°ΡΡΡΡ ΡΠ΅ΠΏΠΈ, Π³Π΄Π΅ Π±Π°ΡΠ°ΡΠ΅Ρ ΡΡΠΎΠΈΡ ΠΎΡΠ΄Π΅Π»ΡΠ½ΠΎ, ΡΠΎΠ³Π΄Π° ΠΌΠΎΠ΄ΡΠ»ΠΈΡΡΠ΅ΡΡΡ Π΅Ρ ΡΠΈΠ³Π½Π°Π». ΠΠΈ ΠΏΡΠΈΡΠΌΠ½ΠΈΠΊ, Π½ΠΈ ΠΏΠ΅ΡΠ΅Π΄Π°ΡΡΠΈΠΊ Π½Π΅ ΡΡΠ°ΡΡΡ ΡΠΎΠ±ΡΡΠ²Π΅Π½Π½ΡΡ ΡΠ½Π΅ΡΠ³ΠΈΡ.
- ΠΠΎ Π²ΡΠ΅ΠΌΠ΅Π½Π° Π°Π½Π°Π»ΠΎΠ³ΠΎΠ²ΠΎΠΉ ΡΠ΅Π»Π΅ΡΠΎΠ½ΠΈΠΈ ΡΠΎΠΊΠΎΠ²Π°Ρ ΠΏΠ΅ΡΠ»Ρ ΠΎΡΡΠ°Π²Π°Π»Π°ΡΡ ΠΈΠ·Π»ΡΠ±Π»Π΅Π½Π½ΡΠΌ ΠΈΠ½ΡΠ΅ΡΡΠ΅ΠΉΡΠΎΠΌ Π΄Π»Ρ ΠΏΠΎΠ΄ΠΊΠ»ΡΡΠ΅Π½ΠΈΡ. Π ΡΠ΅Π³ΠΎΠ΄Π½Ρ Π΅ΡΡ Π½Π°Ρ ΠΎΠ΄ΡΡΡΡ Π±ΡΡΡΠΈΠ΅ΡΡ ΡΠΎΠΊΠΎΠΌ ΠΏΡΠΎΠ²ΠΎΠ΄Π° Π² ΠΊΠ²Π°ΡΡΠΈΡΠ°Ρ . ΠΠ΄Π΅ΡΡ ΡΠ΅Π»Π΅ΡΠΎΠ½ ΠΏΠΈΡΠ°Π΅ΡΡΡ ΠΎΡ ΡΡΠ°Π½ΡΠΈΠΈ ΠΈ ΠΌΠΎΠ΄ΡΠ»ΠΈΡΡΠ΅Ρ ΡΠΈΠ³Π½Π°Π» Π΄Π»Ρ Π²ΡΠ·ΠΎΠ²Π° Π°Π±ΠΎΠ½Π΅Π½ΡΠ°. ΠΠ°ΠΊ Π² ΡΠ»ΡΡΠ°Π΅ Ρ Π΄Π°ΡΡΠΈΠΊΠΎΠΌ, ΠΎΠΏΠΈΡΠ°Π½Π½ΡΠΌ Π²ΡΡΠ΅. ΠΡΠΈ Π»ΠΈΠ½ΠΈΠΈ ΠΎΡΡΠ°Π»ΠΈΡΡ Π² ΠΊΠ°ΡΠ΅ΡΡΠ²Π΅ Π½Π°ΡΠ»Π΅Π΄ΠΈΡ Π±ΡΠ»ΡΡ Π²ΡΠ΅ΠΌΡΠ½. Π ΠΏΡΠΈΠΌΠ΅ΡΡ, ΠΊΠΎΠΌΠΏΠ°Π½ΠΈΡ Π‘ΠΈΡΡΠ΅ΠΌΠ° ΠΠ΅Π»Π»Π° ΠΏΡΠΈΠΌΠ΅Π½ΡΠ΅Ρ ΠΏΠΈΡΠ°Π½ΠΈΠ΅ ΠΏΠΎΡΡΠΎΡΠ½Π½ΡΠΌ ΡΠΎΠΊΠΎΠΌ Π΄ΠΎ 125 Π.
- Π’ΠΎΠΊΠΎΠ²Π°Ρ ΠΏΠ΅ΡΠ»Ρ ΠΈΠ½ΠΎΠ³Π΄Π° ΠΈΡΠΏΠΎΠ»ΡΠ·ΡΠ΅ΡΡΡ Π΄Π»Ρ ΠΏΠ΅ΡΠ΅Π΄Π°ΡΠΈ ΠΈΠ½ΡΠΎΡΠΌΠ°ΡΠΈΠΈ ΡΡΠΎΠ²Π½Π΅ΠΌ ΡΠΈΠ³Π½Π°Π»Π°. Π ΠΏΡΠΈΠΌΠ΅ΡΡ, 15 ΠΌΠ ΠΎΠ·Π½Π°ΡΠ°Π΅Ρ Β«Π³ΠΎΡΠΈΠΌ!Β», 6 ΠΌΠ β Β«Π²ΡΠ΅ Π² ΠΏΠΎΡΡΠ΄ΠΊΠ΅Β», 0 ΠΌΠ β ΠΎΠ±ΡΡΠ² Π»ΠΈΠ½ΠΈΠΈ. ΠΡΠ±ΠΎΠΉ ΠΌΠ΅ΡΡΠ΅ΡΠΊΠΎΠ²ΡΠΉ ΠΏΡΠΎΠΈΠ·Π²ΠΎΠ΄ΠΈΡΠ΅Π»Ρ ΡΡΡΠ°Π½Π°Π²Π»ΠΈΠ²Π°Π΅Ρ ΡΠΎΠ±ΡΡΠ²Π΅Π½Π½ΡΠ΅ ΠΏΡΠ°Π²ΠΈΠ»Π° ΠΈ ΠΏΠΎΠ»ΡΠ·ΡΠ΅ΡΡΡ ΠΏΡΠΎΡΠΎΠΊΠΎΠ»ΠΎΠΌ.
- Π ΡΠ΅Π»Π΅ΡΠΎΠ½ΠΈΠΈ ΡΠ΅ΡΠ΅Π· ΡΠΎΠΊΠΎΠ²ΡΡ ΠΏΠ΅ΡΠ»Ρ ΠΌΠΎΠΆΠ΅Ρ ΠΊΠΎΠ½ΡΡΠΎΠ»ΠΈΡΠΎΠ²Π°ΡΡΡΡ Π±Π°Π·ΠΎΠ²Π°Ρ ΡΡΠ°Π½ΡΠΈΡ. ΠΡΠΎ Π½Π°Π·ΡΠ²Π°Π΅ΡΡΡ Β«Π΄ΠΈΡΡΠ°Π½ΡΠΈΠΎΠ½Π½ΡΠΉ ΠΊΠΎΠ½ΡΡΠΎΠ»Ρ ΠΏΠΎΡΡΠΎΡΠ½Π½ΡΠΌ ΡΠΎΠΊΠΎΠΌΒ». Π ΠΏΡΠΈΠΌΠ΅ΡΡ, Motorola MSF-5000 ΠΈΡΠΏΠΎΠ»ΡΠ·ΡΠ΅Ρ ΠΏΠΎΡΡΠΎΡΠ½Π½ΡΠ΅ ΡΠΎΠΊΠΈ Π΄Π»Ρ 4 ΠΌΠ Π΄Π»Ρ ΠΏΠ΅ΡΠ΅Π΄Π°ΡΠΈ ΡΠ΅ΡΠ²ΠΈΡΠ½ΡΡ ΡΠΈΠ³Π½Π°Π»ΠΎΠ². ΠΡΠΈΠΌΠ΅Ρ ΠΏΠΎΠ΄ΠΎΠ±Π½ΠΎΠ³ΠΎ ΠΏΡΠΎΡΠΎΠΊΠΎΠ»Π°:
- ΠΠ΅Ρ ΡΠΎΠΊΠ° β Π²Π΅ΡΡΠΈ ΠΏΡΠΈΡΠΌ Π½Π° 1 ΠΊΠ°Π½Π°Π»Π΅.
- +6 ΠΌΠ β ΠΏΠ΅ΡΠ΅Π΄Π°Π²Π°ΡΡ Π½Π° 1 ΠΊΠ°Π½Π°Π»Π΅.
- -6 ΠΌΠ β ΠΏΡΠΈΠ½ΡΡΡ ΠΈΠ½ΡΠΎΡΠΌΠ°ΡΠΈΡ Π½Π° 2 ΠΊΠ°Π½Π°Π»Π΅.
- -12 ΠΌΠ β ΠΏΠ΅ΡΠ΅Π΄Π°ΡΡ Π½Π° 2 ΠΊΠ°Π½Π°Π»Π΅.
ΠΠ½ΡΠ΅ΡΡΠ΅ΠΉΡ MIDI
MIDI ΡΠΎΡΠΌΠ°Ρ ΠΏΠΎΠΏΡΠ»ΡΡΠ΅Π½ ΡΡΠ΅Π΄ΠΈ ΠΌΡΠ·ΡΠΊΠ°Π½ΡΠΎΠ², ΡΡΠΎ ΡΠΏΠ΅ΡΠΈΠ°Π»ΠΈΠ·ΠΈΡΠΎΠ²Π°Π½Π½ΡΠΉ ΠΏΡΠΎΡΠΎΠΊΠΎΠ» ΡΠΈΡΡΠΎΠ²ΠΎΠΉ Π·Π²ΡΠΊΠΎΠ·Π°ΠΏΠΈΡΠΈ. ΠΠ° ΡΠΈΠ·ΠΈΡΠ΅ΡΠΊΠΎΠΌ ΡΡΠΎΠ²Π½Π΅ ΠΎΠ½ ΠΎΡΠ³Π°Π½ΠΈΠ·ΠΎΠ²Π°Π½ ΠΏΠΎ ΡΡ Π΅ΠΌΠ΅ ΡΠΎΠΊΠΎΠ²ΠΎΠΉ ΠΏΠ΅ΡΠ»ΠΈ 5 ΠΌΠ. Π Π°Π·ΡΠΌΠ΅Π΅ΡΡΡ, ΠΈΠ·-Π·Π° ΡΠ°Π·Π½ΠΈΡΡ ΡΡΠΎΠ²Π½Π΅ΠΉ Π΅Π΄ΠΈΠ½ΠΈΡ Π½Π°ΠΏΡΡΠΌΡΡ Π΄Π²Π° ΡΡΠ°Π½Π΄Π°ΡΡΠ° ΠΏΠ΅ΡΠ΅Π΄Π°ΡΠΈ Π½Π΅ ΡΠΎΠ²ΠΌΠ΅ΡΡΠΈΠΌΡ. Π‘ΠΎΠ³Π»Π°ΡΠ½ΠΎ ΠΠΈΡ Π°ΠΈΠ»Ρ ΠΡΠΊΡ, MIDI ΡΠ°Π·ΡΠ°Π±ΠΎΡΠ°Π½ Π² 1983 Π³ΠΎΠ΄Ρ ΠΈ ΡΡΠ°Π» ΠΏΡΠ°Π²ΠΈΠ»ΠΎΠΌ Π΄Π΅-ΡΠ°ΠΊΡΠΎ ΠΏΠΎΠ΄ΠΊΠ»ΡΡΠ΅Π½ΠΈΡ ΡΠΈΠ½ΡΠ΅Π·Π°ΡΠΎΡΠΎΠ².
ΠΠΈΠΊΠΈΠΏΠ΅Π΄ΠΈΡ ΡΠΎΠΎΠ±ΡΠ°Π΅Ρ, ΡΡΠΎ Π² ΠΈΡΠ½Π΅ 1981 Π³ΠΎΠ΄Π° ΠΊΠΎΡΠΏΠΎΡΠ°ΡΠΈΡ Π ΠΎΠ»Π°Π½Π΄ ΠΏΠΎΠ΄Π°Π»Π° ΠΊΡΡΠΏΠ½ΠΎΠΌΡ ΠΏΡΠΎΠΈΠ·Π²ΠΎΠ΄ΠΈΡΠ΅Π»Ρ ΡΠΈΠ½ΡΠ΅Π·Π°ΡΠΎΡΠΎΠ² β ΠΠ±Π΅ΡΠ³Π΅ΠΉΠΌ ΠΠ»Π΅ΠΊΡΡΠΎΠ½ΠΈΠΊΡ β ΠΈΠ΄Π΅Ρ ΡΡΠ°Π½Π΄Π°ΡΡΠ½ΠΎΠ³ΠΎ ΠΈΠ½ΡΠ΅ΡΡΠ΅ΠΉΡΠ°. Π£ΠΆΠ΅ Π² ΠΎΠΊΡΡΠ±ΡΠ΅ Π‘ΠΌΠΈΡ, ΠΠ±Π΅ΡΠ³Π΅ΠΉΠΌ ΠΈ ΠΠ°ΠΊΠΈΡ Π°ΡΠΈ ΠΎΠ±ΡΡΠ΄ΠΈΠ»ΠΈ ΡΡΠΎ Ρ ΠΏΡΠ°Π²Π»Π΅Π½ΠΈΠ΅ΠΌ Π―ΠΌΠ°Ρ Π°, ΠΠΎΡΠ³ ΠΈ ΠΠ°Π²Π°ΠΈ, Π° Π² Π½ΠΎΡΠ±ΡΠ΅ Π½Π° Π²ΡΡΡΠ°Π²ΠΊΠ΅ ΠΎΠ±ΡΠ΅ΡΡΠ²Π° AES ΠΏΡΠΎΠ΄Π΅ΠΌΠΎΠ½ΡΡΡΠΈΡΠΎΠ²Π°Π»ΠΈ ΠΏΠ΅ΡΠ²ΡΠΉ ΡΠ°Π±ΠΎΡΠΎΡΠΏΠΎΡΠΎΠ±Π½ΡΠΉ Π²Π°ΡΠΈΠ°Π½Ρ.
ΠΠ²Π° Π³ΠΎΠ΄Π° ΠΈΠ½ΡΠ΅ΡΡΠ΅ΠΉΡ Π½Π°Ρ ΠΎΠ΄ΠΈΠ»ΡΡ Π½Π° Π΄ΠΎΡΠ°Π±ΠΎΡΠΊΠ΅, ΠΈ Π² ΡΠ½Π²Π°ΡΠ΅ 1983-Π³ΠΎ Π‘ΠΌΠΈΡ ΠΎΠ±ΡΠ΅Π΄ΠΈΠ½ΠΈΠ» ΡΠ΅ΡΠ΅Π· MIDI Π΄Π²Π° Π°Π½Π°Π»ΠΎΠ³ΠΎΠ²ΡΡ ΡΠΈΠ½ΡΠ΅Π·Π°ΡΠΎΡΠ°. ΠΡΠΎ ΠΏΠΎΠ·Π²ΠΎΠ»ΠΈΠ»ΠΎ Π½Π°ΠΏΡΡΠΌΡΡ ΠΏΠ΅ΡΠ΅ΠΊΠ°ΡΠΈΠ²Π°ΡΡ Π°ΡΠ°Π½ΠΆΠΈΡΠΎΠ²ΠΊΠΈ ΠΈ ΡΠΎΠ·Π΄Π°Π²Π°ΡΡ Π½ΠΎΠ²ΡΠ΅ ΠΌΡΠ·ΡΠΊΠ°Π»ΡΠ½ΡΠ΅ ΠΊΠΎΠΌΠΏΠΎΠ·ΠΈΡΠΈΠΈ. ΠΠΎΠ·Π΄Π½Π΅Π΅ ΡΠ°ΠΉΠ»Ρ MIDI Π²Π²Π΅Π΄Π΅Π½Ρ Π² ΠΏΠΎΠ΄Π΄Π΅ΡΠΆΠΊΡ ΠΎΠΏΠ΅ΡΠ°ΡΠΈΠΎΠ½Π½ΠΎΠΉ ΡΠΈΡΡΠ΅ΠΌΡ Windows, ΠΏΠΎΠ·Π²ΠΎΠ»ΡΡ Π°Π²ΡΠΎΡΠ°ΠΌ Π½Π°ΠΏΡΡΠΌΡΡ Π·Π°Π½ΠΈΠΌΠ°ΡΡΡΡ ΠΎΠ±ΡΠ°Π±ΠΎΡΠΊΠΎΠΉ ΠΌΠ΅Π»ΠΎΠ΄ΠΈΠΉ, Π½Π°ΡΡΡΠ°Ρ ΠΈΡ Π½ΠΎΠ²ΡΠΌΠΈ ΡΠΏΠ΅ΡΡΡΡΠ΅ΠΊΡΠ°ΠΌΠΈ, ΠΎΡΡΡΡΡΡΠ²ΡΡΡΠΈΠΌΠΈ Π² ΠΎΡΠΈΠ³ΠΈΠ½Π°Π»ΡΠ½ΡΡ ΡΠΈΠ½ΡΠ΅Π·Π°ΡΠΎΡΠ°Ρ . ΠΠ½Π΅Π΄ΡΠ΅Π½ΠΈΠ΅ ΡΡΠΌΠΏΠ»ΠΎΠ² ΡΠ°Π·Π»ΠΈΡΠ½ΡΡ ΠΈΠ½ΡΡΡΡΠΌΠ΅Π½ΡΠΎΠ² ΠΏΠΎΠ·Π²ΠΎΠ»ΡΠ»ΠΎ ΠΈΡΠΏΠΎΠ»Π½ΠΈΡΠ΅Π»Ρ Π²ΠΎΡΠΏΡΠΎΠΈΠ·Π²ΠΎΠ΄ΠΈΡΡ ΠΌΡΠ·ΡΠΊΠ°Π»ΡΠ½ΠΎΠ΅ ΡΠΎΠΏΡΠΎΠ²ΠΎΠΆΠ΄Π΅Π½ΠΈΠ΅ Π»ΡΠ±ΠΎΠΉ ΡΠ»ΠΎΠΆΠ½ΠΎΡΡΠΈ.
ΠΡΠΈΠΌΠ΅Π½Π΅Π½ΠΈΠ΅ MIDI
Π MIDI ΠΈΡΠΏΠΎΠ»ΡΠ·ΡΡΡΡΡ ΡΠΈΠ·ΠΈΡΠ΅ΡΠΊΠΈΠ΅ Π»ΠΈΠ½ΠΈΠΈ Π½Π° 5 ΠΌΠ. Π Π΅Π΄ΠΊΠΎ Π²ΡΡΡΠ΅ΡΠ°Π΅ΡΡΡ 10. ΠΠ°Π»ΡΠ²Π°Π½ΠΈΡΠ΅ΡΠΊΠ°Ρ ΡΠ°Π·Π²ΡΠ·ΠΊΠ° ΠΎΡΡΡΠ΅ΡΡΠ²Π»ΡΠ΅ΡΡΡ ΡΠ΅ΡΠ΅Π· ΠΎΠΏΡΡΠΎΠ½. Π₯Π°ΡΠ°ΠΊΡΠ΅ΡΠ½ΠΎΠΉ ΡΠ΅ΡΡΠΎΠΉ ΠΏΡΠΈΠ·Π½Π°Π½ΠΎ ΠΈΠ½Π²Π΅ΡΡΠΈΡΠΎΠ²Π°Π½ΠΈΠ΅ ΡΠΈΠ³Π½Π°Π»Π°:
- ΠΡΡΡ ΡΠΎΠΊ.
- ΠΠ΅Ρ ΡΠΎΠΊΠ°.
ΠΠΎΡΡΠΎΠΌΡ MIDI Π½Π°ΠΏΡΡΠΌΡΡ Π½Π΅ ΡΠΎΠ²ΠΌΠ΅ΡΡΠΈΠΌ Ρ ΠΎΠ±ΡΡΠ½ΠΎΠΉ ΡΠΎΠΊΠΎΠ²ΠΎΠΉ ΠΏΠ΅ΡΠ»ΡΠΉ. Π€ΠΈΠ·ΠΈΡΠ΅ΡΠΊΠΈΠΉ ΠΈΠ½ΡΠ΅ΡΡΠ΅ΠΉΡ Π²ΠΈΠ΄Π΅Π»ΠΈ ΠΌΠ½ΠΎΠ³ΠΈΠ΅, Π½ΠΎ Π½Π΅ Π·Π½Π°Π»ΠΈ Π½Π°Π·Π²Π°Π½ΠΈΠ΅. ΠΠΈΠ·ΡΠ°Π»ΡΠ½ΠΎ ΡΠΎΠ·Π΅ΡΠΊΠ° ΠΏΡΠ΅Π΄ΡΡΠ°Π²Π»ΡΠ΅Ρ ΡΠΎΠ±ΠΎΠΉ Π΄ΠΈΡΠΊ Π΄ΠΈΡΠ»Π΅ΠΊΡΡΠΈΠΊΠ° Ρ Π±ΠΎΠΊΠΎΠ²ΡΠΌ Π²ΡΡΠ΅Π·ΠΎΠΌ, ΠΏΠΎ ΠΏΠ΅ΡΠΈΠΌΠ΅ΡΡΡ ΡΠ°ΡΠΏΠΎΠ»ΠΎΠΆΠ΅Π½Ρ 5 ΠΎΡΠ²Π΅ΡΡΡΠΈΠΉ (DIN). ΠΠΎΠ½ΡΡΡΡΠΊΡΠΈΡ ΠΎΡ Π²Π°ΡΠ΅Π½Π° ΠΏΠΎ ΠΊΡΡΠ³Ρ ΡΠΊΡΠ°Π½ΠΎΠΌ. ΠΡΠ·ΡΠΊΠ°Π½ΡΡ Π½Π°ΡΡΠΈΡΡΠ²Π°ΡΡ ΡΡΠΈ Π²ΠΈΠ΄Π° ΠΈΠ½ΡΠ΅ΡΡΠ΅ΠΉΡΠ°:
- MIDI-In.
- MIDI-Out.
- MIDI-Thru.

ΠΠΎΡΡ MIDI ΠΈΠ½ΠΎΠ³Π΄Π° ΡΡΠΎΠΈΡ Π½Π° ΠΌΠ°ΡΠ΅ΡΠΈΠ½ΡΠΊΠΎΠΉ ΠΏΠ»Π°ΡΠ΅ ΠΏΠ΅ΡΡΠΎΠ½Π°Π»ΡΠ½ΠΎΠ³ΠΎ ΠΊΠΎΠΌΠΏΡΡΡΠ΅ΡΠ°. Π€ΠΈΠ·ΠΈΡΠ΅ΡΠΊΠΈ Π·Π°Π΄Π΅ΠΉΡΡΠ²ΡΡΡΡΡ Π² Π½ΠΎΡΠΌΠ°Π»ΡΠ½ΠΎΠΌ ΡΠ΅ΠΆΠΈΠΌΠ΅ Π½Π΅ ΠΈΡΠΏΠΎΠ»ΡΠ·ΡΠ΅ΠΌΡΠ΅ ΠΊΠΎΠ½ΡΠ°ΠΊΡΡ 12 ΠΈ 15 ΠΏΠΎΡΡΠ° ΠΈΠ³ΡΠΎΠ²ΠΎΠ³ΠΎ Π°Π΄Π°ΠΏΡΠ΅ΡΠ° DB-15S. ΠΡΠΏΠΎΠ»ΡΠ·ΡΠ΅ΠΌΠ°Ρ Π·Π΄Π΅ΡΡ Π»ΠΎΠ³ΠΈΠΊΠ° Π’Π’Π ΡΡΠ΅Π±ΡΠ΅Ρ Π½Π°Π»ΠΈΡΠΈΡ Π°Π΄Π°ΠΏΡΠ΅ΡΠ° Π΄Π»Ρ ΡΡΡΠΊΠΎΠ²ΠΊΠΈ ΡΠΎ ΡΡΠ°Π½Π΄Π°ΡΡΠ½ΡΠΌΠΈ ΡΠΈΠ½ΡΠ΅Π·Π°ΡΠΎΡΠ°ΠΌΠΈ ΠΏΠΎ ΠΏΡΠΎΡΠΎΠΊΠΎΠ»Ρ ΡΠΎΠΊΠΎΠ²ΠΎΠΉ ΠΏΠ΅ΡΠ»ΠΈ. ΠΠΈΠΊΡΠΎΡΡ Π΅ΠΌΠ° ΠΏΡΠ΅ΠΎΠ±ΡΠ°Π·ΠΎΠ²Π°ΡΠ΅Π»Ρ Π½Π΅ ΡΠ»ΠΈΡΠΊΠΎΠΌ ΡΠ»ΠΎΠΆΠ½Π°Ρ, Π²ΠΊΠ»ΡΡΠ°Π΅Ρ ΠΎΠΏΡΡΠΎΠ½, Π΄ΠΈΠΎΠ΄, ΡΡΠ΄ Π»ΠΎΠ³ΠΈΡΠ΅ΡΠΊΠΈΡ ΡΠ»Π΅ΠΌΠ΅Π½ΡΠΎΠ².
ΠΠΎΡΡ MIDI ΠΏΡΠΎΠ³ΡΠ°ΠΌΠΌΠΈΡΡΠ΅ΡΡΡ ΡΠ΅ΡΠ΅Π· UART ΠΊΠ°ΠΊ ΠΏΠΎΡΠ»Π΅Π΄ΠΎΠ²Π°ΡΠ΅Π»ΡΠ½ΡΠΉ COM-ΠΏΠΎΡΡ. Π ΠΏΡΠΎΠ΄Π°ΠΆΠ΅ Π΅ΡΡΡ Π·Π²ΡΠΊΠΎΠ²ΡΠ΅ ΠΊΠ°ΡΡΡ Ρ MIDI Π»ΠΈΠ±ΠΎ ΠΎΡΠ΄Π΅Π»ΡΠ½ΡΠ΅ ΠΏΠ»Π°ΡΡ ΡΠ°ΡΡΠΈΡΠ΅Π½ΠΈΡ Π½Π° ΡΠ²ΠΎΠ±ΠΎΠ΄Π½ΡΠ΅ ΡΠ»ΠΎΡΡ.
ΠΡΠΎΡΠΎΠΊΠΎΠ» HART
ΠΡΠΎ ΡΠ°Π·Π²ΠΈΡΠΈΠ΅ ΠΏΡΠΎΡΠΎΠΊΠΎΠ»Π° Fieldbus, ΠΌΠ°ΡΡΠΎΠ²ΠΎ ΠΏΡΠΈΠΌΠ΅Π½ΡΠ΅ΠΌΠΎΠ΅ Π² ΠΏΡΠΎΠΌΡΡΠ»Π΅Π½Π½ΠΎΡΡΠΈ. ΠΠΎΠ΄ΠΎΡΠ½ΠΎΠ²ΠΎΠΉ ΡΡΠ°Π½ΠΎΠ²ΠΈΡΡΡ ΡΠΎΠΊΠΎΠ²Π°Ρ ΠΏΠ΅ΡΠ»Ρ 4-20 ΠΌΠ, Π° Π·Π½Π°ΡΠΈΡ, ΠΌΠΎΠΆΠ΅Ρ ΠΈΡΠΏΠΎΠ»ΡΠ·ΠΎΠ²Π°ΡΡ Π²ΠΈΡΡΠ΅ ΠΏΠ°ΡΡ, ΠΎΡΡΠ°Π²ΡΠΈΠ΅ΡΡ ΠΎΡ ΠΌΠΎΡΠ°Π»ΡΠ½ΠΎ ΡΡΡΠ°ΡΠ΅Π²ΡΠΈΡ ΠΏΡΠΎΡΠΎΠΊΠΎΠ»ΠΎΠ². ΠΠΎΠ½Π°ΡΠ°Π»Ρ ΡΡΠ°Π½Π΄Π°ΡΡ ΡΡΠΈΡΠ°Π»ΡΡ ΡΠΊΠ·ΠΎΡΠΏΠ΅ΡΠΈΠ°Π»ΠΈΠ·ΠΈΡΠΎΠ²Π°Π½Π½ΡΠΌ ΡΠ²ΡΠ·Π½ΡΠΌ ΠΈΠ½ΡΠ΅ΡΡΠ΅ΠΉΡΠΎΠΌ, Π½ΠΎ Π² 1986 Π³ΠΎΠ΄Ρ Π²ΡΡΠ΅Π» Π½Π° Π²ΡΠ΅ΠΎΠ±ΡΠ΅Π΅ ΠΎΠ±ΠΎΠ·ΡΠ΅Π½ΠΈΠ΅. ΠΠ΅ΡΠ΅Π΄Π°ΡΠ° ΠΏΠΎ HART ΠΈΠ΄ΡΡ ΠΏΠΎΠ»Π½ΡΠΌΠΈ ΠΏΠ°ΠΊΠ΅ΡΠ°ΠΌΠΈ, ΠΈΠΌΠ΅ΡΡΠΈΠΌΠΈ ΡΠΎΡΡΠ°Π²:
- ΠΡΠ΅Π°ΠΌΠ±ΡΠ»Π° β 5-20 Π±Π°ΠΉΡ. Π‘Π»ΡΠΆΠΈΡ Π΄Π»Ρ ΡΠΈΠ½Ρ ΡΠΎΠ½ΠΈΠ·Π°ΡΠΈΠΈ ΠΈ ΠΎΠΏΡΠ΅Π΄Π΅Π»Π΅Π½ΠΈΡ Π½Π΅ΡΡΡΠ΅ΠΉ.
- Π‘ΡΠ°ΡΡ-Π±Π°ΠΉΡ β 1 Π±Π°ΠΉΡ. Π£ΠΊΠ°Π·ΡΠ²Π°Π΅Ρ Π½ΠΎΠΌΠ΅Ρ Ρ ΠΎΠ·ΡΠΈΠ½Π° ΡΠΈΠ½Ρ.
- ΠΠ΄ΡΠ΅Ρ β ΠΎΡ 1 Π΄ΠΎ 5 Π±Π°ΠΉΡ. ΠΡΠΈΡΠ²Π°ΠΈΠ²Π°Π΅ΡΡΡ Ρ ΠΎΠ·ΡΠΈΠ½Ρ, ΡΠ»ΡΠ³Π΅ ΠΈ ΡΠ»ΡΠΆΠΈΡ ΡΠΏΠ΅ΡΠΈΠ°Π»ΡΠ½ΡΠΌ ΠΏΡΠΈΠ·Π½Π°ΠΊΠΎΠΌ ΠΏΠ°ΠΊΠ΅ΡΠ½ΠΎΠ³ΠΎ ΡΠ΅ΠΆΠΈΠΌΠ°.
- Π Π°ΡΡΠΈΡΠ΅Π½ΠΈΠ΅ β ΠΎΡ 0 Π΄ΠΎ 3 Π±Π°ΠΉΡ. ΠΠ³ΠΎ Π΄Π»ΠΈΠ½Π° ΡΠΊΠ°Π·ΡΠ²Π°Π΅ΡΡΡ Π² ΡΡΠ°ΡΡ-Π±Π°ΠΉΡΠ΅.
- ΠΠΎΠΌΠ°Π½Π΄Π° β 1 Π±Π°ΠΉΡ. Π’ΠΎ, ΡΡΠΎ ΡΠ»ΡΠ³Π° Π΄ΠΎΠ»ΠΆΠ΅Π½ ΠΈΡΠΏΠΎΠ»Π½ΠΈΡΡ.
- Π§ΠΈΡΠ»ΠΎ Π±Π°ΠΉΡΠΎΠ² Π΄Π°Π½Π½ΡΡ β 1 Π±Π°ΠΉΡ. Π Π°Π·ΠΌΠ΅Ρ ΠΏΠΎΠ»Ρ Π΄Π°Π½Π½ΡΡ Π² Π±Π°ΠΉΡΠ°Ρ .
- ΠΠ°Π½Π½ΡΠ΅ β ΠΎΡ 0 Π΄ΠΎ 255 Π±Π°ΠΉΡΠΎΠ². ΠΠ°Π½Π½ΡΠ΅, ΠΏΠΎΠΌΠΎΠ³Π°ΡΡΠΈΠ΅ ΡΠ°ΡΡΠΈΡΡΠΎΠ²Π°ΡΡ ΠΏΠΎΡΡΠ΄ΠΎΠΊ Π΄Π΅ΠΉΡΡΠ²ΠΈΠΉ.
- ΠΡΠΎΠ²Π΅ΡΠΎΡΠ½Π°Ρ ΡΡΠΌΠΌΠ° β 1 Π±Π°ΠΉΡ. Π‘ΠΎΠ΄Π΅ΡΠΆΠΈΡ ΡΠ΅Π·ΡΠ»ΡΡΠ°Ρ Π»ΠΎΠ³ΠΈΡΠ΅ΡΠΊΠΎΠΉ ΠΎΠΏΠ΅ΡΠ°ΡΠΈΠΈ XOR Π΄Π»Ρ Π²ΡΠ΅Ρ Π±Π°ΠΉΡΠΎΠ², ΠΊΡΠΎΠΌΠ΅ ΡΡΠ°ΡΡΠΎΠ²ΠΎΠ³ΠΎ ΠΈ Π·Π°ΠΊΠ»ΡΡΠΈΡΠ΅Π»ΡΠ½ΠΎΠ³ΠΎ Π² Π±Π»ΠΎΠΊΠ΅ Π΄Π°Π½Π½ΡΡ .
Π Π°Π·ΡΠΌΠ΅Π΅ΡΡΡ, ΠΏΠ°ΠΊΠ΅ΡΠ½Π°Ρ ΡΡΡΡΠΊΡΡΡΠ° Ρ Π°ΡΠ°ΠΊΡΠ΅ΡΠ½Π° Π΄Π»Ρ ΡΠΈΡΡΠΎΠ²ΡΡ ΡΡΡΡΠΎΠΉΡΡΠ², Π½ΡΠΆΠ΄Π°Π΅ΡΡΡ Π² ΡΠ°ΡΡΠΈΡΡΠΎΠ²ΠΊΠ΅ Π΄Π»Ρ ΠΏΡΠ°Π²ΠΈΠ»ΡΠ½ΠΎΠ³ΠΎ ΠΈΡΠΏΠΎΠ»Π½Π΅Π½ΠΈΡ ΠΊΠΎΠΌΠ°Π½Π΄Ρ.
vashtehnik.ru
Π’ΠΎΠΊΠΎΠ²Π°Ρ ΠΏΠ΅ΡΠ»Ρ – ΡΡΠΎ… Π§ΡΠΎ ΡΠ°ΠΊΠΎΠ΅ Π’ΠΎΠΊΠΎΠ²Π°Ρ ΠΏΠ΅ΡΠ»Ρ?
Π’ΠΎΜΠΊΠΎΠ²Π°Ρ ΠΏΠ΅ΡΠ»ΡΜΒ β ΡΠΏΠΎΡΠΎΠ± ΠΏΠ΅ΡΠ΅Π΄Π°ΡΠΈ ΠΈΠ½ΡΠΎΡΠΌΠ°ΡΠΈΠΈ Ρ ΠΏΠΎΠΌΠΎΡΡΡ ΠΈΠ·ΠΌΠ΅ΡΡΠ΅ΠΌΡΡ Π·Π½Π°ΡΠ΅Π½ΠΈΠΉ ΡΠΈΠ»Ρ ΡΠ»Π΅ΠΊΡΡΠΈΡΠ΅ΡΠΊΠΎΠ³ΠΎ ΡΠΎΠΊΠ°. Π Π½Π°ΡΡΠΎΡΡΠ΅Π΅ Π²ΡΠ΅ΠΌΡ ΡΠ°ΠΊΠΎΠΉ ΡΠΏΠΎΡΠΎΠ± Π±ΠΎΠ»Π΅Π΅ ΡΠ°ΡΠΏΡΠΎΡΡΡΠ°Π½ΡΠ½ Π² ΠΈΠ½ΠΆΠ΅Π½Π΅ΡΠ½ΠΎΠΉ ΠΏΡΠ°ΠΊΡΠΈΠΊΠ΅, ΡΠ΅ΠΌ ΠΈΡΠΏΠΎΠ»ΡΠ·ΠΎΠ²Π°Π½ΠΈΠ΅ Π΄Π»Ρ ΡΡΠΎΠΉ ΡΠ΅Π»ΠΈ Π½Π°ΠΏΡΡΠΆΠ΅Π½ΠΈΡ. ΠΠ»Ρ Π·Π°Π΄Π°Π½ΠΈΡ ΠΈΠ·ΠΌΠ΅ΡΡΠ΅ΠΌΡΡ Π·Π½Π°ΡΠ΅Π½ΠΈΠΉ ΡΠΎΠΊΠ° ΠΈΡΠΏΠΎΠ»ΡΠ·ΡΠ΅ΡΡΡ, ΠΊΠ°ΠΊ ΠΏΡΠ°Π²ΠΈΠ»ΠΎ, ΡΠΏΡΠ°Π²Π»ΡΠ΅ΠΌΡΠΉ ΠΈΡΡΠΎΡΠ½ΠΈΠΊ ΡΠΎΠΊΠ°. ΠΠΎ Π²ΠΈΠ΄Ρ ΠΏΠ΅ΡΠ΅Π΄Π°Π²Π°Π΅ΠΌΠΎΠΉ ΠΈΠ½ΡΠΎΡΠΌΠ°ΡΠΈΠΈ ΡΠ°Π·Π»ΠΈΡΠ°ΡΡΡΡ Π°Π½Π°Π»ΠΎΠ³ΠΎΠ²Π°Ρ ΡΠΎΠΊΠΎΠ²Π°Ρ ΠΏΠ΅ΡΠ»Ρ ΠΈ ΡΠΈΡΡΠΎΠ²Π°Ρ ΡΠΎΠΊΠΎΠ²Π°Ρ ΠΏΠ΅ΡΠ»Ρ.
Π¦ΠΈΡΡΠΎΠ²Π°Ρ ΡΠΎΠΊΠΎΠ²Π°Ρ ΠΏΠ΅ΡΠ»Ρ
ΠΡΠ΅ΠΎΠ±ΡΠ°Π·ΠΎΠ²Π°ΡΠ΅Π»Ρ RS-232 / Π’ΠΎΠΊΠΎΠ²Π°Ρ ΠΏΠ΅ΡΠ»ΡΠΡΠΈΠΌΠ΅Π½ΡΠ΅ΡΡΡ Π² ΡΠ΅Π»Π΅ΠΊΠΎΠΌΠΌΡΠ½ΠΈΠΊΠ°ΡΠΈΠΎΠ½Π½ΠΎΠΌ ΠΎΠ±ΠΎΡΡΠ΄ΠΎΠ²Π°Π½ΠΈΠΈ ΠΈ ΠΊΠΎΠΌΠΏΡΡΡΠ΅ΡΠ°Ρ Π΄Π»Ρ ΠΏΠΎΡΠ»Π΅Π΄ΠΎΠ²Π°ΡΠ΅Π»ΡΠ½ΠΎΠΉ ΠΏΠ΅ΡΠ΅Π΄Π°ΡΠΈ Π΄Π°Π½Π½ΡΡ .
ΠΡΡΠΎΡΠΈΡ
Π’ΠΎΠΊΠΎΠ²Π°Ρ ΠΏΠ΅ΡΠ»Ρ ΠΈΡΠΏΠΎΠ»ΡΠ·ΠΎΠ²Π°Π»Π°ΡΡ Π·Π°Π΄ΠΎΠ»Π³ΠΎ Π΄ΠΎ ΠΏΠΎΡΠ²Π»Π΅Π½ΠΈΡ ΡΡΠ°Π½Π΄Π°ΡΡΠΎΠ² RS-232 ΠΈ V.24. ΠΡΠ΅ Π² 60-Π΅ Π³ΠΎΠ΄Ρ ΡΠ΅Π»Π΅ΡΠ°ΠΉΠΏΡ Π½Π°ΡΠ°Π»ΠΈ ΠΈΡΠΏΠΎΠ»ΡΠ·ΠΎΠ²Π°ΡΡ ΡΡΠ°Π½Π΄Π°ΡΡ ΡΠΎΠΊΠΎΠ²ΠΎΠΉ ΠΏΠ΅ΡΠ»ΠΈ 60 ΠΌΠΈΠ»Π»ΠΈΠ°ΠΌΠΏΠ΅Ρ. ΠΠΎΡΠ»Π΅Π΄ΡΡΡΠΈΠ΅ ΠΌΠΎΠ΄Π΅Π»ΠΈ (ΠΎΠ΄Π½Π° ΠΈΠ· ΠΏΠ΅ΡΠ²ΡΡ β Teletype Model ASR-33) ΠΈΡΠΏΠΎΠ»ΡΠ·ΠΎΠ²Π°Π»ΠΈ ΡΡΠ°Π½Π΄Π°ΡΡ 20 ΠΌΠ. ΠΡΠΎΡ ΡΡΠ°Π½Π΄Π°ΡΡ Π½Π°ΡΠ΅Π» ΡΠΈΡΠΎΠΊΠΎΠ΅ ΠΏΡΠΈΠΌΠ΅Π½Π΅Π½ΠΈΠ΅ Π² ΠΌΠΈΠ½ΠΈΠΊΠΎΠΌΠΏΡΡΡΠ΅ΡΠ°Ρ , ΠΊΠΎΡΠΎΡΡΠ΅ ΠΏΠ΅ΡΠ²ΠΎΠ½Π°ΡΠ°Π»ΡΠ½ΠΎ ΠΈΡΠΏΠΎΠ»ΡΠ·ΠΎΠ²Π°Π»ΠΈ ΡΠ΅Π»Π΅ΡΠ°ΠΉΠΏΡ Π΄Π»Ρ Π΄ΠΈΠ°Π»ΠΎΠ³Π° Ρ ΠΎΠΏΠ΅ΡΠ°ΡΠΎΡΠΎΠΌ (ΠΊΠΎΠ½ΡΠΎΠ»Ρ). ΠΠΎΡΡΠ΅ΠΏΠ΅Π½Π½ΠΎ ΡΠ΅Π»Π΅ΡΠ°ΠΉΠΏΡ ΡΡΡΡΠΏΠΈΠ»ΠΈ ΠΌΠ΅ΡΡΠΎ ΡΠ΅ΠΊΡΡΠΎΠ²ΡΠΌ Π²ΠΈΠ΄Π΅ΠΎΡΠ΅ΡΠΌΠΈΠ½Π°Π»Π°ΠΌ (ΠΏΠΎΠ΄ΠΎΠ±Π½ΠΎ VT52), ΡΠΎΡ ΡΠ°Π½ΡΡ ΠΈΠ½ΡΠ΅ΡΡΠ΅ΠΉΡ ΡΠΎΠΊΠΎΠ²ΠΎΠΉ ΠΏΠ΅ΡΠ»ΠΈ. Π 1980-Ρ ΡΡΠ°Π½Π΄Π°ΡΡ RS-232 ΠΎΠΊΠΎΠ½ΡΠ°ΡΠ΅Π»ΡΠ½ΠΎ Π·Π°ΠΌΠ΅Π½ΠΈΠ» ΡΠΎΠΊΠΎΠ²ΡΡ ΠΏΠ΅ΡΠ»Ρ.
ΠΡΠΈΠ½ΡΠΈΠΏΡ ΡΠ°Π±ΠΎΡΡ
Π‘ΡΠ°Π½Π΄Π°ΡΡ ΡΠΈΡΡΠΎΠ²ΠΎΠΉ ΡΠΎΠΊΠΎΠ²ΠΎΠΉ ΠΏΠ΅ΡΠ»ΠΈ ΠΈΡΠΏΠΎΠ»ΡΠ·ΡΠ΅Ρ ΠΎΡΡΡΡΡΡΠ²ΠΈΠ΅ ΡΠΎΠΊΠ° ΠΊΠ°ΠΊ Π·Π½Π°ΡΠ΅Π½ΠΈΠ΅ SPACE (Π½ΠΈΠ·ΠΊΠΈΠΉ ΡΡΠΎΠ²Π΅Π½Ρ, Π»ΠΎΠ³ΠΈΡΠ΅ΡΠΊΠΈΠΉ Π½ΠΎΠ»Ρ) ΠΈ Π½Π°Π»ΠΈΡΠΈΠ΅ ΡΠΈΠ³Π½Π°Π»Π°Β β ΠΊΠ°ΠΊ Π·Π½Π°ΡΠ΅Π½ΠΈΠ΅ MARK (Π²ΡΡΠΎΠΊΠΈΠΉ ΡΡΠΎΠ²Π΅Π½Ρ, Π»ΠΎΠ³ΠΈΡΠ΅ΡΠΊΠ°Ρ Π΅Π΄ΠΈΠ½ΠΈΡΠ°). ΠΡΡΡΡΡΡΠ²ΠΈΠ΅ ΡΠΈΠ³Π½Π°Π»Π° Π² ΡΠ΅ΡΠ΅Π½ΠΈΠ΅ Π΄Π»ΠΈΡΠ΅Π»ΡΠ½ΠΎΠ³ΠΎ Π²ΡΠ΅ΠΌΠ΅Π½ΠΈ ΠΈΠ½ΡΠ΅ΡΠΏΡΠ΅ΡΠΈΡΡΠ΅ΡΡΡ ΠΊΠ°ΠΊ ΡΠΎΡΡΠΎΡΠ½ΠΈΠ΅ BREAK (ΠΎΠ±ΡΡΠ² Π»ΠΈΠ½ΠΈΠΈ). ΠΠ°Π½Π½ΡΠ΅ ΠΏΠ΅ΡΠ΅Π΄Π°ΡΡΡΡ ΡΡΠ°ΡΡ-ΡΡΠΎΠΏΠ½ΡΠΌ ΠΌΠ΅ΡΠΎΠ΄ΠΎΠΌ, ΡΠΎΡΠΌΠ°Ρ ΠΏΠΎΡΡΠ»ΠΊΠΈ ΡΠΎΠ²ΠΏΠ°Π΄Π°Π΅Ρ c RS-232, Π½Π°ΠΏΡΠΈΠΌΠ΅Ρ 8-N-1: 8 Π±ΠΈΡ, Π±Π΅Π· ΠΏΠ°ΡΠΈΡΠ΅ΡΠ°, 1 ΡΡΠΎΠΏ-Π±ΠΈΡ.
Π’ΠΎΠΊΠΎΠ²Π°Ρ ΠΏΠ΅ΡΠ»Ρ ΠΌΠΎΠΆΠ΅Ρ ΠΈΡΠΏΠΎΠ»ΡΠ·ΠΎΠ²Π°ΡΡΡΡ Π½Π° Π·Π½Π°ΡΠΈΡΠ΅Π»ΡΠ½ΡΡ ΡΠ°ΡΡΡΠΎΡΠ½ΠΈΡΡ (Π΄ΠΎ Π½Π΅ΡΠΊΠΎΠ»ΡΠΊΠΈΡ ΠΊΠΈΠ»ΠΎΠΌΠ΅ΡΡΠΎΠ²). ΠΠ»Ρ Π·Π°ΡΠΈΡΡ ΠΎΠ±ΠΎΡΡΠ΄ΠΎΠ²Π°Π½ΠΈΡ ΠΏΡΠΈΠΌΠ΅Π½ΡΠ΅ΡΡΡ Π³Π°Π»ΡΠ²Π°Π½ΠΈΡΠ΅ΡΠΊΠ°Ρ ΡΠ°Π·Π²ΡΠ·ΠΊΠ° Π½Π° ΠΎΠΏΡΠΎΡΠ»Π΅ΠΊΡΡΠΎΠ½Π½ΡΡ ΠΏΡΠΈΠ±ΠΎΡΠ°Ρ , Π½Π°ΠΏΡΠΈΠΌΠ΅Ρ ΠΎΠΏΡΡΠΎΠ½Π°Ρ .
ΠΠ·-Π·Π° Π½Π΅ΠΈΠ΄Π΅Π°Π»ΡΠ½ΠΎΡΡΠΈ ΠΈΡΡΠΎΡΠ½ΠΈΠΊΠ° ΡΠΎΠΊΠ°, ΠΌΠ°ΠΊΡΠΈΠΌΠ°Π»ΡΠ½ΠΎ Π΄ΠΎΠΏΡΡΡΠΈΠΌΠ°Ρ Π΄Π»ΠΈΠ½Π° Π»ΠΈΠ½ΠΈΠΈ (ΠΈ ΠΌΠ°ΠΊΡΠΈΠΌΠ°Π»ΡΠ½ΠΎΠ΅ ΡΠΎΠΏΡΠΎΡΠΈΠ²Π»Π΅Π½ΠΈΠ΅ Π»ΠΈΠ½ΠΈΠΈ) Π·Π°Π²ΠΈΡΠΈΡ ΠΎΡ Π½Π°ΠΏΡΡΠΆΠ΅Π½ΠΈΡ, ΠΎΡ ΠΊΠΎΡΠΎΡΠΎΠ³ΠΎ ΠΏΠΈΡΠ°Π΅ΡΡΡ ΠΈΡΡΠΎΡΠ½ΠΈΠΊ ΡΠΎΠΊΠ°. ΠΠ°ΠΏΡΠΈΠΌΠ΅Ρ ΠΏΡΠΈ ΡΠΈΠΏΠΈΡΠ½ΠΎΠΌ Π½Π°ΠΏΡΡΠΆΠ΅Π½ΠΈΠΈ ΠΏΠΈΡΠ°Π½ΠΈΡ 12 Π²ΠΎΠ»ΡΡ ΡΠΎΠΏΡΠΎΡΠΈΠ²Π»Π΅Π½ΠΈΠ΅ Π½Π΅ Π΄ΠΎΠ»ΠΆΠ½ΠΎ ΠΏΡΠ΅Π²ΡΡΠ°ΡΡ 600 ΠΠΌ.
ΠΡΡΠΎΡΠ½ΠΈΠΊ ΡΠΎΠΊΠ° ΠΌΠΎΠΆΠ΅Ρ ΡΠ°ΡΠΏΠΎΠ»Π°Π³Π°ΡΡΡΡ Π² ΠΏΡΠΈΠ΅ΠΌΠ½ΠΎΠΌ ΠΈΠ»ΠΈ ΠΏΠ΅ΡΠ΅Π΄Π°ΡΡΠ΅ΠΌ ΠΊΠΎΠ½ΡΠ΅ ΡΠΎΠΊΠΎΠ²ΠΎΠΉ ΠΏΠ΅ΡΠ»ΠΈ. Π£Π·Π΅Π» Ρ ΠΈΡΡΠΎΡΠ½ΠΈΠΊΠΎΠΌ ΡΠΎΠΊΠ° Π½Π°Π·ΡΠ²Π°ΡΡ Π°ΠΊΡΠΈΠ²Π½ΡΠΌ. Π Π·Π°Π²ΠΈΡΠΈΠΌΠΎΡΡΠΈ ΠΎΡ ΠΊΠΎΠ½ΡΡΡΡΠΊΡΠΈΠΈ ΠΌΠΎΠΆΠ΅Ρ Π±ΡΡΡ Π°ΠΊΡΠΈΠ²Π½ΡΠΉ ΠΏΠ΅ΡΠ΅Π΄Π°ΡΡΠΈΠΊ (ΠΈ ΡΠΎΠΎΡΠ²Π΅ΡΡΡΠ²Π΅Π½Π½ΠΎΒ β ΠΏΠ°ΡΡΠΈΠ²Π½ΡΠΉ ΠΏΡΠΈΠ΅ΠΌΠ½ΠΈΠΊ) ΠΈΠ»ΠΈ Π½Π°ΠΎΠ±ΠΎΡΠΎΡ.
Π‘ΡΠ°Π½Π΄Π°ΡΡΠΈΠ·Π°ΡΠΈΡ
ΠΠ° ΡΡΠ±Π΅ΠΆΠΎΠΌ ΡΠΎΠΊΠΎΠ²Π°Ρ ΠΏΠ΅ΡΠ»Ρ (Current Loop) ΡΠΏΠ΅ΡΠΈΡΠΈΡΠΈΡΠΎΠ²Π°Π½Π° Π² ΡΡΠ°Π½Π΄Π°ΡΡΠ°Ρ IEC 62056-21 / DIN 66258.
MIDI (Musical Instrument Digital Interface) ΠΈΡΠΏΠΎΠ»ΡΠ·ΡΠ΅Ρ ΡΡΠ°Π½Π΄Π°ΡΡ ΡΠΎΠΊΠΎΠ²ΠΎΠΉ ΠΏΠ΅ΡΠ»ΠΈ Π½Π° 5-ΡΠΈ ΡΡΡΡΡΠΊΠΎΠ²ΠΎΠΌ ΡΠ°Π·ΡΠ΅ΠΌΠ΅ DIN 41524 ΡΠΎ ΡΠΊΠΎΡΠΎΡΡΡΡ 31.25 kbit/s.
ΠΠ»Ρ ΠΊΠΎΠΌΠΏΡΡΡΠ΅ΡΠΎΠ² IBM PC ΠΈ IBM PC XT ΠΈΠΌΠ΅Π»Π°ΡΡ ΠΏΠ»Π°ΡΠ° IBM Asynchronous Communications Adapter, ΠΏΠΎΠ΄Π΄Π΅ΡΠΆΠΈΠ²Π°ΡΡΠ°Ρ ΠΏΠΎΡΠ»Π΅Π΄ΠΎΠ²Π°ΡΠ΅Π»ΡΠ½ΡΡ ΠΏΠ΅ΡΠ΅Π΄Π°ΡΡ ΠΏΠΎ RS-232 ΠΈΠ»ΠΈ ΡΠΎΠΊΠΎΠ²ΠΎΠΉ ΠΏΠ΅ΡΠ»Π΅. ΠΠ»Ρ ΠΏΠ΅ΡΠ΅Π΄Π°ΡΠΈ ΡΠΈΠ³Π½Π°Π»ΠΎΠ² ΡΠΎΠΊΠΎΠ²ΠΎΠΉ ΠΏΠ΅ΡΠ»ΠΈ ΠΈΡΠΏΠΎΠ»ΡΠ·ΡΡΡΡΡ Π½Π΅Π·Π°Π΄Π΅ΠΉΡΡΠ²ΠΎΠ²Π°Π½Π½ΡΠ΅ ΠΊΠΎΠ½ΡΠ°ΠΊΡΡ Π½Π° ΡΠ°Π·ΡΠ΅ΠΌΠ΅ DB25. Π Π±ΠΎΠ»Π΅Π΅ ΠΏΠΎΠ·Π΄Π½ΠΈΡ ΡΠ°Π·ΡΠ°Π±ΠΎΡΠΊΠ°Ρ ΠΎΡΡΠ°Π»ΡΡ ΡΠΎΠ»ΡΠΊΠΎ RS-232.
ΠΠ½Π°Π»ΠΎΠ³ΠΎΠ²Π°Ρ ΡΠΎΠΊΠΎΠ²Π°Ρ ΠΏΠ΅ΡΠ»Ρ
ΠΠ½Π°Π»ΠΎΠ³ΠΎΠ²Π°Ρ ΡΠΎΠΊΠΎΠ²Π°Ρ ΠΏΠ΅ΡΠ»Ρ ΠΈΡΠΏΠΎΠ»ΡΠ·ΡΠ΅ΡΡΡ Π΄Π»Ρ ΠΏΠ΅ΡΠ΅Π΄Π°ΡΠΈ Π°Π½Π°Π»ΠΎΠ³ΠΎΠ²ΠΎΠ³ΠΎ ΡΠΈΠ³Π½Π°Π»Π° ΠΏΠΎ ΠΏΠ°ΡΠ΅ ΠΏΡΠΎΠ²ΠΎΠ΄ΠΎΠ² Π² Π»Π°Π±ΠΎΡΠ°ΡΠΎΡΠ½ΠΎΠΌ ΠΎΠ±ΠΎΡΡΠ΄ΠΎΠ²Π°Π½ΠΈΠΈ, ΡΠΈΡΡΠ΅ΠΌΠ°Ρ ΡΠΏΡΠ°Π²Π»Π΅Π½ΠΈΡ ΠΏΡΠΎΠΈΠ·Π²ΠΎΠ΄ΡΡΠ²ΠΎΠΌ ΠΈΒ Ρ.Β Π΄.
ΠΡΠΈΠΌΠ΅Π½ΡΠ΅ΡΡΡ ΡΠΌΠ΅ΡΠ΅Π½Π½ΡΠΉ Π΄ΠΈΠ°ΠΏΠ°Π·ΠΎΠ½ 4-20 ΠΌΠ ΡΠΎ Π΅ΡΡΡ Π½Π°ΠΈΠΌΠ΅Π½ΡΡΠ΅Π΅ Π·Π½Π°ΡΠ΅Π½ΠΈΠ΅ ΡΠΈΠ³Π½Π°Π»Π° (Π½Π°ΠΏΡΠΈΠΌΠ΅Ρ 0) ΡΠΎΠΎΡΠ²Π΅ΡΡΡΠ²ΡΠ΅Ρ ΡΠΎΠΊΡ 4 ΠΌΠ, Π° Π½Π°ΠΈΠ±ΠΎΠ»ΡΡΠ΅Π΅Β β 20 ΠΌΠ. Π’Π°ΠΊΠΈΠΌ ΠΎΠ±ΡΠ°Π·ΠΎΠΌ Π²Π΅ΡΡ Π΄ΠΈΠ°ΠΏΠ°Π·ΠΎΠ½ Π΄ΠΎΠΏΡΡΡΠΈΠΌΡΡ Π·Π½Π°ΡΠ΅Π½ΠΈΠΉ Π·Π°Π½ΠΈΠΌΠ°Π΅Ρ 16 ΠΌΠ. ΠΡΠ»Π΅Π²ΠΎΠ΅ Π·Π½Π°ΡΠ΅Π½ΠΈΠ΅ ΡΠΎΠΊΠ° Π² ΡΠ΅ΠΏΠΈ ΠΎΠ·Π½Π°ΡΠ°Π΅Ρ ΠΎΠ±ΡΡΠ² Π»ΠΈΠ½ΠΈΠΈ ΠΈ ΠΏΠΎΠ·Π²ΠΎΠ»ΡΠ΅Ρ Π»Π΅Π³ΠΊΠΎ Π΄ΠΈΠ°Π³Π½ΠΎΡΡΠΈΡΠΎΠ²Π°ΡΡ ΡΠ°ΠΊΡΡ ΡΠΈΡΡΠ°ΡΠΈΡ.
ΠΠ½ΡΠ΅ΡΡΠ΅ΠΉΡ Π°Π½Π°Π»ΠΎΠ³ΠΎΠ²ΠΎΠΉ ΡΠΎΠΊΠΎΠ²ΠΎΠΉ ΠΏΠ΅ΡΠ»ΠΈ ΠΏΠΎΠ·Π²ΠΎΠ»ΡΠ΅Ρ ΠΈΡΠΏΠΎΠ»ΡΠ·ΠΎΠ²Π°ΡΡ ΡΠ°Π·Π½ΠΎΠΎΠ±ΡΠ°Π·Π½ΡΠ΅ Π΄Π°ΡΡΠΈΠΊΠΈ (Π΄Π°Π²Π»Π΅Π½ΠΈΡ, ΠΏΠΎΡΠΎΠΊΠ°, ΠΊΠΈΡΠ»ΠΎΡΠ½ΠΎΡΡΠΈ ΠΈΒ Ρ.Β Π΄.) Ρ Π΅Π΄ΠΈΠ½ΡΠΌ ΡΠ»Π΅ΠΊΡΡΠΈΡΠ΅ΡΠΊΠΈΠΌ ΠΈΠ½ΡΠ΅ΡΡΠ΅ΠΉΡΠΎΠΌ. Π’Π°ΠΊΠΆΠ΅ Π΄Π°Π½Π½ΡΠΉ ΠΈΠ½ΡΠ΅ΡΡΠ΅ΠΉΡ ΠΌΠΎΠΆΠ΅Ρ ΠΈΡΠΏΠΎΠ»ΡΠ·ΠΎΠ²Π°ΡΡΡΡ Π΄Π»Ρ ΡΠΏΡΠ°Π²Π»Π΅Π½ΠΈΡ ΡΠ΅Π³ΠΈΡΡΡΠΈΡΡΡΡΠΈΠΌΠΈ ΠΈ ΠΈΡΠΏΠΎΠ»Π½ΠΈΡΠ΅Π»ΡΠ½ΡΠΌΠΈ ΡΡΡΡΠΎΠΉΡΡΠ²Π°ΠΌΠΈ: ΡΠ°ΠΌΠΎΠΏΠΈΡΡΠ°ΠΌΠΈ, Π·Π°ΡΠ»ΠΎΠ½ΠΊΠ°ΠΌΠΈ ΠΈΒ Ρ.Β Π΄.
ΠΡΠ½ΠΎΠ²Π½ΠΎΠ΅ ΠΏΡΠ΅ΠΈΠΌΡΡΠ΅ΡΡΠ²ΠΎ ΡΠΎΠΊΠΎΠ²ΠΎΠΉ ΠΏΠ΅ΡΠ»ΠΈΒ β ΡΠΎ, ΡΡΠΎ ΡΠΎΡΠ½ΠΎΡΡΡ Π½Π΅ Π·Π°Π²ΠΈΡΠΈΡ ΠΎΡ Π΄Π»ΠΈΠ½Ρ ΠΈ ΡΠΎΠΏΡΠΎΡΠΈΠ²Π»Π΅Π½ΠΈΡ Π»ΠΈΠ½ΠΈΠΈ ΠΏΠ΅ΡΠ΅Π΄Π°ΡΠΈ, ΠΏΠΎΡΠΊΠΎΠ»ΡΠΊΡ ΡΠΏΡΠ°Π²Π»ΡΠ΅ΠΌΡΠΉ ΠΈΡΡΠΎΡΠ½ΠΈΠΊ ΡΠΎΠΊΠ° Π±ΡΠ΄Π΅Ρ Π°Π²ΡΠΎΠΌΠ°ΡΠΈΡΠ΅ΡΠΊΠΈ ΠΏΠΎΠ΄Π΄Π΅ΡΠΆΠΈΠ²Π°ΡΡ ΡΡΠ΅Π±ΡΠ΅ΠΌΡΠΉ ΡΠΎΠΊ Π² Π»ΠΈΠ½ΠΈΠΈ. ΠΠ΄ΠΎΠ±Π°Π²ΠΎΠΊ, ΡΠ°ΠΊΠ°Ρ ΡΡ Π΅ΠΌΠ° ΠΏΠΎΠ·Π²ΠΎΠ»ΡΠ΅Ρ Π·Π°ΠΏΠΈΡΡΠ²Π°ΡΡ Π΄Π°ΡΡΠΈΠΊ Π½Π΅ΠΏΠΎΡΡΠ΅Π΄ΡΡΠ²Π΅Π½Π½ΠΎ ΠΎΡ Π»ΠΈΠ½ΠΈΠΈ ΠΏΠ΅ΡΠ΅Π΄Π°ΡΠΈ. ΠΠ΅ΡΠΊΠΎΠ»ΡΠΊΠΎ ΠΏΡΠΈΠ΅ΠΌΠ½ΠΈΠΊΠΎΠ² ΠΌΠΎΠΆΠ½ΠΎ ΡΠΎΠ΅Π΄ΠΈΠ½ΡΡΡ ΠΏΠΎΡΠ»Π΅Π΄ΠΎΠ²Π°ΡΠ΅Π»ΡΠ½ΠΎ, ΠΈΡΡΠΎΡΠ½ΠΈΠΊ ΡΠΎΠΊΠ° Π±ΡΠ΄Π΅Ρ ΠΏΠΎΠ΄Π΄Π΅ΡΠΆΠΈΠ²Π°ΡΡ ΡΡΠ΅Π±ΡΠ΅ΠΌΡΠΉ ΡΠΎΠΊ Π²ΠΎ Π²ΡΠ΅Ρ ΠΎΠ΄Π½ΠΎΠ²ΡΠ΅ΠΌΠ΅Π½Π½ΠΎ (ΡΠΎΠ³Π»Π°ΡΠ½ΠΎ Π·Π°ΠΊΠΎΠ½Ρ ΠΠΈΡΡ Π³ΠΎΡΠ°).
ΠΠΎΠ²Π΅ΡΡ Π°Π½Π°Π»ΠΎΠ³ΠΎΠ²ΠΎΠΉ ΡΠΎΠΊΠΎΠ²ΠΎΠΉ ΠΏΠ΅ΡΠ»ΠΈ ΠΌΠΎΠΆΠ½ΠΎ ΠΏΠ΅ΡΠ΅Π΄Π°Π²Π°ΡΡ ΡΠΈΡΡΠΎΠ²ΡΡ ΠΈΠ½ΡΠΎΡΠΌΠ°ΡΠΈΡ. Π’Π°ΠΊΠΎΠΉ ΡΠΏΠΎΡΠΎΠ± ΠΏΠ΅ΡΠ΅Π΄Π°ΡΠΈ Π΄Π°Π½Π½ΡΡ ΠΎΠΏΠΈΡΠ°Π½ Π² HART-ΠΏΡΠΎΡΠΎΠΊΠΎΠ»Π΅. ΠΠΎΠ½ΠΊΡΡΠΈΡΡΡΡΠΈΠΌΠΈ ΠΏΡΠΎΡΠΎΠΊΠΎΠ»Π°ΠΌΠΈ, ΡΠΏΠΎΡΠΎΠ±Π½ΡΠΌΠΈ Π² Π±ΡΠ΄ΡΡΠ΅ΠΌ Π²ΡΡΠ΅ΡΠ½ΠΈΡΡ HART, ΡΠ²Π»ΡΡΡΡΡ ΡΠ°Π·Π»ΠΈΡΠ½ΡΠ΅ ΡΠΈΡΡΠΎΠ²ΡΠ΅ ΠΏΠΎΠ»Π΅Π²ΡΠ΅ ΡΠΈΠ½Ρ, ΡΠ°ΠΊΠΈΠ΅ ΠΊΠ°ΠΊ Fieldbus Foundation ΠΈΠ»ΠΈ PROFIBUS.
dic.academic.ru
ΠΠ΅ΡΠ»Ρ ΡΠ°Π·Π°-Π½ΠΎΠ»Ρ | ΠΠ°ΠΌΠ΅ΡΠΊΠΈ ΡΠ»Π΅ΠΊΡΡΠΈΠΊΠ°

Π£Π²Π°ΠΆΠ°Π΅ΠΌΡΠ΅, ΡΠΈΡΠ°ΡΠ΅Π»ΠΈ!!!
ΠΡΠΈΠ²Π΅ΡΡΡΠ²ΡΡ ΠΠ°Ρ Π½Π° ΡΠ²ΠΎΠ΅ΠΌ ΡΠ΅ΡΡΡΡΠ΅ Β«ΠΠ°ΠΌΠ΅ΡΠΊΠΈ ΡΠ»Π΅ΠΊΡΡΠΈΠΊΠ°Β».
ΠΠ° ΠΏΠΎΠ²Π΅ΡΡΠΊΠ΅ ΡΠ΅Π³ΠΎΠ΄Π½ΡΡΠ½Π΅Π³ΠΎ Π΄Π½Ρ Ρ Π½Π°Ρ ΡΡΠ°ΡΡΡ Π½Π° ΡΠ΅ΠΌΡ ΠΏΠ΅ΡΠ»Ρ ΡΠ°Π·Π°-Π½ΠΎΠ»Ρ.
Π§ΡΠΎ ΠΆΠ΅ ΡΠ°ΠΊΠΎΠ΅ ΠΏΠ΅ΡΠ»Ρ ΡΠ°Π·Π°-Π½ΠΎΠ»Ρ?
ΠΡΠ΅ ΠΎΠ± ΡΡΠΎΠΌ ΠΡ ΡΠ·Π½Π°Π΅ΡΠ΅, ΠΏΡΠΎΡΠΈΡΠ°Π² ΠΌΠ°ΡΠ΅ΡΠΈΠ°Π» Π½ΠΈΠΆΠ΅.
ΠΡ Ρ ΠΠ°ΠΌΠΈ Π·Π½Π°Π΅ΠΌ, ΡΡΠΎ Π²ΡΠ΅ ΡΠ»Π΅ΠΊΡΡΠΎΠΎΠ±ΠΎΡΡΠ΄ΠΎΠ²Π°Π½ΠΈΠ΅, Π±ΡΠ΄Ρ ΡΠΎ Π² ΠΊΠ²Π°ΡΡΠΈΡΠ΅ ΠΈΠ»ΠΈ Π½Π° ΠΏΡΠΎΠΈΠ·Π²ΠΎΠ΄ΡΡΠ²Π΅, Π΄ΠΎΠ»ΠΆΠ½ΠΎ ΡΠ°Π±ΠΎΡΠ°ΡΡ ΠΈΡΠΏΡΠ°Π²Π½ΠΎ ΠΈ Π΄ΠΎΠ»Π³ΠΎΠ²Π΅ΡΠ½ΠΎ.
ΠΠΎ Π²ΡΠ΅ΠΌΡ ΠΏΠΎΠ²ΡΠ΅ΠΆΠ΄Π΅Π½ΠΈΠΉ (ΠΊΠΎΡΠΎΡΠΊΠΎΠ΅ Π·Π°ΠΌΡΠΊΠ°Π½ΠΈΠ΅, ΠΏΠ΅ΡΠ΅Π³ΡΡΠ· ΠΈ Π΄Ρ.) ΡΠ»Π΅ΠΊΡΡΠΎΠΎΠ±ΠΎΡΡΠ΄ΠΎΠ²Π°Π½ΠΈΡ ΠΈΠ»ΠΈ ΠΆΠ΅ ΡΠ°ΠΌΠΎΠΉ ΡΠ»Π΅ΠΊΡΡΠΎΠΏΡΠΎΠ²ΠΎΠ΄ΠΊΠΈ, Π΄ΠΎΠ»ΠΆΠ½Ρ ΠΌΠ³Π½ΠΎΠ²Π΅Π½Π½ΠΎ ΡΡΠ°Π±Π°ΡΡΠ²Π°ΡΡ Π°ΠΏΠΏΠ°ΡΠ°ΡΡ Π·Π°ΡΠΈΡΡ, ΠΎΡΠΊΠ»ΡΡΠ°Ρ ΠΏΠΎΠ²ΡΠ΅ΠΆΠ΄Π΅Π½Π½ΡΠΉ ΡΡΠ°ΡΡΠΎΠΊ ΡΠ΅ΠΏΠΈ.
ΠΠΎ ΠΌΡ Π·Π°Π±ΡΠ²Π°Π΅ΠΌ ΠΎ ΡΠΎΠΌ, ΡΡΠΎ Π² ΠΏΡΠΎΡΠ΅ΡΡΠ΅ ΡΠΊΡΠΏΠ»ΡΠ°ΡΠ°ΡΠΈΠΈ ΡΠ»Π΅ΠΊΡΡΠΎΠΎΠ±ΠΎΡΡΠ΄ΠΎΠ²Π°Π½ΠΈΡ ΠΈ ΡΠ»Π΅ΠΊΡΡΠΈΡΠ΅ΡΠΊΠΈΡ ΡΠ΅ΡΠ΅ΠΉ Π½Π΅ΠΎΠ±Ρ ΠΎΠ΄ΠΈΠΌΠΎ Π·Π°ΡΠ°Π½Π΅Π΅ ΠΈ Π·Π°Π±Π»Π°Π³ΠΎΠ²ΡΠ΅ΠΌΠ΅Π½Π½ΠΎ ΠΎΠ±ΡΠ»Π΅Π΄ΠΎΠ²Π°ΡΡ ΠΈ Π²ΡΡΠ²Π»ΡΡΡ Π½Π΅ΠΈΡΠΏΡΠ°Π²Π½ΠΎΡΡΠΈ (ΠΎΡΠΊΠ°Π·Ρ).
Π§Π°ΡΠ΅ Π²ΡΠ΅Π³ΠΎ Π½ΠΈΠΊΡΠΎ ΡΡΠΎΠ³ΠΎ ΠΏΡΠ°Π²ΠΈΠ»Π° Π½Π΅ ΠΏΡΠΈΠ΄Π΅ΡΠΆΠΈΠ²Π°Π΅ΡΡΡ, Π° ΠΎΠ±ΡΠ°ΡΠ°ΡΡΡΡ ΠΊ ΡΠΏΠ΅ΡΠΈΠ°Π»ΠΈΡΡΠ°ΠΌ-ΡΠ»Π΅ΠΊΡΡΠΈΠΊΠ°ΠΌ ΡΠΆΠ΅ ΠΏΡΠΈ Π²ΠΎΠ·Π½ΠΈΠΊΠ½ΠΎΠ²Π΅Π½ΠΈΠΈ ΡΠ°ΠΌΠΎΠΉ Π½Π΅ΠΈΡΠΏΡΠ°Π²Π½ΠΎΡΡΠΈ. Π ΠΈΠ½ΠΎΠ³Π΄Π° Π±ΡΠ²Π°Π΅Ρ ΡΠ°ΠΊ, ΡΡΠΎ ΠΎΠ±ΡΠ°ΡΠ°ΡΡΡΡ ΡΠΆΠ΅ ΠΏΠΎΠ·Π΄Π½ΠΎ.
ΠΠ΅Ρ, ΡΠ²Π°ΠΆΠ°Π΅ΠΌΡΠ΅, Ρ ΠΠ°Ρ Π½Π΅ ΠΏΡΠ³Π°Ρ. Π’Π°ΠΊ ΠΎΠ½ΠΎ ΠΈ Π΅ΡΡΡ.
ΠΡΠΎΡΡΠΎ ΠΏΡΠΈΠΌΠΈΡΠ΅ ΡΠ΅Π±Π΅ Π·Π° ΠΏΡΠ°Π²ΠΈΠ»ΠΎ, ΡΡΠΎ Π΄Π»Ρ Π²ΡΡΠ²Π»Π΅Π½ΠΈΡ, ΠΏΡΠ΅Π΄ΡΠΏΡΠ΅ΠΆΠ΄Π΅Π½ΠΈΡ ΠΈ ΡΡΡΡΠ°Π½Π΅Π½ΠΈΡ Π²ΡΠ΅Ρ Π½Π΅ΠΈΡΠΏΡΠ°Π²Π½ΠΎΡΡΠ΅ΠΉ ΠΠ°ΡΠΈΡ ΡΠ»Π΅ΠΊΡΡΠΈΡΠ΅ΡΠΊΠΈΡ ΡΠ΅ΡΠ΅ΠΉ ΠΈ ΡΠ»Π΅ΠΊΡΡΠΎΠΎΠ±ΠΎΡΡΠ΄ΠΎΠ²Π°Π½ΠΈΡ Π½Π΅ΠΎΠ±Ρ ΠΎΠ΄ΠΈΠΌΠΎ Ρ ΠΎΠΏΡΠ΅Π΄Π΅Π»Π΅Π½Π½ΠΎΠΉ ΠΏΠ΅ΡΠΈΠΎΠ΄ΠΈΡΠ½ΠΎΡΡΡΡ ΠΏΡΠΎΠΈΠ·Π²ΠΎΠ΄ΠΈΡΡ ΠΊΠΎΠΌΠΏΠ»Π΅ΠΊΡ ΡΠ»Π΅Π΄ΡΡΡΠΈΡ ΡΠ»Π΅ΠΊΡΡΠΈΡΠ΅ΡΠΊΠΈΡ ΠΈΠ·ΠΌΠ΅ΡΠ΅Π½ΠΈΠΉ:
ΠΡΠΎ ΠΈΠΌΠ΅Π΅Ρ ΠΏΡΠ°Π²ΠΎ ΠΏΡΠΎΠ²Π΅Π΄Π΅Π½ΠΈΡ Π²ΡΡΠ΅ΠΏΠ΅ΡΠ΅ΡΠΈΡΠ»Π΅Π½Π½ΡΡ ΠΈΠ·ΠΌΠ΅ΡΠ΅Π½ΠΈΠΉ? ΠΠ± ΡΡΠΎΠΌ ΡΠΈΡΠ°ΠΉΡΠ΅ Π² ΡΡΠ°ΡΡΠ΅ ΠΏΡΠΎ ΡΠ»Π΅ΠΊΡΡΠΎΠ»Π°Π±ΠΎΡΠ°ΡΠΎΡΠΈΡ.
Β
Π§ΡΠΎ ΡΡΠΎ ΡΠ°ΠΊΠΎΠ΅ Β«ΠΏΠ΅ΡΠ»Ρ ΡΠ°Π·Π°-Π½ΠΎΠ»ΡΒ»?
ΠΡ ΡΠΆΠ΅ Ρ ΠΠ°ΠΌΠΈ Π·Π½Π°ΠΊΠΎΠΌΡ Ρ ΡΠΈΡΡΠ΅ΠΌΠ°ΠΌΠΈ Π·Π°Π·Π΅ΠΌΠ»Π΅Π½ΠΈΡ ΡΠ»Π΅ΠΊΡΡΠΎΡΡΡΠ°Π½ΠΎΠ²ΠΎΠΊ Π΄ΠΎ 1000 (Π)Β Β TN-C, TN-C-S, TN-S. ΠΡΠ΅ ΠΎΠ½ΠΈ ΡΠ²Π»ΡΡΡΡΡ Π³Π»ΡΡ ΠΎΠ·Π°Π·Π΅ΠΌΠ»Π΅Π½Π½ΡΠΌΠΈ.
ΠΡΠ»ΠΈ ΡΠΎΠ΅Π΄ΠΈΠ½ΠΈΡΡ ΡΠ°Π·Π½ΡΠΉ ΠΏΡΠΎΠ²ΠΎΠ΄Π½ΠΈΠΊ L Π½Π° Π½ΡΠ»Π΅Π²ΠΎΠΉ ΡΠ°Π±ΠΎΡΠΈΠΉ ΠΏΡΠΎΠ²ΠΎΠ΄Π½ΠΈΠΊ N ΠΈΠ»ΠΈ Π·Π°ΡΠΈΡΠ½ΡΠΉ ΠΏΡΠΎΠ²ΠΎΠ΄Π½ΠΈΠΊ PE, ΡΠΎ ΠΎΠ±ΡΠ°Π·ΡΠ΅ΡΡΡ ΠΊΠΎΠ½ΡΡΡ, Π½Π°Π·ΡΠ²Π°Π΅ΠΌΡΠΉ ΠΏΠ΅ΡΠ»Ρ ΡΠ°Π·Π°-Π½ΠΎΠ»Ρ.
Π’.Π΅. ΡΡΠ° ΠΏΠ΅ΡΠ»Ρ ΡΠΎΡΡΠΎΠΈΡ ΠΈΠ· ΡΠ»Π΅ΠΊΡΡΠΈΡΠ΅ΡΠΊΠΎΠΉ ΡΠ΅ΠΏΠΈ ΡΠ°Π·Π½ΠΎΠ³ΠΎ ΠΏΡΠΎΠ²ΠΎΠ΄Π½ΠΈΠΊΠ° L ΠΈ Π½ΡΠ»Π΅Π²ΠΎΠ³ΠΎ ΡΠ°Π±ΠΎΡΠ΅Π³ΠΎ ΠΏΡΠΎΠ²ΠΎΠ΄Π½ΠΈΠΊΠ° N, Π»ΠΈΠ±ΠΎ ΠΈΠ· ΡΠ»Π΅ΠΊΡΡΠΈΡΠ΅ΡΠΊΠΎΠΉ ΡΠ΅ΠΏΠΈ ΡΠ°Π·Π½ΠΎΠ³ΠΎ ΠΏΡΠΎΠ²ΠΎΠ΄Π½ΠΈΠΊΠ° L ΠΈΒ Π·Π°ΡΠΈΡΠ½ΠΎΠ³ΠΎ ΠΏΡΠΎΠ²ΠΎΠ΄Π½ΠΈΠΊΠ° PE, ΠΊΠΎΡΠΎΡΠ°Ρ ΠΎΠ±Π»Π°Π΄Π°Π΅Ρ ΡΠ²ΠΎΠΈΠΌ ΡΠΎΠΏΡΠΎΡΠΈΠ²Π»Π΅Π½ΠΈΠ΅ΠΌ.
ΠΠΎΠΆΠ½ΠΎ, ΠΊΠΎΠ½Π΅ΡΠ½ΠΎ, ΠΈ ΡΠ°ΠΌΠΎΡΡΠΎΡΡΠ΅Π»ΡΠ½ΠΎ ΡΠ°ΡΡΡΠΈΡΠ°ΡΡ ΡΠΎΠΏΡΠΎΡΠΈΠ²Π»Π΅Π½ΠΈΠ΅ ΠΏΠ΅ΡΠ»ΠΈ ΡΠ°Π·Π°-Π½ΠΎΠ»Ρ, Π½ΠΎ ΡΡΠΎ Π΄ΠΎΡΡΠ°ΡΠΎΡΠ½ΠΎ ΡΠ»ΠΎΠΆΠ½ΠΎ ΠΈ ΠΏΡΠΎΠ±Π»Π΅ΠΌΠ°ΡΠΈΡΠ½ΠΎ ΠΈΠ·-Π·Π° ΡΡΠ΄Π° ΡΠ»Π΅Π΄ΡΡΡΠΈΡ ΡΠ°ΠΊΡΠΎΡΠΎΠ²:
ΠΏΠ΅ΡΠ΅Ρ ΠΎΠ΄Π½ΡΠ΅ ΡΠΎΠΏΡΠΎΡΠΈΠ²Π»Π΅Π½ΠΈΡ Π²ΡΠ΅Ρ ΠΊΠΎΠΌΠΌΡΡΠ°ΡΠΈΠΎΠ½Π½ΡΡ Π°ΠΏΠΏΠ°ΡΠ°ΡΠΎΠ² (Π°Π²ΡΠΎΠΌΠ°ΡΠΈΡΠ΅ΡΠΊΠΈΡ Π²ΡΠΊΠ»ΡΡΠ°ΡΠ΅Π»Π΅ΠΉ, ΠΏΡΠ΅Π΄ΠΎΡ ΡΠ°Π½ΠΈΡΠ΅Π»Π΅ΠΉ,Β ΡΡΠ±ΠΈΠ»ΡΠ½ΠΈΠΊΠΎΠ², ΡΠ°Π·ΡΠ΅Π΄ΠΈΠ½ΠΈΡΠ΅Π»Π΅ΠΉ, ΠΊΠΎΠ½ΡΠ°ΠΊΡΠΎΡΠΎΠ²Β ΠΈ Π΄Ρ.)
- ΡΠΎΡΠ½ΡΠΉ ΠΏΡΡΡ ΡΠΎΠΊΠ° Π² Π°Π²Π°ΡΠΈΠΉΠ½ΠΎΠΌ ΡΠ΅ΠΆΠΈΠΌΠ΅ (ΠΌΠ΅ΡΠ°Π»Π»ΠΈΡΠ΅ΡΠΊΠΈΠ΅ ΠΊΠΎΠ½ΡΡΡΡΠΊΡΠΈΠΈ, Π²ΠΎΠ΄ΠΎΠΏΡΠΎΠ²ΠΎΠ΄Ρ, ΡΡΡΠ±ΠΎΠΏΡΠΎΠ²ΠΎΠ΄Ρ, ΠΊΠΎΠ½ΡΡΡ Π·Π°Π·Π΅ΠΌΠ»Π΅Π½ΠΈΡ, ΠΏΠΎΠ²ΡΠΎΡΠ½ΠΎΠ΅ Π·Π°Π·Π΅ΠΌΠ»Π΅Π½ΠΈΠ΅)
ΠΡΠΈ ΠΈΠ·ΠΌΠ΅ΡΠ΅Π½ΠΈΠΈ ΡΠΎΠΏΡΠΎΡΠΈΠ²Π»Π΅Π½ΠΈΡ ΠΏΠ΅ΡΠ»ΠΈ ΡΠ°Π·Π°-Π½ΠΎΠ»Ρ ΡΠΏΠ΅ΡΠΈΠ°Π»ΡΠ½ΡΠΌ ΠΏΡΠΈΠ±ΠΎΡΠΎΠΌ, Π²ΡΠ΅ Π²ΡΡΠ΅ΠΏΠ΅ΡΠ΅ΡΠΈΡΠ»Π΅Π½Π½ΡΠ΅ ΡΠ°ΠΊΡΠΎΡΡ ΡΡΠΈΡΡΠ²Π°ΡΡΡΡ Π°Π²ΡΠΎΠΌΠ°ΡΠΈΡΠ΅ΡΠΊΠΈ.
Β
ΠΡΠΈΡΠΈΠ½Ρ ΠΈ ΡΠ΅Π»Ρ ΠΈΠ·ΠΌΠ΅ΡΠ΅Π½ΠΈΡ

ΠΡΠΈΡΠΈΠ½ΡΒ ΠΏΡΠΎΠ²Π΅Π΄Π΅Π½ΠΈΡ ΠΈΠ·ΠΌΠ΅ΡΠ΅Π½ΠΈΡ ΠΏΠ΅ΡΠ»ΠΈ Π€-Π:
ΠΏΡΠΈΠ΅ΠΌΠΎΡΠ΄Π°ΡΠΎΡΠ½ΡΠ΅ ΠΈΡΠΏΡΡΠ°Π½ΠΈΡ, Ρ.Π΅. Π²Π½ΠΎΠ²Ρ Π²Π²ΠΎΠ΄ΠΈΠΌΠ°Ρ ΡΠ»Π΅ΠΊΡΡΠΎΡΡΡΠ°Π½ΠΎΠ²ΠΊΠ° (ΠΏΠΎΡΠ»Π΅ ΠΌΠΎΠ½ΡΠ°ΠΆΠ° ΠΈΠ»ΠΈ ΡΠ΅ΠΊΠΎΠ½ΡΡΡΡΠΊΡΠΈΠΈ)
ΠΏΠΎ ΡΡΠ΅Π±ΠΎΠ²Π°Π½ΠΈΡΒ ΡΠ»ΡΠΆΠ±Ρ Π ΠΎΡΡΠ΅Ρ Π½Π°Π΄Π·ΠΎΡΠ° ΠΈΠ»ΠΈ Π΄ΡΡΠ³ΠΈΡ ΠΊΠΎΠ½ΡΡΠΎΠ»ΠΈΡΡΡΡΠΈΡ ΠΎΡΠ³Π°Π½ΠΈΠ·Π°ΡΠΈΠΉ
ΡΠΎΠ±ΡΡΠ²Π΅Π½Π½ΠΎΠ΅ ΠΆΠ΅Π»Π°Π½ΠΈΠ΅
Π¦Π΅Π»ΡΡ ΠΏΡΠΎΠ²Π΅Π΄Π΅Π½ΠΈΡ ΠΈΠ·ΠΌΠ΅ΡΠ΅Π½ΠΈΠΉ Π·Π°ΠΊΠ»ΡΡΠ°ΡΡΡΡ Π² ΠΎΠΏΡΠ΅Π΄Π΅Π»Π΅Π½ΠΈΠΈ ΡΠ»Π΅Π΄ΡΡΡΠΈΡ ΠΏΠ°ΡΠ°ΠΌΠ΅ΡΡΠΎΠ²:
1. ΠΠ΅Π»ΠΈΡΠΈΠ½Π° ΡΠΎΠΏΡΠΎΡΠΈΠ²Π»Π΅Π½ΠΈΡ ΠΏΠ΅ΡΠ»ΠΈ ΡΠ°Π·Π°-Π½ΠΎΠ»Ρ
ΠΒ ΡΡΠΎ Π·Π½Π°ΡΠ΅Π½ΠΈΠ΅ Π²Ρ ΠΎΠ΄ΠΈΡ ΡΠΎΠΏΡΠΎΡΠΈΠ²Π»Π΅Π½ΠΈΠ΅ ΠΎΠ±ΠΌΠΎΡΠΎΠΊ ΠΏΠΈΡΠ°ΡΡΠ΅Π³ΠΎ ΡΡΠ°Π½ΡΡΠΎΡΠΌΠ°ΡΠΎΡΠ°, ΡΠ°Π·Π½ΠΎΠ³ΠΎ ΠΏΡΠΎΠ²ΠΎΠ΄Π½ΠΈΠΊΠ° L ΠΈ Π½ΡΠ»Π΅Π²ΠΎΠ³ΠΎ (Π·Π°ΡΠΈΡΠ½ΠΎΠ³ΠΎ) ΠΏΡΠΎΠ²ΠΎΠ΄Π½ΠΈΠΊΠ° N (PE), ΠΏΠ΅ΡΠ΅Ρ ΠΎΠ΄Π½ΡΡ ΡΠΎΠΏΡΠΎΡΠΈΠ²Π»Π΅Π½ΠΈΠΉ ΡΠΈΠ»ΠΎΠ²ΡΡ ΠΊΠΎΠ½ΡΠ°ΠΊΡΠΎΠ² Π°Π²ΡΠΎΠΌΠ°ΡΠΈΡΠ΅ΡΠΊΠΈΡ Π²ΡΠΊΠ»ΡΡΠ°ΡΠ΅Π»Π΅ΠΉ, ΡΡΠ±ΠΈΠ»ΡΠ½ΠΈΠΊΠΎΠ², ΠΊΠΎΠ½ΡΠ°ΠΊΡΠΎΡΠΎΠ² ΠΈ Π΄Ρ.
2. ΠΠ΅Π»ΠΈΡΠΈΠ½Π° ΡΠΎΠΊΠ° ΠΊΠΎΡΠΎΡΠΊΠΎΠ³ΠΎ Π·Π°ΠΌΡΠΊΠ°Π½ΠΈΡ
ΠΠ΅Π»ΠΈΡΠΈΠ½Π° ΡΠΎΠΊΠ° ΠΎΠ΄Π½ΠΎΡΠ°Π·Π½ΠΎΠ³ΠΎ ΠΊΠΎΡΠΎΡΠΊΠΎΠ³ΠΎ Π·Π°ΠΌΡΠΊΠ°Π½ΠΈΡ ΠΌΠΎΠΆΠ΅Ρ Π±ΡΡΡ ΠΏΠΎΠ»ΡΡΠ΅Π½Π° ΠΊΠΎΡΠ²Π΅Π½Π½ΡΠΌ ΠΏΡΡΠ΅ΠΌ ΠΏΠΎ Π½ΠΈΠΆΠ΅ΠΏΡΠΈΠ²Π΅Π΄Π΅Π½Π½ΠΎΠΉ ΡΠΎΡΠΌΡΠ»Π΅, ΠΈΠ»ΠΈ ΠΆΠ΅ ΡΠ°ΡΡΠΈΡΠ°Π½Π° ΠΏΡΠΈΠ±ΠΎΡΠΎΠΌ Π°Π²ΡΠΎΠΌΠ°ΡΠΈΡΠ΅ΡΠΊΠΈ.
IΠΊ.Π· = UΠ½ΠΎΠΌ / ZΠΏ
- UΠ½ΠΎΠΌ β Π½ΠΎΠΌΠΈΠ½Π°Π»ΡΠ½ΠΎΠ΅ Π½Π°ΠΏΡΡΠΆΠ΅Π½ΠΈΠ΅ ΠΏΠΈΡΠ°ΡΡΠ΅ΠΉ ΡΠ΅ΡΠΈ
- ZΠΏ β ΠΏΠΎΠ»Π½ΠΎΠ΅ ΡΠΎΠΏΡΠΎΡΠΈΠ²Π»Π΅Π½ΠΈΠ΅ ΠΏΠ΅ΡΠ»ΠΈ ΡΠ°Π·Π°-Π½ΠΎΠ»Ρ
Π Π°ΡΡΠΈΡΠ°Π½Π½ΡΠΉΒ ΠΈΠ»ΠΈ ΠΈΠ·ΠΌΠ΅ΡΠ΅Π½Π½ΡΠΉ ΡΠΎΠΊ ΠΊΠΎΡΠΎΡΠΊΠΎΠ³ΠΎ Π·Π°ΠΌΡΠΊΠ°Π½ΠΈΡ ΡΡΠ°Π²Π½ΠΈΠ²Π°ΡΡ Ρ ΡΡΡΠ°Π²ΠΊΠΎΠΉ Π°Π²ΡΠΎΠΌΠ°ΡΠΈΡΠ΅ΡΠΊΠΎΠ³ΠΎ Π²ΡΠΊΠ»ΡΡΠ°ΡΠ΅Π»Ρ (Π»ΠΈΠ±ΠΎ ΡΠ΅ΠΏΠ»ΠΎΠ²ΠΎΠΉ, Π»ΠΈΠ±ΠΎ ΡΠ»Π΅ΠΊΡΡΠΎΠΌΠ°Π³Π½ΠΈΡΠ½ΠΎΠΉ).
ΠΠ°ΠΊΠ»ΡΡΠ΅Π½ΠΈΠ΅ ΠΎΠ± ΠΈΠ·ΠΌΠ΅ΡΠ΅Π½ΠΈΠΈ ΠΏΠ΅ΡΠ»ΠΈ ΡΠ°Π·Ρ-Π½ΠΎΠ»Ρ Π΄Π΅Π»Π°Π΅ΠΌ ΡΠΎΠ³Π»Π°ΡΠ½ΠΎ Π½ΠΎΡΠΌΠ°ΡΠΈΠ²Π½ΠΎ-ΡΠ΅Ρ Π½ΠΈΡΠ΅ΡΠΊΠΈΡ Π΄ΠΎΠΊΡΠΌΠ΅Π½ΡΠΎΠ² ΠΠ’ΠΠΠ ΠΈ ΠΠ£Π.
ΠΠ°ΠΊ ΠΏΡΠΎΠ²ΠΎΠ΄ΠΈΡΡ ΠΈΠ·ΠΌΠ΅ΡΠ΅Π½ΠΈΠ΅ ΠΏΠ΅ΡΠ»ΠΈ ΡΠ°Π·Π°-Π½ΠΎΠ»Ρ ΠΡ ΠΌΠΎΠΆΠ΅ΡΠ΅ ΡΠ·Π½Π°ΡΡ Π² ΠΌΠΎΠ΅ΠΉ ΡΠ»Π΅Π΄ΡΡΡΠ΅ΠΉ ΡΡΠ°ΡΡΠ΅ β ΠΈΠ·ΠΌΠ΅ΡΠ΅Π½ΠΈΠ΅ ΠΏΠ΅ΡΠ»ΠΈ ΡΠ°Π·Π°-Π½ΠΎΠ»Ρ.
Π ΡΠΎΠΉ ΠΆΠ΅ ΡΡΠ°ΡΡΠ΅ Ρ Π½Π°Π³Π»ΡΠ΄Π½ΠΎ ΠΏΠΎΠΊΠ°ΠΆΡ Π½Π° ΠΏΡΠΈΠΌΠ΅ΡΠ΅, ΠΊΠ°ΠΊ ΡΠ΄Π΅Π»Π°ΡΡ ΠΏΡΠ°Π²ΠΈΠ»ΡΠ½ΠΎΠ΅ Π·Π°ΠΊΠ»ΡΡΠ΅Π½ΠΈΠ΅Β ΠΏΠΎ ΠΏΠΎΠ»ΡΡΠ΅Π½Π½ΡΠΌ ΠΏΠ°ΡΠ°ΠΌΠ΅ΡΡΠ°ΠΌ.
ΠΡΠ»ΠΈ ΡΡΠ°ΡΡΡ Π±ΡΠ»Π° ΠΠ°ΠΌ ΠΏΠΎΠ»Π΅Π·Π½Π°, ΡΠΎ ΠΏΠΎΠ΄Π΅Π»ΠΈΡΠ΅ΡΡ Π΅ΠΉ ΡΠΎ ΡΠ²ΠΎΠΈΠΌΠΈ Π΄ΡΡΠ·ΡΡΠΌΠΈ:
zametkielectrika.ru
Π’ΠΎΠΊΠΎΠ²Π°Ρ ΠΏΠ΅ΡΠ»Ρ ΠΠΈΠΊΠΈΠΏΠ΅Π΄ΠΈΡ
Π’ΠΎΜΠΊΠΎΠ²Π°Ρ ΠΏΠ΅ΡΠ»ΡΜΒ (current loop) β ΡΠΏΠΎΡΠΎΠ± ΠΏΠ΅ΡΠ΅Π΄Π°ΡΠΈ ΠΈΠ½ΡΠΎΡΠΌΠ°ΡΠΈΠΈ Ρ ΠΏΠΎΠΌΠΎΡΡΡ ΠΈΠ·ΠΌΠ΅ΡΡΠ΅ΠΌΡΡ Π·Π½Π°ΡΠ΅Π½ΠΈΠΉ ΡΠΈΠ»Ρ ΡΠ»Π΅ΠΊΡΡΠΈΡΠ΅ΡΠΊΠΎΠ³ΠΎ ΡΠΎΠΊΠ°. Π Π½Π°ΡΡΠΎΡΡΠ΅Π΅ Π²ΡΠ΅ΠΌΡ ΡΠ°ΠΊΠΎΠΉ ΡΠΏΠΎΡΠΎΠ± Π±ΠΎΠ»Π΅Π΅ ΡΠ°ΡΠΏΡΠΎΡΡΡΠ°Π½ΡΠ½ Π² ΠΈΠ½ΠΆΠ΅Π½Π΅ΡΠ½ΠΎΠΉ ΠΏΡΠ°ΠΊΡΠΈΠΊΠ΅, ΡΠ΅ΠΌ ΠΈΡΠΏΠΎΠ»ΡΠ·ΠΎΠ²Π°Π½ΠΈΠ΅ Π΄Π»Ρ ΡΡΠΎΠΉ ΡΠ΅Π»ΠΈ Π½Π°ΠΏΡΡΠΆΠ΅Π½ΠΈΡ. ΠΠ»Ρ Π·Π°Π΄Π°Π½ΠΈΡ ΠΈΠ·ΠΌΠ΅ΡΡΠ΅ΠΌΡΡ Π·Π½Π°ΡΠ΅Π½ΠΈΠΉ ΡΠΎΠΊΠ° ΠΈΡΠΏΠΎΠ»ΡΠ·ΡΠ΅ΡΡΡ, ΠΊΠ°ΠΊ ΠΏΡΠ°Π²ΠΈΠ»ΠΎ, ΡΠΏΡΠ°Π²Π»ΡΠ΅ΠΌΡΠΉ ΠΈΡΡΠΎΡΠ½ΠΈΠΊ ΡΠΎΠΊΠ°. ΠΠΎ Π²ΠΈΠ΄Ρ ΠΏΠ΅ΡΠ΅Π΄Π°Π²Π°Π΅ΠΌΠΎΠΉ ΠΈΠ½ΡΠΎΡΠΌΠ°ΡΠΈΠΈ ΡΠ°Π·Π»ΠΈΡΠ°ΡΡΡΡ Π°Π½Π°Π»ΠΎΠ³ΠΎΠ²Π°Ρ ΡΠΎΠΊΠΎΠ²Π°Ρ ΠΏΠ΅ΡΠ»Ρ ΠΈ ΡΠΈΡΡΠΎΠ²Π°Ρ ΡΠΎΠΊΠΎΠ²Π°Ρ ΠΏΠ΅ΡΠ»Ρ.
Π¦ΠΈΡΡΠΎΠ²Π°Ρ ΡΠΎΠΊΠΎΠ²Π°Ρ ΠΏΠ΅ΡΠ»Ρ
ΠΡΠ΅ΠΎΠ±ΡΠ°Π·ΠΎΠ²Π°ΡΠ΅Π»Ρ RS-232 / ΡΠΎΠΊΠΎΠ²Π°Ρ ΠΏΠ΅ΡΠ»ΡΠΡΠΈΠΌΠ΅Π½ΡΠ΅ΡΡΡ Π² ΡΠ΅Π»Π΅ΠΊΠΎΠΌΠΌΡΠ½ΠΈΠΊΠ°ΡΠΈΠΎΠ½Π½ΠΎΠΌ ΠΎΠ±ΠΎΡΡΠ΄ΠΎΠ²Π°Π½ΠΈΠΈ ΠΈ ΠΊΠΎΠΌΠΏΡΡΡΠ΅ΡΠ°Ρ Π΄Π»Ρ ΠΏΠΎΡΠ»Π΅Π΄ΠΎΠ²Π°ΡΠ΅Π»ΡΠ½ΠΎΠΉ ΠΏΠ΅ΡΠ΅Π΄Π°ΡΠΈ Π΄Π°Π½Π½ΡΡ .
ΠΡΡΠΎΡΠΈΡ
Π’ΠΎΠΊΠΎΠ²Π°Ρ ΠΏΠ΅ΡΠ»Ρ ΠΈΡΠΏΠΎΠ»ΡΠ·ΠΎΠ²Π°Π»Π°ΡΡ Π·Π°Π΄ΠΎΠ»Π³ΠΎ Π΄ΠΎ ΠΏΠΎΡΠ²Π»Π΅Π½ΠΈΡ ΡΡΠ°Π½Π΄Π°ΡΡΠΎΠ² RS-232 ΠΈ V.24. Π 1960-Π΅ Π³ΠΎΠ΄Ρ ΡΠ΅Π»Π΅ΡΠ°ΠΉΠΏΡ Π½Π°ΡΠ°Π»ΠΈ ΠΈΡΠΏΠΎΠ»ΡΠ·ΠΎΠ²Π°ΡΡ ΡΡΠ°Π½Π΄Π°ΡΡ ΡΠΎΠΊΠΎΠ²ΠΎΠΉ ΠΏΠ΅ΡΠ»ΠΈ 60 ΠΌΠΈΠ»Π»ΠΈΠ°ΠΌΠΏΠ΅Ρ. ΠΠΎΡΠ»Π΅Π΄ΡΡΡΠΈΠ΅ ΠΌΠΎΠ΄Π΅Π»ΠΈ (ΠΎΠ΄Π½Π° ΠΈΠ· ΠΏΠ΅ΡΠ²ΡΡ Β β Teletype Model ASR-33) ΠΈΡΠΏΠΎΠ»ΡΠ·ΠΎΠ²Π°Π»ΠΈ ΡΡΠ°Π½Π΄Π°ΡΡ 20 ΠΌΠ. ΠΡΠΎΡ ΡΡΠ°Π½Π΄Π°ΡΡ Π½Π°ΡΠ΅Π» ΡΠΈΡΠΎΠΊΠΎΠ΅ ΠΏΡΠΈΠΌΠ΅Π½Π΅Π½ΠΈΠ΅ Π² ΠΌΠΈΠ½ΠΈ-ΠΊΠΎΠΌΠΏΡΡΡΠ΅ΡΠ°Ρ , ΠΊΠΎΡΠΎΡΡΠ΅ ΠΏΠ΅ΡΠ²ΠΎΠ½Π°ΡΠ°Π»ΡΠ½ΠΎ ΠΈΡΠΏΠΎΠ»ΡΠ·ΠΎΠ²Π°Π»ΠΈ ΡΠ΅Π»Π΅ΡΠ°ΠΉΠΏΡ Π΄Π»Ρ Π΄ΠΈΠ°Π»ΠΎΠ³Π° Ρ ΠΎΠΏΠ΅ΡΠ°ΡΠΎΡΠΎΠΌ. ΠΠΎΡΡΠ΅ΠΏΠ΅Π½Π½ΠΎ ΡΠ΅Π»Π΅ΡΠ°ΠΉΠΏΡ ΡΡΡΡΠΏΠΈΠ»ΠΈ ΠΌΠ΅ΡΡΠΎ ΡΠ΅ΠΊΡΡΠΎΠ²ΡΠΌ Π²ΠΈΠ΄Π΅ΠΎΡΠ΅ΡΠΌΠΈΠ½Π°Π»Π°ΠΌ, ΡΠΎΡ ΡΠ°Π½ΡΡ ΠΈΠ½ΡΠ΅ΡΡΠ΅ΠΉΡ ΡΠΎΠΊΠΎΠ²ΠΎΠΉ ΠΏΠ΅ΡΠ»ΠΈ. Π 1980-Ρ ΡΡΠ°Π½Π΄Π°ΡΡ RS-232 ΠΎΠΊΠΎΠ½ΡΠ°ΡΠ΅Π»ΡΠ½ΠΎ Π·Π°ΠΌΠ΅Π½ΠΈΠ» ΡΠΎΠΊΠΎΠ²ΡΡ ΠΏΠ΅ΡΠ»Ρ.
ΠΡΠΈΠ½ΡΠΈΠΏΡ ΡΠ°Π±ΠΎΡΡ
Π‘ΡΠ°Π½Π΄Π°ΡΡ ΡΠΈΡΡΠΎΠ²ΠΎΠΉ ΡΠΎΠΊΠΎΠ²ΠΎΠΉ ΠΏΠ΅ΡΠ»ΠΈ ΠΈΡΠΏΠΎΠ»ΡΠ·ΡΠ΅Ρ ΠΎΡΡΡΡΡΡΠ²ΠΈΠ΅ ΡΠΎΠΊΠ° ΠΊΠ°ΠΊ Π·Π½Π°ΡΠ΅Π½ΠΈΠ΅ SPACE (Π½ΠΈΠ·ΠΊΠΈΠΉ ΡΡΠΎΠ²Π΅Π½Ρ, Π»ΠΎΠ³ΠΈΡΠ΅ΡΠΊΠΈΠΉ Π½ΠΎΠ»Ρ) ΠΈ Π½Π°Π»ΠΈΡΠΈΠ΅ ΡΠΈΠ³Π½Π°Π»Π°Β β ΠΊΠ°ΠΊ Π·Π½Π°ΡΠ΅Π½ΠΈΠ΅ MARK (Π²ΡΡΠΎΠΊΠΈΠΉ ΡΡΠΎΠ²Π΅Π½Ρ, Π»ΠΎΠ³ΠΈΡΠ΅ΡΠΊΠ°Ρ Π΅Π΄ΠΈΠ½ΠΈΡΠ°). ΠΡΡΡΡΡΡΠ²ΠΈΠ΅ ΡΠΈΠ³Π½Π°Π»Π° Π² ΡΠ΅ΡΠ΅Π½ΠΈΠ΅ Π΄Π»ΠΈΡΠ΅Π»ΡΠ½ΠΎΠ³ΠΎ Π²ΡΠ΅ΠΌΠ΅Π½ΠΈ ΠΈΠ½ΡΠ΅ΡΠΏΡΠ΅ΡΠΈΡΡΠ΅ΡΡΡ ΠΊΠ°ΠΊ ΡΠΎΡΡΠΎΡΠ½ΠΈΠ΅ BREAK (ΠΎΠ±ΡΡΠ² Π»ΠΈΠ½ΠΈΠΈ). ΠΠ°Π½Π½ΡΠ΅ ΠΏΠ΅ΡΠ΅Π΄Π°ΡΡΡΡ ΡΡΠ°ΡΡ-ΡΡΠΎΠΏΠ½ΡΠΌ ΠΌΠ΅ΡΠΎΠ΄ΠΎΠΌ, ΡΠΎΡΠΌΠ°Ρ ΠΏΠΎΡΡΠ»ΠΊΠΈ ΡΠΎΠ²ΠΏΠ°Π΄Π°Π΅Ρ c RS-232, Π½Π°ΠΏΡΠΈΠΌΠ΅Ρ 8-N-1: 8 Π±ΠΈΡ, Π±Π΅Π· ΠΏΠ°ΡΠΈΡΠ΅ΡΠ°, 1 ΡΡΠΎΠΏ-Π±ΠΈΡ.
Π’ΠΎΠΊΠΎΠ²Π°Ρ ΠΏΠ΅ΡΠ»Ρ ΠΌΠΎΠΆΠ΅Ρ ΠΈΡΠΏΠΎΠ»ΡΠ·ΠΎΠ²Π°ΡΡΡΡ Π½Π° Π·Π½Π°ΡΠΈΡΠ΅Π»ΡΠ½ΡΡ ΡΠ°ΡΡΡΠΎΡΠ½ΠΈΡΡ (Π΄ΠΎ Π½Π΅ΡΠΊΠΎΠ»ΡΠΊΠΈΡ ΠΊΠΈΠ»ΠΎΠΌΠ΅ΡΡΠΎΠ²). ΠΠ»Ρ Π·Π°ΡΠΈΡΡ ΠΎΠ±ΠΎΡΡΠ΄ΠΎΠ²Π°Π½ΠΈΡ ΠΏΡΠΈΠΌΠ΅Π½ΡΠ΅ΡΡΡ Π³Π°Π»ΡΠ²Π°Π½ΠΈΡΠ΅ΡΠΊΠ°Ρ ΡΠ°Π·Π²ΡΠ·ΠΊΠ° Π½Π° ΠΎΠΏΡΠΎΡΠ»Π΅ΠΊΡΡΠΎΠ½Π½ΡΡ ΠΏΡΠΈΠ±ΠΎΡΠ°Ρ , Π½Π°ΠΏΡΠΈΠΌΠ΅Ρ ΠΎΠΏΡΡΠΎΠ½Π°Ρ .
ΠΠ·-Π·Π° Π½Π΅ΠΈΠ΄Π΅Π°Π»ΡΠ½ΠΎΡΡΠΈ ΠΈΡΡΠΎΡΠ½ΠΈΠΊΠ° ΡΠΎΠΊΠ°, ΠΌΠ°ΠΊΡΠΈΠΌΠ°Π»ΡΠ½ΠΎ Π΄ΠΎΠΏΡΡΡΠΈΠΌΠ°Ρ Π΄Π»ΠΈΠ½Π° Π»ΠΈΠ½ΠΈΠΈ (ΠΈ ΠΌΠ°ΠΊΡΠΈΠΌΠ°Π»ΡΠ½ΠΎΠ΅ ΡΠΎΠΏΡΠΎΡΠΈΠ²Π»Π΅Π½ΠΈΠ΅ Π»ΠΈΠ½ΠΈΠΈ) Π·Π°Π²ΠΈΡΠΈΡ ΠΎΡ Π½Π°ΠΏΡΡΠΆΠ΅Π½ΠΈΡ, ΠΎΡ ΠΊΠΎΡΠΎΡΠΎΠ³ΠΎ ΠΏΠΈΡΠ°Π΅ΡΡΡ ΠΈΡΡΠΎΡΠ½ΠΈΠΊ ΡΠΎΠΊΠ°. ΠΠ°ΠΏΡΠΈΠΌΠ΅Ρ ΠΏΡΠΈ ΡΠΈΠΏΠΈΡΠ½ΠΎΠΌ Π½Π°ΠΏΡΡΠΆΠ΅Π½ΠΈΠΈ ΠΏΠΈΡΠ°Π½ΠΈΡ 12 Π²ΠΎΠ»ΡΡ ΡΠΎΠΏΡΠΎΡΠΈΠ²Π»Π΅Π½ΠΈΠ΅ Π½Π΅ Π΄ΠΎΠ»ΠΆΠ½ΠΎ ΠΏΡΠ΅Π²ΡΡΠ°ΡΡ 600 ΠΠΌ.
ΠΡΡΠΎΡΠ½ΠΈΠΊ ΡΠΎΠΊΠ° ΠΌΠΎΠΆΠ΅Ρ ΡΠ°ΡΠΏΠΎΠ»Π°Π³Π°ΡΡΡΡ Π² ΠΏΡΠΈΡΠΌΠ½ΠΎΠΌ ΠΈΠ»ΠΈ ΠΏΠ΅ΡΠ΅Π΄Π°ΡΡΠ΅ΠΌ ΠΊΠΎΠ½ΡΠ΅ ΡΠΎΠΊΠΎΠ²ΠΎΠΉ ΠΏΠ΅ΡΠ»ΠΈ. Π£Π·Π΅Π» Ρ ΠΈΡΡΠΎΡΠ½ΠΈΠΊΠΎΠΌ ΡΠΎΠΊΠ° Π½Π°Π·ΡΠ²Π°ΡΡ Π°ΠΊΡΠΈΠ²Π½ΡΠΌ. Π Π·Π°Π²ΠΈΡΠΈΠΌΠΎΡΡΠΈ ΠΎΡ ΠΊΠΎΠ½ΡΡΡΡΠΊΡΠΈΠΈ ΠΊΠ°ΠΊ ΠΏΠ΅ΡΠ΅Π΄Π°ΡΡΠΈΠΊ, ΡΠ°ΠΊ ΠΈ ΠΏΡΠΈΡΠΌΠ½ΠΈΠΊ, ΠΌΠΎΠ³ΡΡ Π±ΡΡΡ Π»ΠΈΠ±ΠΎ Π°ΠΊΡΠΈΠ²Π½ΡΠΌΠΈ (ΠΏΠΈΡΠ°ΡΡ ΡΠΎΠΊΠΎΠ²ΡΡ ΠΏΠ΅ΡΠ»Ρ), ΡΠ°ΠΊ ΠΈ ΠΏΠ°ΡΡΠΈΠ²Π½ΡΠΌΠΈ (ΠΏΠΈΡΠ°ΡΡΡΡ ΠΎΡ ΡΠΎΠΊΠΎΠ²ΠΎΠΉ ΠΏΠ΅ΡΠ»ΠΈ).
ΠΠ»Ρ ΠΊΠΎΠΌΠΏΡΡΡΠ΅ΡΠΎΠ² ΡΠ΅ΠΌΠ΅ΠΉΡΡΠ²Π° ΠΠΠ ΠΏΠΎ ΡΠΌΠΎΠ»ΡΠ°Π½ΠΈΡ ΠΏΡΠΈΠ½ΠΈΠΌΠ°Π΅ΡΡΡ, ΡΡΠΎ ΠΏΠ΅ΡΠ΅Π΄Π°ΡΡΠΈΠΊΒ β Π°ΠΊΡΠΈΠ²Π½ΡΠΉ, ΠΏΡΠΈΡΠΌΠ½ΠΈΠΊΒ β ΠΏΠ°ΡΡΠΈΠ²Π½ΡΠΉ.
Π‘ΡΠ°Π½Π΄Π°ΡΡΠΈΠ·Π°ΡΠΈΡ
Π‘ΡΠ°Π½Π΄Π°ΡΡ ΠΠ ΠΠ‘/IFSS (ΠΠ‘Π’ 11 305.916-84) ΠΈΡΠΏΠΎΠ»ΡΠ·ΡΠ΅Ρ ΡΠΎΠΊΠΎΠ²ΡΡ ΠΏΠ΅ΡΠ»Ρ 20 ΠΌΠ Π΄Π»Ρ ΠΏΠ΅ΡΠ΅Π΄Π°ΡΠΈ Π΄Π°Π½Π½ΡΡ . ΠΡΠΎΡ ΡΡΠ°Π½Π΄Π°ΡΡ ΡΠΈΡΠΎΠΊΠΎ ΠΏΡΠΈΠΌΠ΅Π½ΡΠ»ΡΡ Π² ΠΊΠΎΠΌΠΏΡΡΡΠ΅ΡΠ°Ρ , Π²ΡΠΏΡΡΠ΅Π½Π½ΡΡ Π² Π‘Π‘Π‘Π ΠΈ ΡΡΡΠ°Π½Π°Ρ Π‘ΠΠ Π΄ΠΎ 1990-Ρ Π³ΠΎΠ΄ΠΎΠ². ΠΠ°ΠΏΡΠΈΠΌΠ΅Ρ ΠΠΠ, ΠΠ»Π΅ΠΊΡΡΠΎΠ½ΠΈΠΊΠ°-60, ΠΠ»Π΅ΠΊΡΡΠΎΠ½ΠΈΠΊΠ° Π3-28, Π‘Π ΠΠΠ ΠΈΒ Ρ.Β Π΄. Π€ΠΈΠ·ΠΈΡΠ΅ΡΠΊΠΎΠ΅ ΠΈΡΠΏΠΎΠ»Π½Π΅Π½ΠΈΠ΅ ΡΠ°Π·ΡΠ΅ΠΌΠΎΠ² ΠΠ ΠΠ‘ Π² ΡΡΠ°Π½Π΄Π°ΡΡΠ΅ Π½Π΅ Π·Π°ΠΊΡΠ΅ΠΏΠ»Π΅Π½ΠΎ, ΡΡΠΎ ΠΏΠΎΡΠΎΠ΄ΠΈΠ»ΠΎ ΠΌΠ°ΡΡΡ Π²Π°ΡΠΈΠ°Π½ΡΠΎΠ². Π§Π°ΡΡΠΎ ΡΠΏΠΎΡΡΠ΅Π±Π»ΡΠ΅ΡΡΡ ΡΠ°Π·ΡΡΠΌ Π‘ΠΠ53-8-2.
ΠΠ° ΡΡΠ±Π΅ΠΆΠΎΠΌ ΡΠΎΠΊΠΎΠ²Π°Ρ ΠΏΠ΅ΡΠ»Ρ (Current Loop) ΡΠΏΠ΅ΡΠΈΡΠΈΡΠΈΡΠΎΠ²Π°Π½Π° Π² ΡΡΠ°Π½Π΄Π°ΡΡΠ°Ρ IEC 62056-21 / DIN 66258.
MIDI (Musical Instrument Digital Interface) ΠΈΡΠΏΠΎΠ»ΡΠ·ΡΠ΅Ρ ΡΡΠ°Π½Π΄Π°ΡΡ ΡΠΎΠΊΠΎΠ²ΠΎΠΉ ΠΏΠ΅ΡΠ»ΠΈ Π½Π° 5-ΡΡΡΡΡΠΊΠΎΠ²ΠΎΠΌ ΡΠ°Π·ΡΠ΅ΠΌΠ΅ DIN 41524 ΡΠΎ ΡΠΊΠΎΡΠΎΡΡΡΡ 31,25 ΠΊΠ±ΠΈΡ/Ρ.
ΠΠ»Ρ ΠΊΠΎΠΌΠΏΡΡΡΠ΅ΡΠΎΠ² IBM PC ΠΈ IBM PC XT ΠΈΠΌΠ΅Π»Π°ΡΡ ΠΏΠ»Π°ΡΠ° IBM Asynchronous Communications Adapter, ΠΏΠΎΠ΄Π΄Π΅ΡΠΆΠΈΠ²Π°ΡΡΠ°Ρ ΠΏΠΎΡΠ»Π΅Π΄ΠΎΠ²Π°ΡΠ΅Π»ΡΠ½ΡΡ ΠΏΠ΅ΡΠ΅Π΄Π°ΡΡ ΠΏΠΎ RS-232 ΠΈΠ»ΠΈ ΡΠΎΠΊΠΎΠ²ΠΎΠΉ ΠΏΠ΅ΡΠ»Π΅. ΠΠ»Ρ ΠΏΠ΅ΡΠ΅Π΄Π°ΡΠΈ ΡΠΈΠ³Π½Π°Π»ΠΎΠ² ΡΠΎΠΊΠΎΠ²ΠΎΠΉ ΠΏΠ΅ΡΠ»ΠΈ ΠΈΡΠΏΠΎΠ»ΡΠ·ΡΡΡΡΡ Π½Π΅Π·Π°Π΄Π΅ΠΉΡΡΠ²ΠΎΠ²Π°Π½Π½ΡΠ΅ ΠΊΠΎΠ½ΡΠ°ΠΊΡΡ Π½Π° ΡΠ°Π·ΡΠ΅ΠΌΠ΅ DB25. Π Π±ΠΎΠ»Π΅Π΅ ΠΏΠΎΠ·Π΄Π½ΠΈΡ ΡΠ°Π·ΡΠ°Π±ΠΎΡΠΊΠ°Ρ ΠΎΡΡΠ°Π»ΡΡ ΡΠΎΠ»ΡΠΊΠΎ RS-232.
ΠΠ½Π°Π»ΠΎΠ³ΠΎΠ²Π°Ρ ΡΠΎΠΊΠΎΠ²Π°Ρ ΠΏΠ΅ΡΠ»Ρ
ΠΠ½Π°Π»ΠΎΠ³ΠΎΠ²Π°Ρ ΡΠΎΠΊΠΎΠ²Π°Ρ ΠΏΠ΅ΡΠ»Ρ ΠΈΡΠΏΠΎΠ»ΡΠ·ΡΠ΅ΡΡΡ Π΄Π»Ρ ΠΏΠ΅ΡΠ΅Π΄Π°ΡΠΈ Π°Π½Π°Π»ΠΎΠ³ΠΎΠ²ΠΎΠ³ΠΎ ΡΠΈΠ³Π½Π°Π»Π° ΠΏΠΎ ΠΏΠ°ΡΠ΅ ΠΏΡΠΎΠ²ΠΎΠ΄ΠΎΠ² Π² Π»Π°Π±ΠΎΡΠ°ΡΠΎΡΠ½ΠΎΠΌ ΠΎΠ±ΠΎΡΡΠ΄ΠΎΠ²Π°Π½ΠΈΠΈ, ΡΠΈΡΡΠ΅ΠΌΠ°Ρ ΡΠΏΡΠ°Π²Π»Π΅Π½ΠΈΡ ΠΏΡΠΎΠΈΠ·Π²ΠΎΠ΄ΡΡΠ²ΠΎΠΌ ΠΈΒ Ρ.Β Π΄.
ΠΡΠΈΠΌΠ΅Π½ΡΠ΅ΡΡΡ ΡΠΌΠ΅ΡΠ΅Π½Π½ΡΠΉ Π΄ΠΈΠ°ΠΏΠ°Π·ΠΎΠ½ 4β20 ΠΌΠ, ΡΠΎ Π΅ΡΡΡ Π½Π°ΠΈΠΌΠ΅Π½ΡΡΠ΅Π΅ Π·Π½Π°ΡΠ΅Π½ΠΈΠ΅ ΡΠΈΠ³Π½Π°Π»Π° (Π½Π°ΠΏΡΠΈΠΌΠ΅Ρ, 0) ΡΠΎΠΎΡΠ²Π΅ΡΡΡΠ²ΡΠ΅Ρ ΡΠΎΠΊΡ 4 ΠΌΠ, Π° Π½Π°ΠΈΠ±ΠΎΠ»ΡΡΠ΅Π΅Β β 20 ΠΌΠ. Π’Π°ΠΊΠΈΠΌ ΠΎΠ±ΡΠ°Π·ΠΎΠΌ Π²Π΅ΡΡ Π΄ΠΈΠ°ΠΏΠ°Π·ΠΎΠ½ Π΄ΠΎΠΏΡΡΡΠΈΠΌΡΡ Π·Π½Π°ΡΠ΅Π½ΠΈΠΉ Π·Π°Π½ΠΈΠΌΠ°Π΅Ρ 16 ΠΌΠ. ΠΡΠ»Π΅Π²ΠΎΠ΅ Π·Π½Π°ΡΠ΅Π½ΠΈΠ΅ ΡΠΎΠΊΠ° Π² ΡΠ΅ΠΏΠΈ ΠΎΠ·Π½Π°ΡΠ°Π΅Ρ ΠΎΠ±ΡΡΠ² Π»ΠΈΠ½ΠΈΠΈ ΠΈ ΠΏΠΎΠ·Π²ΠΎΠ»ΡΠ΅Ρ Π»Π΅Π³ΠΊΠΎ Π΄ΠΈΠ°Π³Π½ΠΎΡΡΠΈΡΠΎΠ²Π°ΡΡ ΡΠ°ΠΊΡΡ ΡΠΈΡΡΠ°ΡΠΈΡ.
ΠΠ½ΡΠ΅ΡΡΠ΅ΠΉΡ Π°Π½Π°Π»ΠΎΠ³ΠΎΠ²ΠΎΠΉ ΡΠΎΠΊΠΎΠ²ΠΎΠΉ ΠΏΠ΅ΡΠ»ΠΈ ΠΏΠΎΠ·Π²ΠΎΠ»ΡΠ΅Ρ ΠΈΡΠΏΠΎΠ»ΡΠ·ΠΎΠ²Π°ΡΡ ΡΠ°Π·Π½ΠΎΠΎΠ±ΡΠ°Π·Π½ΡΠ΅ Π΄Π°ΡΡΠΈΠΊΠΈ (Π΄Π°Π²Π»Π΅Π½ΠΈΡ, ΠΏΠΎΡΠΎΠΊΠ°, ΠΊΠΈΡΠ»ΠΎΡΠ½ΠΎΡΡΠΈ ΠΈΒ Ρ.Β Π΄.) Ρ Π΅Π΄ΠΈΠ½ΡΠΌ ΡΠ»Π΅ΠΊΡΡΠΈΡΠ΅ΡΠΊΠΈΠΌ ΠΈΠ½ΡΠ΅ΡΡΠ΅ΠΉΡΠΎΠΌ. Π’Π°ΠΊΠΆΠ΅ Π΄Π°Π½Π½ΡΠΉ ΠΈΠ½ΡΠ΅ΡΡΠ΅ΠΉΡ ΠΌΠΎΠΆΠ΅Ρ ΠΈΡΠΏΠΎΠ»ΡΠ·ΠΎΠ²Π°ΡΡΡΡ Π΄Π»Ρ ΡΠΏΡΠ°Π²Π»Π΅Π½ΠΈΡ ΡΠ΅Π³ΠΈΡΡΡΠΈΡΡΡΡΠΈΠΌΠΈ ΠΈ ΠΈΡΠΏΠΎΠ»Π½ΠΈΡΠ΅Π»ΡΠ½ΡΠΌΠΈ ΡΡΡΡΠΎΠΉΡΡΠ²Π°ΠΌΠΈ: ΡΠ°ΠΌΠΎΠΏΠΈΡΡΠ°ΠΌΠΈ, Π·Π°ΡΠ»ΠΎΠ½ΠΊΠ°ΠΌΠΈ ΠΈΒ Ρ.Β Π΄.
ΠΠΈΠ°ΠΏΠ°Π·ΠΎΠ½Ρ ΡΠΎΠΊΠΎΠ² ΠΈ Π½Π°ΠΏΡΡΠΆΠ΅Π½ΠΈΠΉ ΠΎΠΏΠΈΡΠ°Π½Ρ Π² ΠΠΠ‘Π’ 26.011-80 “Π‘ΡΠ΅Π΄ΡΡΠ²Π° ΠΈΠ·ΠΌΠ΅ΡΠ΅Π½ΠΈΠΉ ΠΈ Π°Π²ΡΠΎΠΌΠ°ΡΠΈΠ·Π°ΡΠΈΠΈ. Π‘ΠΈΠ³Π½Π°Π»Ρ ΡΠΎΠΊΠ° ΠΈ Π½Π°ΠΏΡΡΠΆΠ΅Π½ΠΈΡ ΡΠ»Π΅ΠΊΡΡΠΈΡΠ΅ΡΠΊΠΈΠ΅ Π½Π΅ΠΏΡΠ΅ΡΡΠ²Π½ΡΠ΅ Π²Ρ ΠΎΠ΄Π½ΡΠ΅ ΠΈ Π²ΡΡ ΠΎΠ΄Π½ΡΠ΅”.
ΠΡΠ½ΠΎΠ²Π½ΠΎΠ΅ ΠΏΡΠ΅ΠΈΠΌΡΡΠ΅ΡΡΠ²ΠΎ ΡΠΎΠΊΠΎΠ²ΠΎΠΉ ΠΏΠ΅ΡΠ»ΠΈ (ΠΏΠΎ ΡΡΠ°Π²Π½Π΅Π½ΠΈΡ Ρ Π±ΠΎΠ»Π΅Π΅ Π΄Π΅ΡΡΠ²ΠΎΠΉ ΠΏΠ°ΡΠ°ΠΌΠ΅ΡΡΠΈΡΠ΅ΡΠΊΠΎΠΉ ΠΏΠ΅ΡΠ΅Π΄Π°ΡΠ΅ΠΉ Π½Π°ΠΏΡΡΠΆΠ΅Π½ΠΈΠ΅ΠΌ)Β β ΡΠΎ, ΡΡΠΎ ΡΠΎΡΠ½ΠΎΡΡΡ Π½Π΅ Π·Π°Π²ΠΈΡΠΈΡ ΠΎΡ Π΄Π»ΠΈΠ½Ρ ΠΈ ΡΠΎΠΏΡΠΎΡΠΈΠ²Π»Π΅Π½ΠΈΡ Π»ΠΈΠ½ΠΈΠΈ ΠΏΠ΅ΡΠ΅Π΄Π°ΡΠΈ, ΠΏΠΎΡΠΊΠΎΠ»ΡΠΊΡ ΡΠΏΡΠ°Π²Π»ΡΠ΅ΠΌΡΠΉ ΠΈΡΡΠΎΡΠ½ΠΈΠΊ ΡΠΎΠΊΠ° Π±ΡΠ΄Π΅Ρ Π°Π²ΡΠΎΠΌΠ°ΡΠΈΡΠ΅ΡΠΊΠΈ ΠΏΠΎΠ΄Π΄Π΅ΡΠΆΠΈΠ²Π°ΡΡ ΡΡΠ΅Π±ΡΠ΅ΠΌΡΠΉ ΡΠΎΠΊ Π² Π»ΠΈΠ½ΠΈΠΈ. Π’Π°ΠΊΠ°Ρ ΡΡ Π΅ΠΌΠ° ΠΏΠΎΠ·Π²ΠΎΠ»ΡΠ΅Ρ Π·Π°ΠΏΠΈΡΡΠ²Π°ΡΡ Π΄Π°ΡΡΠΈΠΊ Π½Π΅ΠΏΠΎΡΡΠ΅Π΄ΡΡΠ²Π΅Π½Π½ΠΎ ΠΎΡ Π»ΠΈΠ½ΠΈΠΈ ΠΏΠ΅ΡΠ΅Π΄Π°ΡΠΈ. ΠΠ΅ΡΠΊΠΎΠ»ΡΠΊΠΎ ΠΏΡΠΈΡΠΌΠ½ΠΈΠΊΠΎΠ² ΠΌΠΎΠΆΠ½ΠΎ ΡΠΎΠ΅Π΄ΠΈΠ½ΡΡΡ ΠΏΠΎΡΠ»Π΅Π΄ΠΎΠ²Π°ΡΠ΅Π»ΡΠ½ΠΎ, ΠΈΡΡΠΎΡΠ½ΠΈΠΊ ΡΠΎΠΊΠ° Π±ΡΠ΄Π΅Ρ ΠΏΠΎΠ΄Π΄Π΅ΡΠΆΠΈΠ²Π°ΡΡ ΡΡΠ΅Π±ΡΠ΅ΠΌΡΠΉ ΡΠΎΠΊ Π²ΠΎ Π²ΡΠ΅Ρ ΠΎΠ΄Π½ΠΎΠ²ΡΠ΅ΠΌΠ΅Π½Π½ΠΎ (ΡΠΎΠ³Π»Π°ΡΠ½ΠΎ Π·Π°ΠΊΠΎΠ½Ρ ΠΠΈΡΡ Π³ΠΎΡΠ°). ΠΠΎ Π΅ΡΠ»ΠΈ Π² ΡΠ΅ΠΏΠΈ ΠΏΠΎΡΠ²ΡΡΡΡ ΡΡΠ΅ΡΠΊΠΈ, ΡΠ°Π±ΠΎΡΠ° ΡΠΎΠΊΠΎΠ²ΠΎΠΉ ΠΏΠ΅ΡΠ»ΠΈ Π½Π°ΡΡΡΠΈΡΡΡ, ΠΈ ΡΡΠ΅Π΄ΡΡΠ²Π°ΠΌΠΈ ΡΠ΅Π°Π»ΠΈΠ·Π°ΡΠΈΠΈ ΡΠ°ΠΌΠΎΠΉ ΡΠΎΠΊΠΎΠ²ΠΎΠΉ ΠΏΠ΅ΡΠ»ΠΈ ΡΡΠΎ Π½Π΅ ΠΎΠ±Π½Π°ΡΡΠΆΠΈΠ²Π°Π΅ΡΡΡ, ΡΡΠΎ Π½Π΅ΠΎΠ±Ρ ΠΎΠ΄ΠΈΠΌΠΎ ΡΡΠΈΡΡΠ²Π°ΡΡ ΠΏΡΠΈ ΠΏΡΠΎΠ΅ΠΊΡΠΈΡΠΎΠ²Π°Π½ΠΈΠΈ ΠΎΡΠ²Π΅ΡΡΡΠ²Π΅Π½Π½ΡΡ ΠΏΡΠΎΠΈΠ·Π²ΠΎΠ΄ΡΡΠ²Π΅Π½Π½ΡΡ ΡΡΠ°ΡΡΠΊΠΎΠ².
ΠΠΎΠ²Π΅ΡΡ Π°Π½Π°Π»ΠΎΠ³ΠΎΠ²ΠΎΠΉ ΡΠΎΠΊΠΎΠ²ΠΎΠΉ ΠΏΠ΅ΡΠ»ΠΈ ΠΌΠΎΠΆΠ½ΠΎ ΠΏΠ΅ΡΠ΅Π΄Π°Π²Π°ΡΡ ΡΠΈΡΡΠΎΠ²ΡΡ ΠΈΠ½ΡΠΎΡΠΌΠ°ΡΠΈΡ. Π’Π°ΠΊΠΎΠΉ ΡΠΏΠΎΡΠΎΠ± ΠΏΠ΅ΡΠ΅Π΄Π°ΡΠΈ Π΄Π°Π½Π½ΡΡ ΠΎΠΏΠΈΡΠ°Π½ Π² HART-ΠΏΡΠΎΡΠΎΠΊΠΎΠ»Π΅. ΠΠΎΠ½ΠΊΡΡΠΈΡΡΡΡΠΈΠΌΠΈ ΠΏΡΠΎΡΠΎΠΊΠΎΠ»Π°ΠΌΠΈ, ΡΠΏΠΎΡΠΎΠ±Π½ΡΠΌΠΈ Π² Π±ΡΠ΄ΡΡΠ΅ΠΌ Π²ΡΡΠ΅ΡΠ½ΠΈΡΡ HART, ΡΠ²Π»ΡΡΡΡΡ ΡΠ°Π·Π»ΠΈΡΠ½ΡΠ΅ ΡΠΈΡΡΠΎΠ²ΡΠ΅ ΠΏΠΎΠ»Π΅Π²ΡΠ΅ ΡΠΈΠ½Ρ, ΡΠ°ΠΊΠΈΠ΅ ΠΊΠ°ΠΊ Foundation fieldbus ΠΈΠ»ΠΈ PROFIBUS.
Π‘ΡΡΠ»ΠΊΠΈ
wikiredia.ru
ΠΠ½ΡΠ΅ΡΡΠ΅ΠΉΡ ΡΠΎΠΊΠΎΠ²Π°Ρ ΠΏΠ΅ΡΠ»Ρ

ΠΠ½ΡΠ΅ΡΡΠ΅ΠΉΡ ΡΠΎΠΊΠΎΠ²Π°Ρ ΠΏΠ΅ΡΠ»Ρ (current loop), Π² ΠΎΡΠ»ΠΈΡΠΈΠΈ ΠΎΡ RS-232, RS-422 ΠΈ RS-485 ΠΈΡΠΏΠΎΠ»ΡΠ·ΡΠ΅Ρ Π΄Π»Ρ ΠΏΠ΅ΡΠ΅Π΄Π°ΡΠΈ ΡΠΈΠ³Π½Π°Π» Π½Π΅ ΠΏΠΎ Π½Π°ΠΏΡΡΠΆΠ΅Π½ΠΈΡ, Π° ΠΏΠΎ ΡΠΎΠΊΡ.
Π£ΡΡΡΠΎΠΉΡΡΠ²Π° Ρ ΠΈΠ½ΡΠ΅ΡΡΠ΅ΠΉΡΠΎΠΌ ΡΠΎΠΊΠΎΠ²Π°Ρ ΠΏΠ΅ΡΠ»Ρ ΡΠΎΠ΅Π΄ΠΈΠ½ΡΡΡΡΡ ΠΏΠΎ Π΄Π²ΡΡ ΠΏΡΠΎΠ²ΠΎΠ΄Π½ΠΎΠΉ Π»ΠΈΠ½ΠΈΠΈ.
ΠΠ΄Π½ΠΈΠΌ ΠΈΠ· ΡΠ°ΡΠΏΡΠΎΡΡΡΠ°Π½Π΅Π½Π½ΡΡ Π²Π°ΡΠΈΠ°Π½ΡΠΎΠ² ΡΠ²Π»ΡΠ΅ΡΡΡ, ΡΠ°ΠΊ Π½Π°Π·ΡΠ²Π°Π΅ΠΌΠ°Ρ ΡΠΎΠΊΠΎΠ²Π°Ρ ΠΏΠ΅ΡΠ»Ρ 4 20ΠΌΠ°. Π‘ΠΈΠ³Π½Π°Π» 20 ΠΌΠ ΡΠΎΠΎΡΠ²Π΅ΡΡΡΠ²ΡΠ΅Ρ Π»ΠΎΠ³ΠΈΡΠ΅ΡΠΊΠΎΠΉ Β«1Β». Π‘ΠΈΠ³Π½Π°Π» 0(4) ΠΌΠ ΡΠΎΠΎΡΠ²Π΅ΡΡΡΠ²ΡΠ΅Ρ Π»ΠΎΠ³ΠΈΡΠ΅ΡΠΊΠΎΠΌΡ Β«0Β».
Π‘ΡΡΠ΅ΡΡΠ²ΡΠ΅Ρ Π΄Π²Π΅ ΡΠ°Π·Π½ΠΎΠ²ΠΈΠ΄Π½ΠΎΡΡΠΈ ΠΈΠ½ΡΠ΅ΡΡΠ΅ΠΉΡΠ°:
- Π¦ΠΈΡΡΠΎΠ²Π°Ρ ΡΠΎΠΊΠΎΠ²Π°Ρ ΠΏΠ΅ΡΠ»Ρ
- ΠΠ½Π°Π»ΠΎΠ³ΠΎΠ²Π°Ρ ΡΠΎΠΊΠΎΠ²Π°Ρ ΠΏΠ΅ΡΠ»Ρ
ΠΠ»Ρ ΡΠΈΡΡΠΎΠ²ΠΎΠ³ΠΎ ΠΈΠ½ΡΠ΅ΡΡΠ΅ΠΉΡΠ° ΡΠ°Π·Π»ΠΈΡΠ°ΡΡ 3 Π²ΠΈΠ΄Π° ΡΠΈΠ³Π½Π°Π»Π°:
- MARK β Π»ΠΎΠ³ΠΈΡΠ΅ΡΠΊΠ°Ρ Β«1Β»
- SPACE β Π»ΠΎΠ³ΠΈΡΠ΅ΡΠΊΠΈΠΉ Β«0Β»
- BREAK β ΡΠ°Π·ΡΡΠ² ΠΈΠ·-Π·Π° ΠΎΡΡΡΡΡΡΠ²ΠΈΡ ΡΠΎΠ΅Π΄ΠΈΠ½Π΅Π½ΠΈΡ ΠΏΠΎ ΡΠ°ΠΉΠΌΠ°ΡΡΡ
Π’Π°ΠΊ ΠΊΠ°ΠΊ ΡΠΎΡΠΌΠ°Ρ ΠΊΠ°Π΄ΡΠ° RS-232 ΠΈ ΡΠΎΠΊΠΎΠ²ΠΎΠΉ ΠΏΠ΅ΡΠ»ΠΈ ΡΠ°ΠΊΡΠΈΡΠ΅ΡΠΊΠΈ ΠΎΠ΄ΠΈΠ½Π°ΠΊΠΎΠ²ΡΠ΅, ΡΠΎ ΠΈΡ ΠΌΠΎΠΆΠ½ΠΎ ΡΠΎΠ²ΠΌΠ΅ΡΡΠΈΡΡ, ΠΏΡΠΈΠΌΠ΅Π½ΠΈΠ² ΡΠ»Π΅Π΄ΡΡΡΡΡ ΡΠ»Π΅ΠΊΡΡΠΈΡΠ΅ΡΠΊΡΡ ΡΡ Π΅ΠΌΡ:

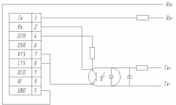
Π’ΠΎΠΊΠΎΠ²Π°Ρ ΠΏΠ΅ΡΠ»Ρ ΡΡ Π΅ΠΌΠ° ΠΏΠΎΠ΄ΠΊΠ»ΡΡΠ΅Π½ΠΈΡ.
ΠΠ»Ρ Π·Π°ΡΠΈΡΡ ΠΏΡΠΈΠ±ΠΎΡΠΎΠ² ΡΠΎΠΎΡΠ²Π΅ΡΡΡΠ²Π΅Π½Π½ΠΎ ΠΏΡΠΈΠΌΠ΅Π½ΡΠ΅ΡΡΡ Π³Π°Π»ΡΠ²Π°Π½ΠΈΡΠ΅ΡΠΊΠ°Ρ ΡΠ°Π·Π²ΡΠ·ΠΊΠ° Π½Π° ΠΎΠΏΡΡΠΎΠ½Π°Ρ , ΠΊΠ°ΠΊ ΠΏΠΎΠΊΠ°Π·Π°Π½ΠΎ Π½Π° ΡΠΈΡΡΠ½ΠΊΠ΅.
ΠΡΡΠΎΡΠ½ΠΈΠΊ ΠΏΠΈΡΠ°Π½ΠΈΡ ΠΌΠΎΠΆΠ΅Ρ ΡΠ°ΡΠΏΠΎΠ»Π°Π³Π°ΡΡΡΡ ΠΊΠ°ΠΊ Π² ΠΏΠ΅ΡΠ΅Π΄Π°ΡΡΠΈΠΊΠ΅, ΡΠ°ΠΊ ΠΈ Π² ΠΏΡΠΈΠ΅ΠΌΠ½ΠΈΠΊΠ΅. Π’Π°ΠΊ ΠΊΠ°ΠΊ ΠΎΠ½ Π½Π΅ΠΈΠ΄Π΅Π°Π»Π΅Π½, ΡΠΎ ΠΏΡΠΈΡΡΡΡΡΠ²ΡΠ΅Ρ ΠΎΠ³ΡΠ°Π½ΠΈΡΠ΅Π½ΠΈΠ΅ Π½Π° ΠΌΠ°ΠΊΡΠΈΠΌΠ°Π»ΡΠ½ΡΡ Π΄Π»ΠΈΠ½Ρ ΠΏΠ΅ΡΠ΅Π΄Π°ΡΠΈ:Β ΠΏΡΠΈ 12 Π ΡΡΠΎ Π½Π΅ Π±ΠΎΠ»ΡΡΠ΅ 600 ΠΠΌ.
Π Π²ΠΎΡ Π°Π½Π°Π»ΠΎΠ³ΠΎΠ²Π°Ρ ΡΠΎΠΊΠΎΠ²Π°Ρ ΠΏΠ΅ΡΠ»Ρ β ΡΡΠΎ Ρ ΠΎΡΠΎΡΠΎ Π²ΡΠ΅ΠΌ ΠΈΠ·Π²Π΅ΡΡΠ½ΡΠΉ ΡΠΈΠ³Π½Π°Π» 4-20 ΠΌΠ.
ΠΠ½ ΠΈΠΌΠ΅Π΅Ρ ΡΡΠ΄ ΠΏΡΠ΅ΠΈΠΌΡΡΠ΅ΡΡΠ²:
- ΠΠΎΠ·ΠΌΠΎΠΆΠ½ΠΎΡΡΡ Π΄ΠΈΠ°Π³Π½ΠΎΡΡΠΈΡΠΎΠ²Π°Π½ΠΈΡ ΠΎΠ±ΡΡΠ²Π° Π»ΠΈΠ½ΠΈΠΈ (0 ΠΌΠ β ΠΎΠ±ΡΡΠ²)
- Π ΠΎΡΠ»ΠΈΡΠΈΠ΅ ΠΎΡ ΡΠΈΠ³Π½Π°Π»ΠΎΠ² ΠΏΠΎ Π½Π°ΠΏΡΡΠΆΠ΅Π½ΠΈΡ ΠΌΠ΅Π½Π΅Π΅ ΡΡΠ²ΡΡΠ²ΠΈΡΠ΅Π»Π΅Π½ ΠΊ Π½Π°Π²ΠΎΠ΄ΠΊΠ°ΠΌ
- Π’ΠΎΡΠ½ΠΎΡΡΡ ΠΏΠΎΠΊΠ°Π·Π°Π½ΠΈΠΉ ΠΏΡΠΈΠ±ΠΎΡΠΎΠ² Π½Π΅ Π·Π°Π²ΠΈΡΠΈΡ ΠΎΡ Π΄Π»ΠΈΠ½Π½Ρ ΠΈ ΡΠΎΠΏΡΠΎΡΠΈΠ²Π»Π΅Π½ΠΈΡ Π»ΠΈΠ½ΠΈΠΈ ΠΏΠ΅ΡΠ΅Π΄Π°ΡΠΈ
- ΠΠΎΠ·ΠΌΠΎΠΆΠ½ΠΎΡΡΡ Π·Π°ΠΏΠΈΡΠ°ΡΡ Π΄Π°ΡΡΠΈΠΊ Π½Π΅ΠΏΠΎΡΡΠ΅Π΄ΡΡΠ²Π΅Π½Π½ΠΎ ΠΎΡ Π»ΠΈΠ½ΠΈΠΈ ΠΏΠ΅ΡΠ΅Π΄Π°ΡΠΈ
- Π£ΡΡΡΠΎΠΉΡΡΠ²Π° ΠΌΠΎΠΆΠ½ΠΎ ΠΏΠΎΠ΄ΠΊΠ»ΡΡΠ°ΡΡ ΠΏΠΎΡΠ»Π΅Π΄ΠΎΠ²Π°ΡΠ΅Π»ΡΠ½ΠΎ β ΠΈΡΡΠΎΡΠ½ΠΈΠΊ Π²ΡΠ΅ ΡΠ°Π²Π½ΠΎ Π±ΡΠ΄Π΅Ρ ΠΏΠΎΠ΄Π΄Π΅ΡΠΆΠΈΠ²Π°ΡΡ Π½Π΅ΠΎΠ±Ρ ΠΎΠ΄ΠΈΠΌΡΠΉ ΡΠΎΠΊ Π²ΠΎ Π²ΡΠ΅Ρ ΠΏΡΠΈΠ±ΠΎΡΠ°Ρ (ΡΠΎΠ³Π»Π°ΡΠ½ΠΎ Π·Π°ΠΊΠΎΠ½Ρ ΠΠΈΡΡ Π³ΠΎΡΠ°)
ΠΡΠΎΠΌΠ΅ ΡΠΎΠ³ΠΎ, Π½Π° Π°Π½Π°Π»ΠΎΠ³ΠΎΠ²ΡΠΉ ΡΠΈΠ³Π½Π°Π» 4-20 ΠΌΠ ΠΌΠΎΠΆΠ½ΠΎ Π½Π°Π»ΠΎΠΆΠΈΡΡ ΡΠΈΡΡΠΎΠ²ΠΎΠΉ Π²ΡΡΠΎΠΊΠΎΡΠ°ΡΡΠΎΡΠ½ΡΠΉ ΡΠΈΠ³Π½Π°Π» HART-ΠΏΡΠΎΡΠΎΠΊΠΎΠ»Π°.
Tags RS-232 RS-422 RS-485 ΠΎΠ±ΡΠΈΠ΅ ΡΠ²Π΅Π΄Π΅Π½ΠΈΡ
Β
autoworks.com.ua
ΠΏΠ΅ΡΠ»Ρ ΡΠΎΠΊΠ° – ΡΡΠΎ… Π§ΡΠΎ ΡΠ°ΠΊΠΎΠ΅ ΠΏΠ΅ΡΠ»Ρ ΡΠΎΠΊΠ°?
Π’ΠΎΠΊΠΎΠ²Π°Ρ ΠΏΠ΅ΡΠ»Ρ β Π’ΠΎΠΊΠΎΠ²Π°Ρ ΠΏΠ΅ΡΠ»ΡΒ ΡΠΏΠΎΡΠΎΠ± ΠΏΠ΅ΡΠ΅Π΄Π°ΡΠΈ ΠΈΠ½ΡΠΎΡΠΌΠ°ΡΠΈΠΈ Ρ ΠΏΠΎΠΌΠΎΡΡΡ ΠΈΠ·ΠΌΠ΅ΡΡΠ΅ΠΌΡΡ Π·Π½Π°ΡΠ΅Π½ΠΈΠΉ ΡΠΈΠ»Ρ ΡΠ»Π΅ΠΊΡΡΠΈΡΠ΅ΡΠΊΠΎΠ³ΠΎ ΡΠΎΠΊΠ°. Π Π½Π°ΡΡΠΎΡΡΠ΅Π΅ Π²ΡΠ΅ΠΌΡ ΡΠ°ΠΊΠΎΠΉ ΡΠΏΠΎΡΠΎΠ± Π±ΠΎΠ»Π΅Π΅ ΡΠ°ΡΠΏΡΠΎΡΡΡΠ°Π½ΡΠ½ Π² ΠΈΠ½ΠΆΠ΅Π½Π΅ΡΠ½ΠΎΠΉ ΠΏΡΠ°ΠΊΡΠΈΠΊΠ΅, ΡΠ΅ΠΌ ΠΈΡΠΏΠΎΠ»ΡΠ·ΠΎΠ²Π°Π½ΠΈΠ΅ Π΄Π»Ρ ΡΡΠΎΠΉ ΡΠ΅Π»ΠΈ Π½Π°ΠΏΡΡΠΆΠ΅Π½ΠΈΡ. ΠΠ»Ρ Π·Π°Π΄Π°Π½ΠΈΡ ΠΈΠ·ΠΌΠ΅ΡΡΠ΅ΠΌΡΡ β¦ β¦ Β ΠΠΈΠΊΠΈΠΏΠ΅Π΄ΠΈΡ
ΡΠΎΠΊΠΎΠ²Π°Ρ ΠΏΠ΅ΡΠ»Ρ β ΠΠ΅ΡΠΎΠ΄ ΠΏΠ΅ΡΠ΅Π΄Π°ΡΠΈ Π΄Π°Π½Π½ΡΡ . ΠΠ΄ΠΈΠ½ΠΈΡΡ Π² ΡΡΠΎΠΌ ΡΠ»ΡΡΠ°Π΅ ΠΏΡΠ΅Π΄ΡΡΠ°Π²Π»ΡΡΡΡΡ ΠΈΠΌΠΏΡΠ»ΡΡΠΎΠΌ ΡΠΎΠΊΠ° Π² ΠΏΠ΅ΡΠ»Π΅, 0 ΠΎΡΡΡΡΡΡΠ²ΠΈΠ΅ΠΌ ΡΠΎΠΊΠ°. [http://www.morepc.ru/dict/] Π’Π΅ΠΌΠ°ΡΠΈΠΊΠΈ ΠΈΠ½ΡΠΎΡΠΌΠ°ΡΠΈΠΎΠ½Π½ΡΠ΅ ΡΠ΅Ρ Π½ΠΎΠ»ΠΎΠ³ΠΈΠΈ Π² ΡΠ΅Π»ΠΎΠΌ EN Current Loop β¦ Β Π‘ΠΏΡΠ°Π²ΠΎΡΠ½ΠΈΠΊ ΡΠ΅Ρ Π½ΠΈΡΠ΅ΡΠΊΠΎΠ³ΠΎ ΠΏΠ΅ΡΠ΅Π²ΠΎΠ΄ΡΠΈΠΊΠ°
ΠΏΡΡΡ ΡΠΎΠΊΠ° ΡΠ΅ΡΠ΅Π· ΡΠ΅Π»ΠΎ ΡΠ΅Π»ΠΎΠ²Π΅ΠΊΠ° β rus ΠΏΡΡΡ (ΠΌ) ΡΠΎΠΊΠ° ΡΠ΅ΡΠ΅Π· ΡΠ΅Π»ΠΎ ΡΠ΅Π»ΠΎΠ²Π΅ΠΊΠ°, ΠΏΠ΅ΡΠ»Ρ (ΠΆ) ΡΠΎΠΊΠ° eng current path(way) fra trajet (m) du courant deu Stromweg (m), Strombahn (f) spa trayectoria (f) de la corriente elΓ©ctrica β¦ Β ΠΠ΅Π·ΠΎΠΏΠ°ΡΠ½ΠΎΡΡΡ ΠΈ Π³ΠΈΠ³ΠΈΠ΅Π½Π° ΡΡΡΠ΄Π°. ΠΠ΅ΡΠ΅Π²ΠΎΠ΄ Π½Π° Π°Π½Π³Π»ΠΈΠΉΡΠΊΠΈΠΉ, ΡΡΠ°Π½ΡΡΠ·ΡΠΊΠΈΠΉ, Π½Π΅ΠΌΠ΅ΡΠΊΠΈΠΉ, ΠΈΡΠΏΠ°Π½ΡΠΊΠΈΠΉ ΡΠ·ΡΠΊΠΈ
ΠΠ»Π΅ΠΊΡΡΠΎΡΠΎΠΊΠΎΠ²ΠΎΠ΅ ΠΎΡΡΠΆΠΈΠ΅ β ΠΡΠ° ΡΡΠ°ΡΡΡ ΠΈΠ»ΠΈ ΡΠ°Π·Π΄Π΅Π» Π½ΡΠΆΠ΄Π°Π΅ΡΡΡ Π² ΠΏΠ΅ΡΠ΅ΡΠ°Π±ΠΎΡΠΊΠ΅. ΠΠΎΠΆΠ°Π»ΡΠΉΡΡΠ°, ΡΠ»ΡΡΡΠΈΡΠ΅ ΡΡΠ°ΡΡΡ Π² ΡΠΎΠΎΡΠ²Π΅ΡΡΡΠ²ΠΈΠΈ Ρ ΠΏΡΠ°Π²ΠΈΠ»Π°ΠΌΠΈ Π½Π°ΠΏΠΈΡΠ°Π½ΠΈΡ ΡΡΠ°ΡΠ΅ΠΉ β¦ Β ΠΠΈΠΊΠΈΠΏΠ΅Π΄ΠΈΡ
ΠΠ»Π΅ΠΊΡΡΠΎΡΠΎΠΊΠ΅Ρ β Π’ΡΠΉΠ·Π΅Ρ Π26 ΠΎΠ΄ΠΈΠ½ ΠΈΠ· Π²ΠΈΠ΄ΠΎΠ² Π΄ΠΈΡΡΠ°Π½ΡΠΈΠΎΠ½Π½ΠΎΠ³ΠΎ ΡΠ»Π΅ΠΊΡΡΠΎΡΠΎΠΊΠΎΠ²ΠΎΠ³ΠΎ ΠΎΡΡΠΆΠΈΡ ΠΠ»Π΅ΠΊΡΡΠΎΡΠΎΠΊΠΎΠ²ΠΎΠ΅ ΠΎΡΡΠΆΠΈΠ΅ ΠΎΡΡΠΆΠΈΠ΅, ΠΏΡΠΈΠ½ΡΠΈΠΏ Π΄Π΅ΠΉΡΡΠ²ΠΈΡ ΠΊΠΎΡΠΎΡΠΎΠ³ΠΎ ΠΎΡΠ½ΠΎΠ²Π°Π½ Π½Π° Π½Π΅ΠΏΠΎΡΡΠ΅Π΄ΡΡΠ²Π΅Π½Π½ΠΎΠΌ Π΄Π΅ΠΉΡΡΠ²ΠΈΠΈ ΡΠ»Π΅ΠΊΡΡΠΈΡΠ΅ΡΠΊΠΎΠ³ΠΎ ΡΠ°Π·ΡΡΠ΄Π° Π½Π° ΠΆΠΈΠ²ΡΡ ΡΠ΅Π»Ρ. ΠΡΠ½ΠΎΡΠΈΡΡΡ ΠΊ ΠΊΠ»Π°ΡΡΡ ΠΎΡΡΠΆΠΈΡ Π½Π΅Π»Π΅ΡΠ°Π»ΡΠ½ΠΎΠ³ΠΎ Π΄Π΅ΠΉΡΡΠ²ΠΈΡβ¦ β¦ Β ΠΠΈΠΊΠΈΠΏΠ΅Π΄ΠΈΡ
ΠΠΠ ΠΠΠΠΠΠ ΠΠΠΠΠ’Π ΠΠ§ΠΠ‘ΠΠΠ Π’ΠΠΠΠ β ΠΌΠ΅Π΄. ΠΠΎΡΠ°ΠΆΠ΅Π½ΠΈΠ΅ ΡΠ»Π΅ΠΊΡΡΠΈΡΠ΅ΡΠΊΠΈΠΌ ΡΠΎΠΊΠΎΠΌ Π²ΡΠ·ΡΠ²Π°Π΅Ρ ΠΊΠ°ΠΊ ΠΎΠ±ΡΠΈΠ΅ ΡΡΠ½ΠΊΡΠΈΠΎΠ½Π°Π»ΡΠ½ΡΠ΅ Π½Π°ΡΡΡΠ΅Π½ΠΈΡ Π² Π΄Π΅ΡΡΠ΅Π»ΡΠ½ΠΎΡΡΠΈ ΠΎΡΠ³Π°Π½ΠΈΠ·ΠΌΠ° (ΡΠ»Π΅ΠΊΡΡΠΎΡΡΠ°Π²ΠΌΠ°), ΡΠ°ΠΊ ΠΈ ΠΌΠ΅ΡΡΠ½ΡΠ΅ (ΡΠ»Π΅ΠΊΡΡΠΎΠΎΠΆΠΎΠ³ΠΈ). ΠΠ±ΡΠΈΠ΅ ΡΠ²Π΅Π΄Π΅Π½ΠΈΡ: β’ ΠΡΠ³ΠΊΠΈΠ΅ ΠΏΠΎΡΠ°ΠΆΠ΅Π½ΠΈΡ ΡΠ»Π΅ΠΊΡΡΠΈΡΠ΅ΡΠΊΠΈΠΌ ΡΠΎΠΊΠΎΠΌ ΡΠ°ΡΡΠΎ Π½Π°Π±Π»ΡΠ΄Π°ΡΡ Π² Π±ΡΡΡ. Π’ΡΠΆΡΠ»ΡΠ΅β¦ β¦ Β Π‘ΠΏΡΠ°Π²ΠΎΡΠ½ΠΈΠΊ ΠΏΠΎ Π±ΠΎΠ»Π΅Π·Π½ΡΠΌ
ΠΠ»Π°ΠΏΠ°Π½ β ΠΠ»Π°ΠΏΠ°Π½Β ΡΡΡΡΠΎΠΉΡΡΠ²ΠΎ, ΠΏΡΠ΅Π΄Π½Π°Π·Π½Π°ΡΠ΅Π½Π½ΠΎΠ΅ Π΄Π»Ρ ΠΎΡΠΊΡΡΡΠΈΡ, Π·Π°ΠΊΡΡΡΠΈΡ ΠΈΠ»ΠΈ ΡΠ΅Π³ΡΠ»ΠΈΡΠΎΠ²Π°Π½ΠΈΡ ΠΏΠΎΡΠΎΠΊΠ° ΠΏΡΠΈ Π½Π°ΡΡΡΠΏΠ»Π΅Π½ΠΈΠΈ ΠΎΠΏΡΠ΅Π΄Π΅Π»ΡΠ½Π½ΡΡ ΡΡΠ»ΠΎΠ²ΠΈΠΉ (ΠΏΠΎΠ²ΡΡΠ΅Π½ΠΈΠΈ Π΄Π°Π²Π»Π΅Π½ΠΈΡ Π² ΡΠΎΡΡΠ΄Π΅, ΠΈΠ·ΠΌΠ΅Π½Π΅Π½ΠΈΠΈ Π½Π°ΠΏΡΠ°Π²Π»Π΅Π½ΠΈΡ ΡΠΎΠΊΠ° ΡΡΠ΅Π΄Ρ Π² ΡΡΡΠ±ΠΎΠΏΡΠΎΠ²ΠΎΠ΄Π΅). ΠΠΎΡΠΎΠΊ (ΡΠΎΠΊ) ΠΌΠΎΠΆΠ΅Ρ Π±ΡΡΡ ΠΏΠΎΡΠΎΠΊΠΎΠΌ ΠΆΠΈΠ΄ΠΊΠΎΡΡΠΈβ¦ β¦ Β ΠΠΈΠΊΠΈΠΏΠ΅Π΄ΠΈΡ
ΠΠ΅Π½ΡΠΈΠ»Ρ (ΡΡΡΠ±ΠΎΠΏΡΠΎΠ²ΠΎΠ΄Π½ΡΠΉ) β ΠΠ»Π°ΠΏΠ°Π½Β ΡΡΡΡΠΎΠΉΡΡΠ²ΠΎ, ΡΡΡΠ°Π½Π°Π²Π»ΠΈΠ²Π°Π΅ΠΌΠΎΠ΅ Π½Π° ΡΡΡΠ±ΠΎΠΏΡΠΎΠ²ΠΎΠ΄Π΅ ΠΈΠ»ΠΈ ΡΠΎΡΡΠ΄Π΅ ΠΈ ΠΏΡΠ΅Π΄Π½Π°Π·Π½Π°ΡΠ΅Π½Π½ΠΎΠ΅ Π΄Π»Ρ ΠΎΡΠΊΡΡΡΠΈΡ ΠΈΠ»ΠΈ Π·Π°ΠΊΡΡΡΠΈΡ ΠΏΡΠΈ Π½Π°ΡΡΡΠΏΠ»Π΅Π½ΠΈΠΈ ΠΎΠΏΡΠ΅Π΄Π΅Π»ΡΠ½Π½ΡΡ ΡΡΠ»ΠΎΠ²ΠΈΠΉ (ΠΏΠΎΠ²ΡΡΠ΅Π½ΠΈΠΈ Π΄Π°Π²Π»Π΅Π½ΠΈΡ Π² ΡΠΎΡΡΠ΄Π΅, ΠΈΠ·ΠΌΠ΅Π½Π΅Π½ΠΈΠΈ Π½Π°ΠΏΡΠ°Π²Π»Π΅Π½ΠΈΡ ΡΠΎΠΊΠ° ΡΡΠ΅Π΄Ρ Π² ΡΡΡΠ±ΠΎΠΏΡΠΎΠ²ΠΎΠ΄Π΅). ΠΠ»Π°ΠΏΠ°Π½Ρ ΠΈΠΌΠ΅ΡΡ Π±ΠΎΠ»ΡΡΠΎΠ΅β¦ β¦ Β ΠΠΈΠΊΠΈΠΏΠ΅Π΄ΠΈΡ
ΠΠΎΠ΄ΠΎΠΏΡΠΎΠ²ΠΎΠ΄Π½ΡΠΉ Π²Π΅Π½ΡΠΈΠ»Ρ β ΠΠ»Π°ΠΏΠ°Π½Β ΡΡΡΡΠΎΠΉΡΡΠ²ΠΎ, ΡΡΡΠ°Π½Π°Π²Π»ΠΈΠ²Π°Π΅ΠΌΠΎΠ΅ Π½Π° ΡΡΡΠ±ΠΎΠΏΡΠΎΠ²ΠΎΠ΄Π΅ ΠΈΠ»ΠΈ ΡΠΎΡΡΠ΄Π΅ ΠΈ ΠΏΡΠ΅Π΄Π½Π°Π·Π½Π°ΡΠ΅Π½Π½ΠΎΠ΅ Π΄Π»Ρ ΠΎΡΠΊΡΡΡΠΈΡ ΠΈΠ»ΠΈ Π·Π°ΠΊΡΡΡΠΈΡ ΠΏΡΠΈ Π½Π°ΡΡΡΠΏΠ»Π΅Π½ΠΈΠΈ ΠΎΠΏΡΠ΅Π΄Π΅Π»ΡΠ½Π½ΡΡ ΡΡΠ»ΠΎΠ²ΠΈΠΉ (ΠΏΠΎΠ²ΡΡΠ΅Π½ΠΈΠΈ Π΄Π°Π²Π»Π΅Π½ΠΈΡ Π² ΡΠΎΡΡΠ΄Π΅, ΠΈΠ·ΠΌΠ΅Π½Π΅Π½ΠΈΠΈ Π½Π°ΠΏΡΠ°Π²Π»Π΅Π½ΠΈΡ ΡΠΎΠΊΠ° ΡΡΠ΅Π΄Ρ Π² ΡΡΡΠ±ΠΎΠΏΡΠΎΠ²ΠΎΠ΄Π΅). ΠΠ»Π°ΠΏΠ°Π½Ρ ΠΈΠΌΠ΅ΡΡ Π±ΠΎΠ»ΡΡΠΎΠ΅β¦ β¦ Β ΠΠΈΠΊΠΈΠΏΠ΅Π΄ΠΈΡ
ΠΠ²ΡΡ ΠΏΠΎΠ»ΡΡΠ½ΠΎΠ΅ ΠΏΡΠΈΠΊΠΎΡΠ½ΠΎΠ²Π΅Π½ΠΈΠ΅ β ΠΎΠ΄Π½ΠΎΠ²ΡΠ΅ΠΌΠ΅Π½Π½ΠΎΠ΅ ΠΏΡΠΈΠΊΠΎΡΠ½ΠΎΠ²Π΅Π½ΠΈΠ΅ ΠΊ 2 ΠΏΠΎΠ»ΡΡΠ°ΠΌ ΡΠ»Π΅ΠΊΡΡΠΎΡΡΡΠ°Π½ΠΎΠ²ΠΊΠΈ, Π½Π°Ρ ΠΎΠ΄ΡΡΠ΅ΠΉΡΡ ΠΏΠΎΠ΄ Π½Π°ΠΏΡΡΠΆΠ΅Π½ΠΈΠ΅ΠΌ. Π Π°Π·Π»ΠΈΡΠ°ΡΡ ΠΎΠ΄Π½ΠΎΠΏΠΎΠ»ΡΡΠ½ΡΠ΅ ΠΈ Π΄Π²ΡΡ ΠΏΠΎΠ»ΡΡΠ½ΡΠ΅ ΠΏΡΠΈΠΊΠΎΡΠ½ΠΎΠ²Π΅Π½ΠΈΡ. ΠΡΠΈ ΠΎΠ΄Π½ΠΎΠΏΠΎΠ»ΡΡΠ½ΠΎΠΌ ΠΏΡΠΈΠΊΠΎΡΠ½ΠΎΠ²Π΅Π½ΠΈΠΈ ΡΠ΅Π»ΠΎΠ²Π΅ΠΊ, ΡΡΠΎΡΡΠΈΠΉ Π½Π° Π·Π΅ΠΌΠ»Π΅, ΠΎΠ΄Π½ΠΎΠΉ ΡΡΠΊΠΎΠΉ ΠΊΠ°ΡΠ°Π΅ΡΡΡ Π½Π΅ΠΈΠ·ΠΎΠ»ΠΈΡΠΎΠ²Π°Π½Π½ΠΎΠΉ ΡΠΎΠΊΠΎΠ²Π΅Π΄ΡΡΠ΅ΠΉ β¦ Β Π ΠΎΡΡΠΈΠΉΡΠΊΠ°Ρ ΡΠ½ΡΠΈΠΊΠ»ΠΎΠΏΠ΅Π΄ΠΈΡ ΠΏΠΎ ΠΎΡ ΡΠ°Π½Π΅ ΡΡΡΠ΄Π°
occupational_safety_ru.academic.ru
ΠΠ΅ΡΠ»Ρ Π³ΠΈΡΡΠ΅ΡΠ΅Π·ΠΈΡΠ°
ΠΠΈΡΡΠ΅ΡΠ΅Π·ΠΈΡ ΠΏΡΠΎΠΈΡΡ ΠΎΠ΄ΠΈΡ ΠΎΡ Π³ΡΠ΅ΡΠ΅ΡΠΊΠΎΠ³ΠΎ ΡΠ»ΠΎΠ²Π°, ΠΎΠ·Π½Π°ΡΠ°ΡΡΠ΅Π³ΠΎ Π·Π°ΠΏΠ°Π·Π΄ΡΠ²Π°Π½ΠΈΠ΅ ΠΈΠ»ΠΈ ΠΎΡΡΡΠ°Π²Π°Π½ΠΈΠ΅. Π‘ Π΄Π°Π½Π½ΡΠΌ ΠΏΠΎΠ½ΡΡΠΈΠ΅ΠΌ ΡΠ²ΡΠ·Π°Π½Π° ΡΠ°ΠΊΠ°Ρ ΡΠΈΠ·ΠΈΡΠ΅ΡΠΊΠ°Ρ Π²Π΅Π»ΠΈΡΠΈΠ½Π°, ΠΊΠ°ΠΊ ΠΏΠ΅ΡΠ»Ρ Π³ΠΈΡΡΠ΅ΡΠ΅Π·ΠΈΡΠ°, ΠΎΠΏΡΠ΅Π΄Π΅Π»ΡΡΡΠ°Ρ ΠΎΠ΄Π½Ρ ΠΈΠ· Ρ Π°ΡΠ°ΠΊΡΠ΅ΡΠΈΡΡΠΈΠΊ ΡΠ΅Π»Π°. ΠΠ½Π° ΠΎΠΏΡΠ΅Π΄Π΅Π»Π΅Π½Π½ΡΠΌ ΠΎΠ±ΡΠ°Π·ΠΎΠΌ ΡΠ²ΡΠ·Π°Π½Π° ΡΠ°ΠΊΠΆΠ΅ ΠΈ Ρ ΡΠΈΠ·ΠΈΡΠ΅ΡΠΊΠΈΠΌΠΈ Π²Π΅Π»ΠΈΡΠΈΠ½Π°ΠΌΠΈ, Ρ Π°ΡΠ°ΠΊΡΠ΅ΡΠΈΠ·ΡΡΡΠΈΠΌΠΈ Π²Π½Π΅ΡΠ½ΠΈΠ΅ ΡΡΠ»ΠΎΠ²ΠΈΡ, ΡΠ°ΠΊΠΈΠ΅ ΠΊΠ°ΠΊ ΠΌΠ°Π³Π½ΠΈΡΠ½ΠΎΠ΅ ΠΏΠΎΠ»Π΅.
ΠΠ±ΡΠΈΠ΅ ΠΏΠΎΠ½ΡΡΠΈΡ Π³ΠΈΡΡΠ΅ΡΠ΅Π·ΠΈΡΠ°
ΠΠΈΡΡΠ΅ΡΠ΅Π·ΠΈΡ ΠΌΠΎΠΆΠ½ΠΎ Π½Π°Π±Π»ΡΠ΄Π°ΡΡ Π² ΡΠ΅ ΠΌΠΎΠΌΠ΅Π½ΡΡ, ΠΊΠΎΠ³Π΄Π° ΠΊΠ°ΠΊΠΎΠ΅-Π»ΠΈΠ±ΠΎ ΡΠ΅Π»ΠΎ Π² ΠΊΠΎΠ½ΠΊΡΠ΅ΡΠ½ΡΠΉ ΠΏΠ΅ΡΠΈΠΎΠ΄ Π²ΡΠ΅ΠΌΠ΅Π½ΠΈ Π±ΡΠ΄Π΅Ρ Π½Π°Ρ ΠΎΠ΄ΠΈΡΡΡΡ Π² Π·Π°Π²ΠΈΡΠΈΠΌΠΎΡΡΠΈ ΠΎΡ Π²Π½Π΅ΡΠ½ΠΈΡ ΡΡΠ»ΠΎΠ²ΠΈΠΉ. ΠΠ°Π½Π½ΠΎΠ΅ ΡΠΎΡΡΠΎΡΠ½ΠΈΠ΅ ΡΠ΅Π»Π° ΡΠ°ΡΡΠΌΠ°ΡΡΠΈΠ²Π°Π΅ΡΡΡ ΠΈ Π² ΠΏΡΠ΅Π΄ΡΠ΄ΡΡΠ΅Π΅ Π²ΡΠ΅ΠΌΡ, ΠΏΠΎΡΠ»Π΅ ΡΠ΅Π³ΠΎ ΠΏΡΠΎΠΈΠ·Π²ΠΎΠ΄ΠΈΡΡΡ ΡΡΠ°Π²Π½Π΅Π½ΠΈΠ΅ ΠΈ Π²ΡΠ²ΠΎΠ΄ΠΈΡΡΡ ΠΎΠΏΡΠ΅Π΄Π΅Π»Π΅Π½Π½Π°Ρ Π·Π°Π²ΠΈΡΠΈΠΌΠΎΡΡΡ.

ΠΠΎΠ΄ΠΎΠ±Π½Π°Ρ Π·Π°Π²ΠΈΡΠΈΠΌΠΎΡΡΡ Ρ ΠΎΡΠΎΡΠΎ ΠΏΡΠΎΡΠΌΠ°ΡΡΠΈΠ²Π°Π΅ΡΡΡ Π½Π° ΠΏΡΠΈΠΌΠ΅ΡΠ΅ ΡΠ΅Π»ΠΎΠ²Π΅ΡΠ΅ΡΠΊΠΎΠ³ΠΎ ΡΠ΅Π»Π°. Π§ΡΠΎΠ±Ρ ΠΈΠ·ΠΌΠ΅Π½ΠΈΡΡ Π΅Π³ΠΎ ΡΠΎΡΡΠΎΡΠ½ΠΈΠ΅ ΠΏΠΎΡΡΠ΅Π±ΡΠ΅ΡΡΡ ΠΊΠ°ΠΊΠΎΠΉ-ΡΠΎ ΠΎΡΡΠ΅Π·ΠΎΠΊ Π²ΡΠ΅ΠΌΠ΅Π½ΠΈ Π½Π° ΡΠ΅Π»Π°ΠΊΡΠ°ΡΠΈΡ. ΠΠΎΡΡΠΎΠΌΡ ΡΠ΅Π°ΠΊΡΠΈΡ ΡΠ΅Π»Π° Π±ΡΠ΄Π΅Ρ Π²ΡΠ΅Π³Π΄Π° ΠΎΡΡΡΠ°Π²Π°ΡΡ ΠΎΡ ΠΏΡΠΈΡΠΈΠ½, Π²ΡΠ·Π²Π°Π²ΡΠΈΡ ΠΈΠ·ΠΌΠ΅Π½Π΅Π½Π½ΠΎΠ΅ ΡΠΎΡΡΠΎΡΠ½ΠΈΠ΅. ΠΠ°Π½Π½ΠΎΠ΅ ΠΎΡΡΡΠ°Π²Π°Π½ΠΈΠ΅ Π·Π½Π°ΡΠΈΡΠ΅Π»ΡΠ½ΠΎ ΡΠΌΠ΅Π½ΡΡΠ°Π΅ΡΡΡ, Π΅ΡΠ»ΠΈ ΠΈΠ·ΠΌΠ΅Π½Π΅Π½ΠΈΠ΅ Π²Π½Π΅ΡΠ½ΠΈΡ ΡΡΠ»ΠΎΠ²ΠΈΠΉ ΡΠ°ΠΊΠΆΠ΅ Π±ΡΠ΄Π΅Ρ Π·Π°ΠΌΠ΅Π΄Π»ΡΡΡΡΡ. Π’Π΅ΠΌ Π½Π΅ ΠΌΠ΅Π½Π΅Π΅, Π² Π½Π΅ΠΊΠΎΡΠΎΡΡΡ ΡΠ»ΡΡΠ°ΡΡ ΠΌΠΎΠΆΠ΅Ρ Π½Π΅ ΠΏΡΠΎΠΈΠ·ΠΎΠΉΡΠΈ ΡΠΌΠ΅Π½ΡΡΠ΅Π½ΠΈΡ ΠΎΡΡΡΠ°Π²Π°Π½ΠΈΠΉ. Π ΡΠ΅Π·ΡΠ»ΡΡΠ°ΡΠ΅, Π²ΠΎΠ·Π½ΠΈΠΊΠ°Π΅Ρ Π½Π΅ΠΎΠ΄Π½ΠΎΠ·Π½Π°ΡΠ½Π°Ρ Π·Π°Π²ΠΈΡΠΈΠΌΠΎΡΡΡ Π²Π΅Π»ΠΈΡΠΈΠ½, ΠΈΠ·Π²Π΅ΡΡΠ½Π°Ρ ΠΊΠ°ΠΊ Π³ΠΈΡΡΠ΅ΡΠ΅Π·ΠΈΡΠ½Π°Ρ, Π° ΡΠ°ΠΌΠΎ ΡΠ²Π»Π΅Π½ΠΈΠ΅ Π½Π°Π·ΡΠ²Π°Π΅ΡΡΡ Π³ΠΈΡΡΠ΅ΡΠ΅Π·ΠΈΡΠΎΠΌ.
ΠΡΠ° ΡΠΈΠ·ΠΈΡΠ΅ΡΠΊΠ°Ρ Π²Π΅Π»ΠΈΡΠΈΠ½Π° ΠΌΠΎΠΆΠ΅Ρ Π²ΡΡΡΠ΅ΡΠ°ΡΡΡΡ Π² ΡΠ°ΠΌΡΡ ΡΠ°Π·Π½ΡΡ Π²Π΅ΡΠ΅ΡΡΠ²Π°Ρ ΠΈ ΠΏΡΠΎΡΠ΅ΡΡΠ°Ρ , ΠΎΠ΄Π½Π°ΠΊΠΎ ΡΠ°ΡΠ΅ Π²ΡΠ΅Π³ΠΎ ΡΠ°ΡΡΠΌΠ°ΡΡΠΈΠ²Π°ΡΡΡΡ ΠΏΠΎΠ½ΡΡΠΈΡ Π΄ΠΈΡΠ»Π΅ΠΊΡΡΠΈΡΠ΅ΡΠΊΠΎΠ³ΠΎ, ΠΌΠ°Π³Π½ΠΈΡΠ½ΠΎΠ³ΠΎ ΠΈ ΡΠΏΡΡΠ³ΠΎΠ³ΠΎ Π³ΠΈΡΡΠ΅ΡΠ΅Π·ΠΈΡΠ°. ΠΠ°Π³Π½ΠΈΡΠ½ΡΠΉ Π³ΠΈΡΡΠ΅ΡΠ΅Π·ΠΈΡ ΠΊΠ°ΠΊ ΠΏΡΠ°Π²ΠΈΠ»ΠΎ ΠΏΠΎΡΠ²Π»ΡΠ΅ΡΡΡ Π² ΠΌΠ°Π³Π½ΠΈΡΠ½ΡΡ Π²Π΅ΡΠ΅ΡΡΠ²Π°Ρ , Π½Π°ΠΏΡΠΈΠΌΠ΅Ρ, ΡΠ°ΠΊΠΈΡ ΠΊΠ°ΠΊ ΡΠ΅ΡΡΠΎΠΌΠ°Π³Π½Π΅ΡΠΈΠΊΠΈ. Π₯Π°ΡΠ°ΠΊΡΠ΅ΡΠ½ΠΎΠΉ ΠΎΡΠΎΠ±Π΅Π½Π½ΠΎΡΡΡΡ ΡΡΠΈΡ ΠΌΠ°ΡΠ΅ΡΠΈΠ°Π»ΠΎΠ² ΡΠ²Π»ΡΠ΅ΡΡΡ ΡΠ°ΠΌΠΎΠΏΡΠΎΠΈΠ·Π²ΠΎΠ»ΡΠ½Π°Ρ ΠΈΠ»ΠΈ ΡΠΏΠΎΠ½ΡΠ°Π½Π½Π°Ρ Π½Π΅ΠΎΠ΄Π½ΠΎΡΠΎΠ΄Π½Π°Ρ Π½Π°ΠΌΠ°Π³Π½ΠΈΡΠ΅Π½Π½ΠΎΡΡΡ, Π½Π°Π³Π»ΡΠ΄Π½ΠΎ Π΄Π΅ΠΌΠΎΠ½ΡΡΡΠΈΡΡΡΡΠ°Ρ ΡΡΠΎ ΡΠΈΠ·ΠΈΡΠ΅ΡΠΊΠΎΠ΅ ΡΠ²Π»Π΅Π½ΠΈΠ΅.
ΠΠ΅Ρ Π°Π½ΠΈΠ·ΠΌ Π²ΠΎΠ·Π½ΠΈΠΊΠ½ΠΎΠ²Π΅Π½ΠΈΡ ΠΏΠ΅ΡΠ»ΠΈ Π³ΠΈΡΡΠ΅ΡΠ΅Π·ΠΈΡΠ°
Π‘Π°ΠΌ ΠΏΠΎ ΡΠ΅Π±Π΅ Π³ΠΈΡΡΠ΅ΡΠ΅Π·ΠΈΡ ΠΏΡΠ΅Π΄ΡΡΠ°Π²Π»ΡΠ΅Ρ ΡΠΎΠ±ΠΎΠΉ ΠΊΡΠΈΠ²ΡΡ, ΠΎΡΠΎΠ±ΡΠ°ΠΆΠ°ΡΡΡΡ ΠΈΠ·ΠΌΠ΅Π½Π΅Π½Π½ΡΠΉ ΠΌΠ°Π³Π½ΠΈΡΠ½ΡΠΉ ΠΌΠΎΠΌΠ΅Π½Ρ Π²Π΅ΡΠ΅ΡΡΠ²Π°, Π½Π° ΠΊΠΎΡΠΎΡΠΎΠ΅ Π²ΠΎΠ·Π΄Π΅ΠΉΡΡΠ²ΡΠ΅Ρ ΠΏΠ΅ΡΠΈΠΎΠ΄ΠΈΡΠ΅ΡΠΊΠΈ ΠΈΠ·ΠΌΠ΅Π½ΡΡΡΠ°ΡΡΡ Π½Π°ΠΏΡΡΠΆΠ΅Π½Π½ΠΎΡΡΡ ΠΏΠΎΠ»Ρ. ΠΠΎΠ³Π΄Π° ΠΌΠ°Π³Π½ΠΈΡΠ½ΠΎΠ΅ ΠΏΠΎΠ»Π΅ Π²ΠΎΠ·Π΄Π΅ΠΉΡΡΠ²ΡΠ΅Ρ Π½Π° ΡΠ΅ΡΡΠΎΠΌΠ°Π³Π½Π΅ΡΠΈΠΊΠΈ, ΡΠΎ ΠΈΠ·ΠΌΠ΅Π½Π΅Π½ΠΈΠ΅ ΠΈΡ ΠΌΠ°Π³Π½ΠΈΡΠ½ΠΎΠ³ΠΎ ΠΌΠΎΠΌΠ΅Π½ΡΠ° Π½Π°ΡΡΡΠΏΠ°Π΅Ρ Π½Π΅ ΡΡΠ°Π·Ρ, Π° Ρ ΠΎΠΏΡΠ΅Π΄Π΅Π»Π΅Π½Π½ΠΎΠΉ Π·Π°Π΄Π΅ΡΠΆΠΊΠΎΠΉ.

Π ΠΊΠ°ΠΆΠ΄ΠΎΠΌ ΡΠ΅ΡΡΠΎΠΌΠ°Π³Π½Π΅ΡΠΈΠΊΠ΅ ΠΈΠ·Π½Π°ΡΠ°Π»ΡΠ½ΠΎ ΠΏΡΠΈΡΡΡΡΡΠ²ΡΠ΅Ρ ΡΠ°ΠΌΠΎΠΏΡΠΎΠΈΠ·Π²ΠΎΠ»ΡΠ½Π°Ρ Π½Π°ΠΌΠ°Π³Π½ΠΈΡΠ΅Π½Π½ΠΎΡΡΡ. Π‘Π°ΠΌ ΠΌΠ°ΡΠ΅ΡΠΈΠ°Π» Π²ΠΊΠ»ΡΡΠ°Π΅Ρ Π² ΡΠ²ΠΎΠΉ ΡΠΎΡΡΠ°Π² ΠΎΡΠ΄Π΅Π»ΡΠ½ΡΠ΅ ΡΡΠ°Π³ΠΌΠ΅Π½ΡΡ, ΠΊΠ°ΠΆΠ΄ΡΠΉ ΠΈΠ· ΠΊΠΎΡΠΎΡΡΡ ΠΎΠ±Π»Π°Π΄Π°Π΅Ρ ΡΠΎΠ±ΡΡΠ²Π΅Π½Π½ΡΠΌ ΠΌΠ°Π³Π½ΠΈΡΠ½ΡΠΌ ΠΌΠΎΠΌΠ΅Π½ΡΠΎΠΌ. ΠΡΠΈ Π½Π°ΠΏΡΠ°Π²Π»Π΅Π½Π½ΠΎΡΡΠΈ ΡΡΠΈΡ ΠΌΠΎΠΌΠ΅Π½ΡΠΎΠ² Π² ΡΠ°Π·Π½ΡΠ΅ ΡΡΠΎΡΠΎΠ½Ρ, Π·Π½Π°ΡΠ΅Π½ΠΈΠ΅ ΡΡΠΌΠΌΠ°ΡΠ½ΠΎΠ³ΠΎ ΠΌΠΎΠΌΠ΅Π½ΡΠ° ΠΎΠΊΠ°Π·ΡΠ²Π°Π΅ΡΡΡ ΡΠ°Π²Π½ΡΠΌ Π½ΡΠ»Ρ Π² ΡΠ΅Π·ΡΠ»ΡΡΠ°ΡΠ΅ Π²Π·Π°ΠΈΠΌΠ½ΠΎΠΉ ΠΊΠΎΠΌΠΏΠ΅Π½ΡΠ°ΡΠΈΠΈ.
ΠΡΠ»ΠΈ Π½Π° ΡΠ΅ΡΡΠΎΠΌΠ°Π³Π½Π΅ΡΠΈΠΊ ΠΎΠΊΠ°Π·Π°ΡΡ Π²ΠΎΠ·Π΄Π΅ΠΉΡΡΠ²ΠΈΠ΅ ΠΌΠ°Π³Π½ΠΈΡΠ½ΡΠΌ ΠΏΠΎΠ»Π΅ΠΌ, ΡΠΎ Π²ΡΠ΅ ΠΌΠΎΠΌΠ΅Π½ΡΡ, ΠΏΡΠΈΡΡΡΡΡΠ²ΡΡΡΠΈΠ΅ Π² ΠΎΡΠ΄Π΅Π»ΡΠ½ΡΡ ΡΡΠ°Π³ΠΌΠ΅Π½ΡΠ°Ρ (Π΄ΠΎΠΌΠ΅Π½Π°Ρ ) Π±ΡΠ΄ΡΡ ΡΠ°Π·Π²Π΅ΡΠ½ΡΡΡ Π²Π΄ΠΎΠ»Ρ Π²Π½Π΅ΡΠ½Π΅Π³ΠΎ ΠΏΠΎΠ»Ρ. Π ΠΈΡΠΎΠ³Π΅, Π² ΠΌΠ°ΡΠ΅ΡΠΈΠ°Π»Π΅ ΠΎΠ±ΡΠ°Π·ΡΠ΅ΡΡΡ Π½Π΅ΠΊΠΎΡΠΎΡΡΠΉ ΠΎΠ±ΡΠΈΠΉ ΠΌΠΎΠΌΠ΅Π½Ρ, Π½Π°ΠΏΡΠ°Π²Π»Π΅Π½Π½ΡΠΉ Π² ΠΎΠ΄Π½Ρ ΡΡΠΎΡΠΎΠ½Ρ. ΠΡΠ»ΠΈ Π²Π½Π΅ΡΠ½Π΅Π΅ Π΄Π΅ΠΉΡΡΠ²ΠΈΠ΅ ΠΏΠΎΠ»Ρ ΠΏΡΠ΅ΠΊΡΠ°ΡΠ°Π΅ΡΡΡ, ΡΠΎ Π΄ΠΎΠΌΠ΅Π½Ρ Π½Π΅ Π²ΡΠ΅ ΠΎΠΊΠ°ΠΆΡΡΡΡ Π² ΠΈΠ·Π½Π°ΡΠ°Π»ΡΠ½ΠΎΠΌ ΠΏΠΎΠ»ΠΎΠΆΠ΅Π½ΠΈΠΈ. ΠΠ»Ρ ΡΡΠΎΠ³ΠΎ ΠΏΠΎΡΡΠ΅Π±ΡΠ΅ΡΡΡ Π²ΠΎΠ·Π΄Π΅ΠΉΡΡΠ²ΠΈΠ΅ Π΄ΠΎΡΡΠ°ΡΠΎΡΠ½ΠΎ ΡΠΈΠ»ΡΠ½ΠΎΠ³ΠΎ ΠΌΠ°Π³Π½ΠΈΡΠ½ΠΎΠ³ΠΎ ΠΏΠΎΠ»Ρ, ΠΏΡΠ΅Π΄Π½Π°Π·Π½Π°ΡΠ΅Π½Π½ΠΎΠ³ΠΎ Π΄Π»Ρ ΡΠ°Π·Π²ΠΎΡΠΎΡΠ° Π΄ΠΎΠΌΠ΅Π½ΠΎΠ². Π’Π°ΠΊΠΎΠΌΡ ΡΠ°Π·Π²ΠΎΡΠΎΡΡ ΡΠΎΠ·Π΄Π°ΡΡ ΠΏΡΠ΅ΠΏΡΡΡΡΠ²ΠΈΡ Π½Π°Π»ΠΈΡΠΈΠ΅ ΠΏΡΠΈΠΌΠ΅ΡΠ΅ΠΉ ΠΈ Π½Π΅ΠΎΠ΄Π½ΠΎΡΠΎΠ΄Π½ΠΎΡΡΡ ΠΌΠ°ΡΠ΅ΡΠΈΠ°Π»Π°. ΠΠΎΡΡΠΎΠΌΡ ΠΌΠ°ΡΠ΅ΡΠΈΠ°Π» ΠΈΠΌΠ΅Π΅Ρ Π½Π΅ΠΊΠΎΡΠΎΡΡΡ ΠΎΡΡΠ°ΡΠΎΡΠ½ΡΡ Π½Π°ΠΌΠ°Π³Π½ΠΈΡΠ΅Π½Π½ΠΎΡΡΡ, Π΄Π°ΠΆΠ΅ ΠΏΡΠΈ ΠΎΡΠΊΠ»ΡΡΠ΅Π½Π½ΠΎΠΌ Π²Π½Π΅ΡΠ½Π΅ΠΌ ΠΏΠΎΠ»Π΅.
ΠΠ»Ρ ΡΠ½ΡΡΠΈΡ ΠΎΡΡΠ°ΡΠΎΡΠ½ΠΎΠ³ΠΎ ΠΌΠ°Π³Π½ΠΈΡΠ½ΠΎΠ³ΠΎ ΠΌΠΎΠΌΠ΅Π½ΡΠ°, Π½Π΅ΠΎΠ±Ρ ΠΎΠ΄ΠΈΠΌΠΎ ΠΏΡΠΈΠ»ΠΎΠΆΠ΅Π½ΠΈΠ΅ Π΄Π΅ΠΉΡΡΠ²ΠΈΡ ΠΏΠΎΠ»Ρ Π² ΠΏΡΠΎΡΠΈΠ²ΠΎΠΏΠΎΠ»ΠΎΠΆΠ½ΠΎΠΌ Π½Π°ΠΏΡΠ°Π²Π»Π΅Π½ΠΈΠΈ. ΠΠ°ΠΏΡΡΠΆΠ΅Π½Π½ΠΎΡΡΡ ΠΏΠΎΠ»Ρ Π΄ΠΎΠ»ΠΆΠ½Π° ΠΈΠΌΠ΅ΡΡ Π²Π΅Π»ΠΈΡΠΈΠ½Ρ, Π΄ΠΎΡΡΠ°ΡΠΎΡΠ½ΡΡ, ΡΡΠΎΠ±Ρ Π²ΡΠΏΠΎΠ»Π½ΠΈΡΡ ΠΏΠΎΠ»Π½ΠΎΠ΅ ΡΠ°Π·ΠΌΠ°Π³Π½ΠΈΡΠΈΠ²Π°Π½ΠΈΠ΅ ΠΌΠ°ΡΠ΅ΡΠΈΠ°Π»Π°. Π’Π°ΠΊΠ°Ρ Π²Π΅Π»ΠΈΡΠΈΠ½Π° ΠΈΠ·Π²Π΅ΡΡΠ½Π° ΠΊΠ°ΠΊ ΠΊΠΎΡΡΡΠΈΡΠΈΠ²Π½Π°Ρ ΡΠΈΠ»Π°. ΠΠ°Π»ΡΠ½Π΅ΠΉΡΠ΅Π΅ ΡΠ²Π΅Π»ΠΈΡΠ΅Π½ΠΈΠ΅ ΠΌΠ°Π³Π½ΠΈΡΠ½ΠΎΠ³ΠΎ ΠΏΠΎΠ»Ρ ΠΏΡΠΈΠ²Π΅Π΄Π΅Ρ ΠΊ ΠΏΠ΅ΡΠ΅ΠΌΠ°Π³Π½ΠΈΡΠΈΠ²Π°Π½ΠΈΡ ΡΠ΅ΡΡΠΎΠΌΠ°Π³Π½Π΅ΡΠΈΠΊΠ° Π² ΠΏΡΠΎΡΠΈΠ²ΠΎΠΏΠΎΠ»ΠΎΠΆΠ½ΡΡ ΡΡΠΎΡΠΎΠ½Ρ.

ΠΠΎΠ³Π΄Π° Π½Π°ΠΏΡΡΠΆΠ΅Π½Π½ΠΎΡΡΡ ΠΏΠΎΠ»Ρ Π΄ΠΎΡΡΠΈΠ³Π°Π΅Ρ ΠΎΠΏΡΠ΅Π΄Π΅Π»Π΅Π½Π½ΠΎΠ³ΠΎ Π·Π½Π°ΡΠ΅Π½ΠΈΡ, ΠΌΠ°ΡΠ΅ΡΠΈΠ°Π» ΡΡΠ°Π½ΠΎΠ²ΠΈΡΡΡ Π½Π°ΡΡΡΠ΅Π½Π½ΡΠΌ, ΡΠΎ Π΅ΡΡΡ ΠΌΠ°Π³Π½ΠΈΡΠ½ΡΠΉ ΠΌΠΎΠΌΠ΅Π½Ρ Π±ΠΎΠ»ΡΡΠ΅ Π½Π΅ ΡΠ²Π΅Π»ΠΈΡΠΈΠ²Π°Π΅ΡΡΡ. ΠΡΠΈ ΡΠ½ΡΡΠΈΠΈ ΠΏΠΎΠ»Ρ Π²Π½ΠΎΠ²Ρ Π½Π°Π±Π»ΡΠ΄Π°Π΅ΡΡΡ Π½Π°Π»ΠΈΡΠΈΠ΅ ΠΎΡΡΠ°ΡΠΎΡΠ½ΠΎΠ³ΠΎ ΠΌΠΎΠΌΠ΅Π½ΡΠ°, ΠΊΠΎΡΠΎΡΡΠΉ ΡΠ½ΠΎΠ²Π° ΠΌΠΎΠΆΠ½ΠΎ ΡΠ±ΡΠ°ΡΡ. ΠΠ°Π»ΡΠ½Π΅ΠΉΡΠ΅Π΅ ΡΠ²Π΅Π»ΠΈΡΠ΅Π½ΠΈΠ΅ ΠΏΠΎΠ»Ρ ΠΏΡΠΈΠ²ΠΎΠ΄ΠΈΡ ΠΊ ΠΏΠΎΠΏΠ°Π΄Π°Π½ΠΈΡ Π² ΡΠΎΡΠΊΡ Π½Π°ΡΡΡΠ΅Π½ΠΈΡ Ρ ΠΏΡΠΎΡΠΈΠ²ΠΎΠΏΠΎΠ»ΠΎΠΆΠ½ΡΠΌ Π·Π½Π°ΡΠ΅Π½ΠΈΠ΅ΠΌ.
Π’Π°ΠΊΠΈΠΌ ΠΎΠ±ΡΠ°Π·ΠΎΠΌ, Π½Π° Π³ΡΠ°ΡΠΈΠΊΠ΅ ΠΏΠΎΡΠ²Π»ΡΠ΅ΡΡΡ ΠΏΠ΅ΡΠ»Ρ Π³ΠΈΡΡΠ΅ΡΠ΅Π·ΠΈΡΠ°, Π½Π°ΡΠ°Π»ΠΎ ΠΊΠΎΡΠΎΡΠΎΠΉ ΠΏΡΠΈΡ ΠΎΠ΄ΠΈΡΡΡ Π½Π° Π½ΡΠ»Π΅Π²ΡΠ΅ Π·Π½Π°ΡΠ΅Π½ΠΈΠ΅ ΠΏΠΎΠ»Ρ ΠΈ ΠΌΠΎΠΌΠ΅Π½ΡΠ°. Π Π΄Π°Π»ΡΠ½Π΅ΠΉΡΠ΅ΠΌ, ΠΏΠ΅ΡΠ²ΠΎΠ΅ ΠΆΠ΅ Π½Π°ΠΌΠ°Π³Π½ΠΈΡΠΈΠ²Π°Π½ΠΈΠ΅ Π²ΡΠ²ΠΎΠ΄ΠΈΡ Π½Π°ΡΠ°Π»ΠΎ ΠΏΠ΅ΡΠ»ΠΈ Π³ΠΈΡΡΠ΅ΡΠ΅Π·ΠΈΡΠ° ΠΈΠ· Π½ΡΠ»Ρ ΠΈ Π²Π΅ΡΡ ΠΏΡΠΎΡΠ΅ΡΡ Π½Π°ΡΠΈΠ½Π°Π΅Ρ ΠΏΡΠΎΠΈΡΡ ΠΎΠ΄ΠΈΡΡ ΠΏΠΎ Π³ΡΠ°ΡΠΈΠΊΡ Π·Π°ΠΌΠΊΠ½ΡΡΠΎΠΉ ΠΏΠ΅ΡΠ»ΠΈ.
electric-220.ru
