Что такое полевой транзистор и как его проверить
Добрый день, друзья!
Недавно мы с вами начали плотнее знакомились с тем, как устроено компьютерное «железо». И познакомились одним из его «кирпичиков» — полупроводниковым диодом. Компьютер – это сложная система, состоящая из отдельных частей. Разбирая, как работают эти отдельные части (большие и малые), мы приобретаем знание.
Обретая знание, мы получаем шанс помочь своему железному другу-компьютеру, если он вдруг забарахлит. Мы же ведь в ответе за тех, кого приручили, не правда ли?
Сегодня мы продолжим это интересное дело, и попробуем разобраться, как работает самый, пожалуй, главный «кирпичик» электроники – транзистор. Из всех видов транзисторов (их немало) мы ограничимся сейчас рассмотрением работы полевых транзисторов.
Почему транзистор – полевой?

Среди всего многообразия транзисторов есть и полевые, т.е. такие, которые управляются электрическим полем.
Электрическое поле создается напряжением. Таким образом, полевой транзистор – это полупроводниковый прибор, управляемый напряжением.
В англоязычной литературе используется термин MOSFET (MOS Field Effect Transistor). Есть другие типы полупроводниковых транзисторов, в частности, биполярные, которые управляются током. При этом на управление затрачивается и некоторая мощность, так как к входным электродам необходимо прикладывать некоторое напряжение.
Канал полевого транзистора может быть открыт только напряжением, без протекания тока через входные электроды (за исключением очень небольшого тока утечки). Т.е. мощность на управление не затрачивается. На практике, однако, полевые транзисторы используются большей частью не в статическом режиме, а переключаются с некоторой частотой.
Конструкция полевого транзистора обуславливает наличие в нем внутренней переходной емкости, через которую при переключении протекает некоторый ток, зависящий от частоты (чем больше частота, тем больше ток). Так что, строго говоря, некоторая мощность на управление все-таки затрачивается.
Где используются полевые транзисторы?
Настоящий уровень технологии позволяет сделать сопротивление открытого канала мощного полевого транзистора (ПТ) достаточно малым – в несколько сотых или тысячных долей Ома!
И это является большим преимуществом, так как при протекании тока даже в десяток ампер рассеиваемая на ПТ мощность не превысит десятых или сотых долей Ватта.
Таким образом, можно отказаться от громоздких радиаторов или сильно уменьшить их размеры.
ПТ широко используются в компьютерных блоках питания и низковольтных импульсных стабилизаторах на материнской плате компьютера.
Из всего многообразия типов ПТ для этих целей используются ПТ с индуцированным каналом.
Как работает полевой транзистор?
ПТ с индуцированным каналом содержит три электрода — исток (source), сток (drain), и затвор (gate).
Принцип работы ПТ наполовину понятен из графического обозначения и названия электродов.
Канал ПТ – это «водяная труба», в которую втекает «вода» (поток заряженных частиц, образующих электрический ток) через «источник» (исток).
«Вода» вытекает из другого конца «трубы» через «слив» (сток). Затвор – это «кран», который открывает или перекрывает поток. Чтобы «вода» пошла по «трубе», надо создать в ней «давление», т.е. приложить напряжение между стоком и истоком.
Если напряжение не приложено («давления в системе нет»), тока в канале не будет.
Если приложено напряжение, то «открыть кран» можно подачей напряжения на затвор относительно истока.
Чем большее подано напряжение, тем сильнее открыт «кран», больше ток в канале «сток-исток» и меньше сопротивление канала.
В источниках питания ПТ используется в ключевом режиме, т.е. канал или полностью открыт, или полностью закрыт.
Честно сказать, принципы действия ПТ гораздо более сложны, он может работать не только в ключевом режиме. Его работа описывается многими заумными формулами, но мы не будем здесь все это описывать, а ограничимся этими простыми аналогиями.
Скажем только, что ПТ могут быть с n-каналом (при этом ток в канале создается отрицательно заряженными частицами) и p-каналом (ток создается положительно заряженными частицами). На графическом изображении у ПТ с n-каналом стрелка направлена внутрь, у ПТ с p-каналом – наружу.
Теперь переходим к практике и поговорим о том,
Как проверить полевой транзистор?
В норме сопротивление между любыми выводами ПТ бесконечно велико.
И, если тестер показывает какое-то небольшое сопротивление, то ПТ, скорее всего, пробит и подлежит замене.
Во многих ПТ имеется встроенный диод между стоком и истоком для защиты канала от обратного напряжения (напряжения обратной полярности).
Таким образом, если поставить «+» тестера (красный щуп, соединенный с «красным» входом тестера) на исток, а «-» (черный щуп, соединенный с черным входом тестера) на сток, то канал будет «звониться», как обычный диод в прямом направлении.
Это справедливо для ПТ с n-каналом. Для ПТ с p-каналом полярность щупов будет обратной.
Как проверить диод с помощью цифрового тестера, описано в соответствующей статье. Т.е. на участке «сток — исток» будет падать напряжение 500-600 мВ.
Если поменять полярность щупов, к диоду будет приложено обратное напряжение, он будет закрыт и тестер это зафиксирует.
Однако исправность защитного диода еще не говорит об исправности транзистора в целом. Более того, если «прозванивать» ПТ, не выпаивая из схемы, то из-за параллельно подключенных цепей не всегда можно сделать однозначный вывод даже об исправности защитного диода.
В таких случаях можно выпаять транзистор, и, используя небольшую схему для тестирования, однозначно ответить на вопрос – исправен ли ПТ или нет.

При замыкании кнопки на резисторе R3 появляется падение напряжения (около 4 В), приложенное между истоком и затвором. ПТ открывается, и светодиод HL1 светится.
Эту схему можно собрать в виде модуля с разъемом для ПТ. Транзисторы в корпусе D2 pack (который предназначен для монтажа на печатную плату) в разъем не вставишь, но можно припаять к его электродам проводники, и уже их вставить в разъем. Для проверки ПТ с p-каналом полярность питания и светодиода нужно изменить на обратную.
Иногда полупроводниковые приборы выходят из строя бурно, с пиротехническими, дымовыми и световыми эффектами.
В этом случае на корпусе образуются дыры, он трескается или разлетается на куски. И можно сделать однозначный вывод об их неисправности, не прибегая к приборам.
В заключение скажем, что буквы MOS в аббревиатуре MOSFET расшифровываются как Metal — Oxide — Semiconductor (металл – оксид – полупроводник). Такова структура ПТ – металлический затвор («кран») отделен от канала из полупроводника слоем диэлектрика (оксида кремния).
Надеюсь, с «трубами», «кранами» и прочей «сантехникой» вы сегодня разобрались.
Кстати, купить полевые транзисторы можно вот здесь.
vsbot.ru
Полевой транзистор: принцип работы
Среди множества полупроводниковых приборов следует отметить полевой транзистор, принцип работы которого основан на перемещающихся основных однотипных носителях заряда. Поток этих зарядов регулируется с помощью поперечного электрического поля. Источником поля является напряжение, приложенное к любому из электродов транзистора. Такой электрод получил дополнительное название затвора.

Поскольку перемещаются однотипные заряды, электроны или дырки, полевые транзисторы называются униполярными, в отличие от биполярных приборов. Они могут иметь управляющий р-п-переход или изолированный затвор. Основными параметрами устройств является входное и внутреннее (выходное) сопротивление, а также напряжение отсечки и прочие характеристики.
Полевые транзисторы с управляющим р-п-переходом
Данный прибор состоит из полупроводниковой пластины, на концах которой установлены электроды истока и стока. Именно при их участии происходит подключение устройства к управляемой сети. Соединение управляющей сети осуществляется с третьим электродом, выступающим в роли затвора. Поскольку у пластины и третьего электрода различные типы проводимости, то за счет этого и образуется р-п-переход.

С помощью источника питания, включенного во входную цепь, в области р-п-перехода создается обратное напряжение. Дополнительно к входной цепи производится подключение источника усиливаемых колебаний. Когда входное напряжение изменяется, то происходит изменение и обратного напряжения в районе р-п-перехода. В результате, происходит изменение п-канала, представляющего собой обедненный слой. То есть, фактически, изменяется поперечное сечение, через которое проходят основные носители заряда.
В зависимости от выполняемых функций, электроды прибора имеют следующие наименования:
- Электрод исток: из него происходит вхождение в канал основных носителей зарядов.
- Электрод сток: через него из канала происходит выход основных носителей зарядов.
- Электрод затвор: регулирует поперечное сечение канала.
Сам канал может обладать одной из двух проводимостей. Проводимость полевых транзисторов бывает с «р» или «п» каналом. Напряжения смещения, которые подаются на эти электроды, имеют противоположную полярность.
Таким образом, принцип действия полевого транзистора очень похож на работу вакуумного триода. Триод имеет катод, анод и сетку, которые соответствуют истоку, стоку и затвору. Однако, конструкция полупроводникового прибора отличается в лучшую сторону и обладает большим набором функций.
Полевые транзисторы с изолированным затвором
Данная конструкция прибора отличается наличием изолирующего слоя, разделяющего затвор и канал. В качестве подложки используется полупроводниковый кристалл, имеющий высокое удельное сопротивление. В нем создаются области с проводимостью, противоположной подложке. В этих местах наносятся электроды стока и истока. Между ними, на поверхности кристалла наносится тонкий слой диэлектрического материала. В свою очередь, на этот слой производится нанесение третьего металлического электрода – затвора.

В структуру прибора входит металл, диэлектрик и полупроводник (МДП). Поэтому, данные устройства получили название МДП-транзисторов.
МДП-приборы имеют следующую классификацию:
- С индуцированным каналом. В данной конструкции отсутствует проводящий канал между стоком и истоком. Поэтому, появление тока зависит от полярности стока и порогового напряжения на затворе в соответствии с истоком.
- Со встроенным каналом. В этом приборе, при значении нулевого напряжения, под затвором происходит образование инверсионного слоя в виде канала, соединяющего сток и исток.
Таким образом, полевые транзисторы, имеют общий принцип работы, но отличается особенностями конструкции, что дает возможность их использования в самых разных областях.
Как работает полевой транзистор
electric-220.ru
Полевой транзистор: виды, устройство, особенности
Полевой транзистор – электрический полупроводниковый прибор, выходной ток которого управляется полем, следовательно, напряжением, одного знака. Формирующий сигнал подается на затвор, регулирует проводимость канала n или p-типа. В отличие от биполярных транзисторов, где сигнал переменной полярности. Вторым признаком назовем формирование тока исключительно основными носителями (одного знака).
Классификация полевых транзисторов
Начнём классификацией. Разновидности полевых транзисторов многочисленны, каждая работает сообразно алгоритму:
- Тип проводимости канала: n или р. Фактор определяет полярность управляющего напряжения.
- По структуре. С р-n-переходом сплавные, диффузионные, МДП (МОП), с барьером Шоттки, тонкопленочные.
- Число электродов – 3 или 4. В последнем случае подложка рассматривается обособленным субъектом, позволяя управлять протеканием тока по каналу (помимо затвора).
- Материал проводника. Сегодня распространены кремний, германий, арсенид галлия. Материал полупроводника маркируется условным обозначением буквами (К, Г, А) или (в изделиях военной промышленности) цифрами (1, 2, 3).
- Класс применения не входит в маркировку, указывается справочниками, дающими сведения, что полевой транзистор часто входит в состав усилителей, радиоприемных устройств. В мировой практике встречается деление по применяемости на следующие 5 групп: усилители высокой, низкой частоты, постоянного тока, модуляторы, ключевые.

Полупроводниковый транзистор
- Диапазон электрических параметров определяет набор значений, в которых полевой транзистор сохраняет работоспособность. Напряжение, ток, частота.
- По конструктивным особенностям различают унитроны, алкатроны, текнетроны, гридисторы. Каждый прибор наделен ключевыми признаками. Электроды алкатрона выполнены концентрическими кольцами, увеличивая объем пропускаемого тока.
- Числом конструктивных элементов, вмещенных одной подложкой выделяют сдвоенные, комплементарные.
Помимо общей классификации придумана специализированная, определяющая принципы работы. Различают:
- Полевые транзисторы с управляющим p-n-переходом.
- Полевые транзисторы с барьером Шоттки.
- Полевые транзисторы с изолированным затвором:
- С встроенным каналом.
- С индуцированным каналом.
В литературе дополнительно упорядочивают структуры следующим образом: применять обозначение МОП нецелесообразно, конструкции на оксидах считают частным случаем МДП (металл, диэлектрик, полупроводник). Барьер Шоттки (МеП) следует отдельно выделять, поскольку это иная структура. Напоминает свойствами p-n-переход. Добавим, что конструктивно в состав транзистора способны входить одновременно диэлектрик (нитрид кремния), оксид (четырехвалентный кремния), как это случилось с КП305. Такие технические решения используются людьми, ищущими методы получения уникальных свойств изделия, удешевления.
FET устройства
Среди зарубежных аббревиатур для полевых транзисторов зарезервировано сочетание FET, иногда обозначает тип управления – с p-n-переходом. В последнем случае наравне с этим встретим JFET. Слова-синонимы. За рубежом принято отделять оксидные (MOSFET, MOS, MOST – синонимы), нитридные (MNS, MNSFET) полевые транзисторы. Наличие барьера Шоттки маркируется SBGT. По-видимому, материал значение, отечественная литература значение факта замалчивает.
Электроды полевых транзисторов на схемах обозначаются: D (drain) – сток, S (source) – исток, G (gate) – затвор. Подложку принято именовать substrate.
Устройство полевого транзистора
Управляющий электрод полевого транзистора называется затвором. Канал образован полупроводником произвольного типа проводимости. Сообразно полярность управляющего напряжения положительная или отрицательная. Поле соответствующего знака вытесняет свободные носители, пока перешеек под электродом затвора не опустеет вовсе. Достигается путем воздействия поля либо на p-n-переход, либо на однородный полупроводник. Ток становится равным нулю. Так работает полевой транзистор.
Ток протекает от истока к стоку, новичков традиционно мучает вопрос различения двух указанных электродов. Отсутствует разница, в каком направлении движутся заряды. Полевой транзистор обратим. Униполярность носителей заряда объясняет малый уровень шумов. Поэтому в технике полевые транзисторы занимают доминирующую позицию.

Конструкция транзистора
Ключевой особенностью приборов назовем большое входное сопротивление, в особенности, переменному току. Очевидный факт, проистекающий из управления обратно смещённым p-n-переходом (переходом Шоттки), либо емкости технологического конденсатора в районе изолированного затвора.
Подложки часто выступает нелегированный полупроводник. Для полевых транзисторов с затвором Шоттки — арсенид галлия. В чистом виде неплохой изолятор, к которому в составе изделия предъявляются требования:
- Отсутствие негативных явлений на стыке с каналом, истоком, стоком: светочувствительность, паразитное управление по подложке, гистерезис параметров.
- Термостабильность в процессе технологических циклов изготовления изделия: устойчивость к отжигу, эпитаксии. Отсутствие диффузии примесей в активные слои, вызванной этим деградации.
- Минимум примесей. Требование тесно связано с предыдущим.
- Качественная кристаллическая решетка, минимум дефектов.
Сложно создать значительной толщины слой, отвечающий перечню условий. Поэтому добавляется пятое требование, заключающееся в возможности постепенного наращивания подложки до нужных размеров.
Полевые транзисторы с управляющим p-n-переходом и МеП
В этом случае тип проводимости материала затвора отличается от используемого каналом. На практике встретите разные улучшения. Затвор составлен пятью областями, утопленными в канале. Меньшим напряжением удается управлять протеканием тока. Означая увеличение коэффициента усиления.

Биполярный транзистор
В схемах используется обратное смещение p-n-перехода, чем сильнее, тем уже канал для протекания тока. При некотором значении напряжения транзистор запирается. Прямое смещение опасно использовать по той причине, что мощная управляемая цепь может повлиять на контур затвора. Если переход открыт, потечет большой ток, либо приложится высокое напряжение. Нормальный режим обеспечивается правильным подбором полярности и других характеристик источника питания, выбором рабочей точки транзистора.
Однако в некоторых случаях намеренно используются прямые токи затвора. Примечательно, что этот режим могут использовать те МДП-транзисторы, где подложка образует с каналом p-n-переход. Движущийся заряд истока делится между затвором и стоком. Можно найти область, где получается значительный коэффициент усиления по току. Управляется режим затвором. При росте тока iз (до 100 мкА) параметры схемы резко ухудшаются.
Аналогичное включение используется схемой так называемого затворного частотного детектора. Конструкция эксплуатирует выпрямительные свойства p-n-перехода между затвором и каналом. Прямое смещение мало или вовсе нулевое. Прибор по-прежнему управляется током затвора. В цепи стока получается значительное усиление сигнала. Выпрямленное напряжение для затвора является запирающим, изменяется по входному закону. Одновременно с детектированием достигается усиление сигнала. Напряжение цепи стока содержит компоненты:
- Постоянная составляющая. Никак не используется.
- Сигнал с частотой несущей. Заводится на землю путем использования фильтрующих емкостей.
- Сигнал с частотой модулирующего сигнала. Обрабатывается для извлечения заложенной информации.
Недостатком затворного частотного детектора считают большой коэффициент нелинейных искажений. Причем результаты одинаково плохи для слабых (квадратичная зависимость рабочей характеристики) и сильных (выход в режим отсечки) сигналов. Несколько лучшие демонстрирует фазовый детектор на двухзатворном транзисторе. На один управляющий электрод подают опорный сигнал, на стоке образуется информационная составляющая, усиленная полевым транзистором.
Несмотря на большие линейные искажения эффект находит применение. Например, в избирательных усилителях мощности, дозировано пропускающих узкий спектр частот. Гармоники фильтруются, не оказывают большого влияния на итоговое качество работы схемы.
Транзисторы металл-полупроводник (МеП) с барьером Шоттки почти не отличаются от имеющих p-n-переход. По крайней мере, когда дело касается принципов работы. Но благодаря особым качествам перехода металл-полупроводник, изделия способны работать на повышенной частоте (десятки ГГц, граничные частоты в районе 100 ГГц). Одновременно МеП структура проще в реализации, когда дело касается производства и технологических процессов. Частотные характеристики определяются временем заряда затвора и подвижностью носителей (для GaAs свыше 10000 кв. см/В с).
МДП-транзисторы
В МДП-структурах затвор надежно изолирован от канала, управление происходит полностью за счет воздействия поля. Изоляция ведётся за счет оксида кремния или нитрида. Именно эти покрытия проще нанести на поверхности кристалла. Примечательно, что в этом случае также имеются переходы металл-полупроводник в районе истока и стока, как и в любом полярном транзисторе. Об этом факте забывают многие авторы, либо упоминают вскользь путем применения загадочного словосочетания омические контакты.
В теме про диод Шоттки поднимался этот вопрос. Не всегда на стыке металла и полупроводника возникает барьер. В некоторых случаях контакт омический. Это зависит по большей части от особенностей технологической обработки и геометрических размеров. Технические характеристики реальных приборов сильно зависят от различных дефектов оксидного (нитридного) слоя. Вот некоторые:
- Несовершенство кристаллической решетки в поверхностной области обусловлено разорванными связями на границе смены материалов. Влияние оказывают как свободные атомы полупроводника, там и примесей наподобие кислорода, который имеется в любом случае. Например, при использовании методов эпитаксии. В результате появляются энергетические уровни, лежащие в глубине запрещенной зоны.
- На границе оксида и полупроводника (толщиной 3 нм) образуется избыточный заряд, природа которого на сегодняшний день еще не объяснена. Предположительно, роль играют положительные свободные места (дырки) дефектных атомов самого полупроводника и кислорода.
- Дрейф ионизированных атомов натрия, калия и других щелочных металлов происходит при низких напряжениях на электроде. Это увеличивает заряд, скопившийся на границе слоев. Для блокировки этого эффекта в оксиде кремния используют окись фосфора (ангидрид).
Объемный положительный заряд в оксиде влияет на значение порогового напряжения, при котором отпирается канал. Параметр обусловливает скорость переключения и определяет ток утечки (ниже порога). Вдобавок, на срабатывание влияют материал затвора, толщина оксидного слоя, концентрация примесей. Таким образом, результат опять сводится к технологии. Чтобы получить заданный режим, подбирают материалы, геометрические размеры, процесс изготовления с пониженными температурами. Отдельные приемы позволят также уменьшить количество дефектов, что благоприятно сказывается на снижении паразитного заряда.
vashtehnik.ru
Транзистор – принцип работы.Основные параметры.
Как устроен транзистор.
Вне зависимости от принципа работы, полупроводниковый транзистор содержит в себе монокристалл из основного полупроводникового материала, чаще всего это – кремний, германий, арсенид галлия. В основной материал добавлены, легирующие добавки для формирования p-n перехода(переходов), металлические выводы.

Кристалл помещается в металлический, пластиковый или керамический корпус, для защиты от внешних воздействий. Однако, существуют также и бескорпусные транзисторы.
Принцип работы биполярного транзистора.
Биполярный транзистор может быть либо p-n-p, либо n-p-n в зависимости от чередования слоев полупроводника в кристалле. В любом случае выводы называются – база, коллектор и эмиттер. Слой полупроводника, соответствующий базе заключен между слоями эмиттера и коллектора. Он имеет принципиально очень малую ширину. Носители заряда движутся от эмиттера через базу – к коллектору. Условием возникновения тока между коллектором и эмиттером является наличие свободных носителей в области базы. Эти носители проникают туда при возникновении тока эмиттер-база. причиной которого может являться разность напряжения между этими электродами.
Т.е. – для нормальной работы биполярного транзистора в качестве усилителя сигнала всегда необходимо присутствие напряжения некого минимального уровня, для смещения перехода эмиттер-база в прямом направлении. Прямое смещение перехода база-эмиттер приоткрывая транзистор, задает так называемую – рабочую точку режима. Для гармоничного усиления сигнала по напряжению и току используют режим – А. В этом режиме напряжение между коллектором и нагрузкой, примерно равно половине питающего напряжения – т. е выходное сопротивление транзистора и нагрузки примерно равны . Если подавать теперь на переход база – эмиттер сигнал переменного тока, СОПРОТИВЛЕНИЕ эмиттер – коллектор будет изменяться, графически повторяя форму входного сигнала. Соответственно, то же будет происходить и с током через эмиттер к коллектору протекающим. Причем амплитуда тока будет большей, нежели амплитуда входного сигнала – будет происходить усиление сигнала.
Если увеличивать напряжение смещения база – эмиттер дальше, это приведет к росту тока в этой цепи, и как результат – еще большему росту тока эмиттер – коллектор. В конце, концов ток перестает расти – транзистор переходит в полностью открытое состояние(насыщения). Если затем убрать напряжение смещения – транзистор закроется, ток эмиттер – коллектор уменьшится, почти исчезнет. Так транзистор может работать в качестве электронного ключа. Этот режим наиболее эффективен в отношении управления мощностями, при протекании тока через полностью открытый транзистор величина падения напряжения минимальна. Соответственно малы потери тока и нагрев переходов транзистора.
Существует три вида подключения биполярного транзистора.
С общим эмиттером (ОЭ) — осуществляется усиление как по току, так и по напряжению — наиболее
часто применяемая схема.
Усилительные каскады построенные подобным образом, легче согласуются между собой,
так как значения их входного и выходного сопротивления относительно близки, если
сравнивать с двумя остальными видами включения (хотя иногда и отличаются в десятки раз).
С общим коллектором (ОК) осуществляется усиление только по току — применяется для согласования источников сигнала с высоким внутренним сопротивлением(импендансом) и низкоомными сопротивлениями нагрузок. Например, в выходных каскадах усилителей и контроллеров.
С общей базой (ОБ) осуществляется усиление только по напряжению. Имеет низкое входное и высокое выходное сопротивление и более широкий частотный диапазон. Это позволяет использовать подобное включение для согласования источников сигнала с низким внутренним сопротивлением(импендансом) с последующим каскадом усиления. Например – в входных цепях радиоприемных устройств.
Принцип работы полевого транзистора.

Полевой транзистор, как и биполярный имеет три электрода. Они носят названия – сток, исток и затвор. Если на затворе отсутствует напряжение, а на сток подано положительное напряжение относительно истока, то между истоком и стоком через канал течет максимальный ток.
Т. е. – транзистор полностью открыт. Для того, что бы его изменить, на затвор подают отрицательное напряжение, относительно истока. Под действием электрического поля (отсюда и название транзистора) канал сужается, его сопротивление растет, а ток через него уменьшается. При определенном значении напряжения канал сужается до такой степени, что ток практически исчезает – транзистор закрывается.
На рисунке изображено устройство полевого транзистора с изолированным затвором(МДП).

Если на затвор этого прибора не подано положительное напряжение, то канал между истоком и стоком отсутствует и ток равен нулю. Транзистор полностью закрыт. Канал возникает при некотором минимальном напряжении на затворе(напряжение порога). Затем сопротивление канала уменьшается, до полного открывания транзистора.
Полевые транзисторы, как с p-n переходом (канальные), так и МОП (МДП) имеют следующие схемы включения: с общим истоком (ОИ) — аналог ОЭ биполярного транзистора; с общим стоком (ОС) — аналог ОК биполярного транзистора; с общим затвором (ОЗ) — аналог ОБ биполярного транзистора.
По рассеиваемой в виде тепла мощности различают:
маломощные транзисторы – до 100 мВт ;
транзисторы средней мощности – от 0,1 до 1 Вт;
мощные транзисторы – больше 1 Вт.
Важные параметры биполярных транзисторов.
1. Коэффициент передачи тока(коэффициент усиления) –
от 1 до 1000 при постоянном токе. С увеличением частоты постепенно снижается.
2. Максимальное напряжение между коллектором и эмиттером(при разомкнутой базе)
У специальных высоковольтных транзисторов, достигает десятков тысяч вольт.
3.Предельная частота, до которой коэффициент передачи тока выше 1.
До 100000 гц. у низкочастотных транзисторов, свыше 100000 гц. – у высокочастотных.
4.Напряжение насыщения эмиттер-коллектор – величина падения напряжения между этими
электродами у полностью открытого транзистора.
Важные параметры полевых транзисторов.
Усилительные свойства полевого транзистора определяются отношением приращения тока стока к вызвавшему его приращению напряжения затвор – исток, т. е.
ΔId /ΔUGSЭто отношение принято называть крутизной прибора, а по сути дела оно является передаточной проводимостью и измеряется в миллиамперах на вольт(мА /В).
Другие важнейшие параметры полевых транзисторов приведены ниже:
1. IDmax – максимальный ток стока.
2.UDSmax – максимальное напряжение сток-исток.
3.UGSmax – максимальное напряжение затвор-исток.
4.РDmax – максимальна мощность, которая может выделяться на приборе.
5.ton – типовое время нарастания тока стока при идеально прямоугольной форме входного сигнала.
6.toff – типовое время спада тока стока при идеально прямоугольной форме входного сигнала.
7.RDS(on)max – максимальное значение сопротивления исток – сток в включенном(открытом) состоянии.
На главную страницу
Использование каких – либо материалов этой страницы, допускается при наличии ссылки на сайт “Электрика это просто”.
elektrikaetoprosto.ru
Полевой транзистор
Часть 2. Полевой транзистор с изолированным затвором MOSFET
Полевой транзистор с изолированным затвором – это транзистор, затвор которого электрически изолирован от проводящего канала полупроводника слоем диэлектрика. Благодаря этому, у транзистора очень высокое входное сопротивление (у некоторых моделей оно достигает 1017 Ом).
Принцип работы этого типа полевого транзистора, как и полевого транзистора с управляющим PN-переходом, основан на влиянии внешнего электрического поля на проводимость прибора.

В соответствии со своей физической структурой, полевой транзистор с изолированным затвором носит название МОП-транзистор (Металл-Оксид-Полупроводник), или МДП-транзистор (Металл-Диэлектрик-Полупроводник). Международное название прибора – MOSFET (Metal-Oxide-Semiconductor-Field-Effect-Transistor).
МДП-транзисторы делятся на два типа – со встроенным каналом и с индуцированным каналом. В каждом из типов есть транзисторы с N–каналом и P-каналом.

Устройство МДП-транзистора (MOSFET) с индуцированным каналом.
На основании (подложке) полупроводника с электропроводностью P-типа (для транзистора с N-каналом) созданы две зоны с повышенной электропроводностью N+-типа. Все это покрывается тонким слоем диэлектрика, обычно диоксида кремния SiO2. Сквозь диэлектрический слой проходят металлические выводы от областей N+-типа, называемые стоком и истоком. Над диэлектриком находится металлический слой затвора. Иногда от подложки также идет вывод, который закорачивают с истоком

Работа МДП-транзистора (MOSFET) с индуцированным каналом N-типа.
Подключим напряжение любой полярности между стоком и истоком. В этом случае электрический ток не пойдет, поскольку между зонами N+ находиться область P, не пропускающая электроны. Далее, если подать на затвор положительное напряжение относительно истока Uзи, возникнет электрическое поле. Оно будет выталкивать положительные ионы (дырки) из зоны P в сторону подложки. В результате под затвором концентрация дырок начнет уменьшаться, и их место займут электроны, притягиваемые положительным напряжением на затворе.
Когда Uзи достигнет своего порогового значения, концентрация электронов в области затвора превысит концентрацию дырок. Между стоком и истоком сформируется тонкий канал с электропроводностью N-типа, по которому пойдет ток Iси. Чем выше напряжение на затворе транзистора Uзи, тем шире канал и, следовательно, больше сила тока. Такой режим работы полевого транзистора называется режимом обогащения.

Принцип работы МДП-транзистора с каналом P–типа такой же, только на затвор нужно подавать отрицательное напряжение относительно истока.
Вольт-амперные характеристики (ВАХ) МДП-транзистора с индуцированным каналом.
ВАХ полевого транзистора с изолированным затвором похожи на ВАХ полевого транзистора с управляющим PN-переходом. Как видно на графике а), вначале ток Iси растет прямопропорционально росту напряжения Uси. Этот участок называют омическая область (действует закон Ома), или область насыщения (канал транзистора насыщается носителями заряда ). Потом, когда канал расширяется почти до максимума, ток Iси практически не растет. Этот участок называют активная область.
Когда Uси превышает определенное пороговое значение (напряжение пробоя PN-перехода), структура полупроводника разрушается, и транзистор превращается в обычный проводник. Данный процесс не восстановим, и прибор приходит в негодность.

Устройство МДП-транзистора (MOSFET) со встроенным каналом.
Физическое устройство МДП-транзистора со встроенным каналом отличается от типа с индуцированным каналом наличием между стоком и истоком проводящего канала.
Работа МДП-транзистора (MOSFET) со встроенным каналом N-типа.
Подключим к транзистору напряжение между стоком и истоком Uси любой полярности. Оставим затвор отключенным (Uзи = 0). В результате через канал пойдет ток Iси, представляющий собой поток электронов.
Далее, подключим к затвору отрицательное напряжение относительно истока. В канале возникнет поперечное электрическое поле, которое начнет выталкивать электроны из зоны канала в сторону подложки. Количество электронов в канале уменьшиться, его сопротивление увеличится, и ток Iси уменьшиться. При повышении отрицательного напряжения на затворе, уменьшается сила тока. Такое состояние работы транзистора называется режимом обеднения.
Если подключить к затвору положительное напряжение, возникшее электрическое поле будет притягивать электроны из областей стока, истока и подложки. Канал расшириться, его проводимость повыситься, и ток Iси увеличиться. Транзистор войдет в режим обогащения.
Как мы видим, МДП-транзистор со встроенным каналом способен работать в двух режимах — в режиме обеднения и в режиме обогащения.
Вольт-амперные характеристики (ВАХ) МДП-транзистора со встроенным каналом.

Преимущества и недостатки полевых транзисторов перед биполярными.
Полевые транзисторы практически вытеснили биполярные в ряде применений. Самое широкое распространение они получили в интегральных схемах в качестве ключей (электронных переключателей)
Главные преимущества полевых транзисторов
- Благодаря очень высокому входному сопротивлению, цепь полевых транзисторов расходует крайне мало энергии, так как практически не потребляет входного тока.
- Усиление по току у полевых транзисторов намного выше, чем у биполярных.
- Значительно выше помехоустойчивость и надежность работы, поскольку из-за отсутствия тока через затвор транзистора, управляющая цепь со стороны затвора изолирована от выходной цепи со стороны стока и истока.
- У полевых транзисторов на порядок выше скорость перехода между состояниями проводимости и непроводимости тока. Поэтому они могут работать на более высоких частотах, чем биполярные.
Главные недостатки полевых транзисторов
- У полевых транзисторов большее падение напряжения из-за высокого сопротивления между стоком и истоком, когда прибор находится в открытом состоянии.
- Структура полевых транзисторов начинает разрушаться при меньшей температуре (150С), чем структура биполярных транзисторов (200С).
- Несмотря на то, что полевые транзисторы потребляют намного меньше энергии, по сравнению с биполярными транзисторами, при работе на высоких частотах ситуация кардинально меняется. На частотах выше, примерно, чем 1.5 GHz, потребление энергии у МОП-транзисторов начинает возрастать по экспоненте. Поэтому скорость процессоров перестала так стремительно расти, и их производители перешли на стратегию «многоядерности».
-
При изготовлении мощных МОП-транзисторов, в их структуре возникает «паразитный» биполярный транзистор. Для того, чтобы нейтрализовать его влияние, подложку закорачивают с истоком. Это эквивалентно закорачиванию базы и эмиттера паразитного транзистора. В результате напряжение между базой и эмиттером биполярного транзистора никогда на достигнет необходимого, чтобы он открылся (около 0.6В необходимо, чтобы PN-переход внутри прибора начал проводить).

Однако, при быстром скачке напряжения между стоком и истоком полевого транзистора, паразитный транзистор может случайно открыться, в результате чего, вся схема может выйти из строя.
-
Важнейшим недостатком полевых транзисторов является их чувствительность к статическому электричеству. Поскольку изоляционный слой диэлектрика на затворе чрезвычайно тонкий, иногда даже относительно невысокого напряжения бывает достаточно, чтоб его разрушить. А разряды статического электричества, присутствующего практически в каждой среде, могут достигать несколько тысяч вольт.
Поэтому внешние корпуса полевых транзисторов стараются создавать таким образом, чтоб минимизировать возможность возникновения нежелательного напряжения между электродами прибора. Одним из таких методов является закорачивание истока с подложкой и их заземление. Также в некоторых моделях используют специально встроенный диод между стоком и истоком. При работе с интегральными схемами (чипами), состоящими преимущественно из полевых транзисторов, желательно использовать заземленные антистатические браслеты. При транспортировке интегральных схем используют вакуумные антистатические упаковки
hightolow.ru
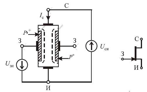
Лекция 5 Полевые транзисторы и принцип их работы
1.5. Полевые транзисторы, принцип их работы
Наряду с биполярными транзисторами нашли применение полевые транзисторы, в которых рабочие носители заряда переносятся по каналу, формируемому в полупроводнике n или p типа таким образом, что они не проходят через границыp иnслоев. По способу формирования канала эти приборы подразделяются на транзисторы сp-n переходом, со встроенным каналом и индуцируемым каналом. Два последних типа относятся к МДП-транзисторам.
В отличие от биполярного транзистора, где происходит токовое управление потоком рабочих носителей заряда, в полевом транзисторе управление потоком осуществляется электрическим полем, что и дало наименование прибору. Преимуществом полевых транзисторов является весьма малый уровень мощности, который потребляется для управления потоком, поскольку ток входной цепи практически равен нулю. Однако эти транзисторы уступают биполярным по уровню выходной мощности.

Рис.1.11. Структура полевого транзистора
с p–n переходом
Структура транзистора
с p-n переходом схематически представлена
на рис.1.11. Прибор имеет три электрода:
исток (аналог эмиттера в биполярном
транзисторе), сток (аналог коллектора)
и затвор (аналог базе). На рис.1.11 показано
включение этого транзистора по схеме
с общим истоком, аналогичной схеме ОЭ
включения биполярного транзистора.
Канал протекания рабочих носителей
заряда (в рассматриваемом случае
электронов), формируемый в полупроводникеn-типа,
заключен между двумяp-n переходами. Канал с двух сторон снабжен
двумя электродами: истоком, с которого
носители заряда начинают движение, и
стоком, где это движение заканчивается.
Третий электрод, затвор, соединен сp-слоями.
Между истоком и стоком приложено
напряжениеU
,
обеспечивающее перенос носителей
заряда между этими электродами.
Управляющим (входным) напряжением
являетсяU
.
На затвор подается “минус”
относительно истока. Таким образом,p-n переход находится в закрытом состоянии,
что обусловливает малую величину тока
в цепи затвора. При увеличении
отрицательного значения напряженияU
происходит увеличение шириныp-n перехода за счетn-
слоя канала, а тем самым уменьшение
ширины канала (см. рис.1.12,а). В результате
происходит увеличение сопротивления
канала, что и обеспечивает управление
потоком электронов.

Рис.1.12. Сужение
канала полевого транзистора с p–n переходомпри
приложении напряжений: а – U
,
б – U
Напряжение U
также изменяет ширину канала за
счет изменения
шириныp-n перехода. Однако, поскольку оно
равномерно приложено по длине канала,
то его ширина уменьшается по мере
приближения к стоку, к которому подведен
“плюс” (см. рис.1.12,б). Очевидно, степень
уменьшения ширины канала, а, следовательно,
его сопротивление будет увеличиваться
при увеличении напряженияU
.
Этим объясняется
вид выходной, стоковой характеристики,
приведенной на рис.1.13. При малых значениях
напряженияU
обусловленное этим напряжением уменьшение
ширины канала не существенно. В данных
условиях на движения носителей заряда
в канале оказывает влияние только
напряжение между стоком и истоком, в
результате чего ток стокаI
резко увеличивается с ростом
U
.
При больших значениях напряжения
U
ток носителей заряда находится под
влиянием двух противодействующих
факторов. С увеличением напряжения, с
одной стороны, увеличивается скорость
переноса носителей заряда от истока к
стоку, а с другой стороны, – увеличивается
сопротивление канала. В результате
величина тока стока лишь немного растет
при увеличении напряженияU
,
в приборе устанавливается режим
насыщения, ограничивающийся сверху
пробивным напряжениемUси
проб.
Режимы пробоя
на рис.1.13 (а также на рис.1.15) не указаны.
Увеличение отрицательного напряженияU
увеличивает сопротивление канала,
что обусловливает смещение вольт-амперной
характеристики в область малых значений
токаI
.
При этом также уменьшается величина
напряжения пробоя.

Рис.1.13. Стоковая характеристика полевого
транзистора с p–n переходом
Наименование МДП-транзисторы (“металл – диэлектрик – проводник”) связано с конструктивными особенностями этих приборов. Они отражены на рис.1.14, на котором приведена схема конструкции транзистора с встроенным каналом. На поверхности подложки, которая выполнена из полупроводника типа p, создается канал n-типа с областями истока и стока. Полупроводник покрыт окисной пленкой, на которую наносится металлическая пленка, выполняющая функцию затвора. Таким образом, канал оказывается изолированным от затвора диэлектрической, окисной пленкой. В общем случае МДП-транзистор имеет четыре электрода. Четвертый электрод соединен с подложкой. Схема включения такого транзистора показана на рис.1.14.

Рис.1.14. Структура МДП-транзистора
Технология изготовления
МДП-транзисторов с индуцированным
каналом обусловила их широкое применение
в составе микросхем. В таких транзисторах
специально канал не создается. Он
формируется (индуцируется) на поверхности
подложки при положительном напряжении
затвор- исток, когда электрическое поле
затвора вытягивает из подложки электроны,
за счет которых создается канал протекания
тока стока. Очевидно, в МДП-транзисторе
с индуцированным каналом при нулевом
напряжении U
ток стока отсутствует, а с увеличением
напряжения затвор-исток увеличивается
ток стока, что иллюстрируется рис.1.15,
на котором приведена стоковая
характеристика такого прибора.

Рис.1.15. Стоковые характеристики МДП-транзистора
с индуцированным каналом
Следует отметить, что в биполярном транзисторе ток коллектора также увеличивается с увеличением входного напряжения (см. рис.1.8 и 1.9). Однако, начальные участки вольт-амперных характеристик выходных цепей биполярных и полевых транзисторов отличаются. Если в биполярном транзисторе в области малых напряжений UКЭнаклон вольт-амперных характеристик не зависит от тока базы, т.е. от входного напряжения, то в полевом транзисторе, как видно из рис.1.15, эта зависимость существенна. Принципы работы МДП-транзисторов были рассмотрены на примере приборов сn-каналом. Аналогичным образом функционируют и транзисторы сp-каналом, в которых рабочими носителями заряда являются дырки, а подложка выполнена из полупроводникового материалаn-типа. В таких приборах направление токов и полярность напряжений будут противоположны тем, которые имеются у приборов сn-каналом. На рис.1.16 приведены схемные обозначения полевых транзисторов.

Рис.1.16. Схемные обозначения полевых транзисторов:
1 – транзистор с p–n переходом: с n-каналом,
2 – транзистор с p–n переходом и с p-каналом,
3 – МДП-транзистор с встроенным n-каналом,
4 – МДП-транзистор с встроенным p– каналом,
5 – МДП-транзистор с индуцированным n-каналом,
6 – МДП-транзистор с индуцированным p– каналом
Входное и выходное сопротивления полевых транзисторов, в отличие от биполярных, имеют существенную емкостную компоненту. Это учитывается схемой замещения для переменных токов и напряжений. Наиболее распространенная схема замещения полевого транзистора приведена на рис.1.17, в которой отражено наличие трех межэлектронных емкостей: Сзи– затвор – исток,Сси– сток – исток,Сзс– затвор – сток. Первые две обусловлены, в основном, барьерной емкостью закрытогоp-n- перехода, примыкающего как к истоку, так и к стоку. Поэтому их величины, составляющие 10 – 40 пФ, в три – пять раз превышают величину емкости сток – исток.

Рис.1.17. Схема замещения полевого транзистора
Наличие в схеме источника тока Suвхотражает зависимость выходного тока от входного напряжения, гдеS– крутизна передаточной характеристики, определяемая соотношением
S
=
.
Зависимость выходного тока от напряжения сток – исток учитывается сопротивлением ri, величина которого определяется как
ri=
.
Величины параметров Sи riрассчитываются с использованием стоковой характеристики транзистора.
studfiles.net
Мощные полевые транзисторы-принцип работы, применение
Существует два главных основополагающих типа полевых (униполярных, управляемых напряжением) транзисторов, являющихся активными полупроводниковыми элементами, обладающими высокой мощностью – это n-канальные иp-канальные.
Первые из них применяются более часто и отличаются наибольшим диапазоном токов и напряжений. Кроме этих моделей производятся полевые транзисторы, управляемые сигналом логического уровня, они обладают ограничением по току и защелкой по напряжению.
Определение полевого транзистора
Транзистор полевого типа считается полупроводниковым прибором, в конструкции которого регулировка осуществляется измерением проводимости проводящего канала, благодаря использованию поперечного электрического поля.
Другими словами, он является источником тока, который управляется Uз-и. От параметра напряжения между затвором и истоком зависит проводимость канала. Помимо p–n – канальных транзисторов существует их разновидность с затвором из металла, который изолирован от канала кремниевым диэлектриком. Это МДП-транзисторы (металл – диэлектрик, (окисел) – проводник). Транзисторы с использованием окисела называются МОП-транзисторы.
Параметры, характеризующие полевой транзистор
- Ширина канала – расстояние между p-n-переходами W.
- Напряжение отсечки — напряжение на затворе при исчезновении каналов.
- Напряжение насыщения – с него начинается формирование пологой части ВАХ.
- Стоко-затворная ВАХ (вольт-амперная характеристика).
Рис. №1. Стоко-затворная ВАХ n-канального транзистора с
Ic= Icmax (I – Uзи / U0)2 , здесь Icmax стока.
- Крутизна определяется по формуле S = dIc / dUзи(мА/В),что является следствием увеличенияU рабочего стока, при этом крутизна полевого транзистора становится меньше.
- Внутреннее сопротивление транзистора (дифференциальное сопротивление) rcсоставляет в пологой части характеристики несколько МОм.
- Лавинный пробой p-n-переходов возможен после повышения напряжения области стока и истока, что считается причиной ограничения применения полевого транзистора относительноUc.
- Коэффициент усиления относительно напряжения µu= srспри уменьшении величины тока стока коэффициент µuповышается.
- Инерционность полевого транзистора обуславливается временем,отводимым на заряд барьерной емкости переходов затвора.
- Полевой транзистор обладает граничной частотой для улучшения своих качественных частотных свойств.
Проводимость транзистора
Существует две разновидности проводимости – электронная и дырочная, это означает, что в основе работы лежит использование электронов и дырок. Транзистор с электронной проводимостью относится к n-канальным устройствам, p-канальные транзисторы обладают дырочной проводимостью.
Отличие полевых униполярных транзисторов от биполярных заключается в наличии значительно высокого значения величины входного сопротивления. Потребление электроэнергии полевыми транзисторами отличается значительной экономией.
Небольшие габаритные размеры МОП-транзисторах позволяет занимать очень малую площадь в конструкции интегральной схемы, в противоположность биполярным аналогам. Благодаря этому достигается значительно уплотненная компоновка элементов в интегральных схемах. Технология производства интегральной схемы на МОП-транзисторах затрачивает намного меньшее количество операций, чем технология производства ИС с применением биполярного транзистора.
Структура полевого транзистора
Основополагающий принцип работы, на котором осуществляется действие полевого транзистора с использованием управляющего p-n-перехода основывается на изменении проводимости канала, которая возможна благодаря изменению поперечного сечения. Сток и исток включают напряжение полярности, при котором главные носители заряда (ими являются электроны в канале n-типа) движутся от истока к стоку. В свою очередь, между затвором и истоком включается отрицательное напряжение, управляющее запиранием p – n–переходом.

Рис. №2. Структуры (а) полевых транзисторов с управляющим p—n-перехода и (б) структура транзистора с изолированным затвором.
При большем значении напряжения расширяется запирающий активный слой и канал становится уже. С уменьшением поперечного размера канала происходит увеличение сопротивления и уменьшение величины тока между стоком и истоком. Это действие позволяет управлять протеканием тока. При невысоком значении напряжения затвор — исток происходит перекрытие канала запирающим слоем, что снижает проводимость канала. Ширина канала варьируется от нулевого значения до отрицательных величин, иначе говоря, p-n-переходы затвора сдвигаются в обратном направлении, сопротивление увеличивается.
Напряжение на затворе после исчезновения канала и смыкании p-n-перехода, определяется, как напряжение отсечки U0– это величина считается одной из основополагающих для всех разновидностей полевых транзисторов.

Рис. №3. Структура полевого транзистора. Канал, расположенный между электродами стоком и истоком сформирован из слабообогащенного полупроводника n-типа.
Сфера использования полевых транзисторов
Полевой транзистор является устройством, рассчитанным на большую мощность, характерным в конструкции регуляторов, конвертеров, драйверов, электродвигателей, реле и мощных биполярных транзисторов. Они применяются в конструкции зарядных устройств, автоэлектроники, устройствах управления температурным режимом, широкополосных и малошумящих усилителях в схемах зарядочувствительных предусилителей и прочее. Для полевых транзисторов характерно наличие высокого входного сопротивления. Управление полевым транзистором производится непосредственно от микросхемы, без применения добавочных усиливающих каскадов.
Пишите комментарии, дополнения к статье, может я что-то пропустил. Загляните на карту сайта, буду рад если вы найдете на моем сайте еще что-нибудь полезное.
elektronchic.ru
