Расчёт частоты резонанса колебательного контура
Колебательный контур — электрическая цепь, в которой могут возникать колебания с частотой, определяемой параметрами цепи.
Простейший колебательный контур состоит из конденсатора и катушки индуктивности, соединенных параллельно или последовательно.
– Конденсатор C – реактивный элемент. Обладает способностью накапливать и отдавать электрическую энергию.
– Катушка индуктивности L – реактивный элемент. Обладает способностью накапливать и отдавать магнитную энергию.
Свободные электрические колебания в параллельном контуре.
Основные свойства индуктивности:
– Ток, протекающий в катушке индуктивности, создаёт магнитное поле с энергией .
– Изменение тока в катушке вызывает изменение магнитного потока в её витках, создавая в них ЭДС, препятствующую изменению тока и магнитного потока.
Период свободных колебаний контура LC можно описать следующим образом:
Если конденсатор ёмкостью C заряжен до напряжения
Если параллельно заряженному конденсатору подключить катушку индуктивности L, в цепи пойдёт ток его разряда, создавая магнитное поле в катушке.
Магнитный поток, увеличиваясь от нуля, создаст ЭДС в направлении противоположном току в катушке,
что будет препятствовать нарастанию тока в цепи, поэтому конденсатор разрядится не мгновенно, а через время t1,
которое определяется индуктивностью катушки и ёмкостью конденсатора из расчёта t1 = .
По истечении времени t1, когда конденсатор разрядится до нуля, ток в катушке и магнитная энергия будут максимальны.
Накопленная катушкой магнитная энергия в этот момент составит.
Изменение (уменьшение) магнитного потока накопленной энергии катушки создаст в ней ЭДС,
которая продолжит ток в том же направлении и начнётся процесс заряда конденсатора
индукционным током. Уменьшаясь от максимума до нуля в течении времени t2 = t1,
он перезарядит конденсатор от нуля до максимального отрицательного значения (-U).
Так магнитная энергия катушки перейдёт в электрическую энергию конденсатора.
Описанные интервалы
Во второй половине процессы аналогичны, только конденсатор будет разряжаться от отрицательного значения, а ток и магнитный поток сменят направление. Магнитная энергия вновь будет накапливаться в катушке в течении времени t3, сменив полярность полюсов.
В течении заключительного этапа колебания (t4), накопленная магнитная энергия катушки зарядит конденсатор до первоначального значения U (в случае отсутствия потерь) и процесс колебания повторится.
В реальности, при наличии потерь энергии на активном сопротивлении проводников,
фазовых и магнитных потерь, колебания будут затухающими по амплитуде.
Частота свободных колебаний контура ƒ = 1 / T
Частота свободных колебаний является частотой резонанса контура, на которой реактивное сопротивление индуктивности XL=2πfL равно реактивному сопротивлению ёмкости XC=1/(2πfC).
Расчёт частоты резонанса LC-контура:
Предлагается простой онлайн-калькулятор для расчёта резонансной частоты колебательного контура.
Необходимо вписать значения и кликнуть мышкой в таблице.
При переключении множителей автоматически происходит пересчёт результата.
Частота резонанса колебательного контура LC. |
Расчёт ёмкости:
Ёмкость для колебательного контура LC |
Расчёт индуктивности:
Индуктивность для колебательного контура LC |
Похожие страницы с расчётами:
Рассчитать импеданс.
Рассчитать реактивное сопротивление.
Рассчитать реактивную мощность и компенсацию.
tel-spb.ru
Резонанс в последовательном и параллельном LC контуре. » Хабстаб
Чтобы понять причину возникновения резонанса необходимо разобраться как течёт ток через конденсатор и катушку индуктивности.При протекании тока через катушку индуктивности напряжение опережает ток. Давайте рассмотрим этот процесс подробнее, когда напряжение на концах катушки максимально, ток через катушку не течет, по мере уменьшения напряжения, ток увеличивается и когда напряжение на концах катушки равно нулю, ток через катушку максимален. Далее, напряжение уменьшается и достигает минимума, ток при этом равен нулю. Из этого можно сделать вывод, что ток через катушку максимален, когда напряжение на её концах равно нулю и ток равен нулю, когда напряжение на её концах максимально. Таким образом, если сопоставить графики изменения напряжения и тока , создаётся впечатление, что напряжение опережает ток на 90 градусов. Это можно увидеть на рисунке ниже.

Совсем противоположно катушке индуктивности ведет себя конденсатор. Когда напряжение на концах конденсатора равно нулю, ток через него максимален, по мере зарядки конденсатора ток через него уменьшается, это связано с тем, что разность потенциалов между конденсатором и источником напряжения уменьшается, а чем меньше разность потенциалов, тем меньше ток. Когда конденсатор полностью заряжен ток через него не течет так, как нет разности потенциалов. Напряжение начинает уменьшаться и становится равно нулю, при этом ток максимален только течет в другом направлении, далее напряжение достигает минимума и ток через конденсатор снова не течет. Делаем вывод, что ток через конденсатор максимальный когда напряжение на его обкладках равно нулю и ток равен нулю когда напряжение на конденсаторе минимально. Если сопоставить графики изменения тока и напряжение, создается впечатление, что ток опережает напряжение на 90 градусов. Это можно увидеть на рисунке ниже.

На резонансной частоте для контура, состоящего из конденсатора и катушки индуктивности, неважно параллельный он или последовательный, их сопротивления равны и сдвиг фаз между напряжением и током равен нулю. Ведь действительно если подумать, то в конденсаторе ток опережает напряжение на 90 градусов, то есть +90 градусов, а в катушке индуктивности ток отстает от напряжения на 90 градусов, то есть -90 градусов и если сложить их получится нуль. Для пары, конденсатор и катушка индуктивности параллельный и последовательный резонанс возникают на одной и той же частоте.
Давайте рассмотрим резонанс в последовательном колебательном контуре.

На верхнем графике изображена зависимость тока от времени, протекающего через контур, ниже два графика это напряжения, на конденсаторе и катушке, самый нижний это сумма напряжений на катушке и конденсаторе. Видно, что суммарное напряжение на конденсаторе и катушке индуктивности равно нулю, также говорят, что сопротивление последовательного колебательного контура на резонансной частоте стремится к нулю.
Давайте соберем простую схему, изображенную на рисунке.

Сопротивление резистора должно быть больше выходного сопротивления генератора, то есть больше 50 Ohm, я взял первый попавшийся.
Расчетная резонансная частота такого контура 270 KHz, но так как номиналы имеют определенный допуск, который обычно указывается в процентах, придется ее подобрать. Подбирать будем исходя из того, что сопротивления катушки индуктивности и конденсатора на резонансной частоте равны, а так как они соединены последовательно, то равны и падения напряжений. Первый канал показывает напряжение на контуре, второй канал напряжение на катушке, канал Math показывает разность между первым и вторым каналом, а по сути напряжение на конденсаторе. Причина по которой, я не подключил щуп осциллографа параллельно конденсатору, будет подробно описана в следующей статье. Если кратко, то есть правило подключать земляной крокодил только к земле, если осциллограф и исследуемая схема питаются от бытовой сети и имеют заземление. Делается это, для того чтобы не спалить исследуемую схему и осциллограф.


На осциллограммах видно, что на резонансной частоте падение напряжения на катушке и конденсаторе равны и противоположны по знаку, а суммарное падение напряжения на контуре стремится к нулю. В последовательном колебательном контуре на резонансной частоте напряжение на катушке и конденсаторе выше чем на генераторе. Давайте увеличим частоту и посмотри что изменится.

Видим, что напряжение на катушке увеличилось потому, что увеличилось её сопротивление, так как оно прямо пропорционально зависит от частоты. Напряжение на конденсаторе уменьшилось потому, что его сопротивление с ростом частоты уменьшается. Теперь уменьшим частоту.

Видим, что напряжение на конденсаторе увеличилось, а на катушке уменьшилось, также надо отметить, что разность фаз между сигналами равна 180 градусам.
Давайте теперь рассмотрим резонанс в параллельном контуре, ситуация аналогичная с последовательным контуром, только в последовательном мы рассматривали напряжения, а в параллельном будем рассматривать токи.

Видим, что токи сдвинуты относительно друг друга на 180 градусов, а их сумма равна нулю, то есть ток через контур не течет, а его сопротивление стремится к бесконечности. Параллельный колебательный контур используют как полосно-заграждающий фильтр, радиолюбители называют его фильтр- пробка. Он не пропускает напряжение частота которого равна его резонансной частоте. Давайте соберем простую схему, изображенную на картинке ниже и посмотрим как будет изменяться напряжение на концах контура в зависимости от частоты.

Так как конденсатор и индуктивность те же, что и в прошлом эксперименте резонансная частота контура та же.

На резонансной частоте сопротивление контура стремится к бесконечности, следовательно и напряжение будет максимально. Давайте уменьшим частоту.

Видим, что напряжение на контуре уменьшилось, произошло это потому, что сопротивление катушки уменьшилось и она зашунтировала конденсатор.
Теперь давайте увеличим частоту.

С ростом частоты сопротивление конденсатора уменьшилось и он зашунтировал катушку.
Пожалуй, это всё, что хотелось рассказать про резонанс.
hubstub.ru
Параллельный колебательный контур | Практическая электроника
В прошлой статье мы с вами рассмотрели последовательный колебательный контур, так как все участвующие в нем радиоэлементы соединялись последовательно. В этой же статье мы рассмотрим параллельный колебательный контур, в котором катушка и конденсатор соединяются параллельно. На схеме идеальный колебательный контур выглядит вот так:
В реальности у нас катушка обладает приличным сопротивлением потерь, так как намотана из провода, да и конденсатор тоже имеет некоторое сопротивление потерь. Потери в емкости очень малы и ими обычно пренебрегают. Поэтому оставим только одно сопротивление потерь катушки R. Тогда схема реального колебательного контура примет уже вот такой вид:
где
R — это сопротивление потерь контура, Ом
L — собственно сама индуктивность, Генри
С — собственно сама емкость, Фарад
Для параллельного колебательного контура также работает формула Томсона для резонансной частоты как и для последовательного колебательного контура:
где
F — это резонансная частота контура, Герцы
L — индуктивность катушки, Генри
С — емкость конденсатора, Фарады
А давайте подцепим к генератору частоты этот колебательный контур

Что будет, если мы подадим на контур ток с частотой в ноль Герц, то есть постоянный ток? Он спокойно побежит через катушку и будет ограничиваться лишь сопротивлением потерь R самой катушки. Через конденсатор ток не побежит, потому что конденсатор не пропускает постоянный ток. Об это я писал еще в статье конденсатор в цепи постоянного и переменного тока.
Ладно, ОК. Давайте тогда будем добавлять частоту. Итак, с увеличением частоты у нас конденсатор и катушка начнут оказывать реактивное сопротивление электрическому току.
Реактивное сопротивление катушки выражается по формуле:
а конденсатора по формуле
Более подробно про это можно прочитать в этой статье.
Если плавно увеличивать частоту, то можно прикинуть, что в начале конденсатор будет оказывать бОльшее сопротивление, чем катушка индуктивности. В каком-то диапазоне частоты реактивные сопротивления катушки и конденсатора уравняются. Если дальше увеличивать частоту, то потом катушка уже будет оказывать бОльшее сопротивление, чем конденсатор.
Очень интересное свойство параллельного колебательного контура заключается в том, что при ХL = ХС у нас колебательный контур войдет в резонанс. При резонансе колебательный контур начнет оказывать большое сопротивление переменному электрическому току. Еще часто это сопротивление называют резонансным сопротивлением контура и оно выражается формулой:
где
Rрез — это сопротивление контура на резонансной частоте
L — собственно сама индуктивность катушки
C — собственно сама емкость конденсатора
R — сопротивление потерь катушки
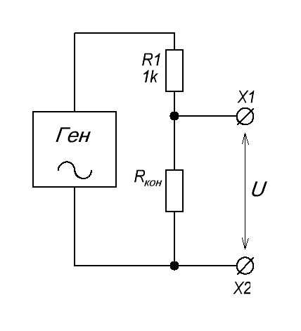
Ладно, ближе к делу. Берем паяльник в руки и спаиваем катушку и конденсатор параллельно. Катушка на 22 мкГн, а конденсатор на 1000пФ.

Мда, из меня паяльник еще тот)
Итак, реальная схема этого контура будет вот такая:
Для того, чтобы все показать наглядно и понятно, давайте добавим к контуру последовательно резистор и соберем вот такую схему:
С клемм X1 и X2 мы будем снимать напряжение и смотреть его на осциллографе.
Итак, упростим схему для понимания процессов.
Нетрудно догадаться, что у нас сопротивление параллельного колебательного контура будет зависеть от частоты генератора, так как в этом колебательном контуре мы видим два радиоэлемента, чьё реактивное сопротивление напрямую зависит от частоты, поэтому заменим колебательный контур эквивалентным сопротивлением контура Rкон.
Упрощенная схема будет выглядеть вот так:

Интересно, на что похожа эта схема? Не на делитель ли напряжения? Именно! Итак, вспоминаем правило делителя напряжения: на меньшем сопротивлении падает меньшее напряжение, на бОльшем сопротивлении падает бОльшее напряжение. Какой вывод можно сделать применительно к нашему колебательному контуру? Да все просто: на резонансной частоте сопротивление R
Ну что же, настало время долгожданных опытов. Припаиваем к нашему контуру резистор сопротивлением в 1 КилоОм

и начинаем мусолить крутилку генератора частоты, снимая напряжение с колебательного контура с клеммников Х1 и Х2:
Скрины в студию!
200 Герц. Как вы видите, на колебательном контуре «падает» малое напряжение, значит, по правилу делителя напряжения, можно сказать, что сейчас у него малое сопротивление R

Добавляем частоту. 11,4 Килогерца

Как вы видите, напряжение на контуре поднялось. Это значит, что сопротивление колебательного контура увеличилось.
Добавляем еще частоту. 50 КилоГерц

Заметьте, напряжение на контуре повысилось еще больше. Значит его сопротивление снова увеличилось.
723 Килогерца

Обратите внимание на цену деления одного квадратика по вертикали, по сравнению с прошлым скрином. Там было 20мВ на один квадратик, а сейчас уже 500 мВ на один квадратик. Напряжение выросло, так как сопротивление колебательного контура стало еще больше.
И вот я поймал такую частоту, на которой получилось максимальное напряжение на колебательном контуре. Обратите внимание на цену деления по вертикали. Она равняется двум Вольтам.
Дальнейшее увеличение частоты приводит к тому, что напряжение начинает падать:

Снова добавляем частоту и видим, что напряжение стало еще меньше:

Давайте более подробно рассмотрим эту осциллограмму, когда у нас было максимальное напряжение с контура.
Что здесь у нас произошло?
Так как на этой частоте был всплеск напряжения, следовательно, на этой частоте колебательный контур имел самое высокое сопротивление. Потом с ростом частоты сопротивление контура снова упало. Это и есть то самое резонансное сопротивление контура, которое выражается формулой:
Итак, давайте допустим, мы вогнали наш колебательный контур в резонанс:

Чему будет равняться резонансный ток Iрез ? Считаем по закону Ома:
Iрез = Uген /Rрез , где Rрез = L/CR.
Но самый прикол в том, что у нас при резонансе в контуре появляется свой собственный контурный ток Iкон , который не выходит за пределы контура и остается только в самом контуре. Так как с математикой у меня туго, поэтому я не буду приводить различные математические выкладки с производными и комплексными числами и объяснять откуда берется контурный ток при резонансе. Простите меня чайника! 🙁 .
Кстати, этот контурный ток будет больше, чем ток, который проходит через контур. И знаете во сколько раз? Правильно, в Q раз 😉 Q — это и есть доротность! В параллельном колебательном контуре она показывает во сколько раз сила тока в контуре Iкон больше сила тока в общей цепи Iрез
Или буковками:
Если сюда еще прилепить сопротивление потерь, то формула примет вот такой вид:
где
Q — добротность
R — сопротивление потерь на катушке
С — емкость
L — индуктивность
Ну и в заключении хочу добавить, что параллельный колебательный контур применяется в радиоприемном оборудовании, где надо выделить частоту какой-либо станции. Также с помощью колебательного контура можно построить различные фильтры, которые бы выделяли нужную нам частоту, а другие частоты пропускали бы через себя, что в принципе мы и делали в нашем опыте.
Резюме
Параллельный колебательный контур представляет из себя параллельное соединение катушки индуктивности и конденсатора
На резонансной частоте сопротивление параллельного колебательного контура максимально.
Q — это добротность параллельного колебательного контура. Она показывает во сколько раз сила тока в самом контуре превосходит силу тока через контур.
Чаще всего параллельный колебательный контур используется в приемо-передающей аппаратуре.
www.ruselectronic.com
Формулы расчета резонансной частоты колебательного контура
Для генерации высокочастотных волн часто применяются схемы на основе колебательного контура. Подобрав параметры элементов цепи, можно производить частоты свыше 500 МГц. Схемы используются в ВЧ-генераторах, высокочастотном нагреве, телевизионных и радиоприемниках.

Колебательный контур
Колебательный контур
Колебательный контур – это последовательное или параллельное соединение индуктивных и конденсаторных элементов, генерирующих электромагнитные колебания любой заданной частоты. Оба компонента схемы способны хранить энергию.
Когда существует разность потенциалов на конденсаторных пластинах, он сохраняет энергию электрического поля. Аналогично энергия сохраняется в магнитном поле индуктивной катушки.
Работа колебательного контура
Когда первоначально конденсатор подключается к источнику постоянного тока, на нем возникает разность потенциалов. Одна пластина имеет избыток электронов и заряжена отрицательно, другая – недостаток электронов и заряжена положительно.
Что будет, если в цепь включить индуктивную катушку:
- При замыкании контакта, соединяющего электроцепь, конденсатор начинает разряжаться через катушку индуктивности. Накопленная им энергия электрического поля снижается;
- Ток, протекающий через катушку L, индуцирует ЭДС, противостоящую потоку электронов. Из-за этого скорость нарастания тока медленная. В катушке создается магнитное поле, которое начинает накапливать свою энергию. После полного разряда конденсатора поток электронов через катушку уменьшается до нуля. Электростатическая энергия, накопленная в конденсаторе, преобразуется в энергию магнитного поля катушки;
- Когда конденсатор разряжен, магнитное поле начинает постепенно разрушаться, но, согласно закону Ленца, индукционный ток катушки способствует заряду конденсатора с противоположной полярностью. Энергия, связанная с магнитным полем, снова превращается в электростатическую;
Важно! В идеальном случае, когда нет потерь на L и С, конденсатор зарядился бы до первоначального значения с противоположным знаком.
- После того, как уменьшающееся магнитное поле перезарядило конденсатор, он снова начинает разряжаться с потоком тока обратной направленности, а МП опять нарастает.
Последовательность зарядки и разрядки продолжается, то есть процесс преобразования электростатической энергии в магнитную и наоборот периодически повторяется, подобно маятнику, у которого потенциальная энергия циклически превращается в кинетическую и обратно.
Непрерывный процесс зарядки и разрядки приводит к меняющему направление движению электронов или к колебательному току.
Обмен энергией между L и С будет продолжаться бесконечно, если отсутствуют потери. Часть энергии теряется, рассеиваясь в виде тепла на проводах катушки, соединительных проводниках, из-за тока утечки конденсатора, электромагнитного излучения. Поэтому колебания будут затухающими.

Затухающие колебания
Резонанс
Если схема с конденсатором, катушкой и резистором возбуждается напряжением, постоянно меняющимся во времени с определенной частотой, то также изменяются реактивные сопротивления: индуктивное и емкостное. Амплитуда и частота выходного сигнала будет изменяться по сравнению с входным.
Индуктивное сопротивление прямо пропорционально частоте:
X(L) = 2π x f x L,
а емкостное сопротивление обратно пропорционально этому показателю:
X(C) = 1/(2π x f x C).
Важно! На более низких частотах индуктивное сопротивление незначительное, а емкостное будет высоким и сможет создавать практически разомкнутый контур. На высоких частотах картина обратная.
При конкретной комбинации конденсатора и катушки схема становится резонансной, или настроенной, имеющей частоту колебаний, при которой индуктивное сопротивление идентично емкостному. И они компенсируют друг друга.
Следовательно, в цепи остается исключительно активное сопротивление, противостоящее протекающему току. Созданные условия получили наименование резонанса колебательного контура. Фазовый сдвиг между током и напряжением отсутствует.

Резонанс LC-цепи
Для расчета резонансной частоты колебательного контура учитывается следующее условие:
X(L) = X(C).
Следовательно, 2π x f x L = 1/(2πx f x C).
Отсюда получается формула резонансной частоты:
f = 1/(2π x √(L x C)).
Расчет резонансной частоты, индуктивности и емкости можно сделать на онлайн калькуляторе, подставив конкретные значения.
Скорость, с которой рассеивается энергия от LC-схемы, должна быть такой же, как энергия, подаваемая на схему. Устойчивые, или незатухающие, колебания производятся электронными схемами генераторов.
LC-цепи используются либо для генерации сигналов на определенной частоте, либо для выделения частотного сигнала из более сложного. Они являются ключевыми компонентами многих электронных устройств, в частности радиооборудования, используемого в генераторах, фильтрах, тюнерах и частотных микшерах.
Видео
Оцените статью:elquanta.ru
Последовательный колебательный контур | Практическая электроника
Не буду вам мучать своим долгим вступлением, потому как мне лень его писать. Чувствую, сейчас подтянутся Тесломаны и другие любители халявной энергии и резонанса). Но хочу вас огорчить, в этой статье не будет ничего сверхъестественного. Просто наука, ничего личного.
Имеем классическую схемку, которая есть в каждом учебнике по электронике:

Генератор у нас, как обычно, простой синусоидальный.
Итак, что мы видим на схеме?
Видим три радиоэлемента, которые соединены последовательно:
R — это суммарное сопротивление потерь катушки и конденсатора
L — собственно сама индуктивность катушки
С — собственно сама емкость конденсатора
Теперь вспоминаем статью про реактивное сопротивление.
На активном сопротивлении сила тока и напряжение совпадают по фазе. На катушке ток отстает от напряжения, на конденсаторе ток опережает напряжение. Стоп… Но ток то у нас в цепи один, так как радиоэлементы соединены последовательно. Об этом я говорил еще в статье делитель напряжения. Как на катушке и на емкости ток может и тут и там опаздывать от напряжения и тут же его опережать?
Ладно, не будем долго гадать. Для того, чтобы снять осциллограмму силы тока, мы подключим в схему шунтовый резистор с малым сопротивлением в 0,5 Ом и с него уже будем снимать напряжение:

А вот и сама схема в реале:

Слева-направо: шунтовый резистор, катушка индуктивности и конденсатор. Как вы уже поняли, сопротивление R — это суммарное сопротивление потерь катушки и кондера, так как нет идеальных радиоэлементов. Оно «прячется» внутри катушки и конденсатора, поэтому в реальной схеме отдельным радиоэлементом мы его не увидим.
Теперь нам осталось подцепить эту схемку к генератору частоты и осциллографу, и прогнать по некоторым частотам, снимая осциллограмму с шунта Uш , а также снимая осциллограмму с самого генератора Uген .

С шунта мы будем снимать напряжение, которое у нас отображает поведение силы тока в цепи, а с генератора собственно сам сигнал генератора. Давайте прогоним нашу схемку по некоторым частотам и глянем что есть что.
Итак, погнали. В схеме я взял конденсатор на 1мкФ и катушку индуктивности на 1 мГн. На генераторе настраиваю синус размахом в 4 Вольта. Вспоминаем правило: если в цепи соединение радиоэлементов идет последовательно друг за другом, значит, через них течет одинаковая сила тока.
Красная осциллограмма — это напряжение с генератора частоты, а желтая осциллограмма — отображение силы тока через напряжение.
Частота 200 Герц с копейками:

Как мы видим, при такой частоте ток в этой цепи есть, но очень слабенький
Добавляем частоту. 600 Герц с копейками

Здесь мы уже отчетливо видим, что сила тока возросла, а также видим, что осциллограмма силы тока опережает напряжение. Попахивает реактивным сопротивлением конденсатора.
Добавляем частоту. 2 Килогерца

Сила тока стала еще больше.
3 КилоГерца

Сила тока увеличилась. Заметьте также, что сдвиг фаз стал уменьшаться.
4,25 КилоГерц

Осциллограммы почти уже сливаются в одну. Сдвиг фаз между напряжением и силой тока станет почти незаметным.
И вот на какой-то частоте у нас сила тока стала максимальной, а сдвиг фаз стал равен нулю. Запомните этот момент. Для нас он будет очень важен.
Ну а давайте далее будем увеличивать частоту. Смотрим, что получается в итоге.

Еще совсем недавно ток опережал напряжение, а сейчас уже стал запаздывать после того, как выровнялся с ним по фазе. Так как ток уже отстает от напряжения, здесь уже попахивает реактивным сопротивлением катушки индуктивности.
Увеличиваем частоту еще больше

Сила тока начинает падать, а сдвиг фаз увеличиваться.
22 КилоГерца

74КилоГерца

Как вы видите, с увеличением частоты, сдвиг приближается к 90 градусов, а сила тока стает все меньше и меньше.
Давайте подробнее рассмотрим тот самый момент, когда сдвиг фаз был равен нулю и сила тока, проходящая через последовательный колебательный, контур была максимальна:
Это явление носит название резонанса.
Не будем углубляться в теорию высшей математики и комплексных чисел. Дело в том, что в этот самый момент реактивное сопротивление катушки и конденсатора становятся равными, но противпоположными по знаку. Поэтому, эти реактивные сопротивления как-бы вычитаются друг из друга, что в сумме дает ноль, и в цепи остается только активная составляющая сопротивления, то есть то самое паразитное сопротивление катушки и конденсатора, или иначе, сопротивление потерь R. А как вы помните, если у нас сопротивление становится маленьким, а в данном случае сопротивления потерь катушки и кондера очень маленькие, то в цепи начинает течь большая сила тока согласно закону Ома: I=U/R. Если генератор мощный, то напряжение на нем не меняется, а сопротивление становится пренебрежимо малым и вуаля! Ток растет как грибы после дождя, что мы и увидели, посмотрев на желтую осциллограмму.
Но почему именно на такой частоте у нас произошел резонанс?
Если при резонансе у нас реактивное сопротивление катушки равняется реактивному сопротивлению конденсатора XL=XC , то можно уравнять их реактивные сопротивленияи уже отсюда вычислить частоту, на которой произошел резонанс. Итак, реактивное сопротивление катушки у нас выражается формулой:
Реактивное сопротивление конденсатора вычисляется по формуле:
Приравниваем обе части и вычисляем отсюда F:
В данном случае мы получили формулу резонансной частоты. Это формула по другому называется формулой Томсона, как вы поняли, в честь ученого, который ее вывел.
Давайте по формуле Томсона высчитаем резонансную частоту нашего последовательного колебательного контура. Для этого я буду использовать свой RLC-транзисторметр.
Замеряем индуктивность катушки:

И замеряем нашу емкость

Высчитываем по формуле нашу резонансную частоту:
У меня получилось 5, 09 КилоГерц.
С помощью регулировки частоты и осцила я поймал резонанс на частоте 4, 78 КилоГерц (написано в нижнем левом углу)
Спишем погрешность в 200 с копейками Герц на погрешность измерений приборов. Формула Томсона работает.
Давайте возьмем другие параметры катушки и конденсатора и посмотрим, что у нас происходит на самих радиоэлементах. Нам ведь надо досканольно все выяснить ;-). Беру катушку индуктивности с индуктивностью в 22 микроГенри:

и конденсатор в 1000 пФ (10х102 пФ)

Итак, чтобы поймать резонанс, я не буду в схему добавлять резистор. Поступлю более хитрее.
Так как мой генератор частоты китайский и маломощный, то при резонансе у нас в цепи остается только активное сопротивление потерь, то есть сопротивление выводов радиоэлементов, а также сопротивление ESR конденсатора и сопротивление потерь в катушке. В сумме получается все равно маленькое значение сопротивления, поэтому ток при резонансе достигает максимальных значений. В результате этого, на внутреннем сопротивлении генератора частоты падает приличное напряжение и выдаваемая амплитуда частоты генератора падает. Я буду ловить минимальное значение этой амплитуды. Следовательно это и будет резонанс колебательного контура.
Ну что же, приступим ;-). Давайте сначала посчитаем резонансную частоту по формуле Томсона. Для этого я открываю онлайн калькулятор на просторах инета и быстренько высчитываю эту частоту. У меня получилось 1,073 МегаГерц.
Ловлю резонанс на генераторе частоты по его минимальным значениям амплитуды. Получилось как-то вот так:

Размах амплитуды 4 Вольта
Хотя на генераторе частоты размах более 17 Вольт! Вот так вот сильно просело напряжение. И как видите, резонансная частота получилась чуток другая, чем расчетная: 1,109 МегаГерц.

Теперь небольшой прикол 😉
Вот этот сигнал мы подаем на наш последовательный колебательный контур:
Как видите, мой генератор не в силах выдать большую силу тока в колебательный контур на резонансной частоте, поэтому сигнал получился даже чуть искаженным на пиках.
Ну а теперь самое интересное. Давайте замеряем падение напряжения на конденсаторе и катушке. То есть это будет выглядеть вот так:

Смотрим напряжение на конденсаторе:
Размах амплитуды 40 Вольт! Откуда?
Ладно, может с оцилом херня какая-то. Давайте померяем на катушке:

Народ! Халява!!! Подали 4 Вольта получили 40 Вольт! Выигрыш энергии в 10 раз! Успевай только снимать энергию с кондера или катушки!
Ну ладно раз такое дело… беру лампочку от мопеда на 12 Вольт и цепляю ее к конденсатору или катушке. Лампочке ведь вроде как по-барабану на какой частоте работать и какой ток жрать. Выставляю амплитуду, чтобы на катушке или кондере было где то Вольт 20 так как среднеквадратичное напряжение будет где-то Вольт 14, и цепляю поочередно к ним лампочку:


Как видите, тухляк. Лампочка гореть не собирается, так шо побрейтесь фаны халявной энергии). Вы ведь не забыли, что мощность определяется произведением силы тока на напряжение? Напряжения вроде как-бы хватает, а вот силы тока — увы! Поэтому последовательный колебательный контур носит также название узкополосного (резонансного) усилителя напряжения, а не мощности!
Давайте обобщим, что у нас получилось в этих опытах.
При резонансе напряжение на катушке и на конденсаторе оказались намного больше, чем то, которое мы подавали на колебательный контур. В данном случае у нас получилось в 10 раз больше. Почему же напряжение на катушке при резонансе равняется напряжению на конденсаторе. Это легко объясняется. Так как в последовательном колебательном контуре катушка и кондер идут друг за другом, следовательно, в цепи протекает одна и та же сила тока. При резонансе реактивное сопротивление катушки равняется реактивному сопротивлению конденсатора. Получаем по правилу шунта, что на катушке у нас падает напряжение UL = IXL , а на конденсаторе UC = IXC . А так как при резонансе у нас XL = XC , то получаем что UL = UC , ток ведь в цепи один и тот же ;-). Поэтому резонанс в последовательном колебательном контуре называют также резонансом напряжений, так как напряжение на катушке на резонансной частоте равняется напряжению на конденсаторе.
Ну раз уж мы начали задвигать тему колебательных контуров, поэтому мы не можем обойти стороной такой параметр, как добртность колебательного контура. Так как мы уже провели некоторые опыты, то нам будет проще определить добротность, исходя из амплитуды напряжений. Добротность обозначается буквой Q и вычисляется по первой простой формуле:
Давайте посчитаем добротность в нашем случае.
Так как цена деления одного квадратика по вертикали 2 Вольта, следовательно, амплитуда сигнала генератора частоты 2 Вольта.
А это то, что мы имеем на зажимах конденсатора или катушки. Здесь цена деления одного квадратика по вертикали 5 Вольт. Считаем квадратики и умножаем. 5х4=20 Вольт.
Считаем по формуле добротности:
Q=20/2=10. В принципе немного и не мало. Пойдет. Вот так вот на практике можно найти добротность.
Есть также вторая формула для вычисления добротности.
где
R — сопротивление потерь в контуре, Ом
L — индуктивность, Генри
С — емкость, Фарад
Зная добротность, можно лекго найти сопротивление потерь R последовательного колебательного контура.
Также хочу добавить пару слов о добротности. Добротность контура — это качественный показатель колебательного контура. В основном его стараются всегда увеличить различными всевозможными способами. Если взглянуть на формулу выше, то можно понять, для того, чтобы увеличить добротность, нам надо как-то уменьшить сопротивление потерь колебательного контура. Львиная доля потерь относится к катушке индуктивности, так как она уже конструктивно имеет большие потери. Она намотана из провода и в большинстве случаев имеет сердечник. На высоких частотах в проводе начинает проявляться скин-эффект, который еще больше вносит потери в контур.
Резюме
Последовательный колебательный контур состоит из катушки индуктивности и конденсатора, соединенных последовательно.
Катушка и конденсатор имеют паразитные омические потери, так как не являются идеальными радиоэлементами. Сумма этих потерь называется сопротивлением потерь R последовательного колебательного контура.
На какой-то частоте реактивное сопротивление катушки становится равным реактивному сопротивлению конденсатора и в цепи последовательного колебательного контура наступает такое явление, как резонанс.
При резонансе реактивные сопротивления катушки и конденсатора хоть и равны по модулю, но противоположны по знаку, поэтому они вычитается и в сумме дают ноль. В цепи остается только активное сопротивление потерь R.
При резонансе сила тока в цепи становится максимальной, так как сопротивление потерь катушки и конденсатора R в сумме дают малое значение.
При резонансе напряжение на катушке равняется напряжению на конденсаторе и превышает напряжение на генераторе.
Коэффициент, показывающий во сколько раз напряжение на катушке либо на конденсаторе превышает напряжение на генераторе, называется добротностью Q последовательного колебательного контура и показывает качественную оценку колебательного контура. В основном стараются сделать Q как можно больше.
На низких частотах колебательный контур имеет емкостную составляющую тока до резонанса, а после резонанса — индуктивную составляющую тока
www.ruselectronic.com
Расчет колебательного контура
Практический расчет последовательного или параллельного LC контура.
Доброго дня уважаемые радиолюбители!
Сегодня мы с вами рассмотрим порядок расчета LC контура.
Некоторые из вас могут спросить, а на черта нам это нужно? Ну, во-первых, лишние знания никогда не помешают, а во-вторых, бывают в жизни моменты, когда вам знание этих расчетов может понадобиться. К примеру, очень многие начинающие радиолюбители (естественно, в основном молодые), увлекаются сборкой так называемых “жучков” – устройств позволяющих на расстоянии прослушивать что-нибудь. Конечно я уверен, что это делается без всяких нехороших (даже грязных) мыслей подслушать кого-нибудь, а в благих целях. Например устанавливают “жучок” в комнате с малышом, а на радиовещательный приемник прослушивают не проснулся ли он. Все схемы “радиожучков” работают на определенной частоте, но что делать, когда эта частота вас не устраивает. Вот тут вам придет на помощь знание нижеприведенной статьи.
LC колебательные контура применяются практически в любой аппаратуре, работающей на радиочастотах. Как известно из курса физики, колебательный контур состоит из катушки индуктивности и конденсатора (емкости), которые могут быть включены параллельно (параллельный контур) или последовательно (последовательный контур), как на рис.1:

Реактивные сопротивления индуктивности и емкости, как известно, зависят от частоты переменного тока. При увеличении частоты реактивное сопротивление индуктивности растет, а емкости – падает. При уменьшении частоты, наоборот, индуктивное сопротивление падает, а емкостное – растет. Таким образом, для каждого контура есть некоторая частота резонанса, на которой индуктивное и емкостное сопротивления оказываются равными. В момент резонанса резко увеличивается амплитуда переменного напряжения на параллельном контуре или резко увеличивается амплитуда тока на последовательном контуре. На рис.2 показан график зависимости напряжения на параллельном контуре или тока на последовательном контуре от частоты:

На частоте резонанса эти величины имеют максимальное значение. А полоса пропускания контура определяется на уровне 0,7 от максимальной амплитуды, которая есть на частоте резонанса.
Теперь перейдем к практике. Предположим нам нужно сделать параллельный контур, имеющий резонанс на частоте 1 МГц. Прежде всего нужно сделать предварительный расчет такого контура. То есть, определить необходимую емкость конденсатора и индуктивность катушки. Для предварительного расчета есть упрощенная формула:
L=(159,1/F)2/C где:
L – индуктивность катушки в мкГн;
С – емкость конденсатора в пФ;
F – частота в МГц
Зададимся частотой 1 МГц и емкостью, к примеру, 1000 пФ. Получим:
L=(159,1/1)2 /1000 = 25 мкГн
Таким образом, если мы захотим контур на частоту 1 МГц, то нужен конденсатор на 1000 пФ и индуктивность на 25 мкГн. Конденсатор можно подобрать,, а вот индуктивность нужно сделать самостоятельно.
Рассчитать число витков для катушки без сердечника можно по такой формуле:
N=32 *√(L/D) где:
N – требуемое число витков;
L – заданная индуктивность в мкГн;
D – диаметр каркаса в мм, на котором предполагается намотать катушку.
Предположим, диаметр каркаса – 5 мм, тогда:
N=32*√(25/5) = 72 витка.
Данная формула является приближенной, она не учитывает собственную межвитковую емкость катушки. Формула служит для предварительного вычисления параметров катушки, которые затем настраиваются при настройке контура.
В радиолюбительской практике чаще используются катушки с подстроечными сердечниками из феррита, имеющими длину 12-14 мм и диаметр 2,5 – 3 мм. Такие сердечники, например, применяются в контурах телевизоров и приемников. Для предварительного расчета числа витков для такого сердечника есть другая приближенная формула:
N=8,5*√L , подставляем значения для нашего контура N=8,5*√25 = 43 витка. То есть, в таком случае на потребуется намотать на катушку 43 витка провода.
radio-stv.ru
Колебательный контур — Википедия
Колебательный контур — электрическая цепь, содержащая катушку индуктивности, конденсатор и источник электрической энергии. При последовательном соединении элементов цепи колебательный контур называется последовательным, при параллельном − параллельным[1].
Колебательный контур — простейшая система, в которой могут происходить свободные электромагнитные колебания.
Резонансная частота контура определяется так называемой формулой Томсона:
- f0=12πLC.{\displaystyle f_{0}={1 \over 2\pi {\sqrt {LC}}}.}
Принцип действия
Пусть конденсатор ёмкостью C заряжен до напряжения U0{\displaystyle U_{0}}. Энергия, запасённая в конденсаторе, составляет
- EC=CU022.{\displaystyle E_{C}={\frac {CU_{0}^{2}}{2}}.}
С — 240 нФ (заряженный)
L — 360 нГн
F0 ≈ 542 кГц
При соединении конденсатора с катушкой индуктивности в цепи потечёт ток I{\displaystyle I}, что вызовет в катушке электродвижущую силу (ЭДС) самоиндукции, направленную на уменьшение тока в цепи. Ток, вызванный этой ЭДС (при отсутствии потерь в индуктивности), в начальный момент будет равен току разряда конденсатора, то есть результирующий ток будет равен нулю. Магнитная энергия катушки в этот (начальный) момент равна нулю.
Затем результирующий ток в цепи будет возрастать, а энергия из конденсатора будет переходить в катушку до полного разряда конденсатора. В этот момент электрическая энергия конденсатора EC=0{\displaystyle E_{C}=0}. Магнитная же энергия, сосредоточенная в катушке, напротив, максимальна и равна
- EL=LI022,{\displaystyle E_{L}={\frac {LI_{0}^{2}}{2}},}
где L{\displaystyle L} — индуктивность катушки, I0{\displaystyle I_{0}} — максимальное значение тока.
После этого начнётся перезарядка конденсатора, то есть зарядка конденсатора напряжением другой полярности. Перезарядка будет проходить до тех пор, пока магнитная энергия катушки не перейдёт в электрическую энергию конденсатора. Конденсатор в этом случае снова будет заряжен до напряжения −U0{\displaystyle -U_{0}}.
В результате в цепи возникают колебания, длительность которых будет обратно пропорциональна потерям энергии в контуре.
Описанные выше процессы в параллельном колебательном контуре называются резонанс токов, что означает, что через индуктивность и ёмкость протекают токи больше тока, проходящего через весь контур, причём эти токи больше в определённое число раз, которое называется добротностью. Эти большие токи не покидают пределов контура, так как они противофазны и сами себя компенсируют. Стоит также заметить, что сопротивление параллельного колебательного контура на резонансной частоте стремится к бесконечности (в отличие от последовательного колебательного контура, сопротивление которого на резонансной частоте стремится к нулю), а это делает его незаменимым фильтром.
Стоит заметить, что помимо простого колебательного контура, есть ещё колебательные контуры первого, второго и третьего рода, что учитывают потери и имеют другие особенности.
Видео по теме
Математическое описание процессов
Напряжение на идеальной катушке индуктивности при изменении протекающего тока:
- uL=LdiLdt.{\displaystyle u_{L}=L{\frac {di_{L}}{dt}}.}
Ток, протекающий через идеальный конденсатор, при изменении напряжения на нём:
- iC=CduCdt.{\displaystyle i_{C}=C{\frac {du_{C}}{dt}}.}
Из правил Кирхгофа, для цепи, составленной из параллельно соединённых конденсатора и катушки, следует:
- uL+uC=0,{\displaystyle u_{L}+u_{C}=0,} — для напряжений,
и
- iC=iL{\displaystyle i_{C}=i_{L}} — для токов.
Совместно решая систему дифференциальных уравнений (дифференцируя одно из уравнений и подставляя результат в другое), получаем:
- d2q(t)dt2+1LCq(t)=0.{\displaystyle {\frac {d^{2}q(t)}{dt^{2}}}+{\frac {1}{LC}}q(t)=0.}
Это дифференциальное уравнение гармонического осциллятора с циклической частотой собственных колебаний ω=1LC{\displaystyle \omega ={\frac {1}{\sqrt {LC}}}} (она называется собственной частотой гармонического осциллятора).
Решением этого уравнения 2-го порядка является выражение, зависящее от двух начальных условий:
- i(t)=Iasin(ωt+φ),{\displaystyle i(t)=I_{a}\sin({\omega }t+\varphi ),}
где Ia{\displaystyle I_{a}} — некая постоянная, определяемая начальными условиями, называемая амплитудой колебаний, φ{\displaystyle \varphi } — также некоторая постоянная, зависящая от начальных условий, называемая начальной фазой.
Например, при начальных условиях φ=0{\displaystyle \varphi =0} и амплитуде начального тока Ia{\displaystyle I_{a}}решение сведётся к:
- i(t)=Iasin(ωt).{\displaystyle i(t)=I_{a}\sin({\omega }t).}
Решение может быть записано также в виде
- i(t)=Ia1sin(ωt)+Ia2cos(ωt),{\displaystyle i(t)=I_{a1}\sin({\omega }t)+I_{a2}\cos({\omega }t),}
где Ia1{\displaystyle I_{a1}} и Ia2{\displaystyle I_{a2}} — некоторые константы, которые связаны с амплитудой Ia{\displaystyle I_{a}} и фазой φ{\displaystyle \varphi } следующими тригонометрическими соотношениями:
- Ia1=Iacos(φ),{\displaystyle I_{a1}=I_{a}\cos {(\varphi )},}
- Ia2=Iasin(φ).{\displaystyle I_{a2}=I_{a}\sin {(\varphi )}.}
Комплексное сопротивление (импеданс) колебательного контура
Колебательный контур может быть рассмотрен как двухполюсник, представляющий собой параллельное включение конденсатора и катушки индуктивности. Комплексное сопротивление такого двухполюсника можно записать как
- z^(iω)=iωL1−ω2LC,{\displaystyle {\hat {z}}(i\omega )\;={\frac {i\omega L}{1-\omega ^{2}LC}},}
где i — мнимая единица.
Для такого двухполюсника может быть определена т. н. характеристическая частота (или резонансная частота), когда импеданс колебательного контура стремится к бесконечности (знаменатель дроби стремится к нулю).
Эта частота равна
- ωh=1LC{\displaystyle \omega _{h}={\frac {1}{\sqrt {LC}}}}
и совпадает по значению с собственной частотой колебательного контура.
Из этого уравнения следует, что на одной и той же частоте может работать множество контуров с разными величинами L и C, но с одинаковым произведением LC. Однако выбор соотношения между L и C зачастую не бывает полностью произвольным, так как обуславливается требуемым значением добротности контура.
Для последовательного контура добротность растёт с увеличением L:
- Q=1RLC,{\displaystyle Q={\frac {1}{R}}{\sqrt {\frac {L}{C}}},}
где R — активное сопротивление контура. Для параллельного контура:
- Q=ReCL,{\displaystyle Q=R_{e}{\sqrt {\frac {C}{L}}},}
где Re=LCRL+C{\displaystyle R_{e}={\frac {L}{CR_{L+C}}}}, (RL+C{\displaystyle R_{L+C}} — сумма активных сопротивлений в цепи катушки и цепи конденсатора[2]).
Понятие добротности связано с тем, что в реальном контуре существуют потери энергии (на излучение[3] и нагрев проводников). Обычно считают, что все потери сосредоточены в некотором эквивалентном сопротивлении Re{\displaystyle R_{e}}, которое в последовательном контуре включено последовательно с L и C, а в параллельном — параллельно им. Малые потери (то есть высокая добротность) означают, что Re{\displaystyle R_{e}} в последовательном контуре мало, а в параллельном — велико. В низкочастотном последовательном контуре Re{\displaystyle R_{e}} легко обретает физический смысл — это активное сопротивление провода катушки и проводников цепи.
Практическое применение
Резонансные контуры широко используются как полосовые и режекторные фильтры — в усилителях, радиоприёмниках, а также в различных устройствах автоматики. Например, на самолётах Ил-62М, Ил-76 и Ту-154М установлены блоки регулирования частоты БРЧ-62БМ, в главном элементе которых — блоке измерения частоты БИЧ-1 — имеются два колебательных контура, настроенных на частоты 760 и 840 Гц. На них поступает напряжение с номинальной частотой 800 Гц от подвозбудителя генератора (сам генератор при этом выдаёт 400 Гц). При отклонении частоты от номинальной реактивное сопротивление одного из контуров становится больше, чем другого, и БРЧ выдаёт на привод постоянных оборотов генератора управляющий сигнал для коррекции оборотов генератора. Если частота поднялась выше номинальной — сопротивление второго контура станет меньше, чем первого, и БРЧ выдаст сигнал на уменьшение оборотов генератора, если частота упала — то наоборот. Так поддерживается постоянство частоты напряжения генератора при изменении оборотов двигателя[4].
См. также
Примечания
Литература
- Попов В. П. Основы теории цепей: Учеб. для вузов / В. П. Попов. — 4-е изд., испр. — М.: Высш. шк., 2003. — 575 с.
- Скрипников Ю. Ф. Колебательный контур — М.: Энергия, 1970—128 с.: ил. — (МРБ; Вып. 739)
- Изюмов Н. М., Линде Д. П. Основы радиотехники. — М.:Радио и связь, 1983
wiki2.red
