2902 РГР ТОЭ
Хорошие результаты дает решение обратной задачи, в котором полученные при первом решении численные значения искомых величин используются как исходные данные.
Выполненная расчетно-графическаяработа должна быть оформлена в виде инженерной расчетной работы. Общие требования к оформлению следующие:
достаточная полнота информации;однозначность информации;предельная краткость.
Исходные данные задачи и ее решение должны описываться с достаточной полнотой. Если, по мнению студента, исходных данных недостаточно, то нужно ввести дополнительные величины с соответствующим обозначением. Решение должно сопровождаться схемами, графиками, таблицами и сопроводительным описанием. Если используются неизвестные формулы и зависимости без вывода, необходимо делать ссылки на источники. Все приводимые преобразования должны иметь однозначный смысл. Например, обозначение величин в тексте и формулах должно строго соответствовать обозначениям на схемах, графиках, чертежах. Составление уравнений, построение графиков и диаграмм нужно начинать с указания схемы, контура или узла, для которых они строятся. На схемах обязательно указываются принятые положительные направления токов, без этого изложенная работа не имеет смысла. В решении не должно быть информации, которая влияет на понимание. Решение излагается так, чтобы его результат можно было понять и оценить с минимальной затратой времени. Результаты решения, как правило, представляются в виде таблиц, диаграмм, графиков. В таблицах приводят значения полученных разными методами результатов и оценка их точности в процентах.
В технических текстах предпочтителен строгий стиль изложения. Следует избегать изложения материала в первом либо третьем лице, например: <<Исходя из … принимаю (принимаем) … >>, заменяя их неопределённой формой: <<На основании пункта … принимается>>. Особое внимание необходимо уделять соблюдению стандартов и правил оформления технической документации. Основными из них являются:
Общие требования к текстовым документам, ГОСТ 2.105-68;
Правила выполнения электрических схем, ГОСТ 2.702-69;
Условные графические изображения, ГОСТ 2.747-68;
Международная система единиц СИ, ГОСТ 98-67-61;
Буквенные обозначения электрических и магнитных величин, их размерностей и основных единиц, применяемых в РФ, ГОСТ 1494-61;
Правила написания математических формул и уравнений, общие правила оформления графиков, таблиц и диаграмм;
Современные термины и характеристики режимов работы электрических устройств.
Изучение и соблюдение студентами этих стандартов и Правил необходимо как для выполнения в дальнейшем курсовых и дипломных проектов, так и для всей будущей инженерной деятельности.
Ниже приводятся некоторые положения и требования, установленные кафедрой «Электротехника» для выполнения студентами РГР.
1.Расчетно-графическиеработы должны быть выполнены на листах формата А4 на одной стороне листа.
2.Работа должна иметь титульный лист. Все листы должны быть сшиты или скреплены.
studfiles.net
Ргр ТОЭ!!!
Филиал федерального государственного бюджетного образовательного учреждения высшего профессионального образования
«Уфимский Государственный Авиационный Технический Университет»
в г. Кумертау
Кафедра ТОЭ
Расчетно-Графическая работа № 1
«Расчет линейной электрической цепи постоянного тока»
Выполнил: ст. гр. СУ-229д
Анисимов Н.М.
Проверил: ст. преподаватель
Лазарев Д.М.

г. Кумертау
2013 г.

Определим
количество наобходимых уравнений:
N=B-Bj-(У-1)=7-1-4+1=3
Введем контурные токи I11, I22, I33
I1=I11-Jk1
I2=-I11+I33
I3=I22-I11
I4=I22-Jk1
I5=I33–
I
I6= I33
Определим собственные и взаимные сопротивления:
R11=R1+R2+R3=60+80+70=210 Ом.
R22=R3+R4+R5=70+40+90=200 Ом.
R33=R2+R5+R6=80+90+70=240 Ом.
R12= R21=-R3=-70 Ом.
R23= R32=-R5=-90 Ом.
R13=
R31=-R2=-80
Ом.
Определим контурные ЭДС:
Е11=E1+Jk1*R1-E2
Е22= Jk1*R4=(-5)*40=-200 B.
Е33=Е2=-250 B.
Запишем систему уравнений по методу контурных токов.
Решим систему уравнений методом Гаусса:
I11=5.32771 А.
I22=2.43601 А.
I33=4.20253 А.
Находим реальные токи:
I1=1,13632-(-5)=6,13632 А.
I2=-1,13632+(-1,06918)=-2,2055 А.
I3=-1,13632+(-1,08342)=-2,21974 А.
I4=-1,08342-(-5)=3,91658 А.
I5=-(-1,08342)-1,06918=0,01424 А
I6=-1,06918 А


Определим количество необходимых уравнений
n1=4-1=3
Определим взаимную и собственную проводимости:
Определяем узловые токи:
Составим систему уравнений по методу узловых потенциалов:
Решим систему уравнений методом Гаусса:
Определить токи во всех ветвях методом узловых потенциалов

Таблица токов.
Токи | I1,А | I2,А | I3,А | I4,А | I5 | I6,А |
МКТ | 6,13632 | -2,2055 | -2,21974 | 3,91658 | 0,01424 | -1,06918 |
МУП | 6,13631717 | -2,205493 | -2,2197361 | 3,916582 | 0,01424167 | -1,06918 |
Токи во всех контурах, найденные в заданиях 1 и 2, сходятся.
Баланс мощностей в расчетной схеме:
3686,93=3686,928, Вт.
Метод эквивалентного генератора:
По методу узловых потенциалов определяем:
Все
остальные коэффициенты системы будут
иметь те же значения, что и соответствующие
коэффициенты подобной системы из МУП
Решим систему уравнений методом Гаусса:
9119,В.
09883,В
Б) Заменим соединение резисторов треугольником на соединение звездой:

Построение
потенциальной диаграммы:
Для построения потенциальной диаграммы найдем потенциалы всех указаных узлов.
studfiles.net
Методичка для РГР по ТОЭ
Федеральное агентство по образованию Государственное образовательное учреждение высшего профессионального образования
Уфимский государственный авиационный технический университет
РАСЧЕТ ЭЛЕКТРИЧЕСКИХ И МАГНИТНЫХ ЦЕПЕЙ
Методические указания к расчетно-графическимработам
по дисциплине «Теоретические основы электротехники»
Федеральное агентство по образованию Государственное образовательное учреждение высшего профессионального образования
Уфимский государственный авиационный технический университет
РАСЧЕТ ЭЛЕКТРИЧЕСКИХ И МАГНИТНЫХ ЦЕПЕЙ
Методические указания к расчетно-графическимработам
по дисциплине «Теоретические основы электротехники»
Составитель В.С. Лукманов
УДК 621.3 (07)ББК 31.2 (я7)
Расчет электрических и магнитных цепей: Методические указания к выполнениюрасчетно-графическихработ по дисциплине«Теоретические основы электротехники» / Уфимск. гос. авиац. техн. ун-т; Сост. В.С. Лукманов–Уфа: УГАТУ, 2007. -30 с.
Методические указания соответствуют требованиям, предъявляемым
государственным образовательным стандартом к содержанию дисциплины «Теоретические основы электротехники».
Приведены варианты расчетно-графическихработ, рекомендации по выполнению, а также пример оформлениярасчетно-графическойработы.
Предназначены для студентов электротехнических специальностей, изучающих дисциплину«Теоретические основы электротехники».
Табл. 2. Ил.37. Библиогр.:17 назв.
Рецензенты: канд. техн. наук, доц. каф. ТОЭ Т.М. Крайнова; д-ртехн. наук, проф. каф. ЭМ Л.Э. Рогинская
© Уфимский государственный авиационный технический университет, 2007
СОДЕРЖАНИЕ
Введение…………………………………………………………… ..….4
Расчетно-графическаяработа №1.
РАСЧЕТ ЛИНЕЙНОЙ ЭЛЕКТРИЧЕСКОЙ ЦЕПИ ПОСТОЯННОГО ТОКА…………………………………………… ……5
Расчетно-графическаяработа №2.
РАСЧЕТ ЭЛЕКТРИЧЕСКИХ ЦЕПЕЙ ОДНОФАЗНОГО СИНУСОИДАЛЬНОГО ТОКА…………………………………… ……7
Расчетно-графическаяработа №3.
РАСЧЕТ ПЕРЕХОДНЫХ ПРОЦЕССОВ В ЛИНЕЙНЫХ ЦЕПЯХ………………………………………….. ……9
Расчетно-графическаяработа №4.
РАСЧЕТ МАГНИТНЫХ ЦЕПЕЙ ПЕРЕМЕННОГО ТОКА МЕТОДОМ КУСОЧНО-ЛИНЕЙНОЙАППРОКСИМАЦИИ…………………………………………… ….15
……………………
Литература………………………………………………………… ….17
Приложение…………………………………………………….…. ….19
ВВЕДЕНИЕ
В методических указаниях приведены задания расчетно- графических работ, составленные в соответствии с типовой программой по дисциплине“Теоретические основы электротехники” дляинженерно-техническихспециальностей высших учебных заведений.
Формирование вариантов заданий осуществлено с помощью ЭВМ. Значение параметров элементов схем, а в ряде случаев и топология расчетных схем, индивидуальны для каждого студента.
Каждое задание содержит поясняющий текст, рекомендации по преобразованию схемы и условие задачи.
Расчетно-графическаяработа выполняется на листах11 формата
идолжна содержать следующие основные разделы:
∙расчетная схема с подклеенной машинной распечаткой индивидуального задания;
∙условия задачи;
∙расчет;
∙необходимые графики и диаграммы.
При оформлении работы следует руководствоваться следующими правилами:
1.Рисунки, графики, схемы, символы, размерности физических величин выполняются в соответствии с требованиями ГОСТа.
2.Расчет каждой искомой величины следует выполнять сначала в общем виде, а затем в полученную формулу подставить числовые
значения и привести окончательный результат с указанием единицы измерения. Решение задач не следует перегружать
приведением всех алгебраических преобразований и арифметических расчетов.
3.Промежуточные расчеты и конечный результат должны быть ясно выделены из общего текста.
4.В ходе решения задачи не следует изменять однажды принятые направления токов, напряжений, наименование узлов и т.д. При
решении одной и той же задачи различными методами одна и та же величина должна обозначаться одним и тем же буквенным символом.

Пример оформления расчетно-графическойработы приведен в | ||||
Приложении. |
|
|
|
|
Расчетно-графическаяработа № 1 | ||||
РАСЧЕТ ЛИНЕЙНОЙ ЭЛЕКТРИЧЕСКОЙ ЦЕПИ | ||||
ПОСТОЯННОГО ТОКА |
| |||
На рис. 1.1. представлена исходная схема электрической цепи | ||||
| 2 |
|
|
|
Е4 |
|
| Е5 |
|
I4 |
|
| I5 |
|
R4 | Е3 | R3 | R5 | R6 |
|
|
| ||
1 |
| 3 |
| |
|
|
| ||
Jk1 | Е1 | I3Е2 |
| Е6 |
Jk2 | R1 | R2 | Jk3 | I6 |
I1 |
|
| I2 | |
|
|
| ||
|
|
|
| |
| 4 |
|
|
|
| Рис.1.1 |
|
| |
По исходной схеме электрической цепи и машинной распечатке индивидуального задания сформируйте свою расчетную схему. Для этого участок цепи, где величина источника ЭДС приравнена к нулю- закоротите, а участок цепи где величина источника тока приравнена к нулю- разомкните. Так, например, для индивидуального задания111111-3 расчетная схема приобретает вид представленный на рис.1.2.

111111-3
R1=80R2=90R3=90R4=10R5=10R6=20E1=200E2=-300E3=0E4=0E5=0E6=0IK1=-8IK2=0IK3=0
| R4 |
|
| R5 |
| I5 |
| R6 | |
| I4 | R3 | ||
| 2 |
| 3 | |
|
|
| ||
Jk1 | Е1 | I3 | Е2 | I6 |
| R1 | R2 |
| I2 |
| I1 |
|
| |
| Рис.1.2 |
|
|
|
В машинной распечатке индивидуального задания сопротивления резисторов R указаны в омах[Ом], величины источников ЭДСE − в вольтах[B], а источников токаJ − в амперах
[A].
Задания
1.Составить на основании законов Кирхгофа систему уравнений для нахождения токов во всех ветвях расчетной схемы.
2.Определить токи во всех ветвях методом контурных токов.
3.Определить токи во всех ветвях схемы методом узловых потенциалов, приняв потенциал четвертого узла равным нулю.
4.Результаты расчета токов, проведенного двумя методами, свести в таблицу и сравнить их между собой.
5.Составить баланс мощностей в расчетной схеме, вычислив
отдельно суммарную мощность источников электрической энергии и суммарную мощность нагрузок.
6.Определить ток I1 , используя метод эквивалентного генератора.
Начертить в масштабе потенциальную диаграмму для любого контура, содержащего два источника ЭДС.

РЕКОМЕНДУЕТСЯ:
−перед выполнением п.2 и преобразовать источник тока в источник ЭДС, расчет вести для полученной схемы, а затем совершить обратный переход;
−в п.6 при определении входного сопротивления двухполюсника
следует применить преобразование соединения “треугольником” в соединение“звездой”;
−отрицательные значения источников ЭДС и токов учитывать непосредственно при отыскании численных значений контурных ЭДС или узловых токов;
−полученные результаты округлить до сотых долей.
Расчетно-графическаяработа №2 РАСЧЕТ ЭЛЕКТРИЧЕСКИХ ЦЕПЕЙ ОДНОФАЗНОГО
СИНУСОИДАЛЬНОГО ТОКА
На рис. 2.1 представлена исходная схема электрической цепи
| * | * | а |
| * | * |
| W |
|
| W | ||
R1 |
|
| R2 |
|
| R3 |
| c |
|
| f |
| k |
L1 |
|
| L2 |
|
| L3 |
C1 | d |
| C2 | q |
| m |
|
|
|
| C3 | ||
i1 | e1 |
| i2 | e2 | i3 | e3 |
|
|
| b |
|
|
|
|
|
| Рис.2.1 |
|
|
|
По исходной схеме электрической цепи и машинной распечатке индивидуального задания сформируйте свою расчетную схему.
В столбцах распечатки указаны величины активных сопротивлений, индуктивностей, емкостей, действующие значения и начальные фазы источников ЭДС соответственно элементов первой, второй и третьей ветвей электрической схемы. Если в распечатке

указано нулевое значение − это означает, что данный элемент в расчетной схеме отсутствует. Так, например, для индивидуального задания222222-1 расчетная схема приобретает вид, представленный на рис.2.2.
В машинной распечатке индивидуального задания активные сопротивления R указаны в омах[Oм], индуктивностиL – в миллигенри[мГн], емкостиC – в микрофарадах[мкФ], действующие значения ЭДС источниковЕ – [В], начальная фаза Ф– в градусах[ град]. Для всех вариантов частотуf принять равной50 Гц.
|
|
|
|
| * |
|
| а | * | * |
|
|
|
|
| * W |
|
|
| W | |
22222 – 1 |
|
| R1 |
|
| R2 |
|
| R3 | |
|
|
| c |
|
|
| ||||
R | 10 | 36 | 34 |
|
|
| f |
|
| |
|
|
|
|
|
| |||||
L | 80 | 81 | 0 | L1 |
|
| L2 |
|
|
|
C | 13 | 0 | 0 | d |
| q |
|
| ||
E | 213 | 219 | 0 | C1 |
|
|
|
| ||
|
|
|
|
| ||||||
Ф | 51 | 252 | 0 |
|
|
|
|
|
| |
|
|
|
|
|
|
| ||||
|
|
|
| i1 | e1 | i2 |
| e2 |
| i3 |
|
|
|
|
|
|
|
| b |
|
|
Рис.2.2
Задания
1.Определить комплексы действующих значений токов во всех ветвях, воспользовавшись одним из методов расчета линейных электрических цепей.
2.Определить показания ваттметров.
3.Составить баланс активных и реактивных мощностей.
4.Построить в масштабе топографическую диаграмму напряжений, совместив ее с векторной диаграммой токов.
5.Записать в общем виде уравнения Кирхгофа в дифференциальной и комплексной формах, полагая что между двумя индуктивностями есть магнитная связь.
РЕКОМЕНДУЕТСЯ:
−при выполнении п. 1 результат расчета токов представить в показательной форме записи комплексного числа;

−в п. 2 и п. 3 расчет осуществлять через полную комплексную мощность;
−в п. 5 одноименные концы катушек маркировать произвольно. Если в схеме есть только одна ветвь с индуктивностью, то при
выполнении этого пункта включить дополнительную индуктивность в другую ветвь.
Расчетно-графическаяработа №3 РАСЧЕТ ПЕРЕХОДНЫХ ПРОЦЕССОВ В ЛИНЕЙНЫХ
ЦЕПЯХ
Задача 1. В соответствии с индивидуальным заданием дана электрическая цепь в которой в момент времениt = 0 происходит коммутация(рис.3.1). В цепи действует постоянная ЭДСЕ. Требуется
определить закон изменения во времени тока после коммутации в одной из указанных ветвей схемы или напряжения на каком-либоэлементе.
R1 | R2 | E | R3 |
| R1 | L | R2 |
i3 |
| R4 | |||||
E |
|
| |||||
|
|
|
|
|
| ||
|
|
|
|
|
| R3 | |
L | uC | С |
| t=0 |
|
| |
| t=0 | С | |||||
| R4 | ||||||
|
|
|
|
| |||
| i1 | i2 |
| i1 | uC | i2 i3 | |
|
|
| |||||
|
| СХ 1 |
|
|
| СХ 2 |
|
|
| R1 | t=0 | R2 |
| R3 |
|
|
| L1 | R4 | uC | С | E |
|
|
|
|
| ||||
|
|
| i1 |
| i2 | i3 |
|
|
|
|
| СХ 3 |
|
|
|
|
|
|
| Рис. 3.1 |
|
|
|
studfiles.net
РГР с примером по электротехнике

Методические рекомендации:
По исходной схеме электрической цепи (рис.ЭЦ-1.29)и машинной распечатке индивидуального задания сформируйте свою расчетную схему(рис.ЭЦ-1.30).Участок цепи, где величина источника ЭДС приравнена к нулю – закорачивается.
| R2 |
|
| E2 |
|
| R2 |
|
|
E5 | R | V | E1 | R1 |
| E5 | R | V | R1 |
| 5 |
|
|
| 5 | ||||
|
|
|
|
|
|
|
| ||
|
|
| R4 |
|
|
|
| R4 |
|
E6 |
|
| E4 |
| E3 | E6 |
| E4 |
|
|
|
|
|
|
|
|
| ||
| R6 |
|
| R3 |
|
| R6 |
| R3 |
|
| Рис.ЭЦ-1.29 |
|
| Рис.ЭЦ-1.30 |
| |||
В машинной распечатке индивидуального задания сопротивления резисторов R указаны в Омах [Ом], величины источников ЭДСE − в Вольтах [B].
Перед выполнением задания рекомендуется ознакомиться с задачами 2.1-2.9. учебного пособия «Электрические и магнитные цепи: практикум по дисциплине «Электротехника и электроника»/Р.В.Ахмадеев, И.В.Вавилова, П.А.Грахов, Т.М.Крымская.- Уфа:
УГАТУ, 2007.

МЕТОДИКА ВЫПОЛНЕНИЯ ЗАДАНИЯ ЭЦ-1
Методика выполнения заданий представлена в виде примеров расчета цепей постоянного тока.
Задача 1.1. Рассчитать цепь методом непосредственного применения законов Кирхгофа. Составить баланс мощностей.
Параметры цепи:
E2 = 9 В,Е3 = 45 В,Е4 =-30В |
|
|
|
|
|
|
| ||
R1 = 19,5 Ом,R2 = 7,5 Ом,R3 = 13,5 Ом, |
| R4 = 10,5 Ом,R5 = 15 Ом, | |||||||
R6 = 6 Ом. |
|
|
|
|
|
|
| ||
|
|
| с |
| Е3 | ||||
|
|
|
|
|
|
|
| ||
|
|
|
|
|
|
|
|
| I3 |
| E2 |
|
| R5 | II |
|
|
| R3 |
|
|
|
|
| |||||
| I5 |
|
|
|
|
| |||
|
|
|
|
|
|
|
| ||
|
|
|
|
| I6 |
|
|
|
|
|
|
|
|
|
|
|
|
| |
|
|
|
|
|
|
|
|
| |
R1 | III | R4 |
I1 |
| I4 |
I2 |
| |
a |
| Е4 |
Рис.1.1 |
|
|
Решение
Под понятием «рассчитать цепь» предполагается определение токов в ветвях.
Определяется количество ветвей в цепи: общее число ветвей – nВ=6. Значит необходимо составить 6 независимых уравнений по законам Кирхгофа.
На основании теоремы о независимости уравнений определяется количество уравнений по I и по II законам Кирхгофа.
Количество уравнений, составляемых по первому закону Кирх-
гофа | nI=nу – 1 = 4 – 1 = 3, |
где nу=4 – | количество узлов. |
Уравнения составляются для любых узлов. | |
Количество уравнений, составляемых по второму закону Кирх- | |
гофа | nII =nВ – (nу – 1) = 6 -(4-1)= 3. |
Уравнения составляются для независимых контуров.
Выбираются положительные направления токов и обозначаются стрелками. Так же стрелками обозначаются направления обхода неза-
висимых контуров: I, II, | III. |
|
|
|
|
|
|
|
|
|
|
|
| |||
Уравнения по первому закону для узлов: |
|
|
|
|
|
|
| |||||||||
Узел а | I1 -I2+I4 = 0 |
|
|
|
|
|
|
|
|
|
|
|
| |||
Узел b -I1 -I5 +I6= 0 |
|
|
|
|
|
|
|
|
|
|
|
| ||||
Узел с I2 -I3 +I5 = 0 |
|
|
|
|
|
|
|
|
|
|
|
| ||||
Уравнения по второму закону для контуров: |
|
|
|
| ||||||||||||
R1· I1+R2·I2- R5·I5= E2 |
|
|
|
|
|
|
|
|
|
|
|
| ||||
R3·I3+R5·I5+ R6· I6= E3 |
|
|
|
|
|
|
|
|
|
|
|
| ||||
-R1·I1 +R4·I4 -R6·I6 =-E4 |
|
|
|
|
|
|
|
|
|
|
|
| ||||
Система уравнений в матричной форме |
|
|
|
|
|
|
| |||||||||
| 1 | -1 | 0 | 1 | 0 | 0 |
| I |
|
| 0 |
| ||||
| -1 | 0 | 0 | 0 | -1 | 1 |
|
|
| 1 |
|
| 0 |
| ||
|
| I2 |
|
| ||||||||||||
0 | 1 | -1 | 0 | 1 | 0 | I3 |
|
| 0 | |||||||
| R | R | 0 | 0 | – R | 0 |
| × | I |
|
| = | E |
|
| |
|
|
| 4 |
|
| 2 |
| |||||||||
1 | 2 |
|
| 5 |
|
|
| |||||||||
| 0 | 0 | R 0 | R | R |
| I |
|
|
| E |
| ||||
|
| 0 | 3 |
| 5 | 6 |
|
|
| 5 |
|
|
| 3 |
| |
– R1 | 0 R4 | 0 | – R6 | I6 | – E4 | |||||||||||
Система уравнений в матричной форме после подстановки численных значений
| 1 | -1 | 0 | 1 | 0 | 0 | I | 1 |
| 0 | |||
| -1 | 0 | 0 | 0 | -11 |
|
|
|
| 0 |
| ||
|
| I2 |
|
| |||||||||
0 | 1 | -1 | 0 | 1 | 0 | I | 3 |
| 0 | ||||
| 19,5 | 7,5 | 0 | 0 | -15 | 0 |
| × |
|
| = | 9 |
|
|
| I | 4 |
|
| ||||||||
| 0 | 0 | 13,5 | 0 | 15 | 6 |
| I | 5 |
| 45 | ||
|
| 0 | 0 | 10,5 | 0 |
|
|
|
|
|
|
|
|
-19,5 | – 6 | I | 6 | 30 | |||||||||
Решение системы уравнений на компьютере можно получить при помощи разработанной на кафедре ТОЭ УГАТУ программы «Гаусс», а также стандартных математических пакетов, таких как MatCad илиMaple и др. Значения токов:

I1=-0,1846А | I2=2,4418 А | I3=2,8228 АI4=2,6265 А |
I5=0,3809 А | I6=0,1663 А |
|
Проверка полученного решения производится составлением баланса мощностей потребляемых резисторами и получаемых от источников:
Рпотр=I12·R1+ I22·R2+ I32·R3+ I42·R4+ I52·R5+ I62·R6=
(-0,1846)2·19,5+2,44182·7,5 + 2,82282·13,5 + 2,62652·10,5 +0,38092·15 + 0,16632·6 =227,79 Вт.
Рист= (E2·I2+E3·I3– E4·I4) =
(9·2,4418+ 45·2,8228+30·2,6265) = 227,79 Вт.
Рпотр= Рист
Баланс мощности сходится.
Задача 1.2. В цепи задачи 1.1 определить токI1.
Решение
Для определения тока в одной ветви самым рациональным будет использование метода эквивалентного источника (генератора). Этот метод относится к методам частичного анализа цепей, т.е. не требует определения токов во всех ветвях. Исходная схема для расчета представлена на рис.1.2.
| с | Е3 |
| |
E2 |
| R5 |
| R3 |
|
| R6 |
|
|
| b |
|
| d |
R2 | I1 | Е | 4 | R4 |
| R1 |
| ||
a
Рис.1.2
Применение метода эквивалентного генератора основано на теореме об эквивалентном генераторе, согласно которой действие всех источников питания (на рисунке обведено пунктиром) на ветвь с неизвестным током заменяется воздействием одного, так называемого
16

«эквивалентного», генератора. Этот генератор на эквивалентной схеме замещения (рис.1.3) соединяется последовательно с исследуемой ветвью (на рисунке обведен пунктиром).
При этом ток в ветви определяется из простого выражения:
|
|
| I1= | EЭГ | , |
| |||
|
|
| RЭГ | + R4 |
| ||||
|
|
|
|
|
|
| |||
|
|
| + b |
|
|
|
|
| |
|
|
|
|
|
|
|
|
|
|
|
|
| ЕЭГ | Ubaхх |
|
|
|
| R1 |
|
|
|
|
|
|
|
| ||
|
|
| RЭГ |
|
|
|
|
| I1 |
|
|
|
|
|
|
|
|
| |
|
|
|
|
|
|
|
|
| |
|
|
| – a |
|
|
|
|
| |
|
|
|
| Рис.1.3 |
|
|
| ||
ЕЭГ= Uba XX , | RЭГ= Rba XX , | ||||||||
где: Uba XX – напряжение между зажимами эквивалентного ге- | |||||||||
нератора b иa в режиме холостого хода; |
|
|
| ||||||
Rba XХ – сопротивление между зажимамиb иa пассивного двух- | |||||||||
полюсника, полученного из схемы, соответствующей холостому ходу эквивалентного генератора.
Решение распадается на два основных этапа – определение эквивалентной ЭДС и определение входного сопротивления относительно точек ab.
1)Определение ЭДС эквивалентного генератора – ЕЭГ (рис.1.4).
сЕ3
Определим количество уравнений необходимых для расчета то-
ков:
Количество уравнений, составляемых по первому закону Кирх-
гофа | nI=nу – 1 = 2 – 1 = 1, |
где nу=2 – | количество узлов (узлы c,d). |
Уравнение составляется для любого из узлов. | |
Количество уравнений, составляемых по второму закону Кирх- | |
гофа | nII =nВ – (nу – 1) = 3 -(2-1)= 2. |
Составляем уравнения по законам Кирхгофа:
I2Э– I3Э+ I5Э= 0
(R2+R4)·I2Э –(R5+R6)·I5Э =E2-E4
R3·I3Э+(R5+ R6) ·I5Э= E3
Подставим численные значения в уравнения
I2Э– I3Э+ I5Э= 0
18·I2Э –21·I5Э = 39
13,5·I3Э +21 ·I5Э = 45
Решая, полученную систему уравнений на компьютере получим значения токов:
I2Э =2,5323 АI3Э = 2,8458 АI5Э = 0,3134 А
ЭДС эквивалентного генератора равно:
ЕЭГ = -R6·I5Э +R4·I2Э +Е4= – 6 · 0,3134 + 10,5 ·2,5323-30=-5,2912В.
2) Определение эквивалентного сопротивления двухполюсника
– Rab.
При этом все источники ЭДС закорачиваются (их внутренние сопротивления равны нулю), а источники тока размыкаются (их внутренние сопротивления равны бесконечности) – рис. 1.5.

m | b | d | Ra |
| |||
| R6 |
| |
|
|
| |
R2 |
| R4 |
|
|
| Rbd |
|
a
Рис.1.5
Произведем эквивалентное преобразование звезды, образованной сопротивлениями R3,R4,R6 в треугольник:
R | = R | + R + | R6× R4 | = 10,5 + 6 + |
| 6 ×10,5 | = 21,167 Ом. | ||||||
|
|
|
|
| |||||||||
ba | 4 | 6 |
|
| R3 | 13,5 |
|
|
| ||||
|
|
|
|
|
|
|
| ||||||
R | = R +R + | R6× R3 | = 13,5 + 6 + | 6 ×13,5 | = 27,214 Ом. | ||||||||
|
|
|
| ||||||||||
cb | 3 | 6 |
|
| R4 | 10,5 |
|
|
| ||||
|
|
|
|
|
|
|
| ||||||
R | = R | + R + | R4× R3 |
| = 10,5 +13,5 + | 10,5 ×13,5 | = 47,625 Ом. | ||||||
|
| ||||||||||||
ac | 4 | 3 |
|
| R6 | 6 |
| ||||||
|
|
|
|
|
| ||||||||
Далее произведем преобразования на параллельно включенных участках цепи
| с |
| Rcb |
| R5 |
m | Rac |
| b |
| Rba |
| a |
| Рис.1.6 |
Rcb5 | = |
| Rcb× R5 |
| = |
| 27,214 ×15 |
|
| = 9,670 Ом. | |
| Rcb+ R5 | 27,214 + 15 |
| ||||||||
|
|
|
|
|
| ||||||
R | = | Rac× R2 |
| = | 47,625× 7,5 |
|
| = 6,479 Ом. | |||
|
|
|
| ||||||||
ac2 |
| Rac+ R2 |
| 47,625 + 7,5 |
| ||||||
|
|
|
| ||||||||
19
studfiles.net
ТОЭ 1 – РГР 1
Тольяттинский государственный университет
Кафедра «Электроснабжение и электротехника»
Расчетно-графическая работа №1
«Анализ линейных электрических цепей постоянного тока»
Преподаватель: Шлыков С.В.
Студент: Назаров М.А.
Группа: ЭЭТп-1401
Тольятти, 2015
Задание
Изобразите линейную электрическую цепь постоянного тока, соответствующую следующим требованиям:
не менее двух источников постоянной ЭДС;
не менее двух источников постоянного тока;
не менее 4 узлов;
не менее 6 ветвей;
ветвь образуется резистором и/или источником ЭДС (источником тока).
Произвольно задайтесь значениями источников энергии (ЭДС и тока) и сопротивлений резисторов.
Составьте систему алгебраических уравнений по законам Кирхгофа для расчетной линейной электрической цепи.
Найдите неизвестные токи ветвей в программной среде Mathcad, решив систему уравнений.
Докажите выполнение энергетического баланса электрической цепи, составив уравнение баланса мощностей.
Запишите системы алгебраических уравнений, используя методы:
Рассчитайте токи ветвей рациональным методом и сравните с результатом пункта 4.
Рассчитайте потенциалы точек в контуре (по указанию преподавателя) и постройте потенциальную диаграмму.
Относительно заданной ветви, (по указанию преподавателя) определите параметры эквивалентного генератора (E0, Iк.з. и R0). Постройте графики зависимости Pист=f(I), Pнагр=f(I), Pпотерь=f(I). Укажите на построенном графике режимы работы.
Сделайте необходимые выводы к работе.
Ход работы
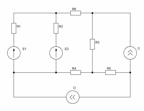
Изобразим линейную электрическую цепь постоянного тока, содержащую не менее двух источников постоянной ЭДС, не менее двух источников постоянного тока, не менее четырех узлов, не менее шести ветвей.

Рис. 1. Линейная электрическая цепь постоянного тока
Произвольно зададим значения источников энергии (ЭДС и тока) и сопротивлений резисторов.
Ниже приведена таблица 1 со значениями источников энергии (ЭДС и тока) и сопротивлений резисторов.
Таблица 1
, Ом | , Ом | , Ом | , Ом | , Ом | , Ом | , В | , В | , А | , А |
100 | 200 | 50 | 40 | 150 | 70 | 20 | 10 | 2 | 3 |
Составим систему алгебраических уравнений по законам Кирхгофа для расчетной линейной электрической цепи.
В таблице 2 приведен анализ электрической цепи постоянного тока.
Таблица 2
Узлов | 5 |
Ветвей | 8 |
Ветвей с источником тока | 2 |
Количество уравнений по первому закону Кирхгофа | 4 |
Количество уравнений по второму закону Кирхгофа | 2 |
Произвольно зададим направления токов в ветвях. Направление обхода в каждом контуре зададим по часовой стрелке.
Уравнения по первому закону Кирхгофа:
Узел 1:
Узел 2:
Узел 3:
Узел 4:
Уравнения по второму закону Кирхгофа:
Контур 1:
Контур 2:
Найдем неизвестные токи ветвей в программной среде Mathcad, решив систему уравнений:
Составим уравнение баланса мощностей:
Количество теплоты, выделяющееся в единицу времени в сопротивлениях цепи, равняется энергии, достовляемой за то же время источником питания.
Метод контурных токов
Запишем систему уравнений для расчета токов ветвей, используя метод контурных токов.
В каждом контуре зададим направления контурных по часовой стрелке.
Решая систему уравнения, получим:
Используя найденные контурные токи, получим токи ветвей:
Метод узловых потенциалов
Составим систему уравнений, используя метод узловых потенциалов:
Узел 1:
Узел 2:
Узел 4:
Узел 5:
Зная значения потенциалов в каждом узле, найдем значения токов протекающих в ветвях:
Метод эквивалентного генератора
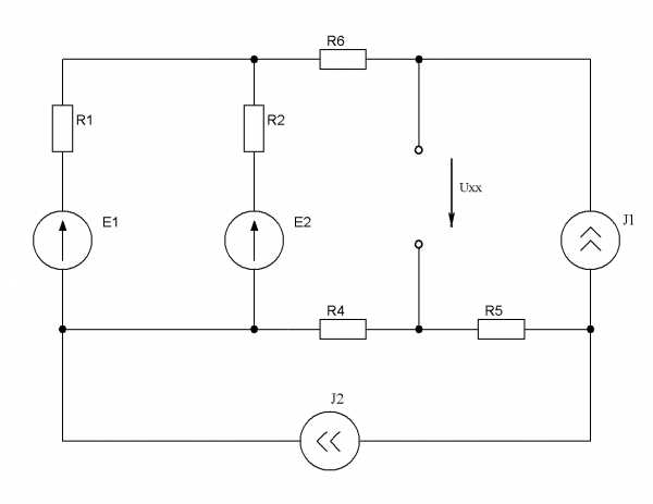
Определим параметры эквивалентного генератора относительно третьей ветви. Рассчитаем напряжение холостого хода.
На рисунке 2 показана новая цепь, с закороченной третьей ветвью.

Рис. 2. Цепь с закороченной третьей ветвью
На рисунке 3 представлена схема без источников тока и ЭДС

Рис. 3. Схема сопротивления эквивалентного генератора
Уравнения по первому закону Кирхгофа:
Узел 1:
Узел 2:
Узел 3:
Узел 4:
Уравнения по второму закону Кирхгофа:
Контур 1:
Контур 2:
Рассчитаем ток короткого замыкания:
Теперь найдем ток, протекающий в третьей ветви с помощью найденных параметров:
Ток в третьей ветви совпал с ранней найденным током в третьей ветви.
На рисунке 4 представлены графики зависимости ,
, .

Рис. 4. графики зависимости ,,
Область 1 — Режим холостого хода
Область 2 — Режим согласованной нагрузки
Область 3 — Режим короткого замыкания
Выводы
В представленной расчетно-графической работе была рассмотрена линейная цепь постоянного тока. После сборки цепи задались необходимыми параметрами и рассчитали неизвестные токи в системе Mathcad, применив первый и второй законы Кирхгофа.
В результате вычислений были рассчитаны неизвестные токи ветвей:
Было составлено уравнение баланса мощностей для данной цепи, установлено, что оно сходится. Также записаны системы уравнений по методам контурных токов и узловых потенциалов. Токи, рассчитанные наиболее рациональным способом (методом контурных токов), совпали с токами, вычисленными по законам Кирхгофа.
Отсюда можно сделать вывод, что метод расчета не влияет на полученные значения токов.
Рассчитаны потенциалы точек и построена потенциальная диаграмма для заданного контура.
Определены параметры эквивалентного генератора для заданной ветви, построены графики зависимости , , . На графиках указаны режимы работы.
Режим холостого хода – ток отсутствует:
Режим согласованной нагрузки:
Режим короткого замыкания: ;
studfiles.net
ТОЭ 1 РГР3
Министерство Образования и Науки Республики Казахстан
Некоммерческое акционерное общество
Алматинский Университет Энергетики и Связи
Кафедра ТОЭ
РАСЧЕТНО – ГРАФИЧЕСКАЯ РАБОТА №3
По дисциплине: «Теоретические основы электротехники 1»
На тему: «Расчет разветвленных электрических цепей однофазного синусоидального тока»
Специальность: 050718 Электроэнергетика
Выполнила: Наурзбаева С. Группа: Э-13-7
№ зачетной книжки: 134228
Принял: старший преподаватель Креслина C.Ю.
________ «___» ___________ 2014 г. ________
Алматы 2014
1.Цель работы: 3
2. Исходные данные 3
3. Решение 4
3.1 Система уравнений по законам Кирхгофа для значений токов. 4
3.2 Расчет комплексных действующих значений токов 5
а) Метод контурных токов 6
б) Метод узловых потенциалов 8
3.3 Уравнение баланса мощностей 10
3.4 Топографическая диаграмма 10
Список используемой литературы 12
Содержание:
1. Цель работы 3
2. Исходные данные 3
3. Решение 4
3.1 Система уравнений по законам Кирхгофа для значений токов. 4
3.2 Расчет комплексных действующих значений токов 5
а) Метод контурных токов 6-8
б) Метод узловых потенциалов 8
3.3 Уравнение баланса мощностей 9
3.4 Топографическая диаграмма 9-11
Список используемой литературы. 12
Цель работы:
Для разветвленной электрической цепи выполнить следующее:
а) составить систему уравнений по законам Кирхгофа для мгновенных значений токов и напряжений и для комплексных величин;
б) рассчитать комплексные действующие значения токов во всех ветвях двумя методами: методом контурных токов и методом узловых потенциалов;
в) составить уравнение баланса мощностей в цепи и проверить точность его выполнения;
г) построить топографическую диаграмму, совмещенную с векторной диаграммой токов.
Методические указания:
а) при расчёте методами контурных токов и узловых потенциалов схему можно упростить путём замены двух параллельных ветвей с пассивными элементами одной эквивалентной;
б) баланс мощностей можно составить для комплексной, активной и реактивной мощностей. Для полных мощностей уравнение баланса не составляется;
в) при построении топографической диаграммы точку с нулевым потенциалом следует поместить в начало координат на комплексной плоскости и из этой же точки строить вектора токов.
Таблица 3.1 Таблица 3.2
Год поступления | Предпоследняя цифра зачетной книжки |
Нечетный | 2 |
R1, Ом | 8 |
XL1, Ом | 8 |
XC1, Ом | 7 |
R2, Ом | 18 |
XL2, Ом | 10 |
XC2, Ом | 6 |
Год поступления | Последняя цифра зачетной книжки |
Нечетный № рисунка | 8 3.9 |
Е1, В | 40 |
Ψe1, град | 60 |
Е2, В | 0 |
Ψe2, град | 0 |
Е3, В | 60 |
Ψe3, град | 30 |
Таблица 3.3
Год поступления | Первая буква фамилии |
четный | Н |
R3, Ом | 16 |
XL3, Ом | 20 |
XC3, Ом | 15 |
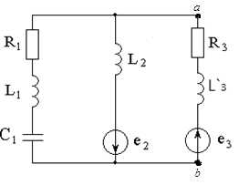
Рисунок 3.1
3.1 Система уравнений по законам Кирхгофа для значений токов.
Составим систему уравнений по законам Кирхгофа для мгновенных и комплексных значений токов:
Рисунок 3.2
–I закон Кирхгофа для мгновенных значений
II закон Кирхгофа для мгновенных значений
, –для комплексных значений
3.2 Расчет комплексных действующих значений токов
Рассчитаем комплексные действующие значения токов во всех ветвях двумя методами:
Для этого сначала произведем замену:
L`3
Рисунок 3.3
где – общее сопротивление междуL1 и С1
Тогда схема примет следующий вид:
Рисунок 3.4
а) Метод контурных токов
Составим систему уравнений для контуров схемы:
Рисунок 3.5
Далее с помощью вычислительной программы Mathcad13, подставив значения в систему, решим уравнение методом Крамера:
Δ11=
Δ22=
I11== -0.417-j0.507 А
I22==2.966 – j0.068 А
Отсюда следует, что:
I1= I11=-0.417-j0.507 А
I2= -(I11– I22)= -2.549+j0.573 А
I3= I22 = 2.966 – j0.068 А
Методом наложения найдем токи в параллельных ветвях:
Проверим токи с помощью Iго закона Кирхгофа:
Переведя токи из алгебраической формы в показательную, а затем в мгновенные, получим:
б)
Метод узловых потенциалов
Из схемы видно, что , где
Рисунок 3.5
Тогда:
См
См
См
Подставив значения, получим:
В
А
А
А
Проверим токи, полученные методом узловых потенциалов с помощью I закона Кирхгофа
=0
3.3 Уравнение баланса мощностей
Составим уравнение баланса мощностей в цепи и проверим точность его выполнения:
Тогда
Вт
Вт
Определим погрешность вычислений:
3.4 Топографическая диаграмма

Рисунок 3.6
Пусть , тогда остальные потенциалы рассчитаем с помощьюMathcad
В
В
В
В
В
В
В
Л.А. Бессонов «Теоретические основы электротехники. Электрические цепи»;
Л.Р. Нейман, К.С. Демирчян «Теоретические основы электротехники»;
Г.В. Зевеке, П.А. Ионкин, А.В. Нетушил, С.В. страхов «Основы теории цепей»;
Конспект лекций «Теоретические основы электротехники 1».
studfiles.net
|
| ||||||||||||||||||||||||||||||||||||||||||||||
toe-rgr.ru
